Next Article in Journal
DCS: A Zero-Shot Anomaly Detection Framework with DINO-CLIP-SAM Integration
Previous Article in Journal
Multi-Source 3D Documentation for Preserving Cultural Heritage
 
 
Font Type:
Arial Georgia Verdana
Font Size:
Aa Aa Aa
Line Spacing:
Column Width:
Background:
Article

Effect of Different Austenitizing Temperatures on the Microstructure and Mechanical Properties of Austempering Gray Cast Iron

1
CCTEG Shenyang Research Institute, Fushun 110178, China
2
Fushun CCTEG Inspection Center Co., Ltd., Fushun 110178, China
3
School of Materials Science and Engineering, Shenyang University of Technology, Shenyang 110870, China
*
Author to whom correspondence should be addressed.
Appl. Sci. 2026, 16(4), 1828; https://doi.org/10.3390/app16041828
Submission received: 26 November 2025 / Revised: 6 February 2026 / Accepted: 9 February 2026 / Published: 12 February 2026

Abstract

To meet the mechanical property requirements of gray cast iron for the shells of coal mine explosion-proof equipment and investigate the effect of austenitizing temperature on the microstructure and mechanical properties of gray cast iron, isothermal quenching was conducted at four austenitizing temperatures (890 °C, 910 °C, 930 °C, and 950 °C), with cast samples as the control group. The microstructure was using a scanning electron microscope, and the mechanical properties were tested using a universal tensile testing machine, a drop-weight impact testing machine and a hardness tester. The results show that the matrix microstructure of gray cast iron transforms from ferrite + pearlite to ausferrite after isothermal quenching, and the proportion of ausferrite increases gradually with the rise of austenitizing temperature. At an austenitizing temperature of 930 °C, the hardness of the sample reaches a maximum value of 247.6 HBW, which is 31.9% higher than that of the cast sample. At 910 °C, the impact energy and tensile strength achieve the optimal values of 9.59 J and 219 MPa, respectively, with an increase of 6.43 J and 51 MPa compared with the cast sample. Comprehensive analysis indicates that the austenitizing temperature of 910 °C can improve the strength while maintaining good toughness, which makes it more suitable for application scenarios requiring both strength and toughness such as coal mine explosion-proof equipment.

1. Introduction

The operating environment for underground coal mining is extremely complex. The presence of flammable and explosive substances, such as gas and coal dust, means potential safety hazards during operations cannot be ignored. Once electrical equipment malfunctions or generates sparks, it may trigger explosion accidents, posing severe threats to the life safety of underground workers and the production and operation of coal mining enterprises. Therefore, explosion-proof enclosures are commonly used as an explosion-proof measure for electrical equipment in coal mines [1,2,3]. Gray cast iron is widely used in complete machines or components of coal mine explosion-proof equipment due to its controllable cost, mature casting process and excellent comprehensive properties [4,5,6]. For instance, gray cast iron serves as the dominant material for Ex d flameproof enclosures, which are commonly applied in key equipment such as explosion-proof motors, junction boxes, control cabinets and lighting fixtures [7]. However, in the coal mining environment, phenomena such as coal seam collapse and roof rock fall may occur, which can cause damage to the enclosures of explosion-proof equipment. This imposes higher requirements on the mechanical properties of the enclosures of coal mine explosion-proof equipment [8,9]. To meet the requirements for the enclosures of coal mine explosion-proof equipment in the coal mining environment, it is necessary to further improve the properties of gray cast iron.
To improve the properties of gray cast iron, researchers have conducted alloying treatment and isothermal quenching treatment on gray cast iron castings [10,11,12]. Alloying improves the properties by adding specific elements to molten iron. Its main mechanisms lie in refining the microstructure and altering the phase composition. Pan et al. [13] studied the microstructure and properties of gray cast iron for cylinder heads. The results showed that the addition of trace Nb element can improve the tensile strength, toughness, fatigue performance, and thermal fatigue performance of gray cast iron, and the sample with an Nb content of 0.20% exhibits excellent comprehensive mechanical properties. The addition of the Nb element not only refines graphite, eutectic cells, carbides, and phosphide eutectic but also reduces the pearlite lamellar spacing, thereby strengthening the matrix. Razaq et al. [14] improved the mechanical properties of gray cast iron through Ti-W alloying. Ti-W refines grains, increases the pearlite proportion, and forms hard carbides. The optimal alloying ratio reduces the specific wear rate of gray cast iron by 81.3%, improves the surface roughness by 35.3%, and increases the polarization resistance by 48.2%, leading to a significant enhancement in wear and corrosion resistance. Razaq et al. [15] investigated the effects of three elements (W, Ti, and Sn) on gray cast iron. The optimal properties are achieved when the contents of Ti and Sn are both 0.561%, and the content of W is 0.945%. However, alloying has its inherent limitations: the addition of alloying elements may impair the fluidity of molten iron and increase the white cast tendency in casting; moreover, there exists a bottleneck in property improvement, making it difficult to meet the ever-growing high-performance demands.
Inspired by the isothermal quenching of ductile iron, some researchers have conducted studies on the isothermal quenching of gray cast iron and found that this process can also enhance the mechanical properties of gray cast iron. Seikh et al. [16] held the samples at 927 °C for 60 h and then subjected them to isothermal quenching at 260 °C–385 °C for 60 h. The higher the isothermal quenching temperature, the smaller the thermodynamic driving force for bainite transformation and the slower the kinetics. Consequently, the transformation of austenite becomes less complete, leading to a larger volume fraction of untransformed retained austenite. An increase in austenite content tends to reduce the corrosion rate. Fathy et al. [17] found that a longer holding time for air-cooled gray cast iron promotes thorough carbon diffusion and austenite homogenization, which leads to an increased amount of high-hardness pearlite structure or carbides in the matrix after air cooling, thereby enhancing the hardness. Studies by Sarkar et al. [18] demonstrated that for Cu-alloyed gray cast iron, the optimal comprehensive mechanical properties are achieved when the austenitizing temperature is 898 °C and the isothermal quenching process is 310 °C for 1 h, specifically: hardness 332 BHN, tensile strength 309 MPa, elongation 0.72%, and impact energy 9.5 J. Mariani et al. [19] showed that the fine and robust austempered structure formed during isothermal quenching replaces the softer pearlite matrix and graphite flakes with stress concentrations in the as-cast state, thereby improving both hardness and adhesive wear resistance. Moreover, as the structure coarsens after high-temperature treatment at 360 °C, the enhancement achieved with low-temperature treatment at 240–300 °C is more pronounced. Sarkar et al. [20] showed that an increase in isothermal quenching temperature leads to an increase in austenite volume fraction and its carbon content, a decrease in ferrite volume fraction, a slight increase in graphite volume fraction, and an increase in ferrite cell size. Hardness and tensile strength decrease with the rise in isothermal quenching temperature, while plasticity improves with increasing temperature. Eperješi et al. [21] austenitized gray cast iron at 920 °C and then conducted isothermal quenching at 250 °C, 350 °C, and 450 °C, respectively. As the temperature increased, the microstructure transformed from pearlite and ferrite into high-carbon austenite with excellent plasticity and acicular ferrite, thereby enhancing strength and tensile properties through the transformation-induced plasticity effect.
From the aforementioned studies, the microstructure of cast iron transforms into ausferrite (acicular ferrite + high-carbon austenite) after austempering, and this microstructural transformation significantly enhances the mechanical properties of gray cast iron. Austempering not only enables gray cast iron to achieve excellent mechanical properties but also offers a broader range of property regulation. Current research on the austempering process mainly focuses on the optimization of temperature and time parameters in the isothermal holding stage, while relevant investigations on the austenitizing temperature remain relatively scarce. However, the austenitizing temperature exerts a significant influence on the completeness of austenitization. The core influence mechanisms of austenitizing temperature are reflected in three aspects: firstly, it determines the completeness of austenitization—excessively low temperature causes as-cast proeutectoid ferrite and pearlite to remain un dissolved, failing to provide a uniform matrix for subsequent phase transformation; secondly, it regulates the austenite grain size—excessively high temperature induces grain coarsening, leading to the formation of coarse ausferrite microstructure during subsequent transformation and impairing mechanical properties; thirdly, it affects the uniformity of carbon content in austenite—an appropriate temperature promotes sufficient diffusion of carbon and alloying elements, homogenizes the austenite composition, and creates conditions for the uniform nucleation and growth of ausferrite. The austenitizing time needs to be coordinated with temperature: insufficient time results in incomplete austenitization, while excessively long time may aggravate grain coarsening and carbide precipitation, further affecting phase transformation efficiency.
Based on the aforementioned research status and gaps, this study aims to systematically clarify the effect of austenitizing temperature—a key process parameter—on the microstructure and properties of austempered gray cast iron. Four austenitizing temperatures, namely 890 °C, 910 °C, 930 °C, and 950 °C, were selected for the experiments. Through systematic microstructural characterization and mechanical property testing, the influence law of austenitizing temperature on the microstructure of gray cast iron was analyzed systematically and in depth, and the correlation between its microstructural characteristics and mechanical properties was further clarified. The results of this study will provide direct theoretical and data support for optimizing the heat treatment process of gray cast iron explosion-proof housings, and are of great significance for improving the lightweighting and reliability of coal mine safety equipment.

2. Experimental

Molten iron was smelted from pig iron and scrap steel raw materials using a medium-frequency induction furnace, and the tapping temperature of molten iron was strictly controlled at 1450 ± 10 °C. Ferrosilicon 75 (FeSi75, with 75% silicon content) was adopted as the inoculant. Standard Y-type test blocks were cast via the resin sand molding process, and the dimensions of the Y-type test blocks are shown in Figure 1. The main chemical compositions of the gray cast iron were as follows: 3.4% C, 2.7% Si, 0.8% Mn, P ≤ 0.1%, S ≤ 0.1%. The carbon equivalent (CE) of gray cast iron is used to evaluate its solidification characteristics and eutecticity, and is usually calculated by the classic formula involving the contents of carbon, silicon and phosphorus [22]:
CE = C   +   1 3 ( Si + P )
The calculated carbon equivalent is 4.33.
Metallographic samples, impact test samples and tensile test samples with the specification of 15 × 15 × 10 mm were machined from the gray cast iron test blocks by wire electrical discharge machining, which were used for subsequent heat treatment experiments and mechanical property tests. The dimensions of the impact and tensile test samples are presented in Figure 2.
The samples were subjected to austenitization treatment at 890 °C, 910 °C, 930 °C and 950 °C, respectively, in a box-type resistance furnace, with a holding time of 60 min for all temperatures. Immediately after the completion of austenitization, the samples were transferred to a salt bath furnace preheated to 300 °C (consisting of 50% KNO3 and 50% NaNO2) and held for 60 min, followed by air cooling to room temperature, The selection of this parameter was primarily based on the isothermal transformation characteristics of the material used in this study, with the aim of ensuring the acquisition of a uniform and stable austempered microstructure. The technological process is illustrated in Figure 3. The as-cast gray cast iron sample and the samples treated at different austenitizing temperatures were labeled as zt (as-cast), At 890 (austenitized at 890 °C), At 910 (austenitized at 910 °C), At 930 (austenitized at 930 °C) and At 950 (austenitized at 950 °C) respectively. The heat-treated samples were ground with sandpapers of 200#, 400#, 600#, 800#, 1000# and 1500# mesh successively, and then mechanically polished with a felt cloth. The polished samples were etched with a 4% nitric acid alcohol solution for 15 s, and their microstructures were observed using a ZEISS scanning electron microscope. Microstructure characterization was conducted following ASTM A247-20.
Room-temperature tensile tests were conducted on an E45-305 microcomputer-controlled electronic universal testing machine at a crosshead speed of 1 mm/min, the tensile test was performed in accordance with ASTM A370-22. Room-temperature impact performance tests were carried out on a JB-300B pendulum impact testing machine, and the impact test adopted V-notch specimens with a notch depth of 2 mm. Hardness tests were performed using a UH250 automatic universal hardness tester, and the impact test adopted V-notch specimens with a notch depth of 2 mm. Triplicate parallel experiments were conducted for each group of samples, and the average values of impact energy, tensile strength, elongation and yield strength were taken as the final test results.

3. Results and Discussion

Figure 4 shows the graphite morphology of as-cast gray iron before corrosion. It can be seen from the figure that the graphite in the as-cast gray iron before corrosion is dominated by Type A graphite (curved flaky, uniformly distributed, with no obvious orientation), with a small amount of Type F graphite (primary stellate or spider-like graphite). The formation of Type F graphite is the result of the synergistic effects of composition, cooling conditions and solidification process. Essentially, it is a special graphite morphology formed in hypereutectic iron under rapid cooling conditions, characterized by a distinct central core and radial branches; the branches are irregular, flaky, and non-planar, and the overall distribution has no obvious orientation.
Type A graphite features uniform distribution and rounded flakes, exerting the weakest matrix-severing effect. Thus, the matrix can fully exert its load-bearing capacity, enabling the gray iron to maintain high levels of tensile strength and impact toughness. In contrast, Type F graphite, as a fine-grained structure, contributes to grain refinement and thereby improves the hardness of gray iron to a certain extent. Additionally, a small amount of Type F graphite can inhibit carbon atom diffusion, prevent the formation of coarse Type C graphite, and enhance the microstructural uniformity of castings. Meanwhile, the crystallization process dominated by Type A graphite can ensure the fluidity of molten iron, reducing casting defects such as misruns and cold shuts. This graphite combination not only retains the strength, toughness, machinability and process stability of Type A graphite, but also compensates for the deficiency of local hardness through a small amount of Type F graphite, thus improving the comprehensive mechanical properties of gray iron castings.
Figure 5 shows the metallographic microstructures of the samples treated at different austenitizing temperatures. It can be seen from Figure 5a that the matrix microstructure of as-cast gray iron consists of pearlite and a small amount of ferrite. Quantitative analysis using Image-Pro Plus 6.0 software shows that the pearlite content is 76%, the ferrite content is 14.9%, and the graphite volume fraction is 9.1%. After the austempering treatment, the matrix microstructure of all samples underwent significant transformation. However, the characteristics and extent of this transformation varied depending on the austenitizing temperature.
At 890 °C, the austenitizing temperature was relatively low; some proeutectoid ferrite from the as-cast state failed to dissolve completely and thus remained, while the remaining regions were transformed into ausferrite. At 910 °C, 930 °C, and 950 °C, the temperature was sufficiently high to achieve complete austenitization. Subsequently, after austempering at 300 °C, most of the austenite was converted into ausferrite, and a small amount of untransformed austenite either existed as high-carbon austenite or formed other phases during subsequent cooling. Ausferrite was the target microstructure of this process, composed of two phases: acicular ferrite and high-carbon austenite. These acicular ferrite grains nucleated and grew in an interwoven pattern within the prior austenite grains, intersecting or adjoining the randomly distributed flaky graphite. The formation mechanism was as follows: acicular ferrite precipitated from the supercooled austenite and expelled carbon atoms into the surrounding austenite during growth, leading to an increase in carbon content and enhanced stability of the austenite, and ultimately forming a multiphase structure where ferrite and high-carbon austenite were uniformly distributed.
A comparison of the microstructures at different austenitizing temperatures (Figure 5b–e) revealed that as the austenitizing temperature increased from 890 °C to 910 °C, the austenite composition became more homogeneous, resulting in a significant increase in the proportion of ausferrite and a more uniform and compact microstructure. At 930 °C and 950 °C, excessively high austenitizing temperatures caused coarsening of the prior austenite grains, which in turn led to an increase in the size of the transformed acicular ferrite lath bundles [23]. Meanwhile, the enhanced stability of austenite prolonged the incubation period for acicular ferrite transformation, preventing complete transformation within the fixed isothermal holding time. The untransformed austenite underwent diffusionless martensitic transformation due to the large degree of supercooling during air cooling, forming brittle plate martensite phases [24].
Figure 6 presents the X-ray diffraction patterns of different specimens. It can be observed that as the austenitizing temperature increases from 890 °C to 950 °C, the intensity of the austenite diffraction peaks increases continuously, indicating that the total content of austenite in the specimens keeps rising after austempering. Since the matrix of the as-cast specimen is composed of ferrite and pearlite, its α-ferrite (110) diffraction peak exhibits the highest intensity. As the austenitizing temperature increases gradually, the intensity of the ferrite diffraction peak weakens accordingly.
The direct comparison method was employed in this experiment to calculate the austenite content in gray cast iron. The diffraction peaks corresponding to the (200) and (211) crystal planes of the α-phase, as well as the (200) and (220) crystal planes of the γ-phase, were obtained using software. Volume fraction of high-carbon austenite [25]:
V A = ( 1 V c ) ( 1 + K I α I γ )
VA is the volume percentage of austenite; VC is the volume percentage of carbides in austempered gray cast iron; Iγ is the diffraction intensity of a certain crystal plane of austenite (face-centered cubic, FCC); Iα is the diffraction intensity of a certain crystal plane of ferrite (body-centered cubic, BCC). Considering factors such as the crystal grains of the sample being oriented along certain specific directions to varying degrees, it is necessary to calculate the diffraction intensity results of 4 groups of crystal planes. The K values corresponding to different combinations of crystal planes vary with X-ray target materials and sample types. There are several combinations as follows, and the K values corresponding to different diffraction lines are listed in Table 1.
Two diffraction planes were selected for each of the two phases, resulting in four combinations. The integrated diffraction intensities of the respective crystal planes of the γ-phase and α-phase were obtained using MDI Jade 6.0, and then substituted into Equation (1) to calculate the volume fraction of high-carbon austenite VA. This yielded four calculation results; finally, the average value of these four results was taken as the volume percentage of high-carbon austenite in the austempered gray cast iron. The carbon content of high-carbon austenite was calculated using Equation (2) [27]:
α γ = 0.3548 + 0.0044 C γ
In Equation (2), αγ denotes the lattice constant of austenite; Cγ denotes the mass fraction of carbon content in high-carbon austenite. αγ can be calculated using the following formula:
α γ = λ 2 × S i n   ( θ γ   ×   π 2   ×   180 ) × h 2 + k 2 + l 2
In the formula, λ is the wavelength of the X-ray; θγ is the diffraction angle of the (111) crystal plane of austenite; h, k, and l are the crystal plane indices. The high-carbon austenite content and carbon content in high-carbon austenite calculated using Equation (1) and Equation (2) are shown in Table 2.
Figure 7 shows the hardness of gray cast iron at different austenitizing temperatures. As illustrated in the figure, after austempering, the hardness of all specimens is significantly higher than the 187.6 HBW of the as-cast gray cast iron. This is because after heat treatment, the carbon content in austenite increases with the rise of austenitizing temperature, which not only enhances the thermal stability of austenite but also promotes the formation of more ausferrite. When the austenitizing temperature is 930 °C, the hardness reaches the maximum value, increasing from 187.6 HBW in the as-cast state to 247.6 HBW. At this temperature, the original pearlitic structure of the as-cast state is completely transformed into austenite with uniform composition, and its carbon content reaches equilibrium, providing an ideal initial state for subsequent austempering transformation. During austempering at 300 °C, this carbon content level achieves an optimal balance between promoting ausferrite formation and ensuring austenite stability. Consequently, ausferrite with a high-volume fraction is obtained via transformation, which provides the main matrix strengthening effect. Meanwhile, compared with 910 °C, a small amount of untransformed austenite appears due to the higher carbon content, which transforms into high-carbon martensite during air cooling. Thanks to the strengthening effect of the hard martensite, the hardness reaches the peak value. When the austenitizing temperature rises to 950 °C, excessively high temperatures causes coarsening of austenite grains, which in turn leads to the coarsening of the ausferrite microstructure, resulting in a downward trend in hardness.
Figure 8 shows the impact energy of gray iron samples under different austenitizing temperatures. The results indicate that the as-cast sample exhibited the lowest impact energy of only 3.16 J. After austempering, the impact energy of all samples increased significantly, reaching a peak of 9.59 J at 910 °C, followed by a decline at 930 °C and 950 °C. The as-cast microstructure, with a matrix predominantly composed of brittle pearlite, accounts for its minimum impact energy. After austempering, the pearlitic matrix transforms into an austempered microstructure. In this structure, the acicular ferrite provides high strength, while the high-carbon austenite filling the interstices possesses excellent stability. Under impact loading, this austenite can undergo a transformation-induced plasticity effect, absorbing substantial energy and blunting crack tips, which fundamentally explains the remarkable improvement in toughness. At 890 °C, the limited enhancement in impact energy is attributed to insufficient austenitization, resulting in a reduced formation of the austempered microstructure. At 910 °C, a well-proportioned, fine-grained and optimally stable ausferrite structure is obtained, achieving an optimal balance between strength and toughness. The curved morphology of Type A graphite itself can render the crack propagation path tortuous. In the pearlitic matrix, its negative effects as crack initiation sites and rapid crack propagation channels predominate. However, after austenitization at 910 °C and subsequent austempering treatment, the matrix microstructure is transformed into a strong and tough ausferritic matrix. This matrix not only effectively inhibist crack initiation at the graphite tips, but also exertsa strong hindering, blunting and deflecting effect on cracks through its complex microstructural characteristics, which results in an extremely high energy consumption for crack propagation and thus an improvement in impact energy. A downward trend in impact energy is observed at 930 °C and 950 °C. This is because excessively high austenitizing temperatures induce coarsening of austenite grains, which in turn increases the size of acicular ferrite lath bundles. Additionally, austempering at elevated temperatures is more likely to cause stress concentration, thus leading to the reduction in impact energy [28].
Figure 9 shows the impact fracture surfaces of gray cast iron at different austenitizing temperatures. The impact fracture surface of as-cast gray cast iron exhibited typical characteristics of brittle cleavage fracture with a flat morphology, which was consistent with the brittle nature of the pearlite matrix. Under the condition of 890 °C, the impact fracture surface was dominated by cleavage steps and river patterns, corresponding to brittle fracture. This was attributed to the undissolved ferrite caused by incomplete austenitization and insufficient ausferrite transformation, leading to inadequate microstructure strengthening and toughening. For the sample treated at 910 °C, numerous dimples were distributed on the fracture surface, and the formation of dimples is a typical feature of ductile fracture. The more dimples on the fracture surface, the better the mechanical properties, which were directly related to the fine ausferrite microstructure obtained at this temperature.
At 930 °C and 950 °C, the number of dimples on the fracture surface decreased, while cleavage planes, secondary cracks and tear ridges increased, presenting a mixed brittle-ductile fracture mode. Especially for the sample at 950 °C, the tear ridges were more prominent. This was because excessively high temperatures caused microstructure coarsening and martensite formation. The hard and brittle martensite acted as crack sources and rapid propagation channels, dominating the brittle fracture behavior and leading to the emergence of tear ridges [29]. However, it was reflected that the ausferrite matrix and flake graphite still exerted a certain inhibitory effect on crack propagation, which was insufficient to offset the detrimental effect of martensite, thus resulting in a significant decrease in impact energy.
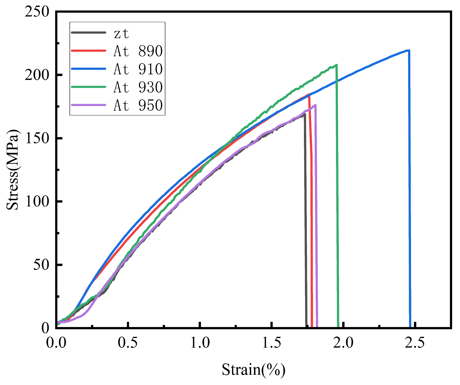
Figure 10 shows the engineering stress–strain curves of different gray cast iron specimens. The tensile strength and percentage elongation after fracture of the as-cast specimen are 168 MPa and 1.74%, respectively, which meet the requirements of the HT150 grade. After the austempering treatment, both the tensile strength and elongation of the specimens exhibit a trend of first increasing and then decreasing.
For the specimen austenitized at 890 °C, the tensile strength is only 184 MPa, with a limited improvement. This is because the austenitizing temperature is insufficient to fully dissolve the proeutectoid ferrite in the as-cast structure, resulting in residual soft blocky ferrite in the matrix after heat treatment. Meanwhile, the relatively low carbon solubility also affects the subsequent isothermal transformation, leading to a low volume fraction of the formed ausferrite (consisting of high-carbon austenite and acicular ferrite). Consequently, the improvement in comprehensive mechanical properties is not significant.
When the temperature is increased to 910 °C, the specimen achieves the optimal tensile properties, with the tensile strength reaching 219 MPa and the elongation also significantly improved. This temperature ensures complete austenitization, providing a homogenized initial microstructure for the subsequent isothermal transformation. Sufficient carbon dissolution and diffusion promote the formation of a large amount of fine ausferrite. During tensile deformation, it can effectively exert the transformation-induced plasticity (TRIP) effect, transforming into martensite to coordinate deformation and delay necking, thus simultaneously improving the strength and plasticity of the specimen [29].
When the temperature is further increased to 930 °C and 950 °C, the tensile properties decline, with the specimen treated at 950 °C showing the worst performance. This is mainly attributed to two factors: first, excessively high temperatures causes austenite grain coarsening, which in turn leads to an increase in the size of acicular ferrite lath bundles after transformation. The coarser the grains, the fewer the grain boundaries; since grain boundaries are the core sites that impede dislocation movement, the deformation resistance is weakened, and the tensile strength decreases accordingly [30]. In addition, higher temperatures during austempering are more likely to induce stress concentration, which makes the specimen more prone to fracture and thus further reduces the tensile strength.
Figure 11 shows the tensile fracture morphologies of the specimens at different austenitizing temperatures, whose evolution law is highly consistent with the mechanical property results, intuitively revealing the influence mechanism of the microstructure on the fracture behavior. The fracture surface of the as-cast gray cast iron specimen is flat, exhibiting typical brittle fracture characteristics, which is directly related to the stress concentration caused by the pearlitic matrix and graphite flakes. For the specimen austenitized at 890 °C, distinct river patterns are observed on the fracture surface. This morphology indicates that the incomplete austenitization at this temperature leads to the formation of an imperfect ausferrite structure, resulting in relatively low tensile strength. The fracture morphology of the specimen treated at 910 °C presents obvious changes, where dimples and radial features centered on graphite flakes are clearly visible. This characteristic demonstrates that although cracks still initiate at the graphite tips, they encounter a homogeneous ausferrite matrix during propagation. The fine acicular ferrite can effectively blunt the crack tips, deflect the crack propagation direction, and force the cracks to extend slowly along multiple paths, thus forming radial morphologies and local dimples. This fracture process requires higher energy consumption, which corresponds to the optimal tensile strength and elongation of this specimen. With the austenitizing temperature further increased to 930 °C and 950 °C, the radial patterns on the fracture surface decrease, while the number of secondary cracks and cleavage steps increases. Excessively high temperatures cause significant coarsening of the original austenite grains, leading to the formation of coarse lath bundles of acicular ferrite during subsequent transformation, which weakens the inhibitory effect on crack propagation.

4. Conclusions

Through systematic investigations on the microstructure and mechanical properties of as-cast and austempered gray cast iron at different austenitizing temperatures, the following conclusions are drawn:
(1) Austempering induces a fundamental transformation in the matrix microstructure of gray cast iron, converting the as-cast pearlite into heat-treated ausferrite. As the austenitizing temperature increases from 890 °C to 950 °C, the proportion of ausferrite increases significantly, whereas the morphology and distribution of graphite remain unchanged.
(2) Austempering significantly improves the comprehensive mechanical properties of gray cast iron. With the increase of austenitizing temperature, the hardness exhibits a trend of first increasingthen decreasing, reaching a peak value of 247.6 HBW at 930 °C. The tensile strength, impact energy, and elongation also show a similar trend of initial increase followed by decrease, achieving the optimal comprehensive values at 910 °C (tensile strength: 219 MPa, impact energy: 9.59 J). This difference indicates that pursuing the maximum hardness alone is not the optimal option, as it may lead to the growth of austenite grains, which impairs the plastic deformation and energy absorption capacity of the material.
(3) For components requiring a balance between strength and toughness, such as coal mine explosion-proof equipment, the austenitizing process at 910 °C is recommended (tensile strength: 219 MPa, impact energy: 9.59 J, hardness: 233.6 HBW). This process not only significantly enhances the material strength but also greatly improves the impact toughness. The underlying mechanism lies in the uniform composition and moderate grain size of the initial austenite at this temperature, which ensures that the two phases of acicular ferrite and high-carbon austenite in the subsequently transformed ausferrite achieve optimal synergy in terms of strengthening and toughening. Microstructure coarsening and formation of brittle martensite induced by excessively high temperatures (e.g., 930 °C and 950 °C) are the fundamental causes of the decline in comprehensive properties. This study provides a theoretical basis and process window for tailoring the properties of gray cast iron through the precise control of the austenitizing process.

Author Contributions

Conceptualization, S.Z. (Shian Zhu) and H.Z.; methodology, X.L.; software, Y.H. and X.L.; validation, S.Z. (Shian Zhu), H.Z. and F.H.; formal analysis, X.L.; investigation, H.Z., F.H., Y.H., S.Z. (Siruo Zhang) and G.L.; resources, S.Z. (Shian Zhu), F.H., X.L. and S.Z. (Siruo Zhang); data curation, Y.H. and G.L.; writing—original draft preparation, S.Z. (Shian Zhu) and F.H.; writing—review and editing, S.Z. (Shian Zhu); visualization, Y.H.; supervision, H.Z.; project administration, H.Z.; funding acquisition, H.Z. All authors have read and agreed to the published version of the manuscript.

Funding

This research was funded by the National Natural Science Foundation of China (Grant No. 52174228).

Institutional Review Board Statement

Not applicable.

Informed Consent Statement

Not applicable.

Data Availability Statement

The original contributions presented in this study are included in the article. Further inquiries can be directed to the corresponding author.

Conflicts of Interest

Authors Shian Zhu, Hongkui Zhang and Fei Han were employed by the company "Fushun CCTEG Inspection Center Co. Ltd". The remaining authors declare that the research was conducted in the absence of any commercial or financial relationships that could be construed as a potential conflict of interest.

References

  1. Lu, W.T.; Lou, G.H.; Zhang, S.S.; Yang, C.M. Design and application of mine-used underwater explosion-proof robot. Appl. Mech. Mater. 2014, 494, 1060–1063. [Google Scholar]
  2. Shou-Xi, H. Intrinsic safety design of explosion-proof and intrinsic safety type electrical control box for underground mining equipment. J. Mine Autom. 2012, 38, 83–86. [Google Scholar]
  3. Huang, Z.; Si, R.; Wen, G.; Jin, S.; Xue, S. Experimental study on the isolation effect of an active flame-proof device on a gas explosion in an underground coal mine. Fire 2023, 6, 468. [Google Scholar] [CrossRef]
  4. Labrecque, C.; Gagne, M. Ductile iron: Fifty years of continuous development. Can. Metall. Q. 1998, 37, 343–378. [Google Scholar]
  5. An, Y.; Wang, C.; Cui, H. Design of thinner and lighter explosion proof housing for coal mine flameproof electrical equipment. Colliery Mech. Electr. Technol. 2016, 1, 38–40. [Google Scholar]
  6. Li, D.; Dai, S.; Zheng, H. Investigation of the explosion characteristics of ethylene-air premixed gas in flameproof enclosures by using numerical simulations. Therm. Sci. 2023, 27, 1573–1586. [Google Scholar] [CrossRef]
  7. Găman, G.A.; Rad, M.; Zsido, S.; Munteanu, L.; Munteanu, G. Performance analysis of the ‘d’ explosion-flameproof enclosure type of protection for electrical equipment used in hazardous explosion areas. In MATEC Web of Conferences; EDP Sciences: Les Ulis, France, 2025; Volume 418. [Google Scholar] [CrossRef]
  8. Liu, C.; Guo, J.; Zong, F.; Liu, L.; Zhang, L.; Ling, C. Analysis and research on explosion-proof performance of a certain type of explosion-proof material. J. Phys. Conf. Ser. 2025, 3043, 012054. [Google Scholar]
  9. Krause, T.; Bewersdorff, J.; Markus, D. Investigations of static and dynamic stresses of flameproof enclosures. J. Loss Prev. Process Ind. 2017, 49, 775–784. [Google Scholar]
  10. Ning, H.; Li, X.; Meng, L.; Jiang, A.; Ya, B.; Ji, S.; Zhang, W.; Du, J.; Zhang, X. Effect of Ni and Mo on microstructure and mechanical properties of grey cast iron. Mater. Technol. 2023, 38, 2172991. [Google Scholar] [CrossRef]
  11. Cao, X.; Zhang, Q.; Yu, J.; Yu, X. Effect of compositional changes and heat treatment on microstructure and mechanical properties of gray cast iron. J. Mater. Res. Technol. 2025, 35, 5336–5352. [Google Scholar] [CrossRef]
  12. Collini, L.; Nicoletto, G.; Konečná, R. Microstructure and mechanical properties of pearlitic gray cast iron. Mater. Sci. Eng. A 2008, 488, 529–539. [Google Scholar] [CrossRef]
  13. Pan, S.; Zeng, F.; Su, N.; Xian, Z. The effect of niobium addition on the microstructure and properties of cast iron used in cylinder head. J. Mater. Res. Technol. 2020, 9, 1509–1518. [Google Scholar] [CrossRef]
  14. Razaq, A.; Yu, P.; Khan, A.R.; Ji, X.-Y.; Yin, Y.-J.; Zhou, J.-X.; Shehabeldeen, T.A. Improvements in Wear and Corrosion Resistance of Ti-W-Alloyed Gray Cast Iron by Tailoring Its Microstructural Properties. Materials 2024, 17, 2468. [Google Scholar] [PubMed]
  15. Razaq, A.; Zhou, J.-x.; Hussain, T.; Tu, Z.-x.; Yin, Y.-j.; Ji, X.-y.; Xiao, G.; Shen, X. Effect of alloying elements W, Ti, Sn on microstructure and mechanical properties of gray iron 220. China Foundry 2019, 16, 393–398. [Google Scholar] [CrossRef]
  16. Seikh, A.H.; Sarkar, A.; Singh, J.K.; Mohammed, S.M.K.; Alharthi, N.; Ghosh, M. Corrosion characteristics of copper-added austempered gray cast iron (AGCI). Materials 2019, 12, 503. [Google Scholar] [CrossRef]
  17. Fathy, N. Influence of semi-solid isothermal heat treatment on microstructure of gray cast iron. J. Miner. Mater. Charact. Eng. 2013, 1, 326–330. [Google Scholar] [CrossRef][Green Version]
  18. Sarkar, T.; Sutradhar, G. Relationship between matrix-microstructure and mechanical properties of copper alloyed thin wall austempered gray cast iron (TWAGI). Int. J. Cast Met. Res. 2018, 31, 20–28. [Google Scholar] [CrossRef]
  19. Mariani, F.E.; Bortoluci de Assis, G.; Casteletti, L.C.; Neto, A.L.; Totten, G.E. Austempering and boro-austempering treatments in gray cast iron. Mater. Perform. Charact. 2017, 6, 262–271. [Google Scholar] [CrossRef]
  20. Sarkar, T.; Bose, P.; Sutradhar, G. Effect of the time and temperature of isothermal quenching on microstructure and mechanical properties of bainitic gray cast iron. Met. Sci. Heat Treat. 2020, 61, 552–558. [Google Scholar] [CrossRef]
  21. Eperješi, Š.; Malik, J.; Vasková, I.; Fecko, D. Increasing of utility properties of grey cast iron castings with heat treatment. Arch. Foundry Eng. 2015, 15, 13–16. [Google Scholar] [CrossRef]
  22. Koriyama, S.; Kanno, T.; Iwami, Y.; Kang, I. Investigation of the difference between carbon equivalent from carbon saturation degree and that from liquidus. Int. J. Met. 2020, 14, 774–781. [Google Scholar] [CrossRef]
  23. Putatunda, S.K.; Kesani, S.; Tackett, R.; Lawes, G. Development of austenite free ADI (austempered ductile cast iron). Mater. Sci. Eng. A 2006, 435, 112–122. [Google Scholar] [CrossRef]
  24. Ferry, M.; Xu, W. Microstructural and crystallographic features of ausferrite in as-cast gray iron. Mater. Charact. 2004, 53, 43–49. [Google Scholar] [CrossRef]
  25. E975-13; A Standard Practice for X-Ray Determination of Retained Austenite in Steel Withnear Random Crystallographic Orientation. ASTM International: West Conshohocken, PA, USA, 2013.
  26. Psoda, M.; Bucki, J.J. Quantitative Phase Analysis of Austempered Ductile Cast Iron. In Applied Crystallography; World Scientific: Singapore, 2004; pp. 216–220. [Google Scholar]
  27. E975-22; A Standard Test Method for X-Ray Determination of Retained Austenite in Steel with Near Random Crystallographic Orientation. ASTM International: West Conshohocken, PA, USA, 2022.
  28. Nan, R.; Fu, H.; Yang, P.; Lin, J.; Lei, Y. Effect of austenitizing temperature on the microstructure evolution and properties of Cu-bearing CADI. Mater. Test. 2019, 61, 865–874. [Google Scholar] [CrossRef]
  29. Sarkar, T.; Sutradhar, G. Influence of austenitizing temperature on microstructure and mechanical properties of austempered gray iron (AGI). Mater. Today Proc. 2017, 4, 10138–10143. [Google Scholar]
  30. Wang, X.; Du, Y.; Liu, C.; Hu, Z.; Li, P.; Gao, Z.; Guo, H.; Jiang, B. Relationship among process parameters, microstructure, and mechanical properties of austempered ductile iron (ADI). Mater. Sci. Eng. A 2022, 857, 144063. [Google Scholar] [CrossRef]
Figure 1. Schematic diagram of Y-type test block casting.
Figure 1. Schematic diagram of Y-type test block casting.
Applsci 16 01828 g001
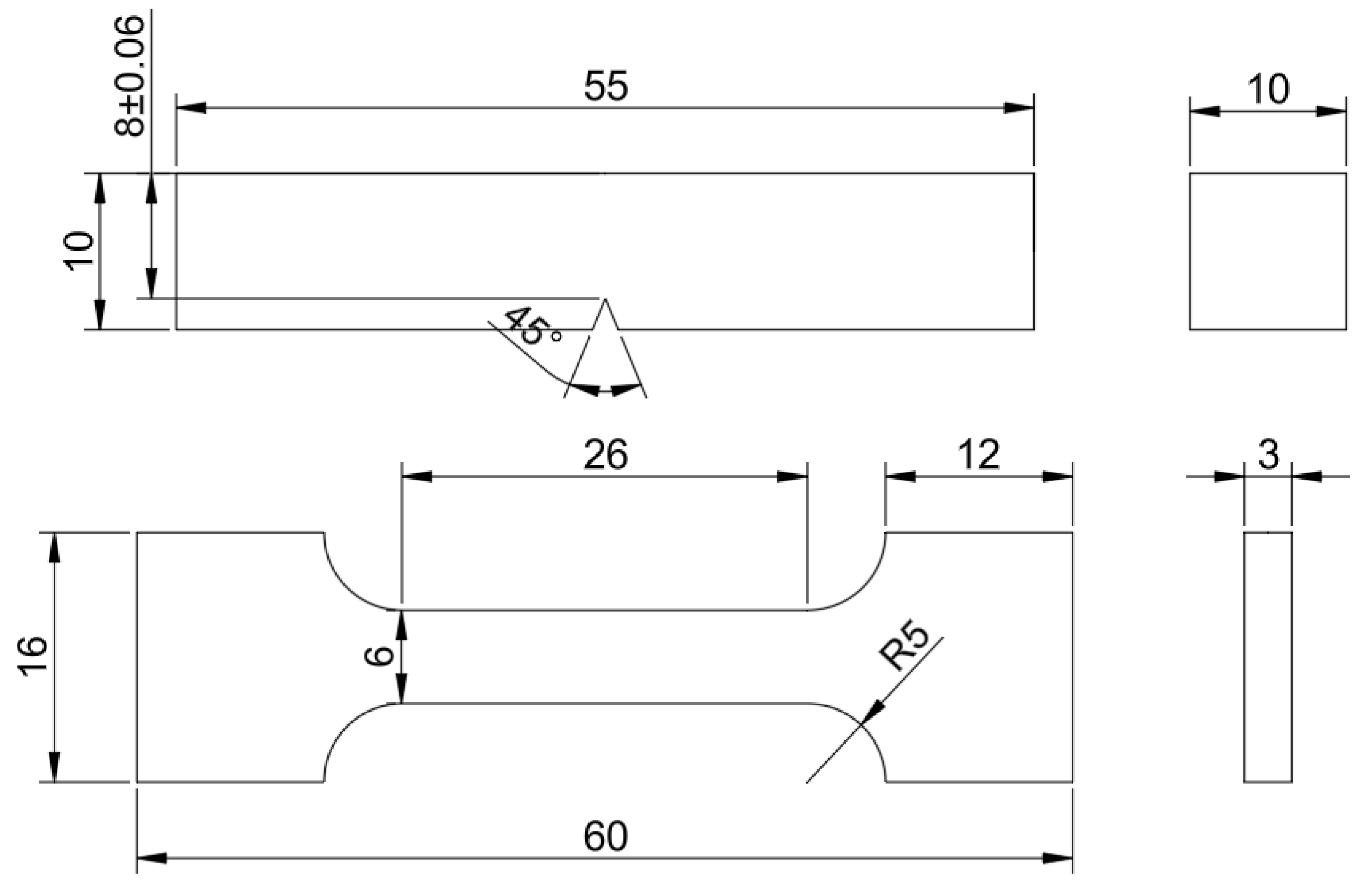
Figure 2. Dimension drawing of impact and tensile samples.
Figure 2. Dimension drawing of impact and tensile samples.
Applsci 16 01828 g002
Figure 3. Austempering process diagram of gray cast iron.
Figure 3. Austempering process diagram of gray cast iron.
Applsci 16 01828 g003
Figure 4. Graphite morphology: (a) 100 times electron microscope image, (b) 200 times electron microscope image.
Figure 4. Graphite morphology: (a) 100 times electron microscope image, (b) 200 times electron microscope image.
Applsci 16 01828 g004
Figure 5. Microstructures of different specimens: (a) as-cast, (b) At 890, (c) At 910, (d) At 930, and (e) At 950.
Figure 5. Microstructures of different specimens: (a) as-cast, (b) At 890, (c) At 910, (d) At 930, and (e) At 950.
Applsci 16 01828 g005
Figure 6. XRD patterns of samples at different austenitizing temperatures.
Figure 6. XRD patterns of samples at different austenitizing temperatures.
Applsci 16 01828 g006
Figure 7. Hardness of different specimens.
Figure 7. Hardness of different specimens.
Applsci 16 01828 g007
Figure 8. Impact energy of different specimens.
Figure 8. Impact energy of different specimens.
Applsci 16 01828 g008
Figure 9. Impact fracture of gray cast iron at different austenitizing temperatures: (a) zt, (b) At 890, (c) At 910, (d) At 930, and (e) At 950.
Figure 9. Impact fracture of gray cast iron at different austenitizing temperatures: (a) zt, (b) At 890, (c) At 910, (d) At 930, and (e) At 950.
Applsci 16 01828 g009
Figure 10. Stress–strain curves of different gray cast iron specimens.
Figure 10. Stress–strain curves of different gray cast iron specimens.
Applsci 16 01828 g010
Figure 11. Tensile fracture of gray cast iron at different austenitizing temperatures: (a) zt, (b) At 890, (c) At 910, (d) At 930, and (e) At 950.
Figure 11. Tensile fracture of gray cast iron at different austenitizing temperatures: (a) zt, (b) At 890, (c) At 910, (d) At 930, and (e) At 950.
Applsci 16 01828 g011
Table 1. K Values of Different Combinations of Diffraction Planes [26].
Table 1. K Values of Different Combinations of Diffraction Planes [26].
Austenite
(200)(220)
Ferrite(200)2.461.32
(220)1.210.65
Table 2. Austenite Content and Carbon Content in Austenite of Gray Cast Iron at Different Austenitizing Temperatures.
Table 2. Austenite Content and Carbon Content in Austenite of Gray Cast Iron at Different Austenitizing Temperatures.
Austenitizing Temperature/°CAustenite Content/%Carbon Content in Austenite/%
89020.3171.14
91025.7151.22
93027.8421.32
95028.1581.38
Disclaimer/Publisher’s Note: The statements, opinions and data contained in all publications are solely those of the individual author(s) and contributor(s) and not of MDPI and/or the editor(s). MDPI and/or the editor(s) disclaim responsibility for any injury to people or property resulting from any ideas, methods, instructions or products referred to in the content.

Share and Cite

MDPI and ACS Style

Zhu, S.; Zhang, H.; Han, F.; Hao, Y.; Liu, X.; Zhang, S.; Li, G. Effect of Different Austenitizing Temperatures on the Microstructure and Mechanical Properties of Austempering Gray Cast Iron. Appl. Sci. 2026, 16, 1828. https://doi.org/10.3390/app16041828

AMA Style

Zhu S, Zhang H, Han F, Hao Y, Liu X, Zhang S, Li G. Effect of Different Austenitizing Temperatures on the Microstructure and Mechanical Properties of Austempering Gray Cast Iron. Applied Sciences. 2026; 16(4):1828. https://doi.org/10.3390/app16041828

Chicago/Turabian Style

Zhu, Shian, Hongkui Zhang, Fei Han, Yihan Hao, Xinming Liu, Siruo Zhang, and Guanglong Li. 2026. "Effect of Different Austenitizing Temperatures on the Microstructure and Mechanical Properties of Austempering Gray Cast Iron" Applied Sciences 16, no. 4: 1828. https://doi.org/10.3390/app16041828

APA Style

Zhu, S., Zhang, H., Han, F., Hao, Y., Liu, X., Zhang, S., & Li, G. (2026). Effect of Different Austenitizing Temperatures on the Microstructure and Mechanical Properties of Austempering Gray Cast Iron. Applied Sciences, 16(4), 1828. https://doi.org/10.3390/app16041828

Note that from the first issue of 2016, this journal uses article numbers instead of page numbers. See further details here.

Article Metrics

Back to TopTop