Next Article in Journal
USD-YOLO: An Enhanced YOLO Algorithm for Small Object Detection in Unmanned Systems Perception
Next Article in Special Issue
Optimization Configuration Method for Grid-Forming and Grid-Following Energy Storage Based on Node Frequency Deviation Coefficient
Previous Article in Journal
Vulnerable Road User Detection for Roadside-Assisted Safety Protection: A Comprehensive Survey
Previous Article in Special Issue
A Single-End Location Method for Small Current Grounding System Based on the Minimum Comprehensive Entropy Kurtosis Ratio and Morphological Gradient
 
 
Font Type:
Arial Georgia Verdana
Font Size:
Aa Aa Aa
Line Spacing:
Column Width:
Background:
Article

Leakage Detection Method of Coal Mine Power Supply System Based on 3AC

1
School of Mechanical and Electrical Engineering, China University of Mining and Technology-Beijing, Beijing 100083, China
2
State Grid Beijing Electric Power Company Maintenance Branch, Beijing 100071, China
*
Author to whom correspondence should be addressed.
Appl. Sci. 2025, 15(7), 3798; https://doi.org/10.3390/app15073798
Submission received: 17 February 2025 / Revised: 23 March 2025 / Accepted: 24 March 2025 / Published: 30 March 2025

Abstract

With the continuous attention to the safety of coal mine power systems, the traditional mine leakage protection method has its limitations; therefore, a leakage detection method based on 3 asymmetric capacitance (3AC) is proposed. This method is able to calculate the value of the insulation resistance in real time, enabling continuous monitoring of the insulation resistance and automatically disconnecting the fault line when there is an abnormal insulation resistance signal. In this paper, a mathematical model of the method is constructed, and its effectiveness and feasibility are verified by theoretical analysis and simulation.

1. Introduction

Currently, the long-distance power supply systems in underground coal mining faces suffer from severe line losses, and load fluctuations lead to unstable terminal voltages. To address these issues, the latest solution involves adopting a solid-state automatic voltage regulation system based on series compensation principles (as shown in Figure 1). Due to technical limitations, direct voltage measurement at the end of the line is challenging, so the voltage regulation device in this scheme can only be installed at the outlet of the mobile substation at the distribution point of the working face. Additionally, an algorithm has been proposed to estimate the terminal voltage using voltage and current phasors at the head of the line [1].
Traditional leakage protection methods exhibit significant shortcomings when dealing with such dynamic environments. Conventional leakage protection methods rely on zero-sequence voltage, zero-sequence current, and zero-sequence power direction principles, which are set based on static operating conditions and cannot effectively handle variations in the voltage and current at the head of the load tap-changing system [2]. Moreover, the output voltage of the voltage regulation system can fluctuate by ±30% around the rated voltage of 1140 V. This variability leads to significant differences in detected zero-sequence voltages and currents for leakage faults occurring at different positions along the same power supply line, increasing measurement errors for single-phase leakage fault resistances and resulting in serious faults or missed operation issues [3,4].
Furthermore, the principle of zero-sequence components can only detect single-phase leakage faults and cannot identify leakage faults caused by symmetrical decreases in three-phase insulation resistance [5,6]. Even with the installation of additional DC detection power sources on the low-voltage side of mobile substations to measure the equivalent ground insulation resistance of the entire system, PWM harmonic interference affects the DC component flowing through the detection circuit, influenced by factors such as modulation depth and carrier frequency, leading to increased measurement errors for insulation resistance [7,8,9,10]. Therefore, there is an urgent need to develop new leakage protection methods to meet the unique requirements of long-distance power supply lines, including large, distributed capacitors, wide-voltage fluctuation ranges, high harmonic content, and significant differences in zero-sequence voltages at various fault locations [11].
In practical applications, power supply systems in underground coal mines must ensure both stable and safe power transmission while also coping with complex geological conditions and harsh working environments. To meet these needs, this paper proposes a novel leakage detection and protection method named 3AC. This method involves adding a set of asymmetric three-phase capacitors at the head of the line to generate a continuous zero-sequence current that is monitored in real time. Even in the event of a three-phase leakage fault, the zero-sequence current can still be detected, allowing accurate measurement of the system’s insulation resistance and identification of specific fault types [12]. This approach not only enhances the accuracy of leakage protection but also significantly improves the reliability and safety of the entire power supply system, ensuring safe and efficient coal mine operations [13,14].
By introducing the 3AC leakage detection and protection method, this paper aims to overcome the limitations of existing technologies and provide a more robust and efficient solution to address the complex challenges of long-distance power supply systems in underground coal mines. This innovation not only enhances the safety of mining operations but also offers valuable reference experience for similar application scenarios [15].

2. Leakage Protection Method Based on 3AC Detection Circuit

2.1. The Composition of the Detection Circuit

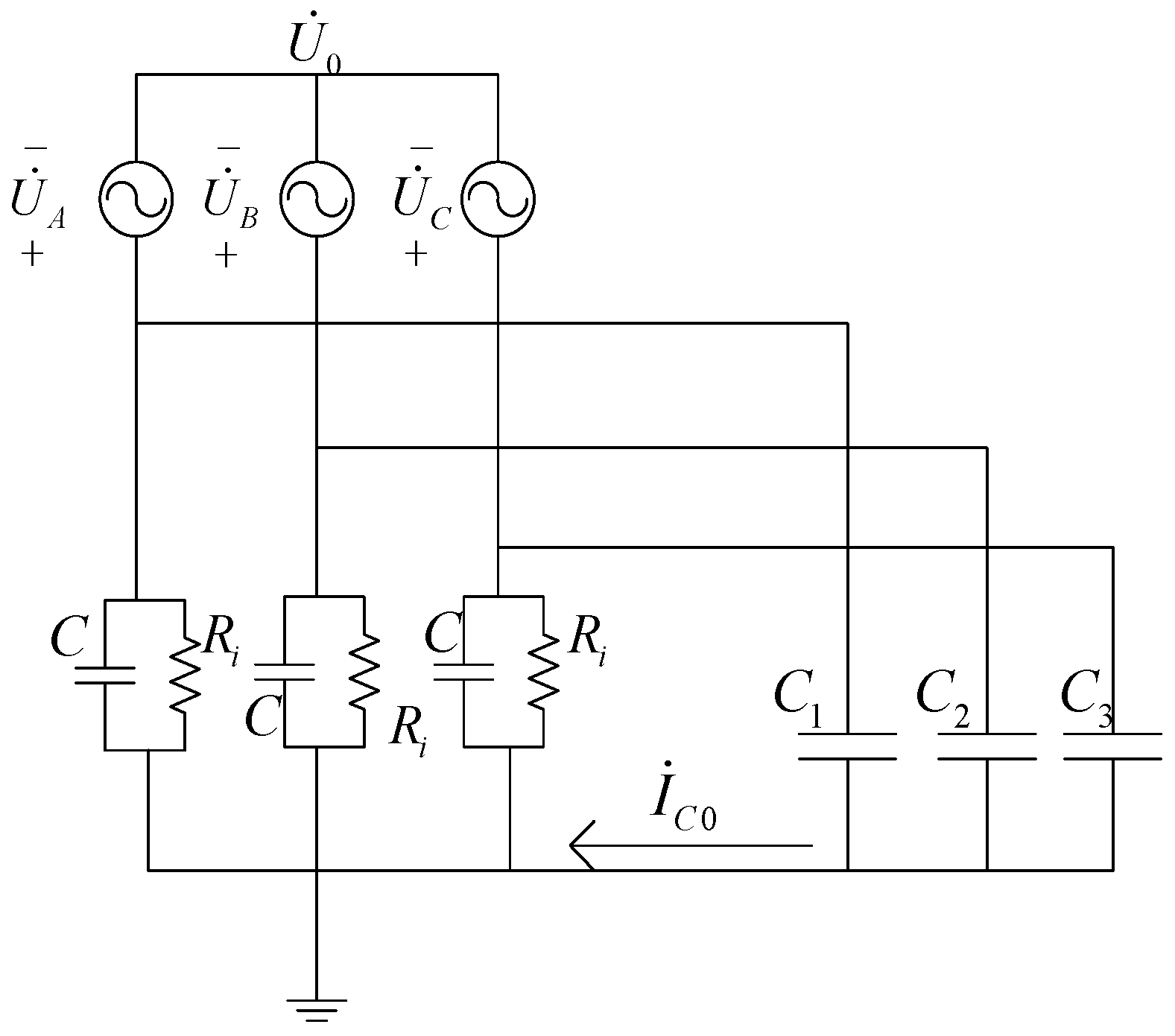
In the three-phase power supply system where the neutral point of the transformer is not grounded and when the three-phase insulation resistance is basically equal, even if the resistance value is small, the current flowing into the earth remains symmetrical in magnitude and phase [16,17,18]. Additionally, zero-sequence voltage and current are not generated, and traditional methods fail [19].
In order to solve this problem, this paper proposes a method named 3AC, that is, three capacitors C1, C2, and C3 of different sizes are artificially added at the head of the power supply system. It must be fulfilled that the formula C1 = 2C2 = 2C3 is set to form an asymmetric capacitor filter, which is equivalent to manufacturing a constant zero-sequence component in the system. Even under the faulty condition of three-phase insulation resistance uniformly and symmetrically declining [20], this zero-sequence component introduced by the capacitor can still be used for detection, thus solving the problem that traditional methods cannot detect such faults [21]. The electrical principle is shown in Figure 2.
The method of adding three-phase asymmetric capacitance (3AC for short) is not only able to effectively detect single-phase leakage but to also identify leakage faults of two-phase and three-phase insulation drops. By targeting characteristics of large voltage fluctuation ranges of long-distance on-load automatic voltage regulation power supply systems, this proposed method exhibits adaptability under varying conditions.

2.2. Mathematical Model Based on 3AC Detection Method

By collecting the ground current of ‘3AC’, the effective value and phase are calculated by the Fourier algorithm [15], and then the pattern recognition of the mathematical model of leakage resistance is established according to the variation law of the current phasor when single-phase, two-phase, and three-phase leakage faults occur.
To optimize the system’s performance, it is necessary to carefully select the parameters of the additional capacitors. Specifically, the capacitance values are determined such that C1 = 2C2 = 2C3, with the specific values set as C1 = 2C2 = 2C3 = 0.2 μF. The choice of 0.2 μF as the capacitance value is not only because it meets the basic functional requirements, but more importantly, it can operate reliably in a high-voltage environment of 1140 V, while taking into account safety, cost-effectiveness, and overall system performance optimization. This value is the optimal result obtained through simulation or experimentation and can meet the system’s performance requirements under normal operating conditions. In order to simplify the theoretical analysis, it is usually assumed that the grid power supply, the insulation resistance, and distributed capacitors between the phase and the ground of all lines are symmetrically distributed, and the distributed capacitance of each phase to the ground is C. When the three-phase insulation resistance decreases, the resistance values are represented by RA, RB, and RC, respectively.
The node voltage method is used to analyze U ˙ 0 and I ˙ C 0 , where I ˙ C 0 is a zero-sequence current artificially constructed by adding three asymmetric capacitors. Taking the earth as the reference node, the formula is as follows:
U ˙ 0 = U ˙ A ( 1 R A + j ω C + j ω C 1 ) U ˙ B ( 1 R B + j ω C + j ω C 2 ) U ˙ C ( 1 R C + j ω C + j ω C 3 ) [ 1 R A + 1 R B + 1 R C + j ω 3 C + j ω ( C 1 + 2 C 2 ) ]
Expanding the denominator of Equation (1) and considering that the vector sum of the three-phase voltages is zero given the conditions C1 = 2C2 = 2C3 as set above, we can simplify the data to obtain Equation (2):
U ˙ 0 = U ˙ A 1 R A U ˙ B 1 R B U ˙ C 1 R C j ω C 2 U ˙ A 1 R A + 1 R B + 1 R C + j ω 3 C + j ω 4 C 2
In an ideal power system, the three-phase conductors are completely insulated from each other and from the ground. This means that no current will leak through the insulation materials to the ground or other conductors. Therefore, in this ideal scenario, the insulation resistance can be considered infinite. Although, in reality, any insulation material has a certain resistance value, under normal operating conditions, the insulation resistance is very high and can still be treated as infinite. Thus, 1/RA, 1/RB, and 1/RC can be approximated as zero. Consequently, Equation (2) can be further simplified as follows:
U ˙ 0 = j ω C 2 U ˙ A j ω 3 C + j ω 4 C 2
Due to the addition of three-phase asymmetric capacitance, a zero-sequence current I ˙ C 0 will also be generated during the normal operation of the system. According to the equivalent model diagram, the following derivation can be made:
I ˙ C 0 = U ˙ A j ω C 1 + ( U ˙ B + U ˙ C ) j ω C 2 + U ˙ 0 j ω ( C 1 + 2 C 2 )
where C 1 = 2 C 2 = 2 C 3 , U ˙ B + U ˙ C = U ˙ A , Substitute it into Equation (3), we can get:
I . C 0 = U ˙ A j ω C 2 + U ˙ 0 j ω 4 C 2
That is:
I ˙ C 0 = j ω C 2 ( U ˙ A + 4 U ˙ 0 )

2.2.1. Single-Phase Leakage

When a leakage fault occurs in a particular phase, the insulation resistance of that phase decreases. Therefore, in Equation (2), it can no longer be considered infinite.
When a single-phase leakage occurs in phase A, the insulation of RA decreases. Assuming that the insulation resistance after the decrease is RA′, the insulation resistance of RB and RC can be regarded as infinite. The formula of U ˙ 0 changed as follows:
U ˙ 0 = U ˙ A 1 R A j ω C 2 U ˙ A 1 R A + j ω 3 C + j ω 4 C 2
Similarly, it can be deduced that the insulation of RB and RC decreases when the separate leakage of the B phase and the C phase occurs. If the insulation resistance after the decrease is set to RB′ and RC′, then U ˙ 0 is as follows, respectively:
U ˙ 0 = U ˙ B 1 R B j ω C 2 U ˙ A 1 R B + j ω 3 C + j ω 4 C 2
U ˙ 0 = U ˙ C 1 R C j ω C 2 U ˙ A 1 R C + j ω 3 C + j ω 4 C 2

2.2.2. Two-Phase Leakage

When a two-phase leakage fault occurs in the A and B phases, the insulation of RA and RB decreases, and the insulation resistance of RC can be equivalent to infinity. Therefore, the formula of U ˙ 0 changes as follows:
U ˙ 0 = U ˙ A 1 R A U ˙ B 1 R B j ω C 2 U ˙ A 1 R A + 1 R B + j ω 3 C + j ω 4 C 2
When a two-phase leakage occurs, the insulation resistance is the parallel resistance of the two phases, which is set to R A /2, simplified to obtain
U ˙ 0 = ( U ˙ A + U ˙ B ) 1 R A j ω C 2 U ˙ A 2 R A + j ω 3 C + j ω 4 C 2

2.2.3. Three-Phase Leakage

When an A, B, and C three-phase leakage fault occurs, the insulation resistance is a three-phase resistance in parallel, which is set to R A /3, U ˙ 0 as follows:
U ˙ 0 = ( U ˙ A + U ˙ B + U ˙ C ) 1 R A j ω C 2 U ˙ A 3 R A + j ω 3 C + j ω 4 C 2
where U ˙ A + U ˙ B + U ˙ C = 0, simplifies the above equation:
U ˙ 0 = j ω C 2 U ˙ A 3 R A + j ω 3 C + j ω 4 C 2
Formulas (6) to (12) define the relationship between the voltage U ˙ 0 and the equivalent insulation resistance under various leakage fault conditions. The value of U ˙ 0 can be determined using the capacitance and I ˙ C 0 measured by a current transformer. By substituting these seven-fault state mathematical models into the calculations, the insulation resistance can be solved and compared with the preset action threshold values to determine whether a leakage fault has occurred.

2.3. Validation of 3AC Mathematical Model

Simulink is used to build a simulation model of the power supply system incorporating additional three-phase asymmetric capacitors. The parameters defined in the mathematical model are utilized in this simulation. The simulation diagram is shown in Figure 3:
When the system is under normal operation, the I ˙ C 0 , its waveform, effective value, and phase angle are shown in Figure 4:
Through the simulation results, it can be observed that under the normal operation of the system, the amplitude and phase angle of the artificially manufactured zero-sequence I ˙ C 0 remain basically constant, with no significant fluctuation or change. Specifically, in real operational conditions, the RMS value of the zero-sequence current is maintained at approximately 25 mA, and the phase angle remains steady at around 90 degrees. This phenomenon shows that the system using the 3AC method can effectively maintain the stability of the zero-sequence current under normal operating conditions and is not influenced by external factors. Such consistency ensures the reliability of this leakage protection method, providing a dependable safeguard against potential electrical hazards.
Taking the phase A leakage fault as an example, the insulation resistance is set to 20 kΩ, and the simulation is carried out. The results are shown in Figure 5.
A phase A leakage of 1.5 s occurs, and its phase angle and amplitude change significantly, that is, leakage fault occurs.
The formula script of I ˙ C 0 is written in Matlab script, and the relationship between insulation resistance, I ˙ C 0 amplitude, and phase under different leakage faults is drawn.
As shown in Figure 6, the colors in the upper right corner correspond to their respective fault modes. The dark blue line in the figure is the amplitude and phase of the I ˙ C 0 of the phase A leakage fault. Observing the point of 20 kΩ, it can be seen that the amplitude is about 25 mA, and the phase angle is about 137 degrees. The calculation results are basically consistent with the data obtained by simulation. Then, the I ˙ C 0 under different leakage conditions is simulated, and the calculated I ˙ C 0 is compared. The results are largely consistent, thereby validating the correctness of Formula (5).

3. Phase Selection of Leakage Fault Based on 3AC Detection Method

The leakage protection devices currently in use do not have the function of fault phase selection, which does not facilitate efficient fault repair. The leakage protection method based on the 3AC detection method can provide a criterion for selecting the fault phase.
We replaced the I ˙ C 0 in the case of the phase A leakage fault into the U ˙ 0 formula under different leakage conditions and substituted different insulation resistance values, which are taken as 1000 Ω, 2000 Ω, 10 kΩ, 20 kΩ, 24 kΩ, and 100 MΩ, respectively. Among them, the 100 MΩ is equivalent to the case of infinite insulation resistance, that is, no insulation degradation occurs.
Using the U ˙ 0 calculation formula of the phase A insulation drop, the I ˙ C 0 is calculated, and then it is substituted into the calculation formula of the seven fault types, and the real and imaginary parts of Rd (phase A leakage) are obtained as shown in Table 1 and Table 2.
It can be observed that in all simulated leakage cases, only when phase A leakage occurs, the imaginary part of the complex result calculated by the formula is the smallest. Under the current numerical accuracy, the result is close to zero, so the absolute value of the imaginary part in this case is the smallest, and the size of the real part is consistent with the preset leakage resistance value. This is accurate feedback to the mathematical model, which verifies the effectiveness and accuracy of this method. That is, in the actual detection process, the leakage fault of a certain phase can be quickly and accurately located by finding the measurement results that have a very small imaginary part (which can be approximated to zero), and the real part matches the expected leakage resistance value.
From this, we conclude the following: U ˙ 0 is calculated by the measured I ˙ C 0 because the I ˙ C 0 has been deduced in detail to obtain its calculation formula:
I ˙ C 0 = j ω C 2 ( U ˙ A + 4 U ˙ 0 )
therefore,
U ˙ 0 = I ˙ C 0 j ω 4 C 2 U ˙ A 4
Using the measured I ˙ C 0 , U ˙ 0 is calculated, and then the U ˙ 0 is substituted into the function of seven kinds of U ˙ 0 and insulation resistance, and the insulation resistance in the complex form is inversely derived. Comparing the ‘complex resistance’ of the seven calculation results, since the real resistance cannot be complex, shows that only the real part of the ‘complex resistance’ whose imaginary part is close to ‘0’ is the insulation resistance when the leakage fault occurs in the system. In this way, not only is the insulation resistance value obtained, but also the phase selection of leakage fault is realized. By analogy, the insulation resistance calculation results of several other leakage conditions can be obtained, which is no longer repeated.

4. Simulation Verification

Because the theoretical analysis of the previous section is in the ideal case, the calculated I ˙ C 0 does not consider the actual working conditions. This section will simulate the actual working conditions, collect the current I ˙ C 0 generated by the additional three-phase asymmetric capacitor, and then calculate the insulation resistance Rd.
Continuing to use the power supply system simulation model using the 3AC method, the simulation operation needs to record seven fault conditions, and six sets of insulation resistance data under each condition. The insulation drops to 1 kΩ, 2 kΩ, 10 kΩ, 20 kΩ, 24 kΩ, and 100 kΩ. These six cases are closer to the 1140 V insulation resistance setting value of 20 kΩ, so it is more reference. By writing Matlab script code, the system experiences the above seven kinds of leakage faults in turn. When each fault occurs, six different sets of insulation resistance data are substituted into the model respectively, which means that the whole simulation process will run 42 times. In this way, we can analyze the behavior of the system under different conditions in detail.
Taking phase A leakage as an example, simulation research is carried out. The simulation results are shown in the figure. In this diagram, the X axis represents the real part of the calculated insulation resistance, while the Y axis represents the imaginary part of the insulation resistance. In order to clearly distinguish different leakage faults, a variety of colors are used to represent different resistance values. In addition, each fault type is identified by a unique icon, which makes the results more intuitive and easier to understand. The simulation results of the phase A leakage fault are shown in the following figure.
In view of the fact that the real and imaginary parts of the insulation resistance in the complex form cannot be negative, all measurement results with real or imaginary parts less than zero should be excluded in the analysis process. As shown in Figure 7, when the insulation performance is reduced to 1 kΩ (corresponding to the blue icon in the figure), the imaginary part of the complex resistance calculated by the phase A leakage model is closest to the zero value.According to this, it can be judged that the real part represents the actual insulation resistance value, which is 1008 Ω, and the error is 0.8%. Similarly, when the insulation level is reduced to 24 kΩ (corresponding to the orange icon in the figure), the imaginary part of the complex resistance obtained by the phase A leakage model is also closest to zero, thus confirming that the real part is the actual insulation resistance value, that is, 25,182 Ω, and the corresponding calculation error is 4.9%.
Taking the 1 kΩ leakage fault as an example, the calculation results of insulation resistance under different types of leakage faults are simulated. The results are shown in the following table.
Formula (1) to Formula (7) sequentially represent the following: A phase, B phase, C phase, AB phase, BC phase, AC phase, and ABC phase leakage.
After observing the data in the table and excluding the simulation results that do not meet the conditions, we adhered to the following rules: Among the calculation results of various hypothetical leakage conditions, we noted which hypothesis had the smallest ratio of the imaginary part to the real part, and confirmed that the hypothesis was valid. As shown in Table 3, for an A-phase leakage, the minimum imaginary part is calculated using Formula (1), and its real part matches the preset leakage resistance. As shown in Table 4, for a B-phase leakage, the minimum imaginary part is calculated using Formula (2), and its real part also matches the preset leakage resistance. Similarly, this can be observed in Table 5, Table 6, Table 7 and Table 8. As shown in Table 9, when a 1 kΩ three-phase leakage fault occurs in the ABC phase, the corresponding assumption in Formula (7) is that the “imaginary part:real part” ratio in the ABC phase leakage is the minimum value, confirming that the hypothesis is valid, with the leakage resistance being 992 Ω. Compared with the theoretical calculation result of 1000 Ω, the error is 0.8%.

5. Conclusions

A set of asymmetric three-phase capacitors with appropriate parameters are added at the head of the line of the power supply system, and a constant zero-sequence current is artificially generated in the system. This current can be effectively detected even when the symmetry of the three-phase insulation performance decreases, which is the core innovation of this method. The relationship formulas between U ˙ 0 , Rd, and I ˙ C 0 in seven typical leakage fault forms are derived by a mathematical model. The current phasor I ˙ C 0 and system phase voltage phasor directly measured by sampling are substituted into seven formulas, respectively, and seven groups of resistance complex numbers are calculated and then screened according to the characteristics. The calculation results with a negative real part and an imaginary part are excluded, and then the results with the positive real part and imaginary part are compared. The real part of the ‘complex resistance’ corresponding to the minimum imaginary part is the real insulation resistance value, and the calculation formula corresponding to the calculation result is also the type of leakage fault that occurred in the system. This method can not only detect single-phase leakage fault but can also realize the detection of a three-phase uniform leakage fault and can determine the fault type and fault phase line. It is a new leakage protection method using simple hardware circuit to realize complex protection function. Although adding asymmetric three-phase capacitors at the beginning of the line may have some impact on the system, these impacts can be controlled through reasonable parameter selection and design. Moreover, in practice, the three-phase-to-ground distributed capacitance of a line is often inherently asymmetric. Therefore, adding an appropriate asymmetric capacitor at the beginning of the line would not cause significant issues. When designing the 3AC leakage protection device, the key lies in selecting suitable, current transformers, voltage transformers, signal conditioning circuits, microcontrollers, and other necessary hardware components, and developing the correct computational logic to ensure the system’s reliability and accuracy.

Author Contributions

Conceptualization, S.P., Y.W. and T.M.; Methodology, T.M.; Software, J.C.; Formal analysis, J.C.; Investigation, J.C. and T.M.; Writing—original draft, S.P.; Writing—review & editing, Y.W., J.C. and T.M.; Project administration, Y.W.; Funding acquisition, S.P. All authors have read and agreed to the published version of the manuscript.

Funding

This work was supported by the National Natural Science Foundation of China under Grant 52474188.

Institutional Review Board Statement

Not applicable.

Informed Consent Statement

Not applicable.

Data Availability Statement

The original contributions presented in the study are included in the article, further inquiries can be directed to the corresponding author.

Conflicts of Interest

Author Tong Ma was employed by the company State Grid Beijing Electric Power Company Maintenance Branch. The remaining authors declare that the research was conducted in the absence of any commercial or financial relationships that could be construed as a potential conflict of interest.

References

  1. Yan, J.; Zhang, L.; Wang, Y. Comprehensive Voltage Regulation Technology for Long-Distance Power Supply System in Wanli No. 1 Mine. Coal Mine Saf. 2023, 54, 251–256. [Google Scholar] [CrossRef]
  2. He, J. Current Status and Development of Relay Protection Technology in Power Systems. China Electr. Power 1999, 10, 40–42. [Google Scholar]
  3. Wang, Y.; Gao, Y. Coal Mine Power Supply Technology; China University of Mining and Technology Press: Xuzhou, China, 2013. [Google Scholar]
  4. Cao, Z.; Zhang, G. Improvement Approaches and Promotion Strategies for the Long-Term Mechanism of Coal Mine Safety Production. China Equip. Eng. 2020, 19, 245–246. [Google Scholar]
  5. Liu, P. Research on Leakage Protection Technology for Low-Voltage Power Grids in Coal Mines. Min. Equip. 2023, 3, 98–100. [Google Scholar]
  6. Jiang, M. Issues and Countermeasures of Leakage Protection Configuration in Underground Coal Mine Power Supply Systems. Energy Sci. Technol. 2024, 22, 32–35. [Google Scholar]
  7. Su, J. Research on Neutral Point Grounding Methods in Distribution Networks. Power Syst. Prot. Control 2013, 41, 141–148. [Google Scholar]
  8. Cui, Z. Design Study of Online Power Quality Monitoring System for Underground Coal Mine Power Supply Systems. Sci. Technol. Innov. 2024, 21, 46–48. [Google Scholar]
  9. Wang, Z.; Liu, Y. Design Against Over-Level Tripping in Underground Coal Mine Power Supply Systems. Energy Energy Conserv. 2024, 10, 302–305. [Google Scholar]
  10. Li, W.; Jin, X. Design of Power Quality Governance Devices for Underground Coal Mine Power Supply Systems. Autom. Appl. 2024, 65, 4–6. [Google Scholar]
  11. Li, J. Analysis of Leakage Protection Technology for Mine Power Supply Systems. Mech. Electr. Eng. Technol. 2019, 48, 245–247. [Google Scholar]
  12. Chang, C. Optimization of Underground Coal Mine Power Supply Systems. Energy Energy Conserv. 2024, 2, 55–58. [Google Scholar]
  13. Cui, Z. Research on Remote Centralized Leakage Test Platform Design for Underground Low-Voltage Power Supply Systems in Coal Mines. China Coal 2024, 50, 101–107. [Google Scholar]
  14. Hou, Y. Analysis of Short-Circuit Protection Measures for Underground Low-Voltage Power Supply Systems in Coal Mines. Min. Equip. 2023, 11, 111–113. [Google Scholar]
  15. Li, Q. Discussion on Leakage Protection for Underground Low-Voltage Power Supply Systems in Coal Mines. Min. Equip. 2023, 10, 102–104. [Google Scholar]
  16. Zhang, H. Design and Application of Anti-Over-Level Tripping Protection Systems for Underground Coal Mines. Coal Sci. Technol. 2023, 44, 110–113. [Google Scholar]
  17. Zhu, F.; Xue, B. Design of Remote Leakage Test Function for Underground Coal Mine Power Supply Systems. Shanxi Coking Coal Sci. Technol. 2022, 46, 12–15. [Google Scholar]
  18. Wang, J. Research on Leakage Protection for Underground Low-Voltage Power Supply Systems in Coal Mines. Min. Equip. 2022, 4, 214–216. [Google Scholar]
  19. Miao, N. Analysis of Safety Hazards and Preventive Measures for Underground Low-Voltage Power Supply Systems in Coal Mines. Inn. Mong. Coal Econ. 2022, 11, 118–120. [Google Scholar]
  20. Zhao, Y. Design of Online Power Quality Monitoring System for Underground Coal Mine Power Supply Systems. Coal Eng. 2022, 54, 14–18. [Google Scholar]
  21. Ru, R.; Guo, Z.; Tian, J.; Zhang, Z.; Liu, S. An Improved Fault Location Algorithm for Coal Mine Power Supply Lines. Mech. Eng. Autom. 2022, 2, 1–3+6. [Google Scholar]
Figure 1. Solid-state automatic voltage regulation system based on series compensation principle.
Figure 1. Solid-state automatic voltage regulation system based on series compensation principle.
Applsci 15 03798 g001
Figure 2. Principle diagram of power supply system based on 3AC detection circuit.
Figure 2. Principle diagram of power supply system based on 3AC detection circuit.
Applsci 15 03798 g002
Figure 3. Simulation diagram of power supply system using 3AC method.
Figure 3. Simulation diagram of power supply system using 3AC method.
Applsci 15 03798 g003
Figure 4. The simulation results of I ˙ C 0 under normal operation of the system.
Figure 4. The simulation results of I ˙ C 0 under normal operation of the system.
Applsci 15 03798 g004
Figure 5. The simulation results of phase A leakage current.
Figure 5. The simulation results of phase A leakage current.
Applsci 15 03798 g005
Figure 6. Relationship between amplitude and phase of I ˙ C 0 .
Figure 6. Relationship between amplitude and phase of I ˙ C 0 .
Applsci 15 03798 g006
Figure 7. Simulation of phase A leakage fault.
Figure 7. Simulation of phase A leakage fault.
Applsci 15 03798 g007
Table 1. Calculate the real part of Rd (phase A leakage).
Table 1. Calculate the real part of Rd (phase A leakage).
Insulation ResistanceCurrent Leakage
A PhaseB PhaseC PhaseAB PhaseBC PhaseAC PhaseABC Phase
1000 Ω10003730239513266671697111
2000 Ω200043971728119813341864222
10 kΩ10 × 10397303605134666731971111
20 kΩ20 × 1031.6 × 10410,271180113,33448652222
24 kΩ24 × 1031.9 × 10412,938246816,00055302667
100 MΩ10 × 10766 × 10666 × 10616 × 10666 × 10616 × 10611 × 106
Table 2. Calculate the imaginary part of Rd (phase A leakage).
Table 2. Calculate the imaginary part of Rd (phase A leakage).
Insulation ResistanceCurrent Leakage
A PhaseB PhaseC PhaseAB PhaseBC PhaseAC PhaseABC Phase
1000 Ω043426268 2171530531343536
2000 Ω0337972301689530536152536
10 kΩ0431814,9272159530474633536
20 kΩ013,94124,5506970530412,2753536
24 kΩ017,79028,3988895530414,1993536
100 MΩ096 × 10696 × 10648 × 106176848 × 1061178
Table 3. If phase A leakage is 1 kΩ.
Table 3. If phase A leakage is 1 kΩ.
Theoretical ResultsSimulation ResultReal Part: Imaginary Part (%)
Real PartImaginary PartReal PartImaginary Part
Formula (1) 1000010083.920.39
Formula (2)−1380554−1384545removal
Formula (3)28923392812344834.16
Formula (4)−190277−186274removal
Formula (5)−5451446−5491444removal
Formula (6)64411696451174182.09
Formula (7)−30964−30964removal
Table 4. If phase B leakage is 1 kΩ.
Table 4. If phase B leakage is 1 kΩ.
Theoretical ResultsSimulation ResultReal Part: Imaginary Part (%)
Real PartImaginary PartReal PartImaginary Part
Formula (1)26422912512222885.26
Formula (2)1000010109.610.95
Formula (3)−1289472−1285459removal
Formula (4)63211096311116177.18
Formula (5)−144236−137234removal
Formula (6)−5121345−5161341removal
Formula (7)−8897−7.68896removal
Table 5. If phase C leakage is 1 kΩ.
Table 5. If phase C leakage is 1 kΩ.
Theoretical ResultsSimulation ResultReal Part: Imaginary Part (%)
Real PartImaginary PartReal PartImaginary Part
Formula (1)−1262587−1257578removal
Formula (2)37722533662253615.57
Formula (3)9997.28 × 10−1610049.110.91
Formula (4)−4421420−4451415removal
Formula (5)68811266851131165.03
Formula (6)−131293−126293removal
Formula (7)38946389472492.11
Table 6. If phase AB leakage is 1 kΩ.
Table 6. If phase AB leakage is 1 kΩ.
Theoretical ResultsSimulation ResultReal Part: Imaginary Part (%)
Real PartImaginary PartReal PartImaginary Part
Formula (1)257218672577189773.63
Formula (2)−572−1867−548−1887removal
Formula (3)−22342723−22632711removal
Formula (4)999−2.49 × 10−1410144.790.47
Formula (5)−140342815623041476.92
Formula (6)169229511826302533.25
Formula (7)−78907−78907removal
Table 7. If phase BC leakage is 1 kΩ.
Table 7. If phase BC leakage is 1 kΩ.
Theoretical ResultsSimulation ResultReal Part: Imaginary Part (%)
Real PartImaginary PartReal PartImaginary Part
Formula (1)−18332652−18462626removal
Formula (2)253116352515166166.05
Formula (3)−531−1635−501−1633removal
Formula (4)34921443442144623.26
Formula (5)100001007141.39
Formula (6)−1182508−1173496removal
Formula (7)55884558841607.27
Table 8. If phase AC leakage is 1 kΩ.
Table 8. If phase AC leakage is 1 kΩ.
Theoretical ResultsSimulation ResultReal Part: Imaginary Part (%)
Real PartImaginary PartReal PartImaginary Part
Formula (1)−759−1692−751−1691removal
Formula (2)−19313047−19353039removal
Formula (3)275916922754169961.68
Formula (4)−1345667−134367450.2
Formula (5)41423694092369579.22
Formula (6)9997.308 × 10−1010013.770.38
Formula (7)2210152310164417.39
Table 9. If phase ABC leakage is 1 kΩ.
Table 9. If phase ABC leakage is 1 kΩ.
Theoretical ResultsSimulation ResultReal Part: Imaginary Part (%)
Real PartImaginary PartReal PartImaginary Part
Formula (1)−33,00031,832−32,74937,903removal
Formula (2)45,56813,52841,92515,44836.84
Formula (3)−9568−45,361−6198−42,994removal
Formula (4)628422,680458721,675472.51
Formula (5)18,000−15,91617,863−13,772removal
Formula (6)−21,284−6764−19,474−7545removal
Formula (7)1000099211912
Disclaimer/Publisher’s Note: The statements, opinions and data contained in all publications are solely those of the individual author(s) and contributor(s) and not of MDPI and/or the editor(s). MDPI and/or the editor(s) disclaim responsibility for any injury to people or property resulting from any ideas, methods, instructions or products referred to in the content.

Share and Cite

MDPI and ACS Style

Pang, S.; Wang, Y.; Cao, J.; Ma, T. Leakage Detection Method of Coal Mine Power Supply System Based on 3AC. Appl. Sci. 2025, 15, 3798. https://doi.org/10.3390/app15073798

AMA Style

Pang S, Wang Y, Cao J, Ma T. Leakage Detection Method of Coal Mine Power Supply System Based on 3AC. Applied Sciences. 2025; 15(7):3798. https://doi.org/10.3390/app15073798

Chicago/Turabian Style

Pang, Shuai, Yanwen Wang, Jiyuan Cao, and Tong Ma. 2025. "Leakage Detection Method of Coal Mine Power Supply System Based on 3AC" Applied Sciences 15, no. 7: 3798. https://doi.org/10.3390/app15073798

APA Style

Pang, S., Wang, Y., Cao, J., & Ma, T. (2025). Leakage Detection Method of Coal Mine Power Supply System Based on 3AC. Applied Sciences, 15(7), 3798. https://doi.org/10.3390/app15073798

Note that from the first issue of 2016, this journal uses article numbers instead of page numbers. See further details here.

Article Metrics

Back to TopTop