Challenging Scientific Categorizations Through Dispute Learning
Abstract
1. Introduction
1.1. Motivations and Research Questions
- The “Categorization Conundrum”: Epistemological and Methodological Challenges
- -
- How do scientific objects acquire their names and categorical positioning?
- -
- What are the respective roles of human intellect and artificial intelligence in this process?
- -
- Are the current methods for categorizing scientific results truly valid and justifiable?
- -
- How can we detect and construct alternatives between competing categorizations?
- 1.
- Opaque Knowledge Sourcing
- 2.
- Model Reliability and Trust Challenges
- Categorization Engineering: A Fuzzy Human–AI Teaming
- Epistemological Context: The Dual Conundrum of Intelligence
- Conceptual Foundations: GRAPHYP’s Architectural Approach
- GRAPHYP Framework: Overview of Development Goals
- Process Elements
- Scientific category assignment reasoning;
- Modeling interactions between problem-solving systems and knowledge structures;
- Tracing documentary research tracks;
- Interpreting adversarial data structures;
- Combinatorial synthesis, Laplacian matrix.
- Technical Tools
- Hypergraph networks featuring symmetric subgraphs;
- Meta-path learning systems;
- Knowledge structure fingerprints (KSF);
- Dispute learning system.
- Results
- AI-generated visualizations of knowledge structures;
- Standardized expert preference mapping;
- Enhanced human–AI collaborative categorization;
- Interpretable knowledge exploration heuristics
- Final Motivation: Preserving Human Flexibility with AI Companionship
- It creates what we call ‘knowledge structure fingerprints’—unique patterns that show how different experts organize and connect information. The system learns from how these different patterns interact and evolve.
- It strengthens the decision-making process by turning it into an interactive experience where humans can see and choose between different ways of categorizing information while keeping track of the reasoning behind each choice.
- It generates visual representations of these knowledge fingerprints, making it easier to see and understand different ways of organizing information, supported by standardized ways of describing the information.
1.2. Research Questions
1.3. Major Findings
2. Background and Other Works
2.1. Background
2.1.1. Dispute Learning (DL): Theoretical Framework and Foundations
- Philosophical Background
- Theoretical Framework: GRAPHYP as an AI Companion
- Interactive Knowledge Partnership
- Supporting Research Dialogue
- The Philosophy of Comparative Reasoning in Dispute Learning
- Dialogue and Possibility
- Human-Centered Possibility Analysis
- Modeling contrasting documentary tracks found in web analytics data;
- Enabling “conditional creation” where solutions depend on comparing multiple possibilities;
- Combining possibility and probability measures (detailed in Section 3);
- Creating a “multiverse graph” where different options can be evaluated in relation to each other.
- Leibnizian Influences on Human Understanding
- Phenomenological and Geometric Foundations
- Mapping Reasoning Through Graph Diagrams
- Human understanding and AI Explainability
2.1.2. Process: Processing Reasoning, Paths, Data Structures
- Processing Disputes with AI
- Processing Data Structures: Knowledge Design Theory and ‘Knowledge Structure’
- Differential Representation and Preference Proxies
2.1.3. Tools: Reasoning Methods, Documentary Dialects, and Tailoring Software
- Tools for content analytics: upgrading reasoning methods
- Tools for Entity Modeling and Query Processing
- Tools and Methods for Transforming Representations of Knowledge Structure
2.1.4. Results: From Plain Data to Knowledge Structure Fingerprints (KSF)
- Qualitative Results: Knowledge Hyperlinked Hypertexts
- Document structure, including section hierarchy, cross-references, citations, and hyperlinks, are systematically ignored during the chunking and embedding processes.
- This omission prevents AI systems from fully leveraging critical contextual information when generating query responses.
- Consequently, an important source of data is lost in the categorization analysis, potentially compromising information quality [64].
- Results in the Domain of ‘Disputable Knowledge’: Unexplored Insights
- Results in Graph of rules and Personal Knowledge Graph
- Results in Privacy and Intellectual Property in Disputable Path Structure
2.2. Other Works
- Process
- Tools
- Results
- Integrate multidisciplinary theoretical approaches;
- Incorporate multilevel research methodologies;
- Explore dynamics of human–AI collaboration, competition, conflict, and symbiosis;
- Develop a comprehensive architecture with an independent user observation dimension [80].
3. Results. Standardization of a Dispute Learning System
- Research Framework
- -
- -
- Documenting the system’s core workflows and tools;
- -
- Developing clear analytical representations of results through methods, applications, and examples.
3.1. Dispute Learning: Context, Use Cases, Potential Applications, and Definition
3.1.1. Previous Works
- -
- Initial Conceptual Design (2019) [84]: Introduced the need to structure an interpretable dataset of adversarial opinions on research results, enabling the representation of their characteristics and facilitating discussions on findings.
- -
- Structural Description of GRAPHYP (2022) [16]: Defined GRAPHYP as a bipartite knowledge graph where subgraphs represent cognitive communities formed through adversarial interpretations of documentary traces.
- -
- Representation of Assessor Shifts in GRAPHYP (2023) [15]: Modeled user navigation as pathways through a multiverse graph, allowing identification of any user’s position within the broader analytical system. Additionally, statistical tests were conducted to assess the robustness of adversarial category-based analytical logic.
- -
3.1.2. Context
- Identified Pitfalls in Scientific Categorizations
- Dispute Learning Design. First considerations
- The Complex Landscape of Adversarial Scientific Categorization
3.1.3. Potential Applications and Functionalities
- Categorization Reasoning Assessment with Dispute Learning
- Strategic reasoning using adversarial search algorithms (e.g., minimax, alpha-beta pruning, competitive scenarios);
- Anticipating counterarguments by identifying opponent moves and predicting counter-claims;
- Evaluating positions through a heuristic evaluation function where adversarial search is adapted to assess the validity of different scientific arguments;
- Comparing and reconciling conflicting taxonomies
- Categorization Method Discussion with Dispute Learning
- Identifying core arguments by pinpointing key points of contention;
- Assessing the relative strength of competing claims;
- Handling uncertainty by analyzing the quality of information content in adversarial scenarios to better manage incomplete data and predict dispute trajectories;
- The right balance between neural learning and symbolic reasoning;
- Efficient interpretability of model decisions;
- Adaptation of the gaming and reasoning model to the architectures of scientific argumentation.
- Core Results of Standardization in Dispute Learning
- 1. Interdisciplinary Applications
- Facilitate interdisciplinary communication through scalable “translation tools”;
- Identify interdisciplinary gaps with more comprehensive categorization systems;
- Reinforce complex systems analysis with more holistic, cross-disciplinary models;
- Discover potential areas for disciplinary or interdisciplinary collaboration.
- 2. Data Stack Augmentation and Categorization
- Dynamic categorization;
- Contextual data augmentation;
- Probabilistic data models (associating data points with multiple categorization schemes);
- Multi-perspective querying (enhanced data retrieval allowing for simultaneous viewpoints);
- Adaptive storage strategies (using graph databases to represent and query complex structures);
- Metadata enrichment and uncertainty quantification by representing multiple possible categorizations.
3.1.4. Dispute Learning (DL) Definition
- A DL Standardized Design: Main Steps
- Data Ingestion: Collecting data from diverse sources (including documentation and user interactions) and employing natural language processing techniques to extract key concepts and categorizations.
- Dispute Detection and Multiverse Graph Update: Developing contradiction analytics using advanced algorithms and sentiment analysis to identify and map potentially conflicting categorizations. This involves creating a dynamic graph representation that can be updated with new disputes.
- Dispute Representation: Visualizing areas of agreement and disagreement that showcase conflicting viewpoints. The graph would utilize weighted edges to represent the strength and prevalence of different categorizations.
- User Interactions: Designing an interactive interface that enables users to explore, challenge, and contribute their own categorizations, thereby enriching the dispute learning process.
3.2. Dispute Learning Method and Analytic Rules
3.2.1. Methods of DL
- -
- Continuous information processing chain;
- -
- Invertible polarity of activation functions;
- -
- Scale-invariant representation without information loss.
- -
- Maintains equivariance to the Euclidean group E(3) of rigid motions;
- -
- Preserves standard permutation equivariance;
- -
- Distinguishes between node features and spatial coordinates.
3.2.2. Reasoning Rules
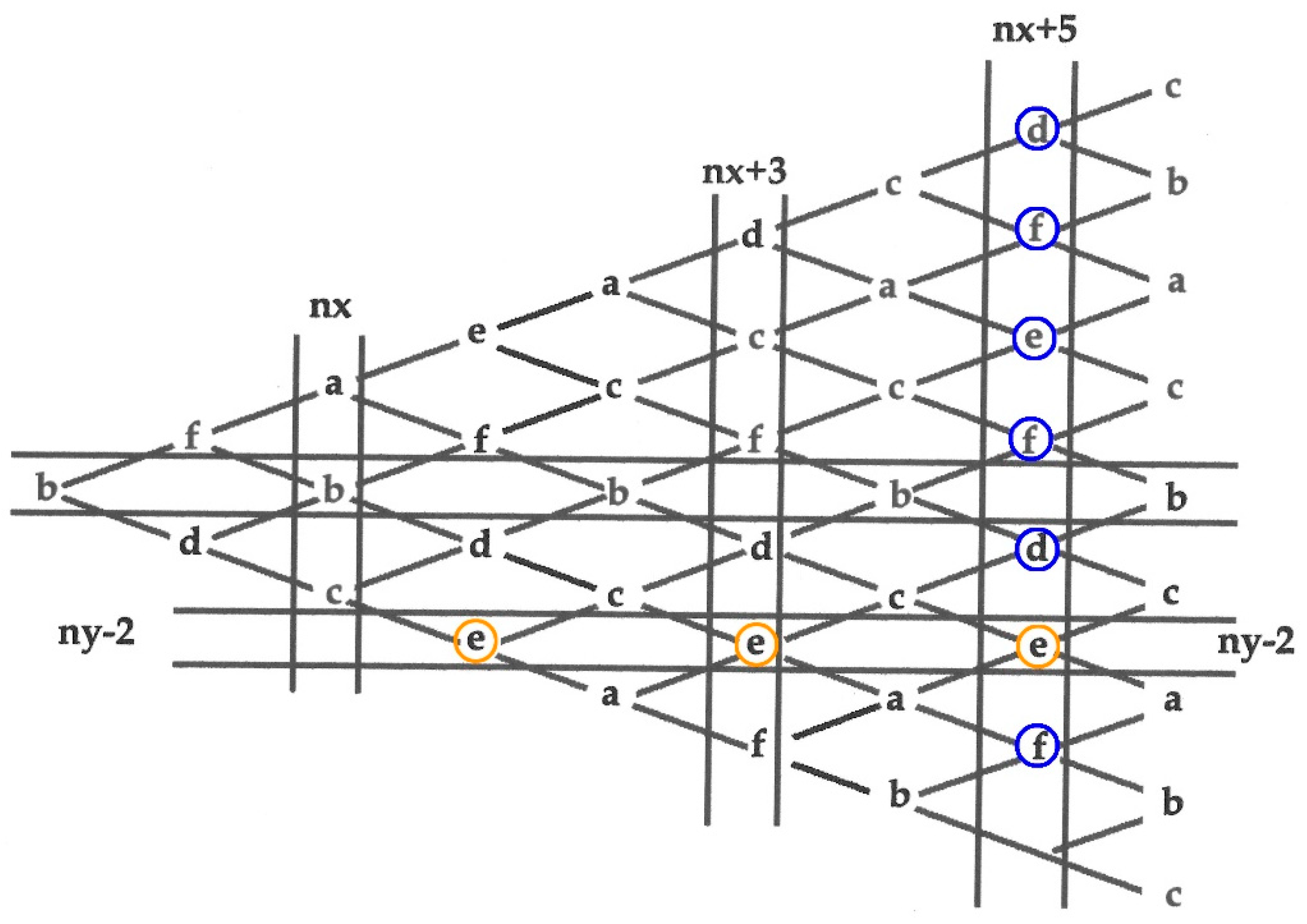
- GRAPHYP’s Hybrid Analytics: Integrating Possibilistic and Probabilistic Assessments
- -
- Nodes (a, b, c, f) represent states.
- -
- Edges show transitions with associated weights.
- -
- Different relationships between states are captured through both.
- Reasoning Rules: Decidability, Dialogic, Assertoric principles
- Hybrid Reasoning: Integrating Probabilistic and Possibilistic Analysis
3.3. Tools: DL Standards for a ‘Decidable Graph of Knowledge Design’ (DGKD)
- Diagrams of Graphs: Analytical Framework and Interpretation
- -
- Geometric properties similar to combinatorial objects like matroid oracles;
- -
- Notable fractal analytical properties;
- -
- Novel representation through fractal graph diagrams.
- Fractal Diagrams of Graphs for DL Calibration
- Paths Genealogy
- Data Analytics: Further Works about Calibration Methods
3.4. Decidable Graph of Knowledge Design (DGKD): Building and Applications
3.4.1. Building DGKD
- Result Types: Knowledge Structure Fingerprints (KSF), Knowledge Paths, and Knowledge Interactions
- Result Representation: Personal Knowledge Graphs
- Tools for Documentary Classification: Documentary Dialects and Controlled Vocabularies
- Tools and Methods for Consensus-Dissensus Identification about Categorizations: Functions and Outcomes
3.4.2. Results Representing the DGKD: Disputable Knowledge and Disputed Knowledge
- Data Types Compatible with GRAPHYP Analysis
- -
- Research Consultation Patterns: comparison of methodological pathways; analysis of alternative approaches and results; laboratory and library usage patterns.
- -
- Bibliometric Analysis: Adversarial classification systems; contrasting conceptual frameworks; citation pattern analysis [94].
- -
- Scientific Discourse Analysis. Argumentation mining represents the most promising direct application of GRAPHYP’s methodology: analysis of scholarly debates and their evolution; tracking the development of competing theories [95].
- Applications in Large-Scale Scientific Controversies
- -
- The Intergovernmental Panel on Climate Change (IPCC), to enhance their assessment reports, could architecture an interactive way to represent the state of climate science knowledge.
- -
- The National Institutes of Health (NIH) could implement the GRAPHYP framework to provide a comprehensive, up-to-date resource for tracking disputes and evolving knowledge in COVID-19 research.
- -
- The European Union’s AI Act development process could benefit from GRAPHYP in allowing policymakers to navigate the complex landscape of AI ethics debates and inform their regulatory decisions.
- -
- The European Organization for Nuclear Research (CERN) could implement our framework to guide their research priorities and communicate the state of particle physics knowledge to the scientific community and the public.
- GRAPHYP Search Interface: Color Coding and Sandbox Testing
- Dispute Analysis Outcomes: Novel Cross-Representations of Adversarial Positions
- inversion (reversing hierarchical relationships while preserving essential information);
- expansion (introducing new conditions and dynamic relationships);
- hybridization (integrating different approaches with flexible structures);
- fusion (merging related categories and creating new categories, identifying unfound patterns).
- An example of GRAPHYP’s By-Product: The Case with Drug Repurposing
- DGKD Building: Final Conclusions on the Standardization Approach of DL
4. Discussion
5. Conclusions
Author Contributions
Funding
Institutional Review Board Statement
Informed Consent Statement
Data Availability Statement
Acknowledgments
Conflicts of Interest
Appendix A. Main Steps of GRAPHYP’s Workflow

- Computing opposing categorizations characteristics
- 2.
- Generating a new scientific category
Appendix B. Dispute Learning Visualization. Color Code Principles
- ◦
- Represents areas of active, heated debate;
- ◦
- Indicates conflicting evidence or strongly opposing viewpoints;
- ◦
- “Hot” paths: topics that are currently at the forefront of scientific discourse.
- ◦
- Represents new areas of disagreement or newly identified problems;
- ◦
- Indicates potential for future heated debates;
- ◦
- “Warm” paths: topics that are gaining attention and may become hot soon.
- ◦
- Represents areas with limited evidence or ongoing research;
- ◦
- Indicates a need for more investigation;
- ◦
- “Warm” paths: topics that require more research to move toward consensus or dispute.
- ◦
- Represents areas where agreement is increasing;
- ◦
- Indicates converging evidence or viewpoints;
- ◦
- “Cooling” paths: topics that are moving toward resolution.
- ◦
- Represents widely accepted ideas or theories;
- ◦
- Indicates strong evidence and broad consensus;
- ◦
- “Cool” paths: topics that are generally not disputed but may still be subject to refinement.
- ◦
- Represents fundamental changes in thinking or approach;
- ◦
- Indicates revolutionary ideas that challenge established theories;
- ◦
- “Hot” paths: topics that could potentially reshape entire fields of study.
- Node Coloring:
- ◦
- In a graph representation of disputable knowledge, nodes (representing concepts or claims) could be colored according to their status in the debate.
- ◦
- This allows users to quickly identify hot spots of contention and areas of consensus.
- 2.
- Edge Coloring:
- ◦
- Edges connecting nodes could be colored to represent the nature of the relationship between concepts.
- ◦
- For example, a red edge might indicate a strong contradiction, while a green edge might indicate supporting evidence.
- 3.
- Background Gradients:
- ◦
- The background of different areas in the knowledge map could use color gradients to indicate the overall “temperature” of broader topics or fields.
- 4.
- Temporal Color Shifts:
- ◦
- As the status of knowledge changes over time, the colors could shift to reflect these changes.
- ◦
- This could create a dynamic, evolving map of scientific knowledge.
- 5.
- Intensity Variations:
- ◦
- The intensity of colors could be used to indicate the strength of evidence or the degree of consensus/dispute.
- ◦
- For example, a deep red might indicate a highly contentious issue with strong evidence on both sides, while a lighter red might indicate a dispute with less substantive backing.
- 6.
- Multi-Color Nodes:
- ◦
- For concepts that have different statuses across disciplines, nodes could be divided into sections with different colors.
- ◦
- This could help visualize interdisciplinary disputes or agreements.
- 7.
- Color-Coded Filters:
- ◦
- Users could filter the knowledge map to show only nodes or paths of certain colors, allowing them to focus on areas of particular interest (e.g., only showing highly disputed or emerging topics).
- 8.
- Augmentation Highlights:
- ◦
- When new information is added to the knowledge base, it could be temporarily highlighted with a glowing effect in the appropriate color to draw attention to recent developments.
- 9.
- User Interaction Trails:
- ◦
- As users explore the knowledge map, their path could be traced in a distinct color, allowing them to see their journey through the disputable knowledge landscape.
- 10.
- Accessibility Considerations:
- ◦
- Alternative representations (e.g., patterns or shapes) should be available for color-blind users to ensure the system is inclusive.
Appendix C. Complementary Data Tables for Figure 3 and Figure 4


References
- Jim, J.R.; Talukder, M.A.; Malakar, P.; Kabir, M.M.; Nur, K.; Mridha, M.F. Recent advancements and challenges of NLP-based sentiment analysis: A state-of-the-art review. Nat. Lang. Process. J. 2024, 6, 100059. [Google Scholar] [CrossRef]
- Andrews, M.; Smart, A.; Birhane, A. The reanimation of pseudoscience in machine learning and its ethical repercussions. Patterns 2024, 5, 101027. [Google Scholar] [CrossRef] [PubMed]
- Messeri, L.; Crockett, M.J. Artificial intelligence and illusions of understanding in scientific research. Nature 2024, 627, 49–58. [Google Scholar] [CrossRef] [PubMed]
- Vats, V.; Nizam, M.B.; Liu, M.; Wang, Z.; Ho, R.; Prasad, M.S.; Titterton, V.; Malreddy, S.V.; Aggarwal, R.; Xu, Y.; et al. A Survey on Human-AI Teaming with Large Pre-Trained Models. arXiv 2024. preprint. [Google Scholar] [CrossRef]
- Manghi, P.; Mannocci, A.; Osborne, F.; Sacharidis, D.; Salatino, A.; Vergoulis, T. New trends in scientific knowledge graphs and research impact assessment. Quant. Sci. Stud. 2022, 2, 1296–1300. [Google Scholar] [CrossRef]
- Han, S.; Zhang, M. Unveiling AI’s Blind Spots: An Oracle for In-Domain, Out-of-Domain, and Adversarial Errors. arXiv 2025. preprint. [Google Scholar] [CrossRef]
- Tamber, M.S.; Lin, J. Illusions of Relevance: Using Content Injection Attacks to Deceive Retrievers, Rerankers, and LLM Judges. arXiv 2025. preprint. [Google Scholar] [CrossRef]
- Peng, C.; Xia, F.; Naseriparsa, M.; Osborne, F. Knowledge Graphs: Opportunities and Challenges. Artif. Intell. Rev. 2023, 56, 1–32. [Google Scholar] [CrossRef]
- Artificial Intelligence Index Report 2024, Stanford University. Available online: https://aiindex.stanford.edu/wp-content/uploads/2024/05/HAI_AI-Index-Report-2024.pdf (accessed on 25 November 2024).
- Trinh, T.H.; Wu, Y.; Le, Q.V.; He, H.; Luing, T. Solving olympiad geometry without human demonstrations. Nature 2024, 625, 476–482. [Google Scholar] [CrossRef]
- Andler, D. Intelligence Artificielle, Intelligence Humaine: La double Enigm; Gallimard: Paris, France, 2023; 432p. [Google Scholar]
- Agüera y Arcas, B. Do Large Language Models Understand Us? Daedalus 2022, 151, 183–197. [Google Scholar] [CrossRef]
- Márkus, A.; Váncza, J. Process planning with conditional and conflicting advice. CIRP Ann. 2001, 50, 327–330. [Google Scholar] [CrossRef]
- Kristanto, D.; Burkhardt, M.; Thiel, C.; Debener, S.; Gießing, C.; Hildebrandt, A. The multiverse of data preprocessing and analysis in graph-based fMRI: A systematic literature review of analytical choices fed into a decision support tool for informed analysis. Neurosci. Biobehav. Rev. 2024, 165, 105846. [Google Scholar] [CrossRef] [PubMed]
- Fabre, R.; Azeroual, O.; Schöpfel, J.; Bellot, P.; Egret, D. A Multiverse Graph to Help Scientific Reasoning from Web Usage: Interpretable Patterns of Assessor Shifts in GRAPHYP. Future Internet 2023, 15, 147. [Google Scholar] [CrossRef]
- Fabre, R.; Azeroual, O.; Bellot, P.; Schöpfel, J.; Egret, D. Retrieving Adversarial Cliques in Cognitive Communities: A New Conceptual Framework for Scientific Knowledge Graphs. Future Internet 2022, 14, 262. [Google Scholar] [CrossRef]
- Jeon, G.; Kim, S.; Lee, S. Interactive Feedback Loop with Counterfactual Data Modification for Serendipity in a Recommendation System. Int. J. Hum. Comput. Interact. 2023, 40, 5585–5601. [Google Scholar] [CrossRef]
- Liu, Y.; Liu, T.Y.; Gao, B.; Ma, Z.; Li, H. A framework to compute page importance based on user behaviors. Inf. Retr. 2010, 13, 22–45. [Google Scholar] [CrossRef]
- Sadeghi, B. Chatterjee Correlation Coefficient: A robust alternative for classic correlation methods in geochemical studies- (including “TripleCpy” Python package). Ore Geol. Rev. 2022, 146, 104954. [Google Scholar] [CrossRef]
- Azeroual, O.; Fabre, R. Processing Big Data with Apache Hadoop in the Current Challenging Era of COVID-19. Big Data Cogn. Comput. 2021, 5, 12. [Google Scholar] [CrossRef]
- Azeroual, O.; Fabre, R.; Störl, U.; Qi, R. Elastic Stack and GRAPHYP Knowledge Graph of Web Usage: A Win–Win Workflow for Semantic Interoperability in Decision Making. Future Internet 2023, 15, 190. [Google Scholar] [CrossRef]
- Ding, Z.; Chan, J. Mapping the Design Space of Interactions in Human-AI Text Co-creation Tasks. arXiv 2023. preprint. [Google Scholar] [CrossRef]
- Michaud, J.; Jon-And, A. Opening the black box of language acquisition. arXiv 2024. preprint. [Google Scholar] [CrossRef]
- Sokol, K.; Small, E.; Xuan, Y. Navigating Explanatory Multiverse Through Counterfactual Path Geometry. arXiv 2023. preprint. [Google Scholar] [CrossRef]
- Clerbout, N.; McConaughey, Z. Dialogical Logic. Stanford Encyclopedia of Philosophy. 2022. Available online: https://plato.stanford.edu/archives/fall2022/entries/logic-dialogical/ (accessed on 5 December 2024).
- Unger, L.; Sloutsky, V.M. Category learning is shaped by the multifaceted development of selective attention. J. Exp. Child. Psychol. 2023, 226, 105549. [Google Scholar] [CrossRef] [PubMed]
- Benedikt, M.; Lu, C.-H.; Motik, B.; Tan, T. Decidability of graph neural networks via logical characterizations. Int. Colloq. Autom. Lang. Program. 2024, 297, 127:1–127:20. [Google Scholar] [CrossRef]
- Bazhenov, N.A.; Harrison-Trainor, M. Constructing Decidable Graphs from Decidable Structures. Algebra Log. 2019, 58, 369–382. [Google Scholar] [CrossRef]
- Rahman, S.; Gallois, L. Dialogical Logic and Constructive Type Theory: New Explorations. In The Architecture and Archaeology of Modern Logic. Logic, Epistemology, and the Unity of Science; Klev, A., Ed.; Springer: Cham, Switzerland, 2024; pp. 31–61. [Google Scholar] [CrossRef]
- Tajally, A.; Vamarzani, M.Z.; Ghanavati-Nejad, M.; Zeynali, F.R.; Abbasian, M.; Bahengam, A. A hybrid machine learning-based decision-making model for viable supplier selection problem considering circular economy dimensions. Environ. Dev. Sustain. 2025, 1–33. [Google Scholar] [CrossRef]
- Jiang, Y.; Zhang, Z.; Martin, R.; Liu, C. The typicality principle and its implications for statistics and data science. arXiv 2025. preprint. [Google Scholar] [CrossRef]
- Garg, K.; Gergle, D.; Zhang, H. Understanding the Practices and Challenges of Networked Orchestration in Research Communities of Practice. Proc. ACM Hum.-Comput. Interact. 2022, 6, 1–28. [Google Scholar] [CrossRef]
- De Carvalho, G.A.L.; Igeri, S.B.; Healey, J.; Bursztyn, V.; Demeter, D.; Birnbaum, L.A. A Flash in the Pan: Better Prompting Strategies to Deploy Out-of-the-Box LLMs as Conversational Recommendation Systems. In Proceedings of the 31st International Conference on Computational Linguistics, Abu Dhabi, United Arab Emirates, 19–24 January 2025; Association for Computational Linguistics: Abu Dhabi, United Arab Emirates, 2025; pp. 8385–8398. Available online: https://aclanthology.org/2025.coling-main.561/ (accessed on 5 December 2024).
- Armary, P.; El-Vaigh, C.B.; Labbani Narsis, O.; Nicolle, C. Ontology learning towards expressiveness: A survey. Comput. Sci. Rev. 2025, 56, 100693. [Google Scholar] [CrossRef]
- Kanan, M.; Habib, M.S.; Habib, T.; Zahoor, S.; Gulzar, A.; Raza, H.; Abusaq, Z. A Flexible Robust Possibilistic Programming Approach for Sustainable Second-Generation Biogas Supply Chain Design under Multiple Uncertainties. Sustainability 2022, 14, 11597. [Google Scholar] [CrossRef]
- Marcus, G. Deep Learning: A Critical Appraisal. arXiv 2018. preprint. [Google Scholar] [CrossRef]
- Zhang, H. Searching for the Non-Consequential: Dialectical Activities in HCI and the Limits of Computers. In Proceedings of the 2024 CHI Conference on Human. Factors in Computing Systems (CHI ’24), Honolulu, HI, USA, 11–16 May 2024; Article 297. Association for Computing Machinery: New York, NY, USA, 2024; pp. 1–13. [Google Scholar] [CrossRef]
- Sandoz, R. Whewell on the classification of the sciences. Stud. Hist. Philos. Sci. 2016, 60, 48–54. [Google Scholar] [CrossRef] [PubMed]
- Ambrosio, C. The Historicity of Peirce’s Classification of the Sciences. Eur. J. Pragmatism Am. Philos. 2016; VIII-2, 1–30. [Google Scholar] [CrossRef]
- Leibniz, G.W. Leibniz: New Essays on Human Understanding, 2nd ed.; Remnant, P., Bennett, J., Eds.; Cambridge University Press: Cambridge, UK, 1996. [Google Scholar]
- Alama, J.; Oppenheimer, P.E.; Zalta, E.N. Automating Leibniz’s Theory of Concepts; Springer: Cham, Switzerland, 2015; pp. 73–97. [Google Scholar] [CrossRef]
- Coissard, G. La raison de l’ordre—The Reason of the Order: Le double rôle de Leibniz dans la sortie du finalisme chez Diderot. Stud. Leibnitiana 2018, 50, 73–88. Available online: https://www.jstor.org/stable/26921446 (accessed on 5 December 2024). [CrossRef]
- Amunategui, G.I. Symbolic Languages and Ars Combinatoria. Stud. Leibnitiana 2015, 47, 233–239. Available online: http://www.jstor.org/stable/44148503 (accessed on 5 December 2024). [CrossRef]
- Aranda, V. Completeness: From Husserl to Carnap. Log. Universalis 2022, 16, 57–83. [Google Scholar] [CrossRef]
- Bronstein, M.M.; Bruna, J.; Cohen, T.; Velickovic, P. Geometric Deep Learning: Grids, Groups, Graphs, Geodesics, and Gauges. arXiv 2021. preprint. [Google Scholar] [CrossRef]
- Schaul, T. Boundless Socratic Learning with Language Games. arXiv 2024. preprint. [Google Scholar] [CrossRef]
- Pérez-Escobar, J.A.; Sarikaya, D. Philosophical Investigations into AI Alignment: A Wittgensteinian Framework. Philos. Technol. 2024, 37, 1–25. [Google Scholar] [CrossRef]
- Fabre, R.; Egret, D.; Schöpfel, J.; Azeroual, O. Evaluating the scientific impact of research infrastructures: The role of current research information systems. Quant. Sci. Stud. 2021, 2, 42–64. [Google Scholar] [CrossRef]
- Ferrario, A.; Facchini, A.; Termine, A. Experts or Authorities? The Strange Case of the Presumed Epistemic Superiority of Artificial Intelligence Systems. Minds Mach. 2024, 34, 30. [Google Scholar] [CrossRef]
- Longo, L.; Brcic, M.; Cabitza, F.; Choi, J.; Confalonieri, R.; Del Ser, J.; Guidotti, R.; Hayashi, Y.; Herrera, F.; Holzinger, A.; et al. Explainable Artificial Intelligence (XAI) 2.0: A manifesto of open challenges and interdisciplinary research directions. Inf. Fusion 2024, 106, 102301. [Google Scholar] [CrossRef]
- Gilpin, L.H.; Paley, A.R.; Alam, M.A.; Spurlock, S.; Hammond, K.J. Explanation is Not a Technical Term: The Problem of Ambiguity in XAI. arXiv 2022. preprint. [Google Scholar] [CrossRef]
- Chauhan, V.K.; Zhou, J.; Lu, P.; Molaei, S.; Clifton, D.A. A brief review of hypernetworks in deep learning. Artif. Intell. Rev. 2024, 57, 250. [Google Scholar] [CrossRef]
- Wang, Z.; Veličković, P.; Hennes, D.; Tomašev, N.; Prince, L.; Kaisers, M.; Bachrach, Y.; Elie, R.; Wenliang, L.K.; Piccinini, F.; et al. TacticAI: An AI assistant for football tactics. Nat. Commun. 2024, 15, 1906. [Google Scholar] [CrossRef]
- Besta, M.; Blach, N.; Kubicek, A.; Gerstenberger, R.; Podstawski, M.; Gianinazzi, L.; Gajda, J.; Lehmann, T.; Niewiadomski, H.; Nyczyk, P.; et al. Graph of Thoughts: Solving Elaborate Problems with Large Language Models. arXiv 2024. preprint. [Google Scholar] [CrossRef]
- Hatchuel, A.; Weil, B. C-K design theory: An advanced formulation. Res. Eng. Des. 2009, 19, 181–192. [Google Scholar] [CrossRef]
- Cascini, G.; Nagai, Y.; Georgiev, G.V.; Zelaya, J.; Becattini, N.; Boujut, J.F.; Casakin, H.; Crilly, N.; Dekoninck, E.; Gero, J.; et al. Perspectives on design creativity and innovation research: 10 years later. Int. J. Des. Creat. Innov. 2022, 10, 1–30. [Google Scholar] [CrossRef]
- Sarafoglou, A.; Hoogeveen, S.; Bergh, D.v.D.; Aczel, B.; Albers, C.J.; Althoff, T.; Botvinik-Nezer, R.; Busch, N.A.; Cataldo, A.M.; Devezer, B.; et al. Subjective evidence evaluation survey for many-analysts studies. R. Soc. Open Sci. 2024, 11, 240125. [Google Scholar] [CrossRef]
- Ye, T.; Dong, L.; Xia, Y.; Sun, Y.; Zhu, Y.; Wang, G.; Wei, F. Differential Transformer. arXiv 2024. preprint. [Google Scholar] [CrossRef]
- Verma, M.; Bhambri, S.; Kambhampati, S. Preference Proxies: Evaluating Large Language Models in capturing Human Preferences in Human-AI Tasks. In Proceedings of the ICML 2023 Workshop on Theory of Mind in Communicating Agents, Honolulu, HI, USA, 23–29 July 2023; Available online: https://openreview.net/forum?id=m6EpkjUUBR (accessed on 5 December 2024).
- Beernaert, T.; Etman, P.; de Bock, M.; de Baar, M. The cascade to complexity: Modeling the evolution of first-of-a-kind systems in problem-solving design processes. Design Sci. 2024, 10, e28. [Google Scholar]
- Wang, L.; Chen, S.; Jiang, L.; Pan, S.; Cai, R.; Yang, S.; Yang, F. Parameter-Efficient Fine-Tuning in Large Models: A Survey of Methodologies. arXiv 2024. preprint. [Google Scholar] [CrossRef]
- Ceri, S.; Gottlob, G.; Tanca, L. What you always wanted to know about Datalog (and never dared to ask). IEEE Trans. Knowl. Data Eng. 1989, 1, 146–166. [Google Scholar] [CrossRef]
- Datomic Pro. Available online: https://www.datomic.com (accessed on 25 November 2024).
- Jiang, Z.; Xu, F.F.; Gao, L.; Sun, Z.; Liu, Q.; Dwivedi-Yu, J.; Yang, Y.; Callan, J.; Neubig, G. Active Retrieval Augmented Generation. In Proceedings of the 2023 Conference on Empirical Methods in Natural Language Processing, Singapore, 6–10 December 2023; Singapore. Association for Computational Linguistics: Singapore, 2023; pp. 7969–7992. Available online: https://aclanthology.org/2023.emnlp-main.495 (accessed on 5 December 2024).
- Hwang, D.Y.; Taha, B.; Pande, H.; Nechaev, Y. Link, Synthesize, Retrieve: Universal Document Linking for Zero-Shot Information Retrieval. In Proceedings of the 2024 Conference on Empirical Methods in Natural Language Processing, Miami, FL, USA, 12–16 November 2024; Association for Computational Linguistics: Miami, FL, USA, 2024; pp. 18971–18982. Available online: https://aclanthology.org/2024.emnlp-main.1056/ (accessed on 5 December 2024).
- Xiong, B.; Daza, D.; Nayyeri, M.; Cochez, M. Reasoning beyond Triples: Recent Advances in Knowledge Graph Embeddings. In Proceedings of the 32nd ACM International Conference on Information and Knowledge Management, Birmingham, UK, 21–25 October 2023; Association for Computing Machinery: Birmingham, UK, 2023; pp. 5228–5231. [Google Scholar] [CrossRef]
- Buehler, M.J. Accelerating scientific discovery with generative knowledge extraction, graph-based representation, and multimodal intelligent graph reasoning. Mach. Learn.: Sci. Technol. 2024, 5, 035083. [Google Scholar] [CrossRef]
- lkou, E.; Jiménez-Ruiz, E. Towards a Knowledge Graph for Teaching Knowledge Graphs. In Proceedings of the ISWC’24: The 23rd International Semantic Web Conference, Hanover, MD, USA, 11–15 November 2024; pp. 1–8. [Google Scholar] [CrossRef]
- Pavlyshyn, V. Personal Knowledge Graphs. Semantic Entity Persistence in Relational Model. 13 Apr 2024. Available online: https://blog.stackademic.com/personal-knowledge-graphs-semantic-entity-persistence-in-relational-model-d5692bb8e8bb (accessed on 25 November 2024).
- Chein, M.; Mugnier, M.-L. Graph-based Knowledge Representation. Computational Foundations of Conceptual Graphs; Springer: London, UK, 2009; pp. 1–428. [Google Scholar]
- Huang, B.; Chen, C.; Shu, K. Can Large Language Models Identify Authorship? In Proceedings of the Empirical Methods in Natural Language Processing, Miami, FL, USA, 12–16 November 2024; Association for Computational Linguistics: Miami, FL, USA, 2024; pp. 445–460. [Google Scholar]
- Mustafa, S.; Zhang, W. Why Do I Share? Participants’ Personality Traits and Online Participation. Int. J. Hum. –Comput. Interact. 2023, 40, 3763–3781. [Google Scholar] [CrossRef]
- Guesmi, M.; Chatti, M.A.; Joarder, S.; Ain, Q.U.; Alatrash, R.; Siepmann, C.; Vahidi, T. Interactive Explanation with Varying Level of Details in an Explainable Scientific Literature Recommender System. Int. J. Hum. –Comput. Interact. 2023, 40, 7248–7269. [Google Scholar] [CrossRef]
- Dessì, D.; Osborne, F.; Recupero, D.R.; Buscaldi, D.; Motta, E. Generating knowledge graphs by employing Natural Language Processing and Machine Learning techniques within the scholarly domain. Future Gener. Comput. Syst. 2021, 116, 253–264. [Google Scholar] [CrossRef]
- Han, F.X.; Niu, D.; Chen, H.; Lai, K.; He, Y.; Xu, Y. A Deep Generative Approach to Search Extrapolation and Recommendation. In Proceedings of the 25th ACM SIGKDD International Conference on Knowledge Discovery & Data Mining (KDD ’19), Anchorage, AK, USA, 4–8 August 2019; Association for Computing Machinery: New York, NY, USA, 2019; pp. 1771–1779. [Google Scholar] [CrossRef]
- Franceschelli, G.; Musolesi, M. Creative Beam Search: LLM-as-a-Judge for Improving Response Generation. In Proceedings of the 15th International Conference on Computational Creativity (ICCC’24), Jonkoping, Sweden, 17–21 June 2024; Available online: https://arxiv.org/pdf/2405.00099v3 (accessed on 5 December 2024).
- Shaffi, S.S.; Muthulakshmi, I. Search Engine Optimization by using Machine Learning for Web Page Classification. In Proceedings of the International Conference on Augmented Intelligence and Sustainable Systems (ICAISS), Trichy, India, 24–26 November 2022; pp. 342–349. [Google Scholar] [CrossRef]
- Correa, C.M.; Silveira, M.S. End-User Development Landscape: A Tour into Tailoring Software Research. Int. J. Hum. –Comput. Interact. 2022, 39, 2825–2839. [Google Scholar] [CrossRef]
- Bordas, A.; Le Masson, P.; Weil, B. Switching perspectives on generative artificial intelligence: A design view for humans-generative AI co-creativity. In Proceedings of the R&D Management Conference, Stockholm, Sweden, 17–19 June 2024; HAL preprint. Available online: https://minesparis-psl.hal.science/hal-04520521/document (accessed on 5 December 2024). HAL preprint.
- Jiang, T.; Sun, Z.; Fu, S.; Lv, Y. Human-AI interaction research agenda: A user-centered perspective. Data Inf. Manag. 2024, 8, 100078. [Google Scholar] [CrossRef]
- Baugh, K.G.; Cingillioglu, N.; Russo, A. Neuro-symbolic Rule Learning in Real-world Classification Tasks. arXiv 2023. preprint. [Google Scholar] [CrossRef]
- Cui, H.; Yasseri, T. AI-enhanced collective intelligence. Patterns 2024, 5, 101074. [Google Scholar] [CrossRef]
- Caldwell, S.; Sweetser, P.; O’Donnell, N.; Knight, M.J.; Aitchison, M.; Gedeon, T.; Johnson, D.; Brereton, M.; Gallagher, M.; Conroy, D. An Agile New Research Framework for Hybrid Human-AI Teaming: Trust, Transparency, and Transferability. ACM Trans. Interact. Intell. Syst. 2022, 12, 17. [Google Scholar] [CrossRef]
- Fabre, R. A searchable space with routes for querying scientific information. In Proceedings of the 8th International Workshop on Bibliometric-Enhanced Information Retrieval (BIR 2019), Cologne, Germany, 14 April 2019; pp. 112–124. Available online: https://api.semanticscholar.org/CorpusID:128358120 (accessed on 5 December 2024).
- Romera-Paredes, B.; Barekatain, M.; Novikov, A.; Balog, M.; Kumar, M.P.; Dupont, E.; Ruiz, F.J.R.; Ellenberg, J.S.; Wang, P.; Fawzi, O.; et al. Mathematical discoveries from program search with large language models. Nature 2024, 625, 468–475. [Google Scholar] [CrossRef] [PubMed]
- Dedeo, S. Hard Proofs and Good Reasons. arXiv 2024. preprint. [Google Scholar] [CrossRef]
- Hatchuel, A.; Le Masson, P.; Maxime, T.; Weil, B. What Is Generative In Generative Design Tools? Uncovering Topological Generativity With A C-K Model Of Evolutionary Algorithms. Post-Print. HAL 2021, 1, 3419–3430. Available online: https://minesparis-psl.hal.science/hal-03398565 (accessed on 5 December 2024). [CrossRef]
- Zhang, J.; Shen, Z. Analyzing journal category assignment using a paper-level classification system: Multidisciplinary sciences journals. Scientometrics 2024, 129, 5963–5978. [Google Scholar] [CrossRef]
- Barbier, R.; Ben Yahia, S.; Le Masson, P.; Weil, B. Co-Design for Novelty Anchoring into Multiple Socio-Technical Systems in Transitions: The Case of Earth Observation Data. IEEE Trans. Eng. Manag. 2022, 71, 12015–12036. [Google Scholar] [CrossRef]
- Zheng, Y.; Gan, W.; Chen, Z.; Qi, Z.; Liang, Q.; Yu, P.S. Large language models for medicine: A survey. Int. J. Mach. Learn. Cyber. 2024, 16, 1015–1040. [Google Scholar] [CrossRef]
- Cadeddu, A.; Chessa, A.; De Leo, V.; Fenu, G.; Motta, E.; Osborne, F.; Recupero, D.R.; Salatino, A.; Secchi, L. Enhancing Scholarly Understanding: A Comparison of Knowledge Injection Strategies in Large Language Models. In Proceedings of the Deep Learning for Knowledge Graphs, Athens, Greece, 6 November 2023; Available online: https://oro.open.ac.uk/94363/ (accessed on 5 December 2024).
- Khan, N.; Ma, Z.; Ullah, A.; Polat, K. Categorization of knowledge graph based recommendation methods and benchmark datasets from the perspectives of application scenarios: A comprehensive survey. Expert. Syst. Appl. 2022, 206, 117737. [Google Scholar] [CrossRef]
- Parker, M.J. Bioethics and the value of disagreement. J. Med. Ethics 2024, 1–7. [Google Scholar] [CrossRef]
- Rivest, M.; Vignola-Gagné, E.; Archambault, É. Article-level classification of scientific publications: A comparison of deep learning, direct citation and bibliographic coupling. PLoS ONE 2021, 16, e0251493. [Google Scholar] [CrossRef]
- Binder, A.; Hennig, L.; Verma, B. Full-Text Argumentation Mining on Scientific Publications. In Proceedings of the First Workshop on Information Extraction from Scientific Publications, Taipei, Taiwan, 20 November 2022; Association for Computational Linguistics: Miami, FL, USA, 2022; pp. 54–66. [Google Scholar]
- Paul, S.; Yu, J.; Dekker, J.J.; Ignatiev, A.; Stuckey, P.J. Formal Explanations for Neuro-Symbolic AI. arXiv 2024. preprint. [Google Scholar] [CrossRef]
- Demir, C.; Ngonga Ngomo, A.C. Neuro-symbolic class expression learning. In Proceedings of the Thirty-Second International Joint Conference on Artificial Intelligence (IJCAI ’23), Macao, China, 19–25 August 2023; pp. 3624–3632. [Google Scholar] [CrossRef]
- Lu, Z.; Afridi, I.; Kang, H.J.; Ruchkin, I.; Zheng, X. Surveying neuro-symbolic approaches for reliable artificial intelligence of things. J. Reliab. Intell. Environ. 2024, 10, 257–279. [Google Scholar] [CrossRef]
- Wan, Z.; Lui, C.K.; Yang, H.; Raj, R.; Li, C.; You, H. Towards Efficient Neuro-Symbolic AI: From Workload Characterization to Hardware Architecture. IEEE Trans. Circuits Syst. Artif. Intell. 2024, 1, 53–68. [Google Scholar] [CrossRef]
- Morris, C.; Fey, M.; Kriege, N.M. The Power of the Weisfeiler-Leman Algorithm for Machine Learning with Graphs. In Proceedings of the Thirtieth International Joint Conference on Artificial Intelligence Survey Track, Montreal, QC, Canada, 19–27 August 2021; pp. 4543–4550. [Google Scholar] [CrossRef]
- Afzal, Z.; Tsatsaronis, G.; Doornenbal, M.; Coupet, P.; Gregory, M. Learning Domain Labels Using Conceptual Fingerprints: An In-Use Case Study in the Neurology Domain. In Proceedings of the Knowledge Engineering and Knowledge Management: 20th International Conference, EKAW 2016, Bologna, Italy,, 19–23 November 2016; Springer-Verlag: Berlin/Heidelberg, Germany; pp. 731–745. [Google Scholar] [CrossRef]
- Grauwin, S.; Beslon, G.; Fleury, É.; Franceschelli, S.; Robardet, C.; Rouquier, J.; Jensen, P. Complex systems science: Dreams of universality, interdisciplinarity reality. arXiv 2012. preprint. [Google Scholar] [CrossRef]
- Finzi, M.; Stanton, S.; Izmailov, P.; Gordon Wilson, A. Generalizing convolutional neural networks for equivariance to lie groups on arbitrary continuous data. In Proceedings of the 37th International Conference on Machine Learning (ICML’20), Online, 13–18 July 2020; Volume 119, pp. 3165–3176. [Google Scholar]
- Franz, N.M.; Zhang, C.; Lee, J. A logic approach to modelling nomenclatural change. Cladistics 2018, 34, 336–357. [Google Scholar] [CrossRef]
- Wang, G.; Chao, Y.; Cao, Y.; Jiang, T.; Han, W.; Chen, Z. A comprehensive review of research works based on evolutionary game theory for sustainable energy development. Energy Rep. 2022, 8, 114–136. [Google Scholar] [CrossRef]
- Alexander, J.M. Evolutionary Game Theory; Cambridge University Press: Cambridge, UK, 2023. [Google Scholar]
- Skums, P.; Bunimovich, L. Graph fractal dimension and the structure of fractal networks. J. Complex. Netw. 2020, 8, cnaa037. [Google Scholar] [CrossRef]
- Cui, X.; He, H.; He, F.; Wang, S.; Li, F.; Bo, X. Network fingerprint: A knowledge-based characterization of biomedical networks. Sci. Rep. 2015, 5, 13286. [Google Scholar] [CrossRef]
- Kumar, A.; Chaturvedi, V.; Bhatnagar, S.; Sinha, S.; Siddiqi, M.I. Knowledge based identification of potent antitubercular compounds using structure based virtual screening and structure interaction fingerprints. J. Chem. Inf. Model. 2009, 49, 35–42. [Google Scholar] [CrossRef]
- Kwan, P.W.; Welch, M.C.; Foley, J.J. A knowledge-based Decision Support System for adaptive fingerprint identification that uses relevance feedback. Knowl. -Based Syst. 2015, 73, 236–253. [Google Scholar] [CrossRef]
- Skjæveland, M.G.; Balog, K.; Bernard, N.; Łajewska, W.; Linjordet, T. An ecosystem for personal knowledge graphs: A survey and research roadmap. AI Open 2024, 5, 55–69. [Google Scholar] [CrossRef]
- Slavic, A. On the nature and typology of documentary classifications and their use in a networked environment. Prof. De. La. Inf. 2016, 16, 580–590. [Google Scholar] [CrossRef][Green Version]
- Petras, V. Translating Dialects in Search: Mapping between Specialized Languages of Discourse and Documentary Languages. PhD Dissertation, UC Berkeley, Berkeley, CA, USA, 2006. Available online: https://www.ischool.berkeley.edu/research/publications/2006/translating-dialects-search-mapping-between-specialized-languages (accessed on 5 December 2024).
- Buschbom, J.; Collier, B.; Woodburn, M.; Vincent, S.; Tsai, E.; Toth, K.; Spencer, M.; Smith, D.; Sadka, M.; Hsu, T.-T.; et al. Simple Models, Complex Vocabularies: Developing Controlled Vocabularies for an Interdisciplinary Collection Management System in RECODE. Biodivers. Inf. Sci. Stand. 2024, 8, e135228. [Google Scholar] [CrossRef]
- Dourish, P. Evolution in the Adoption and Use of Collaborative Technologies. In Proceedings of the ECSCW’99 Workshop on Evolving Use of Groupware, Copenhagen, Denmark, 16 September 1999; Available online: https://www.dourish.com/publications/1999/ecscw99-evolution.pdf (accessed on 5 December 2024).
- Wilkinson, M.D.; Dumontier, M.; Aalbersberg, I.J.; Appleton, G.; Axton, M.; Baak, A.; Blomberg, N.; Boiten, J.W.; da Silva Santos, L.B.; Bourne, P.E.; et al. The FAIR Guiding Principles for scientific data management and stewardship. Sci. Data 2016, 3, 160018. [Google Scholar] [CrossRef] [PubMed]
- Chatterjee, A. Chapter K—Controlled Vocabulary (CV). In Elements of Information Organization and Dissemination; Chandos Publishing: Witney, UK, 2017; pp. 151–169. [Google Scholar] [CrossRef]
- Sterner, B.; Witteveen, J.; Franz, N. Coordinating dissent as an alternative to consensus classification: Insights from systematics for bio-ontologies. HPLS 2020, 42, 8. [Google Scholar] [CrossRef] [PubMed]
- Kim, M.Y.; Goldberg, J.D. The effects of outcome misclassification and measurement error on the design and analysis of therapeutic equivalence trials. Stat. Med. 2001, 20, 2065–2078. [Google Scholar] [CrossRef]
- Cuzick, J. Controversies in design and interpretation of adjuvant clinical trials. Cancer Invest. 2010, 8 (Suppl. 1), 28–34. [Google Scholar] [CrossRef]
- Raees, M.; Meijerink, I.; Lykourentzou, I.; Khan, V.J.; Papangelis, K. From explainable to interactive AI: A literature review on current trends in human-AI interaction. Int. J. Hum. Comput. Stud. 2024, 189, 103301. [Google Scholar] [CrossRef]
- Saunders, W.; Yeh, C.; Wu, J.; Bills, S.; Ouyang, L.; Ward, J.; Leike, J. Self-critiquing models for assisting human evaluators. arXiv 2022. preprint. [Google Scholar] [CrossRef]
- Battiloro, C.; Karaismailoğlu, E.; Tec, M.; Dasoulas, G.; Audirac, M.; Dominici, F. E(n) Equivariant Topological Neural Networks. arXiv 2024. preprint. [Google Scholar] [CrossRef]
- Cheng, R.; Liu, C.; Meng, S. A Study of Cognitive Orbits Based on Man-machine Interactions. Open Cybern. Syst. J. 2015, 9, 2694–2702. [Google Scholar] [CrossRef]
- Adversarial Search Algorithms in Artificial Intelligence (AI). Available online: https://www.geeksforgeeks.org/adversarial-search-algorithms/ (accessed on 25 November 2024).
- Acosta, M.; Qin, C.; Schwabe, T. Neuro-Symbolic Query Optimization in Knowledge Graphs. arXiv 2024. preprint. [Google Scholar] [CrossRef]
- Boudier, J.; Sukhov, A.; Netz, J.; Le Masson, P.; Weil, B. Idea evaluation as a design process: Understanding how experts develop ideas and manage fixations. Des. Sci. 2023, 9, e9. [Google Scholar] [CrossRef]
- Suorsa, A.; Multas, A.-M.; Enwald, H. Information creation as means to create joint understanding in work interaction. Informaatiotutkimus 2022, 41, 153–156. [Google Scholar] [CrossRef]
- Hirvonen, N.; Multas, A.-M.; Nygård, T.; Huotari, M.-L. Cognitive authority: A scoping review of empirical research. An Annual Review of Information Science and Technology (ARIST) paper. J. Assoc. Inf. Sci. Technol. 2024, 76, 155–192. [Google Scholar] [CrossRef]
- Liberatore, T.; Groth, P.; Kackovic, M.; Wijnberg, N. Influence Beyond Similarity: A Contrastive Learning Approach to Object Influence Retrieval. In Knowledge Engineering and Knowledge Management, Proceedings of the Knowledge Engineering and Knowledge Management, Amsterdam, The Netherlands, 26–28 November 2024; Alam, M., Rospocher, M., van Erp, M., Hollink, L., Gesese, G.A., Eds.; Lecture Notes in Computer Science; Springer: Cham, Switzerland, 2025; Volume 15370. [Google Scholar] [CrossRef]
- Qiu, Z.; Luo, L.; Pan, S.; Wee-Chung Liew, A. Unveiling User Preferences: A Knowledge Graph and LLM-Driven Approach for Conversational Recommendation. arXiv 2024. preprint. [Google Scholar] [CrossRef]
- Gregoire, J.M.; Zhou, L.; Haber, J.A. Combinatorial synthesis for AI-driven materials discovery. Nat. Synth. 2023, 2, 493–504. [Google Scholar] [CrossRef]








Disclaimer/Publisher’s Note: The statements, opinions and data contained in all publications are solely those of the individual author(s) and contributor(s) and not of MDPI and/or the editor(s). MDPI and/or the editor(s) disclaim responsibility for any injury to people or property resulting from any ideas, methods, instructions or products referred to in the content. |
© 2025 by the authors. Licensee MDPI, Basel, Switzerland. This article is an open access article distributed under the terms and conditions of the Creative Commons Attribution (CC BY) license (https://creativecommons.org/licenses/by/4.0/).
Share and Cite
Fabre, R.; Bellot, P.; Egret, D. Challenging Scientific Categorizations Through Dispute Learning. Appl. Sci. 2025, 15, 2241. https://doi.org/10.3390/app15042241
Fabre R, Bellot P, Egret D. Challenging Scientific Categorizations Through Dispute Learning. Applied Sciences. 2025; 15(4):2241. https://doi.org/10.3390/app15042241
Chicago/Turabian StyleFabre, Renaud, Patrice Bellot, and Daniel Egret. 2025. "Challenging Scientific Categorizations Through Dispute Learning" Applied Sciences 15, no. 4: 2241. https://doi.org/10.3390/app15042241
APA StyleFabre, R., Bellot, P., & Egret, D. (2025). Challenging Scientific Categorizations Through Dispute Learning. Applied Sciences, 15(4), 2241. https://doi.org/10.3390/app15042241

