Abstract
Scientific dispute and scholarly debate have traditionally served as mechanisms for arbitrating between competing scientific categorizations. However, current AI technologies lack both the ethical framework and technical capabilities to handle the adversarial reasoning inherent in scientific discourse effectively. This creates a ‘categorization conundrum’ where new knowledge emerges from opaque black-box systems while simultaneously introducing unresolved vulnerabilities to errors and adversarial attacks. Our research addresses this challenge by examining how to preserve and enhance human dispute’s vital role in the creation, development, and resolution of knowledge categorization, supported by traceable AI assistance. Building on our previous work, which introduced GRAPHYP—a multiverse hypergraph representation of adversarial opinion profiles derived from multimodal web-based documentary traces—we present three key findings. First, we demonstrate that standardizing concepts and methods through ‘Dispute Learning’ not only expands the range of adversarial pathways in scientific categorization but also enables the identification of GRAPHYP model extensions. These extensions accommodate additional forms of human reasoning in adversarial contexts, guided by novel philosophical and methodological frameworks. Second, GRAPHYP’s support for human reasoning through graph-based visualization provides access to a broad spectrum of practical applications in decidable challenging categorizations, which we illustrate through selected case studies. Third, we introduce a hybrid analytical approach combining probabilistic and possibilistic methods, applicable to diverse classical research data types. We identify analytical by-products of GRAPHYP and examine their epistemological implications. Our discussion of standardized representations of documented adversarial uses highlights the enhanced value that structured dispute brings to elicit differential categorizations in the scientific discourse.
1. Introduction
Knowledge becomes meaningful when it finds its place within categorical structures that provide semantic lineage. The categorization of knowledge, particularly in scientific domains, has historically been a process shaped by human dispute and debate. This process is especially crucial in the contemporary context of sentiment and opinion analysis where precise categorization has become increasingly significant [1].
For millennia, scholarly dispute has been the primary mechanism for creating new knowledge through human arbitration of competing scientific categorizations. However, the advent of AI has rapidly transformed this landscape. The traditional process of human-led scientific controversy and arbitration has not yet been successfully translated to AI-driven knowledge graphs, compromising both the epistemological foundations and the relevance of human-led scientific discourse.
Current scientific categorization largely relies on automated processes with varying degrees of human oversight, introducing both methodological and ethical challenges [2]. Without a comprehensive mapping of conceptual controversies, academia faces what has been termed an ‘illusion of understanding’ [3] where increased knowledge production paradoxically leads to decreased comprehension. While AI continues to gamify human behavior, humans are still considered ultimate decision-makers in human–AI teaming frameworks, with AI systems theoretically serving human-defined categorization needs, enhanced by large language models [4].
Our research addresses a fundamental question: How can humans, supported by AI, maintain autonomous decision-making in identifying and managing scientific categorizations while creating valid new categorical frameworks that build upon observable historical precedents? This investigation necessarily spans multiple disciplines, requiring both epistemological and methodological foundations to evaluate and represent the diverse expressions of scientific categorization in the AI era.
In our previous work, we introduced GRAPHYP, a framework that helps compare different ways of categorizing information based on how the scientific literature is used on the web. This framework shows the range of possible ways users can interpret research questions by using subgraphs from a bipartite hypergraph (a type of graph where two different types of entities are connected in complex ways). These foundational elements of an adversarial categorization architecture serve as the starting point for the present study (detailed in Section 2: Background and Related Work).
The current article extends this foundation by examining the epistemological and methodological requirements for developing a comprehensive systemic model. Our primary objective is to achieve effective standardization of traceable human choice in scientific categorization. We investigate the generalization of the GRAPHYP model across various adversarial pathways and reasoning conditions, supported by a dispute learning AI companion that augments human decision-making capabilities.
1.1. Motivations and Research Questions
- The “Categorization Conundrum”: Epistemological and Methodological Challenges
Our primary objective is to develop a comprehensive and effective human-centric approach that represents the full spectrum of choices augmented by AI while enabling human analytical intervention at every stage of scientific categorization, encompassing data, methods, and results.
Our motivations stem from fundamental empirical questions that challenge current knowledge categorization processes:
- -
- How do scientific objects acquire their names and categorical positioning?
- -
- What are the respective roles of human intellect and artificial intelligence in this process?
- -
- Are the current methods for categorizing scientific results truly valid and justifiable?
- -
- How can we detect and construct alternatives between competing categorizations?
The core motivation, set against the backdrop of current limitations in human–AI teaming in research, is to synthesize a representational framework from which we can build a research project. We have conceptualized what we term the “categorization conundrum”—a systemic challenge that undermines the human capacity for scientific categorization.
This conundrum emerges from two critical characteristics of AI-assisted processes:
- 1.
- Opaque Knowledge Sourcing
Categorization processes increasingly operate in a black-box mode, characterized by fuzzy sourcing mechanisms. Surprisingly, current AI technologies are philosophically and technically ill-equipped to handle scholarly controversies and manage adversarial categorizations effectively [5]. The adversarial reasoning fundamental to scientific discourse remains largely unaddressed by existing AI systems.
- 2.
- Model Reliability and Trust Challenges
AI models face significant challenges in reliability and trustworthiness. As recent research highlights, “understanding the specific types of errors AI systems make, the reason why they make these errors, and most importantly, how to predict these errors, remains an unresolved challenge” [6]. The phenomenon of AI hallucinations has expanded beyond factual inaccuracies to encompass reasoning capabilities.
Recent studies have identified critical issues such as:
- -
- ‘Illusions of relevance’ that manipulate model judgments;
- -
- ‘Content injection attacks’ [7] that compromise categorization integrity;
- -
- Systematic epistemic misuse in machine learning categorizations [2].
These challenges are particularly dangerous for next-generation large reasoning models, especially in categorization tasks.
- Categorization Engineering: A Fuzzy Human–AI Teaming
While categorization results frequently serve as crucial information resources in AI outputs, the underlying processes remain poorly designed and often inaccessible. This creates a significant gap in scientific knowledge representation, complicating comparative evaluations of different tools and methodological approaches.
The methodology of research about category assignment itself appears as an evolving and ill-identified domain. Existing studies reveal substantial limitations in expressing complex conceptual structures, leading to potential confusion in specialization and applications [8]. It remains challenging to measure how accurately information is being categorized for two main reasons: researchers find it difficult to use additional data effectively to improve knowledge graphs, and we still lack reliable ways to evaluate and test large language models [9].
Moreover, contemporary methodologies struggle to explain fully automated scientific result categorization processes that occur without direct human scientific intervention [10]. This challenge emerges against a backdrop of spectacular AI-driven scientific advancements, as highlighted by the Stanford Annual Report on AI in 2024 [9].
The necessity of human assessment and validation in scientific categorization has become increasingly critical. Emerging research underscores the paramount importance of human oversight in maintaining the integrity and reliability of knowledge categorization processes.
- Epistemological Context: The Dual Conundrum of Intelligence
We situate our research within a broader epistemological framework articulated by philosophers of science who recognize the intrinsic complexities of intelligence interactions. Drawing on Daniel Andler’s comprehensive work [11], we conceptualize a “double conundrum” that encompasses uncertainties in both artificial and human Intelligence. Andler’s analysis concludes that conversational interactions between AI and humans remain fundamentally supervised by the dominant realm of human intelligence complexity. This perspective is supported by philosophical perspectives from scholars like Alva Noë (Rage against the machine: a note of blog by Alva Noë (4 October 2023). Can computers think? No. They can’t actually do anything. Aeon. https://aeon.co/essays/can-computers-think-no-they-cant-actually-do-anything, accessed on 5 December 2024), who critically examine the limitations of artificial intelligence, including provocative concepts such as the “philosophical zombie” characterization of LLM chatbots [12].
Our approach acknowledges the inherent limitations of AI while recognizing its potential as a collaborative tool for human intellectual endeavor.
- Conceptual Foundations: GRAPHYP’s Architectural Approach
GRAPHYP emerges from a dualist philosophical approach that acknowledges the multiplicity of potential category definitions and represents recorded human contradictory opinions while developing an original architecture for dual-like reasoning and information representation.
At first glance, the expressive power of the GRAPHYP’s system is suitable for adversarial representations of contradictory theses. However, it remains primarily a conceptual framework, and in this context, categorization is currently focused on interpretable representations, exploited by explainers [13].
We developed a new approach called ’dispute learning’ (DL) that helps users participate in how information is organized. This method enables GRAPHYP to handle ‘conflicting conditional explorations of scientific categorizations’—in other words, it manages situations where there are multiple competing ways to classify and understand scientific concepts. This makes it easier for humans to examine different classification options and make informed choices.
Until recently, researchers thought it was almost impossible to map out all the reasonable ways to analyze data in a research project, as Kristanto et al. pointed out [14].
To overcome these limitations and enhance scientific reasoning, we previously introduced SKG GRAPHYP—a new type of system using hypergraph architecture with special symmetric subgraphs. The system tracks how different research communities approach the same research questions by looking at how they interact with the scientific literature [15,16]. Our earlier work explained how our method works and showed promising early results. We demonstrated how web services could use this approach to identify groups of people who share similar ways of thinking and understanding—what we call ’cognitive communities’. These groups emerge when we analyze how different people interpret and make sense of information [17].
The method effectively represents documentary tracks derived from actual user browsing behaviors, as also discussed by Liu et al. [18]. Appendix A shows a series of diagrams that explain how GRAPHYP works, breaking down the key stages of how the system analyzes relationships between different factors [19]. In complement, we have also previously examined GRAPHYP’s network compatibility with Big Data technologies [20,21].
Building upon these initial advances, our current research aims to explore GRAPHYP’s network modeling capabilities in an extended context of expert applications addressing challenging scientific categorizations. A critical research question emerges: Under what conditions of standardization of the processes, tools, and results, can this modeling transition from representing quantitative differences in documentary tracks to capturing qualitative distinctions in categorizations through a process of human selection among AI automated propositions?
The GRAPHYP ‘s approach facilitates a subsequent user-driven selection process, effectively implementing an original co-creation paradigm in human–AI teaming (HAIT) [22].
- GRAPHYP Framework: Overview of Development Goals
- Process Elements
- Scientific category assignment reasoning;
- Modeling interactions between problem-solving systems and knowledge structures;
- Tracing documentary research tracks;
- Interpreting adversarial data structures;
- Combinatorial synthesis, Laplacian matrix.
- Technical Tools
- Hypergraph networks featuring symmetric subgraphs;
- Meta-path learning systems;
- Knowledge structure fingerprints (KSF);
- Dispute learning system.
- Results
- AI-generated visualizations of knowledge structures;
- Standardized expert preference mapping;
- Enhanced human–AI collaborative categorization;
- Interpretable knowledge exploration heuristics
This framework demonstrates how GRAPHYP’s methodology integrates process, tools, and results into a cohesive system for knowledge categorization. Each component builds upon and reinforces the others, creating a robust framework for analyzing and categorizing scientific knowledge.
- Final Motivation: Preserving Human Flexibility with AI Companionship
While artificial intelligence excels at processing complex data patterns, it is unable to comprehend the fundamental structures that give meaning to this data. Our previous work with GRAPHYP highlighted two critical gaps in current systems:
1. The absence of alternative representations for adversarial data structures derived from web usage;
2. The lack of frameworks for representing knowledge designs that accommodate contradictions—an essential element in knowledge construction.
This limitation has significant implications. In many scientific fields, the loss of category origins, genealogy, and naming conventions has become an accepted, if problematic, reality—a challenge that Peng et al. [8] identify as a critical societal issue. Moreover, as Michaud and Jon-And demonstrate [23], direct learning from data often proves insufficient for capturing the nuanced nature of scientific categorization.
As current generative AI seems hardly able to capture traceable categorizations, can GRAPHYP networks help address this technological bias?
In our previous article, we formulated this scientific challenge in the concluding remarks about the methodological range of GRAPHYP networks [15], observing that the research question of interpreting results for effective uses of GRAPHYP networks in the real world, remained fully addressed as “the documentary tracks followed during the scientific process deserve comments on their status and their uses, as here arises a question of correlation between information and results”, which must, indeed, be delimited.
We are, thus, motivated to address the problem of the standardization of expert preferences expressed in a ‘dispute learning system’ that prompts scientific categorizations as follows:
We aim to develop a standard way for experts to express their preferences in a ‘dispute learning’ system. This system helps organize scientific information in three key ways:
- It creates what we call ‘knowledge structure fingerprints’—unique patterns that show how different experts organize and connect information. The system learns from how these different patterns interact and evolve.
- It strengthens the decision-making process by turning it into an interactive experience where humans can see and choose between different ways of categorizing information while keeping track of the reasoning behind each choice.
- It generates visual representations of these knowledge fingerprints, making it easier to see and understand different ways of organizing information, supported by standardized ways of describing the information.
Figure 1 represents our motivation workflow.
Figure 1.
Motivation: Human-led arbitration of competing categories with AI companionship.
1.2. Research Questions
Our research addresses four fundamental questions that trace the development of a human-centric approach to scientific categorization with AI companionship:
RQ1: Philosophical Foundations of Dispute Learning
Our first research question explores how philosophical frameworks understand and justify different ways of categorizing scientific concepts. We examine how geometric representations can help map competing interpretations of knowledge, and how philosophical approaches can support our understanding of scientific categorization choices. Central to this inquiry is understanding the type of analytical thinking this approach demands from human users.
RQ2: Modeling the Dispute Learning Process
The second question addresses how we can model competing knowledge claims within expert knowledge construction. We seek to understand what defines the boundaries of academic debate in this context and explore whether GRAPHYP can serve as an AI companion that supports human decision-making while preserving user autonomy in category selection. This question focuses on the delicate balance between AI assistance and human agency in the categorization process.
RQ3: Implementing Dispute Learning Tools
Our third question examines how to guide users in navigating GRAPHYP’s multiverse decidable graph for knowledge design. We investigate what interface elements and user experience features best support this navigation, including the role of visual aids like sandboxes and color-coded pathways in presenting alternative solutions. Drawing on work by Sokol et al. [24], we will examine patterns of competing solutions to demonstrate GRAPHYP’s effectiveness in comparing and processing categorization tasks.
RQ4: Representing and Accessing Results
The final question explores how to present GRAPHYP’s modeling results in ways that create comprehensive knowledge maps while maintaining accessibility to alternative solutions. We investigate how to support informed human decision-making while keeping the system open to user consultation and choice. This investigation builds upon dialogical logic—a dialogue-based approach to logic and argumentation [25] and category learning theory [26], leading to our development of a ‘Decidable Graph of Knowledge Design’ [27,28] that implements constructive type theory principles [29].
1.3. Major Findings
Our investigation into generalizing GRAPHYP’s methodology yielded three major findings:
First, we discovered that implementing dispute learning through standardized concepts and methods enhances scientific categorization in two significant ways. It expands the range of pathways for addressing challenging scientific categorizations while also enabling GRAPHYP’s modeling to accommodate new forms of human reasoning in competitive knowledge contexts. This extension depends on novel philosophical and methodological frameworks, which we detail in this paper.
Second, GRAPHYP’s support of human reasoning through graph-based visualization provides access to a broad spectrum of practical applications. We demonstrate how this approach helps resolve complex categorization challenges across various fields, illustrated through specific case studies and examples.
Third, we developed a novel hybrid analytical approach that combines probabilistic and possibilistic methods. This methodology proves applicable to a wide range of classical research data types and methods. Our analysis reveals several valuable by-products of the GRAPHYP system, along with their significant epistemological implications.
The discussion examines how these standardized representations of documented competing viewpoints contribute to a richer understanding of the scientific dispute, ultimately enhancing our approach to knowledge categorization.
2. Background and Other Works
2.1. Background
We present the research background that provides scientific references for building reinforced standards in GRAPHYP networks, thereby facilitating the development of the dispute learning method.
This background encompasses an approach to dispute learning, accompanied by three contextual components: process building, tool engineering, and result representation.
2.1.1. Dispute Learning (DL): Theoretical Framework and Foundations
- Philosophical Background
How can we establish trust in scientific findings? This question relates to how we understand and interpret research processes. In GRAPHYP, we use network diagrams with contrasting data points to emphasize the importance of considering multiple perspectives when drawing conclusions. Our approach operates on two levels: supporting human autonomy in exploring alternatives (GRAPHYP as an AI companion) and facilitating diverse reasoning approaches through comparative analysis where different options can be considered simultaneously and evaluated against each other to better understand both the research process and its justification.
This theoretical foundation is crucial to our model. GRAPHYP incorporates measures that uniquely combine possibility and probability (detailed calculations appear in Section 3.2.2). The implications of this approach, which we introduced in earlier work, are further developed in light of recent research on such hybrid logical systems [30]. Traditional principles based on Popper’s theory of falsification are currently being reexamined in this context [31].
- Theoretical Framework: GRAPHYP as an AI Companion
GRAPHYP introduces a novel approach to researcher interaction. Instead of the traditional model where users simply receive answers from AI systems through large language models, GRAPHYP enables dialogue and collaboration.
- Interactive Knowledge Partnership
GRAPHYP functions as an interactive knowledge-mapping tool that facilitates dialogue between researchers. It allows users to engage with others’ research findings as captured by the AI system through documented interactions. As an AI companion, GRAPHYP adapts its support to each user’s needs as they examine and discuss various perspectives. This aligns with emerging concepts of AI companionship, similar to the CERN AI Companion project (New AI companion features on CERN Zoom. https://home.cern/news/announcement/computing/new-ai-companion-features-cern-zoom, accessed on 5 December 2024), which aims to enhance human reasoning capabilities. GRAPHYP applies these principles through its unique approach to organizing and connecting information networks.
- Supporting Research Dialogue
Recent advances in human-centered computing have enabled more effective learning experiences and coordination of research activities [32]. This technology allows for a meaningful human–AI dialogue, capturing user preferences through conversation history and building detailed user profiles that inform how the system responds to queries [33].
- The Philosophy of Comparative Reasoning in Dispute Learning
While new approaches to human–AI collaboration are emerging, many lack robust philosophical foundations—a notable gap even in current surveys of ontological frameworks [34].
- Dialogue and Possibility
Recent developments have shown the value of possibility-based reasoning across various scientific fields [35]. However, methods for systematically comparing different possibles remain underdeveloped. Our approach draws inspiration from William Whewell’s philosophy of inference, emphasizing the importance of dialogue between different possibles.
GRAPHYP’s framework builds on two key influences: dualist philosophical analysis and Gary Marcus’s influential critique of deep learning’s limitations [36], particularly regarding language understanding beyond training data.
In the current AI era, creating new knowledge categories involves humans shaping ideas through language with AI assistance. We propose a “Dialogic AI” approach where scientific categorizations are examined through structured debates, represented as symmetric graph diagrams showing contrasting information sets.
- Human-Centered Possibility Analysis
As noted in Section 1, human–AI collaboration faces challenges regarding the reliability of AI’s contributions to categorization. We identify a “Categorization conundrum” with two technical constraints: the limitations of AI’s delivery capabilities and the unresolved complex of epistemological and technical issues in expressing scientific controversies digitally.
Beyond these specific challenges, automated scientific categorization faces inherent limitations. While we will not delve into pseudoscience concerns here, it is important to acknowledge AI’s constraints in supporting human dialectical reasoning—a key reason why AI should not lead knowledge categorization efforts [37].
GRAPHYP addresses these challenges by analyzing human ideas through:
- Modeling contrasting documentary tracks found in web analytics data;
- Enabling “conditional creation” where solutions depend on comparing multiple possibilities;
- Combining possibility and probability measures (detailed in Section 3);
- Creating a “multiverse graph” where different options can be evaluated in relation to each other.
This approach aligns with recent renewed interest in Whewell’s scientific classification work [38]. As Chiara Ambrosio notes in discussing Peirce’s classification [39], Whewell showed how ideas organize facts and provide foundations for scientific reasoning. GRAPHYP builds on this insight, using AI to support—rather than replace—human reasoning in developing new categorizations.
- Leibnizian Influences on Human Understanding
Our approach draws from three key aspects of Leibniz’s philosophy [40], adapted for the AI era. While we build upon previous attempts to automatize applications of Leibniz’s theory of concepts [41], we take a distinct approach by focusing on how AI can assist human choice in scientific categorization, reminiscent of the Encyclopedists’ scientific thinking [42].
GRAPHYP incorporates three main Leibnizian principles: (1) The distinction between “truths of reason” (formal logic systems) and “truths of fact” (data-driven AI systems). In our AI companion approach, humans select and combine different AI-generated interpretations of contrasting documentary evidence. (2) The concept of ‘Ars combinatoria’, which suggests that ideas have definite meanings but multiple modes of expression [43]. This aligns with Whewell’s concept of ‘colligation’ and forms a foundation for semiotics. (3) Differential reasoning, which we apply throughout our modeling process to create subtle transitions between categories resulting in what we call a ‘multiverse graph’ [15].
- Phenomenological and Geometric Foundations
Our model’s structure draws additional philosophical insight from Husserl’s concept of ‘decidable forms’ [44]. We implement this through a bipartite symmetric hypergraph with subgraph clusters, creating an interpretable framework for positioning hypertext units within interconnected networks. A hypergraph is a type of graph where an edge can connect more than two nodes, unlike traditional graphs where an edge connects only two nodes. This is useful for representing complex relationships involving multiple entities. In our model, we use a bipartite symmetric hypergraph to organize and connect information, reflecting different interpretations and structures of hypertext (for a more flexible understanding of how information relates. This approach aligns with recent advances in geometric deep learning, as demonstrated by Bronstein et al. [45], allowing AI to serve as a neutral tool for information representation while supporting human interpretation and dialogue.
- Mapping Reasoning Through Graph Diagrams
The dispute learning AI companion facilitates the generation of contrasting ideas, concepts, and methods through ‘conditional comparative reasoning’. This approach considers alternatives within different contexts and documentary sources.
GRAPHYP’s framework enables users to adopt, combine, and modify different perspectives on the same question (examples in Section 3). This creates opportunities for Socratic learning through language games [46]. Using GRAPHYP’s ‘geobot’ companions, we leverage geometric epistemology and visual mathematical thinking, particularly for discovering properties and categories through graph diagrams.
Our framework also incorporates concepts from various sources that support ‘adversarial games analytics’, including Wittgenstein’s ‘language games’ theory, which suggests AI should adapt to diverse human communication practices [47]. We also draw on the concept of ‘trading zones’ in information design, which enables the exchange of analytical representations across sciences.
- Human understanding and AI Explainability
Hard-to-evidence categorizations in science are known to currently remain beyond the reach of human–AI teaming (HAIT). Modeling disputes between alternative categorizations should help understand how language is learned from data. As we have noted, presently, no established AI method convincingly links learning capabilities to language acquisition, its mechanisms remaining obscure on both sides of human–AI interaction.
The fundamental questions persist: How do AI models represent grammatical information from learned languages [23] and what methods can reliably assess human knowledge acquisition behaviors? (Similar discussions are taking place regarding reinforcement learning with human feedback (RLHF) or learning from demonstrations (LFD). See, e.g., contributions in ICML 2024 Workshop: https://sites.google.com/view/mhf-icml2024, accesed on 5 December 2024).
Our survey (2019) of French Large National Research Infrastructures [48] revealed a critical emerging need for shared rules across scientific domains, processing scientific categorizations with AI systems. The spanning tree of domains and thematic guidelines is remarkably broad, directly encompassing conflicting expertise, expert behavioral dynamics [49], and comprehensive interpretable AI (XAI) frameworks.
A recent landmark Manifesto [50] on generative models and explanation methodologies establishes an epistemological and methodological reference for the dispute learning system. It prioritizes experienced methods and emphasizes the importance of shared regulatory principles. We apply those principles to define the typology of applications of DL (see Section 3.1). However, the explainability of AI remains challenging, with ‘ambiguity’ continuing to limit human understanding [51].
Sharable rules in DL must include observable principles for defining intentions, operational modalities, result representation, and personal and collective ethical considerations. These principles involve confronting a categorization—or its constituent elements—with alternative referenced categorizations: this principle remains the very essence of what we call ‘conditional creation’.
2.1.2. Process: Processing Reasoning, Paths, Data Structures
- Processing Disputes with AI
Processing disputes can be represented in various ways, which can be formalized as a target network in hypernetworks [52]. We build on recent advancements in modeling ‘disputable’ tactic AI as proposed by Wang et al. [53]. Their approach introduces innovative built-in symmetries for exploring alternative player configurations (originally designed for simulating football competition strategies). Complementary frameworks such as Besta et al.’s knowledge manifold representation [54] in the ‘Graph of Thoughts’ provide alternative methods for structuring and analyzing disputes.
In the domain of dispute learning, counterfactual explainability offers a powerful method for analyzing different data structures. By exploiting geometrical relations such as affinity, this approach maps out both differences and commonalities between the paths connecting factual and counterfactual data points [24]. Furthermore, explanatory protocols enhance human-centered explainability, addressing the growing need to reason about alternative ways of structuring data (See, e.g., the ICML Workshop “Could it have been different?” Counterfactuals in Minds and Machines. https://icml.cc/virtual/2023/workshop/21482).
- Processing Data Structures: Knowledge Design Theory and ‘Knowledge Structure’
Addressing the complex challenge of ‘generative’ knowledge building, we adopt reasoning principles from the recently revised design theory depicted by Hatchuel and Weil [55]. This approach focuses on converting objects into knowledge, introducing an essential topology-referenced concept of knowledge structures [56]. GRAPHYP’s updated network model proposes a knowledge structure that remains open to multiple use types and interpretations.
Many-analysts studies for subjective evidence evaluation represent a critical approach to conceptual depth. These studies demonstrate that researchers employing diverse analytical strategies can generate equally valid conclusions from identical datasets, highlighting the nuanced nature of data interpretation, as formulated by Sarafoglou et al. [57]: “Researchers adopt a wide range of approaches when analyzing data, and their equally justifiable choices about statistical procedures, data processing and the inclusions of covariates can affect the conclusions they draw”.
- Differential Representation and Preference Proxies
Differential representation of results finds promising exploration through differential transformers (DIFF Transformers) [58]. This foundational LLM architecture enables in-context learning and develops novel scaling properties.
Emerging research in preference proxy fields [59] is pioneering the integration of AI agents with human users. These studies investigate LLM’s capacity to capture human reasoning processes within collaborative contexts, offering innovative approaches to human-aware AI tasks.
2.1.3. Tools: Reasoning Methods, Documentary Dialects, and Tailoring Software
- Tools for content analytics: upgrading reasoning methods
We build upon the modeled preferences of predecessors illustrated in GRAPHYP modeling, establishing a new interaction between a problem-solving design process and an evolving, traceable design model of discovery [60]. Our approach develops rules that guide the creation of winning strategies for a thesis [29], drawing from documented knowledge structures. We adopt assertoric logic as a continuous methodological principle, viewing it as the only observable way for tracing categorization pathways [29]. Our reasoning process incorporates a traceable, dialogical [25] iterative method for category assignment.
Drawing inspiration from traceable representations of adversarial networks in generative adversarial networks (which we adopted in GRAPHYP networks), we integrate additional methodological perspectives. Notably, in the present update, we explore innovative research insights that examine interactions between hypernetworks and complex information structures. This implies deriving hypernetworks using manifold learning to discriminate target networks [52] and employing parameter-efficient fine-tuning to identify network characteristics [61]. These approaches provide stimulating methodological foundations for our research.
- Tools for Entity Modeling and Query Processing
For querying the Decidable Graph for Knowledge Design—which contains GRAPHYP’s corpus of adversarial Knowledge Structure Fingerprints (detailed in Section 3.2)—declarative query languages capable of handling complex, multi-hop relationships are crucial.
Graph query languages like DataLog [62] offer clarity and simplicity within a logical framework. Additionally, Datatomic could potentially structure the entire history of distributed systems, enabling analysis through multiverse fractal graphs. This approach would allow for examining GRAPHYP’s human choices across varied temporal, scalar, and contextual dimensions [63].
- Tools and Methods for Transforming Representations of Knowledge Structure
Combinatorial synthesis and Laplacian matrix emerge as powerful tools for standardizing information analytics and representation, offering significant benefits across a wide range of applications within GRAPHYP’s methodology (see Section 3.3 and Section 3.4). Combinatorial synthesis can effectively support the processing of property combinations, scaling transformations, and generation of fine-grained results. Simultaneously, the Laplacian matrix presents capabilities for representing research domain content, facilitating learning path analysis within studied domains and, potentially, enabling future extensions of GRAPHYP’s methodology.
2.1.4. Results: From Plain Data to Knowledge Structure Fingerprints (KSF)
GRAPHYP’s networks continue to compute page importance based on user behaviors in web usage [18]. However, additional data are required to comprehensively represent knowledge and its categorization.
- Qualitative Results: Knowledge Hyperlinked Hypertexts
Our approach introduces a novel method of creating knowledge networks by utilizing contextually rich and interconnected hypertexts, moving beyond discrete term-based representations. Knowledge objects demand multimodal traceability of their sense-making characteristics, necessitating a more nuanced approach to data representation.
GRAPHYP’s initial documentary track logs must be augmented with descriptive elements of rich hypertext characteristics, enabling potential ‘structural ‘analytics. Current retrieval-augmented generation (RAG) systems, present a significant limitation in their text-to-vector workflows. Specifically:
- Document structure, including section hierarchy, cross-references, citations, and hyperlinks, are systematically ignored during the chunking and embedding processes.
- This omission prevents AI systems from fully leveraging critical contextual information when generating query responses.
- Consequently, an important source of data is lost in the categorization analysis, potentially compromising information quality [64].
While existing embeddings primarily capture semantic similarity, categorization processes often require precise informational matches that are conceptually aligned with analytic requirements. Emerging technologies now offer capabilities to retrieve, synthesize, and link documents, thereby enhancing synthetic query generation [65].
The knowledge content analytics of Knowledge Structure Fingerprints must, therefore, develop methods that comprehensively represent and exploit initial documentary tracks.
- Results in the Domain of ‘Disputable Knowledge’: Unexplored Insights
GRAPHYP introduces an innovative concept of ‘Disputable Knowledge’ as a modeled, searchable object. This positioning situates the model among the pioneering tools advancing knowledge graph (KG) reasoning ‘beyond triples’ as discussed by Xiong et al. [66], specifically through multimodal intelligent graphs [67].
The methodological approach will focus on representing unexplored results by processing cross-differentiated ‘disputable data’. Specific examples of this novel approach to adversarial network analysis will be detailed in the subsequent Results section.
- Results in Graph of rules and Personal Knowledge Graph
We employ a geometric graph of rules as a deductive reasoning framework for problem-solving [67]. This innovative approach conceptualizes each node as a rule, with edges representing intricate relationships between rules. The framework establishes a formal rule set that ensures logical consistency and enables users to navigate and classify datasets strategically. GRAPHYP’s subgraphs are direct examples of graphs of rules.
The distinctive characteristic of GRAPHYP’s networks lies in its comprehensive multiverse typology of data, which captures the choice patterns of predecessors through detailed log-in data triplets (user intensity, item diversity, level of attention). Critically, the graph’s purpose transcends generating a definitive result. Instead, it functions as a strategic agent that elucidates alternative potential choices, mirroring the complex decision-making practices of human information seekers, within the framework of graphs of rules.
GRAPHYP’s system delves far deeper than conventional surface-level responses, implementing modular reasoning that explores eligible induced user questions. By leveraging structured knowledge from documentary tracks, the system examines predecessor choice data within specific query domains. This representational approach constitutes a field of disputable knowledge that maps all potential answer pathways, complete with their hypertext characteristics.
We characterize the operations within this domain as a “dispute learning” process, resulting in personalized knowledge graphs of eligible choices. These graphs feature structured hyperlinks and build upon recent research into semantic entity persistence in relational models [68,69]. The system balances logical consistency and linguistic coherence, generating creative conceptual graphs for knowledge representation [70]. This approach aligns with decidable knowledge structures, drawing inspiration from Datalog-flavored methodologies [62].
- Results in Privacy and Intellectual Property in Disputable Path Structure
Knowledge is identified by both its content and its path in hypernetworks, suggesting the potential for personal knowledge pathways to be mapped. A comprehensive checklist of path-building rules becomes crucial for research-producing organizations (RPOs) to mitigate biases in path management and optimize behaviors in traceable networked result-finding systems, as advocated in the recent XAI Manifesto [50].
The capacity to verify content authenticity and identify authorship represents a crucial development in mitigating misinformation. This approach establishes new benchmarks for large language models (LLMs), addressing critical challenges in knowledge verification and intellectual property protection [71].
2.2. Other Works
This subsection provides a broader context for our research, highlighting influential sources on emerging human-centric AI dialogue capabilities.
- Process
GRAPHYP’s methodology emerges at a critical juncture in the evolution of the Human Web, demonstrating significant potential for networked knowledge communities [72]. The approach introduces a flexible, interactive knowledge acquisition framework [73] that employs creative information-seeking techniques adaptable to diverse expertise domains [74].
The disputable knowledge facets generated by GRAPHYP reveal a new informational paradigm through possibilistic analyses of human preference data flows. This approach underscores the imperative for advanced research in natural language processing and machine learning within scholarly contexts [75]. The methodology requires at least a deeper generative knowledge extraction from search engines, emphasizing artificial creativity [76] (The LLM-as-a-Judge approach involves the LLM evaluating its own responses) and building upon the generalization capabilities explored in HAIT (see, e.g., contributions to the Dagstuhl Seminar 24192. Generalization by People and Machines (May 05–08, 2024). Permalink: https://www.dagstuhl.de/24192, accessed on 5 December 2024) research and search engine optimization strategies [77].
- Tools
Within our proposed ‘Decidable Graph of Knowledge Design’ (DGKD), we examine differentially modeled data structures that map the perimeter of ‘disputable knowledge’. Influenced by innovative differential web usage mapping [58], this system represents a pioneering approach to comparative and interpretable categorizations. Critically, the framework is:
- Adaptable to user preferences;
- Tailorable through collective user practices [78];
- Grounded in a human–AI co-creative methodology [79].
- Results
GRAPHYP’s contributions are fundamentally centered on user perspectives [80], aligning closely with the human–AI teaming (HAIT) agenda. The research aims to:
- Integrate multidisciplinary theoretical approaches;
- Incorporate multilevel research methodologies;
- Explore dynamics of human–AI collaboration, competition, conflict, and symbiosis;
- Develop a comprehensive architecture with an independent user observation dimension [80].
The neuro-symbolic [81] dispute learning approach of GRAPHYP’s networks delivers an interpretable knowledge representation system. By applying logical rules, it creates an AI-constructed perimeter of user preferences that enables dialogue channels bridging human and machine intelligence.
The methodology also situates itself within emerging research on collective intelligence [82], positioning itself at the forefront of future interactive intelligent systems [83]. This approach allows humans to dialogue through machine-processed channels, transforming traditional knowledge interaction paradigms.
Figure 2 gives an outlook of the primary aspects of our research background.
Figure 2.
Background: modeling adversarial categorization pathways.
3. Results. Standardization of a Dispute Learning System
This section examines how the dispute learning (DL) system, implemented through GRAPHYP, provides a structured approach to problem-solving from an expert knowledge perspective. We demonstrate how this system enables clearer decision-making by facilitating the comparison and evaluation of competing expert viewpoints.
- Research Framework
Building on Research Questions 1–4 (Section 1), this study aims to generalize GRAPHYP’s methodology through a comprehensive analysis of its goals, methods, and applications within a dispute learning system (DL). Our research addresses how DL can effectively clarify challenging research categorizations through:
- -
- -
- Documenting the system’s core workflows and tools;
- -
- Developing clear analytical representations of results through methods, applications, and examples.
The following subsections present our findings:
(3.1) provides an overview of the DL process, with a recall of our previous works, a definition of DL, and a range of application.
(3.2) identifies tools of dispute learning.
(3.3) introduces analytic methods of DL.
(3.4) examines applications with examples.
3.1. Dispute Learning: Context, Use Cases, Potential Applications, and Definition
We begin by presenting our previous works (3.1.1), followed by characterizing the context for potential development of DL (3.1.2) and then propose a typology of application scenarios from real-world situations (3.1.3), and conclude with a definition of DL (3.1.4).
3.1.1. Previous Works
Below is a summary of the key research contributions from previous stages of GRAPHYP’s modeling, along with references to the corresponding articles. These works justify the orientation of this article toward a systemic approach, focusing on the methodological and epistemological conditions required for a fully efficient service that assists reasoning across various scientific data alternatives.
GRAPHYP’s modeling has been explored in multiple published and unpublished versions. It was initially designed based on the core modeling framework adopted in this article, with the following key steps:
- -
- Initial Conceptual Design (2019) [84]: Introduced the need to structure an interpretable dataset of adversarial opinions on research results, enabling the representation of their characteristics and facilitating discussions on findings.
- -
- Structural Description of GRAPHYP (2022) [16]: Defined GRAPHYP as a bipartite knowledge graph where subgraphs represent cognitive communities formed through adversarial interpretations of documentary traces.
- -
- Representation of Assessor Shifts in GRAPHYP (2023) [15]: Modeled user navigation as pathways through a multiverse graph, allowing identification of any user’s position within the broader analytical system. Additionally, statistical tests were conducted to assess the robustness of adversarial category-based analytical logic.
- -
- Potential Applications of GRAPHYP in Big Data Analytics (2021 and 2023): Investigated the structural compatibility of GRAPHYP’s system with Apache Hadoop [20] and Elastic Stack [21] for large-scale data processing.
3.1.2. Context
Recent studies have revealed that the categorization process in research is often unevenly delimited and studied. Current uses of AI have also identified several related pitfalls.
- Identified Pitfalls in Scientific Categorizations
As mentioned previously in Section 1 and Section 2, the categorization of scientific concepts and results is a cornerstone of reasoning and outcomes. However, this process has undergone radical recent evolutions, with the category assignment remaining ill-defined. Simultaneously, advanced scientific results [85] are now being produced through automated processes [10] without clear proof of the pathways followed, leading to what mathematician, Simon DeDeo, has described as “unstable ontologies” [86].
This situation, which we framed as a “categorization conundrum” in the introduction, encompasses multiple examples where research papers on categorization methods have identified issues related to the inexplicability of AI, observed across a range of domains. These domains include, among others, engineering of knowledge-building practices [87], scientific classifications in multidisciplinary journals [88], programming research challenges in collaborative innovation [89], the accuracy of treatment plans in medicine [90], and knowledge injection strategies for transformers in the scientific domain [91]. The range of applications illustrating this conundrum is immense.
- Dispute Learning Design. First considerations
As this problematic situation is reported to be increasing with the widespread adoption of search-based generative experiences [92], dispute learning is being further studied as an approach to assist in the categorical assignment of results. This would introduce an add-on of new knowledge to any query, scientific or otherwise, by developing generalizability, flexibility, and user-friendliness, aligned with the engineering of knowledge-building practices [87]. Disputes on categorizations cover all architectures of scientific disagreements [93] and interfere with the connections between concepts, methods, scientific nomenclatures, results, and their possible interactions.
GRAPHYP’s technology, designed to track comprehensive log files of adversarial cognitive communities’ search interests on research questions, provides the only directly accessible data expressing differences in human approaches to categorizations. They thus provide a strong justification for studying the development of corresponding standards explored in the second part of this section, toward an effective problem-solving method for decidability elicitation. We could understand from the previous section that research could supply a wide range of solutions at the three studied levels of the process, tools, and results of the dispute learning system.
We assume that the DL design must be highly flexible, with a limited yet clear list of operating instructions (see Section 3.2), which the following typology of applications will help enumerate.
- The Complex Landscape of Adversarial Scientific Categorization
Scientific research generates numerous adversarial practices in indexing, semantic classification, bibliographic analysis, bibliometrics, discourse analysis, and research opinion formation. While there is growing interest in identifying these practices, there are few tools that help humans navigate between competing classifications. This gap presents a significant opportunity for GRAPHYP’s analytical tools.
Our research shows that documentary tracks in GRAPHYP can analyze adversarial categorizations across multiple document types and levels. Key areas for investigation include:
Research Query Analysis: Individual researcher interactions with library and laboratory resources reveal diverse approaches to similar questions, as evidenced by scientific content usage analytics (see, e.g., Counter Metrics Code of Practice: https://www.countermetrics.org/code-of-practice/, accessed on 5 December 2024).
Bibliographic Classification Conflicts: Scientific publications often resist simple categorization. As noted in current research, both journals and articles frequently fit multiple classifications. This creates tension between exclusive classification systems (which facilitate clearer reporting) and multiple-class assignments (which better reflect the complexity of scientific knowledge) [94].
Scientific Discourse Analysis: The emerging field of argumentation mining, particularly Scholarly Argumentation Mining with the SciArg Dataset, offers promising approaches for analyzing academic debate through argumentative discourse units [95].
Despite these numerous opportunities, comprehensive modeling of adversarial categorization in science remains largely unexplored. To our knowledge, GRAPHYP stands alone in its approach, uniquely combining features from various AI modeling techniques to address this gap.
3.1.3. Potential Applications and Functionalities
What types of improvements could a dispute learning (DL)-flavored method bring to the accuracy of scientific dispute categorizations? GRAPHYP’s neuro-symbolic methods, which analyze adversarial search experiences, could enhance fine-grained results through a variety of hybrid approaches:
- Categorization Reasoning Assessment with Dispute Learning
- Strategic reasoning using adversarial search algorithms (e.g., minimax, alpha-beta pruning, competitive scenarios);
- Anticipating counterarguments by identifying opponent moves and predicting counter-claims;
- Evaluating positions through a heuristic evaluation function where adversarial search is adapted to assess the validity of different scientific arguments;
- Comparing and reconciling conflicting taxonomies
- Categorization Method Discussion with Dispute Learning
- Identifying core arguments by pinpointing key points of contention;
- Assessing the relative strength of competing claims;
- Handling uncertainty by analyzing the quality of information content in adversarial scenarios to better manage incomplete data and predict dispute trajectories;
Promising potential applications are contingent on a fine-tuned dimensional approach that allows the DL process to manage:
- The right balance between neural learning and symbolic reasoning;
- Efficient interpretability of model decisions;
- Adaptation of the gaming and reasoning model to the architectures of scientific argumentation.
- Core Results of Standardization in Dispute Learning
- 1. Interdisciplinary Applications
A fine-grained, standardized DL system is essential for multidisciplinary analytics where category assessment raises sophisticated questions. This is the case when the same concept is categorized differently, and cross-disciplinary concept mapping is required to navigate the myriad of homonyms and synonyms encountered across disciplines (e.g., computer science, psychology, medicine, biology, neuroscience, philosophy).
An effectively standardized DL system could:
- Facilitate interdisciplinary communication through scalable “translation tools”;
- Identify interdisciplinary gaps with more comprehensive categorization systems;
- Reinforce complex systems analysis with more holistic, cross-disciplinary models;
- Discover potential areas for disciplinary or interdisciplinary collaboration.
- 2. Data Stack Augmentation and Categorization
DL standardization has essential implications, such as:
- Dynamic categorization;
- Contextual data augmentation;
- Probabilistic data models (associating data points with multiple categorization schemes);
- Multi-perspective querying (enhanced data retrieval allowing for simultaneous viewpoints);
- Adaptive storage strategies (using graph databases to represent and query complex structures);
- Metadata enrichment and uncertainty quantification by representing multiple possible categorizations.
Existing tools and technologies (e.g., Apache Spark for large scale processing, TensorFlow for LLM-based semantic representations, OWL ontologies, GraphQL APIs, cloud platforms) could be adapted to support these DL standardization goals.
3.1.4. Dispute Learning (DL) Definition
- A DL Standardized Design: Main Steps
Under the previously mentioned conditions and potential applications, dispute learning (DL) can be designed with the following key functionalities, which must be implemented in a modular approach. The DL framework should be carefully tailored to its specific context, analogous to how a flight plan precisely describes a travel route.
This DL design comprehensively captures both explicit and implicit categorization features, accommodates evolving terminology, and identifies cross-disciplinary significant shifts through the following components:
- Data Ingestion: Collecting data from diverse sources (including documentation and user interactions) and employing natural language processing techniques to extract key concepts and categorizations.
- Dispute Detection and Multiverse Graph Update: Developing contradiction analytics using advanced algorithms and sentiment analysis to identify and map potentially conflicting categorizations. This involves creating a dynamic graph representation that can be updated with new disputes.
- Dispute Representation: Visualizing areas of agreement and disagreement that showcase conflicting viewpoints. The graph would utilize weighted edges to represent the strength and prevalence of different categorizations.
- User Interactions: Designing an interactive interface that enables users to explore, challenge, and contribute their own categorizations, thereby enriching the dispute learning process.
Model refinement through machine learning will integrate DL insights from user interactions, dynamically inferring and optimizing the dispute representation. By employing reinforcement learning techniques, the system can adapt its graph structure based on user behaviors. A knowledge evolution mechanism could track and incorporate changes introduced by disputes and categorization results over time.
DL Standardizable By-Products: engineering conflicting conditional explorations in the “second order game” of categorization.
The proposed “second-order game” of categorization represents an innovative application within GRAPHYP. Indeed, under the reinforced DL standard conditions previously outlined, GRAPHYP will empower users to initiate dialogues between eligible information fragments, ultimately seeking previously undiscovered types of disputable knowledge and accurately identifying similar and/or opposite options.
This approach facilitates a creative dialogue between human perspectives through an AI-enhanced system, generating unprecedented results in conflicting conditional explorations (further examples are discussed in Section 3.4). Here, DL functions as a deliberate system for engineering ‘disputed knowledge fusion’, uncovering hitherto unexplored outcomes. To the best of our knowledge, this represents an uncharted technological frontier in GRAPHYP’s research.
3.2. Dispute Learning Method and Analytic Rules
Methods and analytic rules in dispute learning (DL) exhibit varying degrees of standardization. We first examine methods and then explore reasoning rules.
3.2.1. Methods of DL
A primary strategic imperative, as highlighted in the previous subsection, is to assess the balance in formal explanations derived from neuro-symbolic AI. Despite their notable advantages, these systems often suffer from opacity in component interactions, necessitating novel approaches to reasoning. This challenge has prompted researchers to develop
Interpretable explanation approaches, focusing on abductive subset interpretations that provide more transparent explanations [96];
Heuristic function development, lveraging myopic heuristic functions to create innovative class expression methods [97];
Interpretability enhancements, exploring trade-offs in system interpretability [98] and developing cross-layer optimization solutions for neuro-symbolic models in adversarial search, a methodology we actively investigate in GRAPHYP [99].
Adversarial games represent the core conceptual framework of GRAPHYP, introducing a novel model that illuminates the adversarial information processing capabilities of artificial intelligence. This approach draws an insightful parallel with strategic domains, such as modern football: indeed, a compelling illustration of this approach is the “Tactic AI” model [53], which represents a breakthrough in expressive method development. By successfully devising an effective corner kick retrieval strategy, this model demonstrates the potential for transferable tactical intelligence across diverse domains. The model’s ability to identify and respond to complex tactical patterns suggests promising applications beyond its original context.
Graph neural networks (GNNs) derive their expressive power from symmetries where isomorphic graphs maintain identical connectivity while allowing for node permutation, as demonstrated by Weisfeiler–Leman graph isomorphism heuristics [100]. GRAPHYP’s GNN exhibits this characteristic through its node activation function, which determines precise directional connectivity in both depth and width.
GRAPHYP’s symmetries affect connectivity in three distinct ways:
- -
- Continuous information processing chain;
- -
- Invertible polarity of activation functions;
- -
- Scale-invariant representation without information loss.
These combined features enable efficient information circulation within the network, supporting applications such as:
- -
- Optimizing shared conceptual labels for improved literature search and browsing [101];
- -
- Identifying ‘trading zones’ that are « subcommunities that create an interface around specific tools or concepts » [102];
- -
- Locating chiral nodes.
GRAPHYP’s Eulerian-Hamiltonian architecture [103] provides symmetry with respect to continuous transformations (translations and rotations), leading to the conservation of total linear and angular momentum. This property is crucial for modeling dynamic systems as any model that exactly conserves linear and angular momentum must possess corresponding translational and rotational symmetry.
Recent literature on “equivariant passing networks” aligns with GRAPHYP’s community-based approach. As noted by Bronstein et al. (2021) [45], GNN applications often deal with nodes containing both feature information and spatial coordinates, as seen in molecular graphs. This requires processing that
- -
- Maintains equivariance to the Euclidean group E(3) of rigid motions;
- -
- Preserves standard permutation equivariance;
- -
- Distinguishes between node features and spatial coordinates.
GRAPHYP’s unique geometric structure leverages these distinctions to organize permutations within its architectural framework.
3.2.2. Reasoning Rules
Operating rules with explicit traceability, dedicated vocabulary, and established grammar of usage are prime candidates for standardization. Their declarative processes can be documented in a dispute learning (DL) Pprotocol, specifying the applicable perimeter and operational framework for disputable knowledge depiction and processing. A logical approach confirms that nomenclature principles are tractable in computational logic [104].
- GRAPHYP’s Hybrid Analytics: Integrating Possibilistic and Probabilistic Assessments
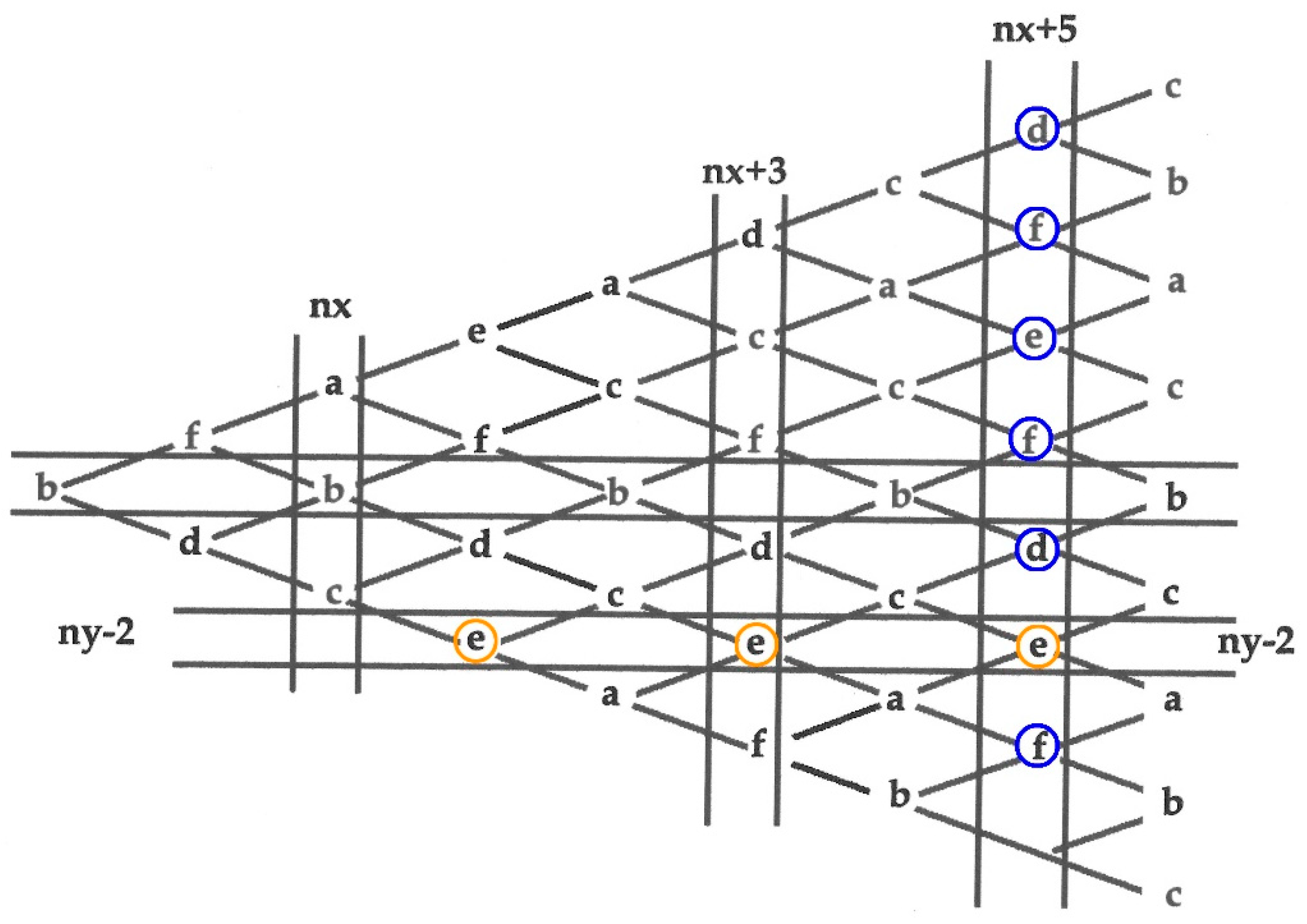
Our analysis, based on data from our GitHub repository (GRAPHYP Notebook Github: https://github.com/pbellot/graphyp?tab=readme-ov-file, accessed on 5 December 2024), demonstrates a complementary approach combining probabilistic and possibilistic data in analyzing adversarial reading practices. This analysis is made on «blocks of reading sessions» (see definitions in Git Hub and in the related article. In Appendix C we present the data curves corresponding to the measures illustrated in Figure 3 and Figure 4 below). The study encompasses 3.6 million sessions, 842,696 distinct consulted URLs, and 760,613 nodes in the resulting graph.
Figure 3.
Possibilistic evaluation. See explanations in the text.
Figure 4.
Corresponding probabilistic measures. See explanations in the text.
The directed graph shown in Figure 3 illustrates this dual analysis approach where
- -
- Nodes (a, b, c, f) represent states.
- -
- Edges show transitions with associated weights.
- -
- Different relationships between states are captured through both.
GRAPHYP’s bipartite graph offers dual analytical perspectives on state transitions. The possibilistic representation (shown in Figure 3) provides a synthetic view of explored and unexplored routes, while the probabilistic representation (Figure 4) quantifies the likelihood of transitions between steps. By grouping routes into classes (represented by different colored segments), we can identify distinct patterns of global behavior that are not visible when examining only transition probabilities between successive states. For example, the black-colored connections between states b → f and a → f represent one behavioral class, while the green-colored connection between c → f represents another. These behavioral classifications emerge from the structural analysis and cannot be directly derived from either simple counting or probability calculations alone.
This hybrid approach enables a more nuanced understanding of complex behavioral patterns than either probabilistic or possibilistic analysis could provide independently.
- Reasoning Rules: Decidability, Dialogic, Assertoric principles
In the GRAPHYP context, decidability requires methodologies that preserve the traceability of reasoning steps and choices, and develop contextually adapted reasoning methods. Dialogical processes [25] and assertoric reasoning emerge as critical approaches, each creating distinct disciplinary frameworks that produce identifiable reasoning ‘fingerprints’. These methodologies establish recognizable standards in reasoning processes, with network interaction design spaces extensively studied [22].
Dialogic emerges as the primary standardization challenge, ensuring traceable dialogue across adversarial positions on a given topic. This approach references an evolutionary logic [105], dynamically capturing the progression of intellectual discourse. Assertoric conditions, conversely, establish rules for fully explicable processes, articulating the outcomes of reasoning with precision.
Existing standards in these domains can be strategically integrated with GRAPHYP’s activities to create observable processes and ensure decidability within structured graph representations [106].
- Hybrid Reasoning: Integrating Probabilistic and Possibilistic Analysis
Recent advances [30] have made it possible to combine probabilistic and possibilistic analysis into a unified methodological framework. This hybrid approach offers unique advantages: probabilistic analysis (exemplified by generative AI) provides AI-driven insights, while possibilistic analysis of pathway patterns in graph diagrams reflects human behavioral practices. GRAPHYP’s unique model enables human reasoning choices to be represented through graph diagrams that incorporate both measures. This allows users to explore and evaluate ‘decidable possibles’ by considering both AI-generated probabilities and human-centered possibilities in their decision-making process (detailed in Section 3.4). The following example demonstrates this approach using block-extracted data.
3.3. Tools: DL Standards for a ‘Decidable Graph of Knowledge Design’ (DGKD)
Building on GRAPHYP’s core methodology (outlined in Section 1.1 and detailed in Annex 1 of our previous work [15]), this section expands on our approach. A complete processing framework is provided in Appendix A of this paper.
The DGKD’s decidability relies on two key geometric-diagrammatic analytical resources: diagrams of graphs and fractal diagrams of graphs for DL calibration and path genealogy tracing.
- Diagrams of Graphs: Analytical Framework and Interpretation
As the primary analytical tool of GRAPHYP’s method, diagrams of graphs offer distinct advantages over traditional symbolic notation. As noted in group theory philosophy, these diagrams enable immediate visual comprehension of object structures through color and connected shapes that mirror geometric figures (See proposition 121 commenting Cayley graphs: «on the diagram of the geometric response to the diagrams of graphs makes it clear how we can naturally integrate additional geometric machinery (geodesics, triangles, metric spaces, hyperbolicity). It is easier to think of the geometric and topological properties of an object such as a graph equipped with a diagram, than of an algebraic one equipped with algebraic symbolism. As a result, a particular response to diagrammatic representations facilitates the ongoing application and development of concepts». https://journals.openedition.org/philosophiascientiae/723#tocto2n4, accessed on 5 December 2024).
GRAPHYP’s implementation demonstrates unique characteristics:
- -
- Geometric properties similar to combinatorial objects like matroid oracles;
- -
- Notable fractal analytical properties;
- -
- Novel representation through fractal graph diagrams.
To the best of our knowledge, this approach represents the first implementation of fractal graph diagrams for analyzing adversarial propositions, offering new possibilities for analytical engineering.
- Fractal Diagrams of Graphs for DL Calibration
Figure 5 expands upon our original design of GRAPHYP’s fractal geometry [16], illustrating the standardization of DL Calibration by applying well-established properties of fractal graphs in information representation [107]. This approach ensures robust traceability and comprehensive information mapping.
Figure 5.
Operating rules in GRAPHYP’s fractal graph of category scaling.
Figure 5 represents the analytic flexibility components in GRAPHYP through exemplified pathways in yellow and orange, enabling a multiscale representation that aligns with human cognition (where scales and spots of our ideas often jump between details and general concepts). It illustrates the multiscale explorable uses of disputable knowledge—ranging from disputes on a general theory to disputes on related local implications or applications. DL finds its scaling tool here to select the appropriate exploration level.
The figure also reveals the true extent of DL as a compass for contextual exploration (where to find disputable knowledge and which path to explore to reach it) and for knowledge representation by navigating the complex landscape of disputes and evolving knowledge. As noted in our previous article, the fractal component enables all arithmetic operations on GRAPHYP’s networks, allowing it to function like a language with grammar. This is achieved by architectural bits and pieces of disputed knowledge, either at the same scale as fractal units (yellow track in Figure 5) or in explorable, expandable units of disputable knowledge (orange track), using methods like affine skip connections [16]. In both cases indeed, tailoring explorable tracks through fractal graphs remains the main tool in the DL approach to Decidable Graph of Knowledge Design.
Understanding and analyzing the fractal components of GRAPHYP’s networks permits the validation of pattern characteristics, user scaling behavior, efficiency comparisons, and complexity distribution. These can be incorporated into a visualization validator of the type described in Figure 5. Key fractal implementation features include fractal structure (recursive pattern self-similarity geometric elements, scale-invariant patterns….), network integration (node placement at fractal points), geometric properties analytics (rotation, scale, 3D seizing), and node counts and density. This framework supports a network efficiency assessment that encompasses sparse data, edge cases, and varying scales.
Combinatorial synthesis, in this context, combinatorial synthesis would optimize property combinations through multilevel property mixing, combination operations via scaling transformations and fine-grained results through hybrid classifications and adaptive boundaries, and Laplacian matrix analysis, the Laplacian matrix can facilitate research domain analysis by identifying clusters and interdisciplinary connections and suggest learning paths while revealing underlying learning patterns, emerge as primary tools for data representation that can significantly enhance the relevant outcomes of GRAPHYP’s network structure.
- Paths Genealogy
With a flexible and powerful tool, the fractal structure helps extract emergent properties from the DL system, and scientific categorizations emerge from a spatiotemporal landscape that path genealogy helps explore. Figure 6 depicts the quantitative tool of a standardized exploration of alternative, spatial, and temporal versions of the multiverse fractal graph depicted above. This last tool needs an associated quantified mapping of genealogies of results at different moments in time and space to open the way to genealogical classifications that could be proposed at any scale or combining differing scales of exploration of the same architecture of nodes and edges.
Figure 6.
Path Genealogy in Time and Space of Vital Nodes.
This results in “Path Profiles” of disputable knowledge could be compared and benchmarked for the uses of exploration of alternative categorizations.
- Data Analytics: Further Works about Calibration Methods
The development of standardization continues to progress within GRAPHYP’s core analytic technology, which can be illustrated through specific examples in our ongoing testing procedures.
3.4. Decidable Graph of Knowledge Design (DGKD): Building and Applications
With tools of DL for knowledge exploration (fractal graphs) and for knowledge analytics (path genealogy), DGKD is hereunder studied in standardization of its building principles, then we give exemplified applications.
3.4.1. Building DGKD
- Result Types: Knowledge Structure Fingerprints (KSF), Knowledge Paths, and Knowledge Interactions
The innovative network fingerprint analysis, born in biology, is a very promising method for determining and comparing further knowledge networks analytics, with a large variety of applications in GRAPHYP, such as comparing knowledge structure maturation path and, thus, comparing ways to knowledge acquisition and their respective documentary contents [108].
The same is involved in structural interaction fingerprint methods, which introduce additional knowledge into structure-based virtual screening [109]. Knowledge fingerprints are based on fingerprint identification systems that DL has to embark on as a basic tool of knowledge structure identification and determine the quality and standards of Knowledge Structure Fingerprints (A list of relevant chapters and articles is given here: https://www.sciencedirect.com/topics/computer-science/fingerprint-identification, accessed on 5 December 2024). In GRAPHYP, we adopt the concept of human relevance feedback of our knowledge-based decision support system that supposes adaptive fingerprint identification of knowledge structures [110]. Formerly developed in biology, those methods have become rapidly widespread.
- Result Representation: Personal Knowledge Graphs
We highlighted, in Section 2, the important milestone of the personal knowledge graph as a structure of personally elected hyperlinks between hypertexts. It also encompasses eligible graphs of graphs [111] in GRAPHYP’s approach when the semantic meaning of Knowledge Structure Fingerprints involves enabling personal connections between datapoints within the hypergraph with subgraphs (cognitive communities), which are GRAPHYP’s framework.
- Tools for Documentary Classification: Documentary Dialects and Controlled Vocabularies
Documentary classifications play an essential role in document analytics [112], while documentary dialects determine the fingerprint of the document profile [113] and are, thus, essential in the analytic process of the KSF structure.
The vocabulary of a categorization is shared between users and browsers; however, while users develop their own use of search terms (documentary dialects), depending on their curiosity and context, information systems develop their own documentary language (controlled vocabularies). The translation problem, with its manifold of solutions, is to be addressed in systems analyzing the range of possible solutions, depending, at least, on the evolutions of users’ behaviors and on the way it interacts with an evolving categorization in vocabularies of AI systems. The growing importance of interdisciplinary categorizations, with their needs of hybrid category assignment process, created a reinforced need for additional important research on those strategic issues [114], which are vital conditions in an efficient dispute learning system. Customization and mutual intelligibility are conditions of an exact balance in this relation [115]. Documentation taxonomy and algorithmic approaches classify documents into predefined categories: this prevents ambiguity in the management of taxonomies. Controlled vocabularies, with a semantically rich indexation practice, enhance the extension of semantic interoperability and tailoring software by end users [78]. Metadata representation should be made increasingly machine-readable, in a FAIR by design approach [116]. Controlled vocabularies include methods to regulate use of disputed terms during categorization disputes [117].
- Tools and Methods for Consensus-Dissensus Identification about Categorizations: Functions and Outcomes
Disagreement or agreement on categorization is a sensitive aspect of the research workflow [118] either by its outcomes or consequences, which justify, in itself, a careful and relevant management of an observable dispute learning systems and tools. Considerable research exists on consensus and dissensus issues, as well as on their consequences on the quality of the research workflow and consequences for efficient benefits of research for laymen and societal application [119]. A myriad of studies deal with misconceptions and uses of category building and applications in scientific fields [119]. Clinical medicine is frequently studied under this angle [120]. Further studies could examine the application of GRAPHYP under conditions of adapted DL protocols and depict their typology.
3.4.2. Results Representing the DGKD: Disputable Knowledge and Disputed Knowledge
- Data Types Compatible with GRAPHYP Analysis
GRAPHYP’s methodology can analyze diverse types of scientific data:
- -
- Research Consultation Patterns: comparison of methodological pathways; analysis of alternative approaches and results; laboratory and library usage patterns.
- -
- Bibliometric Analysis: Adversarial classification systems; contrasting conceptual frameworks; citation pattern analysis [94].
- -
- Scientific Discourse Analysis. Argumentation mining represents the most promising direct application of GRAPHYP’s methodology: analysis of scholarly debates and their evolution; tracking the development of competing theories [95].
- Applications in Large-Scale Scientific Controversies
Real-world examples are numerous in scientific domains where scientists as well as laymen develop intense web usages of scientific results with disputed categorizations. Examples hereunder may give an overlook in general fields; the same is true in laboratory works or interactive participation in research discussions or congress.
Approach to policymaking and education about climate change could be DL processed from the following uses:
- -
- The Intergovernmental Panel on Climate Change (IPCC), to enhance their assessment reports, could architecture an interactive way to represent the state of climate science knowledge.
- -
- The National Institutes of Health (NIH) could implement the GRAPHYP framework to provide a comprehensive, up-to-date resource for tracking disputes and evolving knowledge in COVID-19 research.
- -
- The European Union’s AI Act development process could benefit from GRAPHYP in allowing policymakers to navigate the complex landscape of AI ethics debates and inform their regulatory decisions.
- -
- The European Organization for Nuclear Research (CERN) could implement our framework to guide their research priorities and communicate the state of particle physics knowledge to the scientific community and the public.
In all those cases, the DL framework could provide a tool for interactive dynamic interaction: indeed, as structured from human practices of predecessors, it has the objective nature of a commonwealth that is not subject to manipulative destination in the present space of fake news. The result, in GRAPHYP, is a dynamic common good.
- GRAPHYP Search Interface: Color Coding and Sandbox Testing
Color coding is an important domain of standardization in DL as it allows for direct visual access to knowledge, with additional strategic consequences. Basic symbols could be easily settled, with the classification of disputable knowledge options. On that topic, we deliver a separate study: in Appendix B, we present the results of a query documenting the very large array of analytic attributes of a colored design of GRAPHYP network results.
By coupling this color-coding system with the features of augmentation and categorizations in dispute learning, a powerful visual tool for analyzing disputable knowledge is created, which provides an instantaneous calibration of difficult debates to all categories of potential users. We consider the correlative importance of installing sandboxes for testing DL analyses and results in the context of open access.
- Dispute Analysis Outcomes: Novel Cross-Representations of Adversarial Positions
Dispute-based knowledge (DBK) represents a novel result type emerging from GRAPHYP’s geometric adversarial morphology. It enables, by cut-and-paste practices, automated creation of crossed representations of adversarial human perspectives—analogous to how crossing negatives can result in a positive. The general workflow of dispute-based knowledge can be illustrated through the Conflicting Conditions and Crossed Explorations (CCCE) framework, which explores uncharted knowledge within an explainable AI context, fundamentally distinguishing itself from current generative AI production.
The main outcomes of this study on dispute analysis are summarized in Figure 7.
Figure 7.
Exploring conflicting conditions and detecting disputable knowledge.
This approach can potentially uncover alternative research areas, unexplored domains within existing fields, undiscovered research methods, and potential extensions of research domains. The transformation method for computing opposing categorization characteristics involves multiple strategic approaches, including:
- inversion (reversing hierarchical relationships while preserving essential information);
- expansion (introducing new conditions and dynamic relationships);
- hybridization (integrating different approaches with flexible structures);
- fusion (merging related categories and creating new categories, identifying unfound patterns).
- An example of GRAPHYP’s By-Product: The Case with Drug Repurposing
GRAPHYP’s framework extends across a broad spectrum of scientific contexts, from analyzing traditional and evolving scientific classifications to examining temporal classification patterns. The system’s practical applications are equally diverse, encompassing dynamic disease classification networks, knowledge organization through adaptive graphs, ecosystem interaction webs, adaptive care networks, and innovative validation methodologies.
Drug repurposing presents itself as a particularly promising candidate for a minimum viable product (MVP). This application area offers rich opportunities that could benefit significantly from GRAPHYP’s data representation and processing capabilities. The field is especially suitable because data can be readily gathered and processed using new adversarial mining techniques while allowing for human research and expert curation of these datasets. This application would directly demonstrate GRAPHYP’s potential as an AI companion, supporting human experts in their final decision-making processes. By combining combinatorial synthesis with Laplacian matrix analysis, GRAPHYP’s network structure could enhance drug repurposing efforts, providing a robust framework for discovering novel therapeutic applications.
Transcriptomics research trend analysis offers another compelling application area, particularly for developing sample delimitation methodology. During our research for this article, we identified this as a valuable direction for GRAPHYP’s future development, especially given the field’s rich landscape of contrasting opinions about categorization types and research outcomes.
- DGKD Building: Final Conclusions on the Standardization Approach of DL
In the final approach to standardizing the principles of DGKD, we outline the building conditions for further applications of GRAPHYP: (1) initiating with a pilot project in a well-documented scientific domain where knowledge is inherently contested; (2) developing a minimum viable product (MVP) that leverages these guidelines; (3) conducting user testing to refine the interface and methods for representing disputes; and, subsequently, (4) defining advanced functionalities such as an automated dispute detection, resolution suggestions, and algorithms for cross-referencing disputed knowledge.
The MVP should strive to balance technical feasibility with user value delivery. Key objectives include pattern recognition and comparison, scalability analysis (e.g., measuring complexity across different scales), identifying optimal categorization levels, examining the network properties of categories, and assessing the depth and breadth of categorization—all while providing decision support. Additionally, the MVP would test its effectiveness in fields like scientific literature analysis and knowledge graph navigation, including dynamic query refinement, hierarchical knowledge representation, and research network mapping.
One promising test domain in biology is spatial transcriptomics in cancer research, which combines multidisciplinary approaches in biology, exhibits identifiable growth patterns in scientific production and involves practically debated applications.
The main findings of this study on DL conditions for fine-grained expert applications of GRAPHYP’s methodology are summarized in Figure 8.
Figure 8.
Standardizing a dispute learning approach in GRAPHYP.
4. Discussion
Following Raees et al. [121], we advocate for a more user-centric dialogic AI that harnesses user agency and experience not only to understand AI workings but also to foster their active engagement in its development and evolution.
We explore the pluralistic hypothesis that languages can be learned from data within the complex human manifold of potential responses. Our conclusion is that this promising approach can only be realized in the GRAPHYP system through a comprehensive standardization effort, with dedicated modular applications across processes, tools, and results, under the precise conditions of a declarable and contestable protocol of dispute learning.
Interpretable representations in explainable AI [24] are guided by frameworks that encode the presence or absence of human-comprehensible concepts, which GRAPHYP’s method seeks to illustrate through categorical axiomatic systems (about axiomatic systems, see, e.g., https://mathworld.wolfram.com/CategoricalAxiomaticSystem.html, accessed on 5 December 2024). Even sophisticated models contain valuable knowledge they cannot or do not articulate as critiques [122] and dispute learning emerges as an innovative method for navigating this largely unexplored terrain.
A standardized version of GRAPHYP would model geometric diagrams of adversarial expert preferences, influenced by equivariant topological neural networks [123] analyzing cognitive orbits [124] through adversarial search algorithms [125]. The discussion on answer diversity argues that many responses within the manifold of human expression can be explained without immediate resolution—similar to representations of chaos— while maintaining the potential for future clarification in alternative conceptual spaces.
Inducing a manifold of solutions as a shared response in human–AI teaming through dispute learning represents a logical response to our research question. It embodies the only approach through which humanity can continue posing questions—queries that remain meaningful precisely because they are not entirely resolvable and because unresolved questions sustain intellectual inquiry…
However, this review of the conditions for standardizing GRAPHYP has not been exhaustively explored and is reserved for future research, with the correlated transformation of browsing capacities induced by dispute learning. This emerges as a critical strategic domain with considerable potential evolution in the browsing industry [126].
Contemporary research increasingly favors a user-centered perspective, which is fundamental to the HAIT agenda. This approach aims to integrate multidisciplinary theories and multilevel research methodologies, improving human–AI collaboration, competition, conflict, and symbiosis, through a more comprehensive user observation-aware architecture [80].
In conjunction with GRAPHYP networks, the richness of this currently unexploited domain of disputable knowledge demands deeper investigation. Alternative data selections, combined with choices explored through our multiverse generative fractal graph, open innovative avenues for enhanced user–browser interactions. The ultimate challenge is to reimagine the knowledge structure and significance of web usage, creating novel fields of interactive adversarial information construction under conditional control and revealing undiscovered logic for research and search explorations.
5. Conclusions
We explored how human reasoning in challenging categorizations can be supported by AI models that generate adversarial diagrams of documentary track graphs. Our study examined the conditions for generalization and the applications of GRAPHYP, a method based on an original dispute learning (DL) system, which we described in detail. We found that DL enables new pathways for reasoning and information construction in response to a query, allowing humans to systematically leverage alternative AI-generated results on critical items, manage choices between differing content and category assignments, and explore their recombinations in a dialogic mode.
The applications of this research program are twofold. Theoretically, further exploration of dialogic AI methodology will advance our understanding of human–AI interactions in a dualistic reasoning space, fostering new synergies between human decision-making and web-based knowledge use. This approach seeks to modernize the scholarly dispute in the digital age, significantly expanding its scope and impact.
Practically, dispute learning has the potential to standardize research workflows in laboratories, academia, and society by structuring and documenting the state of a given dispute—its framework, key implications, applications, and related consequences. This type of information could be systematized into useful, standardized short-form documents (e.g., for theses, articles, or bibliometric analyses), a concept we aim to develop further in future work.
The acquisition of knowledge, with its inherent fears, methods, and wealth, resonates deeply in ancient mythological narratives—from Greek figures like Medusa, Proteus, and the Sphinx to their modern counterparts in contemporary media. These metaphorical representations underscore a fundamental truth: knowledge with AI is essentially a navigational path through challenging, identified contradictions (categorizations).
Today’s research, propelled by the AI turn, opens unprecedented perspectives. It reframes idea evaluation as a design process [127] and information creation as a mechanism for generating shared understanding in collaborative interactions [128]. This approach represents a transformative lever in conceptualizing cognitive authority [129].
Through GRAPHYP’s standardization effort, we have deepened our understanding of how data can represent the adversarial mechanisms of human language learning within a specific research context. Our approach does not claim to provide definitive answers but instead offers insights into the diverse pathways humans might explore in knowledge acquisition. This map is advice, not an answer, and the key point is that knowledge is not a singular, fixed construct but a dynamic process intrinsically dependent on human agency and free will.
Ultimately, two significant research directions converge in GRAPHYP’s standardization process, finding resonance in contemporary literature: the contrastive approach of information [130] and the exploration of user preferences [131]. Our methodology uniquely reconciles these two directions through the concept of ‘decidable forms’ in the geometric representation of diagrams [45], introducing a novel framework for AI information representation, within a co-development with combinatorial synthesis techniques [132].
The distinctive contribution of AI lies in its capacity to industrialize the representation of contradiction’s inherent wealth in knowledge acquisition—a quintessentially human characteristic. The interaction between these transformative human processes is itself a generative act, simultaneously creating information and developing analytical frameworks for knowledge description and acquisition.
Author Contributions
Conceptualization, R.F.; formal analysis, R.F. and P.B.; methodology, R.F.; writing—original draft, R.F.; writing—review and editing, R.F., P.B. and D.E. All authors have read and agreed to the published version of the manuscript.
Funding
This research received no external funding.
Institutional Review Board Statement
Not applicable.
Informed Consent Statement
Not applicable.
Data Availability Statement
Data is contained within the article and in the associated repository GRAPHYP Notebook Github: https://github.com/pbellot/graphyp?tab=readme-ov-file.
Acknowledgments
We would like to express our gratitude to Jean Daillant, for his long-standing and encouraging support, as well as for sharing stimulating ideas that have greatly influenced our work.
Conflicts of Interest
The authors declare no conflicts of interest.
Appendix A. Main Steps of GRAPHYP’s Workflow
Figure A1.
The figure outlines the primary steps of GRAPHYP’s workflow. See Fabre et al. [15] for details.
Figure A1.
The figure outlines the primary steps of GRAPHYP’s workflow. See Fabre et al. [15] for details.

In addition, the following few lines of Python 3 code illustrate how dispute learning could be implemented.
- Computing opposing categorizations characteristics
def compute_opposite_characteristics(original_category):
opposites = {
‘hierarchy_depth’: 1/original_category.depth,
‘branching_factor’: 1/original_category.branching,
‘density’: 1—original_category.density,
‘centrality’: 1—original_category.centrality
}
return new_category_type(opposites)
- 2.
- Generating a new scientific category
def generate_novel_category(base_categories):
novel_features = []
for category in base_categories:egr
inverse = compute_inverse_properties(category)
merged = merge_contradictory_features(category, inverse)
novel_features.append(find_emergent_patterns(merged))
return synthesize_new_category_type(novel_features)
Appendix B. Dispute Learning Visualization. Color Code Principles
LLM Consultation on GRAPHYP’s Potential Color Codes
In the following, we present the details of a potential color-coding system and explain how it can be used to analyze disputable knowledge options.
Red (High Dispute):
- ◦
- Represents areas of active, heated debate;
- ◦
- Indicates conflicting evidence or strongly opposing viewpoints;
- ◦
- “Hot” paths: topics that are currently at the forefront of scientific discourse.
Orange (Emerging Conflict):
- ◦
- Represents new areas of disagreement or newly identified problems;
- ◦
- Indicates potential for future heated debates;
- ◦
- “Warm” paths: topics that are gaining attention and may become hot soon.
Yellow (Uncertain Knowledge):
- ◦
- Represents areas with limited evidence or ongoing research;
- ◦
- Indicates a need for more investigation;
- ◦
- “Warm” paths: topics that require more research to move toward consensus or dispute.
Green (Growing Consensus):
- ◦
- Represents areas where agreement is increasing;
- ◦
- Indicates converging evidence or viewpoints;
- ◦
- “Cooling” paths: topics that are moving toward resolution.
Blue (Established Theory):
- ◦
- Represents widely accepted ideas or theories;
- ◦
- Indicates strong evidence and broad consensus;
- ◦
- “Cool” paths: topics that are generally not disputed but may still be subject to refinement.
Purple (Paradigm Shift):
- ◦
- Represents fundamental changes in thinking or approach;
- ◦
- Indicates revolutionary ideas that challenge established theories;
- ◦
- “Hot” paths: topics that could potentially reshape entire fields of study.
Using this color-coding system in conjunction with the features of augmentation and categorizations of dispute learning could work as follows.
- Node Coloring:
- ◦
- In a graph representation of disputable knowledge, nodes (representing concepts or claims) could be colored according to their status in the debate.
- ◦
- This allows users to quickly identify hot spots of contention and areas of consensus.
- 2.
- Edge Coloring:
- ◦
- Edges connecting nodes could be colored to represent the nature of the relationship between concepts.
- ◦
- For example, a red edge might indicate a strong contradiction, while a green edge might indicate supporting evidence.
- 3.
- Background Gradients:
- ◦
- The background of different areas in the knowledge map could use color gradients to indicate the overall “temperature” of broader topics or fields.
- 4.
- Temporal Color Shifts:
- ◦
- As the status of knowledge changes over time, the colors could shift to reflect these changes.
- ◦
- This could create a dynamic, evolving map of scientific knowledge.
- 5.
- Intensity Variations:
- ◦
- The intensity of colors could be used to indicate the strength of evidence or the degree of consensus/dispute.
- ◦
- For example, a deep red might indicate a highly contentious issue with strong evidence on both sides, while a lighter red might indicate a dispute with less substantive backing.
- 6.
- Multi-Color Nodes:
- ◦
- For concepts that have different statuses across disciplines, nodes could be divided into sections with different colors.
- ◦
- This could help visualize interdisciplinary disputes or agreements.
- 7.
- Color-Coded Filters:
- ◦
- Users could filter the knowledge map to show only nodes or paths of certain colors, allowing them to focus on areas of particular interest (e.g., only showing highly disputed or emerging topics).
- 8.
- Augmentation Highlights:
- ◦
- When new information is added to the knowledge base, it could be temporarily highlighted with a glowing effect in the appropriate color to draw attention to recent developments.
- 9.
- User Interaction Trails:
- ◦
- As users explore the knowledge map, their path could be traced in a distinct color, allowing them to see their journey through the disputable knowledge landscape.
- 10.
- Accessibility Considerations:
- ◦
- Alternative representations (e.g., patterns or shapes) should be available for color-blind users to ensure the system is inclusive.
By coupling this color-coding system with the features of augmentation and categorizations in dispute learning, we create a powerful visual tool for analyzing disputable knowledge. Users can quickly identify hot topics, trace the evolution of debates, and understand the current state of knowledge across various scientific domains. This system would make complex scientific disputes more accessible and help guide researchers, policymakers, and the public through the ever-evolving landscape of scientific knowledge.
Appendix C. Complementary Data Tables for Figure 3 and Figure 4

Figure A2.
Analysis of Strategic Documentary Choices in GRAPHYP: Alpha and Beta Parameter Trends Across Session Blocks. See definitions in GRAPHYP Notebook: https://github.com/pbellot/graphyp?tab=readme-ov-file, accessed on 5 December 2024.
Figure A2.
Analysis of Strategic Documentary Choices in GRAPHYP: Alpha and Beta Parameter Trends Across Session Blocks. See definitions in GRAPHYP Notebook: https://github.com/pbellot/graphyp?tab=readme-ov-file, accessed on 5 December 2024.


References
- Jim, J.R.; Talukder, M.A.; Malakar, P.; Kabir, M.M.; Nur, K.; Mridha, M.F. Recent advancements and challenges of NLP-based sentiment analysis: A state-of-the-art review. Nat. Lang. Process. J. 2024, 6, 100059. [Google Scholar] [CrossRef]
- Andrews, M.; Smart, A.; Birhane, A. The reanimation of pseudoscience in machine learning and its ethical repercussions. Patterns 2024, 5, 101027. [Google Scholar] [CrossRef] [PubMed]
- Messeri, L.; Crockett, M.J. Artificial intelligence and illusions of understanding in scientific research. Nature 2024, 627, 49–58. [Google Scholar] [CrossRef] [PubMed]
- Vats, V.; Nizam, M.B.; Liu, M.; Wang, Z.; Ho, R.; Prasad, M.S.; Titterton, V.; Malreddy, S.V.; Aggarwal, R.; Xu, Y.; et al. A Survey on Human-AI Teaming with Large Pre-Trained Models. arXiv 2024. preprint. [Google Scholar] [CrossRef]
- Manghi, P.; Mannocci, A.; Osborne, F.; Sacharidis, D.; Salatino, A.; Vergoulis, T. New trends in scientific knowledge graphs and research impact assessment. Quant. Sci. Stud. 2022, 2, 1296–1300. [Google Scholar] [CrossRef]
- Han, S.; Zhang, M. Unveiling AI’s Blind Spots: An Oracle for In-Domain, Out-of-Domain, and Adversarial Errors. arXiv 2025. preprint. [Google Scholar] [CrossRef]
- Tamber, M.S.; Lin, J. Illusions of Relevance: Using Content Injection Attacks to Deceive Retrievers, Rerankers, and LLM Judges. arXiv 2025. preprint. [Google Scholar] [CrossRef]
- Peng, C.; Xia, F.; Naseriparsa, M.; Osborne, F. Knowledge Graphs: Opportunities and Challenges. Artif. Intell. Rev. 2023, 56, 1–32. [Google Scholar] [CrossRef]
- Artificial Intelligence Index Report 2024, Stanford University. Available online: https://aiindex.stanford.edu/wp-content/uploads/2024/05/HAI_AI-Index-Report-2024.pdf (accessed on 25 November 2024).
- Trinh, T.H.; Wu, Y.; Le, Q.V.; He, H.; Luing, T. Solving olympiad geometry without human demonstrations. Nature 2024, 625, 476–482. [Google Scholar] [CrossRef]
- Andler, D. Intelligence Artificielle, Intelligence Humaine: La double Enigm; Gallimard: Paris, France, 2023; 432p. [Google Scholar]
- Agüera y Arcas, B. Do Large Language Models Understand Us? Daedalus 2022, 151, 183–197. [Google Scholar] [CrossRef]
- Márkus, A.; Váncza, J. Process planning with conditional and conflicting advice. CIRP Ann. 2001, 50, 327–330. [Google Scholar] [CrossRef]
- Kristanto, D.; Burkhardt, M.; Thiel, C.; Debener, S.; Gießing, C.; Hildebrandt, A. The multiverse of data preprocessing and analysis in graph-based fMRI: A systematic literature review of analytical choices fed into a decision support tool for informed analysis. Neurosci. Biobehav. Rev. 2024, 165, 105846. [Google Scholar] [CrossRef] [PubMed]
- Fabre, R.; Azeroual, O.; Schöpfel, J.; Bellot, P.; Egret, D. A Multiverse Graph to Help Scientific Reasoning from Web Usage: Interpretable Patterns of Assessor Shifts in GRAPHYP. Future Internet 2023, 15, 147. [Google Scholar] [CrossRef]
- Fabre, R.; Azeroual, O.; Bellot, P.; Schöpfel, J.; Egret, D. Retrieving Adversarial Cliques in Cognitive Communities: A New Conceptual Framework for Scientific Knowledge Graphs. Future Internet 2022, 14, 262. [Google Scholar] [CrossRef]
- Jeon, G.; Kim, S.; Lee, S. Interactive Feedback Loop with Counterfactual Data Modification for Serendipity in a Recommendation System. Int. J. Hum. Comput. Interact. 2023, 40, 5585–5601. [Google Scholar] [CrossRef]
- Liu, Y.; Liu, T.Y.; Gao, B.; Ma, Z.; Li, H. A framework to compute page importance based on user behaviors. Inf. Retr. 2010, 13, 22–45. [Google Scholar] [CrossRef]
- Sadeghi, B. Chatterjee Correlation Coefficient: A robust alternative for classic correlation methods in geochemical studies- (including “TripleCpy” Python package). Ore Geol. Rev. 2022, 146, 104954. [Google Scholar] [CrossRef]
- Azeroual, O.; Fabre, R. Processing Big Data with Apache Hadoop in the Current Challenging Era of COVID-19. Big Data Cogn. Comput. 2021, 5, 12. [Google Scholar] [CrossRef]
- Azeroual, O.; Fabre, R.; Störl, U.; Qi, R. Elastic Stack and GRAPHYP Knowledge Graph of Web Usage: A Win–Win Workflow for Semantic Interoperability in Decision Making. Future Internet 2023, 15, 190. [Google Scholar] [CrossRef]
- Ding, Z.; Chan, J. Mapping the Design Space of Interactions in Human-AI Text Co-creation Tasks. arXiv 2023. preprint. [Google Scholar] [CrossRef]
- Michaud, J.; Jon-And, A. Opening the black box of language acquisition. arXiv 2024. preprint. [Google Scholar] [CrossRef]
- Sokol, K.; Small, E.; Xuan, Y. Navigating Explanatory Multiverse Through Counterfactual Path Geometry. arXiv 2023. preprint. [Google Scholar] [CrossRef]
- Clerbout, N.; McConaughey, Z. Dialogical Logic. Stanford Encyclopedia of Philosophy. 2022. Available online: https://plato.stanford.edu/archives/fall2022/entries/logic-dialogical/ (accessed on 5 December 2024).
- Unger, L.; Sloutsky, V.M. Category learning is shaped by the multifaceted development of selective attention. J. Exp. Child. Psychol. 2023, 226, 105549. [Google Scholar] [CrossRef] [PubMed]
- Benedikt, M.; Lu, C.-H.; Motik, B.; Tan, T. Decidability of graph neural networks via logical characterizations. Int. Colloq. Autom. Lang. Program. 2024, 297, 127:1–127:20. [Google Scholar] [CrossRef]
- Bazhenov, N.A.; Harrison-Trainor, M. Constructing Decidable Graphs from Decidable Structures. Algebra Log. 2019, 58, 369–382. [Google Scholar] [CrossRef]
- Rahman, S.; Gallois, L. Dialogical Logic and Constructive Type Theory: New Explorations. In The Architecture and Archaeology of Modern Logic. Logic, Epistemology, and the Unity of Science; Klev, A., Ed.; Springer: Cham, Switzerland, 2024; pp. 31–61. [Google Scholar] [CrossRef]
- Tajally, A.; Vamarzani, M.Z.; Ghanavati-Nejad, M.; Zeynali, F.R.; Abbasian, M.; Bahengam, A. A hybrid machine learning-based decision-making model for viable supplier selection problem considering circular economy dimensions. Environ. Dev. Sustain. 2025, 1–33. [Google Scholar] [CrossRef]
- Jiang, Y.; Zhang, Z.; Martin, R.; Liu, C. The typicality principle and its implications for statistics and data science. arXiv 2025. preprint. [Google Scholar] [CrossRef]
- Garg, K.; Gergle, D.; Zhang, H. Understanding the Practices and Challenges of Networked Orchestration in Research Communities of Practice. Proc. ACM Hum.-Comput. Interact. 2022, 6, 1–28. [Google Scholar] [CrossRef]
- De Carvalho, G.A.L.; Igeri, S.B.; Healey, J.; Bursztyn, V.; Demeter, D.; Birnbaum, L.A. A Flash in the Pan: Better Prompting Strategies to Deploy Out-of-the-Box LLMs as Conversational Recommendation Systems. In Proceedings of the 31st International Conference on Computational Linguistics, Abu Dhabi, United Arab Emirates, 19–24 January 2025; Association for Computational Linguistics: Abu Dhabi, United Arab Emirates, 2025; pp. 8385–8398. Available online: https://aclanthology.org/2025.coling-main.561/ (accessed on 5 December 2024).
- Armary, P.; El-Vaigh, C.B.; Labbani Narsis, O.; Nicolle, C. Ontology learning towards expressiveness: A survey. Comput. Sci. Rev. 2025, 56, 100693. [Google Scholar] [CrossRef]
- Kanan, M.; Habib, M.S.; Habib, T.; Zahoor, S.; Gulzar, A.; Raza, H.; Abusaq, Z. A Flexible Robust Possibilistic Programming Approach for Sustainable Second-Generation Biogas Supply Chain Design under Multiple Uncertainties. Sustainability 2022, 14, 11597. [Google Scholar] [CrossRef]
- Marcus, G. Deep Learning: A Critical Appraisal. arXiv 2018. preprint. [Google Scholar] [CrossRef]
- Zhang, H. Searching for the Non-Consequential: Dialectical Activities in HCI and the Limits of Computers. In Proceedings of the 2024 CHI Conference on Human. Factors in Computing Systems (CHI ’24), Honolulu, HI, USA, 11–16 May 2024; Article 297. Association for Computing Machinery: New York, NY, USA, 2024; pp. 1–13. [Google Scholar] [CrossRef]
- Sandoz, R. Whewell on the classification of the sciences. Stud. Hist. Philos. Sci. 2016, 60, 48–54. [Google Scholar] [CrossRef] [PubMed]
- Ambrosio, C. The Historicity of Peirce’s Classification of the Sciences. Eur. J. Pragmatism Am. Philos. 2016; VIII-2, 1–30. [Google Scholar] [CrossRef]
- Leibniz, G.W. Leibniz: New Essays on Human Understanding, 2nd ed.; Remnant, P., Bennett, J., Eds.; Cambridge University Press: Cambridge, UK, 1996. [Google Scholar]
- Alama, J.; Oppenheimer, P.E.; Zalta, E.N. Automating Leibniz’s Theory of Concepts; Springer: Cham, Switzerland, 2015; pp. 73–97. [Google Scholar] [CrossRef]
- Coissard, G. La raison de l’ordre—The Reason of the Order: Le double rôle de Leibniz dans la sortie du finalisme chez Diderot. Stud. Leibnitiana 2018, 50, 73–88. Available online: https://www.jstor.org/stable/26921446 (accessed on 5 December 2024). [CrossRef]
- Amunategui, G.I. Symbolic Languages and Ars Combinatoria. Stud. Leibnitiana 2015, 47, 233–239. Available online: http://www.jstor.org/stable/44148503 (accessed on 5 December 2024). [CrossRef]
- Aranda, V. Completeness: From Husserl to Carnap. Log. Universalis 2022, 16, 57–83. [Google Scholar] [CrossRef]
- Bronstein, M.M.; Bruna, J.; Cohen, T.; Velickovic, P. Geometric Deep Learning: Grids, Groups, Graphs, Geodesics, and Gauges. arXiv 2021. preprint. [Google Scholar] [CrossRef]
- Schaul, T. Boundless Socratic Learning with Language Games. arXiv 2024. preprint. [Google Scholar] [CrossRef]
- Pérez-Escobar, J.A.; Sarikaya, D. Philosophical Investigations into AI Alignment: A Wittgensteinian Framework. Philos. Technol. 2024, 37, 1–25. [Google Scholar] [CrossRef]
- Fabre, R.; Egret, D.; Schöpfel, J.; Azeroual, O. Evaluating the scientific impact of research infrastructures: The role of current research information systems. Quant. Sci. Stud. 2021, 2, 42–64. [Google Scholar] [CrossRef]
- Ferrario, A.; Facchini, A.; Termine, A. Experts or Authorities? The Strange Case of the Presumed Epistemic Superiority of Artificial Intelligence Systems. Minds Mach. 2024, 34, 30. [Google Scholar] [CrossRef]
- Longo, L.; Brcic, M.; Cabitza, F.; Choi, J.; Confalonieri, R.; Del Ser, J.; Guidotti, R.; Hayashi, Y.; Herrera, F.; Holzinger, A.; et al. Explainable Artificial Intelligence (XAI) 2.0: A manifesto of open challenges and interdisciplinary research directions. Inf. Fusion 2024, 106, 102301. [Google Scholar] [CrossRef]
- Gilpin, L.H.; Paley, A.R.; Alam, M.A.; Spurlock, S.; Hammond, K.J. Explanation is Not a Technical Term: The Problem of Ambiguity in XAI. arXiv 2022. preprint. [Google Scholar] [CrossRef]
- Chauhan, V.K.; Zhou, J.; Lu, P.; Molaei, S.; Clifton, D.A. A brief review of hypernetworks in deep learning. Artif. Intell. Rev. 2024, 57, 250. [Google Scholar] [CrossRef]
- Wang, Z.; Veličković, P.; Hennes, D.; Tomašev, N.; Prince, L.; Kaisers, M.; Bachrach, Y.; Elie, R.; Wenliang, L.K.; Piccinini, F.; et al. TacticAI: An AI assistant for football tactics. Nat. Commun. 2024, 15, 1906. [Google Scholar] [CrossRef]
- Besta, M.; Blach, N.; Kubicek, A.; Gerstenberger, R.; Podstawski, M.; Gianinazzi, L.; Gajda, J.; Lehmann, T.; Niewiadomski, H.; Nyczyk, P.; et al. Graph of Thoughts: Solving Elaborate Problems with Large Language Models. arXiv 2024. preprint. [Google Scholar] [CrossRef]
- Hatchuel, A.; Weil, B. C-K design theory: An advanced formulation. Res. Eng. Des. 2009, 19, 181–192. [Google Scholar] [CrossRef]
- Cascini, G.; Nagai, Y.; Georgiev, G.V.; Zelaya, J.; Becattini, N.; Boujut, J.F.; Casakin, H.; Crilly, N.; Dekoninck, E.; Gero, J.; et al. Perspectives on design creativity and innovation research: 10 years later. Int. J. Des. Creat. Innov. 2022, 10, 1–30. [Google Scholar] [CrossRef]
- Sarafoglou, A.; Hoogeveen, S.; Bergh, D.v.D.; Aczel, B.; Albers, C.J.; Althoff, T.; Botvinik-Nezer, R.; Busch, N.A.; Cataldo, A.M.; Devezer, B.; et al. Subjective evidence evaluation survey for many-analysts studies. R. Soc. Open Sci. 2024, 11, 240125. [Google Scholar] [CrossRef]
- Ye, T.; Dong, L.; Xia, Y.; Sun, Y.; Zhu, Y.; Wang, G.; Wei, F. Differential Transformer. arXiv 2024. preprint. [Google Scholar] [CrossRef]
- Verma, M.; Bhambri, S.; Kambhampati, S. Preference Proxies: Evaluating Large Language Models in capturing Human Preferences in Human-AI Tasks. In Proceedings of the ICML 2023 Workshop on Theory of Mind in Communicating Agents, Honolulu, HI, USA, 23–29 July 2023; Available online: https://openreview.net/forum?id=m6EpkjUUBR (accessed on 5 December 2024).
- Beernaert, T.; Etman, P.; de Bock, M.; de Baar, M. The cascade to complexity: Modeling the evolution of first-of-a-kind systems in problem-solving design processes. Design Sci. 2024, 10, e28. [Google Scholar]
- Wang, L.; Chen, S.; Jiang, L.; Pan, S.; Cai, R.; Yang, S.; Yang, F. Parameter-Efficient Fine-Tuning in Large Models: A Survey of Methodologies. arXiv 2024. preprint. [Google Scholar] [CrossRef]
- Ceri, S.; Gottlob, G.; Tanca, L. What you always wanted to know about Datalog (and never dared to ask). IEEE Trans. Knowl. Data Eng. 1989, 1, 146–166. [Google Scholar] [CrossRef]
- Datomic Pro. Available online: https://www.datomic.com (accessed on 25 November 2024).
- Jiang, Z.; Xu, F.F.; Gao, L.; Sun, Z.; Liu, Q.; Dwivedi-Yu, J.; Yang, Y.; Callan, J.; Neubig, G. Active Retrieval Augmented Generation. In Proceedings of the 2023 Conference on Empirical Methods in Natural Language Processing, Singapore, 6–10 December 2023; Singapore. Association for Computational Linguistics: Singapore, 2023; pp. 7969–7992. Available online: https://aclanthology.org/2023.emnlp-main.495 (accessed on 5 December 2024).
- Hwang, D.Y.; Taha, B.; Pande, H.; Nechaev, Y. Link, Synthesize, Retrieve: Universal Document Linking for Zero-Shot Information Retrieval. In Proceedings of the 2024 Conference on Empirical Methods in Natural Language Processing, Miami, FL, USA, 12–16 November 2024; Association for Computational Linguistics: Miami, FL, USA, 2024; pp. 18971–18982. Available online: https://aclanthology.org/2024.emnlp-main.1056/ (accessed on 5 December 2024).
- Xiong, B.; Daza, D.; Nayyeri, M.; Cochez, M. Reasoning beyond Triples: Recent Advances in Knowledge Graph Embeddings. In Proceedings of the 32nd ACM International Conference on Information and Knowledge Management, Birmingham, UK, 21–25 October 2023; Association for Computing Machinery: Birmingham, UK, 2023; pp. 5228–5231. [Google Scholar] [CrossRef]
- Buehler, M.J. Accelerating scientific discovery with generative knowledge extraction, graph-based representation, and multimodal intelligent graph reasoning. Mach. Learn.: Sci. Technol. 2024, 5, 035083. [Google Scholar] [CrossRef]
- lkou, E.; Jiménez-Ruiz, E. Towards a Knowledge Graph for Teaching Knowledge Graphs. In Proceedings of the ISWC’24: The 23rd International Semantic Web Conference, Hanover, MD, USA, 11–15 November 2024; pp. 1–8. [Google Scholar] [CrossRef]
- Pavlyshyn, V. Personal Knowledge Graphs. Semantic Entity Persistence in Relational Model. 13 Apr 2024. Available online: https://blog.stackademic.com/personal-knowledge-graphs-semantic-entity-persistence-in-relational-model-d5692bb8e8bb (accessed on 25 November 2024).
- Chein, M.; Mugnier, M.-L. Graph-based Knowledge Representation. Computational Foundations of Conceptual Graphs; Springer: London, UK, 2009; pp. 1–428. [Google Scholar]
- Huang, B.; Chen, C.; Shu, K. Can Large Language Models Identify Authorship? In Proceedings of the Empirical Methods in Natural Language Processing, Miami, FL, USA, 12–16 November 2024; Association for Computational Linguistics: Miami, FL, USA, 2024; pp. 445–460. [Google Scholar]
- Mustafa, S.; Zhang, W. Why Do I Share? Participants’ Personality Traits and Online Participation. Int. J. Hum. –Comput. Interact. 2023, 40, 3763–3781. [Google Scholar] [CrossRef]
- Guesmi, M.; Chatti, M.A.; Joarder, S.; Ain, Q.U.; Alatrash, R.; Siepmann, C.; Vahidi, T. Interactive Explanation with Varying Level of Details in an Explainable Scientific Literature Recommender System. Int. J. Hum. –Comput. Interact. 2023, 40, 7248–7269. [Google Scholar] [CrossRef]
- Dessì, D.; Osborne, F.; Recupero, D.R.; Buscaldi, D.; Motta, E. Generating knowledge graphs by employing Natural Language Processing and Machine Learning techniques within the scholarly domain. Future Gener. Comput. Syst. 2021, 116, 253–264. [Google Scholar] [CrossRef]
- Han, F.X.; Niu, D.; Chen, H.; Lai, K.; He, Y.; Xu, Y. A Deep Generative Approach to Search Extrapolation and Recommendation. In Proceedings of the 25th ACM SIGKDD International Conference on Knowledge Discovery & Data Mining (KDD ’19), Anchorage, AK, USA, 4–8 August 2019; Association for Computing Machinery: New York, NY, USA, 2019; pp. 1771–1779. [Google Scholar] [CrossRef]
- Franceschelli, G.; Musolesi, M. Creative Beam Search: LLM-as-a-Judge for Improving Response Generation. In Proceedings of the 15th International Conference on Computational Creativity (ICCC’24), Jonkoping, Sweden, 17–21 June 2024; Available online: https://arxiv.org/pdf/2405.00099v3 (accessed on 5 December 2024).
- Shaffi, S.S.; Muthulakshmi, I. Search Engine Optimization by using Machine Learning for Web Page Classification. In Proceedings of the International Conference on Augmented Intelligence and Sustainable Systems (ICAISS), Trichy, India, 24–26 November 2022; pp. 342–349. [Google Scholar] [CrossRef]
- Correa, C.M.; Silveira, M.S. End-User Development Landscape: A Tour into Tailoring Software Research. Int. J. Hum. –Comput. Interact. 2022, 39, 2825–2839. [Google Scholar] [CrossRef]
- Bordas, A.; Le Masson, P.; Weil, B. Switching perspectives on generative artificial intelligence: A design view for humans-generative AI co-creativity. In Proceedings of the R&D Management Conference, Stockholm, Sweden, 17–19 June 2024; HAL preprint. Available online: https://minesparis-psl.hal.science/hal-04520521/document (accessed on 5 December 2024). HAL preprint.
- Jiang, T.; Sun, Z.; Fu, S.; Lv, Y. Human-AI interaction research agenda: A user-centered perspective. Data Inf. Manag. 2024, 8, 100078. [Google Scholar] [CrossRef]
- Baugh, K.G.; Cingillioglu, N.; Russo, A. Neuro-symbolic Rule Learning in Real-world Classification Tasks. arXiv 2023. preprint. [Google Scholar] [CrossRef]
- Cui, H.; Yasseri, T. AI-enhanced collective intelligence. Patterns 2024, 5, 101074. [Google Scholar] [CrossRef]
- Caldwell, S.; Sweetser, P.; O’Donnell, N.; Knight, M.J.; Aitchison, M.; Gedeon, T.; Johnson, D.; Brereton, M.; Gallagher, M.; Conroy, D. An Agile New Research Framework for Hybrid Human-AI Teaming: Trust, Transparency, and Transferability. ACM Trans. Interact. Intell. Syst. 2022, 12, 17. [Google Scholar] [CrossRef]
- Fabre, R. A searchable space with routes for querying scientific information. In Proceedings of the 8th International Workshop on Bibliometric-Enhanced Information Retrieval (BIR 2019), Cologne, Germany, 14 April 2019; pp. 112–124. Available online: https://api.semanticscholar.org/CorpusID:128358120 (accessed on 5 December 2024).
- Romera-Paredes, B.; Barekatain, M.; Novikov, A.; Balog, M.; Kumar, M.P.; Dupont, E.; Ruiz, F.J.R.; Ellenberg, J.S.; Wang, P.; Fawzi, O.; et al. Mathematical discoveries from program search with large language models. Nature 2024, 625, 468–475. [Google Scholar] [CrossRef] [PubMed]
- Dedeo, S. Hard Proofs and Good Reasons. arXiv 2024. preprint. [Google Scholar] [CrossRef]
- Hatchuel, A.; Le Masson, P.; Maxime, T.; Weil, B. What Is Generative In Generative Design Tools? Uncovering Topological Generativity With A C-K Model Of Evolutionary Algorithms. Post-Print. HAL 2021, 1, 3419–3430. Available online: https://minesparis-psl.hal.science/hal-03398565 (accessed on 5 December 2024). [CrossRef]
- Zhang, J.; Shen, Z. Analyzing journal category assignment using a paper-level classification system: Multidisciplinary sciences journals. Scientometrics 2024, 129, 5963–5978. [Google Scholar] [CrossRef]
- Barbier, R.; Ben Yahia, S.; Le Masson, P.; Weil, B. Co-Design for Novelty Anchoring into Multiple Socio-Technical Systems in Transitions: The Case of Earth Observation Data. IEEE Trans. Eng. Manag. 2022, 71, 12015–12036. [Google Scholar] [CrossRef]
- Zheng, Y.; Gan, W.; Chen, Z.; Qi, Z.; Liang, Q.; Yu, P.S. Large language models for medicine: A survey. Int. J. Mach. Learn. Cyber. 2024, 16, 1015–1040. [Google Scholar] [CrossRef]
- Cadeddu, A.; Chessa, A.; De Leo, V.; Fenu, G.; Motta, E.; Osborne, F.; Recupero, D.R.; Salatino, A.; Secchi, L. Enhancing Scholarly Understanding: A Comparison of Knowledge Injection Strategies in Large Language Models. In Proceedings of the Deep Learning for Knowledge Graphs, Athens, Greece, 6 November 2023; Available online: https://oro.open.ac.uk/94363/ (accessed on 5 December 2024).
- Khan, N.; Ma, Z.; Ullah, A.; Polat, K. Categorization of knowledge graph based recommendation methods and benchmark datasets from the perspectives of application scenarios: A comprehensive survey. Expert. Syst. Appl. 2022, 206, 117737. [Google Scholar] [CrossRef]
- Parker, M.J. Bioethics and the value of disagreement. J. Med. Ethics 2024, 1–7. [Google Scholar] [CrossRef]
- Rivest, M.; Vignola-Gagné, E.; Archambault, É. Article-level classification of scientific publications: A comparison of deep learning, direct citation and bibliographic coupling. PLoS ONE 2021, 16, e0251493. [Google Scholar] [CrossRef]
- Binder, A.; Hennig, L.; Verma, B. Full-Text Argumentation Mining on Scientific Publications. In Proceedings of the First Workshop on Information Extraction from Scientific Publications, Taipei, Taiwan, 20 November 2022; Association for Computational Linguistics: Miami, FL, USA, 2022; pp. 54–66. [Google Scholar]
- Paul, S.; Yu, J.; Dekker, J.J.; Ignatiev, A.; Stuckey, P.J. Formal Explanations for Neuro-Symbolic AI. arXiv 2024. preprint. [Google Scholar] [CrossRef]
- Demir, C.; Ngonga Ngomo, A.C. Neuro-symbolic class expression learning. In Proceedings of the Thirty-Second International Joint Conference on Artificial Intelligence (IJCAI ’23), Macao, China, 19–25 August 2023; pp. 3624–3632. [Google Scholar] [CrossRef]
- Lu, Z.; Afridi, I.; Kang, H.J.; Ruchkin, I.; Zheng, X. Surveying neuro-symbolic approaches for reliable artificial intelligence of things. J. Reliab. Intell. Environ. 2024, 10, 257–279. [Google Scholar] [CrossRef]
- Wan, Z.; Lui, C.K.; Yang, H.; Raj, R.; Li, C.; You, H. Towards Efficient Neuro-Symbolic AI: From Workload Characterization to Hardware Architecture. IEEE Trans. Circuits Syst. Artif. Intell. 2024, 1, 53–68. [Google Scholar] [CrossRef]
- Morris, C.; Fey, M.; Kriege, N.M. The Power of the Weisfeiler-Leman Algorithm for Machine Learning with Graphs. In Proceedings of the Thirtieth International Joint Conference on Artificial Intelligence Survey Track, Montreal, QC, Canada, 19–27 August 2021; pp. 4543–4550. [Google Scholar] [CrossRef]
- Afzal, Z.; Tsatsaronis, G.; Doornenbal, M.; Coupet, P.; Gregory, M. Learning Domain Labels Using Conceptual Fingerprints: An In-Use Case Study in the Neurology Domain. In Proceedings of the Knowledge Engineering and Knowledge Management: 20th International Conference, EKAW 2016, Bologna, Italy,, 19–23 November 2016; Springer-Verlag: Berlin/Heidelberg, Germany; pp. 731–745. [Google Scholar] [CrossRef]
- Grauwin, S.; Beslon, G.; Fleury, É.; Franceschelli, S.; Robardet, C.; Rouquier, J.; Jensen, P. Complex systems science: Dreams of universality, interdisciplinarity reality. arXiv 2012. preprint. [Google Scholar] [CrossRef]
- Finzi, M.; Stanton, S.; Izmailov, P.; Gordon Wilson, A. Generalizing convolutional neural networks for equivariance to lie groups on arbitrary continuous data. In Proceedings of the 37th International Conference on Machine Learning (ICML’20), Online, 13–18 July 2020; Volume 119, pp. 3165–3176. [Google Scholar]
- Franz, N.M.; Zhang, C.; Lee, J. A logic approach to modelling nomenclatural change. Cladistics 2018, 34, 336–357. [Google Scholar] [CrossRef]
- Wang, G.; Chao, Y.; Cao, Y.; Jiang, T.; Han, W.; Chen, Z. A comprehensive review of research works based on evolutionary game theory for sustainable energy development. Energy Rep. 2022, 8, 114–136. [Google Scholar] [CrossRef]
- Alexander, J.M. Evolutionary Game Theory; Cambridge University Press: Cambridge, UK, 2023. [Google Scholar]
- Skums, P.; Bunimovich, L. Graph fractal dimension and the structure of fractal networks. J. Complex. Netw. 2020, 8, cnaa037. [Google Scholar] [CrossRef]
- Cui, X.; He, H.; He, F.; Wang, S.; Li, F.; Bo, X. Network fingerprint: A knowledge-based characterization of biomedical networks. Sci. Rep. 2015, 5, 13286. [Google Scholar] [CrossRef]
- Kumar, A.; Chaturvedi, V.; Bhatnagar, S.; Sinha, S.; Siddiqi, M.I. Knowledge based identification of potent antitubercular compounds using structure based virtual screening and structure interaction fingerprints. J. Chem. Inf. Model. 2009, 49, 35–42. [Google Scholar] [CrossRef]
- Kwan, P.W.; Welch, M.C.; Foley, J.J. A knowledge-based Decision Support System for adaptive fingerprint identification that uses relevance feedback. Knowl. -Based Syst. 2015, 73, 236–253. [Google Scholar] [CrossRef]
- Skjæveland, M.G.; Balog, K.; Bernard, N.; Łajewska, W.; Linjordet, T. An ecosystem for personal knowledge graphs: A survey and research roadmap. AI Open 2024, 5, 55–69. [Google Scholar] [CrossRef]
- Slavic, A. On the nature and typology of documentary classifications and their use in a networked environment. Prof. De. La. Inf. 2016, 16, 580–590. [Google Scholar] [CrossRef][Green Version]
- Petras, V. Translating Dialects in Search: Mapping between Specialized Languages of Discourse and Documentary Languages. PhD Dissertation, UC Berkeley, Berkeley, CA, USA, 2006. Available online: https://www.ischool.berkeley.edu/research/publications/2006/translating-dialects-search-mapping-between-specialized-languages (accessed on 5 December 2024).
- Buschbom, J.; Collier, B.; Woodburn, M.; Vincent, S.; Tsai, E.; Toth, K.; Spencer, M.; Smith, D.; Sadka, M.; Hsu, T.-T.; et al. Simple Models, Complex Vocabularies: Developing Controlled Vocabularies for an Interdisciplinary Collection Management System in RECODE. Biodivers. Inf. Sci. Stand. 2024, 8, e135228. [Google Scholar] [CrossRef]
- Dourish, P. Evolution in the Adoption and Use of Collaborative Technologies. In Proceedings of the ECSCW’99 Workshop on Evolving Use of Groupware, Copenhagen, Denmark, 16 September 1999; Available online: https://www.dourish.com/publications/1999/ecscw99-evolution.pdf (accessed on 5 December 2024).
- Wilkinson, M.D.; Dumontier, M.; Aalbersberg, I.J.; Appleton, G.; Axton, M.; Baak, A.; Blomberg, N.; Boiten, J.W.; da Silva Santos, L.B.; Bourne, P.E.; et al. The FAIR Guiding Principles for scientific data management and stewardship. Sci. Data 2016, 3, 160018. [Google Scholar] [CrossRef] [PubMed]
- Chatterjee, A. Chapter K—Controlled Vocabulary (CV). In Elements of Information Organization and Dissemination; Chandos Publishing: Witney, UK, 2017; pp. 151–169. [Google Scholar] [CrossRef]
- Sterner, B.; Witteveen, J.; Franz, N. Coordinating dissent as an alternative to consensus classification: Insights from systematics for bio-ontologies. HPLS 2020, 42, 8. [Google Scholar] [CrossRef] [PubMed]
- Kim, M.Y.; Goldberg, J.D. The effects of outcome misclassification and measurement error on the design and analysis of therapeutic equivalence trials. Stat. Med. 2001, 20, 2065–2078. [Google Scholar] [CrossRef]
- Cuzick, J. Controversies in design and interpretation of adjuvant clinical trials. Cancer Invest. 2010, 8 (Suppl. 1), 28–34. [Google Scholar] [CrossRef]
- Raees, M.; Meijerink, I.; Lykourentzou, I.; Khan, V.J.; Papangelis, K. From explainable to interactive AI: A literature review on current trends in human-AI interaction. Int. J. Hum. Comput. Stud. 2024, 189, 103301. [Google Scholar] [CrossRef]
- Saunders, W.; Yeh, C.; Wu, J.; Bills, S.; Ouyang, L.; Ward, J.; Leike, J. Self-critiquing models for assisting human evaluators. arXiv 2022. preprint. [Google Scholar] [CrossRef]
- Battiloro, C.; Karaismailoğlu, E.; Tec, M.; Dasoulas, G.; Audirac, M.; Dominici, F. E(n) Equivariant Topological Neural Networks. arXiv 2024. preprint. [Google Scholar] [CrossRef]
- Cheng, R.; Liu, C.; Meng, S. A Study of Cognitive Orbits Based on Man-machine Interactions. Open Cybern. Syst. J. 2015, 9, 2694–2702. [Google Scholar] [CrossRef]
- Adversarial Search Algorithms in Artificial Intelligence (AI). Available online: https://www.geeksforgeeks.org/adversarial-search-algorithms/ (accessed on 25 November 2024).
- Acosta, M.; Qin, C.; Schwabe, T. Neuro-Symbolic Query Optimization in Knowledge Graphs. arXiv 2024. preprint. [Google Scholar] [CrossRef]
- Boudier, J.; Sukhov, A.; Netz, J.; Le Masson, P.; Weil, B. Idea evaluation as a design process: Understanding how experts develop ideas and manage fixations. Des. Sci. 2023, 9, e9. [Google Scholar] [CrossRef]
- Suorsa, A.; Multas, A.-M.; Enwald, H. Information creation as means to create joint understanding in work interaction. Informaatiotutkimus 2022, 41, 153–156. [Google Scholar] [CrossRef]
- Hirvonen, N.; Multas, A.-M.; Nygård, T.; Huotari, M.-L. Cognitive authority: A scoping review of empirical research. An Annual Review of Information Science and Technology (ARIST) paper. J. Assoc. Inf. Sci. Technol. 2024, 76, 155–192. [Google Scholar] [CrossRef]
- Liberatore, T.; Groth, P.; Kackovic, M.; Wijnberg, N. Influence Beyond Similarity: A Contrastive Learning Approach to Object Influence Retrieval. In Knowledge Engineering and Knowledge Management, Proceedings of the Knowledge Engineering and Knowledge Management, Amsterdam, The Netherlands, 26–28 November 2024; Alam, M., Rospocher, M., van Erp, M., Hollink, L., Gesese, G.A., Eds.; Lecture Notes in Computer Science; Springer: Cham, Switzerland, 2025; Volume 15370. [Google Scholar] [CrossRef]
- Qiu, Z.; Luo, L.; Pan, S.; Wee-Chung Liew, A. Unveiling User Preferences: A Knowledge Graph and LLM-Driven Approach for Conversational Recommendation. arXiv 2024. preprint. [Google Scholar] [CrossRef]
- Gregoire, J.M.; Zhou, L.; Haber, J.A. Combinatorial synthesis for AI-driven materials discovery. Nat. Synth. 2023, 2, 493–504. [Google Scholar] [CrossRef]
Disclaimer/Publisher’s Note: The statements, opinions and data contained in all publications are solely those of the individual author(s) and contributor(s) and not of MDPI and/or the editor(s). MDPI and/or the editor(s) disclaim responsibility for any injury to people or property resulting from any ideas, methods, instructions or products referred to in the content. |
© 2025 by the authors. Licensee MDPI, Basel, Switzerland. This article is an open access article distributed under the terms and conditions of the Creative Commons Attribution (CC BY) license (https://creativecommons.org/licenses/by/4.0/).







