Next Article in Journal
Optimization Design of Space Camera Enclosure Based on Bionics
Previous Article in Journal
Experimental and Numerical Research on End-Wall Flow Mechanism of High-Loading Tandem Stators
 
 
Font Type:
Arial Georgia Verdana
Font Size:
Aa Aa Aa
Line Spacing:
Column Width:
Background:
Article

Practical Work of Three-Phased Induction Motor Modeling in a Classical Spreadsheet Software

by
Christophe Sauvey
*,†,
Jérémie Schutz
and
Yves Gillet
Université de Lorraine, LGIPM, F-57000 Metz, France
*
Author to whom correspondence should be addressed.
All authors contributed equally to this work.
Appl. Sci. 2025, 15(3), 1015; https://doi.org/10.3390/app15031015
Submission received: 29 November 2024 / Revised: 13 January 2025 / Accepted: 19 January 2025 / Published: 21 January 2025

Abstract

Remote teaching has been becoming increasingly important in higher education since the COVID-19 pandemic. Additionally, fast and precise modeling of the main operating values of industrial systems is a key point for production and efficiency calculation. After a review of the main modeling equations of an induction motor, this paper proposes to include them in spreadsheet software in the form of practical work so that readers will improve their level in multiple competency fields, such as data processing, the use of spreadsheet software, deepening understanding of induction motors, classical induction motor testing, and modeling and the use of the models to solve classical electrical engineering issues. Furthermore, the fact that this work was designed to be conducted autonomously and asynchronously gives readers the feeling of freedom, which is very useful for developing their desire to progress by their own means and to do their utmost to succeed in their task. Finally, the provided Excel file, which includes an initial spreadsheet with gaps, allows readers to familiarize themselves with the concepts, experiment with them, and extend the base file to their own topics of interest. This work can serve as a proof of the readers’ ability to succeed in industrial modeling tasks and aid in their employment prospects.

1. Introduction

Since the COVID-19 crisis, the research interest in online works has exponentially grown. More recently, the appearance of very interesting and increasingly sophisticated artificial intelligence software (such as ChatGPT v2.0) has made academic education evolve toward online works. These works are taking an increasing place in education. Before the pandemic, nobody would have believed that students could perform studies and practice online on their laptop. Now, some decision makers are trying to imagine a world made of AI-teaching computers. This paper tries to find a balance between the two extremes of “only blackboard and teacher, and no-computer” and “only computer and no more blackboard, nor teacher”.
This paper introduces a practical exercise in modeling induction motors. It explains how to program the key formulas in a spreadsheet and reviews the main equations of an induction motor. Additionally, it presents the expected results in various figures. By studying this paper, students will be able to create their own software environment with the induction motor equations in a spreadsheet format, and they can then enhance it with their own modifications. This independent work also helps develop problem-solving skills, which are valuable for fostering creativity.
Moreover, this paper builds on the methodologies outlined in previous pedagogical papers: one on the modeling and calculation of electrical circuits [1], and the other on the modeling and calculation of system reliability based on the reliability of its components [2]. Through this approach, students are encouraged to engage deeply with the material, fostering a hands-on learning experience that promotes both understanding and innovation.
Recent papers have sought to draw lessons from the COVID-19 pandemic. Fore et al. [3] proposed techniques for successful remote learning and teaching, offering a “road map” for structuring and organizing online courses. In [4], Rios Vilaronga and Sampaio Mendonça used life story narratives to analyze the academic experiences of undergraduate students with disabilities at a public university in Amazonas, Brazil, during the pandemic, providing an analytical perspective on their educational journeys. Juárez-Díaz [5] examined English teachers’ approaches to e-teaching during the second term of emergency remote teaching (ERT), finding that initial ERT approaches did not fully address the complexity of the implemented teaching solutions, and they also highlighted issues such as the digital divide, student dishonesty, and disengagement.
The pandemic also led to a sudden shift to fully online mathematics teaching in the Philippines, with a case study of three teachers having been reported in [6]. School administration during these challenging times was scrutinized by Roca et al. [7], where both human resources and the management of goods, resources, and educational materials were considered. Additionally, the challenges, conflicts, and strategies of graduate teaching assistants (GTAs) during the COVID-19 pandemic were explored in [8]. GTAs faced difficulties with online instruction, student interactions, and personal issues, as well as conflicts related to safety concerns, online proficiency, support, and expectations. They responded with empathy, flexibility, boundary setting, and consultation as conflict management strategies.
Teacher–student interactions are crucial in the educational process. Constantinou and Carroll identified the lack of natural communication as a major cause of learning loss during school closures in emergency remote teaching contexts [9]. Zhao et al. [10] addressed systematic, innovative, and effective challenges in marketing practice teaching, proposing an online simulation training system based on web technology to promote digital transformation. Similarly, Li et al. [11] suggested a network-assisted teaching system for tourism management, integrating Javaweb and VR technologies to create a comprehensive application program.
Malaoui [12] explored an educational solution for third-year practical works, proposing an electronic device based on embedded systems for the remote manipulation of electronics-based practical work. Zhang et al. [13] reported on the design and application of a “vocational skills + Mandarin” remote training service platform using web technology.
The literature review conducted in [1] examined 44 papers on distance learning and practical work, providing a reliable resource on these topics. The review analyzed the transition from face-to-face to distance learning, practical work in education, and experiments in distance laboratories, highlighting the benefits for students. The advantages of distance education include the effective use of teaching aid software, addressing security issues, asynchronous work, in-depth study, and analysis of curves. However, drawbacks include the lack of hands-on practice and feedback.
Using Excel 2016 (or similar spreadsheet software) is justified for student use due to its feasibility, accessibility, and availability. It allows students to progress at their own pace, offers simplicity, and provides direct feedback. The main drawbacks are the difficulty of managing large projects, the need to create multiple files, and the limitations compared to professional tools. Nonetheless, these software tools are suitable for pedagogical and accessibility reasons.
Remote teaching faces several challenges, including technological issues, maintaining engagement, and balancing work–life boundaries. Both teachers and students may struggle with digital skills, and ensuring student well-being is harder online. Additionally, providing effective feedback and having adequate resources can be difficult, and support from parents and schools varies. Addressing these challenges requires a combination of technological solutions, training, and support systems to ensure a more effective and equitable remote learning environment. This paper tries to build the first bricks of an efficient remote learning environment.

1.1. Contributions of This Paper

The major contributions of this paper, similar to those presented in [1] but applied to a different subject, are significant for both teachers and students. For teachers, this paper provides a set of examples that can be used in teaching and offered to students as resources or self-paced tutorials, thereby enhancing their autonomy and motivation to progress. It also offers concrete methods for representing conceptual reliability models, making abstract concepts more tangible. Additionally, it demonstrates how to automate calculations in a user-friendly manner using readily available software. For students, this paper proposes a “do it yourself” approach, which is ideal for remote practical work or projects supervised by a tutor, encouraging autonomy and deep engagement. Furthermore, it offers students the opportunity to keep the model provided in the database, with the understanding that mastery and modification of this model depend on the skills developed by each student. This approach helps avoid potential availability issues on private university sites [14].

1.2. Innovative Aspects and Comparison with Existing Methods

The approach presented in this paper is unique in addressing the challenges of teaching induction motor modeling and application in an online and asynchronous format. Unlike traditional methods, our spreadsheet-based model provides a practical and accessible tool for both educational and industrial purposes.

1.2.1. Innovative Aspects

  • Pedagogical Innovation: This paper introduces a novel method for teaching induction motor concepts through spreadsheet software, which is not commonly used in this context. This approach allows students to engage with the material in a hands-on manner, reinforcing theoretical knowledge through practical application.
  • Industrial Application: Beyond its educational value, the spreadsheet model offers practical benefits for industrial applications. It provides a straightforward and cost-effective tool for modeling and selecting induction motors, making it accessible to a wider audience.

1.2.2. Comparison with Existing Methods

Currently, there are no other papers that propose a similar approach using spreadsheet software for induction motor modeling. Traditional methods often rely on specialized software, which can be costly and require extensive training. Our method bridges this gap by offering an accessible alternative that maintains accuracy and effectiveness.
In summary, this paper not only addresses the educational challenges posed by remote learning, but also provides a valuable tool for industrial applications. We believe that this dual approach strengthens the overall contribution of our work and demonstrates the innovative nature and applicability of our approach.

1.3. Scientific and Practical Contributions

While the primary focus of this manuscript is educational, it also offers significant industrial and applied interest. The use of spreadsheet software for induction motor modeling provides a practical tool that can be utilized in both educational and industrial settings. This dual focus enhances the overall contribution of our work.

1.3.1. Addressing Emergency Remote Teaching (ERT)

The challenge of Emergency Remote Teaching (ERT) has become a critical research issue, particularly during the COVID-19 pandemic. Recognizing its importance, the University of Rennes established a professorship dedicated to this research theme in September 2023. Our paper addresses these identified needs by offering a practical solution for teaching and applying induction motor concepts in an online and asynchronous format.

1.3.2. Innovative Approach

Our approach is unique in its use of spreadsheet software for modeling induction motors. This method not only reinforces theoretical knowledge through practical application, but also provides a cost-effective and accessible tool for industrial purposes. By bridging the gap between education and industry, our work offers new scientific solutions and methods that are both innovative and practical.

1.4. Paper Outline

This document is organized as follows. Section 2 explains the general principles, composition, and operation of three-phased induction motors. Section 3 presents the equations of an induction motor, followed by its spreadsheet modeling in Section 4. Section 5 encourages students to practice with the created model. The conclusion section summarizes the advantages and contributions of this article for students and teachers, discusses some limitations, and provides perspectives for future work.

2. Three-Phased Induction Motor

2.1. Composition and General Principles

An induction motor is composed of two major components.
  • The stator of a three-phase motor (the most common in medium and high power motors) is, as its name suggests, the static part of the induction motor. It mainly consists of the frame, bearings, bearing flanges, the fan cooling the motor, and the cover protecting the fan.
  • The rotor is the moving part of the induction motor. Mechanically coupled to the mechanical load of the motor (an elevator lift, for example), it will create a torque capable of providing work for raising and lowering the elevator car. It mainly consists of a stack of thin discs insulated from each other and keyed to the rotor shaft in order to channel and facilitate the passage of the magnetic flux, as well as rotor electrical windings that “watch” the flux passing through them. Electrical windings can either take the form of a cast aluminum squirrel cage whose bars are trapezoidal in shape for standard asynchronous motors and closed laterally by two conductive “flanges”, or three copper wire windings similar to those found in stator windings. These lead to more expensive motors, but they offer wider starting solutions.
The stator currents create a rotating magnetic field in the stator. The rotational frequency of this field is determined by the frequency of the stator currents. Its rotational speed is proportional to the power supply frequency. The speed of this rotating field is called synchronous speed  Ω s and is expressed in rad/s. The synchronous speed is a function of the electrical network frequency f and the number of pairs of poles p. The synchronous speed is then always an integer sub-multiple of the power supply frequency. At 50 Hz, it is a sub-multiple of 3000 rpm: 3000, 1500, 1000, 750, etc. At 60 Hz, it is a sub-multiple of 3600 rpm: 3600, 1800, 1200, 900, etc. It is expressed by the following relationship:
Ω s = 60 f p 2 π 60 = 2 π f p .
The rotor winding is therefore subject to the flux variations of the magnetic field. An induced electromotive force appears in the rotor windings and then creates rotor currents. The induced currents in the rotor are responsible for the appearance of a torque that tends to set the rotor in motion. This torque opposes the load torque, which is consistent with Lenz’s law and states that the induced EMF and current in the circuit oppose the change in magnetic flux, thus giving it the name of “induction” motor. The rotor therefore begins to rotate in an attempt to “follow” the stator field. The rotor rotational speed is denoted Ω r and is expressed in rad/s.
This machine can also be said to be asynchronous because it is impossible, without the presence of an external drive, to reach the same speed as the stator field. In fact, there must be a difference in speed for this type of machine to work because it is the difference between the rotor and the stator field that causes the appearance of currents induced in the rotor—currents that create the rotor field. The speed difference between the rotor and the stator field is called slip. The division of this difference by the synchronous speed gives the slip s. Slip is then the difference in speed between the rotor and the synchronous speed of the stator field, which is expressed as a relative quantity (in per unit, p.u.). It is given by the following:
s = Ω s Ω r Ω s .
When measurements are carried out to identify the characteristics of the machine, it is possible to reach the synchronous speed using a device comprising at least a second machine (a synchronous machine used as a motor, for example), which ensures the production of the necessary torque to maintain the rotation. This is what is performed in the synchronism test or no-load test, which will be dealt with later in this paper. In operation, the slip is always low, on an order of a few percent: from 2% for the largest machines to 6 or 7% for small three-phase machines (though it may reach 10% for small single-phase machines). The Joule effect losses in the rotor are proportional to the slip, so a quality machine must operate with a low slip.
Hyper-synchronous operation: If the machine is driven above the synchronous speed, it operates as an AC generator. In this hyper-synchronous operation, the stator must necessarily be connected to the network because it alone can create the magnetic field necessary for the generation of rotor currents.

2.2. Realization of an Induction Motor

The stator consists of a ferromagnetic cylinder with slots to accommodate the windings. This cylinder is made up of a stack of laminated ferromagnetic sheet metal plates in order to limit eddy currents. It is common practice to provide additional protection against abnormal windings that have been overheated by placing either a thermal circuit breaker or a temperature sensor at the heart of the windings. When protection devices trip, the power supply is cut off. The motor is connected to the electrical network via a terminal board, where all the connections are grouped together. There are therefore six connections for the stator windings: three windings × two ends (plus possibly two others for the temperature sensor).
Four types of rotor can be distinguished:
  • Squirrel cage rotor or short-circuited rotor: This is the most common type of rotor and it was invented by Michail Ossipowitsch Doliwo-Dobrowolski in the early 1890s [15]. It consists of a stack of laminated ferromagnetic sheet metal plates, just like the stator, and conductive bars that are regularly distributed around the periphery of the rotor. The bars are interconnected by two short-circuit rings, as presented in Figure 1. The ferromagnetic sheets are used to guide the field lines while the bars accommodate the induced currents. For low-power machines, the rotors are made from a stack of sheets cut and insulated from each other (lamination), into which a conductive material is injected so as to form the bars, as well as the short-circuit rings. For high-power machines, the bars are inserted into the rotor and then the short-circuit rings are welded or brazed to the bars. The material constituting the bars and the short-circuit rings is generally an aluminum-based alloy, but copper or brass can also be found. In general, the bars are slightly inclined along the axis of the rotor so that the number of bars present under a stator phase is constant regardless of the angular position of the rotor. This method makes it possible to reduce the magnetic circuit reluctance variation during the rotor rotation (notch effect) and thus reduce the torque oscillations. This inclination of the bars and notches, along with the short-circuit rings, gives this rotor the shape of a deformed squirrel cage.
  • Double-cage rotor: This rotor is built on the principle of the single-cage one, but with two electrically independent cages. An external cage at the periphery of the rotor is made of less conducting materials (brass, bronze) and has low inductive leakage. An internal copper cage has higher conductivity and high inductive leakage. The external cage, which is especially active at start-up, makes it possible to obtain a greater torque in this phase of operation, while, at nominal speed, the internal cage makes it possible to achieve the characteristics of a single-cage rotor.
  • Double-notched or deep bar rotor: These rotors are cage rotors that use the skin effect in the conductors to vary the resistance of the rotor depending on the operating speed of the machine. The skin effect is an electromagnetic phenomenon where the more the frequency of the currents increases, the more the current tends to circulate only on the surface of the conductors. Thus, at start-up, the frequency of the rotor currents is equal to that of the power supply, and the current only uses the upper part of the bar. Then, with the rotor speed increase, the rotor currents frequency decrease and the current uses the increasing surface area of the bars. These rotor topologies allow starting with a higher torque when the machine is powered by a fixed voltage source (without a drive, which is not the purpose of this work).
  • Ring rotor or wound rotor: The rotor of such a machine consists of three coils. Each coil is connected to a ring. The rings make it possible to have an electrical circuit connection with the coils of the rotor. This type of rotor has been designed to allow the resistance variation of the rotor by inserting resistors in series with the coils in order to achieve a rotor start. This device then allowed speed variation with an acceptable efficiency by means of a process called “hypo-synchronous cascade”. Its high cost and the appearance of variable frequency drives made this type of machine obsolete, but it still exists in some industrial environments.

2.3. Connection

The connection to the network or to a drive of these machines passes through a terminal board protected by housing, the access of which is usually conducted by removing a waterproof cover located on the top. The cable entry is performed via a cable gland that is responsible for ensuring the tightness, as well as the mechanical retention, of the power cable. The six terminals of the stator windings of three-phase machines are always placed in the same way on the terminal board. This particular organization allows either star or delta connection, following a simple and standardized procedure, as presented in Figure 2. The three windings can either be connected in star (or Y) or in delta (D). To connect the windings of the motor in star, it is sufficient to connect the terminals U2, V2, and W2 together, as shown in red in the example presented in Figure 2. To connect the windings of the motor in delta, it is sufficient to separately connect the terminals U1 to W2, V1 to U2, and W1 to V2, as shown in blue in the example presented in Figure 2.
The key point to choose how to connect the terminals of the motor is solely the phase-to-phase voltage of the network. Indeed, in the winding of a motor marked 230/400 V, 50 Hz should be supplied with a 230 V, 50 Hz voltage. Then, such a motor can either be connected to a 230/400 V, 50 Hz network with a star (Y) connection to its windings, or to a 133/230 V, 50 Hz network with a delta (D) connection to its windings. In both situations, each motor winding is supplied by a 230 V, 50 Hz voltage.
Three-phase induction motors can rotate in both directions of rotation. Whether they are star (Y) or delta (D) connected, the reversal of their rotational direction is carried out by simply swapping two supply conductors, such as, for example, U1 and V1 in Figure 2. Thus, a circular permutation of the three conductors does not reverse the direction of rotation.

2.4. Nameplate of a Three-Phased Induction Motor

The nameplate of a three-phased induction motor first gives useful connection data, such that an electrical technician is able to correctly connect the motor to the network. Then, usually, secondary but useful information is provided, such as the power factor (cosφ in Figure 3) at rated speed and the efficiency η at rated speed.
As presented in the connection section, the stator windings must be connected according to the network phase-to-phase voltage. The minimum voltage value written on the nameplate corresponds to the rated supply voltage value that can be handled by a stator winding. When the phase-to-phase voltage value is equal to this value, the motor must be wired in delta (D), and when the network phase-to-phase voltage value is equal to the maximum voltage value written on the nameplate, the stator windings must be wired in star (Y), as presented in Figure 2.
On the same line, the nameplate indicates, for each of the couplings, the value of the line current intensity that will be absorbed at rated speed. Using the electrical quantities provided, i.e., the voltages between phases, the line current intensities, and the power factor, it is possible to calculate the active power absorbed:
P a = 3 · U · I · cos φ .
Since the useful power is also provided on the nameplate, it is easy to deduce the efficiency of the machine operating at nominal speed, thanks to the following formula:
η = P u P a .

2.5. Starting of an Induction Motor

The inrush current at the start of an induction motor can reach several times the rated current of the machine. When the application uses a drive or a starter, this device takes care of adapting the voltages applied to the machine in order to limit this current. The starting current is often an input variable of these devices. In the absence of a variable speed drive, several methods for limiting the starting current exist, which were developed before the advent of power electronics. They are still in use today in old installations, or as a cost-saving measure for applications that do not require a variable speed drive.
Reduced voltage starting:
The simplest way to limit the magnitude of the starting current is to reduce the voltage at the terminals of the stator windings during startup. The main disadvantage is that the motor torque is also reduced and this increases the time before the machine reaches steady state.
Star-delta starting:
During a star-delta start, the machine is first connected to the network with a star coupling, then, once started, it switches to delta coupling. Starting with a star coupling makes it possible to divide the applied voltage by 3 . Thus, the maximum absorbed current is divided by 3 compared to a direct start with a delta connection. The starting torque is also three times lower than with a delta start, but the over-current during the star-delta transition is lower than the inrush current of a start performed directly with a delta connection. When performed simply using contactors, this starting method is very economical, and thus very popular.
Starting by auto-transformer:
With this starting mode, the stator of the induction machine is directly connected to an auto-transformer, which allows for starting under variable voltage. The voltage is gradually increased, the and intensity of the current does not exceed the desired maximum value. This can be achieved by switching the windings of the auto-transformer. The drawback of this method is the need for an electrical specialist to manage both the auto-transformer and the induction machine.
Resistive start:
During a resistive start, resistors are inserted in series with the stator windings, which has the effect of limiting the voltage at their terminals. Once started, these resistors are short-circuited. This operation can be carried out gradually by an operator using starting rheostats.
Starting at rated voltage: Rotor starting
During a rotor starting, power resistors are inserted in series with the rotor windings, just as with the previously described resistive start, but with the rotor windings. This type of starting makes it possible to obtain a high starting torque with reduced stator starting currents, but it can only be implemented with wound rotor machines equipped with sliding contacts (rings and brushes) allowing the electrical connections of the rotor windings. These machines are more expensive than their “squirrel cage” counterparts.

2.6. Speed Variation and Variable Frequency Drives

For a few decades, induction motors have been increasingly used in variable speed drive applications, whereas they were mainly used for fixed speed applications before. Currently, their use is estimated at around 40% of newly installed drives. A variable speed drive is an electro-technical piece of equipment supplying an electrical machine in such a way as to be able to vary its speed continuously: from standstill to its rated speed. The speed is proportional to an analog or digital electronic signal value. It consists of a rectifier followed by an inverter. The rectifier produces an almost direct current. From this direct current, the inverter (often PWM—Pulse-Width Modulated) creates a three-phase alternating voltage system, whose RMS value and frequency can be varied. Two main methods of speed control exist: scalar (or U / f ) and vector control. Their major drawback is that they generate harmonic frequencies.

2.6.1. Scalar Control (or U/f Control)

For constant load applications, scalar control is suitable because the magnitude is only 2 . U and supply voltage frequency f are controlled. Phase control is impossible because the rotor position feedback is not possible. Nevertheless, this kind of control is very popular because it is less expensive than the vector control.
In sinusoidal mode, with the conservation of the U / f ratio, the magnetic circuit remains in the same magnetic state, whatever the supply frequency. In other words, the shape of the hysteresis cycle of the magnetic materials, both in the stator and rotor, remains identical whatever f. Thus, when f decreases, the corresponding RMS fundamental voltage U decreases, thereby avoiding any risk of magnetic material saturation. The other consequence is that a control that keeps U 1 / f constant, where U 1 represents the fundamental voltage RMS value, and it also maintains the same torque curve as a function of slip for any supply frequency f by a simple translation on the f (or Ω ) axis. All other harmonics give “zero-average” pulsating torques.
When the U / f ratio is maintained as a constant, the linear part of the torque–speed characteristic can be written as follows: T e m = K · ( n S n ) .
Scalar control is limited both at the start and beyond the rated rotational speed. First, at a high torque (high current) starting (low electromotive force e m f ), the voltage drop due to the stator resistance is greater than the e m f . The nominal flux is then impossible to obtain in the machine due to the law U / f = K . To compensate for this drawback, industrial drives offer different U ( f ) laws, depending on the intended application. Then, once the rated voltage is reached, the machine supply frequency can be increased, but without increasing its voltage. This is called flux weakening, which leads, of course, to a drop in the maximum torque the machine can deliver.

2.6.2. Vector Control

Vector control is a generic term that designates all the controls taking into account, in real time, the equations of the system it controls. The real-time aspect is possible thanks to the sensors (position, speed, and torque) installed on the system. The equations obtained are much more complex than those of the scalar controls, but, on the other hand, they give better performance in transient states. There are vector controls for all types of AC machines, induction, and synchronous motors.
Vector control is also called field-oriented control because this control method consists of transforming the stator currents into two orthogonal components, which can be considered as vectors. The first vector allows the adjustment of the magnetic flux of the motor, while the second regulates the torque. Their decoupling makes the motor operation similar to that of a DC motor.
There are several variations of vector control that are used for synchronous and asynchronous machines. It was originally designed for applications requiring good performance from the motor: smooth operation over the entire speed range, maximum torque at zero speed, and good dynamic performance combined with rapid acceleration and deceleration. Currently, this technique has been democratized because it reduces the size of the brushless motor used in a system, and therefore its cost, as well as its electrical consumption. The Park transform is the keystone of flux-oriented control and to analyze and model synchronous and asynchronous machines [16,17]. Its major contribution was to allow the replacement of linear differential equations by constant coefficients over time [18].
The hypotheses that must be satisfied to use the Park transform to simplify the equations and allow the use of flux-oriented control are as follows:
  • The flux varies linearly with the current (the magnetic circuit of the machine is not saturated).
  • Eddy current losses are neglected.
  • Currents, voltages, and fluxes are sinusoidal.
  • Leakage reactances are independent of the position of the rotor and are homogeneous.
  • The machine must be powered, as is performed in practice, by a three-phase voltage system without neutral, so that the homopolar component is zero.
Vector control has the following advantages:
  • It is based on the transient model, and it deals with the transient regimes that the classic drive could not do.
  • It is precise and fast.
  • There is torque control at standstill.
  • Control is conducted in amplitude, as well as in phase.
It also has some disadvantages:
  • It is expensive (incremental encoder, speed estimator, or digital signal processor). The processor must be able to calculate the algorithm approximately every millisecond.
  • Weak robustness to parametric variations, and particularly to those of the rotor time constant.
  • Requires a modulator for close control of the inverter, which causes delays, especially at low modulation frequencies (high power). These delays are responsible for the torque response time increase, which penalizes the drives used in traction.
  • The coordinate transformations depend on an estimated angle θ s .
  • The rotational speed Ω explicitly affects the control algorithm. When this speed is not measured, errors in the estimation of this speed degrade the performance of the drive.
  • Wrong parameters lead to a torque error.

2.7. Braking of an Induction Motor

Various braking types exist to brake an induction motor. They are very useful for many applications, such as electric traction and propulsion (trains, metros, ships, cars, trucks, etc.), machine tools, elevators, winches, pumps, domotics, and forklifts.
Coasting stop:
With the coasting stop, the stator electric supply is cut, and the rotor gradually stops thanks to friction forces.
Controlled stop:
The controlled stop consists of gradually reducing the stator voltage to zero, thus giving a decreasing set-point to the rotor rotational speed. Two main controlled stop techniques exist, the hyper-synchronous stop and the direct current injection.
Hyper-synchronous braking:
When the rotor speed is higher than the rotating field speed, the motor brakes. Coupled with a frequency converter, which gradually decreases the speed, the machine can be stopped. The braking torque is high, provided that a field corresponding to the optimum slip value of generator operation is generated. This method is particularly effective for rapidly braking an induction machine without any additional mechanical device.
Stopping by injection of direct current:
The direct current supply of the stator creates a fixed field in the machine, which opposes the movement. The control of the direct current intensity drives the braking, even if this braking method is less effective than the hyper-synchronous. Moreover, the current constraints are also very severe.
Reverse current stop:
The reverse current stop principle consists of reversing two phases for a short time. This is therefore equivalent to an unmanaged hyper-synchronous braking at a fixed frequency. The resistive torque is low and the current drawn is also very high. The risk of overheating the machine windings makes it advisable to provide additional resistors to reduce the intensity. Furthermore, since the decelerating torque remains negative throughout the braking phase, it is necessary to cut off the power supply just at the time when speed passes through zero. Otherwise, the rotation would be reversed.
Electro-mechanical braking:
This braking system consists of a disc brake attached to the shaft of the induction machine and whose jaws, initially clamped when switched off, are controlled by an electromagnet. After supplying the electromagnet, the jaws loosen, leaving the rotation free. Power failure causes braking. This device, also called “failure brake”, is often provided as an emergency stop device.

2.8. Power Balance

The power balance is rather the same, whether the machine is operating as a motor or as a generator. The only thing to take care of is the losses. They are always deduced from the original power in the balance, whatever the direction of conversion. The detailed explanation of the power balance is given for the scheme presented in Figure 4, describing the motor operation.
To model the induction motor operating as a motor, the following notations were used: P a b s is the absorbed electrical power supplied to the induction motor. Since the stator windings are composed of conductors, P J s are the Joule effect losses in the stator windings. The alternating currents induce iron losses in the stator and are represented by P I s . The remaining power P t r is transmitted to the rotor, in which the currents dissipate rotor Joule losses P J r . The low rotor current frequency allows us to neglect the rotor iron losses P I r . The remaining power at this stage is called total mechanical power P M , from which the mechanical power losses of the motor P m , which are mainly proportional to its rotational speed Ω r , must be subtracted to finally obtain the useful mechanical power.
The major elements of the model of an induction motor are given in the power balance presented in Figure 4, where U stands for the RMS (Root Mean Square) voltage value between two terminals of the three-phase induction motor, V is the RMS value at the terminals of a winding, I is the RMS value of a line current, J is the RMS value in a winding, R is the resistance measured between two terminals of the three-phase induction motor, r is the resistance of a winding, T e m is the electromagnetic torque moment, T u is the useful torque moment, and T p is the torque due to losses.

3. Equivalent Model of the Induction Motor

This section gives the major equations of an induction motor, such that a student beginning in electrical engineering can perform some elementary calculations. Since the major goal of this paper is pedagogical and aimed at the students, the most demanding readers are invited to turn to the most recent research articles dealing with the subject they are particularly interested in. Students will understand here the equations that model the induction motor during its operation. The spreadsheet given alongside this paper on the MDPI website in the section “Supplementary Material” will help them begin this work.
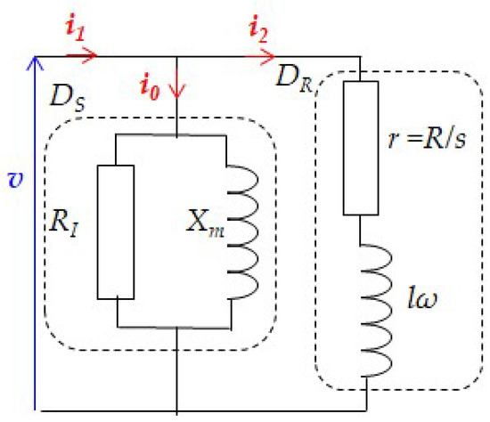
To interpret the properties of an asynchronous motor, it is possible to represent it by an electrical model. The equivalent diagram obtained then makes it possible to understand and predict the behavior of the motor in the various situations it can face. We designate by v j , ( j { 1 ; 2 ; 3 } ), i.e., any of the three simple voltages of the three-phase network supplying the motor, and by i j ( j { 1 ; 2 ; 3 } ), i.e., the intensity of the current corresponding to the phase considered. At synchronism, the electromagnetic torque T e m is zero, and the auxiliary motor compensates for the mechanical losses. The models presented in Figure 5 and Figure 6 represent a phase of a motor supplied with a three-phase voltage system. When it is loaded, the motor is supplied with a phase-neutral voltage v j , and the RMS intensity of the current in a line is i j . The model presented in the following lines considers the stator resistance R S as zero. Indeed, models that consider this resistance to be different from zero are rather complicated to write for beginners.

3.1. Equivalent Model at No-Load: s = 0

To identify the equivalent model of an induction motor at no-load, the three-phase asynchronous motor is powered by a three-phase network, and its rotor is attached to a direct current (DC) motor supplied with an adjustable voltage. The power supply of this DC motor is intended to drive the rotor in the direction imposed by the network and reach the synchronism speed Ω S (with a slip s = 0).
At this operating point, we note V 0 , which is the root mean square (RMS) value of a simple voltage; I 0 is the RMS intensity of a line current; P 0 is the power supplied by the network; and cos φ 0 is the power factor at synchronism. In this operation, the emf (electromotive force) induced in the rotor is zero, as well as the intensities of the rotor currents and the electromagnetic torque. The absorbed power P 0 only compensates the losses in the stator. Since Joule effect losses at no load can be neglected, thus saving a great deal of calculations, iron losses P i S can be written as
P i S P 0 = 3 · V 0 · I 0 · cos φ 0 .
For each phase of the three-phase power line, we accounted for this situation with an equivalent model, as illustrated in Figure 5, where the motor is similar to a dipole associating, in parallel, a resistance R I and a reactance X m . This dipole, supplied with the simple voltage v j 0 , must absorb a power equal to P 0 3 with a power factor cos φ 0 . The intensity of the absorbed current in this situation has the RMS value i 0 . The value of R I highly depends on the supply voltage frequency.
The equivalent model at synchronism of an induction motor accounts for the intensity i O and for the active power P 0 P I S . In addition, the reactive power Q 0 accounts for the magnetizing inductance of the motor, which is modeled with the inductance X m .
The first two values of the equivalent scheme, R I and X m , can be found thanks to the following formulas:
R I = 3 · V 2 P 0 ,
X m = 3 · V 2 Q 0 .
In addition, the phase shift angle φ 0 , which is visible in Figure 5, can easily be calculated using the following formula:
tan φ 0 = R I X m = Q 0 P 0 .

3.2. Equivalent Model Under Load

Under load, the motor operates under similar power conditions as shown previously (single voltage V), but the line current intensity is now i 1 , which is significantly higher than i 0 . For an absorbed power P 1 , the power factor is now equal to cos φ 1 .
One can interpret this new situation by noting that the total power P 1 absorbed by the motor is the sum of the power transmitted to the rotor P T R and the stator losses P S . By neglecting the losses due to the Joule stator effect and admitting that the stator iron losses P I S are the same at no load and under load, one can write the following for a phase:
P 1 3 P T R 3 + P 0 3 .
This relationship leads to a model associating a dipole D S , which absorbs a power P 0 3 and accounts for stator phenomena and a dipole D r which absorbs a power P T R 3 and accounts for the behavior of the rotor “seen” from a power phase. The Fresnel diagram in Figure 6 allows us to determine the intensity I 2 of the current passing through D R from the experimental values V, I 0 , φ 0 , I 1 , and φ 1 .
To determine the elements of the dipole D R , since the intensity I 2 of the current lags behind the voltage V applied to the considered phase, D R can be represented by a resistance r associated in series with an inductance l. To ensure that the presence of D R properly accounts for the additional power absorbed by the motor under load, the power dissipated in the resistance r must equal the power P t r transmitted to the rotor:
P t r = 3 · r · I 2 2 .
On the other hand, by imposing on the model the following additional condition that the i 2 intensity of the current, which passes through D r , is proportional to the actual i R intensity of the current in a phase of the rotor ( i 2 = k · i R , and then I 2 = k · I R ), then if R R is the resistance of a rotor phase, the power P J R actually dissipated by the Joule effect in the rotor is
P J R = 3 · R R · I R 2 .
Then, since P J R = s · P t r , meaning P t r = P J R / s , one can have, by setting r = R R k 2 , the equality r = R / s , with the following identifications.
P t r = 3 · r · I 2 2 = 3 · r · ( k · I R ) 2 = 3 · R R · I R 2 s = P J R s .
To identify the values of the D r equivalent dipole, a locked rotor test is performed. The rotor is blocked and supplied with reduced voltage (10 to 20% of the nominal voltage), such that the current drawn is close to the nominal current. Then, the intensity I 1 of the load current, the active power P 1 and the reactive power Q 1 are measured. Since the motor is supplied with a very low voltage, iron losses are negligible. For the model in Figure 6, this amounts to neglecting the intensity of the current in the stator ( i 0 < < i 1 ). Indeed, with a low voltage value, the magnetic circuit is far from saturation, and iron losses are also low. Since s = 1 , R / s = R , P 1 3 · R · I 1 2 and Q 1 3 · L ω · I 1 2 , then
R = P 1 3 · I 1 2 ,
l · ω = Q 1 3 · I 1 2 .
The induction motor is then completely characterized with the four constants measured, thanks to the two tests performed, at no-load ( s = 0 ) and with locked rotor ( s = 1 ).

3.3. Electro-Mechanical Characteristics Calculation

The electrical model of the motor (Figure 6) and Equation (12) allow us to write the following:
I 2 = V r 2 + l 2 · ω 2 .
Then,
P t r = 3 · V 2 · r r 2 + ( l ω ) 2 = 3 · V 2 l ω · 1 r l ω + l ω r .
The electromagnetic torque of the motor is given as a function of the transmitted power by the following formula:
T e m = P t r Ω S = 3 · V 2 l ω Ω S · 1 R s l ω + s l ω R .
That is, by replacing ω S with ω / p , we have
T e m = 3 p l · V ω 2 · 1 R s l ω + s l ω R .
This equation is mathematically maximal for s m a x = R l ω , thus giving the value
T m a x = 3 p 2 l · V ω 2 .
Then,
T e m = 2 T m a x · 1 R s l ω + s l ω R .
The maximal value of the electromagnetic torque is then independent of R, as well as of the rotor resistance R R .
The curve representing the expression of the torque as a function of the slip has a symmetry with respect to the origin, as shown in Figure 7. This symmetry indicates that when the rotor is moved by another means than the electromagnetic one at a rotational speed higher than its nominal speed, the stator supply acts as an electromagnetic brake and imposes a resistant torque to the axis load, which is visible in the negative values of s.

3.3.1. Functioning with V and f Constant

When V and f are constant, which is the case most of the time, the electromagnetic torque is only dependent on the R / s ratio, and it is expressed by Equation (18). Then, the mechanical characteristic can be deduced from this equation, either by vertical translation of the mechanical losses or even by neglecting them. The startup torque is also given by Equation (18) by setting s = 1 . If so, we have the following:
T S t a r t u p = 2 T m a x · 1 R l ω + l ω R .
It is possible to obtain the maximal torque at startup by modifying the rotor resistance. For example, by connecting, in series, with the three phases of the rotor the resistance of a startup rheostat. The resistance R of the equivalent scheme then takes the value R s t a r t u p that allows the condition T s t a r t u p = T m a x to obtain s = 1 . The corresponding resistance value R R o t o r S t a r t for a rotor phase must satisfy the following condition:
R R o t o r S t a r t = k 2 l ω .

3.3.2. Functioning with V/f = Constant

When an induction motor is supplied such that V / f = Constant, it becomes possible to place the operating point of the motor/load couple at any point of the (torque vs. speed) plane. In this case, the induction motor characteristics are similar to those of a DC motor supplied with a constant flux and an adjustable armature voltage. These very interesting operating conditions are programmed in the majority of induction motors’ industrial electronic variable speed devices.
The electromagnetic torque of the motor T e m can be given, as a function of the slip s, by the following formula:
T e m = 3 p l · V ω 2 · 1 R s l ω + s l ω R = 2 T m a x · 1 s m a x s + s s m a x .
When an induction motor is supplied so that the ratio V / f is constant, the electromagnetic torque only depends on the speed difference Ω S Ω . The torque/speed characteristics are similar to each other by simple translation along the Ω axis (Figure 8).
In the Excel file given alongside this paper, the attentive reader will notice that the curves network presented in this paper is constructed with the original T e m = f ( s ) curve, given that T X % ( s ) = f ( s ( 1 X ) ) , where X is the percentage of the nominal frequency for which the torque vs. speed plane is drawn. Figure 8 shows the curves network that was obtained with the respective frequency percentages of 20%, 40%, 60%, 80%, and 100%.
Currently, the most common inverters are PWM (pulse width modulation) inverters, whose control mode keeps the U 1 / f ratio constant and obtains almost sinusoidal currents, where U 1 is the RMS value of the V fundamental.

4. Spreadsheet Modeling of the Induction Motor

4.1. Supplementary Material Fill in Tips

To enhance the educational value of our manuscript, we include an Excel file as supplementary material. This file serves as a foundational tool for students, allowing them to engage with the content in a hands-on manner. Initially, students can use the provided spreadsheet to understand the basic principles and calculations discussed in the manuscript. This self-guided exploration will enable them to grasp the core concepts at their own pace.
Furthermore, the Excel file is designed to be a flexible and expandable resource. Students, as well as industrial readers eager to progress in the analytical modeling of induction motors, are encouraged to modify and improve the root spreadsheet according to their specific needs and interests. By experimenting with the data and formulas, they can develop a deeper understanding of the subject matter and tailor the tool to better suit their individual learning objectives. This iterative process of refinement and customization will not only reinforce their knowledge, but also foster critical thinking and problem-solving skills.
We believe that this supplementary material will significantly enhance the learning experience, providing students with a practical and interactive means to apply the theoretical concepts presented in our manuscript. To properly complete the formulas in the cells, let in the green color in the spreadsheet. The scheme given in Figure 4 details a good way to perform the calculation.
To calculate the various power and torque values in the Excel sheet given alongside this paper, with the original values, we started with the power transmitted to the rotor P t r . This value is given directly as
P t r = 3 · r · I 2 2 = 3 . R s · I 2 2 = 2339.65 W .
Next, we accounted for the Joule effect losses at the rotor P j r , which are also provided as follows:
P j r = s · P t r = 23.40 W .
The total mechanical power P M was then calculated by subtracting the Joule losses from the power transmitted to the rotor as follows:
P M = P t r P j r = 2339.65 23.40 = 2316.25 W .
To find the electromagnetic torque T e m , we used the mechanical power and the rotor speed Ω r . The torque is given by
T e m = P M Ω r .
Given that ( T e m = 14.89 N·m), we can determine the rotor speed as follows:
Ω r = P M T e m = 2316.25 W 14.89 N · m . 155.6 rad / s
Alternatively, the torque can be directly provided from the torque equation:
T e m = 3 p l · V ω 2 · 1 R s l ω + s l ω R = 14.89 N · m .
Given the value of mechanical losses p m , the corresponding mechanical losses torque T M was calculated thanks to the following formula. Here, mechanical power losses p m are equal to zero.
T p = p m Ω r = 0.00 N · m .
The useful torque T u is the electromagnetic torque minus the mechanical losses torque:
T u = T e m T p = 14.89 0.00 = 14.89 N · m .
Finally, the useful power P u is equal to the total mechanical power P M minus the mechanical power losses p m . As there were no mechanical losses, we obtained
P u = P M p m = 2316.25 0.00 = 2316.25 W .

4.2. Model Proposed in the Spreadsheet

At steady state, when the rotational speed does not vary anymore, the mechanical equilibrium is reached between the motor and its load. This equilibrium is expressed by the equation T u = T l o a d , where T u is the useful torque furnished by the motor, and T l o a d is the resistant torque of the load when it is driven at the resulting Ω r rotational speed. When the induction motor is used normally, the operating point of the motor-load set is located in the “linear” part of the mechanical characteristic of the motor, as can be seen in Figure 7. On this part of the motor characteristic (where s 10 % ), by identifying the electromagnetic torque T e m and the useful torque T u , one often considers:
T e m = K . s = K Ω s · ( Ω s Ω r ) = K K Ω s · Ω r .
Many of the exercises given to students deal with this intersection point determination, often neglecting the mechanical losses. The most important point to visualize and understand is that the driven load acts just as much as the induction motor on the determination of the motor/load operating point. To model the induction motor at a given operating point, one must be aware of the power balance presented in Figure 4, where U stands for the RMS (Root Mean Square) voltage value between two terminals of the three-phase induction motor, V is the RMS value at the terminals of a winding, I is the RMS value of a line current, J is the RMS value in a winding, R is the resistance measured between two terminals of the three-phase induction motor, r is the resistance of a winding, T e m is the electromagnetic torque moment, T u is the useful torque moment, and T p is the torque due to losses.
There are several types of mechanical load models for electric motors. Constant torque load is typical for applications such as conveyors or compressors. Linearly variable torque load increases linearly with speed, and it is often used to model fans and centrifugal pumps. Quadratic, or parabolic torque load is proportional to the square of the rotational speed and is also used to more precisely model fan and pump resistances in terms of speed. Hyperbolic torque also exists but is less common. It can be observed in some specific applications such as some braking systems, where the resistive torque decreases as speed increases. Additionally, in speed controller systems for electric motors, the resistive torque can be designed to decrease with increasing speed in order to maintain a constant speed. The model proposed in the supplementary file models a torque load up to the quadratic torque, whose shape is defined as follows:
T l o a d = a 0 + a 1 · Ω + a 2 · Ω 2 .
When slip is sufficiently small to warrant the validity of the linear hypothesis of the motor torque, the operating point is visible at the intersection of the two lines T e m ( Ω ) and T l o a d ( Ω ) , which are, respectively, presented in Equations (33) and (34), and represented in red and blue in Figure 9. These models make it possible to predict the behavior of the motor according to the applied load and allow optimization of its operating point for different applications. An example of such an intersection is presented in Figure 9.
The spreadsheet given alongside this paper on the MDPI website in the section “Supplementary Material” helped to initiate this work.

4.3. Comparison with Other Software and Models

To provide a comprehensive evaluation of our spreadsheet-based modeling tool, we compared it with other established software and models such as Simulink and PSCAD. This comparison aims to highlight the unique advantages and potential limitations of our approach.

4.3.1. Advantages

  • Accessibility and Cost: Unlike Simulink and PSCAD, which require specialized software licenses, our spreadsheet-based tool is accessible to anyone with standard spreadsheet software, making it a cost-effective solution for educational and practical applications.
  • Ease of Use: The intuitive interface of spreadsheet software allows users to easily input data and visualize results without extensive training, which is particularly beneficial for students and practitioners who may not be familiar with more complex simulation tools.
  • Pedagogical Value: Our tool effectively bridges the gap between theoretical concepts and practical applications, providing a hands-on learning experience that reinforces understanding of induction motor modeling.

4.3.2. Disadvantages

  • Simulation Capabilities: While our tool is suitable for basic modeling and educational purposes, it lacks the advanced simulation capabilities of software like Simulink and PSCAD, which can handle more complex and dynamic systems.
  • Scalability: Spreadsheet software may become cumbersome when dealing with large-scale models or extensive datasets, whereas specialized tools are designed to efficiently manage such scenarios.
Overall, while our spreadsheet-based tool offers significant benefits in terms of accessibility, ease of use, and educational value, it is important to recognize its limitations in comparison to more advanced simulation software. We believe that this tool serves as a valuable complement to existing methods, particularly in educational settings and for preliminary modeling tasks.

5. Practice

In this section, students are invited to practice with the spreadsheet they have created in the last section.

5.1. Exercise 1

A three-phase induction motor 230/400 V, 60 Hz is supplied by a three-phase line 230V/400 V, 50 Hz.
What should be the coupling of the stator windings?
Solution: Since the three-phase line has a phase-to-phase voltage of 400 V, the stator windings must be coupled in star (Y). Indeed, each phase winding can only support 230 V of maximum voltage, and the V L N (LN: line–neutral) voltage is equal to V L N = 400 / 3 = 230 V. A delta coupling ( Δ ) would apply the 400 V phase-to-phase voltage to each phase winding. The keys to understand the solution of this exercise are given in Figure 2.

5.2. Exercise 2

A three-phase induction motor shows the following characteristics: 95 kW, 230/400 V, 50 Hz, and 978 rpm.
How many pairs of poles does this motor have?
Solution: The number of poles is directly proportional to the synchronous speed of the motor. Since the the mains frequency equals 50 Hz, Equation (1) gives the, respective, synchronous frequencies of 3000, 1500, 1000, and 750 rpm for the different values of p = 1, 2, 3, and 4. Then, the number of pairs of poles is p = 3 since Ω r a t e d = 978 rpm is slightly less than 1000 rpm.

5.3. Exercise 3

A three-phase induction motor absorbs the power P a b s = 10 kW. The stator losses, P I S + P J S , are 500 W. The slip of this motor is s = 3 %. Determine the rotor Joule effect losses.
Solution: The calculation of the rotor Joule effect losses follows the power balance shown in Figure 4.
The transmitted power to the rotor is equal to P t r = 10 0.5 = 9.5 kW. Then, since the slip is s = 3%, the Joule effect losses in the rotor equal P J R = s · P t r = 0.03 · 9500 = 285 W.

5.4. Exercise 4

The tests on a six-pole induction motor gave the following results:
  • No-load test ( s = 0 ): U 0 = 240 V; f = 50 Hz; I 0 = 15 A; and P 0 = 534 W.
  • The measure, a rated DC current, of the resistance between two stator terminals gave R = 0.10 Ω .
  • In-load operation ( s = 1 ): U = 240 V (between phases); I = 40 A; P a b s = 15.3 kW; and n’ = 960 rpm;
From these measures, it is possible to determine the following:
  • The slip s.
  • The motor loaded power factor cos ϕ .
  • The stator iron losses P I s and the mechanical power losses P M , if they are assumed to be equal.
  • The stator and rotor Joule effect losses P J s and P J r .
  • The useful Power P u and the efficiency η of the motor.
  • The electromagnetic T e m and the useful mechanical rotor T u torques.
Solutions:
  • The slip s is calculated using Equation (2). Thus, s = Ω s Ω r Ω s = ( 1000 960 ) / 1000 = 0.04 = 4 % .
  • The motor loaded power factor cos ϕ can be calculated using Equation (3). Thus, cos φ = P a 3 · U · I , and the in-load motor power factor is cos φ = 15,300 / ( 3 · 400 · 40 ) = 0.92 .
  • At no-load test, the power balance scheme presented in Figure 4 gives the following equation: P a b s = P I s + P J s + P M . Since stator iron losses P I s and mechanical power losses P M are assumed to be equal, calculating the Joule effect losses in the stator gives the answer to the question. At no-load test, P J s = 3 2 · R · I 0 2 = 3 2 · 0.1 · 15 2 = 33.75 W. Then, P I s + P M = P a b s P J s = 534 33.75 = 500 W, and P I s = P M = 250 W.
  • In the load test, stator Joule effect losses are calculated in exactly the same way as in the last question, with the in-load current. Thus, P J s = 3 2 · R · I 2 = 3 2 · 0.1 · 40 2 = 240 W. Then, rotor Joule effect losses are calculated using the power balance (Figure 4). Attention must be paid to the lack of mechanical power in the power balance presented hereafter because it is taken into account just after the rotor Joule effect losses. Thus, the rotor Joule effect losses are equal to the following: P J r = s · P t r = s · ( P a b s P I s + P J s ) = 0.04 · ( 15,300 250 240 ) = 0.04 · 14,810 = 592.4 W. It can be noted that rotor Joule effect losses are significantly higher than all others as the load increases.
  • The useful power P u transmitted to the rotor is equal to P u = P t r + P J r + P M = 14,810 592.4 250 = 13,968 W. The resulting efficiency η is calculated according to Equation (4) as η = P u / P a b s = 13,968 / 15,300 = 0.91 .
  • According to the power balance presented in Figure 4, the electromagnetic torque T e m can be calculated as T e m = P t r / Ω s = 14 , 810 · 60 / ( 2 · π · 1000 ) = 141.42 N·m. Similarly, the useful mechanical rotor torque T u can be calculated as T u = P u / Ω r = 13 , 968 · 60 / ( 2 · π · 960 ) = 138.94 N·m.

5.5. Exercise 5

A four-pole (p = 2) three-phase induction motor, whose stator windings are wired in star (Y), is supplied by a three-phase line 230 V/400 V, 50 Hz. The following tests were performed:
  • At No-load test ( s = 0 ), the measures performed gave U 0 = 400 V; I 0 = 15 A, and P 0 = 300 W.
  • At a blocked rotor test ( s = 1 ), with a reduced phase-to-phase voltage U 1 = 90 V, the measurements were I 1 = 100 A and P 1 = 2.1 kW.
  • From the no-load test, determine the values of R I and X m .
  • From the blocked rotor test, determine the reactive Q 1 power dissipated in R and l ω . Then, calculate R and l ω , given that i 1 i 2 in a blocked rotor test.
    For a slip s = 0.08, calculate the following:
  • The RMS value I 2 of i 2 .
  • The power transmitted to rotor P t r .
  • The rotor Joule losses P J R .
  • The total mechanic power P M .
  • The rotor rotational speed Ω R .
  • The electromagnetic torque T e m .
Solutions:
All the solutions of this exercise can be computed thanks to the the excel file given in the supplementary material and filled along the reading of this paper. The Figure 10 summarises all the results, each of which is detailed hereafter.
  • Equation (6) states that R I = 3 · V 2 / P 0 . Then, R I = 3 · V 2 / P 0 and R I = 3 . 230 2 / 300 = 533.3 Ω . In addition, X m = 3 · V 2 / Q 0 , as presented in Equation (7). Thanks to the Fresnel triangle, one can obtain the value of Q 0 , where Q 0 = S 0 2 P 0 2 and Q 0 = ( 230 · 15 ) 2 100 2 = 3448.55 VAR. Then, X m = 230 2 / 3448.55 = 15.34 Ω .
  • The determination of the values of R and l was directly similar to the one presented in the last question. Thanks to Equation (13), the calculation of R answers to the following calculation: R = P 1 / ( 3 · I 1 2 ) , R = 700 / 100 2 = 0.07 Ω . In addition, the reactive power at a blocked rotor test can be calculated, by phase of the motor, thanks to the following formula: Q 1 = S 1 2 P 1 2 = ( 90 / 3 · 100 ) 2 700 2 = 5148.8 VAR. Then, l ω = Q 1 / ( 3 · I 1 2 ) , l ω = 5148.8 / 100 2 = 0.515 Ω by motor phase, and l = 0.515 / ( 2 · π · 50 ) = 1.64 mH.
  • I 2 represents the current transmitted to the rotor. Thanks to Figure 6 and Equation (6), the equation giving the value of I 2 is I 2 = V / ( R / s ) 2 + l 2 · ω 2 . I 2 = 230 / ( 0.07 / 0.08 ) 2 + 0 . 515 2 = 226.53 A.
  • The power transmitted to the rotor P t r is calculated thanks to the formula presented in Equation (12): P t r = 3 · ( R / s ) · I 2 2 = 3 · ( 0.07 / 0.08 ) · 226 . 53 2 = 134.7 kW.
  • The rotor Joule effect losses were calculated thanks to the following formula: P J R = s · P t r = 0.08 · 134.7 = 10.78 kW.
  • According to the scheme presented in Figure 4, the total mechanical power P M is the difference between the electromagnetic power transmitted to the rotor P t r and the power losses in the rotor P J R . Then, P M = P t r P J R and P M = 134.7 10.78 = 124 kW.
  • The rotor rotational speed Ω R is easily deduced from the synchronous speed Ω S and slip s thanks to the formula presented in Equation (2). Ω R = ( 1 s ) · Ω S , and Ω R = ( 1 0.08 ) · 1500 = 0.92 · 1500 = 1380 rpm.
  • The first way to calculate the electromagnetic torque T e m is to deduce it from transmitted mechanical power thanks to the following division: T e m = P M / Ω R . With the data of this problem, it provides the following: T e m = 124,000 · 60 / ( 2 · π · 1380 ) = 858 N·m. As can be seen, the rotor rotational speed should be expressed in rad/s. Otherwise, the units equation is not respected.
The second way to obtain the same result is to calculate the electromagnetic torque T e m with Equation (18). T e m = ( 3 p / l ) · ( V / ω ) 2 / ( R / s l ω + s l ω / R ) .

5.6. Exercise 6

We consider that the mechanical characteristic T u = f ( Ω r ) of an induction motor, when powered by a 400 V/50 Hz three-phase network, is rectilinear in its useful part and that we have T u = 0 for Ω r = Ω s .
  • Determine the expression of the useful torque T u as a function of the rotational speed Ω r , with T u in N·m and Ω r in rpm, since for Ω r = 1450 rpm and T u = 50 N·m.
    The load driven by the motor has a resistive torque T l o a d proportional to the rotational speed of the axis Ω r for Ω r = 1000 rpm and T l o a d = 35 N·m.
  • Give the expression of T l o a d as a function of Ω r .
  • Determine the operation point of the motor-load set. Specify both torque and rotational speed.
  • At this operation point, the following measures have been taken: the absorbed power P a b s = 8.6 kW and the RMS value of the intensity in the line I l i n e = 14.5 A. Calculate the power factor of the motor cos φ and its efficiency η .
Solutions:
  • Since we know two points of the line expressing T u in terms of Ω r (1500 rpm, 0 N·m) and (1450 rpm, 50 N·m), we can calculate both the slope m and the ordinate at the origin p of the line T u = m · Ω r + p . m = 0 50 1500 1450 = 1 N·m/rpm since 0 = 1.1500 + p , p = 1500 . Thus, T u = 1500 Ω r .
  • Similarly, we know two points of the desired line, (0 rpm, 0 N·m) and (1000 rpm, 35 N·m). Then, T l o a d = m · Ω r , with m = 35 1000 = 0.035 .
  • The operating point of the motor-load set is then given by the intersection of the two lines found in Questions 1 and 2. T u = T l o a d when 1500 Ω r = 0.035 · Ω r . Then, Ω r = 1500 1 + 0.035 = 1449.28 rpm and T u = T l o a d = 0.035 · 1449.28 = 50.7 N·m. The visualization of this solution is visible in Figure 9.
  • The power factor cos φ of the motor at this operating point is given by cos φ = P 3 · U · I = 8600 3 · 400 · 14.5 = 0.856 . Similarly, the efficiency of the motor is the ratio of the useful power P u divided by the absorbed power P a b s . With the characteristics of the operating point, we have P u = T u · Ω r = 50.7 · ( 144,928 · 2 · π 60 ) = 7694.65 W, and η = 7694.65 8600 = 89.5 % .

6. Conclusions and Perspectives

6.1. Conclusions

This new practical work using a classic spreadsheet has enabled students eager to learn how to model an induction motor to not only create the model, but also gain a deeper understanding of its equations. They have also improved their proficiency with the software and learned to integrate electrical formulas from their lessons into their spreadsheets, as discussed in the first part of this paper. Industrial practitioners will find this work valuable for quickly and accurately modeling the main operating values of their industrial motors, allowing for more efficient calculation of characteristics.
The spreadsheets provided in this work model an induction motor and plot the characteristic function against the rotational speed axis. With the practical experience described in the final section of this paper, readers will be able to input the correct formulas and calculate all the power values in the power balance shown in Figure 4.
By the end of this work, readers will have a digital model of an induction motor in their toolkit. This model will be useful for addressing various electrical engineering challenges related to the motor’s use under different mechanical constraints and for selecting a motor from various available models.
We chose to present the induction machine in a manner that is accessible to students who are new to the subject. While contemporary applications of slip ring machines primarily involve wind energy as doubly fed machines, our goal is to provide a foundational understanding without overwhelming students with complex concepts at the outset. In terms of educational focus, our approach is designed to ease students into the topic by focusing on the basic principles and applications of slip ring motors. This method ensures that students build a solid foundation before progressing to more advanced topics.

6.2. Positive and Negative Aspects of This Work

This paper aligns with previous works [1,2] that have enabled readers to learn and practice induction motor modeling with such support. It turns theory into practice by setting the various formulas learned in courses into the spreadsheet. Students can verify their understanding of the concepts and strengthen their knowledge. Many students have reported increased curiosity and greater effort on this project compared to others as the asynchronous nature of the work gives them a sense of freedom. Additionally, students feel proud of their results as they manage to create a tool for performing useful calculations without errors after thorough checks on induction motor problems. This new way of working encourages and inspires them to create new sheets for other problems. This paper provides ready-to-use teaching material for the next potential emergency transition to remote learning, addressing a concern raised by Tsai et al. [19].
However, there are limitations to this work, which are common to remote teaching projects. The main drawbacks include technological obstacles, exacerbated social and educational inequalities [20], and mental health issues. Additionally, students will not have the opportunity to practice on an actual induction motor or experience the real dangers associated with electrical cabling and measurement activities. Another limitation is the inherent constraints of the model itself. Nonetheless, one of the objectives of this paper is to provide readers with the tools to model an induction motor they might encounter in their professional careers. Finally, there is a concern that relying on new technologies and innovations to save money could threaten the higher education system in Western countries.

6.3. Perspectives

This paper represents a pioneering effort in the modeling of induction machines using spreadsheet software, marking a significant innovation. We believe it has the potential to inspire many researchers to develop similar practical works, aiming to advance student knowledge in specific subjects and enhance the general population’s modeling skills. The possibilities offered by such an approach are vast and we hope to see many more papers of this kind that will contribute to the accumulation of knowledge and models across various fields.
This work is the first to propose the modeling of an electrical motor using spreadsheet software. In the future, we could extend this approach to create similar practical works and mathematical models for the other two main types of electrical motors: the DC motor and the synchronous motor.

6.4. Future Research Directions

Several potential research directions are outlined, though this list is not exhaustive. The first direction involves exploring a variety of topics within engineering sciences. For instance, a power electronics simulator is currently being tested, along with practical work on electrical motors. Additionally, a mathematical probabilistic simulator is under consideration.
The second research direction focuses on varying the modeled data. For example, after modeling a complete induction motor as presented in this paper, it could be beneficial to extend the spreadsheet to vary the load conditions and automatically generate performance curves. This would help illustrate the effects of different mechanical loads on the motor’s performance characteristics. Similarly, we recognize the importance of contemporary applications, such as doubly fed machines in wind energy. We plan to address these advanced topics in future publications, providing a comprehensive view of modern applications and innovations in the field. Although this was not the primary goal of this initial paper, it represents an interesting direction, particularly for engineering degrees. The possibilities are endless.

Supplementary Materials

The following supporting information can be downloaded at: https://www.mdpi.com/article/10.3390/app15031015/s1. Excel file to be loaded and completed by the reader.

Author Contributions

Conceptualization, C.S., J.S. and Y.G.; Methodology, C.S., J.S. and Y.G.; Software, C.S., J.S. and Y.G.; Validation, C.S., J.S. and Y.G.; Writing—original draft, C.S., J.S. and Y.G.; Writing—review & editing, C.S., J.S. and Y.G.; Supervision, C.S., J.S. and Y.G. All authors have read and agreed to the published version of the manuscript.

Funding

This research received no external funding.

Institutional Review Board Statement

Not applicable.

Informed Consent Statement

Not applicable.

Data Availability Statement

The Supplementary Material is the Excel file, which is directly available on the MDPI website alongside this paper. All readers will have the possibility to train on this file and to improve it the way they deem appropriate for their personal or professional use. A reference to this paper will be greatly appreciated both by the authors and the editor of this original and open-access research work.

Acknowledgments

The authors acknowledge the students of the Industrial Engineering and Maintenance department of the University Institute of Technology of Thionville-Yutz (France) for their enthusiasm and support during the development phases of this work. The authors also would like to thank the anonymous reviewers for their kind encouragement and their valuable remarks that significantly improved this manuscript.

Conflicts of Interest

The authors declare no conflicts of interest.

Abbreviations

The following abbreviations are used in this manuscript:
P a b s Absorbed electrical power supplied to the induction motor
P u Useful power or mechanical transmitted to the load
P J s Joule effect losses in the stator winding
P I s Iron losses of the stator
P J r Joule effect losses in the rotor
P I r Iron losses of the rotor
P M Total mechanical power
P m Mechanical losses of the motor
L S , L r Self inductances of a (stator, rotor) windings
M S , M r Mutual inductance between two (stator, rotor) windings
M r S Maximum value of the mutual inductance between a winding of the rotor and one of the
stators (corresponding to a position for which θ = 0 + / 2 · π 3

References

  1. Sauvey, C. Mathematical Modeling of Electrical Circuits and Practical Works of Increasing Difficulty with Classical Spreadsheet Software. Modelling 2022, 3, 445–463. [Google Scholar] [CrossRef]
  2. Schutz, J.; Sauvey, C. Teaching of system reliability based on challenging practical works using a spreadsheet software. AIMS Math. 2023, 8, 24764–24785. [Google Scholar] [CrossRef]
  3. Fore, M.; Wilson, K.; Awang, F. Lessons Learned During the COVID-19 Pandemic: Techniques for Successful Remote Learning and Teaching. J. Res. Bus. Educ. 2023, 63, 20–46. [Google Scholar]
  4. Rios Vilaronga, C.A.; Sampaio Mendonça, C.A. Amazonian narratives: Stories of graduates with disabilities in times of pandemic. Int. J. High. Educ. 2025, 11, e025018. [Google Scholar] [CrossRef]
  5. Juárez-Díaz, C. English Teachers’ Approaches to E-teaching during the Second Term of Emergency Remote Teaching1. MEXTESOL J. 2023, 47, n3. [Google Scholar] [CrossRef]
  6. Hao, L.C.; Aguilos, G.M.; Bermejo, J.L.A.; de Jesus, V.P.L.; Garcia, M.L.B.; Madriñan, J.S.V.; Vera, G.G.; Ybañez, D.L.J.B.; Vistro-Yu, C.P. A Phenomenological Analysis of Mathematics Teachers’ Experiences of Transitioning to Fully Online Teaching: A Case of Three Filipino Teachers. Intersection 2023, 16, 1–18. [Google Scholar]
  7. Roca, H.D.C.; Vargas, L.V.; Otero, R.N.Q.; Arce, G.A.G. School Administration in Times of Pandemic. J. ReAttach Ther. Dev. Divers. 2023, 6, 1042–1051. [Google Scholar]
  8. Acheme, D.E.; Biwa, V. Graduate teaching assistants’ challenges, conflicts, and strategies for navigating COVID. Front. Commun. 2023, 8, 1266394. [Google Scholar] [CrossRef]
  9. Constantinou, F.; Carroll, M. Teacher-student interactions in emergency remote teaching contexts: Navigating uncharted waters? Learn. Cult. Soc. Interact. 2023, 43, 100769. [Google Scholar] [CrossRef]
  10. Zhao, B.; Zhang, H.; Hu, Y. Design and Development of Online Simulation Training System for Marketing Specialty under Web Technology. In Proceedings of the 2023 3rd International Conference on Education, Information Management and Service Science (EIMSS 2023), Qingdao, China, 21–23 July 2023; Atlantis Press: Amsterdam, The Netherlands, 2023; pp. 875–881. [Google Scholar] [CrossRef]
  11. Li, J.; Chen, Y. Construction of Network-aided Teaching System of Tourism Management in Colleges and Universities Based on Javaweb Technology. In Proceedings of the 2023 3rd International Conference on Education, Information Management and Service Science (EIMSS 2023), Qingdao, China, 21–23 July 2023; Atlantis Press: Amsterdam, The Netherlands, 2023; pp. 446–452. [Google Scholar] [CrossRef]
  12. Malaoui, A. Empowering Flexible Learning: The Role of Embedded Systems in Remote Laboratories. Int. J. Eng. Appl. Phys. 2023, 3, 879–890. [Google Scholar]
  13. Zhang, T.; Li, Z. Design and Application of “Vocational Skills+Mandarin” Remote Training Service Platform Based on Web Technology. In Proceedings of the 2023 3rd International Conference on Education, Information Management and Service Science (EIMSS 2023), Qingdao, China, 21–23 July 2023; Atlantis Press: Amsterdam, The Netherlands, 2023; pp. 82–91. [Google Scholar] [CrossRef]
  14. Ingolfsson, A.; Grossman, T.A., Jr. Graphical spreadsheet simulation of queues. INFORMS Trans. Educ. 2002, 2, 27–39. [Google Scholar] [CrossRef][Green Version]
  15. Doliwo-Dobrowolski, M.O. Kraftübertragung Mittels Wechselströmen von Verschiedener Phase (Drehstrom); Elektrotechnische Zeitschrift: Berlin, Germnay, 1891. [Google Scholar]
  16. Park, R.H. Two-reaction theory of synchronous machines generalized method of analysis-part I. Trans. Am. Inst. Electr. Eng. 1929, 48, 716–727. [Google Scholar] [CrossRef]
  17. Park, R.H. Two-reaction theory of synchronous machines-II. Trans. Am. Inst. Electr. Eng. 1933, 52, 352–354. [Google Scholar] [CrossRef]
  18. Heydt, G.; Venkata, S.; Nagaraj, B. High impact papers in power engineering (1900–1999). IEEE Power Eng. Rev. 2001, 2001, 48. [Google Scholar]
  19. Tsai, C.H.; Rodriguez, G.R.; Li, N.; Robert, J.; Serpi, A.; Carroll, J.M. Experiencing the Transition to Remote Teaching and Learning during the COVID-19 Pandemic. IxD&A 2020, 46, 70–87. [Google Scholar]
  20. Shin, M.; Hickey, K. Needs a little TLC: Examining college students’ emergency remote teaching and learning experiences during COVID-19. J. Furth. High. Educ. 2021, 45, 973–986. [Google Scholar] [CrossRef]
Figure 1. Squirrel cage rotor.
Figure 1. Squirrel cage rotor.
Applsci 15 01015 g001
Figure 2. Schematic view of a terminal box and a star or delta connection.
Figure 2. Schematic view of a terminal box and a star or delta connection.
Applsci 15 01015 g002
Figure 3. Nameplate of a three-phased induction motor.
Figure 3. Nameplate of a three-phased induction motor.
Applsci 15 01015 g003
Figure 4. Power balance of the induction motor.
Figure 4. Power balance of the induction motor.
Applsci 15 01015 g004
Figure 5. The electrical scheme and its equivalent Fresnel diagram when the slip s = 0 .
Figure 5. The electrical scheme and its equivalent Fresnel diagram when the slip s = 0 .
Applsci 15 01015 g005
Figure 6. Equivalent scheme of one phase of the motor.
Figure 6. Equivalent scheme of one phase of the motor.
Applsci 15 01015 g006
Figure 7. Electromagnetic torque (in N·m) as a function of slip.
Figure 7. Electromagnetic torque (in N·m) as a function of slip.
Applsci 15 01015 g007
Figure 8. Electromagnetic torque translation along the Ω axis.
Figure 8. Electromagnetic torque translation along the Ω axis.
Applsci 15 01015 g008
Figure 9. Operating point determination at the intersection of electromagnetic and load resistive torque.
Figure 9. Operating point determination at the intersection of electromagnetic and load resistive torque.
Applsci 15 01015 g009
Figure 10. Spreadsheet model of the induction motor applied on Exercise 5.
Figure 10. Spreadsheet model of the induction motor applied on Exercise 5.
Applsci 15 01015 g010
Disclaimer/Publisher’s Note: The statements, opinions and data contained in all publications are solely those of the individual author(s) and contributor(s) and not of MDPI and/or the editor(s). MDPI and/or the editor(s) disclaim responsibility for any injury to people or property resulting from any ideas, methods, instructions or products referred to in the content.

Share and Cite

MDPI and ACS Style

Sauvey, C.; Schutz, J.; Gillet, Y. Practical Work of Three-Phased Induction Motor Modeling in a Classical Spreadsheet Software. Appl. Sci. 2025, 15, 1015. https://doi.org/10.3390/app15031015

AMA Style

Sauvey C, Schutz J, Gillet Y. Practical Work of Three-Phased Induction Motor Modeling in a Classical Spreadsheet Software. Applied Sciences. 2025; 15(3):1015. https://doi.org/10.3390/app15031015

Chicago/Turabian Style

Sauvey, Christophe, Jérémie Schutz, and Yves Gillet. 2025. "Practical Work of Three-Phased Induction Motor Modeling in a Classical Spreadsheet Software" Applied Sciences 15, no. 3: 1015. https://doi.org/10.3390/app15031015

APA Style

Sauvey, C., Schutz, J., & Gillet, Y. (2025). Practical Work of Three-Phased Induction Motor Modeling in a Classical Spreadsheet Software. Applied Sciences, 15(3), 1015. https://doi.org/10.3390/app15031015

Note that from the first issue of 2016, this journal uses article numbers instead of page numbers. See further details here.

Article Metrics

Back to TopTop