Next Article in Journal
Cross-Brand Machine Learning of Coffee’s Temporal Liking from Temporal Dominance of Sensations Curves
Previous Article in Journal
Evaluation of Condyle–Fossa Relationships in Adults with Various Skeletal Patterns Using Cone-Beam Computed Tomography
 
 
Font Type:
Arial Georgia Verdana
Font Size:
Aa Aa Aa
Line Spacing:
Column Width:
Background:
Article

Fast 3D Transmission Tower Detection Based on Virtual Views

China Electric Power Research Institute, Wuhan 430074, China
*
Author to whom correspondence should be addressed.
Appl. Sci. 2025, 15(2), 947; https://doi.org/10.3390/app15020947
Submission received: 16 December 2024 / Revised: 12 January 2025 / Accepted: 13 January 2025 / Published: 19 January 2025

Abstract

Advanced remote sensing technologies leverage extensive synthetic aperture radar (SAR) satellite data and high-resolution airborne light detection and ranging (LiDAR) data to swiftly capture comprehensive 3D information about electrical grid assets and their surrounding environments. This facilitates in-depth scene analysis for target detection and classification, allowing for the early recognition of potential hazards near transmission towers (TTs). These innovations present a groundbreaking strategy for the automated inspection of electrical grid assets. However, traditional 3D target detection techniques, which involve searching the entire 3D space, are marred by low accuracy and high computational demands. Although deep learning-based 3D target detection methods have significantly improved detection precision, they rely on a large volume of 3D target samples for training and are sensitive to point cloud data density. Moreover, these methods demonstrate low detection efficiency, constraining their application in the automated monitoring of electricity networks. This paper proposes a fast 3D target detection method using virtual views to overcome these challenges related to detection accuracy and efficiency. The method first utilizes cutting-edge 2D splatting technology to project 3D point clouds with diverse densities from a specific viewpoint, generating a 2D virtual image. Then, a novel local–global dual-path feature fusion network based on YOLO is applied to detect TTs on the virtual image, ensuring efficient and accurate identification of their positions and types. Finally, by leveraging the projection transformation between the virtual image and the 3D point cloud, combined with a 3D region growing algorithm, the 3D points belonging to the TTs are extracted from the whole 3D point cloud. The effectiveness of the proposed method in terms of target detection rate and efficiency is validated through experiments on synthetic datasets and outdoor LiDAR point clouds.

1. Introduction

Electricity networks represent a critical infrastructure and a pivotal element of the national power grid. Despite the rapid progression of new power systems under the national ’double carbon’ strategy, most high-voltage transmission towers (TTs) in China are subjected to various security risks posed by the surrounding terrain and vegetation. These risks arise due to the long transmission distances and the need to traverse intricate geographical landscapes [1]. To alleviate potential surface threats adjacent to these lines, responsible departments carry out periodic inspections. In line with scientific and technological progress, the application of remote sensing technology to inspect electrical grid assets has emerged as a key area of research in the development of the smart grid [2,3].
For automated inspections of electrical grid assets using remote sensing technology, the primary data sources consist of SAR imagery, optical satellite images, optical aerial photographs, and airborne LiDAR point cloud data. LiDAR point clouds stand out for their exceptionally high spatial resolution, achieving accuracy at the centimeter level. Furthermore, LiDAR data collection is not affected by adverse weather conditions such as cloud cover, fog, or sunlight, enabling continuous monitoring regardless of weather or time of day. This capability makes LiDAR particularly useful during large-scale natural disasters such as snowstorms and earthquakes [4]. In contrast to SAR or optical imagery, which require elaborate preprocessing to construct 3D point clouds, LiDAR point clouds inherently offer high-precision, structured 3D information of the entire scene without complex processing, thereby substantially simplifying subsequent point cloud analysis and object identification. Consequently, airborne LiDAR data are gaining prominence in automated inspections of electrical grid assets, especially for the detection of TTs [5].
Thanks to significant advances in artificial intelligence and computer vision technology, object detection is increasingly becoming a key technology for automated inspections of electrical grid assets. Object detection methods have achieved significant success in the image domain, yet their shortcomings become more pronounced when applied to 3D point cloud data. For one, acquiring an adequate number of 3D patterns is challenging; in the case of TTs, for example, only a limited number of 2D samples are publicly accessible [6]. Additionally, the precision of current 3D object detection techniques is heavily influenced by the density of point clouds, leading to not only reduced detection efficiency but also limited adaptability across different scenarios [4,7]. Therefore, there is an urgent demand for the development of fast and robust 3D object detection algorithms for automated inspections of TTs.

2. Related Works

Three-dimensional (3D) point cloud data encompass rich spatial information, providing precise spatial positioning details of scenes, and playing a significant role in the localization and prediction of targets. Moreover, 3D object detection can be broadly categorized into the following types:
  • Projection-based methods: These methods process 3D point cloud data by projecting the data onto two-dimensional (2D) views (such as front view, top view, side view, etc.). This category leverages mature 2D image processing techniques, such as convolutional neural networks (CNNs), for object detection. The advantage of this approach is the ability to utilize powerful tools and algorithms from the image domain, but it may lose some depth information and may not be efficient in handling occlusion issues.
  • Point-based methods: These methods operate directly on the raw point cloud data without voxelization or other forms of transformation, directly utilizing the geometric distribution and density information of the point cloud. Methods like PointNet [8] and PointRCNN [9] preserve the complete 3D information of the point cloud but have higher computational complexity.
  • Voxel-based methods: These methods divide the 3D space into a regular grid and quantize the point cloud into 3D cells (voxels), then apply 3D CNNs for further feature extraction and object detection. Methods like VoxelNet [10] and PointPillars [11] can reduce the computational complexity to a certain extent while maintaining the spatial structure information but may introduce information loss, especially at a low sampling resolution.
  • Point-voxel-mixed methods: These methods combine the advantages of the two aforementioned methods, utilizing both the precise geometric information of the point cloud and the computational efficiency afforded by voxelization. They aim to optimize the use of computational resources while maintaining accuracy, for example, by using voxel representation in dense areas of the point cloud and directly processing point cloud points in sparse areas.
Each category has its specific application scenarios and advantages, and the most suitable method should be chosen based on specific requirements, such as accuracy requirements, real-time constraints, hardware resource limitations, etc. Point-based methods, such as PointNet [8], PointNet++ [12], PointRCNN [9], and FARP-Net [13], do not require data transformation, thus avoiding the loss of effective information. However, point cloud data are voluminous, typically consisting of tens of millions of points with 3D coordinates and other attribute information, such as colors, returns, etc. The uneven distribution in 3D space makes point-based methods computationally expensive and slow. Voxel-based methods require the transformation of point cloud data into regular voxels, using voxels as input for 3D object detection. These methods extend traditional 2D object detection networks to 3D domains and achieve higher efficiency than point-based methods. However, converting non-uniform point clouds into regular voxels may result in a lack of effective information, and due to the sparsity of point clouds, most of the converted voxels are empty, which indicates a significant amount of computational effort and memory will be wasted.
To achieve a more efficient representation of point cloud data for 3D object detection, many researchers have explored methods to transform point cloud data onto a 2D plane, such as generating bird’s-eye views or side views. This allows the use of existing mature 2D object detection networks for fast target recognition. In 2016, Li et al. [14] adopted an innovative strategy, VeloFCN, which projects point clouds onto a front view and converts them into 2D images, then uses a fully connected network to simultaneously complete object detection and location regression tasks. However, in the front view representation, the sizes of object projections in the image are inversely proportional to their depth. Different object projections are prone to overlapping, making detection tasks more difficult. In 2018, Beltrán et al. [15] proposed BirdNet, a framework that initially transforms point clouds into a bird’s-eye view (BEV) map, incorporating height, intensity, and normalized density as its three key feature layers. Subsequently, this BEV map serves as input for a faster R-CNN network, which is utilized for 2D object detection. Additionally, the method integrates ground plane estimation to predict the orientation of targets. BirdNet is structurally simple, ensuring real-time detection, but its detection accuracy is not high. Yang et al. [16] proposed a single-stage dense object detection framework named PIXOR, which projects point cloud data to obtain a BEV and apply a lightweight CNN for feature extraction, performing pixel-level dense prediction to improve detection precision. Subsequently, Yang et al. [17] optimized PIXOR and proposed HDNet, which introduces map and road semantic information to assist in object detection. Compared to PIXOR, the network structure replaces original deconvolutional layers with more efficient bilinear interpolation layers, enhancing performance. In 2021, Qi et al. [18] proposed a novel offboard 3D object detection pipeline using point cloud sequence data by making use of the temporal points through both multi-frame object detection and novel object-centric refinement models. In 2024, Vrba et al. [19] proposed a new 3D occupancy voxel mapping method for object detection and a cluster-based multiple-hypothesis tracker to compensate for the uncertainty of the sensory data, thereby providing robustness to different environments and appearance changes of objects.
BEVs significantly reduce object overlap compared to front or side views, minimizing the impact of target occlusion. Furthermore, they offer a unified and comprehensive global scene representation, allowing for the direct and clear expression of object size and orientation. However, its efficacy significantly diminishes when detecting small objects, such as the components of TTs within the context of automated inspection scenarios. Meyer et al. [20] proposed LaserNet, a method that projects point clouds to generate six panoramic views, employs convolutional neural networks for feature extraction and, subsequently, integrates the extracted features from these six perspectives for fine object detection. Fan et al. [21] proposed RangeDet, which projects point cloud data to obtain a range view and apply a Meta-convolutional kernel for feature extraction. Compared to BEVs, range views are more compact and have no quantization errors. RangeDet addresses the “pain point” of poor performance in range view-based object detection methods and even surpasses BEVs in detecting smaller or more distant objects. Some researchers have also leveraged multiple views to achieve more accurate 3D object detection. In 2024, Jing et al. [22] proposed a multi-branch, two-stage 3D object detection framework that utilizes a semantic-aware multi-branch sampling module and multi-view consistency constraints to enhance detection performance.
In the field of object detection for point cloud data, there is often a trade-off between speed and accuracy, meaning that improving detection accuracy often requires more computational resources and time, and vice versa. Point-based methods have complete information but are difficult to speed up due to the overwhelming amount of information. Voxel-based methods also face the same issue when increasing the voxel sampling resolution to pursue high detection precision. Projection-based methods can make information representation more compact, thereby reducing computational complexity and optimizing detection efficiency. However, BEVs, side views, or range views can cause an inevitable loss of information when converting from 3D to 2D. Therefore, it is important to select the appropriate method based on the specific scenario.
In the context of related works, our contributions are as follows:
  • A novel 3D TT detection pipeline for UAVs that takes advantage of existing 2D TT datasets, thereby circumventing the need for a dedicated 3D TT dataset.
  • A fast virtual view generation approach that leverages 2D splatting technology to adaptively refine the projected point size and color attributes, thereby ensuring the accurate visibility of 3D points and greatly improving the view quality.
  • A novel local–global dual-path feature fusion network for TT detection, which takes advantage of visual attention mechanisms as well as multi-scale features, to provide accurate and robust detection performance.
  • An extensive experimental evaluation and demonstration in both synthetic datasets and real-world scenarios, including TT inspection in the wild.

3. Methodology

Airborne LiDAR point cloud data cover vast areas and contain large volumes of data, while the targets to be detected are notably small and sparsely scattered throughout the scene, occupying a minimal fraction of the overall area. To enhance detection efficiency without sacrificing the accuracy of TT detection, this paper proposes a fast TT detection method based on virtual views. Initially, the method computes the flight direction by analyzing the spatial extent of the LiDAR point cloud data. With the flight direction established as the x-axis and the elevation direction as the y-axis, a parallel projection matrix is created. This matrix projects the entire LiDAR point cloud onto a vertical plane in real-world coordinates, thereby generating a comprehensive virtual view. To overcome the challenge of detecting the small-sized TTs and potential omissions, this paper puts forth a local–global dual-path feature fusion network. This network extracts the two-dimensional coordinates of all TTs from the virtual view. Ultimately, the extracted two-dimensional positions are converted back into three-dimensional spatial coordinates within the LiDAR point cloud through the application of the projection matrix. The overall pipeline is illustrated in Figure 1.

3.1. Virtual View Generation Based on 2D Splatting

Point cloud data are typically sparse and irregularly distributed, posing challenges for direct 3D object detection, especially for airborne LiDAR point clouds comprising tens of millions of points. Projecting the point cloud onto a plane to create a denser representation is a more effective method to alleviate these challenges. This approach also allows the leveraging of established 2D object detection techniques [23,24], thereby ensuring a robust detection rate. The conventional projection strategies commonly used for airborne LiDAR data include the BEVs and side views. The BEV provides a top-down perspective, with the generated virtual view being an orthogonal projection onto the XY plane. This virtual view can directly show the TTs and the surrounding environment on a global scale. However, since the key features of the TTs are primarily distributed in the elevation direction, their projection onto the XY plane results in a small coverage area and less prominent features (as shown in Figure 2a), which can make object detection difficult. Therefore, this paper adopts a side-view projection model, which is more conducive to the detection of TTs. Specifically, a parallel projection matrix, P, is used to project the point cloud onto a vertical plane formed by the flight direction and the elevation direction (as shown in Figure 2b). This approach helps to better capture the relevant features of the TTs, enhancing the overall detection performance.
It is worth noting that because 3D points lack inherent spatial dimensions, their direct projection onto a 2D plane leads to the creation of numerous empty spaces and allows distant backgrounds to seep through nearby objects. This process, consequently, compromises the original spatial scale and occlusion relationships inherent in the 3D point cloud. As shown in Figure 2b, the projections of the TT are heavily mixed with those penetrating projections of distant trees. To address this issue, traditional methods typically assign a fixed size to each 3D point based on empirical experience. However, the predefined point size commonly falls short of meeting the demands of practical applications. A size that is too small is inadequate for effectively addressing the spacing and penetrating challenges associated with distant objects. Conversely, if the size is excessively large, it may lead to overlapping and occupation of 3D points in densely populated areas within the point cloud.
Given the inherent sparsity and uneven distribution of 3D point clouds, it is necessary to increase the point size in areas with sparse point density and reduce the point size in areas with high point density. Therefore, an adaptive point size setting strategy is required. To solve this problem, this paper builds upon the surface splatting technique [25] and incorporates the latest 2D splatting techniques [26] to automatically set the point size based on local point cloud density. Specifically, each 3D point is treated as a 3D Gaussian distribution, where the spatial probability distribution follows a Gaussian distribution. Its mathematical expression is as follows:
G ( X ) = e 1 2 ( X μ ) T 1 ( X μ )
where μ denotes the center of the 3D Gaussian point, and ∑ is the 3D covariance matrix, which could be calculated by averaging the distances to the top three nearest neighbors, respectively, in the X, Y, and Z directions. When the 3D Gaussian point G ( X ) is projected onto the virtual view via the parallel projection matrix, P, corresponding to the side view, it results in a 2D Gaussian point g ( x ) ; the mathematical expression is as follows:
g ( x ) = e 1 2 ( x μ ) T 1 ( x μ )
where μ denotes the 2D coordinates obtained by projecting μ , that is, μ = P μ , while is the 2D covariance matrix, which is obtained as follows:
= J P P T J T
where J is the Jacobian matrix of P.
Following the projection of all 3D Gaussian points onto a 2D plane via the projection model P, the subsequent procedure entails rendering the virtual view by utilizing the projected geometric and color attributes. The process initiates with the sorting of the projected 2D Gaussian points based on the depth information of each point. The color of a point x within the virtual image is computed as the weighted sum of the colors of all 2D Gaussian points at that location:
C = i = 1 N c i α i j = 1 i 1 1 α j α i = α i · e x p 1 2 x μ i T Σ i 1 x μ i
where ( c i , α i ) represents the color (directly provided by LiDAR data) and opacity (with a default value of 1) of the 2D Gaussian point i, while ( μ i , Σ i ) are the Gaussian parameters of i, with α i indicating the opacity of Gaussian point i at the image pixel x.
It is noteworthy that since the entire view rendering process is based on an individual point, it is very easy to parallelize and accelerate, which can greatly reduce the virtual view generation time. Figure 3 shows a portion of the virtual view covering a TT.

3.2. Local–Global Dual-Path Feature Fusion Network

To address the challenge of detecting TTs in virtual views, where they are relatively small compared to the whole scene and inherently difficult to detect, this paper refines the feature extraction architecture. Inspired by the principles of visual focus and attention, and incorporating multi-scale feature fusion [27], we developed a local–global dual-path feature fusion network based on the YOLO framework [24] for TT detection.
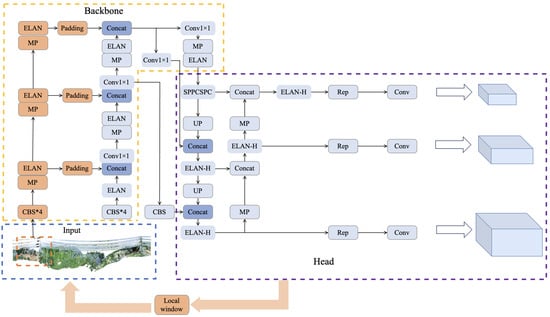
The whole algorithm is divided into three parts: the input part simulates the amplification of visual focus in images, the backbone part performs feature extraction of the local and global dual paths and fuses feature maps at different scales, and the head part realizes the inference prediction of objects. Figure 4 illustrates the overall structure of the object detection network.
The algorithm model performs sub-block partitioning of the input image at the input end, taking into account both computational speed and accuracy, and divides the image into four sub-blocks. Subsequently, it enriches the feature information of weak targets by locally magnifying the visually attended regions of the partitioned image. The magnified regions are then input through the branch streams for feature extraction and combined with the globally extracted features from the virtual view for detection. The globally extracted features are primarily used for background detection, while the locally extracted features are used for detecting TTs. The design that significantly enhances the local area serves as an extension of the visual attention mechanism, amplifying the overall and detailed information of the target object of interest, while enhancing its spatial location information, making the model more sensitive to small-sized TTs. Additionally, the feature extraction module fuses local and global feature information from different branches at multiple scales, which can more effectively obtain precise location information and high-level semantic information, increasing spatial correlation. Unlike existing attention mechanism modules, the dual-path feature fusion network magnifies the focal area at the data input end and expands the spatial information of the target through multi-scale feature information fusion in dual branches, thereby altering the weight of the feature maps.
The branch input for the local area passes through the convolutional layers of the backbone and fuses features with the convolutional layers of the global area input at multiple scales. This is achieved by using a Concat (channel connection) layer to connect the channels and then passing through a 1 × 1 convolutional layer to reorganize the feature channels and update the attention weights for small-sized target areas, removing redundant information. The feature extraction architecture for the branch input is similar to that for the global area input. The feature maps of the branch local input are combined with the global feature map size and the sub-block coordinate information at the input for interpolation and completion, followed by a Concat layer and convolutional modules that merge with the global feature maps. Since the output of the Concat layer realizes the connection of local and global input channel data, the algorithm places a 1 × 1 convolutional layer after the Concat layer to integrate feature map information of targets and backgrounds, with a SiLU activation function layer following each convolution. In each branch’s feature extraction stage, a 3 × 3 convolutional module with a stride of 2 is used to downsample the feature maps, which are then passed to the Concat layer along with other inputs, forming a multi-scale feature fusion. The resulting backbone feature maps contain the largest receptive field, with the richest semantic and spatial information.

3.3. 3D Object Localization Based on Back Projection

The locations of TTs detected by the local–global dual-path feature fusion network described in Section 3.2 are on the virtual view rather than in the LiDAR point cloud. Therefore, it is necessary to use the projection model, P, to back-project the 2D detection results into the LiDAR point cloud to obtain the portions of the point cloud corresponding to the TTs. However, since the side view projection only provides nearly half of the side information of the TTs, direct back projection can only yield half of the 3D point cloud of the towers.
To acquire the complete point cloud of the TTs from the LiDAR data, this paper employs a seed point-based 3D region growing algorithm. By using the detected 3D points belonging to the TTs as seed points, and taking the average Euclidean distance and local point cloud density in both planar and elevation directions as similarity criteria, the algorithm sequentially determines whether the neighboring points near the seed points meet the similarity criteria. If they do, the neighboring points are considered part of the TT and used as new seed points; otherwise, the points are discarded, and this region-growing step is continued until no new seed points are added, at which point the process stops. Consequently, the entire point cloud of TTs is extracted completely, as shown in Figure 5.

4. Experiments

All experiments in this paper were conducted on a computer configured with a 12th Gen Intel(R) Core(TM) i5-12400F CPU, 64GB RAM, and an Nvidia GeForce RTX3080Ti 12GB GPU, running the Windows 10 operating system. The experimental environment included Python 3.8, PyTorch 1.11.0, and CUDA 11.4.

4.1. Study Data

To validate the accuracy and efficiency of the methods proposed in this paper, experiments were conducted on both synthetic datasets and airborne LiDAR point clouds. Due to the substantial sample requirement in deep learning, which necessitates rigorous standards for scenario diversity and dataset quality, there currently exists no publicly accessible dataset dedicated to the detection of 3D TTs. In the absence of LiDAR point cloud datasets, direct performance testing and comparison are challenging. Therefore, this paper utilizes the TTPLA dataset [6], composed of drone images capturing TTs and power lines, and employs multi-view stereo algorithms [28,29] to reconstruct the 3D point cloud of the entire scenes from the drone images. These reconstructed 3D point clouds serve as the input for the algorithm, allowing for a comparative test of the effectiveness and accuracy of the proposed method. The TTPLA dataset is extracted from a collection of 80 aerial videos. Each video is captured at the resolution of 3840 × 2160 with 30 fps. In TTPLA, TTs are classified into three distinct categories based on their lattice and pole types: “tower-lattice” for those constructed from steel angle sections, “tower-hybrid” for structures featuring a combination of steel and concrete poles, and “tower-wooden” for towers made entirely of wood. This study selects seven representative scenarios (illustrated in Figure 6) from the TTPLA dataset for 3D point cloud reconstruction analysis. The selected scenarios include three instances of “tower-lattice” (lines 1, 2, and 7 in Figure 6), two of “tower-hybrid” (line 3, 4 in Figure 6), and two of “tower-wooden” (lines 5 and 6 in Figure 6). These scenarios are primarily used to verify the object detection performance of the proposed local–global dual-path feature fusion network.
The airborne LiDAR data for power transmission corridors encompass three outdoor areas of 220 KV high-voltage power transmission lines, with an average spatial resolution of 0.3 m for the point cloud. Data from each area were collected by one flight using airborne LiDAR equipment, collecting LiDAR point clouds with attributes (such as RGB color), as shown in Figure 7. The primary types of ground features, in addition to TTs, include trees, buildings, roads, etc. Due to the insufficient number of TTs in the LiDAR data used for training as samples, we selected the TTPLA dataset, composed of 2D TTs, as the training dataset to train the proposed object detection network. Subsequently, the network was employed to detect TTs within the LiDAR point clouds.

4.2. Experimental Results

The detection results are categorized into four types of samples: true positives (TPs), false positives (FPs), false negatives (FNs), and true negatives (TNs). Precision, defined as the ratio of correct detections to the total number of instances classified as positive, quantifies the accuracy of positive predictions. Recall, on the other hand, measures the proportion of actual positive instances that were correctly identified out of the total number of actual positives. There is typically a trade-off between precision and recall; an increase in one often leads to a decrease in the other. To evaluate the overall performance of a detection system, average precision (AP) and mean average precision (mAP) are utilized. The precision–recall (PR) curve is constructed by plotting precision against recall at varying thresholds. The AP is calculated as the area under the PR curve, while the mAP represents the mean of the AP scores across all classes.

4.2.1. Results on the Synthetic Dataset

The synthetic dataset is primarily utilized to evaluate the performance of the local–global dual-path feature fusion network in object detection. To comprehensively assess the algorithm’s effectiveness, the objects for detection include not only TTs but also other objects commonly encountered during power line inspections or those that pose significant risks to the safety of power lines, such as trees and large vehicles involved in construction breaches. The AP of these ground objects is also included as an evaluation metric. The final detection results for the proposed method and the YOLOv7 algorithm across the first six scenarios are presented in Table 1.
From the results presented in Table 1, it can be observed that, regardless of whether the data originates from complex or simple scenarios, the proposed algorithm employing local–global dual-dual feature fusion demonstrates a significant improvement in mAP50 compared to the original YOLOv7, with an average enhancement of over 4 % . This indicates that the use of local amplification can augment the network’s capability to extract spatial and semantic feature information of targets.
To validate the effectiveness of the network modules proposed in this paper for detecting TTs, an ablation study was conducted on Scenario 7. The results of the experiment are detailed in Table 2. Scheme 1 corresponds to the original YOLOv7 network; Scheme 2 introduces a local path module for feature extraction upon the original network; Scheme 3, building upon Scheme 2, merges features derived from the local path with those obtained from the primary pathway at every stage of feature extraction. All schemes employ the same pre-trained network weights. The detection results for Scenario 7 in Table 2 indicate that the addition of a local path to the backbone network led to a roughly 3 % increase in mAP50, demonstrating that the local path module can effectively enhance the feature information of small-sized targets. Furthermore, when the local path was incorporated into the backbone network and feature fusion was performed, the detection accuracy could be further improved to 95 % . This indicates that dual-path feature fusion can better preserve object feature information, effectively enhancing detection capabilities.

4.2.2. Results on the Airborne LiDAR Data

The detection process was carried out on LiDAR data collected from outdoor airborne surveys for automated inspections of electrical grid assets. The accuracy of the detection was assessed by measuring the proportion of the true TT points within the detection outcomes. The recall rate was determined by calculating the ratio of true TT points to the total 3D point clouds of TTs. Furthermore, the average ground sample distance (GSD) of the 3D point clouds for TTs was also listed for each scenario. The outcomes for the three respective scenarios are detailed in Table 3.
Table 3 shows that the proposed method is capable of extracting complete TTs in all three real-world scenarios (with recall rates approaching 100 % in all three scenarios). However, there is still room for improvement in detection accuracy. This is primarily due to the fact that the current 2D detection boxes are larger than the actual range of the TTs, encompassing point clouds of nearby ground objects.
The 2D detection results on the virtual view are shown in Figure 8. It can be seen from the figure that all three TTs in the scene have been detected on the virtual view, despite the complex topographic relief and distribution of clutters near the TTs.
The proposed method projects the 2D detection results into the 3D scene according to the projection matrix of the virtual view, obtaining the accurate position and point cloud information of each TT in the 3D scene. The results are shown in Figure 9. All 3D points belonging to the TTs are colorized in red in the figure, and the details of the three towers are displayed with local magnification. It can be seen from the figure that the algorithm can very well extract the 3D point cloud of the TT, but it can also be seen that a small number of point clouds of trees and bare ground near the TT are wrongly extracted.
It is also worth noting that the extracted 3D TT point clouds can be directly used for the 3D model reconstruction of the towers. Furthermore, the proposed algorithm is capable of comprehensively extracting the entire point cloud of the TT, thereby preserving the high resolution of the point cloud data to the greatest extent. For instance, when applied to airborne LiDAR data, the resolution of the target point cloud detected using the proposed method can reach within 0.2 m. This level of detail ensures sufficient 3D base map accuracy for the automated inspection of electrical grid assets.

5. Conclusions

With the rapid development of new types of power systems, the ability to detect 3D TTs during the use of drones for automated power grid inspection is a core technical element for understanding and mining potential environmental hazards. However, traditional 3D TT detection methods require searching the entire three-dimensional space, which is not only inaccurate but also very time-consuming. In recent years, although 3D target detection methods based on deep learning have significantly improved detection accuracy, they rely on a large number of 3D TT samples for training, are sensitive to the density of 3D point clouds, and have low detection efficiency, limiting their application in automatic inspection of power transmission corridors.
This paper, based on the projected virtual view, converts irregular three-dimensional point clouds into regular 2D virtual views for detection, which not only effectively utilizes mature image processing technology, especially the proposed local–global dual-path feature fusion network, to achieve efficient feature extraction, but also promotes the integration of multimodal information, combining the depth information of point clouds with the rich texture of images, greatly improving detection accuracy in complex scenes. The overall average accuracy of 3D detection of TTs can reach 83 % , and the detected point cloud resolution can reach 0.2 m, which can meet the needs of drone inspection of power transmission corridors.
However, at the same time, the proposed method also has some shortcomings, such as the extracted TT point cloud is not pure, including some ground objects near the tower. One potential solution is to enhance the YOLO framework utilized in this study by updating it to the latest version, which is integrated with the SAM (segment anything model) [30]. This upgrade is expected to yield more precise profiles of TTs in virtual views, effectively mitigating background noise. Alternatively, increasing the number of virtual views by generating multiple perspectives at varying angles could provide a more comprehensive constraint on the profile of TTs. This additional information would facilitate the 3D region growing algorithm in distinguishing and excluding background points. Future research endeavors will concentrate on these strategies for a comprehensive investigation, aiming to enhance the algorithm’s robustness.

Author Contributions

Conceptualization, J.T.; methodology, J.T. and L.Z.; software, L.Z.; experiment and validation, J.F.; draft preparation, L.Z. and J.F.; review and editing, J.T., J.F. and G.S.; funding: J.T. All authors have read and agreed to the published version of the manuscript.

Funding

This research was financially supported by a project from the China Electric Power Research Institute: “Research on Key Technologies for Intelligent Identification, Quantitative Inversion, and 3D Modeling of Transmission Channel Environment Based on Satellite Remote Sensing” (project number: GY83-23-019).

Institutional Review Board Statement

Not applicable.

Informed Consent Statement

Not applicable.

Data Availability Statement

The TTPLA dataset presented in this study are openly available in TTPLA_dataset at https://github.com/R3ab/ttpla_dataset (accessed on 15 December 2024), reference number [6]. Other contributions presented in the study are included in the article, further inquiries can be directed to the corresponding author.

Conflicts of Interest

The authors declare no conflicts of interest.

References

  1. Sheng, G.; Qian, Y.; Luo, L.; Song, H.; Liu, Y.; Jiang, X. Key Technologies and Application Prospects for Operation and Maintenance of Power Equipment in New Type Power System. High Volt. Eng. 2021, 9, 3072–3084. [Google Scholar]
  2. Hao, S.; Zhang, X.; Ma, X.; He, T.; An, B.; Li, J. Small Target Fault Detection Method for Transmission Lines Based on PKAMNet. High Volt. Eng. 2023, 8, 3385–3394. [Google Scholar]
  3. Yang, Z.; Jiang, Z.; Zhang, S.; Niu, B.; Dou, X.; Feng, Q. Identification of Floating Objects Along Transmission Corridors with Remote Sensing Images Based on Improved UNet. High Volt. Eng. 2023, 8, 3395–3404. [Google Scholar]
  4. Wu, Y.; Wang, Y.; Zhang, S.; Ogai, H. Deep 3D object detection networks using LiDAR data: A review. IEEE Sens. J. 2020, 21, 1152–1171. [Google Scholar] [CrossRef]
  5. Wu, Y.; Hong, C.; Gao, W. Bird Detecting and Bird Repelling Technology for Transmission Lines Based on the Fusion of Radar Point Cloud and Visual Image. High Volt. Eng. 2023, 8, 3446–3457. [Google Scholar]
  6. Abdelfattah, R.; Wang, X.; Wang, S. TTPLA: An aerial-image dataset for detection and segmentation of transmission towers and power lines. In Proceedings of the Asian Conference on Computer Vision, Kyoto, Japan, 30 November–4 December 2020. [Google Scholar]
  7. Lu, Z.; Gong, H.; Jin, Q.; Hu, Q.; Wang, S. A Transmission Tower Tilt State Assessment Approach Based on Dense Point Cloud from UAV-Based LiDAR. Remote Sens. 2022, 14, 408. [Google Scholar] [CrossRef]
  8. Qi, C.R.; Su, H.; Mo, K.; Guibas, L.J. Pointnet: Deep learning on point sets for 3d classification and segmentation. In Proceedings of the IEEE Conference on Computer Vision and Pattern Recognition, Honolulu, HI, USA, 21–26 July 2017; pp. 652–660. [Google Scholar]
  9. Shi, S.; Wang, X.; Li, H.P. 3d object proposal generation and detection from point cloud. In Proceedings of the IEEE/CVF Conference on Computer Vision and Pattern Recognition, Long Beach, CA, USA, 15–20 June 2019; pp. 15–20. [Google Scholar]
  10. Zhou, Y.; Tuzel, O. Voxelnet: End-to-end learning for point cloud based 3d object detection. In Proceedings of the IEEE Conference on Computer Vision and Pattern Recognition, Salt Lake City, UT, USA, 18–23 June 2018; pp. 4490–4499. [Google Scholar]
  11. Lang, A.H.; Vora, S.; Caesar, H.; Zhou, L.; Yang, J.; Beijbom, O. Pointpillars: Fast encoders for object detection from point clouds. In Proceedings of the IEEE/CVF Conference on Computer Vision and Pattern Recognition, Long Beach, CA, USA, 15–20 June 2019; pp. 12697–12705. [Google Scholar]
  12. Qi, C.R.; Yi, L.; Su, H.; Guibas, L.J. Pointnet++: Deep hierarchical feature learning on point sets in a metric space. Adv. Neural Inf. Process. Syst. 2017, 30, 1–10. [Google Scholar]
  13. Xie, T.; Wang, L.; Wang, K.; Li, R.; Zhang, X.; Zhang, H.; Yang, L.; Liu, H.; Li, J. FARP-Net: Local-global feature aggregation and relation-aware proposals for 3D object detection. IEEE Trans. Multimed. 2023, 26, 1027–1040. [Google Scholar] [CrossRef]
  14. Li, B.; Zhang, T.; Xia, T. Vehicle detection from 3d lidar using fully convolutional network. arXiv 2016, arXiv:1608.07916. [Google Scholar]
  15. Beltrán, J.; Guindel, C.; Moreno, F.M.; Cruzado, D.; Garcia, F.; De La Escalera, A. Birdnet: A 3d object detection framework from lidar information. In Proceedings of the 2018 21st International Conference on Intelligent Transportation Systems (ITSC), Maui, HI, USA, 4–7 November 2018; pp. 3517–3523. [Google Scholar]
  16. Yang, B.; Luo, W.; Urtasun, R. Pixor: Real-time 3d object detection from point clouds. In Proceedings of the IEEE Conference on Computer Vision and Pattern Recognition, Salt Lake City, UT, USA, 18–23 June 2018; pp. 7652–7660. [Google Scholar]
  17. Yang, B.; Liang, M.; Urtasun, R. Hdnet: Exploiting hd maps for 3d object detection. In Proceedings of the Conference on Robot Learning, Zurich, Switzerland, 29–31 October 2018; pp. 146–155. [Google Scholar]
  18. Qi, C.R.; Zhou, Y.; Najibi, M.; Sun, P.; Vo, K.; Deng, B.; Anguelov, D. Offboard 3d object detection from point cloud sequences. In Proceedings of the IEEE/CVF Conference on Computer Vision and Pattern Recognition, Nashville, TN, USA, 20–25 June 2021; pp. 6134–6144. [Google Scholar]
  19. Vrba, M.; Walter, V.; Pritzl, V.; Pliska, M.; Báča, T.; Spurnỳ, V.; Heřt, D.; Saska, M. On onboard LiDAR-based flying object detection. arXiv 2024, arXiv:2303.05404. [Google Scholar] [CrossRef]
  20. Meyer, G.P.; Laddha, A.; Kee, E.; Vallespi-Gonzalez, C.; Wellington, C.K. Lasernet: An efficient probabilistic 3d object detector for autonomous driving. In Proceedings of the IEEE/CVF Conference on Computer Vision and Pattern Recognition, Long Beach, CA, USA, 15–20 June 2019; pp. 12677–12686. [Google Scholar]
  21. Fan, L.; Xiong, X.; Wang, F.; Wang, N.; Zhang, Z. Rangedet: In defense of range view for lidar-based 3d object detection. In Proceedings of the IEEE/CVF International Conference on Computer Vision, Montreal, BC, Canada, 11–17 October 2021; pp. 2918–2927. [Google Scholar]
  22. Jing, H.; Wang, A.; Zhao, L.; Yang, Y.; Bu, D.; Zhang, J.; Zhang, Y.; Hou, J. Boosting 3D Object Detection with Semantic-Aware Multi-Branch Framework. arXiv 2024, arXiv:2407.05769. [Google Scholar] [CrossRef]
  23. Cheng, P.; Guo, M.; Wang, H.; Fu, Z.; Li, D.; Ren, X. Fusion segmentation network guided by adaptive sampling radius and channel attention mechanism module for MLS point clouds. Appl. Sci. 2022, 13, 281. [Google Scholar] [CrossRef]
  24. Diwan, T.; Anirudh, G.; Tembhurne, J.V. Object detection using YOLO: Challenges, architectural successors, datasets and applications. Multimed. Tools Appl. 2023, 82, 9243–9275. [Google Scholar] [CrossRef] [PubMed]
  25. Zwicker, M.; Pfister, H.; Van Baar, J.; Gross, M. Surface splatting. In Proceedings of the 28th Annual Conference on Computer Graphics and Interactive Techniques, Los Angeles, CA, USA, 12–17 August 2001; pp. 371–378. [Google Scholar]
  26. Kerbl, B.; Kopanas, G.; Leimkühler, T.; Drettakis, G. 3D gaussian splatting for real-time radiance field rendering. ACM Trans. Graph. 2023, 42, 4. [Google Scholar] [CrossRef]
  27. Ling, X.; Zhang, C.; Yan, Z.; Wang, B.; Sheng, Q.; Li, J. Infrared Dim and Small Target Detection Based on Local–Global Feature Fusion. Appl. Sci. 2024, 14, 7878. [Google Scholar] [CrossRef]
  28. Schönberger, J.L.; Frahm, J.M. Structure-from-Motion Revisited. In Proceedings of the Conference on Computer Vision and Pattern Recognition (CVPR), Las Vegas, NV, USA, 27–30 June 2016. [Google Scholar]
  29. Schönberger, J.L.; Zheng, E.; Pollefeys, M.; Frahm, J.M. Pixelwise View Selection for Unstructured Multi-View Stereo. In Proceedings of the European Conference on Computer Vision (ECCV), Amsterdam, The Netherlands, 11–14 October 2016. [Google Scholar]
  30. Kirillov, A.; Mintun, E.; Ravi, N.; Mao, H.; Rolland, C.; Gustafson, L.; Xiao, T.; Whitehead, S.; Berg, A.C.; Lo, W.Y.; et al. Segment anything. In Proceedings of the IEEE/CVF International Conference on Computer Vision, Paris, France, 2–3 October 2023; pp. 4015–4026. [Google Scholar]
Figure 1. Overall pipeline of the proposed method. The detected TTs are highlighted in red rectangles in the virtual image and are rendered in red within the 3D point cloud.
Figure 1. Overall pipeline of the proposed method. The detected TTs are highlighted in red rectangles in the virtual image and are rendered in red within the 3D point cloud.
Applsci 15 00947 g001
Figure 2. Comparison of two projection strategies on the TT.
Figure 2. Comparison of two projection strategies on the TT.
Applsci 15 00947 g002
Figure 3. Illustration of a portion of a generated virtual view.
Figure 3. Illustration of a portion of a generated virtual view.
Applsci 15 00947 g003
Figure 4. Local–global dual-path feature fusion network.
Figure 4. Local–global dual-path feature fusion network.
Applsci 15 00947 g004
Figure 5. Illustration of a TT extracted from the LiDAR data.
Figure 5. Illustration of a TT extracted from the LiDAR data.
Applsci 15 00947 g005
Figure 6. Seven selected scenarios from TTPLA. All TTs are photographed from different angles.
Figure 6. Seven selected scenarios from TTPLA. All TTs are photographed from different angles.
Applsci 15 00947 g006
Figure 7. Example of airborne LiDAR data.
Figure 7. Example of airborne LiDAR data.
Applsci 15 00947 g007
Figure 8. Illustration of 2D detection results on airborne LiDAR data.
Figure 8. Illustration of 2D detection results on airborne LiDAR data.
Applsci 15 00947 g008
Figure 9. Illustration of 3D detection results on airborne LiDAR data.
Figure 9. Illustration of 3D detection results on airborne LiDAR data.
Applsci 15 00947 g009
Table 1. Comparison of mAP50 under six scenarios.
Table 1. Comparison of mAP50 under six scenarios.
Scenario No.YOLOv7Ours
10.840.90
20.750.81
30.740.78
40.950.99
50.700.76
60.790.84
Table 2. Results of the ablation study.
Table 2. Results of the ablation study.
No.SchememAP50
1YOLOv70.90
2YOLOv7 + local path0.93
3YOLOv7 + dual path0.95
Table 3. Results on the airborne LiDAR data.
Table 3. Results on the airborne LiDAR data.
No.AccuracyRecall RateGSD/m
185%100%0.22
280%99%0.21
383%100%0.17
Disclaimer/Publisher’s Note: The statements, opinions and data contained in all publications are solely those of the individual author(s) and contributor(s) and not of MDPI and/or the editor(s). MDPI and/or the editor(s) disclaim responsibility for any injury to people or property resulting from any ideas, methods, instructions or products referred to in the content.

Share and Cite

MDPI and ACS Style

Zhou, L.; Tan, J.; Fu, J.; Shao, G. Fast 3D Transmission Tower Detection Based on Virtual Views. Appl. Sci. 2025, 15, 947. https://doi.org/10.3390/app15020947

AMA Style

Zhou L, Tan J, Fu J, Shao G. Fast 3D Transmission Tower Detection Based on Virtual Views. Applied Sciences. 2025; 15(2):947. https://doi.org/10.3390/app15020947

Chicago/Turabian Style

Zhou, Liwei, Jiaying Tan, Jing Fu, and Guiwei Shao. 2025. "Fast 3D Transmission Tower Detection Based on Virtual Views" Applied Sciences 15, no. 2: 947. https://doi.org/10.3390/app15020947

APA Style

Zhou, L., Tan, J., Fu, J., & Shao, G. (2025). Fast 3D Transmission Tower Detection Based on Virtual Views. Applied Sciences, 15(2), 947. https://doi.org/10.3390/app15020947

Note that from the first issue of 2016, this journal uses article numbers instead of page numbers. See further details here.

Article Metrics

Back to TopTop