Next Article in Journal
Real-Time Global Velocity Profile Calculation for Eco-Driving on Long-Distance Highways Using Variable-Step Spatial Segmentation
Next Article in Special Issue
From Renewable Extremes to Practical Hybrids: Techno-Economic Analysis of a Standalone Microgrid for a Critical Facility in Carbondale, Illinois
Previous Article in Journal
A Comparative Study of Stainless Steel and PEEK TiO2 Composite: Effects on Cell Behavior and Bacterial Adhesion in Pediatric Crowns
Previous Article in Special Issue
Design of a Methodology to Evaluate the Energy Flexibility of Residential Consumers to Enhance Household Demand Side Management: The Case of a Spanish Municipal Network
 
 
Font Type:
Arial Georgia Verdana
Font Size:
Aa Aa Aa
Line Spacing:
Column Width:
Background:
Article

A Complete Control-Oriented Model for Hydrogen Hybrid Renewable Microgrids with High-Voltage DC Bus Stabilized by Batteries and Supercapacitors

by
José Manuel Andújar Márquez
*,
Francisco José Vivas Fernández
and
Francisca Segura Manzano
Research Centre on Technology, Energy and Sustainability (CITES), University of Huelva, 21007 Huelva, Spain
*
Author to whom correspondence should be addressed.
Appl. Sci. 2025, 15(19), 10810; https://doi.org/10.3390/app151910810
Submission received: 21 August 2025 / Revised: 28 September 2025 / Accepted: 7 October 2025 / Published: 8 October 2025
(This article belongs to the Special Issue Challenges and Opportunities of Microgrids)

Abstract

The growing penetration of renewable energy sources requires resilient microgrids capable of providing stable and continuous operation. Hybrid energy storage systems (HESS), which integrate hydrogen-based storage systems (HBSS), battery storage systems (BSS), and supercapacitor banks (SCB), are essential to ensuring the flexibility and robustness of these microgrids. Accurate modelling of these microgrids is crucial for analysis, controller design, and performance optimization, but the complexity of HESS poses a significant challenge: simplified linear models fail to capture the inherent nonlinear dynamics, while nonlinear approaches often require excessive computational effort for real-time control applications. To address this challenge, this study presents a novel state space model with linear variable parameters (LPV), which effectively balances accuracy in capturing the nonlinear dynamics of the microgrid and computational efficiency. The research focuses on a high-voltage DC bus microgrid architecture, in which the BSS and SCB are connected directly in parallel to provide passive DC bus stabilization, a configuration that improves system resilience but has received limited attention in the existing literature. The proposed LPV framework employs recursive linearisation around variable operating points, generating a time-varying linear representation that accurately captures the nonlinear behaviour of the system. By relying exclusively on directly measurable state variables, the model eliminates the need for observers, facilitating its practical implementation. The developed model has been compared with a reference model validated in the literature, and the results have been excellent, with average errors, MAE, RAE and RMSE values remaining below 1.2% for all critical variables, including state-of-charge, DC bus voltage, and hydrogen level. At the same time, the model maintains remarkable computational efficiency, completing a 24-h simulation in just 1.49 s, more than twice as fast as its benchmark counterpart. This optimal combination of precision and efficiency makes the developed LPV model particularly suitable for advanced model-based control strategies, including real-time energy management systems (EMS) that use model predictive control (MPC). The developed model represents a significant advance in microgrid modelling, as it provides a general control-oriented approach that enables the design and operation of more resilient, efficient, and scalable renewable energy microgrids.

1. Introduction

The global energy sector faces significant challenges stemming from geopolitical instability, climate change imperatives, and grid resilience requirements [1,2]. In this context, microgrids have emerged as a strategic solution. Defined as relatively small-scale, controllable energy systems that connect local generation units to proximate users, microgrids are a key form of distributed generation [3,4]. Their current configurations predominantly incorporate local renewable energy sources, such as solar and wind power, thereby reducing dependence on fossil fuels and improving energy security [3,5]. Climate-focused policies, including the Grand Deal framework, further underscore their importance in facilitating decarbonisation and improving energy accessibility. The autonomous and secure operation of these systems is crucial for ensuring the resilience of critical infrastructure against disruptions from extreme weather or cyber threats [1,2]. Consequently, microgrids are established as fundamental components of sustainable energy systems, effectively combining climate mitigation with enhanced security and adaptability [5,6].
The evolution of microgrids points towards a broader paradigm: the development of a grid comprising hybrid microgrids for smart cities. Conceptually, this approach offers numerous advantages, such as superior power quality, reliability, security, and resiliency [7]. It also enables the integration of various energy carriers through energy hubs, allows for higher penetration of renewables with positive environmental impacts, facilitates self-healing as a key feature of smart grids, and can lead to reduced energy costs [7].
However, a primary challenge in renewable-based systems is the inherent climate dependency of sources like solar and wind, which results in stochastic generation patterns that preclude a guaranteed continuous electricity supply [3,8]. To address the resulting discrepancies between generation and consumption profiles, Energy Storage Systems (ESSs) are essential [3,8]. There is a wide range of technologies available to implement them, including battery banks (BBs), supercapacitor banks (SCBs), superconducting magnetic energy storage, flywheels, compressed air systems, and hydrogen-based solutions, each with distinct advantages and limitations [9]. Research demonstrates that Hybrid Energy Storage Systems (HESS), which integrate multiple technologies to operate synergistically, can effectively mitigate individual shortcomings while optimizing overall system performance [10,11].
For effective integration, renewable microgrids with HESS can be configured around DC buses, AC buses, or hybrid AC/DC architectures [11,12]. The configuration chosen to connect the components, either directly or through power converters, is critical, as it significantly influences both the complexity and controllability of individual elements and the microgrid as a whole [12,13].
At small to medium scales, there is growing consensus favouring DC bus-based microgrid architectures incorporating HESS configurations with BBs/SCBs and hydrogen as an energy vector [3,10]. This trend reflects increasing adoption of sophisticated hybrid systems integrating diverse components (batteries, supercapacitors, electrolysers, fuel cells (FCs), etc.) and technologies (lead-acid and Li-ion batteries, polymer electrolyte membrane (PEM) and high-temperature FCs, alkaline and PEM electrolysers, etc.), resulting in more complex system architectures and control requirements [8,11]. Figure 1 illustrates a representative configuration featuring comprehensive HESS integration with multiple degrees of freedom, which serves as the foundation for this investigation.
DC bus architectures provide notable advantages for microgrid integration, particularly in terms of control efficiency, as they facilitate direct generator and HESS connections while eliminating reactive power and frequency regulation challenges inherent to AC systems [3,14]. However, when AC buses (230 V single-phase or 400 V three-phase) derive from a primary DC bus, implementation of a high-voltage DC (HVDC) bus becomes necessary to maintain appropriate voltage ranges (see Figure 1). Proper integration and control of microgrid components connected to the DC bus requires carefully selected power conditioner topologies tailored to the characteristics of each system (see Figure 1).
Maintaining DC bus voltage stability is paramount for ensuring proper integration and operation of all microgrid components [14,15]. In configurations where power conditioners interface all elements with the DC bus, implementation of specialized control laws is required to maintain voltage stability [16]. The complexity of this control challenge escalates with system complexity, becoming particularly demanding in sophisticated architectures such as that depicted in Figure 1 [8,9]. Consequently, researchers have proposed DC bus architectures directly stabilized by BBs and/or SCBs, capitalizing on their dynamic response characteristics and voltage regulation capabilities [14,17]. Among various direct-connection topologies, the passive parallel BB/SCB configuration (Figure 1) offers superior performance in terms of efficiency, cost-effectiveness, control simplicity, dynamic response, voltage stability, and battery longevity by mitigating the harmful effects of high current peaks [18,19]. This architecture is particularly beneficial because demand spikes can stress and degrade the battery [20,21], while the supercapacitor’s natural ability to absorb high-frequency current transients helps protect the battery, enhancing system robustness and extending its lifespan.
Notwithstanding these advantages, ensuring safe DC bus voltage operating ranges and extending component lifespans (both heavily dependent on operating conditions) requires precise control of BB/SCB charge/discharge dynamics and accurate bus voltage behaviour prediction [14,22]. The parallel topology complicates this task, as power distribution and dynamic responses depend on each element’s internal impedance characteristics, which are not known a priori [18,23]. This challenge is further compounded by integration of additional system components such as supplementary battery systems, hydrogen-based storage systems (HBSS), and main electricity grid (MEG) connections, which collectively increase system degrees of freedom and overall complexity (see Figure 1).
These considerations clearly demonstrate the necessity for advanced multi-objective energy management systems (EMSs) in such complex architectures. Effective EMS implementation must optimize synergy among all system components to simultaneously ensure both power balance (including temporal energy equilibrium) and DC bus voltage stability [3,24]. Model predictive control (MPC)-based EMS implementations currently represent the most promising solution [24,25], though they require development of microgrid models that optimally balance accuracy and computational efficiency. While non-model-based EMS approaches exist in literature [26,27,28], their inability to support analytical stability assessment or optimization represents a significant limitation.

1.1. Literature Review

The literature provides a wide range of contributions addressing the modelling of renewable microgrids with HESS and DC buses, each targeting different levels of architectural complexity and EMS.
A first category relies on nonlinear models of microgrid components to capture device-level dynamics with high fidelity. Representative works include [29,30,31,32,33], which analyse HESS-based microgrids in detail. Specifically, refs. [29,30,31] propose active BSS–SCB HESS architectures that use nonlinear equivalent circuit models based on Thévenin’s theorem, including series resistance, parameter-dependent Thévenin voltage source, and SOC dynamics. Similarly, refs. [32,33] adopt nonlinear formulations for the optimal management of HBSS-based microgrids, where the electrolyser and fuel cell are modelled through nonlinear voltage–current characteristics governed by their internal electrochemical kinetics. While these approaches offer valuable information at the device level, their use in applications aimed at controlling entire microgrids is limited due to high computational cost, non-convex optimization, and difficulties in stability analysis [33,34]. Furthermore, the proposed nonlinear models often neglect system-level interactions, restricting their suitability for integrated microgrid studies. It should also be noted that all of the reviewed works consider active architectures, leaving passive configurations largely unexplored.
To overcome these challenges and take advantage of the benefits of linear control theory, numerous studies have developed linear or linearized models. These approaches maintain analytical tractability while capturing dominant system dynamics. The most common formulations are linear time-invariant (LTI) and piecewise-linear (PWL) models [35,36]. LTI models are based on constant matrices defined around nominal operating points of the system, whereas PWL models approximate nonlinear behaviours by dividing the state space into linear regions. Their use range from real-time controller design to supervisory EMS.
LTI models have been widely applied to simple active HESS architectures composed of BSS and SCB. Some examples are [37,38,39,40], where refs. [37,38] use the SOC of BSS and SCB as state variables for MPC-based EMS in DC microgrids on board ships and in homes, respectively, and refs. [39,40] include as states variables element-level voltages and SOCs for advanced controller design in multi-input and series–parallel converters, with the aim of regulating the DC bus voltage and ensuring power balance. Passive architectures have also been studied in [19,41], where LTI models describe SOC dynamics but adopt static representations of bus voltage and component currents, thereby neglecting DC bus voltage dynamics.
More complex architectures integrate the HBSS with the BSS or SCB. Studies [42,43,44,45] report LTI-based models of active HBSS–BSS systems. LTI models with SOC and hydrogen level (HL) as state variables are proposed in [42,43] for the model-based control of isolated DC microgrids. An LTI model studied in [44] addresses optimal electrical and thermal management under uncertainty using AI techniques. A passive HBSS–BSS microgrid is modelled in [45] using an element-by-element LTI formulation, where SOC, HL, and DC bus voltage are considered as state variables for the economic optimization of a grid-connected domestic DC microgrid. PWL models are explored in [46,47], focusing on renewable-based domestic microgrids. In [46], HBSS efficiency is updated through SOC-HL-based PWL approximations of its power–efficiency curve, while [47] applies PWL formulations to capture BSS degradation by updating nominal capacity according to cycle depth and effective discharge.
Architectures combining HBSS and SCB are presented in [48,49], where LTI models with SOC and HL as state variables are used for EMS for DC microgrids intended for power and hydrogen co-generation, commercialisation, and vehicle-to-home/home-to-vehicle (V2H/H2V) integration.
Other contributions [32,50,51,52] explore hybrid configurations that integrate HBSS, BSS, and SCB into active architectures. These studies primarily design local PID controllers for power balance and DC bus regulation but rely on element-level models rather than comprehensive system formulations. Finally, ref. [53] develops an MPC-based EMS for an isolated HESS microgrid using a simplified LTI model with SOC and HL which, while practical, neglects DC bus voltage dynamics and limits applicability under real-world conditions.
In general, linear approaches such as LTI and PWL ensure tractability and compatibility with standard control methods, but they are constrained by working with constant parameters, which restricts accuracy under dynamic or long-term conditions
As an intermediate solution between purely nonlinear systems and LTI and PWL systems, linear models with parameter-varying emerge [54,55,56]. These preserve linear tractability while allowing system parameters to vary over time, thereby capturing nonlinear dynamics very effectively. For instance, ref. [54] proposes an LPV framework for a hybrid HESS with a passively connected LIBB and an actively connected SCB, modelled through equivalents based on Thévenin’s theorem, with updates to the model parameters for SOC dynamics. Similarly, ref. [55] applies recursive linearization to fuel-cell dynamics in HBSS, and ref. [56] extends LPV methods to HBSS–LABB architectures in passive configurations. Despite their potential, LPV-based approaches remain scarce, particularly for complex systems combining HBSS, BSS, and SCB.
In summary, the literature highlights the need to reach a trade-off between model accuracy, computational efficiency, and applicability. Nonlinear models provide accuracy but entail high computational costs, while LTI and PWL models are efficient but limited in terms of dynamic coverage. Based on this, LPV-based approaches emerge as a promising solution, but they remain insufficiently explored for complex architectures integrating HBSS, BSS, and SCB.

1.2. Contributions

This study makes several significant contributions to the field of renewable microgrid modelling and control, addressing critical gaps identified in existing literature:
  • Comprehensive Microgrid Architecture Modelling. Presents a novel analysis and modelling framework for a practical renewable microgrid architecture featuring a complex hybrid energy storage system (HESS). The microgrid integrates different battery technologies, supercapacitors, and hydrogen-based storage, configured around a stabilised DC bus through the direct parallel connection of batteries and supercapacitors.
  • General Formulation in State-Space. Develops a complete, multivariable model in state-space that captures all the dynamics of interest for microgrid analysis and controller design. In fact, the model’s behaviour over time is nonlinear, hence its accuracy. Furthermore, the model uses only measurable state variables, eliminating the need for state observers or estimators, while maintaining suitability for advanced model-based control strategies.
  • Computationally Efficient LPV Approach. The proposed model is formulated as a linear parameter variable (LPV) system, which ensures low computational cost (as it is a linear model at each sampling time), while improving accuracy compared to traditional LTI models, since it addresses the nonlinearities of this type of microgrid through a recursive linearisation process around variable operating points. This means that although the model is linear in each sampling, it can be different, allowing the entire dynamics of the microgrid to be covered over time. Therefore, if the appropriate sampling times are chosen, the model captures nonlinearities, so that it behaves like non-linear model over time.
  • Generalizable Modelling Methodology. Development of a general and understandable modelling methodology that is easily applicable and extensible to different microgrids architectures.
  • Comparative Advancements. As summarized in Table 1, the proposed solution demonstrates clear improvements over existing approaches, as it simultaneously addresses four common limitations found in previous work published in the literature: greater complexity, interpretation and computational cost of non-linear models, oversimplified HESS architectures, omission of DC bus voltage dynamics, and reliance on static or linearized single-point models.
All these contributions, taken together, enable progress in the control of renewable microgrids, providing both theoretical foundations and practical tools for developing effective energy management systems (EMS) for complex HESS configurations. In particular, this work enables more accurate and reliable model-based control strategies to be implemented, which responds to a critical need in the field of complex renewable microgrids.
The rest of this article is organized as follows. Section 2 provides a detailed description of the architecture and operation of the microgrid under study. Section 3 develops its state-space model. Section 4 presents the results obtained using the developed model and compares it with a reference model from the literature. These results are analysed and discussed in Section 5. Finally, Section 6 outlines the main conclusions of the research.

2. Microgrid Architecture and Operation

The microgrid under study presented in Figure 1 is intended to be general and comprehensive, allowing interested researchers to adapt it to their specific cases. As illustrated, it is a complex renewable microgrid connected to the MEG. The EES comprises a LABB and a SCB, which directly support the DC bus via their direct connections. The EES is further complemented by a LIBB and a HBSS, each connected to the DC bus through their respective power conditioners. The sign criterion adopted is such that any power injected into the DC bus is considered negative and positive otherwise.
The microgrid of Figure 1 can be easily expanded from the DC bus by adding single-phase (230 V) and/or three-phase (400 V) AC buses through suitable DC/AC converters. However, as a major advantage for modelling purposes, all generation and load are referenced to the DC bus, so additional AC buses would simply be treated as another load or as interconnections with the MEG.
The operation of the microgrid, which is the basis of the model to be developed, assumes that renewable energy is not a control variable, i.e., all renewable energy is always harnessed through one or more of the following operations (performed by the corresponding EMS): powering loads, charging the SCB, charging the LABB, charging the LIBB, producing hydrogen, or selling electricity to the MEG.
Since the LABB and SCB are connected directly to the DC bus, their charging and discharging are not considered controlled variables. This direct connection leverages their complementary dynamics, a feature that would be compromised if they were connected through power converters [18]. In this case, the main function of the LABB is to stabilize the voltage on the DC bus, resulting in a narrow operating range determined by the established voltage limits. This differs from traditional BSSs usage, and therefore additional systems will be required to ensure a greater usable storage capacity of the HESS. The choice of lead-acid technology is justified by its lower cost and fewer charge/discharge management constraints compared to lithium-ion technology [57,58].
The SCB, operating in parallel with the LABB within a passive architecture, plays a critical role in attenuating sudden fluctuations in power demand or injection that could otherwise compromise the stability of the DC bus and the microgrid as a whole. It also mitigates the detrimental impact of such transients on the lifespan of the LABB [17].
The stabilization of the DC bus voltage by the LABB and the SCB simplifies the control laws of power conditioners connected to the DC bus, enabling them to focus solely on achieving maximum power transfer rather than stabilizing the voltage at their output.
For its part, LIBB serves as the main ESS operating in the short-term due to its superior efficiency and longer lifespan (characterized by a high number of cycles compared to the LABB).
On the other hand, the HESS operates as a long-term storage system, allowing hydrogen production, storage, and subsequent conversion back to electrical energy in a closed loop system.
As can be seen in Figure 1, power conditioners allow all elements to be integrated around the DC bus and manage power and energy flows effectively. Finally, the microgrid includes a bidirectional connection with the MEG, allowing for energy purchases and sales.

3. Microgrid Modelling Methodological Foundation Proposal

The following sections present the proposed mathematical analysis with the aim of developing a discrete linear state space model of the microgrid shown in Figure 1. As usual, the state variables correspond to those associated with energy storage systems (ESSs). The model is control-oriented and specifically formulated for energy management of the microgrid. Consequently, aspects related to the degradation of the energy storage systems are not considered in this formulation.

3.1. Lead-Acid Battery and Supercapacitor Bank Model

To develop a model that balances accuracy with low computational cost, first-order Thévenin models have been selected for the modelling of the LABB and SCB, Figure 2. These models are well-established and have been previously validated in the scientific literature [59,60]. The reason for studying LABB and SCB together is that the two elements work in tandem, in a complementary manner, to stabilise the DC bus. Hybridizing batteries and supercapacitors in a parallel configuration enhances overall performance and simplifies the control of both systems. This is because the distribution of roles between them is entirely passive, governed by the internal dynamics of each component.
By modelling the LABB as in Figure 2, the literature indicates that the R s L A and C L A values can be considered practically constant with respect to S O C L A in its useful working range: S O C L A t [ 30 % , 90 % ] , [61,62]. However, R p L A exhibits a strong nonlinear relationship with S O C L A , [61,62]. Therefore, the following hypotheses are made (1).
R s L A t R S L A   R p L A ( t ) = f R p L A S O C L A t   C L A t C L A
If R s L A and C L A cannot be considered constant, the following mathematical analysis remains valid; only a dependency function for these parameters concerning S O C L A would need to be included, similar to the approach for the R p L A   parameter.
According to Kirchoff’s current law (KCL), the LABB capacitor current ( i C L A t ) is calculated as in (2).
i C L A t = C L A d v C L A t d t = i L A t i R p L A t
Defined i R p L A t in (3), d v C L A t d t is calculated in (4):
i R p L A t = v C L A t R p L A
d v C L A t d t = i L A t 1 C L A v C L A t 1 R p L A · C L A
Considering (1), (4) can be rewritten as (5):
d v C L A t d t = i L A t 1 C L A v C L A t 1 f R p S O C L A t · C L A
Applying Taylor’s theorem to the nonlinear term in (5), v C L A t f R p L A S O C L A t , yields the approximation (6).
d v C L A t d t = i L A t 1 C L A S O C L A t A T 1 k C L A v C L A t B T 1 k C L A C T 1 ( k ) C L A
where
A T 1 k = f x S O C L A S O C L A x ¯ ,   v C L A x ¯ B T 1 ( k ) = f x v C L A S O C L A x ¯ ,   v C L A x ¯   C T 1 k = f S O C L A x ¯ ,   v C L A x ¯ S O C L A x ¯ f x S O C L A S O C L A x ¯ ,   v C L A x ¯ v C L A x ¯ f ( x ) v C L A [ S O C L A x ¯ ,   v C L A x ¯ ]
To improve the model’s accuracy in the presence of strong nonlinearities and its computational efficiency, the linearization point in the recursive linearisation process will be defined using the values obtained in the previous sampling, x ¯ = [ S O C L A k 1 , v C L A ( k 1 ) ] . Specifically, the proposed recursive linearisation approach separates offline and online tasks; the general Taylor series expressions are derived offline once, and during operation, the algorithm merely evaluates these precomputed functions using the parameters from the previous sampling. This process is highly efficient, as it only requires updating the model parameters with the precomputed derivative expressions, resulting in a very low and predictable computational cost per sampling period.
Again, according to KCL, the SCB capacitor current ( i S C t )   is calculated as in (7).
i S C t = C S C d v C S C ( t ) d t = i R s S C t i R p S C t
For its part, i R s S C t can also be obtained from KCL, as shown in (8).
i R s S C t = i R t i L A t
Defined i R p S C t in (9), d v C S C ( t ) d t is calculated in (10):
i R p S C t = v C S C t R p S C
d v C S C ( t ) d t = i R t 1 C S C i L A t 1 C S C v C S C t 1 R p S C · C S C
To obtain a discrete model, (6) and (10) are discretized using the backward Euler method, resulting in (11) and (12), respectively.
v C L A k + 1 = v C L A k 1 B T 1 ( k ) · T C L A + i L A k T C L A S O C L A k A T 1 ( k ) · T C L A C T 1 · T C L A
v C S C k + 1 = v C S C k 1 T R p S C · C S C + i R k T C S C i L A k T C S C
where T is the sampling time. To derive a state-space model, i L A k must be expressed as a function of the state variables. From Figure 2, (13) is obtained.
i L A k = i R k i R s S C k
where again from Figure 2, i R s S C k is given by (14).
i R s S C k = v O C L A k 1 R s S C + i L A k R s L A R s S C + v C L A k 1 R s S C v C S C k 1 R s S C
Considering (14), (13) can be rewritten as (15):
i L A k = i R k R s S C R s S C + R s L A v O C L A k 1 R s S C + R s L A v C L A k 1 R s S C + R s L A + v C S C k 1 R s S C + R s L A
Considering the experimental behaviour of LABBs within the recommended operating region, a linear relationship between V O C L A (k) and S O C L A k can be established, [63]. This allows to write (16).
v O C L A k = A L A · S O C L A k + B L A
From (16), (15) can be written as (17):
i L A k = i R k R s S C R s S C + R s L A S O C L A   k A L A R s S C + R s L A B L A R s S C + R s L A v C L A k 1 R s S C + R s L A +   + v C S C k 1 R s S C + R s L A
Finally, by substituting (17) into (11) and (12), (18) and (19) are obtained, respectively, where the voltages in the LABB and SCB are expressed as functions of the state variables.
v C L A k + 1 = v C L A k 1 T C L A B T 1 ( k ) + 1 R s S C + R s L A + v C S C k T C L A R s S C + R s L A S O C L A k T C L A A T 1 k + A L A R s S C + R s L A + i R k R S S C · T C L A R s S C + R s L A T C L A B L A R s S C + R s L A + C T 1 ( k )
v C S C k + 1 = v C L A k T C S C R s S C + R s L A + v C S C k 1 T C S C 1 R p S C + 1 R s S C + R s L A + + S O C L A   k A L A · T C S C ( R s S C + R s L A ) + i R k T C S C 1 R s S C R s S C + R s L A + B L A · T C S C ( R s S C + R s L A )  

3.1.1. LABB State of Charge Model

The S O C L A k of the LABB is estimated from the charge/discharge efficiency multiplied by the number of Ah of charge/discharge with respect to its nominal capacity, according to the Coulomb counting method [64]. This is expressed in (20).
S O C L A t = S O C L A t 0 + η L A ( t ) C N L A ( t ) t 0 t i L A t   d t
To obtain a discrete model, (20) is discretized using the backward Euler method considering T = t t 0 , i.e., (21).
S O C L A k + 1 = S O C L A k + i L A ( k ) η L A ( k ) · T C N L A ( k )
From (17), (21) can be written as (22).
S O C L A   k + 1 = v C L A k η L A k · T C N L A k R s S C + R s L A + v C S C k η L A k · T C N L A k R s S C + R s L A + + S O C L A   k 1 η L A k · A L A · T C N L A k R s S C + R s L A + i R k η L A k · R s S C · T C N L A k R s S C + R s L A η L A k · B L A · T C N L A k R s S C + R s L A
To consider the non-idealities of the system and improve the accuracy of the model, it has been considered that the parameters η L A k and C N L A k can vary in each sampling period, depending on degradation and operating conditions. The expressions modelled and validated in [64] can be used for their calculation.

3.1.2. VDC Bus Model

Applying the Kirchoff’s voltage law (KLV) from Figure 2, the LABB voltage and, therefore, the DC bus voltage, can be expressed according to (23).
v B U S k = v O C L A k + i L A k · R s L A + v C L A k
By inserting (16) and (17) into (23), (24) can be obtained.
v B U S k = v C L A k 1 R s L A R s S C + R s L A + v C S C k R s L A R s S C + R s L A + S O C L A   k · A L A 1 R s L A R s S C + R s L A + i R k R s L A · R s S C R s S C + R s L A + B L A 1 R s L A R s S C + R s L A

3.2. Lithium-Ion Battery Model

3.2.1. Battery Voltage Model

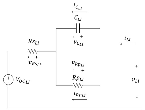
As with the LABB and SCB, the widely known first-order Thévenin model will be used to model the LIBB [65,66], as shown in Figure 3.
When modelling the LIBB as in Figure 3, the literature indicates that, similarly to the LABB, the R s L I and C L I values can be considered practically constant with respect to S O C L I in its useful working range: S O C L I t [ 30 % , 90 % ] , [65,67]. However, R p L I exhibits a strong nonlinear relationship with S O C L I [65,67]. Based on the above, the parameters of LIBB can be expressed as in (25).
R s L I t R S L I R p L I ( t ) = f R p L I S O C L I t   C L I t C L I
Once again, if R s L I and C L I cannot be considered constant, the following mathematical analysis remains valid, as it would only be necessary to take into account a dependency function for these parameters in relation to S O C L I , similar to the approach used for the R p L I   parameter.
According to KCL, the LIBB capacitor current ( i C L I t ) is calculated as in (26).
i C L I t = C L I d v C L I t d t = i L I t i R p L I t
Defined i R p L I t in (27), d v C L I t d t is calculated in (28):
i R p L I t = v C L I t R p L I
d v C L I t d t = i L I t 1 C L I v C L I t 1 R p L I · C L I
From (25), (28) can be rewritten as (29):
d v C L I t d t = i L I t 1 C L I v C L I t 1 f R p L I S O C L I t · C L I
As was done from (5) to (6), applying Taylor’s theorem to the nonlinear term in (29), v C L I t f R p L I S O C L I t , yields the approximation (30).
d v C L I t d t = i L I t 1 C L I S O C L I t A T 2 k C L I v C L I t B T 2 k C L I C T 2 ( k ) C L I
where
A T 2 k = f x S O C L I S O C L I x ¯ ,   v C L I x ¯ B T 2 ( k ) = f x v C L I S O C L I x ¯ ,   v C L I x ¯   C T 2 k = f S O C L I x ¯ ,   v C L I x ¯ S O C L I x ¯ f x S O C L I S O C L I x ¯ ,   v C L I x ¯ v C L I x ¯ f ( x ) v C L I [ S O C L I x ¯ ,   v C L I x ¯ ]
Once again, to improve model accuracy in the presence of strong nonlinearities, the linearisation point in the recursive linearisation process will be done using the values obtained in the previous sampling, x ¯ = [ S O C L I k 1 , v C L I ( k 1 ) ] . Again, this process is highly computationally efficient, as it only involves updating model parameters using precomputed derivative expressions.
To obtain a discrete model, (30) is discretized using the backward Euler method, Thus, (31) is obtained.
v C L I k + 1 = v C L I k 1 B T 2 ( k ) · T C L I + i L I k T C L I S O C L I k A T 2 ( k ) · T C L I C T 2 ( k ) · T C L I
Applying the KVL in Figure 3, the LIBB voltage can be expressed according to (32).
v L I k = v O C L I k + i L I k · R s L I + v C L I k
Finally, considering the experimental behaviour of LIBBs within the recommended operating region, a linear relationship between V O C L I (k) and S O C L I k can be established [63]. This allows to write (33).
v O C L I k = A L I · S O C L I k + B L I
From (33), (32) can be written now as (34).
v L I k = A L I · S O C L I k + B L I + i L I k · R s L I + v C L I k

3.2.2. LIBB State of Charge Model

The S O C L I k of the LIBB can be calculated as in the case of LABB. This allows obtaining (35).
S O C L I t = S O C L I t 0 + η L I ( t ) C N L I ( t ) t 0 t i L I t   d t
To obtain a discrete model, (35) is discretised using the backward Euler method, resulting in (36).
S O C L I k + 1 = S O C L I k + i L I ( k ) η L I ( k ) · T C N L I ( k )
Analogous to LABB, it has been considered that the parameters η L I k and C N L I k may vary in each sampling period, depending on the characteristic parameters of the battery, accumulated degradation, etc. The expressions modelled and validated in [64] can be used for their calculation.

3.3. Hydrogen Storage System Model

The hydrogen level is defined by a mass balance, considering its production and consumption by the electrolyser and the FC, respectively [68,69]. This is expressed by (37).
H L t = H L t 0 + t 0 t i E L S t · r E L S i F C t · r F C d t
The values of r E L S and r F C , are constant and depend on the characteristics of each equipment according to Faraday’s Law [64,70], which makes the model general and applicable to all electrolyser and fuel cell technologies. Thus, in (38), r x is the electrolyser hydrogen production ratio (x = ELS) or FC hydrogen consumption ratio (x = FC) in Nm3/A. Similarly, N x is the number of cells of the electrolyser (x = ELS) or FC stack (x = FC).
r x = N x · M H 2 z · F · ρ H 2
As usual in this research, to obtain a discrete model, (38) is discretised using the backward Euler method. This allows to obtain (39).
H L k + 1 = H L k + i H 2 k · r H 2 k · T
It will be assumed that, as usual, the electrolyser and FC do not operate simultaneously. Thus, i H 2 k and r H 2 k will be i E L S k or i F C k , and r E L S or r F C depending on whether the electrolyser or the FC is operating, respectively. Nevertheless, the model can be easily extended to consider the operation of both hydrogen elements separately. According to the mass balance in (37), the term i H 2 k · r H 2 k · T (39) can be rewritten as i H 2 k · r H 2 k = i e l e c k · r e l e c k · T i f c k · r f c k · T .

3.4. Power Balance

Considering that the DC bus voltage is stabilized by the LABB and SCB set, for small sampling periods, the DC bus voltage can be considered constant, and therefore, the power control in the microgrid translates in practice into the implementation of a current control. Then, from Figure 1, the power balance on the DC bus can be rewritten as the current balance described in (40).
i R E N k + i L O A D k + i L A k + i S C k + i L I k + i H 2 k + i G R I D k = 0
The adopted sign criterion is that any power injected to the DC bus is considered negative and positive otherwise. Therefore, according to (40), the current demands will always be positive. The terms in each sampling associated with the operation of battery banks ( i L A k and i L I k ) and the supercapacitor bank ( i S C k ) will be positive or negative, depending on whether they are charging (drawing current from the DC bus) or discharging (injecting current to the DC bus), respectively. The HBSS current term ( i H 2 k ) will be positive or negative, depending on whether the electrolyser (current demand from the bus) or the FC (current injection to the bus) is in operation, respectively. Similarly, in each sampling, the term associated with the MEG ( i G R I D k ) will be positive or negative, depending on whether the microgrid is supplying or demanding current from the MEG, respectively.
From Figure 2, i R k = i L A k + i S C k . Then, defining i B A L k = i R E N k + i L O A D k , (40) can be written as (41).
i R k = i B A L k i L I k i H 2 k i G R I D ( k )
Again, if simultaneous operation of the electrolyser and fuel cell is considered, i H 2 k can be expressed as i H 2 k = i e l e c k i f c ( k ) .

3.5. Discrete State-Space Model

Now, based on what has been developed, an LPV state-space model of the microgrid under study will be made as expressed in (42). For the representation of the matrices A , B , C , D , E , F , G and H , it must be considered that commas separate the elements within the same row, and semicolons separate the rows.
x k + 1 = A · x k + B · u k + E · w k + F   y k = C · x k + D · u k + G · w k + H
where following (18), (19), (22), (31), (36) and (39) for the state equation; and (22), (24), (34), (36) and (39) for the output equation, (43) is obtained.
k = v C L A k ; v C S C k ; S O C L A k ; v C L I k ; S O C L I k ; H L k y k = v B U S k ; S O C L A   k ; v L I k ; S O C L I k ; H L k u k = i L I k ; i H 2 k ; i G R I D k w k = i B A L k A = [ 1 T C L A B T 1 k + 1 R s S C + R s L A , T C L A R s S C + R s L A , T C L A A T 1 k + A L A R s S C + R s L A , 0 , 0 , 0 ;   T C S C R s S C + R s L A , 1 T C S C 1 R p S C + 1 R s S C + R s L A , A L A · T C S C R s S C + R s L A , 0 , 0 , 0 ; η L A k · T C N L A k R s S C + R s L A ,   η L A k · T C N L A k R s S C + R s L A , 1 η L A k · A L A · T C N L A k R s S C + R s L A ,   0 ,   0 ,   0 ; 0 , 0 , 0 , 1 B T 2 k · T C L I , A T 2 k · T C L I , 0 ;   0 , 0 , 0 , 0 , 1 , 0 ; 0 , 0 , 0 , 0 , 0 , 1 ] B = [ R s S C · T C L A R s S C + R s L A , R s S C · T C L A R s S C + R s L A , R s S C · T C L A R s S C + R s L A ;   T C S C 1 R s S C R s S C + R s L A , T C S C 1 R s S C R s S C + R s L A , T C S C 1 R s S C R s S C + R s L A ; η L A k · R s S C · T C N L A k R s S C + R s L A , η L A k · R s S C · T C N L A k R s S C + R s L A , η L A k · R s S C · T C N L A k R s S C + R s L A ; T C L I , 0 , 0 ; η L I k · T C N L I k , 0 , 0 ; 0 , r H 2 k · T , 0 ] C = [ 1 R s L A R s S C + R s L A , R s L A R s S C + R s L A ,   A L A 1 R s L A R s S C + R s L A , 0 , 0 , 0 ; 0 , 0 , 1 , 0 , 0 , 0 ; 0 , 0 , 0 , 1 , A L I , 0 ; 0 , 0 , 0 , 0 , 1 , 0 ;   0 , 0 , 0 , 0 , 0 , 1 ]   D = R s L A · R s S C R s S C + R s L A , R s L A · R s S C R s S C + R s L A , R s L A · R s S C R s S C + R s L A ; 0 , 0 , 0 ;   R s L I ,   0 ,   0 ; 0 , 0 , 0 ; 0 , 0 , 0 E = R s S C · T C L A R s S C + R s L A ; T C S C 1 R s S C R s S C + R s L A ; η L A k · R s S C · T C N L A k R s S C + R s L A ; 0 ; 0 ; 0 F = T C L A B L A R s S C + R s L A + C T 1 k ; B L A · T C S C R s S C + R s L A ; η L A k · B L A · T C N L A k R s S C + R s L A ; C T 2 k · T C L I ; 0 ; 0 G = R s L A · R s S C R s S C + R s L A ; 0 ; 0 ; 0 ; 0   H = B L A 1 R s L A R s S C + R s L A ; 0 ; B L I ; 0 ; 0
Again, if simultaneous operation of the electrolyser and fuel cell is considered, the control vector would be redefined as u k = i L I k ; i e l e c k ; i f c ( k ) ; i G R I D k and the necessary modifications will be applied to (43) to update the model.
Finally, it is important to emphasise that the proposed LPV model can be adapted to fit the dynamics of the system under analysis. Based on the general expression (43), users can adjust the sampling period to capture slower variations, related to energy for example (longer sampling times), or faster variations, related to transient behaviours for example (shorter sampling times). This flexibility allows the model to be tailored for both long-term simulations and real-time control applications.

4. Results

To evaluate the performance of the developed model by means of the necessary tests, the microgrid depicted in Figure 1 has been sized. For this purpose, a typical consumption profile of a single-family house located in the climatic zone of the authors’ Research Institute (Latitude: 37.2663800) was selected [71]. More details on this profile are provided below. The microgrid was sized according to the power and energy demanded (see Table 2) and is based on microgrid architectures previously used by the authors [71,72]. It should be noted that the optimal sizing of the microgrid is not the objective of this work, and alternative component values could have been chosen.
The DC bus supporting the entire microgrid operates at a high voltage of 360 V, with renewable power supplied by a 10 kWp PV field. This voltage matches the typical operating input values of inverters required for power injection into the MEG, as well as powering electrolysers with power ratings in the kW range. Within its power range (see Table 2 for the nominal parameters of the microgrid elements), the microgrid can satisfy any consumption profile in both DC and AC.
The ESS of the microgrid is hybrid (HESS). For short-term response, a 36 kWh LABB and 1.3 kWh SCB array, both connected directly to the DC bus, are used. Additionally, a 48 kWh LIBB is available to operate as a medium-term ESS. Finally, the long-term ESS function is performed by an HBSS consisting of a 1 Nm3/h alkaline electrolyser, a 31.32 m3 at 30 bar hydrogen storage tank and a 3.4 kW PEM FC.
The microgrid includes a bidirectional connection to the MEG, enabling both energy purchase and sale. To integrate all components within the HVDC bus system, suitable power converters are used, as illustrated in Figure 1. Concerning the power converters depicted in Figure 4, these devices are omitted from the model. Although converters are essential for the operation and interconnection of the microgrid, from an energy management perspective, their main effect is conversion efficiency. Modern converters have average efficiencies of over 90%, which is why their efficiency has not been taken into account in the model. That said, if you want to incorporate the efficiency of any converter into the model, it is very simple: just enter the corresponding energy conversion efficiency in (43). For example, in the hydrogen system, only the generation and consumption rates of the electrolyzer and fuel cell, ( r H 2 k , would need to be adjusted based on the efficiency of the converter.
Since the authors do not have access to a real microgrid with an architecture as complex as the one studied in this paper (Figure 1), the validation of the model’s behaviour will be conducted by comparing it with validated, accurate and widely used reference models in the scientific literature. In this sense, the literature provides thoroughly tested and verified models (perhaps the best example being the models of MATLAB Simulink® R2019a) which serve as a perfect comparison to test the accuracy and usefulness of the developed microgrid model (hereinafter, DMM). With this goal in mind, a long-term simulation test of the DMM has been performed in MATLAB Simulink®. The simulations have been implemented on a CoreTM i7-7700HQ (2.80 GHz) 16 GB RAM (Intel Corporation, Santa Clara, CA, USA) computer with Windows 10 Professional.
The individual models of each element, implemented in MATLAB Simulink® and already validated in the literature, were connected as shown in Figure 4 to implement the microgrid shown in Figure 1. This allowed the creation of the reference microgrid model (hereinafter RMM) in order to compare the performance of the DMM with it. To model the behaviour of the electrolyser (since MATLAB Simulink® does not include an electrolyser model among its libraries), the reference model based on the electrical equivalent double-layer model was used [73]. On the other hand, the PV generator, load consumption and the MEG were modelled solely based on their effect on the microgrid, i.e., as current sources/sinks.
The choice of the models already available in MATLAB Simulink® to build the RMM is justified by their widespread recognition, extensive use, and prior validation in the scientific literature with excellent results. However, it is very important to note that MATLAB Simulink® does not provide a microgrid model, such as the one developed in this work, which captures the dynamic of the entire microgrid depicted in Figure 1. Instead, it offers a collection of individual models (for each component) that, when properly interconnected, can configure a microgrid architecture such as the one in Figure 1 or another. Unfortunately, while the microgrid model presented in this work is fully reproducible, as all its analytical equations are available, the same cannot be said for some of the individual MATLAB Simulink® models used. These models, although they have shown very good performance in the scientific literature, have analytical expressions that are unknown, at least to the authors.
To validate the DMM, variable profiles of renewable generation and consumption were defined. Specifically, a PV generation profile based on the site’s average annual generation was used. The selected consumption profile corresponds to that of a typical single-family home in the climate zone of the location of the microgrid.
To ensure the proper operation and validation of the DMM as a whole, it is necessary to design an EMS to determine the power setpoint of each element of the microgrid (in this case, the current setpoint). This EMS will be defined according to the established objectives and priorities, the generation and demand profile at each moment and the operating limits for each element of the microgrid.
Since the purpose of this work is not the development of an EMS but rather the validation of the DMM, a simplified EMS has been implemented for testing purposes and is described as follows. The main objective of the EMS is to guarantee the demand profile, regardless of the available renewable resource, while maximising the utilisation of the system’s own resources (the HESS) and minimising reliance on the MEG. To this end, a hierarchy of priorities has been established in the roles of the various components comprising the HBSS.
The proposed priority-based EMS initially evaluates the sign of the current balance ( i B a l ), as defined in (40), and the complete decision-making process is illustrated in Figure 5.
In the event of an energy surplus ( i B a l ( k ) < 0), the system prioritizes storing energy in the LIBB, which serves as the short-term ESS. Charging continues until the maximum state of charge is reached ( S O C L I = 90%). Once this threshold is attained, the EMS gives way to the HBSS, operating the electrolyzer at its rated power. To ensure compliance with (40) under all operating conditions, the LABB and the SCB operate according to (41), thereby sustaining electrolyzer operation provided the condition S O C L A [60%,90%] is satisfied. If the LABB reaches either of its capacity limits, the EMS activates the MEG to supply the electrolyzer. This mode of operation is maintained until the hydrogen storage tank reaches its maximum allowable capacity ( H L = 31.32 m3 at 30 bar), after which all remaining surplus energy is exported directly to the MEG.
In the event of an energy deficit ( i B a l ( k ) > 0), the EMS applies a similar hierarchy of priorities, as depicted in Figure 5. The LIBB is initially discharged until its minimum state of charge is reached ( S O C L I = 40%). Subsequently, if hydrogen reserves are available, the fuel cell is activated to operate at a constant power level to supply the required energy. In parallel, the LABB and SCB operate according to (41), ensuring sustained fuel cell operation as long as the state of charge remains within the permitted range S O C L A [60%,90%]. If the LABB reaches one of its operating limits, the EMS triggers the MEG to provide additional support to the FC. This mode persists until the hydrogen storage level falls to its minimum allowable threshold ( H L = 1 m3 at 30 bar), at which point the total energy deficit is compensated by importing electricity from the MEG.
The main parameters that configure the DMM and RMM are listed in Table 3. These parameters correspond to the elements in Figure 1. Table 3 also includes the initial test conditions chosen ( S O C L A ( 0 ) , S O C L I ( 0 ) and H L ( 0 ) ). In this case, the SOCs of the battery banks are at average values, while the HL is low, about 20% of its maximum capacity. Although other initial conditions could have been chosen, these have been deemed realistic.
Figure 6 illustrates the generation and consumption profile of the microgrid over a 24-h period, following the adopted sign criteria. P L A + P S C means that the LABB and SCB operate together in parallel. On the scale of the simulation graphs, the individual operation of the SCB is not discernible due to its much faster response compared to the LABB (note that the fundamental task of the SCB is to mitigate instantaneous peaks on the DC bus [18]).
Figure 7, Figure 8 and Figure 9 show the behaviour of LIBB, LABB and H L , respectively. Note the comparison between DMM and RMM.
Finally, Figure 10 compares the operating currents of the LABB ( i L A ) and SCB ( i R s S C ) for both the RMM and the DMM. For the RMM, the currents were measured directly, whereas for the DMM, they were calculated analytically using expressions (44) and (45), which are derived from the current balance and state-space model in Equations (41) and (43), respectively, and from the equivalent circuit in Figure 2.
i R s S C k = v B U S k v C S C k R s S C
i L A k = i R k i R s S C k

5. Discussion

To understand the operation of the microgrid, it is essential to understand the operation of Equation (40), which ensures Kirchhoff’s law holds true on the DC bus at all times. The renewable power available is not controlled by the EMS, so the corresponding consumptions must be generated (this is controlled by the EMS) for Equation (40) to be satisfied. The consumptions that can be activated by the EMS is LIBB charging, hydrogen production, and the energy sales to the MEG. However, the EMS cannot control LABB and SCB, nor the consumption of internal microgrid loads.
According to the generation and demand profile, Figure 6, the microgrid starts the morning hours in an energy surplus situation, which is maintained over time during the period 8 h ≤ t ≤ 19 h. At 8 am local time (Central European Time (CET), UTC +1 from November to March and UTC +2 the rest of the year), the sun is already strong enough to start generating power on the photovoltaic panels. Based on the operation of the proposed EMS and the role of the ESS, first, all the surplus energy is used to recharge the LIBB, leading to a consequent increase in its voltage and SOC values ( V L I and S O C L I , respectively), until the preset maximum value of S O C L I = 90% is reached at t ≈ 11 h (approximate charging time of 3 h, see Figure 7).
Returning to Figure 6, since there is very little load demand on the microgrid during the LIBB charging period, the profiles of P R E N and P L I are practically opposite. Consequently, the resulting power input/output to the DC bus and, therefore, to the LABB and SCB set ( P L A + P S C ) is nearly zero. As a result, S O C L A and the DC bus voltage ( V B U S ) remain stable during this time interval: V B U S ≈ 380 V and S O C L A = S O C L A ( 0 ) = 80% (Figure 8). About t = 11 h (Figure 6), the EMS disconnects the LIBB from the DC bus via its power converter (Figure 1) to avoid overcharging. Therefore, from this point onward, S O C L I and V L I remain constant over time, Figure 7.
Surplus renewable energy on the DC bus is used by the EMS to produce renewable hydrogen by running the electrolyser at rated power, Figure 6. The EMS performs this operation because the hydrogen level in the pressure tank is well below the maximum (31.32 m3), Figure 9. As time progresses and renewable energy decreases, the power balance is supported by the LABB (Figure 6). This causes successive charging and discharging processes of the LABB according to the bus power balance at each moment (see Figure 6, period 11   h t 18.5   h ). During this period, three charging processes were observed with a total duration of approximately 1.62 h, and up to four discharging processes with a total duration of 5.86 h (see Figure 6). It should be noted that to avoid an energy deficit in the bus, the LABB must supply the necessary energy. This, logically, causes that the SOC of the LABB to decrease until it reaches its established minimum value (60%, 18.5 h, Figure 8). Actually, the SOC decreases a bit more due to uncontrolled download speed on the bus (EMS should act a bit earlier). At this point, if the EMS were to lead to P L A + P S C = 0 , there would be surplus power on the DC bus because renewable power is still available (Figure 6). For this reason, the EMS keeps the electrolyser running (since there is still capacity available in the hydrogen tank, Figure 9), although to balance the bus it injects the necessary power (that which allows (40) to be satisfied) from the MEG. This causes P L A + P S C to drop to zero (Figure 6), and S O C L A and V B U S remain constant (Figure 8). The question arises as to why, at 18.5 h, the EMS injects from the MEG and not from the LIBB, which is charged. It is simply a matter of how the EMS is programmed, which, of course, can be changed, although the design and optimization of the EMS is not the subject of this article.
Around 18.9 h, due to the consumption of the internal loads of the microgrid, P L O A D increases considerably, and the demand profile exceeds renewable generation, which gradually diminishes as the day progresses, Figure 6. Then, to balance the DC bus, the EMS turns off the electrolyser and connects the LIBB. This leads to an associated discharge process lasting 2.9 h, causing its voltage and SOC to decrease until reaching the preset minimum level, S O C L I = 40% at t = 21.8 h, Figure 7. Note that, unlike LABB, EMS can now precisely control the SOC of LIBB, as it disconnects it from the bus via its power converter to avoid over-discharge. Therefore, S O C L I and V L I remain constant over time, Figure 7. Since until 21.8 h the power balance is guaranteed exclusively by the LIBB, the S O C L A is kept constant and the bus voltage, Figure 8. This means that P L A + P S C = 0 during this interval, Figure 6.
From 21.8 h onwards, because there is an energy deficit in the microgrid (Figure 6) and there is enough hydrogen stored in the tank (Figure 9), the EMS turns on FC at rated power. However, this is not enough to balance the bus, so the EMS supplies the necessary power (the one that allows to satisfy (40)) from the MEG. Note that, during intervals when the FC can maintain balance on the bus by itself, P G R I D is reduced to zero and the LABB + SCB set is charged from the bus to meet (40).
The FC operation continues until H L reaches the minimum established value (1 m3) at 28.3 h, Figure 6 and Figure 8. From 21.8 h to 28.3 h, oscillations in S O C L A occur, particularly when the MEG is disconnected. This is because S O C L A > 60 % and can balance the bus by itself, Figure 6 and Figure 8. These variations in the operation of the LABB+SCB set result in charging and discharging processes during the indicated interval, having a duration of 1.73 h and 4.2 h, respectively, according to the power balance.
Finally, after 28.3 h, the MEG guarantees balance on the bus by supplying the small amount of power required by the microgrid.
As already mentioned, the direct parallel connection of the LABB and SCB to the DC bus is fundamental to the microgrid’s stability, creating a synergistic partnership that optimises performance. As shown in Figure 8, the bus voltage fluctuations are maintained within an acceptable range of 355 V ≤ V_BUS ≤ 385 V (an 8.3% swing), demonstrating the damping effect resulting from this configuration.
The operational dynamics of this hybrid storage system are clearly illustrated in Figure 10, which shows the respective currents, according to Figure 2, of the LABB ( i L A ) and the SCB ( i R s S C ). The SCB demonstrates its fundamental role by responding quickly and absorbing instantaneous current transients, while the LABB balances the power to maintain steady-state equilibrium and, consequently, the voltage on the DC bus. This effective distribution of roles is the direct cause of the dampening effect observed. This relatively smooth dynamics on the DC bus is crucial for improving the overall performance of the microgrid and the lifespan of its components. As an immediate effect, the SCB directly contributes to extending the service life of the LABB, as it protects it from instantaneous current spikes that are very harmful to it. Furthermore, the stabilized bus voltage improves general microgrid reliability by preventing sudden voltage drops and avoiding safety-driven disconnections of other sensitive components, thereby ensuring more stable and continuous operation.
After analysing the behaviour of the microgrid over time, the results demonstrate the exceptional performance of the proposed LPV model through detailed comparisons between the DMM and RMM. As shown in Figure 7, Figure 8 and Figure 9, the model achieves nearly perfect alignment with the actual system behaviour across all critical variables: the LIBB voltage and SOC (Figure 7), DC bus voltage and LABB SOC (Figure 8), and stored hydrogen levels (Figure 9). This remarkable accuracy is maintained despite the strong nonlinearities of the microgrid, evident in the RMM (Figure 4). Table 4 quantitatively confirms that the average errors, MAE, RAE and RMSE values remain below 1.2% for all output variables, where it is crucial to note that these metrics only reflect the differences between the models and not the absolute accuracy. Therefore, in view of the results, it can only be inferred that DMM and RMM are very close, but not that one is better than the other in terms of accuracy.
Based on the results and the discussion of these, the proposed LPV model offers significant advantages over traditional modelling approaches. Compared to LTI models, it successfully captures the nonlinear dynamics of the microgrid while maintaining computational efficiency, as demonstrated by the near-perfect alignment of the DMM behaviour with that of the highly nonlinear RMM (Figure 7, Figure 8 and Figure 9). Compared to complex nonlinear models, the LPV approach demonstrates superior practicality by overcoming two critical limitations: computational costs (achieving a 24-h simulation in just 1.49 s compared to 2.96 s for RMM) and the ability to provide unified behaviour and representation of the microgrid, rather than focusing on individual components. This balance is achieved thanks to the linear structure of the model, its compact formulation (43), and the efficient parameter update mechanism, which captures the power and energy flows of the entire microgrid in each sampling.
These results conclusively demonstrate that the proposed model effectively captures the behaviour of a complex and non-linear system, such as the microgrid architecture presented in Figure 1, while preserving simplicity and computational efficiency. This approach offers a comprehensive framework for the thorough analysis of this type of microgrid and others.
Finally, since P R E N and P L O A D are treated as independent input variables, the model is independent of the specific type of renewable generators (e.g., solar, wind, or hybrid systems) and load consumption patterns in the microgrid. This unique combination of accuracy and efficiency makes the proposed framework widely applicable to various microgrid configurations without the need for structural modifications, making it especially valuable for real-time control applications and large-scale microgrid studies, while circumventing shortcomings of current modelling methodologies.

6. Conclusions

This document presents a comprehensive state-space model specifically developed for model-based controller design, system sizing optimization and in-depth analysis of renewable microgrids incorporating complex HESS.
The microgrid under investigation, which holds significant scientific interest, incorporates a HESS comprising a HBSS, a BSS and a SCB. These components are interconnected through a HV-DC bus, enabling a flexible and robust power distribution architecture. The DC bus is stabilized by a direct passive parallel configuration of the BSS and SCB, ensuring voltage stability and reliable system performance.
The proposed model employs a full-state representation that captures the dynamic interactions among all microgrid components. The state matrix, although linear at each sampling interval, evolves over time, embodying an LPV structure that mirrors the system’s nonlinear behaviour. Compared to conventional methods, whether static, simplified LTI models or computationally intensive nonlinear models, the proposed LPV-based approach stands out by offering a structured control-oriented modelling framework that is both accurate and computationally efficient. Its ability to represent the non-ideal and time-varying behaviour of a system through linear analysis is especially beneficial for the design of high-performance, real-time EMS controllers, such as MPCs. This integration of a comprehensive and exhaustive microgrid model adapted to control applications represents a significant advance over existing approaches.
Simulation results demonstrate the model’s effectiveness in reproducing real microgrid behaviour while maintaining low computational requirements. Its balance between accuracy and efficiency makes it especially suited for real-time EMS applications.
Looking ahead, work will focus on the experimental validation of this model within an operational microgrid. Building on the model developed, the next phase of the research will consist of implementing and testing an advanced EMS based on MPC, with the aim of refining and optimizing energy management strategies for microgrids in real-world conditions. This practical deployment will offer empirical validation of the model’s effectiveness, reinforcing its applicability in real-world scenarios. By narrowing the gap between theoretical development and practical implementation, it represents a significant advancement in the field. Moreover, this contribution is expected to actively support the broader adoption of renewable microgrids, providing a timely and robust solution to pressing energy and geopolitical challenges.

Author Contributions

Conceptualization, J.M.A.M.; Methodology, F.J.V.F. and F.S.M.; Software, F.J.V.F.; Formal analysis, J.M.A.M. and F.S.M.; Investigation, F.J.V.F. and F.S.M.; Writing—original draft, F.J.V.F.; Writing—review & editing, J.M.A.M. and F.S.M.; Funding acquisition, J.M.A.M. All authors have read and agreed to the published version of the manuscript.

Funding

This work is a contribution of Project PID2023-148456OB-C41 supported by the Spanish Ministry of Economy and Competitiveness.

Data Availability Statement

The original contributions presented in this study are included in the article. Further inquiries can be directed to the corresponding author.

Conflicts of Interest

The authors declare no conflict of interest.

Abbreviations

Acronyms
BBBattery bank
BSSBattery-based storage system
DMMDeveloped microgrid model
EMSEnergy management system
ESSEnergy storage system
FCFuel cell
H2VHome-to-vehicle
HBSSHydrogen-based storage system
HESSHybrid energy storage system
HLHydrogen level
HVDCHigh voltage DC
KCLKirchhoff’s Current Law
KVLKirchhoff’s Voltage Law
LABBLead-acid battery bank
LIBBLithium-ion battery bank
LPVLinear parameter-varying
LTILinear time invariant
MEGMain electricity grid
MPCModel-based predictive control
MPPTMaximum power point tracker
PEMPolymer electrolyte membrane
PVPhotovoltaic
PWLPiecewise-linear
RMMReference microgrid model
RMSERoot mean square error
SCBSupercapacitor bank
SOCState of charge
V2HVehicle-to-home
Symbols
C x Parallel internal capacitance of LABB (x = LA), LIBB (x = LI) or SCB (x = SC) (F)
C N x ( t ) Nominal capacity of LABB (x = LA) or LIBB (x = LI) (Ah)
F Faraday constant (26.81 Ah/eq)
H L t Level of hydrogen stored in the hydrogen tank (Nm3 or m3 at 30 bar)
i B A L t Current balance in the DC bus (A)
i x ( t ) Charge/Discharge current of LABB (x = LA), LIBB (x = LI) or SCB (x = SC), or operating current of renewable generation (x = REN), load consumption (x = LOAD), electrolyser (x = ELS), fuel cell (x = FC), HBSS (x = H2), or MEG (x = GRID) (A)
i N x Nominal current of ELS (x = ELS) or FC (x = FC) (A)
i R ( t ) Charge/Discharge current of the set of LABB and SCB (A)
i R p x t Current flowing through the parallel resistor of LABB (x = LA), LIBB (x = LI) or SCB (x = SC) (A)
i R s S C t Current flowing through the SCB series resistor (A)
M H 2 Molecular hydrogen molar mass (2.02 g/mol)
N x Number of cells of the electrolyser (x = ELS) or fuel cell stack (x = FC).
η x ( t ) Charging/discharging performance of LABB (x = LA) or LIBB (x = LI)
P x ( t ) Charge/Discharge power of LABB (x = LA), LIBB (x = LI) or SCB (x = SC), or operating power of renewable generation (x = REN), load consumption (x = LOAD), electrolyser (x = ELS), fuel cell (x = FC), HBSS (x = H2), or MEG (x = GRID) (A)
r x Electrolyser hydrogen production ratio (x = ELS) or FC hydrogen consumption ratio (x = FC) (Nm3/A)
r H 2 t Hydrogen consumption/production ratio of the HBSS (Nm3/A)
ρ H 2 Molecular hydrogen gas density (0.0899 kg/Nm3)
R p x Parallel internal resistance of LABB (x = LA), LIBB (x = LI) or SCB (x = SC) (Ω)
R s x Series internal resistance of LABB (x = LA), LIBB (x = LI) or SCB (x = SC) (Ω)
S O C x   t State of charge of LABB (x = LA) or LIBB (x = LI)
v B U S ( t ) DC Bus voltage (V)
v x t Voltage at LABB (x = LA), LIBB (x = LI) or SCB (x = SC) capacitance (V)
V N x Nominal voltage of LABB (x = LA), LIBB (x = LI), SCB (x = SC), ELS (x = ELS) or FC (x = FC) (V)
v O C x t Open circuit voltage of LABB (x = LA), LIBB (x = LI) or FC (x = FC) (V)
T Sample time (s)
T x Operating temperature of ELS (x = ELS) or FC (x = FC) (A) (°C)
z Number   of   electrons   involved   in   the   reduction - oxidation   reaction   ( z = 2)

References

  1. Barra, C.; Falcone, P.M.; Giganti, P. Exploring the impact of economic, climate, and energy policy uncertainty on the Environmental Kuznets Curve: International evidence. Int. Econ. 2025, 182, 100592. [Google Scholar] [CrossRef]
  2. Giganti, P.; Barra, C.; Falcone, P.M. Unveiling the nexus of institutional quality and renewable energy utilizing a Topic Modelling approach. Renew. Sustain. Energy Rev. 2025, 214, 115516. [Google Scholar] [CrossRef]
  3. Vivas, F.J.; De las Heras, A.; Segura, F.; Andújar, J.M. A review of energy management strategies for renewable hybrid energy systems with hydrogen backup. Renew. Sustain. Energy Rev. 2018, 82, 126–155. [Google Scholar] [CrossRef]
  4. Zidane, T.E.K.; Muis, Z.A.; Ho, W.S.; Zahraoui, Y.; Aziz, A.S.; Su, C.L.; Mekhilef, S.; Elia Campana, P. Power systems and microgrids resilience enhancement strategies: A review. Renew. Sustain. Energy Rev. 2025, 207, 114953. [Google Scholar] [CrossRef]
  5. Uddin, M.; Mo, H.; Dong, D.; Elsawah, S.; Zhu, J.; Guerrero, J.M. Microgrids: A review, outstanding issues and future trends. Energy Strateg. Rev. 2023, 49, 101127. [Google Scholar] [CrossRef]
  6. Punitha, S.; Subramaniam, N.P.; Raj, P.A.D.V. A comprehensive review of microgrid challenges in architectures, mitigation approaches, and future directions. J. Electr. Syst. Inf. Technol. 2024, 11, 60. [Google Scholar] [CrossRef]
  7. Kazerani, M.; Tehrani, K. Grid of Hybrid AC/DC Microgrids: A New Paradigm for Smart City of Tomorrow. In Proceedings of the 2020 IEEE 15th International Conference of System of Systems Engineering (SoSE), Budapest, Hungary, 2–4 June 2020; pp. 175–180. [Google Scholar] [CrossRef]
  8. Hajiaghasi, S.; Salemnia, A.; Hamzeh, M. Hybrid energy storage system for microgrids applications: A review. J. Energy Storage 2019, 21, 543–570. [Google Scholar] [CrossRef]
  9. He, W.; King, M.; Luo, X.; Dooner, M.; Li, D.; Wang, J. Technologies and economics of electric energy storages in power systems: Review and perspective. Adv. Appl. Energy 2021, 4, 100060. [Google Scholar] [CrossRef]
  10. Monforti Ferrario, A.; Bartolini, A.; Segura Manzano, F.; Vivas, F.J.; Comodi, G.; McPhail, S.J.; Andujar, J.M. A model-based parametric and optimal sizing of a battery/hydrogen storage of a real hybrid microgrid supplying a residential load: Towards island operation. Adv. Appl. Energy 2021, 3, 100048. [Google Scholar] [CrossRef]
  11. Van, L.P.; Do Chi, K.; Duc, T.N. Review of hydrogen technologies based microgrid: Energy management systems, challenges and future recommendations. Int. J. Hydrogen Energy 2023, 48, 14127–14148. [Google Scholar] [CrossRef]
  12. Jain, D.; Saxena, D. Comprehensive review on control schemes and stability investigation of hybrid AC-DC microgrid. Electr. Power Syst. Res. 2023, 218, 109182. [Google Scholar] [CrossRef]
  13. Alam, M.S.; Al-Ismail, F.S.; Rahman, S.M.; Shafiullah, M.; Hossain, M.A. Planning and protection of DC microgrid: A critical review on recent developments. Eng. Sci. Technol. Int. J. 2023, 41, 101404. [Google Scholar] [CrossRef]
  14. Vivas, F.J.; Segura, F.; Andújar, J.M.; Calderón, A.J.; Isorna, F. Battery-based storage systems in high voltage-DC bus microgrids. A real-time charging algorithm to improve the microgrid performance. J. Energy Storage 2022, 48, 103935. [Google Scholar] [CrossRef]
  15. Zhang, L.; Hu, X.; Wang, Z.; Ruan, J.; Ma, C.; Song, Z.; Dorrell, D.G.; Pecht, M.G. Hybrid electrochemical energy storage systems: An overview for smart grid and electrified vehicle applications. Renew. Sustain. Energy Rev. 2021, 139, 110581. [Google Scholar] [CrossRef]
  16. Ferahtia, S.; Houari, A.; Cioara, T.; Bouznit, M.; Rezk, H.; Djerioui, A. Recent advances on energy management and control of direct current microgrid for smart cities and industry: A Survey. Appl. Energy 2024, 368, 123501. [Google Scholar] [CrossRef]
  17. Vivas, F.J.; Segura, F.; Andújar, J.M. Fuzzy logic-based energy management system for grid-connected residential DC microgrids with multi-stack fuel cell systems: A multi-objective approach. Sustain. Energy Grids Netw. 2022, 32, 100909. [Google Scholar] [CrossRef]
  18. Caparrós Mancera, J.J.; Saenz, J.L.; López, E.; Andújar, J.M.; Segura Manzano, F.; Vivas, F.J.; Isorna, F. Experimental analysis of the effects of supercapacitor banks in a renewable DC microgrid. Appl. Energy 2022, 308, 118355. [Google Scholar] [CrossRef]
  19. Naderi, E.; Bibek, K.C.; Ansari, M.; Asrari, A. Experimental Validation of a Hybrid Storage Framework to Cope with Fluctuating Power of Hybrid Renewable Energy-Based Systems. IEEE Trans. Energy Convers. 2021, 36, 1991–2001. [Google Scholar] [CrossRef]
  20. Sohaib, M.; Akram, A.S.; Choi, W. Analysis of Aging and Degradation in Lithium Batteries Using Distribution of Relaxation Time. Batteries 2025, 11, 34. [Google Scholar] [CrossRef]
  21. Altaf, M.T.; Fatima, H.; Jamil, M. Effect of peak current on battery performance. In Proceedings of the Conference on Recent Advances in Electrical, Electronics & Digital Healthcare Technologies (REEDCON), New Delhi, India, 1–3 May 2023; pp. 611–614. [Google Scholar] [CrossRef]
  22. Ravada, B.R.; Tummuru, N.R.; Ande, B.N.L. Photovoltaic-Wind and Hybrid Energy Storage Integrated Multisource Converter Configuration-Based Grid-Interactive Microgrid. IEEE Trans. Ind. Electron. 2021, 68, 4004–4013. [Google Scholar] [CrossRef]
  23. Jing, W.; Lai, C.H.; Wong, W.S.H.; Wong, M.L.D. Dynamic power allocation of battery-supercapacitor hybrid energy storage for standalone PV microgrid applications. Sustain. Energy Technol. Assess. 2017, 22, 55–64. [Google Scholar] [CrossRef]
  24. Pajares, A.; Vivas, F.J.; Blasco, X.; Herrero, J.M.; Segura, F.; Andújar, J.M. Methodology for energy management strategies design based on predictive control techniques for smart grids. Appl. Energy 2023, 351, 121809. [Google Scholar] [CrossRef]
  25. Polimeni, S.; Meraldi, L.; Moretti, L.; Leva, S.; Manzolini, G. Development and experimental validation of hierarchical energy management system based on stochastic model predictive control for Off-grid Microgrids. Adv. Appl. Energy 2021, 2, 100028. [Google Scholar] [CrossRef]
  26. Andújar, J.M.; Vivas, F.J.; Segura, F.; Calderón, A.J. Integration of air-cooled multi-stack polymer electrolyte fuel cell systems into renewable microgrids. Int. J. Electr. Power Energy Syst. 2022, 142, 108305. [Google Scholar] [CrossRef]
  27. Rodriguez, M.; Arcos-Aviles, D.; Guinjoan, F. Simple fuzzy logic-based energy management for power exchange in isolated multi-microgrid systems: A case study in a remote community in the Amazon region of Ecuador. Appl. Energy 2024, 357, 122522. [Google Scholar] [CrossRef]
  28. Oussama, H.; Amine, H.M.; Mohamed Amine, S.; Aissa, B.; Abdeselem, C.; Othmane, A. Intelligent Energy Management Strategy For Multi-Sources Isolated DC-Microgrid. In Proceedings of the 2023 Second International Conference on Energy Transition and Security (ICETS), Adrar, Algeria, 12–14 December 2023; pp. 1–5. [Google Scholar] [CrossRef]
  29. Fathy, A.; Alfayyadh, S.A. Efficient energy management strategy for reducing the hydrogen consumption of hybrid fuel cell/supercapacitor/battery microgrid. Int. J. Hydrogen Energy 2025, 162, 150715. [Google Scholar] [CrossRef]
  30. Shuvo, J.I.; Badoruzzaman, M.; Anik, S.T.I.; Ahmad, S.; Ahmed, T.; Karimi, M. Hybrid energy storage power management system harnessing battery-supercapacitor synergy for grid-isolated DC microgrid. J. Energy Storage 2025, 119, 116170. [Google Scholar] [CrossRef]
  31. Papageorgiou, P.; Oureilidis, K.; Tsakiri, A.; Christoforidis, G. A Modified Decentralized Droop Control Method to Eliminate Battery Short-Term Operation in a Hybrid Supercapacitor/Battery Energy Storage System. Energies 2023, 16, 2858. [Google Scholar] [CrossRef]
  32. Rezk, H.; Fathy, A. Hydrogen reduction-based energy management strategy of hybrid fuel cell/PV/battery/supercapacitor renewable energy system. J. Energy Storage 2024, 86, 111316. [Google Scholar] [CrossRef]
  33. Alharbi, A.G.; Olabi, A.G.; Rezk, H.; Fathy, A.; Abdelkareem, M.A. Optimized energy management and control strategy of photovoltaic/PEM fuel cell/batteries/supercapacitors DC microgrid system. Energy 2024, 290, 130121. [Google Scholar] [CrossRef]
  34. Yu, Z.; Long, J. Review on Advanced Model Predictive Control Technologies for High-Power Converters and Industrial Drives. Electronics 2024, 13, 4969. [Google Scholar] [CrossRef]
  35. Vidyasagar, P.; Shanti Swarup, K. LTI-MPC for the Micro-grid Control. In Design and Development of Model Predictive Primary Control of Micro Grids; Springer Tracts in Electrical and Electronics Engineering; Springer: Singapore, 2023. [Google Scholar]
  36. Villalón, A.; Rivera, M.; Salgueiro, Y.; Muñoz, J.; Dragičević, T.; Blaabjerg, F. Predictive control for microgrid applications: A review study. Energies 2020, 13, 2454. [Google Scholar] [CrossRef]
  37. Zhang, Y.; Xue, Q.; Gao, D.; Shi, W.; Yu, W. Two-level model predictive control energy management strategy for hybrid power ships with hybrid energy storage system. J. Energy Storage 2022, 52, 104763. [Google Scholar] [CrossRef]
  38. Tabrizi, S.Y.; Mahdavi, M.S.; Khorsandi, A.; Gharehpetian, G.B. Model Predictive Control of Hybrid Energy Storage System of Amirkabir DC Microgrid. In Proceedings of the 2023 13th Smart Grid Conference (SGC), Tehran, Iran, 5–6 December 2023; pp. 1–6. [Google Scholar] [CrossRef]
  39. Wang, L. Oilfield Microgrid-Oriented Supercapacitor-Battery Hybrid Energy Storage System with Series-Parallel Compensation Topology. Processes 2025, 13, 1689. [Google Scholar] [CrossRef]
  40. Punna, S.; Banka, S.; Salkuti, S.R. Optimal Energy Management Scheme of Battery Supercapacitor-Based Bidirectional Converter for DC Microgrid Applications. Information 2022, 13, 350. [Google Scholar] [CrossRef]
  41. Ma, T.; Yang, H.; Lu, L. Development of hybrid battery-supercapacitor energy storage for remote area renewable energy systems. Appl. Energy 2015, 153, 56–62. [Google Scholar] [CrossRef]
  42. Seedahmed, M.M.A.; Ramli, M.A.M.; Abusorrah, A.; Alqahtani, M.M. Control-Oriented Model of an Optimally Designed Hybrid Storage System for a Standalone Microgrid. IEEE Access 2023, 11, 119161–119186. [Google Scholar] [CrossRef]
  43. Errakkas, K.; Kissaoui, M.; Lajouad, R.; El Magri, A.; Atifi, Y.; Khayat, A. A Model Predictive Control Strategy for improvement Performance in PV-Battery-Hydrogen DC Islanded Microgrid. E3S Web Conf. 2025, 601, 00018. [Google Scholar] [CrossRef]
  44. Yu, N.; Duan, W.; Fan, X. Hydrogen-fueled microgrid energy management: Novel EMS approach for efficiency and reliability. Int. J. Hydrogen Energy 2024, 80, 1466–1476. [Google Scholar] [CrossRef]
  45. Guo, X.; Gu, F.; Liu, H.; Yu, Y.; Li, R.; Wang, J. Sustainable PV-hydrogen-storage microgrid energy management using a hierarchical economic model predictive control framework. Energy Inform. 2025, 8, 18. [Google Scholar] [CrossRef]
  46. Qi, N.; Huang, K.; Fan, Z.; Xu, B. Long-term energy management for microgrid with hybrid hydrogen-battery energy storage: A prediction-free coordinated optimization framework. Appl. Energy 2025, 377, 124485. [Google Scholar] [CrossRef]
  47. Zheng, Y.; Jia, J.; An, D. Energy Management for Microgrids with Hybrid Hydrogen-Battery Storage: A Reinforcement Learning Framework Integrated Multi-Objective Dynamic Regulation. Processes 2025, 13, 2558. [Google Scholar] [CrossRef]
  48. Tang, Y.; Xun, Q.; Liserre, M.; Yang, H. Energy management of electric-hydrogen hybrid energy storage systems in photovoltaic microgrids. Int. J. Hydrogen Energy 2024, 80, 1–10. [Google Scholar] [CrossRef]
  49. Alsolami, M.; Alferidi, A. Real-Time Energy Management of a Microgrid Using MPC-DDQN-Controlled V2H and H2V Operations with Renewable Energy Integration. Energies 2025, 18, 4622. [Google Scholar] [CrossRef]
  50. Kang, J.; Fang, H.; Yun, L. A control and power management scheme for photovoltaic/fuel cell/hybrid energy storage DC microgrid. In Proceedings of the 2019 14th IEEE Conference on Industrial Electronics and Applications (ICIEA), Xi’an, China, 19–21 June 2019; pp. 1937–1941. [Google Scholar] [CrossRef]
  51. Sahri, Y.; Belkhier, Y.; Tamalouzt, S.; Ullah, N.; Shaw, R.N.; Chowdhury, M.S.; Techato, K. Energy management system for hybrid PV/wind/battery/fuel cell in microgrid-based hydrogen and economical hybrid battery/super capacitor energy storage. Energies 2021, 14, 5722. [Google Scholar] [CrossRef]
  52. Zhou, S.; Zhang, X.; Luo, Y.; Zhang, Y.; Lu, Y. The dynamic power sharing method for hydrogen-battery-supercapacitor hybrid energy storage system in DC microgrid. J. Phys. Conf. Ser. 2024, 2918, 012024. [Google Scholar] [CrossRef]
  53. Nair, U.R.; Costa-Castello, R. A Model Predictive Control-Based Energy Management Scheme for Hybrid Storage System in Islanded Microgrids. IEEE Access 2020, 8, 97809–97822. [Google Scholar] [CrossRef]
  54. Jia, C.; Cui, J.; Qiao, W.; Qu, L. Real-Time Model Predictive Control for Battery-Supercapacitor Hybrid Energy Storage Systems Using Linear Parameter-Varying Models. IEEE J. Emerg. Sel. Top. Power Electron. 2023, 11, 251–263. [Google Scholar] [CrossRef]
  55. Deng, Z.; Chen, Q.; Zhang, L.; Zong, Y.; Zhou, K.; Fu, Z. Control oriented data driven linear parameter varying model for proton exchange membrane fuel cell systems. Appl. Energy 2020, 277, 115540. [Google Scholar] [CrossRef]
  56. Vivas Fernández, F.J.; Manzano, F.S.; Márquez, J.M.A.; Calderón Godoy, A.J. Extended model predictive controller to develop energy management systems in renewable source-based smart microgrids with hydrogen as backup. Theoretical foundation and case study. Sustainability 2020, 12, 8969. [Google Scholar] [CrossRef]
  57. Wang, R.; Zhou, X.; Wang, Y.; Xiao, Y.; Shi, Z.; Liu, Y.; Zhang, T. Degradation analysis of lithium-ion batteries under ultrahigh-rate discharge profile. Appl. Energy 2024, 376, 124241. [Google Scholar] [CrossRef]
  58. Schmitt, J.; Rehm, M.; Karger, A.; Jossen, A. Capacity and degradation mode estimation for lithium-ion batteries based on partial charging curves at different current rates. J. Energy Storage 2023, 59, 106517. [Google Scholar] [CrossRef]
  59. Peresada, S.; Nikonenko, Y.; Kovbasa, S.; Kuznietsov, A.; Pushnitsyn, D. Rapid Prototyping Station for Batteries-Supercapacitors Hybrid Energy Storage Systems. In Proceedings of the 2019 IEEE 39th International Conference on Electronics and Nanotechnology (ELNANO), Kyiv, Ukraine, 16–18 April 2019; pp. 826–831. [Google Scholar] [CrossRef]
  60. Tekin, M.; Karamangil, M.İ. Comparative analysis of equivalent circuit battery models for electric vehicle battery management systems. J. Energy Storage 2024, 86, 111327. [Google Scholar] [CrossRef]
  61. Lavety, S.; Keshri, R.K.; Chaudhari, M.A. A dynamic battery model and parameter extraction for discharge behavior of a valve regulated lead-acid battery. J. Energy Storage 2021, 33, 102031. [Google Scholar] [CrossRef]
  62. Kujundžić, G.; Ileš, Š.; Matuško, J.; Vašak, M. Optimal charging of valve-regulated lead-acid batteries based on model predictive control. Appl. Energy 2017, 187, 189–202. [Google Scholar] [CrossRef]
  63. Baccouche, I.; Jemmali, S.; Manai, B.; Omar, N.; Essoukri Ben Amara, N. Improved OCV model of a Li-ion NMC battery for online SOC estimation using the extended Kalman filter. Energies 2017, 10, 764. [Google Scholar] [CrossRef]
  64. Vivas, F.J.; Segura, F.; Andújar, J.M.; Caparrós, J.J. A suitable state-space model for renewable source-based microgrids with hydrogen as backup for the design of energy management systems. Energy Convers. Manag. 2020, 219, 113053. [Google Scholar] [CrossRef]
  65. Nemes, R.; Ciornei, S.; Ruba, M.; Hedesiu, H.; Martis, C. Modeling and simulation of first-order Li-Ion battery cell with experimental validation. In Proceedings of the 2019 8th International Conference on Modern Power Systems (MPS), Cluj-Napoca, Cluj, Romania, 21–23 May 2019. [Google Scholar] [CrossRef]
  66. Andújar, J.M.; Barragán, A.J.; Vivas, F.J.; Enrique, J.M.; Segura, F. Iterative Nonlinear Fuzzy Modeling of Lithium-Ion Batteries. Batteries 2023, 9, 100. [Google Scholar] [CrossRef]
  67. Yang, S.; Zhou, S.; Hua, Y.; Zhou, X.; Liu, X.; Pan, Y.; Ling, H.; Wu, B. A parameter adaptive method for state of charge estimation of lithium-ion batteries with an improved extended Kalman filter. Sci. Rep. 2021, 11, 5805. [Google Scholar] [CrossRef]
  68. Samal, K.B.; Pati, S.; Sharma, R. A review of FCs integration with microgrid and their control strategies. Int. J. Hydrogen Energy 2023, 48, 35661–35684. [Google Scholar] [CrossRef]
  69. Hossain, M.B.; Islam, M.R.; Muttaqi, K.M.; Sutanto, D.; Agalgaonkar, A.P. Modeling and performance analysis of renewable hydrogen energy hub connected to an ac/dc hybrid microgrid. Int. J. Hydrogen Energy 2022, 47, 28626–28644. [Google Scholar] [CrossRef]
  70. Andújar, J.M.; Segura, F.; Rey, J.; Vivas, F.J. Batteries and Hydrogen Storage: Technical Analysis and Commercial Revision to Select the Best Option. Energies 2022, 15, 6196. [Google Scholar] [CrossRef]
  71. Vivas, F.J.; Segura, F.; Andújar, J.M.; Palacio, A.; Saenz, J.L.; Isorna, F.; López, E. Multi-objective fuzzy logic-based energy management system for microgrids with battery and hydrogen energy storage system. Electronics 2020, 9, 1074. [Google Scholar] [CrossRef]
  72. Vivas, F.J.; De las Heras, A.; Segura, F.; Andújar, J.M. H2RES2 simulator. A new solution for hydrogen hybridization with renewable energy sources-based systems. Int. J. Hydrogen Energy 2017, 42, 13510–13531. [Google Scholar] [CrossRef]
  73. Ursúa, A.; Sanchis, P. Static-dynamic modelling of the electrical behaviour of a commercial advanced alkaline water electrolyser. Int. J. Hydrogen Energy 2012, 37, 18598–18614. [Google Scholar] [CrossRef]
Figure 1. Microgrid Architecture.
Figure 1. Microgrid Architecture.
Applsci 15 10810 g001
Figure 2. First-order Thévenin equivalent model for LABB and SCB.
Figure 2. First-order Thévenin equivalent model for LABB and SCB.
Applsci 15 10810 g002
Figure 3. First-order Thévenin equivalent model for LIBB.
Figure 3. First-order Thévenin equivalent model for LIBB.
Applsci 15 10810 g003
Figure 4. Reference microgrid model (RMM) implemented in MATLAB Simulink® R2019a.
Figure 4. Reference microgrid model (RMM) implemented in MATLAB Simulink® R2019a.
Applsci 15 10810 g004
Figure 5. EMS decision-making process.
Figure 5. EMS decision-making process.
Applsci 15 10810 g005
Figure 6. Microgrid power variables: renewable source (PREN), loads (PLOAD), LABB and SCB set (PLA+PSC), hydrogen-based storage system (PH2) and MEG (PGRID).
Figure 6. Microgrid power variables: renewable source (PREN), loads (PLOAD), LABB and SCB set (PLA+PSC), hydrogen-based storage system (PH2) and MEG (PGRID).
Applsci 15 10810 g006
Figure 7. LIBB voltage and SOC for the reference (RMM) and developed (DMM) models.
Figure 7. LIBB voltage and SOC for the reference (RMM) and developed (DMM) models.
Applsci 15 10810 g007
Figure 8. DC bus voltage and SOC of the LABB for the reference (RMM) and developed (DMM) models.
Figure 8. DC bus voltage and SOC of the LABB for the reference (RMM) and developed (DMM) models.
Applsci 15 10810 g008
Figure 9. Hydrogen level in the pressure tank for the reference (RMM) and developed (DMM) models.
Figure 9. Hydrogen level in the pressure tank for the reference (RMM) and developed (DMM) models.
Applsci 15 10810 g009
Figure 10. Operating current of the LABB (ILA) and SCB (IRSC) for the reference (RMM) and developed (DMM) models.
Figure 10. Operating current of the LABB (ILA) and SCB (IRSC) for the reference (RMM) and developed (DMM) models.
Applsci 15 10810 g010
Table 1. Summary of solutions found in literature and authors’ contribution.
Table 1. Summary of solutions found in literature and authors’ contribution.
Microgrid ArchitectureModel
ReferenceBSSSCBHBSSDC Bus TopologyBSS-SCB
Architecture
DC Bus Voltage ModelLevel of IntegrationType
[29,30,31]LIBBYesNoConnection via power convertersActiveYesElement by elementNonlinear Model
[32,33]LIBBYesYesConnection via power convertersActiveNoElement by elementNonlinear & Static Model
[37,38]LIBBYesNoConnection via power convertersActiveNoElement by elementLTI
[39,40]LIBBYesNoConnection via power convertersActiveYesElement by elementLTI
[19,41]LABBYesNoDirect connectionParallel-PassiveNoElement by elementLTI & Static Model
[42,43,44]LIBBNoYesConnection via power convertersActiveYesElement by elementLTI
[45]LIBBNoYesDirect connectionPassiveYesElement by elementLTI
[46,47]LIBBNoYesConnection via power convertersActiveNoComprehensive microgrid modelPWL
[48,49]NoYesYesConnection via power convertersActiveNoComprehensive microgrid modelLTI
[32,50,51,52]LABB or LIBBYesYesConnection via power convertersActiveNoElement by elementLTI
[53]LABBYesYesDirect connectionParallel-PassiveNoComprehensive microgrid modelLTI
[54]LIBBYesNoHybridPassive BSS
Active SCB
NoComprehensive microgrid modelLPV
[55]NoNoYesConnection via power converters-NoComprehensive microgrid modelLPV
[56]LABBNoYesDirect connection-YesComprehensive microgrid modelLPV
Authors’ approachLABB and LIBBYesYesDirect connectionParallel-PassiveYesComprehensive microgrid modelLPV
Table 2. Technical characteristics of the microgrid elements.
Table 2. Technical characteristics of the microgrid elements.
ComponentNominal Parameters
Solar PV mono-Si10 kWp
LABB30 × 12 V, 100 Ah (36 kWh)
LIBB10 × 48 V, 100 Ah (48 kWh)
SCB7 × 60 V, 20 F (1.3 kWh)
Alkaline electrolyser1 Nm3/h, 5 kWe
PEM fuel cell3.4 kWp
Hydrogen tank31.32 m3 at 30 bar
Table 3. Model parameters.
Table 3. Model parameters.
Simulation
Param.ValueParam.ValueParam.ValueParam.Value
T1 s S O C L A ( 0 ) 80% S O C L I ( 0 ) 65% H L ( 0 ) 6.5 m3
LABB model
Param.ValueParam.ValueParam.ValueParam.Value
V N L A 360 V C N L A 100 Ah R s L A 0.75 Ω C L A 100 F
A L A 30 B L A 355 R p L A = 1.91 · 10 15 · e 35 · S O C L A t + e 2 · 10 3 · S O C L A t
LIBB model
Param.ValueParam.ValueParam.ValueParam.Value
V N L I 480 V C N L I 100 Ah R s L I 0.75 Ω C L I 100 F
A L I 30 B L I 250 R p L I = 1.91 · 10 15 · e 35 · S O C L I t + e 2 · 10 3 · S O C L I t
SCB model
Param.ValueParam.ValueParam.ValueParam.Value
V N S C 420 V R s S C 25 mΩ R p S C 5 kΩ C S C 20 F
ELS model
Param.ValueParam.ValueParam.ValueParam.Value
R E L S 2 × 10−4 Nm3/Wh N E L S 30 V N E L S 62.5 V I N E L S 80 A
T E L S 80 °C
FC model
Param.ValueParam.ValueParam.ValueParam.Value
R F C 6 × 10−4 Nm3/Wh N F C 80 V O C F C 80.4 V V N F C 54.6 V
I N F C 65 A T F C 65 °C
Table 4. Error analysis.
Table 4. Error analysis.
Param.Average ErrorRAEMAERMSE
v B U S 0.194 V (0.051%)0.259 V (0.07%)0.883 V (0.236%)1.969 V (0.527%)
S O C L A 0.206%0.035%0.208%0.363%
v L I 0.005 V (−0.002%)0.217 V (0.081%)2.330 V (0.871%)3.195 V (1.195%)
S O C L I −0.149%0.037%0.830%0.889%
H L −0.012 m3 (−0.152%)0.016 m3 (0.199%)0.062 m3 (0.757%)0.075 m3 (0.915%)
i L A −0.02 A (1.05%)0.012 A (−1.07%)0.02 A (−1.06%)0.057 A (−1.16%)
i R s S C 0.001 A (−0.09%)0.003 A (−0.49%)0.001 A (−0.9%)0.009 A (−1.2%)
Disclaimer/Publisher’s Note: The statements, opinions and data contained in all publications are solely those of the individual author(s) and contributor(s) and not of MDPI and/or the editor(s). MDPI and/or the editor(s) disclaim responsibility for any injury to people or property resulting from any ideas, methods, instructions or products referred to in the content.

Share and Cite

MDPI and ACS Style

Andújar Márquez, J.M.; Vivas Fernández, F.J.; Segura Manzano, F. A Complete Control-Oriented Model for Hydrogen Hybrid Renewable Microgrids with High-Voltage DC Bus Stabilized by Batteries and Supercapacitors. Appl. Sci. 2025, 15, 10810. https://doi.org/10.3390/app151910810

AMA Style

Andújar Márquez JM, Vivas Fernández FJ, Segura Manzano F. A Complete Control-Oriented Model for Hydrogen Hybrid Renewable Microgrids with High-Voltage DC Bus Stabilized by Batteries and Supercapacitors. Applied Sciences. 2025; 15(19):10810. https://doi.org/10.3390/app151910810

Chicago/Turabian Style

Andújar Márquez, José Manuel, Francisco José Vivas Fernández, and Francisca Segura Manzano. 2025. "A Complete Control-Oriented Model for Hydrogen Hybrid Renewable Microgrids with High-Voltage DC Bus Stabilized by Batteries and Supercapacitors" Applied Sciences 15, no. 19: 10810. https://doi.org/10.3390/app151910810

APA Style

Andújar Márquez, J. M., Vivas Fernández, F. J., & Segura Manzano, F. (2025). A Complete Control-Oriented Model for Hydrogen Hybrid Renewable Microgrids with High-Voltage DC Bus Stabilized by Batteries and Supercapacitors. Applied Sciences, 15(19), 10810. https://doi.org/10.3390/app151910810

Note that from the first issue of 2016, this journal uses article numbers instead of page numbers. See further details here.

Article Metrics

Back to TopTop