Next Article in Journal
A Convolutional Neural Network-Based Vehicle Security Enhancement Model: A South African Case Study
Previous Article in Journal
A Study on Exterior Design Alternatives for Temporary Residential Facilities Using Generative Artificial Intelligence
 
 
Font Type:
Arial Georgia Verdana
Font Size:
Aa Aa Aa
Line Spacing:
Column Width:
Background:
Article

Study on the Mechanism and Influencing Factors of Sideband Harmonics in Flexible DC Transmission Projects

1
Electric Power Research Institute, State Grid Jibei Electric Power Co., Ltd., Beijing 100045, China
2
School of Electrical Engineering, Beijing Jiaotong University, Beijing 100044, China
*
Author to whom correspondence should be addressed.
These authors contributed equally to this work.
Appl. Sci. 2025, 15(19), 10585; https://doi.org/10.3390/app151910585
Submission received: 8 September 2025 / Revised: 24 September 2025 / Accepted: 28 September 2025 / Published: 30 September 2025

Abstract

The bridge arms and DC voltage of China’s Four-Terminal Flexible DC Transmission Project exhibit persistent high-frequency harmonics over the medium to long term, causing issues such as overheating losses and electromagnetic interference within the converter stations. To address this issue, this paper first introduces the structure of the Four-Terminal Flexible DC Grid and the high-frequency harmonic characteristics on the DC side, clarifying the impact of control cycles on the harmonic distribution at converter stations. Through analysis of the modulating wave, it is demonstrated that the sideband harmonics originate from the coupling effect between the control cycle and the modulating wave, inducing high-frequency sideband harmonics on the bridge arm. A discrete switching equation for bridge arm voltage was established. Based on double Fourier decomposition, a mathematical model for sideband harmonics was derived, and the flow direction of these harmonics was analyzed. A four-terminal flexible DC system was constructed using PSCAD electromagnetic transient simulation, yielding harmonic distributions in the arm and DC-side sidebands. This validated the accuracy of theoretical analysis and ultimately identified the factors influencing sideband harmonics.

1. Introduction

With the increasing development and deployment of new energy sources, large-scale renewable power stations are becoming increasingly commonplace. This trend places higher demands on power systems for the stable control and secure transmission of new energy [1,2]. Flexible direct current transmission systems based on modular multilevel converters offer the advantages of flexible control, independent power regulation, and immunity to commutation failures. They are well-suited for the transmission and grid integration of renewable energy sources and have consequently become a focal point of research within power systems [3,4,5,6]. However, the extensive use of power electronic devices within flexible DC systems also results in numerous high-frequency harmonic and oscillation issues within the system [7,8]. In several operational HVDC projects both domestically and internationally, multiple instances of high-frequency harmonics or oscillations have occurred, posing risks to system operation and equipment safety [9,10].
During operation of the Flexible DC Transmission Project in China, high-frequency harmonics are present in both the DC-side lines and the arm voltages. These harmonics share the same frequency as the control cycle, reaching frequencies of 10 to 100 kHz. High-frequency harmonics will cause significant losses in the IGBTs within the sub-modules during switching operations, accelerating device aging through thermal stress. Furthermore, harmonics are prone to inducing electromagnetic interference within the converter valve’s internal drive circuits [11,12]. Therefore, it is necessary to clarify the harmonic mechanisms and spectral characteristics of this type.
At present, research on harmonic issues has primarily focused on the AC side, with mechanism analyses predominantly centered on the interaction between AC systems and converter stations [13]. However, relevant studies indicate that converter valves in flexible DC systems generate harmonic sidebands on the arm that are related to the control cycle frequency [14,15,16]. Systematic and in-depth research into the modeling of such high-frequency sideband harmonics and their impact on line equipment remains lacking at present.
The nature of sideband harmonics lies in the periodic exchange of electromagnetic energy during the modulation process of the Modulated Magnetic Coil (MMC). The harmonic spectrum typically exhibits a clustered distribution centered around multiples of the switching frequency, with sideband intervals occurring at the fundamental frequency or its second harmonic, among others [17,18]. Regarding the analysis and modeling theory of sideband harmonics, a considerable body of literature has been published on the subject, yet a mature theoretical framework has yet to be established. In [19], it is pointed out that sideband harmonics originate from the nonlinear interaction between the carrier and modulating waves. Under PSC-PWM, the switching function of each submodule is expanded using a double Fourier series, revealing that the submodule contains sideband harmonics centered on the carrier harmonics and spaced at the modulating wave frequency. By altering the carrier frequency of each submodule through the Spatial Spread Spectrum (SSS) strategy, the originally concentrated sideband harmonic components are dispersed across different frequency points. In [20], it is analyzed that under PWM modulation, the sideband harmonics originate from small-signal sinusoidal perturbations superimposed on the modulating wave, with their frequency components derived through Bessel function weighting. The paper demonstrates that the amplitude of these sideband harmonics depends not only on the perturbation magnitude but is also significantly influenced by the number of submodules. In [21], the aliasing effect introduced by frequency during digital sampling is described, resulting in an infinite number of mirror frequencies appearing around the original signal’s frequency components. By summing these mirror frequencies, the high-frequency admittance path accounting for the sampling sidebands is obtained. In [22], a submodule clustering framework was proposed to investigate the scalability of MMC, elucidating the relationship between sampling frequency and sideband harmonics. However, the literature still lacks information on the flow direction of sideband harmonics and the impact of high-frequency harmonics on equipment.
Furthermore, suppression strategies for sideband harmonics warrant further investigation. Measures to mitigate high-frequency harmonics generated within converter valves include the implementation of supplementary filters, minimizing control link delays, and optimizing control strategies [23,24,25]. However, sideband harmonics differ significantly from the conventional high-frequency harmonic issues arising from renewable energy grid integration and control system damping in traditional flexible DC systems, as the former persist long-term within the converter valves. Research into suppressing sideband harmonics within the system may be pursued through approaches such as refining modulation algorithms, designing AC filters, and employing model predictive control (MPC). As sideband harmonics fundamentally originate from dynamic processes within internal electromagnetic energy, optimized modulation algorithms can redistribute harmonic energy at specific frequencies at source through methods such as harmonic injection or targeted harmonic suppression. Investigating the flow direction of such harmonics and implementing suppression measures holds significant importance for protecting internal equipment within converter valves.
In summary, the flexible DC transmission system will see more extensive development in the future. The influence of such high-frequency sideband harmonics on the converter valves and equipment on the DC side lines cannot be ignored. Therefore, further research is needed on this type of harmonic issue to provide a model for the construction and equipment protection of future flexible DC transmission projects. This paper first presents an overview of high-frequency harmonics on the DC side, as recorded at the Flexible DC Transmission Project site. It identifies these harmonics as originating from the discrete switching of arm voltages under the influence of control cycles. A model for arm voltages is derived based on the coupled interaction between the system modulation wave and control cycles, with spectral characteristics determined through dual Fourier analysis. The direction of sideband harmonic flow was determined through sequence component analysis. A four-terminal flexible DC network was established on the PSCAD electromagnetic transient simulation platform to validate sideband harmonics in both arm voltages and DC-side voltages. The contributing factors to sideband harmonics were ultimately identified through three dimensions: the amplitude of third harmonic injection, fluctuations in submodule capacitor voltage, and control link delay. This research also provides a foundation for the suppression of sideband harmonics.
The structure of this paper is distributed as follows: Section 2 investigates the mathematical model and flow direction of sideband harmonics. Section 3 establishes a four-terminal flexible-rigid system on the PSCAD platform to simulate and validate sideband harmonics. Section 4 explores the influencing factors of sideband harmonics.

2. Analysis of Sideband Harmonic Mechanisms

This chapter presents an overview of the Four-Terminal Flexible DC Grid and high-frequency harmonics on the DC side. It analyzes the generation mechanism of sideband harmonics and establishes a discrete bridge arm voltage model. Based on sequence component analysis, the flow direction of sideband harmonics is determined.

2.1. Overview of High-Frequency Harmonics in DC-Side Circuits

The currently operational Flexible Converter Project adopts a four-terminal net-work architecture, which can efficiently, flexibly, and reliably collect and transmit large-scale and decentralized wind and solar power. The decentralized wind and solar power are collected at the two sending stations, Station 1 and Station 3, and the collected new energy power is converted from three-phase AC to DC. Station 2 acts as a regulating station. On one hand, it collects local new energy; on the other hand, it uniformly regulates and stabilizes the electric energy and voltage level. Station 4 is the receiving station. Stations 2 and 4 convert the DC voltage into three-phase AC voltage. The rectified AC voltage at the sending end is 230 Kv, and the terminal AC voltage after inversion at the receiving end is 525 Kv, with a frequency of 50 Hz. The control mode and rated power of the four-terminal flexible DC network are shown in Table 1.
The topology of the Four-Terminal Flexible DC Project is illustrated in Figure 1. Commissioned in June 2020, it stands as the world’s first truly networked flexible DC system. The flexible DC system employs a true bipolar main connection configuration, enabling independent control of positive and negative pole power to achieve asymmetric operation. This accommodates grid dispatch voltage requirements, with a DC voltage level of ±500 kV. The converter station employs Nearest Level Modulation (NLM) modulation.
The DC-side voltage measurement point is situated at the line exit of the converter valve’s DC-side circuit. Taking the positive terminal measurement point at Station 2 as an example, analysis of the field-recorded waveform via the 50 k sampling channel revealed that the DC-side line exhibits high-frequency harmonics primarily characterized by the 197th and 203rd harmonics. The DC voltage waveform recording and harmonic analysis are shown in Figure 2.

2.2. Analysis of Discrete Switching of Bridge Arm Voltage

The converter valve of a flexible DC transmission system comprises three phase units, each connecting the upper and lower arms of the converter valve. Each arm consists of N submodules and one arm reactor. Upon generation of the three-phase reference modulation wave by the extreme control system based on reference commands and actual operating conditions, the modulation wave shall be transmitted to the valve control system to determine the number and position of submodules to be activated within the converter valve. The topology of the converter valve is shown in Figure 3.
The system modulation wave comprises two components: the fundamental modulation wave generated by the power outer loop and current inner loop control, and the zero-sequence third harmonic injection component. The zero-sequence third harmonic injection component reduces the modulation wave peak, effectively enhancing DC voltage utilization. It is currently widely applied in multiple flexible DC transmission projects. The modulated waveform Uref(t) may be expressed by Equation (1).
U ref ( t ) = M cos ( ω 1 t + θ ) M 6 cos ( 3 ω 1 t + θ )
In the formula, M denotes the modulation ratio, expressed as the quotient of the phase voltage amplitude and Udc/2. To prevent overmodulation, the modulation ratio shall not exceed 1.
The converter station adopts the Near-Level Approaching (NLM) modulation algorithm, which is a modulation strategy specifically designed for multi-level converters. As for MMC, its core idea is to use the level that the converter can output, which is the closest to the target sinusoidal voltage value, to “approach” or “fit” the ideal sinusoidal wave. The implementation of this algorithm is divided into the following three steps:
(a)
Calculate the target voltage value: Based on the system control mode instruction value, generate a modulation wave as shown in Equation (1).
(b)
Level quantization: This is the core step of NLM. In this step, according to the voltage amplitude of a single level, calculate the number of sub-modules that need to be input at the current moment, find the integer level number closest to the target value, and this process will lead to the discretization of the bridge arm voltage.
(c)
Capacitor voltage sorting and sub-module switching: To ensure voltage balance, the controller continuously monitors the capacitor voltages of all sub-modules and sorts them; if the current is charging, the sub-modules with the lowest capacitor voltages will be prioritized for activation, while if the current is discharging, the sub-modules with the highest capacitor voltages will be given priority.
The modulation process as well as the activation and deactivation of sub-modules are carried out under the control of the converter valve, and they need to be coordinated with the control period Ts. The corresponding control frequency is fs. The control period refers to the time required for the controller to execute a complete control algorithm (including sampling, calculation, modulation, and pulse allocation). The converter valve completes one modulation in each control cycle, which is a “discrete” rather than a “continuous” process. When the control cycle is shorter, the system’s kinetic performance is better, but the computational capacity of the processor is also higher. When the control cycle approaches zero, the converter valve will achieve real-time triggering, that is, “continuous” modulation. However, this is only an ideal working state. In actual engineering, the control cycle is limited by the performance of the computing board, so it is impossible to achieve “continuous” modulation. The control cycle determines the number of levels in the bridge arms of the converter station and is an important factor in determining the harmonic level of the converter station. The higher the level number, the stronger the output waveform tracking modulation wave capability and the lower the harmonic content. Therefore, an appropriate control period needs to be selected to balance the harmonic content and the system computing capacity. To reach the maximum theoretical level of the bridge arm, the control period should meet the conditions of Equation (2).
T s 1 M N π f 0
N denotes the number of neutron modules within the arm, while f0 represents the fundamental frequency of the system. In systems with a large number of sub-modules, the converter station cannot achieve the required control accuracy. The actual level number does not match the theoretical level number. During a control cycle, multiple sub-modules are conducting simultaneously. At this point, there is a significant sudden change in the bridge arm voltage. The relationship between the actual level number NL and the number of sub-modules N and the control period Ts can be expressed by Equation (3).
N L = N M 1 k = 1 n 1 k ( k + 1 ) 1 k T P M T s 2 , n T P < T s ( n + 1 ) T P < 1 π f 0 2 M N
In the formula, TP represents the maximum control cycle of the valve stage when the full-level output is achieved. Taking the 228 submodules of the China Four-End Flexible DC Project as an example, with a control frequency of fs = 10 kHz, it indicates the discrete switching mode of the sub-module, as shown in Figure 4. The ideal bridge arm voltage is a sine curve. Under the influence of NLM modulation, the ideal full-level output bridge arm voltage is a discrete voltage of 229 levels. However, under the control cycle effect, the actual number of output levels no longer has a linear relationship with the number of sub-modules. During one control cycle, multiple sub-modules are switched on and off in the bridge arm, and the actual number of levels is only 91. The degree of discretization of the bridge arm voltage deepens, and the content of sideband harmonics increases.
Under the coupled action of the modulating wave and control cycle, high-frequency sideband harmonics centered around the control frequency will be generated in the bridge arm: coupling with the fundamental wave produces harmonics at frequencies fs ± f0, while coupling with the zero-sequence third harmonic component generates harmonics at frequencies fs ± 3f0. These harmonics will flow through the converter valves, DC-side lines, and associated equipment.

2.3. Mathematical Modeling of Sideband Harmonic

To further clarify the spectral characteristics of the sideband harmonics, it is necessary to establish a mathematical model for these harmonics. Under the influence of the control cycle, the arm voltages exhibit discrete conduction states; therefore, a discrete model for the arm voltages must first be developed. The voltage references for the upper arm (Varmu_ref) and lower arm (Varml_ref) are, respectively, given by Equation (4).
V armu _ ref ( t ) = V dc 2 [ 1 U ref ( t ) ] V arml _ ref ( t ) = V dc 2 [ 1 + U ref ( t ) ]
The core of the modulation algorithm lies in determining, within each control cycle Ts, the number of submodules to engage based on the current modulation wave, selecting those whose voltage commands most closely match the bridge arm voltage commands. The number of submodules turned on remains constant until the next control cycle generates a new count. The actual number of submodules turned on, NSM[k], can be expressed by Equation (5).
N SM [ k ] = V dc 2 U c [ 1 U ref ( k T s ) ] + 0.5 , k = 0 , 1 , 2
In the equation, Uc denotes the average voltage of the submodule, and x represents the floor function. Within the same control cycle, the arm voltage may be regarded as constant, as shown in Equation (6).
V arm ( t ) = N SM [ k ] U c , t [ k T s , ( k + 1 ) T s )
Between two control cycles, the number of submodules turned on undergoes a step change, thereby inducing a step change in the arm voltage. Consequently, the overall arm voltage may be approximated as a piecewise constant signal with discrete variations in amplitude, representing a zero-order hold (ZOH) process as shown in Equation (7).
V arm ( t ) = k = N SM [ k ] U c T s ( t k T s )
where T s ( t ) denotes the rectangular window function, defined as: T s ( t ) = 1         0 < t < T s 0                     o t h e r s . When the control cycle is extended, the bridge arm voltage step and discretization severity become more pronounced. The fundamental source of bridge arm harmonics is the error between the actual voltage and the commanded voltage. The error voltage ε ( t ) may be defined as shown in Equation (8).
ε ( t ) = V arm ( t ) V arm _ ref ( t ) = k ( N SM [ k ] U c V ref [ k ] ) T s ( t k T s ) ( 1 ) + V ref [ k ] V arm _ ref ( t ) ( 2 )
In the equation, Vref[k] denotes the discrete command voltage sequence generated by the controller after sampling the command voltage during the kth control cycle. This represents the discrete equivalent of the arm modulation command under the influence of the control cycle, and can be expressed by Equation (9).
V ref [ k ] = V arm _ ref   ( k T s ) = U dc 2 [ 1 U ref ( k T s ) ]
From the voltage error functions (7) and (8), it can be seen that the harmonics in the bridge arm voltage are generated by modulating a high-frequency periodic sampling process with a power-frequency modulation signal. Item (1) of Chinese-style (7) represents a quantization error, arising from approximating continuous voltage levels with discrete steps, whose spectral characteristics relate to rounding operations; Item (2) denotes a sampling-and-holding error, stemming from the zero-order hold of the actual output voltage under control cycle influence.
To further analyze the harmonic spectrum characteristics of the sideband, the discretized arm voltages obtained above may undergo Fourier analysis. The formation of the arm output voltage is modulated by two variables: the control cycle and the modulation wave. For precise analysis, the control cycle may be treated as a sawtooth carrier E(t) with frequency fs:
E ( t ) = t T s t T s , 0 < t < T s
Within each control cycle, the carrier increases linearly from 0 to 1. The number of submodules engaged in the arm is jointly determined by the modulating wave and the carrier, as shown in Equation (11).
N SM [ k ] = n = 1 N [ 1 + sgn ( 1 2 ( 1 U ref ( t ) ) n 0.5 N E ( t ) ) ]
The above equation indicates that the modulation algorithm is equivalent to a PWM process based on the modulating wave and the offset carrier E(t). Based on the preceding analysis, the spectrum of the bridge arm electrical output voltage can be represented by the double Fourier series shown in Equation (12).
V arm ( t ) = U dc 2 + m = 1 n = C mn e j ( m ω c + n ω 1 ) t
where ω c denotes the control angular frequency, ω 1 represents the fundamental angular frequency, and Cmn signifies the double Fourier coefficient determining the amplitude of harmonic components at frequencies fs ± fn, whose coefficient is given by a double integral:
C mn = U c 2 π 2 π π π π N 1 2 [ 1 U ref ( θ ) ] + 0.5 e j ( m ϕ + n θ ) d ϕ d θ
In summary, the bridge arm voltage spectrum contains characteristic harmonics at frequencies fs ± fn. Here, fn denotes the spectral components present within the modulating wave. As indicated by Equation (1), the modulating wave primarily comprises fundamental and zero-sequence third harmonic components. Consequently, the characteristic harmonics within the bridge arm predominantly encompass four frequency categories: fs ± f0 and fs ± 3f0.

2.4. Sideband Harmonic Flow Direction

For harmonics of characteristic frequencies, their flow direction must be analyzed based on their thermal behavior as sequence components within the three-phase bridge arms. The sideband harmonics identified in the preceding analysis may be broadly categorized into two types: those modulated by the fundamental and zero-sequence third harmonic, namely fs ± f0 and fs ± 3f0. For the former, one may consider the relationship with the fundamental wave: as evident from the carrier waveform in Equation (9), when the carrier frequency is extremely high relative to the fundamental frequency, the resulting sideband harmonics typically exhibit positive-order characteristics; conversely, negative-order characteristics prevail. The fs ± 3f0 harmonics, being modulated in concert with the control cycle from the zero-sequence third harmonic injection component, thus inherit the phase sequence of the third harmonic. Such sideband harmonics are zero-sequence.
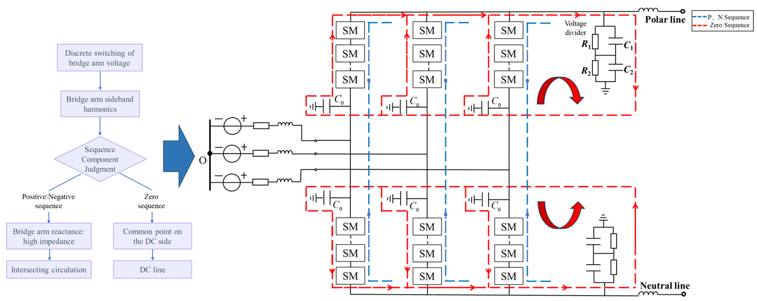
Within the MMC, the flow path of harmonic currents is primarily determined by two factors: (a) the harmonic order component; (b) the impedance characteristics of the circuit structure. The resulting flow path for the sideband harmonics is illustrated in Figure 5.
For positive and negative sequence harmonic components: under the influence of the armature reactance frequency, they exhibit extremely high inductive reactance values, with the path of minimum impedance being that flowing between the three phases. Consequently, harmonics are largely confined within the converter valves, making it difficult for them to escape into the AC system or DC bus. Their primary effects are to increase the ripple in arm currents and to elevate losses in arm reactors and power devices. For zero-sequence components: The DC side constitutes the common point of the three-phase upper and lower bridge arms. In the figure, C0 represents the equivalent capacitance of the converter station equipment to ground, and together with the voltage divider and other devices, it forms the path for the zero-sequence sideband harmonics. The three-phase zero-sequence voltage components are superimposed in phase with each other and directly manifest on the DC busbar. Consequently, such harmonics appear at both ends of the DC busbar with virtually no attenuation.

3. Simulation Verification

This chapter establishes a 500 kV four-terminal DC transmission system within PSCAD, simulating the operational conditions of the HVDC system. It models the converter valve arm and DC-side voltage to validate the accuracy of theoretical analysis.

3.1. Simulation Model Construction

A true bipolar four-terminal HVDC system, as depicted in Figure 1, was established within the PSCAD/EMTDC simulation platform. The length of the line is the same as that listed in Figure 1, and the operating power is the rated power. The converter valve armature was constructed using half-bridge submodules. The rated power and control modes for the four converter stations are detailed in Table 1, while the internal simulation parameters for the converter valves are outlined in Table 2. A grounding electrode is positioned at Station 2, where DC voltage measurement points and arm voltage monitoring points are also established. The spectral characteristics at corresponding locations are simulated.
The converter valve’s internal control system employs a dual-closed-loop vector control strategy, comprising an outer-loop power/voltage control and an inner-loop current decoupling control. The valve control system utilizes NLM modulation. Submodule internal dynamic voltage equalization is achieved through a method based on state sequencing and incremental switching.

3.2. Simulation Results

The time-domain waveform of the arm voltage observed in the PSCAD simulation is shown in Figure 6. The arm voltage exhibits a step-like variation trend, with the arm voltage level demonstrating a negative correlation with the control cycle. This verifies the discrete switching characteristics under NLM modulation. The simulation measured the actual level to be 94, which is in good agreement with the theoretical value obtained from Equation (3).
The results of the Fast Fourier Transform (FFT) spectral analysis of the arm voltage are shown in Figure 7. The bridge arm voltage spectrum contains low-frequency harmonic components, and the key factor causing such harmonics is the delay of the control link. The delay of the control link is equivalent to introducing a phase lag component in the control loop, reducing the phase margin of the system. However, it mainly affects the pole control level of the converter station, has a relatively small impact on the valve control level, and does not affect the amplitude of the sideband harmonics under the NLM modulation mode. The harmonic loss is also within the allowable range. In the high-frequency range, a cluster of sideband harmonics centered around the switching frequency of 10 kHz is present, consistent with theoretical analysis.
The spectrum diagram reveals that the energy of these sideband harmonics is significantly concentrated near the fs ± fn (n = 1, 3) frequencies, as shown in Figure 8. This aligns with the results from the theoretical analysis concerning the coupling between the control period and the modulation wave.
Simulation results for the DC-side voltage indicate that its waveform exhibits pronounced high-frequency ripple superimposed upon a stable DC mean value. The FFT spectral analysis results are shown in Figure 9. Analysis of the spectrum reveals that the primary harmonic components precisely correspond to the flow direction of the zero-sequence component in the bridge arm voltage: frequency components at fs ± 3f0 manifest as prominent peaks within the spectrum, whilst positive-sequence and negative-sequence components are significantly suppressed to the point of being scarcely observable.
Simulation results have validated the distribution of sideband harmonics within the bridge arm voltage and DC voltage. In practical engineering applications, consideration should be given to the impact of such harmonics on converter station operation.

4. Sideband Harmonic Influencing Factors

This chapter investigates the impact of third harmonic injection amplitude, capacitor voltage fluctuations within submodules, and system control link delays on the amplitude or distribution of sideband harmonics. The findings provide valuable reference for research into suppression measures for such harmonics.

4.1. Third Harmonic Injection Amplitude

From the foregoing analysis, it is evident that high-frequency harmonics on the DC side primarily originate from the coupling of zero-sequence third-harmonic components within the control cycle and modulation wave, subsequently flowing into the DC-side circuitry. Consequently, reducing the amplitude of injected zero-sequence third-harmonics diminishes the ‘pathway’ or ‘coupling strength’ through which high-frequency harmonics propagate from the phase units to the DC side. This approach effectively mitigates the amplitude of high-frequency harmonics on the DC side. However, this approach would sacrifice the core advantages offered by third harmonic injection, namely the reduction of arm voltage stresses and the improvement in DC voltage utilization. When DC-side harmonics cause interference to communication along the line, or when equipment with stringent harmonic requirements is connected, reducing the amplitude of injected third-harmonic components serves as an effective means of suppressing harmonics.

4.2. Capacitor Voltage Fluctuation in the Submodule

In the theoretical analysis of sideband harmonics presented in Section 2 of this paper, the submodule voltages are all treated as their mean values, meaning that the capacitive voltages across all submodules are constant and equal. In practice, the capacitor voltage will fluctuate due to charging and discharging. The voltage fluctuation of the sub-module is usually represented by the capacitor voltage fluctuation rate δ , and the representation method is shown in Equation (14).
δ = Δ U c U c
In the formula, U c represents the peak-to-peak variation of the capacitor voltage, which is the difference between the maximum and minimum values of the capacitor voltage within one power frequency cycle. In the flexible direct current DC project, the voltage fluctuation value of the capacitor is measured by a voltage sensor and sent to the controller to implement the voltage equalization strategy, ensuring the voltage balance of the bridge arm submodules.
The bridge arm voltage correction equation accounting for capacitive voltage fluctuations in the submodules is shown in Equation (15).
V arm _ Ucf ( t ) = N SM [ k ] U c 0 + N SM [ k ] Δ U c 0 cos ( 2 ω 1 t + φ )
In the equation, Uc0 denotes the average voltage of the submodule. The above expression indicates that capacitor voltage fluctuations impose amplitude modulation upon the ideal discrete-level output, thereby superimposing secondary sidebands onto the original harmonic spectrum. The amplitude of the new sideband, U a r m _ U c f , exhibits a positive correlation with the magnitude of submodule voltage fluctuations, as demonstrated in Equation (16).
U arm _ Ucf Δ U c 0 U c 0
In addition, the voltage fluctuation of the sub-module capacitors on the bridge arm is the “source” or “excitation” of the high-frequency harmonic voltage on the DC side. Therefore, to reduce the high-frequency sideband harmonics on the bridge arm and the DC side, the voltage fluctuation of the sub-modules can be suppressed by adopting a reasonable voltage equalization strategy, thereby reducing the high-frequency harmonics on the DC side.
There are several ways to suppress the voltage fluctuation of the sub-module capacitors: (a) increasing the capacitance value of the sub-module, (b) implementing current loop suppression control, and (c) optimizing the equalization sorting algorithm. The first method improves the voltage uniformity of the sub-modules through hardware means, while the latter two methods enhance the voltage fluctuation of the sub-modules at the control strategy level. Common methods include “using retention factors and overall sorting”, “high-frequency modulation injection”, etc. However, while reducing the voltage fluctuation of sub-module capacitors, there are usually problems such as increased switching losses and higher costs. Therefore, based on the actual working conditions, a reasonable control strategy should be selected.

4.3. Control Link Delay

The unavoidable factors in control link delay systems primarily stem from sampling delays, computational processing delays, and pulse transmission delays, typically amounting to one to several control cycles. The most direct effect of link delay is the introduction of additional phase lag. For harmonic components at specific frequencies, the delay introduces a linear phase response of −2πf0Td.
The effect of control link delay on sideband harmonics is primarily manifested in the following manner: the delay alters the relative phase relationship between the fundamental/third harmonic and the sampled carrier. In PWM modulation schemes, delays may directly cause pulse width calculation errors, thereby significantly altering harmonic amplitudes. However, within the NLM system, owing to its sampling-and-holding characteristics, the delay itself typically does not significantly alter the amplitude of the sideband harmonics. The envelope of the harmonic amplitude remains primarily determined by the zero-order hold and the coefficients obtained through Fourier decomposition.

5. Conclusions

This paper analyzes the sources of high-frequency sideband harmonics in the AC-DC system. The presence of control cycles within the converter station results in a lower number of levels than submodules, leading to elevated harmonic levels and the generation of sideband harmonics centered around the control cycle. By establishing a discrete switching model for the arm voltage and analyzing the arm voltage based on double Fourier decomposition, the spectral characteristics of the sideband harmonics were determined. Based on sequence component analysis, the flow direction of the sideband harmonics was determined. A four-terminal flexible DC network was constructed within the PSCAD model, where spectral characteristics in both arm voltages and DC-side voltages were analyzed, thereby validating the accuracy of the theoretical analysis. Finally, the impact of third harmonic injection amplitude, submodule capacitor voltage fluctuations, and control link delay on the distribution of sideband harmonics is discussed separately, providing insights for suppressing sideband harmonics. This paper, through the analysis of sideband harmonics, clarifies the mechanism of the sideband harmonics that have a significant impact on the converter valve and the lines. This provides a guideline for the selection of equipment, the installation location, and the design of the converter valve system, thereby avoiding the influence of such harmonics.

Author Contributions

Conceptualization, Q.H., W.Z., Y.J. and F.Z.; methodology, Q.H., W.Z., Y.J. and F.Z.; software, W.Z.; validation, Q.H. and Y.J.; data curation, Q.H. and Y.J.; formal analysis, W.Z. and F.Z.; investigation, Q.H. and W.Z.; writing—review and editing, Q.H.; visualization, Y.J.; supervision, F.Z.; project administration, Y.J.; funding acquisition, Y.J. All authors have read and agreed to the published version of the manuscript.
All authors have read and agreed to the published version of the manuscript.

Funding

This research was funded by the Science and Technology Project of the Electric Power Research Institute, State Grid Jibei Electric Power Co., Ltd. under grant number KJC2024073, and the APC was funded by grant number KJC2024073.

Institutional Review Board Statement

Not applicable.

Informed Consent Statement

Not applicable.

Data Availability Statement

Data are contained within the article.

Conflicts of Interest

Authors Qing Huai and Yirun Ji were employed by the company State Grid Jibei Electric Power Co., Ltd. The funder was not involved in the study design, collection, analysis, interpretation of data, the writing of this article or the decision to submit it for publication.

References

  1. Ye, H.; Cao, W.; Chen, W.; Wu, H.; He, G.; Li, G.; Xi, Y.; Liu, Q. An AC Fault Ride Through Method for MMC-HVDC System in Offshore Applications Including DC Current-Limiting Inductors. IEEE Trans. Power Deliv. 2022, 37, 2818–2830. [Google Scholar] [CrossRef]
  2. Liu, Z.; Lv, X.; Wu, F.; Li, Z. Multi-Mode Active Inertia Support Strategy for MMC-HVDC Systems Considering the Constraint of DC Voltage Fluctuations. IEEE Trans. Power Deliv. 2023, 38, 2767–2781. [Google Scholar] [CrossRef]
  3. Jung, J.; Cui, S.; Lee, J.; Sul, S.-K. A new topology of multilevel VSC converter for a hybrid HVDC transmission system. IEEE Trans. Power Electron. 2017, 32, 4199–4209. [Google Scholar] [CrossRef]
  4. Yu, S.; Wang, X.; Pang, C. A Pilot Protection Scheme of DC Lines for MMC-HVDC Grid Using Random Matrix. J. Mod. Power Syst. Clean Energy 2023, 11, 950–966. [Google Scholar] [CrossRef]
  5. Collados-Rodriguez, C. Integration of an MMC-HVDC link to the existing LCC-HVDC link in Balearic islands based on grid-following and grid-forming operation. IEEE Trans. Power Deliv. 2022, 37, 5278–5288. [Google Scholar] [CrossRef]
  6. Liu, Y.; Lin, Z.H.; Xiahou, K.S.; Lin, Y.Q.; Wu, Q.H. Equivalent Hamiltonian equations modelling and energy function construction for MMC-HVDC in hybrid AC/DC power systems. Chin. Soc. Elect. Eng. J. Power Energy Syst. 2021, 7, 821–831. [Google Scholar]
  7. Yang, W.; Lu, Z.; Xu, Y.; Qiao, G. MMC-HVDC System High Frequency Resonance Suppression Method Based on Capacitive Filter. In Proceedings of the 2024 14th International Conference on Power and Energy Systems (ICPES), Chengdu, China, 13–16 December 2024; pp. 115–120. [Google Scholar] [CrossRef]
  8. Wang, J.; Chen, W.; Liu, Y.; Fu, C.; Ye, Y.; Feng, J. High-frequency Resonance Analysis and Impedance Reshaping Control of MMC-HVDC System Based on Frequency Coupling Impedance Model. J. Mod. Power Syst. Clean Energy 2024, 12, 646–657. [Google Scholar] [CrossRef]
  9. Yang, W.; Wang, X.; Wang, S. Analysis of the High frequency Resonant and Suppression in Yu to E VSC-HVDC Project Connected to the Grid. Power Gener. Technol. 2022, 3, 492–500. [Google Scholar]
  10. Yang, W.; Wang, X.; Wang, S. The Method of Suppression High-Frequency Resonant by MMC-HVDC Converter Impedance Adaptive Remodeling. Power Syst. Technol. 2022, 46, 4473–4481. (In Chinese) [Google Scholar]
  11. Bañuelos-Cabral, E.S.; Gutiérrez-Robles, J.A.; Nuño-Ayón, J.J.; Sotelo-Castañón, J.; Naredo, J.L. Extended vector fitting for subharmonics, harmonics, interharmonics, and supraharmonics estimation in electrical systems. Electr. Power Syst. Res. 2023, 224, 109664. [Google Scholar] [CrossRef]
  12. Arranz-Gimon, A.; Zorita-Lamadrid, A.; Morinigo-Sotelo, D.; Duque-Perez, O. A review of total harmonic distortion factors for the measurement of harmonic and interharmonic pollution in modern power systems. Energies 2021, 14, 6467. [Google Scholar] [CrossRef]
  13. Man, J.; Xie, X.; Xu, S.; Zou, C.; Yin, C. Frequency-Coupling Impedance Model Based Analysis of a High-Frequency Resonance Incident in an Actual MMC-HVDC System. In IEEE Transactions on Power Delivery; IEEE: New York, NY, USA, 2020; Volume 35, pp. 2963–2971. [Google Scholar] [CrossRef]
  14. Thakur, S.S.; Odavic, M.; Allu, A.; Zhu, Z.Q.; Atallah, K. Analytical Modelling and Optimization of Output Voltage Harmonic Spectra of Full-Bridge Modular Multilevel Converters in Boost Mode. IEEE Trans. Power Electron. 2022, 37, 3403–3420. [Google Scholar] [CrossRef]
  15. Ming, L.; Ding, W.; Yin, C.; Xin, Z.; Loh, P.C. A Direct Carried-Based PWM Scheme with Reduced Switching Harmonics and Common-Mode Voltage for Current Source Converter. IEEE Trans. Power Electron. 2021, 36, 7783–7796. [Google Scholar] [CrossRef]
  16. Yin, J.; Dai, N. On Carrier-to-Fundamental Phase Displacement in Phase-Shifted PWM for Modular Multilevel Converters. IEEE Trans. Power Electron. 2024, 39, 8293–8305. [Google Scholar] [CrossRef]
  17. Wang, C.; Yang, T.; Hussaini, H.; Huang, Z.; Bozhko, S. Power Quality Improvement Using an Active Power Sharing Scheme in More Electric Aircraft. IEEE Trans. Ind. Electron. 2022, 69, 3588–3598. [Google Scholar] [CrossRef]
  18. Meng, Y.; Zou, Y.; Wang, H.; Kong, Y.; Du, Z.; Wang, X. Novel Submodule Topology with Large Current Operation and DC-Fault Blocking Capability for MMC-HVDC. IEEE Trans. Power Deliv. 2021, 36, 1542–1551. [Google Scholar] [CrossRef]
  19. Shan, Y.; Pei, X.; Sun, T.; Zhang, M.; Zhou, P.; Jiang, D. Space Spread-Spectrum Strategy for MMC to Reduce the Conducted EMI. IEEE Trans. Ind. Electron. 2022, 69, 10807–10818. [Google Scholar] [CrossRef]
  20. Zhu, S.; Liu, K.; Liao, X.; Qin, L.; Huai, Q.; Xu, Y.; Li, Y.; Wang, F.; Liu, P. D-Q Frame Impedance Modeling of Modular Multilevel Converter and Its Application in High-Frequency Resonance Analysis. IEEE Trans. Power Deliv. 2021, 36, 1517–1530. [Google Scholar] [CrossRef]
  21. Cvetanovic, R.; Bonanno, G.; Comacchio, A.; Abedini, H.; Biadene, D.; Mattavelli, P. High Frequency Passivity Properties of Grid-Connected Admittance with Double-Sampling Asymmetric Dual-Edge Modulator. IEEE Open J. Power Electron. 2022, 3, 856–865. [Google Scholar] [CrossRef]
  22. Na, J.; Kim, H.; Kim, S.; Kim, C.-K.; Mantooth, H.A.; Hur, K. Interleaving Clusters of Submodules to Enhance Scalability of Modular Multilevel Converters for High-Voltage Applications. IEEE Trans. Power Deliv. 2024, 39, 555–564. [Google Scholar] [CrossRef]
  23. Harnefors; Finger, R.; Wang, X.F.; Bai, H.F.; Blaabjerg, F. VSC input-admittance modeling and analysis above the nyquist frequency for passivity-based stability assessment. IEEE Trans. Ind. Electron. 2017, 64, 6362–6370. [Google Scholar] [CrossRef]
  24. Liu, L.; Zhang, Y.; Shen, S. Optimization and Simulation for Network Performance of Back to Back VSC-HVDC Systems. In Proceedings of the Cigre Session, Paris, France, 24 August–3 September 2020; pp. 1–10. [Google Scholar]
  25. Zou, C.Y.; Rao, H.; Xu, S.K.; Li, Y.; Li, W.; Chen, J.; Zhao, X.; Yang, Y.; Lei, B. Analysis of resonance between a VSC-HVDC converter and the AC grid. IEEE Trans. Power Electron. 2018, 33, 10157–10168. [Google Scholar] [CrossRef]
Figure 1. Four-end flexible direct topology.
Figure 1. Four-end flexible direct topology.
Applsci 15 10585 g001
Figure 2. DC voltage recording and harmonic analysis results.
Figure 2. DC voltage recording and harmonic analysis results.
Applsci 15 10585 g002
Figure 3. Converter valve topology diagram.
Figure 3. Converter valve topology diagram.
Applsci 15 10585 g003
Figure 4. Discrete switching of bridge arm voltage.
Figure 4. Discrete switching of bridge arm voltage.
Applsci 15 10585 g004
Figure 5. High-frequency harmonic path.
Figure 5. High-frequency harmonic path.
Applsci 15 10585 g005
Figure 6. Bridge arm voltage waveform.
Figure 6. Bridge arm voltage waveform.
Applsci 15 10585 g006
Figure 7. Bridge arm voltage spectrum.
Figure 7. Bridge arm voltage spectrum.
Applsci 15 10585 g007
Figure 8. Sideband harmonic distribution.
Figure 8. Sideband harmonic distribution.
Applsci 15 10585 g008
Figure 9. DC voltage spectrum.
Figure 9. DC voltage spectrum.
Applsci 15 10585 g009
Table 1. Four-terminal converter station power.
Table 1. Four-terminal converter station power.
Converter
Station
Rated
Power
Control
Method
Power Flow
Direction
Station 11500 MWV/f controlTransmitter station
Station 21500 MWUdc/Q controlRegulating station
Station 33000 MWV/f controlTransmitter station
Station 43000 MWP/Q controlReceiving station
Table 2. Converter valve simulation parameters.
Table 2. Converter valve simulation parameters.
ParametersValue
DC voltage±500 kV
Ts100 μs
Arm inductor150 mH
Transformer ratio230 kV/525 kV
Transformer leakage reactance0.15 p.u.
Number of submodules228
Submodule voltage fluctuation2.5%
C0900 pF
R1150 MΩ
R2120 kΩ
C11200 pF
C21.5 μF
Disclaimer/Publisher’s Note: The statements, opinions and data contained in all publications are solely those of the individual author(s) and contributor(s) and not of MDPI and/or the editor(s). MDPI and/or the editor(s) disclaim responsibility for any injury to people or property resulting from any ideas, methods, instructions or products referred to in the content.

Share and Cite

MDPI and ACS Style

Huai, Q.; Ji, Y.; Zhang, W.; Zhang, F. Study on the Mechanism and Influencing Factors of Sideband Harmonics in Flexible DC Transmission Projects. Appl. Sci. 2025, 15, 10585. https://doi.org/10.3390/app151910585

AMA Style

Huai Q, Ji Y, Zhang W, Zhang F. Study on the Mechanism and Influencing Factors of Sideband Harmonics in Flexible DC Transmission Projects. Applied Sciences. 2025; 15(19):10585. https://doi.org/10.3390/app151910585

Chicago/Turabian Style

Huai, Qing, Yirun Ji, Wang Zhang, and Fang Zhang. 2025. "Study on the Mechanism and Influencing Factors of Sideband Harmonics in Flexible DC Transmission Projects" Applied Sciences 15, no. 19: 10585. https://doi.org/10.3390/app151910585

APA Style

Huai, Q., Ji, Y., Zhang, W., & Zhang, F. (2025). Study on the Mechanism and Influencing Factors of Sideband Harmonics in Flexible DC Transmission Projects. Applied Sciences, 15(19), 10585. https://doi.org/10.3390/app151910585

Note that from the first issue of 2016, this journal uses article numbers instead of page numbers. See further details here.

Article Metrics

Back to TopTop