FEA for Optimizing Design and Fabrication of Frame Structure of Elevating Work Platforms
Abstract
1. Introduction
2. Materials and Methods
2.1. Experimental Design
- 1.
- Aluminium Alloy (EN-AW 1200): good resistance to corrosion, but not high resistance to stress. Known for its relatively low cost, mild steel offers moderate strength and ductility, making it a common choice in EWP frames;
- 2.
- Aluminium Alloy (EN-AW 2014): Alloy highly appreciated for aeronautical and mechanical constructions where good toughness and good resistance to crack propagation are required;
- 3.
- High-Strength Low-Alloy Steel (Fe275JR): structural steel with a low carbon content. Also called “construction steels”, as they are mainly used in the construction of building works;
- 4.
- High-Strength Low-Alloy Steel (S700): structural steel. High strength low alloy for cold forming. Exceptional weldability properties. Excellent load-bearing capacity.
2.2. Finite Element Model Development
- 1.
- Meshing: The frame model was meshed with a combination of tetrahedral and hexahedral elements, with finer meshing applied to critical areas prone to stress concentration (e.g., joints and connection points). A mesh sensitivity analysis was conducted to ensure accurate results, with the final mesh configuration selected to balance precision and computational efficiency. The mesh data are in Table 1.
- 2.
- Material Properties: Each material was defined based on its mechanical properties as listed in Table 2. While tensile strength is listed for each material as an indicator of ultimate strength, it is not directly applied as a boundary condition in the FEA simulation. Instead, the analysis uses Young’s Modulus, Poisson’s Ratio, Yield Strength, and Density sourced from material databases and technical literature to define elastic behavior and evaluate stress distribution and safety factors under operational loads.
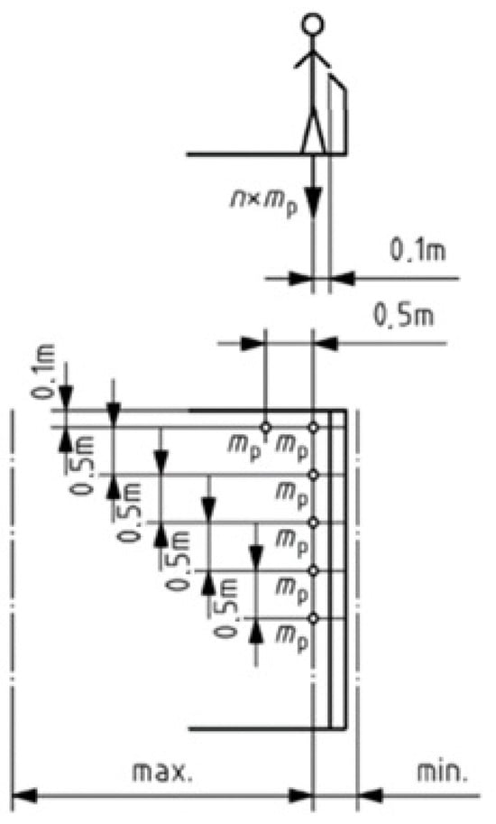
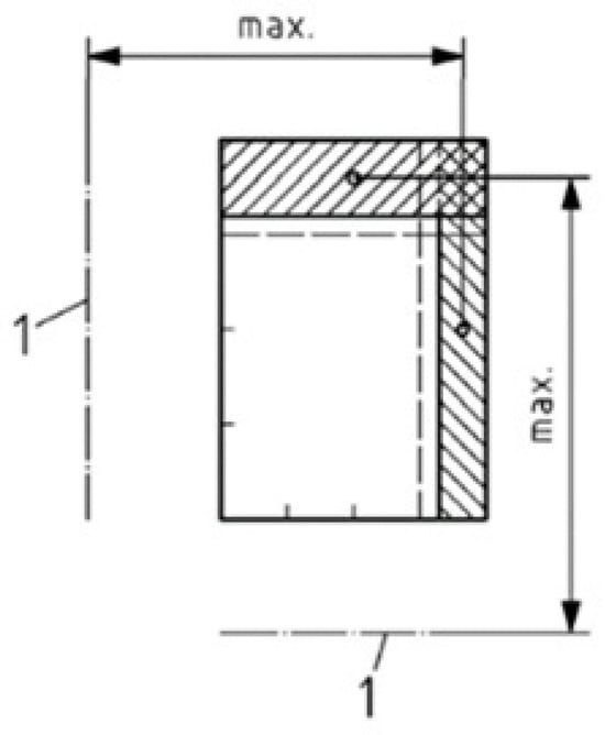
2.3. Boundary Conditions and Loading Scenarios
- 1.
- Platform weight: The weight of the platform is calculated by adding the weight of each individual component of the platform. It is calculated by the software on the basis of the volume, and the acting weight force is positioned at the center of gravity of the component.
- 2.
- Rated load:
- 3.
- Wind Load:
- (a)
- L, U, T, I section: 1.6;
- (b)
- Box sections: 1.4;
- (c)
- Large flat areas: 1.2;
- (d)
- Circular sections, based on size: 0.8/1.2;
- (e)
- People directly exposed: 1.0.
- (a)
- The length of the side of the working platform exposed to the wind, rounded to the nearest 0.5 m, and divided by 0.5 m;
- (b)
- The number of people admitted on the work platform, if less than the number calculated in (a).
2.4. Analysis Procedure
- 1.
- Static Structural Analysis: For each material, a static structural analysis was performed to calculate stress distribution, deformation, and factor of safety (FOS) under static and dynamic loading scenarios. The analysis focused on identifying maximum von Mises stress locations and comparing them to each material’s yield strength to assess safety.
- 2.
- Modal Analysis: A modal analysis was conducted to determine the natural frequencies and mode shapes of the frame. This analysis helps to identify any resonance issues when subjected to dynamic loads, ensuring that the selected material does not lead to unwanted vibrations or structural instability.
- 3.
- Fatigue Analysis: Using the fatigue module in ANSYS, the frame’s durability under cyclic loading was evaluated for each material. The number of load cycles to failure was estimated to assess each material’s resistance to fatigue and predict the frame’s operational lifespan under repeated loads.
- 4.
- Deformation and Deflection Analysis: Deformation under loading was calculated to evaluate stiffness and resistance to bending. Excessive deflection was considered a potential failure criterion, as it could impact platform stability and operational safety. In addition to the magnitude of deformation, the direction of deformation vectors was analyzed to assess the risk of instability, tipping, or excessive lateral deflection. This directional analysis helps identify critical points in the structure that may compromise safety or maneuverability during agricultural operations.
2.5. Data Analysis and Comparison
- Maximum Stress: The von Mises stress was calculated for each material under different load conditions and compared to the material’s yield strength to ensure safety;
- Deformation: The maximum deflection under each load case was recorded, with materials showing lower deformation considered more favorable for stability;
- Factor of Safety (FOS): The FOS was computed for each material to evaluate the frame’s margin of safety under applied loads.
3. Results
3.1. Criteria Analisys for Evaluation
3.1.1. Comparative Analysis of Material Performance
3.1.2. Stress and Factor of Safety (FOS)
3.1.3. Deformation and Structural Stability
3.1.4. Mass Comparison and Percentage Reductions
3.1.5. Comparative Discussion and Practical Implications
3.2. Field Maneuverability, Tractor Lifting Capacity, and Operational Efficiency
4. Conclusions
- 1.
- HSLA Steel S700 emerged as the optimal material due to its superior strength, lower deformation, and high safety factor, making it ideal for demanding operational conditions requiring durability and load-bearing capacity.
- 2.
- Aluminum Alloy (EN-AW 2014) provides a viable lightweight alternative, reducing the overall weight of the platform by approximately 60%. This weight reduction enables the use of smaller, less powerful tractors, improving maneuverability, lowering the center of gravity, and enhancing stability and safety during operations on uneven or sloped terrain.
- 3.
- The use of FEA allowed for the identification of stress concentrations, deformation patterns, and failure points, enabling targeted improvements to the structural design without relying on time-consuming and costly physical tests.
Author Contributions
Funding
Institutional Review Board Statement
Informed Consent Statement
Data Availability Statement
Conflicts of Interest
References
- May, F.; Spindler, B.; Müsse, J.; Skiba, K.; Kemper, N.; Stracke, J. Use of an elevated platform with perforated surface and manure belt by fast-growing broilers on commercial farms. Poult. Sci. 2024, 103, 103243. [Google Scholar] [CrossRef] [PubMed] [PubMed Central]
- Wang, Y.; Li, Z.; Wong, D.W.-C.; Cheng, C.-K.; Zhang, M. Finite element analysis of biomechanical effects of total ankle arthroplasty on the foot. J. Orthop. Transl. 2017, 12, 55–65. [Google Scholar] [CrossRef] [PubMed]
- Mohta, V.; Patnaik, A.; Panda, S.K.; Krishnan, S.V.; Gupta, A.; Shukla, A.; Wadhwa, G.; Verma, S.; Bandopadhyay, A. Design of an All-Purpose Terrace Farming Robot. arXiv 2022, arXiv:2212.01745. [Google Scholar] [CrossRef]
- Leone, A.; Amirante, P.; Tamborrino, A. Olive pruning mechanization system with a new type of elevated work platform. Acta Hortic. 2012, 949, 391–398. [Google Scholar] [CrossRef]
- Romaniello, R.; Tamborrino, A.; Leone, A. Mobile elevated work platforms versus ladders in olive tree pruning. J. Agric. Saf. Health 2018, 24, 141–153. [Google Scholar] [CrossRef] [PubMed]
- Kone, P.S.; Sengottain, S.; Murugan, S.; Harish, K. Stability Analysis of Self-propelled Aerial Man Lift Vehicles. Int. J. Veh. Struct. Syst. 2017, 9, 276–279. [Google Scholar] [CrossRef]
- Miomir, L.J.; Goran, N.; Stojanović, V.S. Accuracy of incidental dynamic analysis of mobile elevating work platforms. Struct. Eng. Mech. 2019, 71, 553–562. [Google Scholar] [CrossRef]
- Batista, E.; De Lazzari, J.A.; Matsubara, G.; Pfeil, M. Structural Dynamic and Buckling Behaviour of Steel Cold-formed Polygonal Conic Pole for Antennas Support. CE/Pap. 2022, 5, 151–160. [Google Scholar] [CrossRef]
- Velloso, N.S.; Costa, A.L.G.; Magalhães, R.R.; Santos, F.L.; Andrade, E.T. The Finite Element Method Applied to Agricultural Engineering: A Review. Curr. Agric. Res. J. 2018, 6, 286–299. [Google Scholar] [CrossRef]
- Cao, P.; Wang, T.; Zhai, L.; Niu, S.; Liu, L.; Shi, Y. Design of 6-DOF Tomato Picking Lifting Platform. Agriculture 2022, 12, 1945. [Google Scholar] [CrossRef]
- Sharma, A.; Bagha, A.; Shukla, D.; Bahl, S. Finite element model updating of metallic and composite structures-A state of the art review. AIMS Mater. Sci. 2021, 8, 390–415. [Google Scholar] [CrossRef]
- UNI EN 280:2013+A1:2015; Mobile Elevating Work Platforms—Design Calculations—Stability Criteria—Construction—Safety—Examinations and Tests. iTeh Standards: Newark, DE, USA, 2015.
- Bai, Z.; Lv, X.; Xia, L. Finite Element Analysis for the Lifting Platform of a Self-Propelled Multi-Functional Machine Used in Orchard. IOP Conf. Ser. Mater. Sci. Eng. 2019, 470, 012012. [Google Scholar] [CrossRef]
- Godara, S.S.; Brenia, V.; Soni, A.K.; Shekhawat, R.S.; Saxena, K.K. Design & analysis of connecting rod using ANSYS software. Mater. Today Proc. 2022, 56, 1896–1903. [Google Scholar] [CrossRef]
- Zhang, C.; Yang, J.; Jiang, L.; He, Y. Experimental Studies and Finite Element Analysis of Socket-Type Keyway Steel Pipe Scaffolding. Buildings 2024, 14, 245. [Google Scholar] [CrossRef]
- Liu, T.; Huang, Y.; Li, Y.; Meng, J.; Liu, Y.; Wei, Y.; Huang, Y.; Zhou, Q.; Yang, W.; Yan, F.; et al. Effect of different restorative design and materials on stress distribution in cracked teeth: A finite element analysis study. BMC Oral Health 2025, 25, 31. [Google Scholar] [CrossRef] [PubMed] [PubMed Central]
- Guo, H.; Mu, X.; Lv, K.; Du, F. Telescopic Boom Design and Finite Element Analysis Based on ABAQUS. Adv. Mater. Res. 2014, 1077, 215–220. [Google Scholar] [CrossRef]
- Yang, J. Strength Calculation Method of Agricultural Machinery Structure Using Finite Element Analysis. Int. J. Adv. Comput. Sci. Appl. 2024, 15, 699–705. [Google Scholar] [CrossRef]
- Gipiela, M.L.; Amauri, V.; Nikhare, C.; Marcondes, P.V.P. A numerical analysis on forming limits during spiral and concentric single point incremental forming. IOP Conf. Ser. Mater. Sci. Eng. 2017, 164, 012009. [Google Scholar] [CrossRef]
- Huang, J.; Tian, K.; Ji, A.; Zhang, B.; Shen, C.; Liu, H. Research on the Construction of a Finite Element Model and Parameter Calibration for Industrial Hemp Stalks. Agronomy 2023, 13, 1918. [Google Scholar] [CrossRef]
- Batista, E.; De Lazzari, J.A.; Matsubara, G.; Pfeil, M.; Elias, R. Assessment of reinforcements for enhancing structural performance of cold-formed steel polygonal conical poles for antennas support. Lat. Am. J. Solids Struct. 2025, 22, e8033. [Google Scholar] [CrossRef]
- Bagha, A.; Bahl, S. Finite element analysis of VGCF/pp reinforced square representative volume element to predict its mechanical properties for different loadings. Mater. Today Proc. 2020, 39 Pt 1, 54–59. [Google Scholar] [CrossRef]









| Description | Characteristics |
|---|---|
| Mesh type | Mesh of solid elements |
| Mesher used: | Mesh based on blend curvature |
| Jacobian points for high-quality mesh | 16 Points |
| Maximum element size | 77.526 mm |
| Minimum element size | 4.305 mm |
| Mesh quality | Excellent |
| Total knots | 50,878 |
| Total elements | 23,633 |
| Max aspect ratio | 324.76 |
| % of elements with aspect ratio < 3 | 40.1 |
| Percentage of elements with aspect ratio > 10 | 28.6 |
| Percentage of distorted elements | 0 |
| Material | Young’s Modulus (MPa) | Poisson’s Ratio | Tensile Strength (MPa) | Yield Strength (MPa) | Density (kg/m3) |
|---|---|---|---|---|---|
| Aluminium Alloy (EN-AW 1200) | 70 | 0.3897 | 75 | 25 | 2800 |
| Aluminium Alloy (EN-AW 2014) | 70 | 0.3897 | 395 | 240 | 2800 |
| High-Strength Low-Alloy Steel (Fe275JR) | 210 | 0.28 | 410 | 275 | 7800 |
| High-Strength Low-Alloy Steel (S700) | 210 | 0.28 | 780 | 700 | 7800 |
| Load ID | Image | Load Detail |
|---|---|---|
| Rated Load-1 | ![]() | Entity: 1 face Type: Apply normal face Value: 800 N |
| Rated Load-2 | ![]() | Entity: 1 face Type: Apply normal face Value: 400 N |
| Pressure-1 | ![]() | Entity: 2 face Type: Normal to the selected face Value: 140 N m−2 Angle: 0 deg |
| Pressure-2 | ![]() | Entity: 10 face Type: Normal to the selected face Value: 160 N m−2 Angle: 0 deg |
| Material | Maximum Stress (N m−2) | Maximum Deformation (mm) | Factor of Safety |
|---|---|---|---|
| Aluminium Alloy (EN-AW 1200) | 219,800,000 | 231.8 | 0.1 |
| Aluminium Alloy (EN-AW 2014) | 220,900,000 | 225.3 | 1.2 |
| High-Strength Low-Alloy Steel (Fe275JR) | 197,400,000 | 82.5 | 1.4 |
| High-Strength Low-Alloy Steel (S700) | 179,400,000 | 79.5 | 1.5 |
| Material | Mass (kg) | Percentage Mass Reduction Compared to Mild Steel (%) |
|---|---|---|
| Aluminium Alloy (EN-AW 1200) | 74.81 | 59.44 |
| Aluminium Alloy (EN-AW 2014) | 74.81 | 59.44 |
| High-Strength Low-Alloy Steel (Fe275JR) | 184.45 | 0.00 |
| High-Strength Low-Alloy Steel (S700) | 184.45 | 0.00 |
Disclaimer/Publisher’s Note: The statements, opinions and data contained in all publications are solely those of the individual author(s) and contributor(s) and not of MDPI and/or the editor(s). MDPI and/or the editor(s) disclaim responsibility for any injury to people or property resulting from any ideas, methods, instructions or products referred to in the content. |
© 2025 by the authors. Licensee MDPI, Basel, Switzerland. This article is an open access article distributed under the terms and conditions of the Creative Commons Attribution (CC BY) license (https://creativecommons.org/licenses/by/4.0/).
Share and Cite
Berardi, A.; Dellisanti, C.D.; Tarantino, D.; Leheche Ouette, K.S.; Leone, A.; Tamborrino, A. FEA for Optimizing Design and Fabrication of Frame Structure of Elevating Work Platforms. Appl. Sci. 2025, 15, 7356. https://doi.org/10.3390/app15137356
Berardi A, Dellisanti CD, Tarantino D, Leheche Ouette KS, Leone A, Tamborrino A. FEA for Optimizing Design and Fabrication of Frame Structure of Elevating Work Platforms. Applied Sciences. 2025; 15(13):7356. https://doi.org/10.3390/app15137356
Chicago/Turabian StyleBerardi, Antonio, Cosimo Damiano Dellisanti, Domenico Tarantino, Karine Sophie Leheche Ouette, Alessandro Leone, and Antonia Tamborrino. 2025. "FEA for Optimizing Design and Fabrication of Frame Structure of Elevating Work Platforms" Applied Sciences 15, no. 13: 7356. https://doi.org/10.3390/app15137356
APA StyleBerardi, A., Dellisanti, C. D., Tarantino, D., Leheche Ouette, K. S., Leone, A., & Tamborrino, A. (2025). FEA for Optimizing Design and Fabrication of Frame Structure of Elevating Work Platforms. Applied Sciences, 15(13), 7356. https://doi.org/10.3390/app15137356





