Mechatronic System for Maintaining the Homogeneity of Injectable Drugs in Syringe Pumps
Abstract
Featured Application
Abstract
1. Introduction
- Sedimentation in the syringe [5].
- Surface adhesion to polypropylene walls [5].
- Chemical instability or aggregation [5].
- Vibrates the syringe along dual axes to prevent sedimentation.
- Applies targeted photonic treatment (470 and 700 nm) [6] to modify syringe surface chemistry and stabilize the drug formulation.
- Operates within strict power, thermal, and safety limits for hospital environments.
2. Materials and Methods
- Manual agitation (labor-intensive, error-prone).
- Microfluidic mixers (costly and incompatible with bedside settings SBS-LAB-125, Steinberg Systems, Berlin, Germany).
- Ultrasonic or magnetic stirrers (bulky and impractical for syringe pumps).
- Piezoelectric/electric eccentric motor/actuators (limited adoption due to cost and integration challenges), model-JXBOVE = 6 mm-3 v.
- Plasma/UV laser surface modification of polymers to reduce adsorption [8].
- Near-infrared stabilization of protein structures [9].
- Vibration-induced mixing for low Reynolds number fluids.
- Medcaptain HP-80 syringe pump (Medcaptain Medical Technology, Shenzhen, China), the syringe pump model in which the technology was implemented and tested.
2.1. Mechanical Design
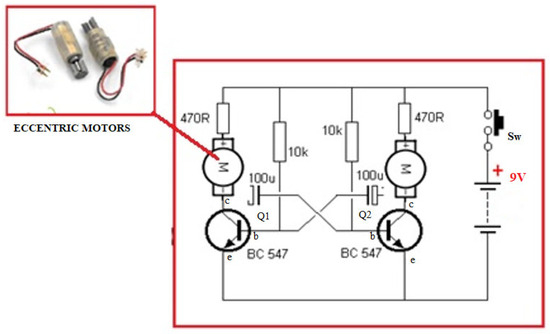
- Two eccentric micro-vibration motors, oriented 90° apart (X and Y axes).
- A microcontroller-based astable multivibrator circuit using NPN BLC547 transistors to alternate motor activation.
- Piezoelectric drivers for energy-efficient oscillation.
- Plastic-compatible laser diodes for photonic treatment.
- A total of 470 nm/(400 mW): Syringe wall pre-treatment to prevent adsorption.
- A total of 700 nm/(500 mW): Continuous illumination to prevent aggregation during infusion.
2.2. Theoretical Modeling
- Homogeneity Index (H) based on density standard deviation.
- Density gradient (∇ρ) for vertical stratification.
- Fick’s second law for diffusion-based mixing.
- Kinetic energy and viscous resistance for vibration modeling.
- Vibration-induced energy: ~0.39 mJ per cycle.
- Power requirement: ~3.95 mW per axis.
- IR laser power requirement: ~1.4 W (realistic with 3 × 500 mW NIR diodes).
- H = homogeneity index (0 to 1, where 1 is perfectly homogeneous)
- σρ = standard deviation of density in different regions of the solution
- ρ− = mean density of the solution
2.2.1. Kinetic Energy Theory of Fluid Motion
2.2.2. Total Energy per Second (Power Requirement)
2.2.3. Numerical Calculation
V = 50V = 50V = 50 mL = 0.00005 m³
f = 10f = 10f = 10 Hz
A = 2A = 2A = 2 mm = 0.002 m
d = 0.02d = 0.02d = 0.02 m
η ≈ 10−3 Pa·s
2.2.4. Results of the Calculation
2.2.5. Interpretation
- 9 v × 100 mA = 900 mW
- calculating the safety index
- 900 mW/500 mW = 1.8 safety index
- In the attached circuit, we have a safety index = 1.8.
2.2.6. IR Irradiation System Functionality
2.2.7. Activation of Stabilizing Excipients
2.2.8. Localized Molecular Agitation (Focused IR)
- Homogeneous nucleation occurs spontaneously throughout the solution, without impurities or surfaces.
- Heterogeneous nucleation occurs on impurities, on the walls of the container, or on suspended particles.
- Infrared light is a form of electromagnetic radiation, i.e., a stream of photons with a certain energy. Each photon has an energy defined by the following equation:E = photon energy,h = Planck’s constant (~6.626 × 10−34 J·s),ν = wave frequency,λ = wavelength (700 nm–1 mm for IR),c = speed of light.
- D is the diffusion coefficient.
- K b is the Boltzmann constant.
- T is the absolute temperature.
- η is the dynamic viscosity of the medium.
- r is the hydrodynamic radius of the diffusing particle.
2.2.9. Matters in IR Spectroscopy
- PIR = required IR laser power (in watts, W)
- Ereq_ = total energy required to maintain homogeneity (in joules, J)
- t = duration of administration or homogenization (in seconds, s)
- m = mass of the solution (kg)
- c = specific heat capacity of the solution (J/kg·K), typically close to water, ≈4180 J/kg\cdotpK\approx 4180 \, \text{J/kg·K} ≈ 4180 J/kg\cdotpK
- ΔT = permissible temperature increase (°C) caused by IR absorption
2.2.10. Evib Additional Energy Needed for Molecular Agitation (J) (This Can Be Experimentally Determined Based on Solution Viscosity and Density)
- Drugs tested: Insulin (1.09 g/cm3), Furosemide (1.606 g/cm3), and Gentamicin (40 mg/mL).
- Infusion simulation: 2–5 mL/h over 12 h in horizontal syringe position.
- Sampling: From the top, middle, and bottom of the syringe at 2 h intervals.
- Analysis method: UV-Vis spectrophotometry (280 nm for insulin, others adjusted).
- Real-time concentration monitoring using spectrophotometric analysis.
- Sedimentation rate assessment under different infusion conditions.
- Comparison with conventional syringe pumps, highlighting the reduction in concentration variability achieved through our approach (Table 1).
2.2.11. Experimental Investigation of Drug Homogeneity in Syringe Pumps
2.2.12. Drug Stability and Loss Analysis
- Gentamicin (40 mg/mL)
- Plastic Syringe: After 12 h, an average drug loss of 9.7% was observed, with the formation of a light brown precipitate at 25 °C.
- Glass Syringe: After 12 h, an average drug loss of 7% was noted, with precipitate formation occurring at 12 h (at 25 °C).
- Plastic Syringe: After 12 h, an average drug loss of 27.2% was observed, with the formation of a light brown precipitate at 25 °C [1].
- Glass Syringe: After 12 h, an average drug loss of 11% was noted, with precipitate formation occurring at 12 h (at 25 °C) [1].
- Plastic Syringe: After 12 h, an average drug loss of 26.1% was observed, with the formation of a light brown precipitate at 25 °C.
- Glass Syringe: After 12 h, an average drug loss of 5% was noted, with precipitate formation occurring at 12 h (at 25 °C).
- Increased attention was paid to insulin, where a (+16.3%) increase in drug concentration was detected in the lower section of the syringe when mounted in the syringe pump after 12 h.
- Within the proposed pump, a mechatronic homogenization system before sample collection significantly reduced concentration discrepancies across the syringe.
2.2.13. Methodology of Drug Concentration Sampling (In Vitro)
- Samples were collected from the top, middle, and bottom sections of the syringe at 2, 4, 6, 8, 10, and 12 h post-preparation (positioning the syringe horizontally).
- A syringe pump simulation was used, administering small drug volumes (3–5 mL/h) to replicate clinical infusion conditions.
- Sampling was conducted according to Figure 6, ensuring a systematic evaluation of concentration variations over time.
- Samples were collected at two-hour intervals throughout the drug delivery process until the syringe was nearly depleted. At the time of the final sampling point, between 80% and 95% of the syringe contents had been administered, depending on the infusion rate settings of the syringe pump (4–5 mL/h). This substantiates the relatively short duration of the homogeneity assessment, as the majority of the drug volume had already been delivered by the end of the 12 h observation period. Furthermore, it is important to note that many pharmaceutical manufacturers recommend discarding medications that have been exposed to ambient room temperature for more than 12 h, which further supports the selected timeframe for evaluation. The research team measured the concentration from the three collection points in the syringe body to determine the relative homogeneity of the total mass of drugs administered. Sampling was conducted from syringe pumps with a homogenization system and classic syringe pumps.
2.2.14. Analysis Methods—Spectrophotometry
3. Results
4. Discussion
5. Conclusions
Author Contributions
Funding
Institutional Review Board Statement
Informed Consent Statement
Data Availability Statement
Conflicts of Interest
Abbreviations
| ICU | Intensive care units |
| h | Hours |
| TLA | Three-letter acronym |
References
- Poulsen, C.; Jacobsen, D.; Palm, L. Effect of ethylenediamine on chemical degradation of insulin aspart in pharmaceutical solutions. Pharm. Res. 2008, 25, 2534–2544. [Google Scholar] [CrossRef] [PubMed]
- Tariq, R.A.; Vashisht, R.; Sinha, A.; Scherbak, Y. Medication Dispensing Errors and Prevention. [Updated 12 February 2024]. In StatPearls [Internet]; StatPearls Publishing: Treasure Island, FL, USA, 2025. Available online:https://www.ncbi.nlm.nih.gov/books/NBK519065/.
- Saleh, A.H.; Borhan, G.; Goujon, F.; Devémy, J.; Dequidt, A.; Malfreyt, P.; Sahihi, M. Molecular and energetic descriptions of the plasma protein adsorption onto the PVC surface: Implications for biocompatibility in medical devices. ACS Omega 2024, 9, 38054–38065. [Google Scholar] [CrossRef] [PubMed]
- Dutta, C.; Yang, M.; Long, F.; Shahbazian-Yassar, R.; Tiwari, A. Preformed Seeds Modulate Native Insulin Aggregation Kinetics. J. Phys. Chem. B 2015, 119, 15089–15099. [Google Scholar] [CrossRef] [PubMed]
- Zahid, N.; Taylor, K.M.G.; Gill, H.; Maguire, F.; Shulman, R. Adsorption of insulin onto infusion sets used in adult intensive care unit and neonatal care settings. Diabetes Res. Clin. Pract. 2008, 80, e11–e13. [Google Scholar] [CrossRef] [PubMed]
- Sacré, P.Y.; Alaoui Mansouri, M.; De Bleye, C.; Coïc, L.; Hubert, P.; Ziemons, E. Evaluation of distributional homogeneity of pharmaceutical formulation using laser direct infrared imaging. Int. J. Pharm. 2022, 612, 121373. [Google Scholar] [CrossRef] [PubMed]
- Capes, D.F.; Dunster, K.R.; Sunderland, V.B.; McMillan, D.; Colditz, P.B.; McDonald, C. Fluctuations in syringe-pump infusions: Association with blood pressure variations in infants. Am. J. Health Syst. Pharm. 1995, 52, 1646–1653. [Google Scholar] [CrossRef] [PubMed]
- Spencer, S.; Ipema, H.; Hartke, P.; Krueger, C.; Rodriguez, R.; Gross, A.E.; Gabay, M. Intravenous Push Administration of Antibiotics: Literature and Considerations. Hosp. Pharm. 2018, 53, 157–169. [Google Scholar] [CrossRef] [PubMed] [PubMed Central]
- Kastrup, M.; Balzer, F.; Volk, T.; Spies, C. Analysis of event logs from syringe pumps: A retrospective pilot study to assess possible effects of syringe pumps on safety in a university hospital critical care unit in Germany. Drug Saf. 2012, 35, 563–574. [Google Scholar] [CrossRef] [PubMed]
- Johansson, K.S. Surface Modification of Plastics. In Plastics Design Library, Applied Plastics Engineering Handbook, 2nd ed.; Kutz, M., Ed.; William Andrew Publishing: Stockholm, Sweden, 2017; ISBN 9780323390408. [Google Scholar]
- Spencer, S.; Ipema, H.; Hartke, P.; Krueger, C.; Rodriguez, R.; Gross, A.E.; Gabay, M. Amikacin Sulfate: Full Prescribing Information; West-Ward: Eatontown, NJ, USA, 2016. [Google Scholar]
- Silva, M.D.S.; Araújo, J.L.; Nunes, G.A.D.A.; Rosa, M.F.F.; Luz, G.V.D.S.; Rosa, S.D.S.; Piratelli-Filho, A. Precision and reliability study of hospital infusion pumps: A systematic review. Biomed. Eng. Online 2023, 22, 26. [Google Scholar] [CrossRef] [PubMed] [PubMed Central]
- Sravani, J.; Panda, C.; Agha, M.; Vijapurkar, S.; Sandeep, G. Soundless Trouble: Syringe Pump Malfunction and the Hypotension Threat. Cureus 2024, 16, e56996. [Google Scholar] [CrossRef] [PubMed] [PubMed Central]
- Groh, V.; Wu, J.; Yee, C.; Spies, T. Tumour-derived soluble MIC ligands impair expression of NKG2D and T-cell activation. Nature 2002, 419, 734–738. [Google Scholar] [CrossRef] [PubMed]
- Gentamicin Sulfate: Full Prescribing Information; Hospira Inc.: Lake Forest, IL, USA, 2017.
- Malinzi, J. Mathematical Analysis of a Mathematical Model of Chemovirotherapy: Effect of Drug Infusion Method. Comput. Math. Methods Med. 2019, 2019, 7576591. [Google Scholar] [CrossRef] [PubMed] [PubMed Central]
- Invanz (Ertapenem): Full Prescribing Information; Merck Sharp & Dohme Corp: Whitehouse Station, NJ, USA, 2017.
- Draghici, D.A.; Pantea, I.; Roman, N.; Drugus, D.; Repanovici, A. In vitro mechanism whit pulsative laser on thrombolysis. Acta Teh. Napoc. 2022, 65. [Google Scholar]
- Rocha, P.; Rocha, M.; Andrade, I.; Mota, M. Assessment of nurses’ knowledge about the importance of continuous infusion of catecholamines in intensive care unit. Rev. Min. Enferm. 2010, 14, 459–464. [Google Scholar]
- Pharmaceuticals, A. Merrem (Meropenem): Full Prescribing Information; Astrazeneca Pharmaceuticals LP: Wilmington, DE, USA, 2016. [Google Scholar]
- Roman, N.A.; Tuchel, V.I.; Nicolau, C.; Grigorescu, O.-D.; Necula, R. Functional electrostimulation in patients affected by the most frequent central motor neuron disorders—A scoping review. Appl. Sci. 2023, 13, 3732. [Google Scholar] [CrossRef]
- ISO 13485; Medical Devices—Quality Management Systems—Requirements for Regulatory Purposes. ISO: Geneva, Switzerland, 2016.
- Escobedo, R.; Miranda, R.; Martínez, J. Infrared Irradiation: Toward Green Chemistry, a Review. Int. J. Mol. Sci. 2016, 17, 453. [Google Scholar] [CrossRef] [PubMed] [PubMed Central]
- Claves, J.; Bourrel, G.; Favreau, P.; Burgalé, J.; Redureau, E. Comparative study of sorption phenomena between three medications and syringes made of cyclic olefin copolymer or polypropylene. Pharm. Res. 2023, 40, 505–516. [Google Scholar] [CrossRef]
- Ahmad, I.; Ahmed, S.; Anwar, Z.; Sheraz, M.A.; Khaskheli, A.R. Photostability and photostabilization of drugs and drug products. Int. J. Photoenergy 2016, 2016, 8135608. [Google Scholar] [CrossRef]
- ICH Q1B Guideline. Photostability Testing of New Active Substances and Medicinal Products. EMA Scientific Guideline. 2008. Available online: https://www.ema.europa.eu/en/ich-q1b-photostability-testing-new-active-substances-medicinal-products-scientific-guideline (accessed on 4 June 2025).
- Kurien, B.T.; Everds, N.E.; Scofield, R.H. Mechanized syringe homogenization of human and animal tissues. Assay Drug Dev. Technol. 2004, 2, 395–401. [Google Scholar] [CrossRef]
- Vlase, S.; Itu, C.; Marin, M.; Scutaru, M.L.; Sabou, F.; Necula, R. Vibration analysis of the Gamma-Ray element in the ELI-NP interaction chamber. J. Comput. Appl. Mech. 2024, 55, 275–288. [Google Scholar] [CrossRef]
- Bolla, B.; Grillot-Courvalin, C.; Lepeule, R. Understanding IV antimicrobial drug losses: The importance of flushing infusion administration sets. JAC Antimicrob. Resist. 2020, 2, dlaa061. [Google Scholar] [CrossRef]
- Rout, J.; Patel, T.; Smith, K. Management of residual volumes in intermittent medication infusions in hospitals: A scoping review protocol. Br. J. Nurs. 2024, 33, 278–284. [Google Scholar] [CrossRef] [PubMed]










| Conventional Syringe Pump | Proposed Syringe Pump—with Homogenization System | |||||
|---|---|---|---|---|---|---|
| Hours (h) | Insulin | Gentamicin | Furosemide | Insulin | Gentamicin | Furosemide |
| 2 | +0.2%/0.1%/0.33% | +0.2%/0.1%/0.33% | −0.8%/−0.6%/1.1% | +0.3%/0.2%/0.27% | +0.17%/0.1%/0.21% | −0.8%/−0.6%/1.1% |
| 4 | +0.8%/−0.6%/0.9% | −0.5%/0.7%/1% | −0.8%/−0.6%/0.9% | +0.35%/−0.2%/0.29% | −0.11%/0.15%/0.2% | −0.8%/−0.6%/0.9% |
| 6 | +6.2%/−4%/+6.9% | −10.4%/−7.6%/12.8% | −6.2%/−4%/+6.9% | +0.36%/−0.25%/+0.37% | −0.14%/−0.12%/0.29% | −0.7%/−0.9%/+1.1% |
| 8 | +11%/−25%/13.5% | −12.7%/−8.8%/16.9% | −11%/−25%/13.5% | +1.1%/−0.9%/1.5% | 0.2%/−0.16%/0.26% | −0.8%/−0.75%/+0.9% |
| 10 | +11.9%/−25.7%/14.1% | +12.9%/−9.1%/17.3% | −11.9%/−25.7%/36.1% | +1.9%/−4.1%/2.3% | +1.9%/−0.19%/0.3% | 0.62%/−0.45%/1% |
| 12 | +12.3%/−27.2%/16.3% | +13.3%/−9.7%/18.7% | −12.3%/−26.1%/38.3% | +1.97%/−4.2%/2.5% | +0.31%/−0.18%/0.26% | +0.7%/−0.51%/1.05% |
| Concentration differences | upper/middle/bottom | upper/middle/bottom | upper/middle/bottom | upper/middle/bottom | upper/middle/bottom | upper/middle/bottom |
Disclaimer/Publisher’s Note: The statements, opinions and data contained in all publications are solely those of the individual author(s) and contributor(s) and not of MDPI and/or the editor(s). MDPI and/or the editor(s) disclaim responsibility for any injury to people or property resulting from any ideas, methods, instructions or products referred to in the content. |
© 2025 by the authors. Licensee MDPI, Basel, Switzerland. This article is an open access article distributed under the terms and conditions of the Creative Commons Attribution (CC BY) license (https://creativecommons.org/licenses/by/4.0/).
Share and Cite
Draghici, D.A.; Repanovici, A. Mechatronic System for Maintaining the Homogeneity of Injectable Drugs in Syringe Pumps. Appl. Sci. 2025, 15, 7277. https://doi.org/10.3390/app15137277
Draghici DA, Repanovici A. Mechatronic System for Maintaining the Homogeneity of Injectable Drugs in Syringe Pumps. Applied Sciences. 2025; 15(13):7277. https://doi.org/10.3390/app15137277
Chicago/Turabian StyleDraghici, Dumitru Adrian, and Angela Repanovici. 2025. "Mechatronic System for Maintaining the Homogeneity of Injectable Drugs in Syringe Pumps" Applied Sciences 15, no. 13: 7277. https://doi.org/10.3390/app15137277
APA StyleDraghici, D. A., & Repanovici, A. (2025). Mechatronic System for Maintaining the Homogeneity of Injectable Drugs in Syringe Pumps. Applied Sciences, 15(13), 7277. https://doi.org/10.3390/app15137277

