Next Article in Journal
Drowsiness Detection in Drivers Using Facial Feature Analysis
Next Article in Special Issue
Mitigating Multicollinearity in Induction Motors Fault Diagnosis Through Hierarchical Clustering-Based Feature Selection
Previous Article in Journal
Error Modeling of Fiber Optic Gyroscope Universal Time Measurement
 
 
Font Type:
Arial Georgia Verdana
Font Size:
Aa Aa Aa
Line Spacing:
Column Width:
Background:
Article

Wavelet-Based Analysis of Motor Current Signals for Detecting Obstacles in Train Doors

1
Department of Vehicle Engineering, National Taipei University of Technology, Taipei 10608, Taiwan
2
Railway Vehicle Research Center, National Taipei University of Technology, Taipei 10608, Taiwan
3
Comtrend Corporation, Taipei 241405, Taiwan
4
Mechanical and Systems Research Laboratories (MSL), Industrial Technology Research Institute (ITRI), Hsinchu 310401, Taiwan
*
Author to whom correspondence should be addressed.
Appl. Sci. 2025, 15(1), 25; https://doi.org/10.3390/app15010025
Submission received: 18 November 2024 / Revised: 20 December 2024 / Accepted: 21 December 2024 / Published: 24 December 2024
(This article belongs to the Special Issue Advances in Machinery Fault Diagnosis and Condition Monitoring)

Abstract

Trains used in urban mass passenger transit often have side entrance doors through which passengers can rapidly enter and exit the train. These doors are typically electrically powered and automated. Many incidents have occurred in which a passenger is trapped and injured while passing through the doors as they are closing. Existing solutions rely on sensitive-edge sensors and current signal peak detection in the time domain to detect door obstructions. However, these methods have notable limitations: sensors are expensive, and sensor failure can result in safety risks, while time-domain signal analysis is prone to noise, potentially leading to false peak detection. The proposed efficient and cost-effective method enhances safety by implementing the torque control of a DC motor which limits the door closing force to prevent potential injuries. In addition, it reduces reliance on traditional edge sensors, which are prone to failure and may result in undetected obstructions. By using a robust time–frequency domain approach, the system ensures more accurate detection, minimizing potential injury risks. An obstruction of the door causes a corresponding change in the motor current. These changes can be detected by using the discrete wavelet transform to decompose the current signal. The norm and peak of the current are used as obstacle detection features, and appropriate threshold values are obtained from a simulation. The simulation results were validated through an experiment. The proposed novel system effectively detects forces between 100 and 200 N (indicating the presence of an object) within 0.3 s and complies with EN14752 safety standard. It can also differentiate between soft and hard objects trapped in train doors.

1. Introduction

Rail transportation is a key method of mass passenger transit. In most rail systems, numerous people enter and exit train cars rapidly through side doors. A literature review found that 30% to 40% of the operation failures of trains occur in the train door systems [1]. In this study, we focus on double sliding powered doors. These doors protect passengers from the train while it is in motion and can reduce train delays significantly. However, automatic train doors can also injure a passenger if they become trapped between the doors, such as if a passenger attempts to pass through the doors while they are closing, obstructing the door’s movement. This may result in minor or severe injuries to the passenger and also delay the train. To prevent these incidents, train doors are often equipped with obstacle detection equipment that comprises a sensor at the leading edge of the door; such sensors are called sensitive-edge sensors. Some train stations are installed with Platform Screening Doors (PSDs) to enhance safety. Tan [2] proposed a video-based deep differentiation segmentation neural network to improve the detection effect for objects in the gap between train doors and PSDs. Another study proposed by Liu et al. [3] detected the anomaly in the rail train with 97.8% precision based on door tracking (key frame extraction and AnoDet network), outperforming the state-of–the-art. Cheng and Cai [4] developed an object detection system for the gap between train and PSD doors based on deep learning. This system was able to detect large objects at an accuracy up to 100%. But none of the studies published have been on object detection within the train doors. Existing methods use sensitive-edge sensors or infrared sensors. However, their performance and robustness are limited by various conditions. In addition, these sensors are expensive and substantially increase the overall cost of the system used to control train doors. The present study proposes a sensorless current-based obstacle detection method.

Related Work

Train door control systems use a DC motor to operate the doors. Obstruction of the train door affects the motor current signal. Motor current is an excellent parameter for detecting the mechanical load on the motor. If an object obstructs the door’s movement, the mechanical load on the motor abruptly increases, and this in turn affects the motor current signal. As shown in Table 1 below, various methods have been proposed in the literature in which motor electrical parameters are employed to detect obstacles.
Mitra [5] demonstrated that a decrease in the back electromotive force (EMF) indicates that a motor has stalled. This method is effective for stepper motors but not DC motors. Moreover, variations in supply voltage and coil resistance may influence back EMF values. Another option for current-based obstacle detection systems is the ripple counting method in which ripples are converted into pulses, which are counted and processed to determine the motor’s position [6,7]. Liu used window motor ripple signals for detecting obstacles in power windows (an “anti-pinch system”); this system was less expensive than conventional Hall sensors [8]. However, ripple signals have small amplitude and contain noise; hence, in ripple counting, noise must be reduced before features can be detected. Wibowo et al. [9] proposed a current threshold method for an anti-pinch system to reduce costs compared with light-curtain and sensitive-edge sensor systems; in that method, the current is monitored with a current sensor and the current pattern is analyzed to detect the motor state [10]. This method is widely used and known as Motor Current Signature Analysis. Lu diagnosed the faults in a DC motor based on current signal multi-segment feature extraction [11]. In fault diagnosis systems, a segmentation method is applied with a CNN algorithm to identify the faults [12]. Shen identified the parameters of a DC motor by applying various input voltage signals and analyzing the changes in motor current signal [13]. Obstacles opposing the motor rotation cause abrupt changes in the current signal.
Table 1. Literature analysis of stall-detection methods for DC motors.
Table 1. Literature analysis of stall-detection methods for DC motors.
Research (Authors and Year)Detection VariableDetection MethodMajor ContributionsDatasets UsedDomain-Specific Aspects
Tan et al., 2024 [2]Foreign objects present between PSD and train doorsDifferentiation neural netForeign object detection with segmentationSynthetic and real-world dataEnhanced precision in complex scenarios
Liu et al., 2023 [3]Anomalous objects or events present between PSD and train doorsKey frames extractionAnomaly detectionIntercity rail station anomaly (IRSA) datasetHigh precision and outperforming the state-of-the-art
Cheng et al., 2022 [4]Presence of objects between PSD and train doors using cameraDeep learning (CNN)Object detection between train and platformCustom video datasetHigh accuracy; tested on real-world data
D. Mitra., 2020 [5]Motor voltageBack EMF measurementReduced design cost, proposed cost-effective solutionMotor voltage signalNot effective and not accurate
A. Aldrin et al., 2019 [6]Motor voltageRipple counting methodReduced design cost, cost-effective solutionMotor voltage signalEffective but not accurate
Xu, Yang et al., 2019 [7]Motor currentCurrent magnitude, current ripple width, and position of the anti-pinch areaCost effective, improves the safety and reliability, in accordance with GB7258-2017 Motor current signalEffective but not accurate
Liu, Hui et al., 2021 [8]Motor currentWavelet transformEfficient, useful in motor fault analysis, time frequency localizationMotor current signalEffective and accurate
E. L. Bonaldi et al., 2012 [10]Motor currentFast Fourier transformEarly-stage fault detection, non-invasive techniqueMotor current signalEffective but not accurate
Sensitive Edge Sensors Study Sensor-based detectionObstacle detection using physical contactReal-world dataCompliance with EN14752
Stasolla et al. [14] developed a technique for automatically detecting abrupt changes in the time-series signals by using a wavelet transform in which a signal is represented as a series of wavelike functions at various frequencies and times. This transform separates the original signal into a time–scale space, and the size of the time and scale (frequency) windows can be adjusted [15,16]. Hence, changes in a signal wavelet transform can be detected to enable extraction of dominant features from the original signals [17]. Various wavelet transform methods have been employed to monitor motor condition; the most common such method is the discrete wavelet transform (DWT). The DWT is based on signal analysis; it has a small set of scales and a fixed number of translations at each scale. Winston identified changes in motor resistance and friction using wavelet analysis and fuzzy logic [18]. Wavelets generally comes in a family: father and mother wavelets. There are different types of wavelet transforms available to study the signals. One of the criteria to choose the most suitable wavelet and the level of decomposition for our application is considering the highest value of the wavelet coefficient [19,20]. The coefficient of wavelet transformation represents the relationship between the wavelet function and signal. If the coefficient is high, it is relatively suitable for the raw signal [21]. Mallat (1989) introduced wavelet multiresolution analysis [22], a practical version of the DWT in which a single signal is split into a series of small waves from the wavelet family.
Thus, while research on obstacle detection exists, it remains niche, with many prior methods lacking compliance with standards like EN14752 [23]. This study provides a novel contribution by addressing these gaps. In the present research, wavelet transform is used to detect abrupt changes in a current signal, extract obstacle detection features, and identify soft and hard objects. We also developed a wavelet-transform-based simulation model for detecting changes in a motor current signal. Peaks in the motor current caused by a door obstruction are detected using the Daubechies (db10) mother wavelet to generate wavelet coefficients. By detecting peaks in these coefficients, obstacle features are extracted and rules for detecting soft and hard objects are determined. To validate the obstacle detection rules, an experimental device was constructed and controlled by a developed program. Moreover, the system was verified to comply with the European standard EN 14752:2019+A1:2021 [23], which specifies the required sensitivity and peak force for obstacle detection methods applied in body-side entrance systems for rolling stock. The scope of this standard applies for obstacle detection and testing. It specifies the sensitivity and peak force for testing the obstacle detection [23].
The main contributions of the proposed method are as follows:
  • Development of a cost-effective, sensorless obstacle detection system for train doors using wavelet-based current signal analysis.
  • Validation of the proposed method’s ability to differentiate between soft and hard objects and detect obstacles within 0.3 s, meeting the requirements of the EN14752 standard.
  • Demonstration of the system’s practicality through simulation and testing on a downscaled test bench.
  • Discussion of the potential for future optimization, including microchip implementation for cost-efficient real-world deployment.

2. Dynamic Model of the Train Door

A dynamic model of a train door was developed that comprised a torque controller for a DC motor and a mechanical model of a train door system. A mathematical model describing the control of current in the DC motor was developed on the basis of torque control characteristics. The mechanical model included the components of the train door system, which were built in MATLAB Simulink, and the relation between the applied load force and the torque acting on the motor.

2.1. Torque Control Model of DC Motor

According to the EN 14752 standard, the speed and closing force of doors must be controlled to below specified limits. This prevents the pinching of an object trapped in a door and avoids seriously injuring passengers. In this study, a torque control method was employed to meet the standard. A DC motor was first modeled in MATLAB Simulink by assembling a physical network of Simscape blocks. These blocks, including an electrical resistor, an inductor, shaft inertia, and rotational friction, represented both the electrical equivalent circuit and the mechanical model of the DC motor. The variables in the electrical equivalent circuit of the brushed DC motor were the voltage V applied across the armature resistance R, the inductance of the coil L, the back EMF e, and the current flowing in the armature i. The variables in the mechanical model were the rotor moment of inertia J, angular velocity θ, angular acceleration b θ ˙ , and motor torque T. A mathematical model of the DC motor can be obtained by combining the electrical equivalent circuit and free body diagram (Figure 1).
The following explanation and Equations from (1) to (6) are given by [24], where the torque of the motor is proportional to the current in the armature coil and is expressed by (1), where T is the torque, kt is the torque constant, and i is the current.
T = K t i
The back EMF, e, is proportional to the angular velocity of the shaft, with the proportionality constant being ke:
e = K e θ ˙
The system is modeled by summing the torques acting on the rotor inertia and integrating the acceleration to obtain the velocity. Kirchhoff’s law is applied to the armature circuit. The integrals of the rotational acceleration and of the rate of change of the armature current are modeled as follows:
d 2 θ d t 2   d t = d θ d t
d i d t   d t = i  
Newton’s law and Kirchhoff’s law are applied to the motor system to generate (5) and (6). The angular acceleration is equal to 1 J multiplied by the sum of two terms (one positive and one negative). Similarly, the derivative of the current is equal to 1 L multiplied by the sum of three terms (one positive and two negative).
J d 2 θ d t 2 = T b d θ d t   d 2 θ d t 2 = 1 J   ( K t i b d θ d t )
L d i d t = R i + V e d i d t = 1 L ( R i + V K e d θ d t )
The torque of the DC motor is proportional to its current and is controlled by a torque command (Figure 2). The torque command input is converted into a current by dividing it by the motor’s torque constant. A feedback current signal is obtained from the DC motor model by using a current sensor with a delay. The sensor reading of the current is subtracted from the current at a fixed point elsewhere in the circuit, and the resulting error is input to a current controller, which limits the maximum torque of the motor to the desired level. A proportional integral (PI) controller calculates the duty cycle of a pulse width modulation (PWM) signal to the H bridge that drives the DC motor. The output of the PI controller is scaled to 20–80% such that the duty cycle of the PWM signal is not at its maximum.

2.2. Mechanical Model of Train Door System

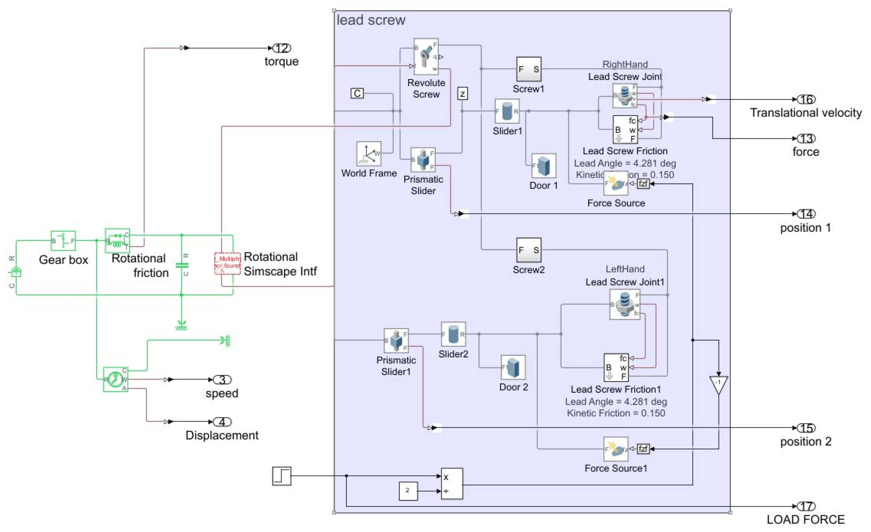
The train door mechanical system comprised a DC motor and a gearbox to amplify the motor torque. The gearbox shaft was coupled with a lead screw to convert the rotational motion into linear displacement. The door panels were connected to the door mounts, and the bottom of each door panel had two wheels and a rack on the chassis to enable smooth linear movement. The lead screw, nut, and door panels were modeled in MATLAB Simulink by assembling Simscape multibody components. A rotational mechanical friction block was connected to the shaft of the gearbox to realize the friction of the entire door actuation system. The complete assembled components of the Simscape mechanical model of the train door system are displayed in Figure 3.
The efficiency of the lead screw is calculated by Equation (7) below [25]:
η = tan α tan ( α + tan 1 A ( μ ) )
α = tan 1 ( P / U )
U = π × d = π × 18
where η is the lead screw to nut efficiency, α is the angle thread pitch, P is the pitch, U is the circumference, and μ is the coefficient of friction (0.15 for steel).
The relation between the motor torque and the thrust force generated by the lead screw is as follows [25]:
T = F P 2 π η
where T is torque required from the motor (Nm), P is pitch of the lead screw (mm), F is the force (N), and η is the lead screw efficiency.

3. Simulation of Door Movement Obstruction

An obstacle between the train doors experiences a pinching force when the doors close. According to the European standard EN14752, the system should be sensitive to a force of 100 N for obstacle detection, and the peak force on an object should not exceed 400 N. Moreover, the force should not act on the object for more than 1 s, and in response to object detection, a control signal must be generated by the train door’s controller. In this study, force levels from 100 to 150 and 151 to 200 N were considered for soft and hard objects, respectively. The simulation of door closing was run for 12 s.
The DC motor model was run with a 0.15 Nm torque command, and a signal builder block was used to apply a load force of 105 N in the period of 3–4 s while the door was closing (Figure 4). The motor current signal was high because of the load inertia. The maximum continuous current was limited by the current controller and the input torque command. Figure 4 reveals that the initial current reached nearly 8.2 A and that later, due to dynamic friction, the steady-state current was 1.3 A. An increase in the current was clearly observed exactly during the period 3–4 s because the applied load force was acting in opposition to the motor in addition to the dynamic friction. The door close command was set to zero at 11.1 s. At this time, regenerative braking caused a z short-duration negative current spike, and the current then finally reached zero.

3.1. Obstacle Detection Algorithm

Changes in the current signal due to an applied load force were detected using the Daubechies wavelet with 10 vanishing moments (db10); this wavelet was applied to the current signal to decompose it into nine levels (Figure 5). Changes were detected using the level 9 detail coefficients (cD9). A change in the amplitude of cD9 at samples 60,000 and 80,000 can be observed in Figure 6. The figure also shows the DWT wavelet tree until level 9. Here, a represents the approximation coefficient and d represents the detail coefficient. The numeric value in the subscript denotes the level of decomposition.
The current signal was decomposed into multiple levels by using the following mathematical equations given by Mehrjou et al. [26]. A discrete signal f[t] can be decomposed as
f [ t ] = k A m 0 , n ϕ m 0 , n [ t ] + m = m 0 m 1 n D m , n Ψ m , n [ t ]
where ϕ is the scaling function, ψ is the mother wavelet, A is the approximation coefficient, and D is the detail coefficient.
For the discrete dyadic wavelet, in which positions and scales are based on powers of two, the scaling function is as follows:
ϕ m 0 , n [ t ] = 2 m 0 / 2 ϕ ( 2 m 0 t n )
ϕ m 0 , n denotes the scaling function at a scale of 2 m 0   shifted by n.
The wavelet function is also known as
Ψ m , n [ t ] = 2 m / 2 Ψ ( 2 m t n )
where Ψm,n denotes the mother wavelet at a scale of 2m shifted by n. In general, the inner product of the original signal and the scaling function yields the approximation coefficients Am0,n:
A m 0 , n = f ( t ) ϕ m 0 , n ( t ) d t
The discretized signal’s approximation coefficients can be expressed as
  A ( m + 1 ) , n = n = 0 N A m , n ϕ m , n ( t ) ϕ m + 1 , n ( t ) d t = A m , n g [ n ]
The approximation coefficients Am0,n in the dyadic approach have a scale of 2m0. The g[n] filter is a low-pass filter. Similarly, the detail coefficients Dm,n can be obtained in general by taking the signal’s inner product and the complex conjugate of the wavelet function:
  D m , n = f ( t ) Ψ * m , n ( t ) d t
The decomposed discretized signal’s detail coefficients can be expressed as
  D ( m + 1 ) , n = n = 0 N A m , n ϕ m . n ( t ) Ψ m + 1 . n ( t ) d t = A m , n h [ n ]
Dm,n are the detail coefficients on a scale of 2m0 in the dyadic approach. The h[n] filter is a high-pass filter.

3.2. Feature Extraction for Obstacle Detection

Decomposing a signal into multiple levels divides it into various frequency bands. The norm is a quantification of the strength of a frequency-band signal and is derived by measuring the signal’s magnitude. At higher levels of decomposition, the norm of the detail coefficients is greater (Figure 6) and is significantly different for the no-obstacle and hard-object conditions. Therefore, the norm was selected as an index for obstacle detection and further analyzed for various obstacle forces.
Another index that can be used for obstacle detection is the signal peak. Whenever a motor starts or various obstacle forces are applied to it, the current signal peaks. Figure 5 reveals that obstacle forces can be easily detected in the level 9 decomposition by the db10 wavelet. The peaks for cD9 were calculated. To analyze the effect of different obstacle forces on norm and peak, forces above the sensitivity levels of 105, 120, 140, 160, and 180 N were applied in the mechanical model of a train door system. From Figure 7 it was observed that the norm and peak both increased as the obstacle force increased. Based on this observation, W9 and peak amplitudes for various forces were determined. Later, an assumption was made such that no force was regarded as no obstacle, forces ranging from 100 to 150 N as soft objects, and forces higher than 150 N as hard objects. Based on this assumption, borderline forces were applied to the simulation model and corresponding W9 and peak thresholds were derived.
The numeric threshold ranges of the W9 and peak for the no-obstacle, soft-object, and hard-object conditions are presented in Figure 8. These ranges clearly map combinations of ranges of the extracted signal features to applied forces.
The rules for obstacle detection and identification with these threshold values were written in a MATLAB function with two input arguments, W9 and peak, and one output argument, y.
The function assigned y a specific numeric value for each detection outcome. Table 2 presents the obstacle detection codes.
Hence, by calculating and comparing, the W9 (norm of the detailed coefficients at level 9 wavelet decomposition) and peak obstacle detection features were extracted and soft and hard objects were identified.
Whenever the door close operation was initiated, the proposed algorithm followed the flowchart in Figure 9 and worked as below:
  • Start: The system begins monitoring for obstacles when the train door operation is initiated.
  • Measure Motor Current Signal: The motor’s current is measured using a current sensor, as it reflects any obstructions encountered during door movement.
  • Apply Discrete Wavelet Transform (DWT): The measured current signal is processed using DWT to analyze its time–frequency characteristics.
  • Extract Features: Key features, such as the W9 and peak values, are extracted from the transformed signal for further analysis.
  • Compare Features with Calibrated Thresholds: The extracted features are compared to predefined thresholds:
    • If the feature values fall in the soft-object range, it indicates a soft obstacle.
    • If the feature values fall in the hard-object range, it indicates a hard obstacle.
    • If the feature values are below the thresholds, it concludes that there is no obstacle.
  • Initiate Control Action: For detected obstacles, the system initiates a control action (reversing/stopping the door) within the required safety time frame.
  • End: The process concludes either with a control action or a confirmation that no obstacle is present.

4. Simulation Results

No-obstacle, soft-object, and hard-object detection performance was evaluated in a simulation. The safety standard EN14752 specifies that the system should be sensitive to forces of 100 N and that the peak force on the object should not exceed 400 N. Therefore, in the proposed system, forces above the sensitivity level (100 N) were applied. In addition, control action should be taken in less than 1 s. Within this time frame, soft objects experience lower forces (due to the pinching effect), whereas hard objects experience higher forces. Consequently, forces in the range of 100 N to 150 N were assumed to correspond to soft objects, and forces above 150 N were assumed to correspond to hard objects. Therefore, to simulate soft and hard objects, any forces between the above assumed ranges could be applied to the simulation model. In this case, as an example, forces of 105 N and 182 N were applied. A load force signal was applied from 3 to 4 s to mimic an obstruction of the door movement. The MATLAB function output a corresponding result if the W9 and peak signals matched any of the rules. In all cases, a 0.15 Nm torque command was used. The cases were as follows.
For the no-obstacle case, no load force signal was applied. Figure 10a reveals that W9 and peak were high at the door start and stop positions (0 and 11.1 s) due to the motor starting current and regenerative braking, respectively. While the door was closing, the amplitudes of W9 and peak decreased to 22.8 and 5.46, respectively, which satisfied the rule for the no-obstacle condition. Hence, the obstacle detection algorithm displayed the output message “no obstacle” [Figure 10b]. Figure 10c reveals that the steady-state current while the door was closing was 1.3 A due to dynamic friction. After the door reached the closed position, the motor was turned off, triggering regenerative braking, which caused a negative spike in the current signal. All of these changes in the current signal were reflected in the W9 and peak.
A soft-object obstruction was simulated by applying a 105 N load force signal at exactly 3 s. The MATLAB function was programmed to stop the simulation when it detected a soft object. In Figure 11a, the amplitudes of W9 and peak indicate that the motor started and the door displaced forward without any obstacles up to the 2 s time point. The applied load force obstructed the door movement at 3 s, which caused the motor current to increase to 2.35 A [Figure 11c]. This change in the current was detected by the algorithm because the amplitude of W9 and peak increased to 40.79 and 9.91, respectively [Figure 11a], crossing the soft-object detection threshold; hence, the simulation was stopped. The output of the obstacle detection function displayed “no obstacle” until 2 s and “soft object detected” at 3 s [Figure 11b].
Finally, a hard-object obstruction was simulated by applying a load force signal (182 N) higher than the soft object threshold (150 N) at 3 s. The MATLAB function stopped the simulation when it detected a hard object. In Figure 12a, the amplitudes of W9 and peak were below the obstacle threshold level until 2 s. At 3 s, the applied load force caused the motor current to increase to 3.13 A [Figure 12c]. The obstacle detection function detected this change; the amplitude of W9 and peak increased to 53.74 and 13.17, respectively [Figure 12a], passing the hard-object detection threshold, and the simulation was stopped. The simulation output displayed the “no obstacle” message until 2 s and “hard object detected” at 3 s [Figure 12b].
As for the sensitivity of the algorithm to small obstructions or objects with irregular shapes, the algorithm is sensitive only to forces above 100 N (according to EN14752). It cannot detect obstruction forces below 100 N. Small or irregularly shaped objects may generate lower or inconsistent signal amplitudes, which could challenge the detection algorithm. This limitation can be addressed by refining the thresholds and rules to account for a broader range of obstruction profiles.
The proposed method processes only particular frequency bands of current signal where obstacles are detected and filters out other frequency bands. This reduces the false detections, and it improves reliability and accuracy by using the combination of norm and peak in a frequency band signal. However, this method requires more computational power. Traditional approaches process the entire current signal in time domain and detect the peak, which contains more noise and may lead to false detections. Other existing solutions use sensitive-edge sensors. These are expensive and sensor failure can lead to potential injuries.

5. Experimental Results

To validate the simulation results, an experiment was performed. A downscaled test bench model was designed in Solidworks and constructed. The dimensions of the test bench chassis were 162 × 60 × 75.0 cm3 (L × W × H). The test bench comprised a chassis, sliding doors, wheels, a lead screw, corner brackets, and a few three-dimensional printed parts. The bottom of each door frame had two wheels, and a rack was fixed to the chassis as a path for the sliding motion of the doors. The brushed DC motor and lead screw were coupled and assembled on the chassis. The final assembly of the test bench is shown in Figure 13.
The thresholds for W9 and peak were calibrated through extensive empirical testing and analysis using a healthy door system under controlled conditions. Specifically, the calibration process involved measuring the noise in the motor current signal and amplitude of the motor steady-state current (which helped us to analyze the dynamic friction) while operating the doors. This noise and dynamic friction value was added to the simulation model to simulate real-world conditions and various obstacle forces were applied. With the resulting amplitudes of W9 and peak, the rules in the MATLAB function were updated. Later, no-obstacle, soft-object, and hard-object testings were performed.

5.1. No-Obstacle Scenario

An experiment was performed to test the no-obstacle, soft-object, and hard-object detection capabilities of the system. Initially, the no-obstacle case was evaluated by closing the door without placing any object between the doors. As shown in Figure 14b, the motor starting current initially peaked at 7.9 A. A slight ripple observed in the motor current, visible in the figure, was attributed to the vibration of the test bench. The ripple diminished as the motor reached its steady state, indicating a stable operational condition. During door closure, the motor consumed 1.3 A of continuous current to overcome Coulomb friction.
Furthermore, Figure 14a highlights the transient behavior of motor current. The W9 and peak amplitudes started at high values of 116 and 32.1, respectively, during motor startup. These amplitudes gradually reduced to 22 and 5.4 during steady-state operation, as indicated in the figure. These were in accordance with the threshold ranges specified in the function, validating its behavior under the no-obstacle scenario.

5.2. Soft-Object Scenario

Soft-object detection was tested by initiating door closure and placing an object between the doors approximately 30 cm above the bottom of the door. The current, norm, and peak profiles initially followed a similar pattern to the no-obstacle case until the object was detected. As shown in Figure 15a, at sample 375, the motor current increased to 2.53 A, leading to a rise in the W9 and peak amplitudes to 46.8 and 10.4, respectively. These observations from the figure satisfied the soft-object detection condition specified in the algorithm, prompting the door-closing program to halt.
Additionally, Figure 15b illustrates the corresponding force signal, where the measured force on the soft object reached 105 N, matching the simulated value. These results validate the system’s capability to detect and identify soft obstacles effectively.

5.3. Hard-Object Scenario

Similarly, hard-object detection was tested by placing a hard object between the doors approximately 45 cm above the bottom of the door. The current, norm, and peak profiles initially resembled those in the no-obstacle case, until the hard object was detected. As shown in Figure 16a, at sample 303, the motor current surged to 3.25 A, resulting in increases in the W9 and peak amplitudes to 58.1 and 13.3, respectively. These observations satisfied the hard-object detection condition in the algorithm, causing the door-closing program to halt.
Additionally, Figure 16b shows the motor current and force signals, with the measured force on the hard object reaching 182.3 N, closely aligning with the simulation results. These findings demonstrate the system’s reliability in detecting and identifying the hard obstacles effectively.

5.4. Testing the Obstacle Detection in Accordance with EN14752 Standard

To meet the requirements of the EN14752 standard, forces above the sensitivity level (100 N) acting on an object must be measured and should not be applied for more than 1 s. Therefore, the door-closing program was programmed to open the door when an object was detected. The hard-object detection experiment was again performed with the new software. Figure 17a,b reveals that the force on the object reached the threshold at sample 340. At sample 341, the peak force on the object reached 183 N, and W9 and peak were 60.2 and 14.3, exceeding the hard-object detection threshold. Therefore, the algorithm halted the motor and initiated door opening. As the door moved in the opposite direction, the force on the object decreased; at sample 344, it dropped below the sensitivity threshold. The object thus experienced a force greater than 100 N for five samples. Each sample represented 0.0512 s; therefore, the program responded in less than 0.3 s and the proposed obstacle detection algorithm successfully met the requirements of the EN 14752 standard.
The tests in this study were performed using a metal spring as the soft object and a rectangular plastic block as hard object. To expand the scope, future experiments will be performed with objects of varying sizes (small, medium, and large). We will include these results in the next phase of our research.
The proposed system improves safety and prevents potential injuries by using torque command to control the DC motor torque, which limits the pinching force. In addition, it does not depend on sensitive-edge sensors, which are prone to failure and may result in false obstructions. By applying a sliding window and time–frequency domain approach, this system ensures more accurate detection, minimizing potential injury risks. This system tested the object detection force levels according to EN14752 and it meets the safety standard. To the best of our knowledge, none of the existing methods in the literature tested their system performance with EN14752 without sensitive-edge sensors. This is a novel and significant contribution of the proposed system.

5.5. Limitations and Future Work

The limitations of the proposed approach are that the thresholds of W9 and peak are calibrated at 0.12 Nm torque command and for a healthy door. In real-world scenarios, the door friction increases and torque command must be adjusted. The noise in the motor current increases due to brush wear, the thresholds of W9 and peak need recalibration, and the rules in the MATLAB function must be updated.
These limitations can be addressed in an extension of this study by modeling door friction and motor wear, developing a pre-diagnostic algorithm, and performing FMEA (Failure Modes and Effects Analysis) for train doors. Such an approach would enable the system to send warning messages and facilitate servicing before a potential failure occurs.

6. Conclusions

The proposed wavelet-based current signal analysis method aims to offer a cost-effective, sensorless solution for obstacle detection in train doors. By leveraging a current sensor and discrete wavelet transform (DWT), this system efficiently detects obstacles, differentiating between soft and hard objects, and reverses door movement in 0.3 s, complying with EN14752 standards. The proposed approach was validated on a downscaled test bench for forces between 100 and 200 N. It provides benefits for train manufacturers by reducing costs, enhances operational efficiency for operators, and improves passenger safety. Future advancements could focus on integrating the algorithm with AI, optimizing detection time, and transitioning to microchip implementation for enhanced performance.

Author Contributions

Conceptualization, Y.S.; Methodology, Y.S. and C.-Y.L.; Software, P.G.; Formal analysis, P.G.; Investigation, Y.S., P.G. and C.-Y.L.; Data curation, P.G. and C.-Y.L.; Writing—original draft, P.G.; Writing—review & editing, Y.S.; Supervision, Y.S.; Project administration, Y.S.; Funding acquisition, Y.S. All authors have read and agreed to the published version of the manuscript.

Funding

This research was funded by Industrial Technology Research Institute (ITRI) grant number 211P19.

Institutional Review Board Statement

Not applicable.

Informed Consent Statement

Not applicable.

Data Availability Statement

The original contributions presented in this study are included in the article. Further inquiries can be directed to the corresponding author.

Conflicts of Interest

Author Premkumar Gadde was employed by the company Comtrend Corporation. The remaining authors declare that the research was conducted in the absence of any commercial or financial relationships that could be construed as a potential conflict of interest.

Abbreviations

SymbolDescription
PSDPlatform screening door
DCDirect current
EMFElectromotive force
DWTDiscrete wavelet transform
VVoltage applied across armature resistance (V)
RArmature resistance (Ω)
LInductance of the coil (H)
eBack EMF (V)
iCurrent in the armature (A)
JRotor moment of inertia (kg·m2)
θAngular velocity
b θ ˙ Angular acceleration
TTorque of the motor (N·m)
K t Torque constant (N·m/A)
K e Back EMF constant
η Lead screw to nut efficiency
αAngle thread pitch
PPitch of lead screw (mm)
UCircumference of lead screw
μCoefficient of friction
FForce (N)
db10Daubechies wavelet
cD9Level 9 detailed coefficients
ϕScaling function
ψMother wavelet
AApproximation coefficient
DDetail coefficient
ϕ m 0 , n Scaling function at a scale of 2 m 0 shifted by n
Ψm,nMother wavelet at a scale of 2m shifted by n
g[n]Low-pass filter
h[n]High-pass filter

References

  1. Turgis, F.; Copin, R.; Loslever, P.; Cauffriez, L.; Caouder, N. Design of a testing bench for simulating tightened-up operating conditions of train’s passenger access. In Proceedings of the European Safety and Reliability Conference (ESREL), Prague, Czech Republic, 7–19 September 2009; pp. 21–23. [Google Scholar]
  2. Tan, F.; Zhai, M.; Zhai, C. Foreign Object Detection in Urban Rail Transit Based on Deep Differentiation Segmentation Neural Network. Heliyon 2024, 10, e37072. [Google Scholar] [CrossRef] [PubMed]
  3. Liu, R.; Liu, W.; Duan, M.; Wang, L.; Mao, L.; Qiu, Q.; Ling, G. Intercity Rail Transit Platform Anomaly Detection Using Door Tracking-Based Key Frame Extraction and AnoDet Network. IEEE Trans. Instrum. Meas. 2023, 72, 1–16. [Google Scholar] [CrossRef]
  4. Cheng, F.; Cai, H. Deep learning-based object detection between train and rail transit platform door. Int. J. Grid Util. Comput. 2022, 13, 526–537. [Google Scholar] [CrossRef]
  5. Mitra, D. Sensorless Stall Detection with the DRV8889-Q1. Texas Instruments, Application Report SLVAEI3. 2020. Available online: https://www.ti.com/lit/an/slvaei3/slvaei3.pdf (accessed on 12 January 2023).
  6. Aldrin, A.; Maria, L.C.; Mike, G. Sensorless Position Control of Brushed DC Motor Using Ripple Counting Technique. Microchip Technology Inc.: Singapore, 2019. [Google Scholar]
  7. Xu, Y.; Li, C.; Chen, F. A Design of Window Lifter System Based on Current Detection. In Proceedings of the Chinese Automation Congress (CAC), Hangzhou, China, 22–24 November 2019; pp. 813–817. [Google Scholar] [CrossRef]
  8. Liu, H.; Zhong, Y. Research on Noise Reduction of Motor Ripple Based on Improved Wavelet Threshold Function. In Proceedings of the 3rd International Academic Exchange Conference on Science and Technology Innovation (IAECST), Guangzhou, China, 10–12 December 2021; pp. 467–470. [Google Scholar] [CrossRef]
  9. Wibowo, W.K.; Jeong, S.K.; You, S.S.; Lee, J. Automatic Threshold on Current based Anti-pinch Mechanism for Power Windows. Int. J. Electr. Comput. Eng. 2018, 8, 2172–2179. [Google Scholar] [CrossRef]
  10. Bonaldi, E.L.; de Oliveira, L.E.D.L.; da Silva, J.G.B.; Lambert-Torresm, G.; da Silva, L.E.B. Predictive Maintenance by Electrical Signature Analysis to Induction Motors. In Induction Motors—Modelling and Control; IntechOpen: London, UK, 2012. [Google Scholar] [CrossRef]
  11. Lu, L.; Wang, W. Fault Diagnosis of Permanent Magnet DC Motors Based on Multi-Segment Feature Extraction. Sensors 2021, 21, 7505. [Google Scholar] [CrossRef] [PubMed]
  12. Kim, S.; Choi, J.H. Convolutional neural network for gear fault diagnosis based on signal segmentation approach. Struct. Health Monit. 2019, 18, 1401–1415. [Google Scholar] [CrossRef]
  13. Shen, L.; Chaoran, Y. Identification of Parameters for a DC-Motor by LabVIEW. 2012. Available online: https://api.semanticscholar.org/CorpusID:60292843 (accessed on 20 December 2024).
  14. Stasolla, M.; Neyt, X. Combining wavelets and A theory for multiresolution signal decomposition mathematical morphology to detect changes in time series. In Proceedings of the Progress in Electromagnetics Research Symposium—Fall (PIERS—FALL), Singapore, 20–22 November 2017; pp. 1015–1020. [Google Scholar] [CrossRef]
  15. Daubechies, I. The wavelet transform, time-frequency localization and signal analysis. IEEE Trans. Inf. Theory 1990, 36, 961–1005. [Google Scholar] [CrossRef]
  16. Rhif, M.; Ben Abbes, A.; Farah, I.R.; Martínez, B.; Sang, Y. Wavelet Transform Application for/in Non-Stationary Time-Series Analysis: A Review. Appl. Sci. 2019, 9, 1345. [Google Scholar] [CrossRef]
  17. Peng, Z.K.; Chu, F.L. Application of the wavelet transform in machine condition monitoring and fault diagnostics: A review with bibliography. Mech. Syst. Signal Process. 2004, 18, 199–221. [Google Scholar] [CrossRef]
  18. Winston, D.P.; Saravanan, M. Single Parameter Fault Identification Technique for DC Motor through Wavelet Analysis and Fuzzy Logic. J. Electr. Eng. Technol. 2013, 8, 1049–1055. [Google Scholar] [CrossRef]
  19. Abd Ghani, M.F.; Abidin, A.F.; Hannoon, N.S. Comparison of real time voltage sag detection based on discrete and continuous wavelet transform in LabVIEW. In Proceedings of the IEEE Conference on Systems, Process and Control (ICSPC), Melaka, Malaysia, 16–18 December 2016; pp. 97–101. [Google Scholar] [CrossRef]
  20. Tan, R.H.G.; Ramachandaramurthy, V.K. Real time power quality event detection using continuous wavelet transform. In Proceedings of the 10th International Conference on Environment and Electrical Engineering, Rome, Italy, 8–11 May 2011; pp. 1–4. [Google Scholar] [CrossRef]
  21. Cao, J.; Xiao, Y. A wavelet-analysis-based change point model for process monitoring. In Proceedings of the 9th International Conference on Reliability, Maintainability and Safety, Guiyang, China, 12–15 June 2011; pp. 1347–1353. [Google Scholar] [CrossRef]
  22. Mallat, S.G. A theory for multiresolution signal decomposition: The wavelet representation. IEEE Trans. Pattern Anal. Mach. Intell. 1989, 11, 674–693. [Google Scholar] [CrossRef]
  23. BS EN 14752:2019+A1:2021; Railway Applications. Bodyside Entrance Systems for Rolling Stock. British Standards Institution: London, UK, 2022.
  24. Hughes, A.; Drury, B. Chapter 3—D.C. Motors. In Electric Motors and Drives, 5th ed.; Hughes, A., Drury, B., Eds.; Elsevier Ltd.: Newnes, NSW, Australia, 2019; pp. 89–129. ISBN 978-0-08-102615-1. [Google Scholar] [CrossRef]
  25. Vahid-Araghi, O.; Golnaraghi, F. Friction-Induced Vibration in Lead Screw Drives; Springer Science & Business Media: Berlin/Heidelberg, Germany, 2010. [Google Scholar]
  26. Mehrjou, M.R.; Mariun, N.; Karami, M.; Misron, N.; Toosi, S.; Zare, M.R. Evaluation of Wavelet-Functions for Broken Rotor Bar Detection of Induction Machine Using Coefficient-Related Features. Int. J. Appl. Electron. Phys. Robot. 2013, 1, 18–23. [Google Scholar] [CrossRef][Green Version]
Figure 1. DC motor equivalent diagram.
Figure 1. DC motor equivalent diagram.
Applsci 15 00025 g001
Figure 2. Torque control of DC motor Simscape model.
Figure 2. Torque control of DC motor Simscape model.
Applsci 15 00025 g002
Figure 3. Simscape model of train door mechanical system.
Figure 3. Simscape model of train door mechanical system.
Applsci 15 00025 g003
Figure 4. The 105 N load force and motor current signal.
Figure 4. The 105 N load force and motor current signal.
Applsci 15 00025 g004
Figure 5. Wavelet tree and detailed coefficients at level 9.
Figure 5. Wavelet tree and detailed coefficients at level 9.
Applsci 15 00025 g005
Figure 6. Norm at various decomposition levels.
Figure 6. Norm at various decomposition levels.
Applsci 15 00025 g006
Figure 7. Norm and peaks at various obstacle forces.
Figure 7. Norm and peaks at various obstacle forces.
Applsci 15 00025 g007
Figure 8. W9 and peak range for different feature extractions.
Figure 8. W9 and peak range for different feature extractions.
Applsci 15 00025 g008
Figure 9. Flowchart of the proposed obstacle detection algorithm for train doors.
Figure 9. Flowchart of the proposed obstacle detection algorithm for train doors.
Applsci 15 00025 g009
Figure 10. No-obstacle scenario. (a) W9 and peak amplitudes; (b) simulation output; (c) motor current signal.
Figure 10. No-obstacle scenario. (a) W9 and peak amplitudes; (b) simulation output; (c) motor current signal.
Applsci 15 00025 g010
Figure 11. Soft-obstacle scenario. (a) W9 and peak amplitudes; (b) simulation output; (c) force between doors and motor current signal.
Figure 11. Soft-obstacle scenario. (a) W9 and peak amplitudes; (b) simulation output; (c) force between doors and motor current signal.
Applsci 15 00025 g011
Figure 12. Hard-obstacle scenario. (a) W9 and peak amplitudes; (b) simulation output; (c) force between doors and motor current signal.
Figure 12. Hard-obstacle scenario. (a) W9 and peak amplitudes; (b) simulation output; (c) force between doors and motor current signal.
Applsci 15 00025 g012
Figure 13. Assembled test bench.
Figure 13. Assembled test bench.
Applsci 15 00025 g013
Figure 14. Results of no-obstacle detection experiment. (a) W9 and peak amplitudes during motor startup and steady-state operation, showing compliance with threshold ranges; (b) motor current signal indicating the starting current; ripple was due to test bench vibration.
Figure 14. Results of no-obstacle detection experiment. (a) W9 and peak amplitudes during motor startup and steady-state operation, showing compliance with threshold ranges; (b) motor current signal indicating the starting current; ripple was due to test bench vibration.
Applsci 15 00025 g014
Figure 15. Results of soft-obstacle detection experiment. (a) W9 and peak amplitudes showing the response at the detection point; (b) motor current and force signals demonstrating the increased current and force at sample 375, triggering the detection condition and halting the door-closing program.
Figure 15. Results of soft-obstacle detection experiment. (a) W9 and peak amplitudes showing the response at the detection point; (b) motor current and force signals demonstrating the increased current and force at sample 375, triggering the detection condition and halting the door-closing program.
Applsci 15 00025 g015
Figure 16. Results of hard-obstacle detection experiment. (a) W9 and peak amplitudes showing a sharp rise at detection point; (b) motor current and force signals illustrating the increased current and force that triggered the detection condition and halted the door-closing program.
Figure 16. Results of hard-obstacle detection experiment. (a) W9 and peak amplitudes showing a sharp rise at detection point; (b) motor current and force signals illustrating the increased current and force that triggered the detection condition and halted the door-closing program.
Applsci 15 00025 g016
Figure 17. Hard-object detection and door opening. (a) W9 and peak; (b) motor current and force signal.
Figure 17. Hard-object detection and door opening. (a) W9 and peak; (b) motor current and force signal.
Applsci 15 00025 g017
Table 2. Feature extraction codes for obstacle detection.
Table 2. Feature extraction codes for obstacle detection.
Featurey
No obstacle10
Soft object detected20
Hard object detected30
Disclaimer/Publisher’s Note: The statements, opinions and data contained in all publications are solely those of the individual author(s) and contributor(s) and not of MDPI and/or the editor(s). MDPI and/or the editor(s) disclaim responsibility for any injury to people or property resulting from any ideas, methods, instructions or products referred to in the content.

Share and Cite

MDPI and ACS Style

Shiao, Y.; Gadde, P.; Liu, C.-Y. Wavelet-Based Analysis of Motor Current Signals for Detecting Obstacles in Train Doors. Appl. Sci. 2025, 15, 25. https://doi.org/10.3390/app15010025

AMA Style

Shiao Y, Gadde P, Liu C-Y. Wavelet-Based Analysis of Motor Current Signals for Detecting Obstacles in Train Doors. Applied Sciences. 2025; 15(1):25. https://doi.org/10.3390/app15010025

Chicago/Turabian Style

Shiao, Yaojung, Premkumar Gadde, and Chun-Yu Liu. 2025. "Wavelet-Based Analysis of Motor Current Signals for Detecting Obstacles in Train Doors" Applied Sciences 15, no. 1: 25. https://doi.org/10.3390/app15010025

APA Style

Shiao, Y., Gadde, P., & Liu, C.-Y. (2025). Wavelet-Based Analysis of Motor Current Signals for Detecting Obstacles in Train Doors. Applied Sciences, 15(1), 25. https://doi.org/10.3390/app15010025

Note that from the first issue of 2016, this journal uses article numbers instead of page numbers. See further details here.

Article Metrics

Back to TopTop