Experimental Studies and Performance Characteristics Analysis of a Variable-Volume Heat Pump in a Ventilation System
Abstract
Featured Application
Abstract
1. Introduction
1.1. Control Methods of Heat Pumps Integrated into Ventilation Systems
1.2. Control Measures
1.3. Control Algorithms
1.4. Experiments on the Improvement of the Vapor Compression Cycle
2. Materials and Methods
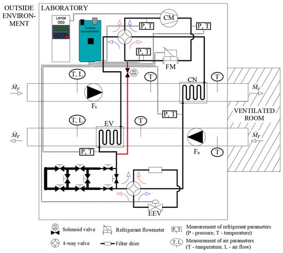
2.1. Subject of the Study
2.2. Experimental Part
2.3. Measuring Equipment
- refrigerant pressures, temperatures and flow rates;
- airflow (determined by using the calibrated diaphragms), temperature and relative humidity.
2.4. Determining the Actual Performance Parameters of the HP from a Theoretical Model
3. Results and Discussion
3.1. General Characteristics
3.1.1. The Degree of Compression and Flow Rate
3.1.2. Flow Rate and Evaporation Temperature
3.1.3. Power and Flow Rate
3.2. The Effect on the Performance Parameters of a Change in the Heat Pump Circuit Volume (V0, V1, V2, V3)
3.2.1. Heating Power
3.2.2. Efficiency
3.3. Heat Pump Cycles in a p-h Diagram
4. Conclusions
Author Contributions
Funding
Institutional Review Board Statement
Informed Consent Statement
Data Availability Statement
Acknowledgments
Conflicts of Interest
References
- International Energy Agency. Market Report Series: Energy Efficiency 2O17; IEA Publications: Paris, France, 2017; pp. 1–143. Available online: https://www.iea.org/reports/energy-efficiency-2017 (accessed on 1 May 2024).
- European Commission. An EU strategy on heating and cooling 2016. J. Chem. Inf. Model. 2016, 53, 1689–1699. [Google Scholar] [CrossRef]
- European Parliament and Council. Directive 2010/31/EU of the European Parliament and of the Council of 19 may 2010 due on the energy performance of buildings. Off. J. Eur. Union 2010, 153, 13–35. [Google Scholar]
- Schlomann, B.; Kleeberger, H. Report: Energieverbrauch des Sektors Gewerbe, Handel, Dienstleistungen (GHD) in Deutschland für Die Jahre 2011 bis 2013; Institute for Resource Efficiency and Energy Strategies: Karlsruhe, Germany, 2015; p. 30. Available online: https://irees.de/2020/06/15/energieverbrauch-des-sektors-gewerbe-handel-dienstleistungen-ghd-in-deutschland-fuer-die-jahre-2011-bis-2013-2015 (accessed on 1 May 2024).
- Jouhara, H.; Yang, J. Energy efficient HVAC systems. Energy Build. 2018, 179, 83–85. [Google Scholar] [CrossRef]
- Zhu, Y.; Wu, S.; Li, J.; Jia, Q.; Zhang, T.; Zhang, X.; Han, D.; Tan, Y. Towards a carbon-neutral community: Integrated renewable energy systems (IRES)–sources, storage, optimization, challenges, strategies and opportunities. J. Energy Storage 2024, 83, 110663. [Google Scholar] [CrossRef]
- Olympios, A.V.; Song, J.; Ziolkowski, A.; Shanmugam, V.S.; Markides, C.N. Data-driven compressor performance maps and cost correlations for small-scale heat-pumping applications. Energy 2024, 291, 130171. [Google Scholar] [CrossRef]
- Wen, Q.; Zhi, R.; Wu, Y.; Lei, B.; Ban, G. Experimental studies of semi hermetic single screw compressor with variable speed in heat pump. Case Stud. Therm. Eng. 2024, 58, 104399. [Google Scholar] [CrossRef]
- Wu, C.; Li, X.; Wang, Z.; Xu, Z.; Xu, C.; Yang, Y. Optimizing the selection and combined operation of multiple air-source heat pumps for sustainable heating systems. Energy Build. 2024, 310, 114052. [Google Scholar] [CrossRef]
- Koopman, T.; Zhu, T.; Rohlfs, W. Performance evaluation of air-source heat pump based on a pressure drop embed-ded model. Heliyon 2024, 10, e24634. [Google Scholar] [CrossRef]
- Panteli, M.; Mancarella, P. Influence of extreme weather and climate change on the resilience of power systems: Impacts and possible mitigation strategies. Electr. Power Syst. Res. 2015, 127, 259–270. [Google Scholar] [CrossRef]
- Pineda Quijano, D.; Fonseca Lima, B.; Infante Ferreira, C.; Brück, E. Seasonal COP of a residential magnetocaloric heat pump based on MnFePSi. Int. J. Refrig. 2024; in press. [Google Scholar] [CrossRef]
- Wang, J.; Lu, X.; Adetola, V.; Louie, E. Modeling Variable Refrigerant Flow (VRF) systems in building applications: A comprehensive review. Energy Build. 2024, 311, 114128. [Google Scholar] [CrossRef]
- Jain, N.; Alleyne, A.G. Thermodynamics-based optimization and control of vapor-compression cycle operation: Optimization criteria. In Proceedings of the 2011 American Control Conference, San Francisco, CA, USA, 29 June–1 July 2011; pp. 1352–1357. [Google Scholar] [CrossRef]
- Jensen, J.B.; Skogestad, S. Optimal operation of simple refrigeration cycles. Part I: Degrees of freedom and optimality of sub-cooling. Comput. Chem. Eng. 2007, 31, 712–721. [Google Scholar] [CrossRef]
- Aprea, C.; Mastrullo, R.; Renno, C. Experimental analysis of the scroll compressor performances varying its speed. Appl. Therm. Eng. 2006, 26, 983–992. [Google Scholar] [CrossRef]
- Dongellini, M.; Abbenante, M.; Morini, G.L. A strategy for the optimal control logic of heat pump systems: Impact on the energy consumption of a residential building. In Proceedings of the 12th IEA Heat Pump Conference, Rotterdam, The Netherlands, 15–18 May 2017. [Google Scholar]
- Xu, Z.; Li, H.; Xu, W.; Shao, S.; Wang, Z.; Gou, X.; Zhao, M.; Li, J. Investigation on the efficiency degradation characterization of low ambient temperature air source heat pump under partial load operation. Int. J. Refrig. 2022, 133, 99–110. [Google Scholar] [CrossRef]
- Chae, S.; Bae, S.; Nam, Y. Performance improvement of air-source heat pump via optimum control based on artificial neural network. Energy Rep. 2023, 10, 460–472. [Google Scholar] [CrossRef]
- Wang, W.; Hu, B.; Wang, R.Z.; Luo, M.; Zhang, G.; Xiang, B. Model predictive control for the performance improvement of air source heat pump heating system via variable water temperature difference. Int. J. Refrig. 2022, 138, 169–179. [Google Scholar] [CrossRef]
- Hlanze, P.; Jiang, Z.; Cai, J.; Shen, B. Model-based predictive control of multi-stage air-source heat pumps integrated with phase change material-embedded ceilings. Appl. Energy 2023, 336, 120796. [Google Scholar] [CrossRef]
- Putrayudha, S.A.; Kang, E.C.; Evgueniy, E.; Libing, Y.; Lee, E.J. A study of photovoltaic/thermal (PVT)-ground source heat pump hybrid system by using fuzzy logic control. Appl. Therm. Eng. 2015, 89, 578–586. [Google Scholar] [CrossRef]
- Yang, T.; Ge, T. Performance study of a heat pump fresh air unit based on desiccant coated heat exchangers under different operation strategies. Energy 2024, 296, 131182. [Google Scholar] [CrossRef]
- Rohrer, T.; Frison, L.; Kaupenjohann, L.; Scharf, K.; Hergenr, E. Deep Reinforcement Learning for Heat Pump Control. arXiv 2022, arXiv:2212.12716. [Google Scholar] [CrossRef]
- Park, C.; Lee, H.; Hwang, Y.; Radermacher, R. Recent advances in vapor compression cycle technologies. Int. J. Refrig. 2015, 60, 118–134. [Google Scholar] [CrossRef]
- Al-Obaidi, A.S.M.; Naif, A.; Al-Harthi, T.K. Optimization of the Performance of Vapour Compression Cycle using Liquid Suction Line Heat Exchanger. J. Therm. Eng. 2020, 6, 201–210. [Google Scholar] [CrossRef]
- Pottker, G.; Hrnjak, P. Experimental investigation of the effect of condenser subcooling in R134a and R1234yf air-conditioning systems with and without internal heat exchanger. Int. J. Refrig. 2015, 50, 104–113. [Google Scholar] [CrossRef]
- Kwan, T.H.; Shen, Y.; Wu, Z.; Yao, Q. Performance analysis of the thermoelectric device as the internal heat exchanger of the trans-critical carbon dioxide cycle. Energy Convers. Manag. 2020, 208, 112585. [Google Scholar] [CrossRef]
- Liu, X.; Fu, R.; Wang, Z.; Lin, L.; Sun, Z.; Li, X. Thermodynamic analysis of transcritical CO2 refrigeration cycle integrated with thermoelectric subcooler and ejector. Energy Convers. Manag. 2019, 188, 354–365. [Google Scholar] [CrossRef]
- Qureshi, B.A.; Zubair, S.M. The effect of refrigerant combinations on performance of a vapor compression refrigeration system with dedicated mechanical sub-cooling. Int. J. Refrig. 2012, 35, 47–57. [Google Scholar] [CrossRef]
- Khan, J.U.R.; Zubair, S.M. Design and rating of an integrated mechanical-subcooling vapor-compression refrigeration system. Energy Convers. Manag. 2000, 41, 1201–1222. [Google Scholar] [CrossRef]
- Huff, H.; Lindsay, D.; Radermacher, R. Positive displacement compressor and expander simulation. In Proceedings of the International Compressor Engineering Conference: 8 (Paper 1527), West Lafayette, IN, USA, 16–19 July 2002; Available online: https://docs.lib.purdue.edu/icec/1527/ (accessed on 26 February 2024).
- Wang, M.; Zhao, Y.; Cao, F.; Bu, G.; Wang, Z. Simulation study on a novel vane-type expander with internal two-stage expansion process for R-410A refrigeration system. Int. J. Refrig. 2012, 35, 757–771. [Google Scholar] [CrossRef]
- Boumaraf, L.; Haberschill, P.; Lallemand, A. Investigation of a novel ejector expansion refrigeration system using the working fluid R134a and its potential substitute R1234yf. Energy Econ. 2014, 45, 148–159. [Google Scholar] [CrossRef]
- Cao, X.; Liang, X.; Shao, L.; Zhang, C. Performance analysis of an ejector-assisted two-stage evaporation single-stage vapor-compression cycle. Appl. Therm. Eng. 2022, 205, 118005. [Google Scholar] [CrossRef]
- Cho, H.; Chung, J.T.; Kim, Y. Influence of liquid refrigerant injection on the performance of an inverter-driven scroll compressor. Int. J. Refrig. 2003, 26, 87–94. [Google Scholar] [CrossRef]
- Pathak, A.; Binder, M.; Ongel, A.; Ng, H.W. Investigation of a multi stage vapour-injection cycle to improve air-conditioning system performance of electric buses. In Proceedings of the 14th International Conference on Ecological Vehicles and Renewable Energies, EVER, Monte-Carlo, Monaco, 8–10 May 2019; pp. 1–7. [Google Scholar] [CrossRef]
- Lee, H.; Hwang, Y.; Radermacher, R.; Chun, H.H. Performance investigation of multi-stage saturation cycle with natural working fluids and low GWP working fluids. Int. J. Refrig. 2015, 51, 103–111. [Google Scholar] [CrossRef]
- Yang, M.; Wang, B.; Li, X.; Shi, W.; Zhang, L. Evaluation of two-phase suction, liquid injection and two-phase injection for decreasing the discharge temperature of the R32 scroll compressor. Int. J. Refrig. 2015, 59, 269–280. [Google Scholar] [CrossRef]
- Jacob, T.A.; Shah, N.; Park, W.Y. Evaluation of hybrid evaporative-vapor compression air conditioners for different global climates. Energy Convers. Manag. 2021, 249, 114841. [Google Scholar] [CrossRef]
- Bagarella, G.; Lazzarin, R.; Noro, M. Sizing strategy of on-off and modulating heat pump systems based on annual energy analysis. Int. J. Refrig. 2016, 65, 183–193. [Google Scholar] [CrossRef]
- Huang, B.; Jian, Q.; Luo, L.; Zhao, J. Experimental study of enhancing heating performance of the air-source heat pump by using a novel heat recovery device designed for reusing the energy of the compressor shell. Energy Convers. Manag. 2017, 138, 38–44. [Google Scholar] [CrossRef]
- Wang, L.; Ma, G.; Ma, A.; Zhou, F.; Li, F. Experimental study on the characteristics of triplex loop heat pump for exhaust air heat recovery in winter. Energy Convers. Manag. 2018, 176, 384–392. [Google Scholar] [CrossRef]
- Guoyuan, M.; Qinhu, C.; Yi, J. Experimental investigation of air-source heat pump for cold regions. Int. J. Refrig. 2003, 26, 12–18. [Google Scholar] [CrossRef]
- Lee, Z.; Gupta, K.; Kircher, K.J.; Zhang, K.M. Mixed-integer model predictive control of variable-speed heat pumps. Energy Build. 2019, 198, 75–83. [Google Scholar] [CrossRef]
- Clauß, J.; Georges, L. Model complexity of heat pump systems to investigate the building energy flexibility and guidelines for model implementation. Appl. Energy 2019, 255, 113847. [Google Scholar] [CrossRef]
- Lee, S.H.; Jeon, Y.; Chung, H.J.; Cho, W.; Kim, Y. Simulation-based optimization of heating and cooling seasonal performances of an air-to-air heat pump considering operating and design parameters using genetic algorithm. Appl. Therm. Eng. 2018, 144, 362–370. [Google Scholar] [CrossRef]
- Jensen, J.B.; Skogestad, S. Control and optimal operation of simple heat pump cycles. Comput. Aided Chem. Eng. 2005, 20, 1429–1434. [Google Scholar] [CrossRef]
- Frik, A.; Bielskus, J.; Dzikevics, M. Experimental Study on the Control of the Positions of the Cycle Isotherms of the Heat Pump in the Air Handling Unit. Environ. Clim. Technol. 2023, 27, 889–899. [Google Scholar] [CrossRef]
- Zhang, Y.; Li, M.; Dong, J.; Zhang, C.; Li, X.; Han, Z. Study on the impacts of refrigerant leakage on the performance and reliability of datacenter composite air conditioning system. Energy 2023, 284, 129336. [Google Scholar] [CrossRef]
- Pelella, F.; Viscito, L.; Mauro, A.W. Combined effects of refrigerant leakages and fouling on air-source heat pump performances in cooling mode. Appl. Therm. Eng. 2021, 204, 117965. [Google Scholar] [CrossRef]

















| The Component of the Experimental Bench | Marking in the Diagram | Technical Characteristics |
|---|---|---|
| Supply and exhaust fan RS-315L EC | Fs and Fe | Air flow rate: 430 m3/h |
| EC-10 Fan motors potentiometer | - | Control signal: 0–10 V |
| Heat pump compressor GMCC (Foshan, China) YA281X3CS-4MT | CM | Refrigerant: R410A; voltage: 380–415 V; heating capacity: 6.92 kW |
| Frequency inverter Lenze i550 | - | Voltage: 380–415 V |
| Expansion valve Carel (Breganze, Italy) E2V14 BSF01 | EVV | Maximum differential pressure: 35 bars; full closing steps: 480. |
| Condenser | CN | DX coil heat exchange surface: 4.5 m2; air flow rate: 400 m3/h, pressure drop: 25 Pa |
| Evaporator | EV | DX coil heat exchange surface: 5.9 m2; air flow rate: 400 m3/h, pressure drop: 18 Pa |
| Microcontroller board Arduino Mega 2560 | - | Operating voltage: 5 V; digital I/O: 54; analog input: 16; flash: 256 KB; SRAM: 8 KB. |
| Name of Measuring Equipment | Properties | Notes |
|---|---|---|
| AHLBORN (Goettingen, Germany) ALMEMO 2890-9 measuring instrument and data logger | Measuring inputs: 9; Outputs: 2; Memory: 100,000 measured values | Used to record differential air pressure values. |
| Pressure measuring connector for differential pressure FDA 602 S1K | Measuring range: ±1250 Pa; Operating range: −10 to +60 °C, 10 to 90% RH; Accuracy: ±0.5% of the final value in the range of 0 to the final positive value | Measures the pressure difference across the airflow measurement diaphragm. |
| 160 mm diameter airflow calibrated diaphragm | Measuring range: nominal air flow 400 m3/h; Difference pressure: 400 Pa at nominal air flow; Accuracy: ±0.66% at 400 m3/h | The length of the straight section upstream of the measurement point is 12 diameters; downstream, 6 diameters. |
| Multi-channel data logger Onset (Burlington, MA, USA) Hobo H22-001 | Measuring inputs: 3 FlexSmart multi-channel modules and up to 6 Smart Sensors; Outputs: 2; Operating range: −40 to +60 °C; Memory: 512K nonvolatile flash data storage. | Used to record temperatures and electricity parameters |
| 12-Bit temperature smart sensor | Measuring range: −40 to 100 °C; Accuracy: ±0.2 °C from 0° to 50 °C. | Measures air and freon temperature. Connects to Hobo H22-001 |
| 3-Phase AC kWh transducer sensor onset T-VER-8044-100 | Measuring range: 0 to 100 A; Operating range: 0 to +60 °C, 0 to 95% RH; Input primary voltage: 480 Volts AC rms; Output: 4–20 mA; Accuracy: ±1% per ANSI (from 10 to 100% of CT rating). | Connects to Hobo H22-001 |
| Pressure sensors Sanhua (Shaoxing, China) YCQC05L09 | Measuring range: 0 bar to 44.8 bar; Operating range: −40 to +80 °C, max. working pressure 75 bar; Output: 4–20 mA; Accuracy: ±0.8% FS. | Used with Arduino Mega 2560 |
| Volume | Speed of Compressor (rpm); Opening Degree of Expansion Valve (%) | |||||||||||
|---|---|---|---|---|---|---|---|---|---|---|---|---|
| V0 | 1800; 30 | 1920; 30 | 2100; 30 | 2220; 30 | 1800; 50 | 1920; 50 | 2100; 50 | 2220; 50 | 1800; 70 | 1920; 70 | 2100; 70 | 2220; 70 |
| V1 | 1800; 30 | 1920; 30 | 2100; 30 | 2220; 30 | 1800; 50 | 1920; 50 | 2100; 50 | 2220; 50 | 1800; 70 | 1920; 70 | 2100; 70 | 2220; 70 |
| V2 | 1800; 30 | 1920; 30 | 2100; 30 | 2220; 30 | 1800; 50 | 1920; 50 | 2100; 50 | 2220; 50 | 1800; 70 | 1920; 70 | 2100; 70 | 2220; 70 |
| V3 | 1800; 30 | 1920; 30 | 2100; 30 | 2220; 30 | 1800; 50 | 1920; 50 | 2100; 50 | 2220; 50 | 1800; 70 | 1920; 70 | 2100; 70 | 2220; 70 |
Disclaimer/Publisher’s Note: The statements, opinions and data contained in all publications are solely those of the individual author(s) and contributor(s) and not of MDPI and/or the editor(s). MDPI and/or the editor(s) disclaim responsibility for any injury to people or property resulting from any ideas, methods, instructions or products referred to in the content. |
© 2024 by the authors. Licensee MDPI, Basel, Switzerland. This article is an open access article distributed under the terms and conditions of the Creative Commons Attribution (CC BY) license (https://creativecommons.org/licenses/by/4.0/).
Share and Cite
Frik, A.; Bielskus, J.; Džiugaitė-Tumėnienė, R.; Motuzienė, V. Experimental Studies and Performance Characteristics Analysis of a Variable-Volume Heat Pump in a Ventilation System. Appl. Sci. 2024, 14, 3933. https://doi.org/10.3390/app14093933
Frik A, Bielskus J, Džiugaitė-Tumėnienė R, Motuzienė V. Experimental Studies and Performance Characteristics Analysis of a Variable-Volume Heat Pump in a Ventilation System. Applied Sciences. 2024; 14(9):3933. https://doi.org/10.3390/app14093933
Chicago/Turabian StyleFrik, Anton, Juozas Bielskus, Rasa Džiugaitė-Tumėnienė, and Violeta Motuzienė. 2024. "Experimental Studies and Performance Characteristics Analysis of a Variable-Volume Heat Pump in a Ventilation System" Applied Sciences 14, no. 9: 3933. https://doi.org/10.3390/app14093933
APA StyleFrik, A., Bielskus, J., Džiugaitė-Tumėnienė, R., & Motuzienė, V. (2024). Experimental Studies and Performance Characteristics Analysis of a Variable-Volume Heat Pump in a Ventilation System. Applied Sciences, 14(9), 3933. https://doi.org/10.3390/app14093933

