Abstract
Aiming at the problems of low power, low energy transmission efficiency, and high stress in the circuit of a single-phase wireless power transfer system, this paper proposes a wireless power transfer (WPT) system with a three-phase angle difference of 120 degrees and establishes a COMSOL multi-physics simulation model for analysis. In this simulation model, the topology of the three-phase resonant compensation network is studied in detail, and the structure of the coupling coil is designed and adjusted. Compared with the single-phase system with the same environmental conditions, air gap, and operating frequency, the simulation results show that the proposed three-phase system can effectively reduce the magnetic flux leakage, reduce the stress in the circuit, and significantly improve the energy transmission efficiency. In order to verify the reliability of the simulation results, an experimental platform was built. The experimental results show that the efficiency and coupling degree of the new system are significantly improved at the resonant frequency of 47.5 kHz, and the stress in the circuit is also significantly reduced.
1. Introduction
With the continuous development of wireless power transfer technology, the wireless power transfer system, as a new type of energy transmission mode, has attracted more and more attention [1]. As a new type of charging method, wireless power transfer technology [2] can transmit electrical energy to electrical equipment without contact and has been widely used in many fields, such as implantable medical equipment, mobile portable terminals, underground exploration facilities, underwater unmanned submersibles, and electric vehicles [3,4]. At present, the research on wireless power transfer systems at home and abroad mainly focuses on single-phase-to-single-phase transmission or three-phase to single-phase transmission [5,6]. However, the single-phase-to-single-phase system has problems of low power and low energy transmission efficiency. With the development of WPT technology, wireless power transfer systems are developing towards large capacity, high power, and high reliability. Therefore, it is necessary to study the three-phase to three-phase wireless power transfer system to improve the efficiency and stability of energy transmission.
The power transmission capability of the WPT system is closely related to the size and structure of the emitter and receiver [7]. In the WPT system, the magnetic coupling coefficient of the coil not only affects the power transmission capacity but also directly affects the transmission efficiency of the system. A high magnetic coupling coefficient means better energy transfer efficiency because more magnetic energy is transmitted to the receiving end without being lost in the surrounding environment. Therefore, the design of the coupling mechanism is one of the most critical issues affecting the performance of the wireless power transfer system. Most of the wireless power transfer system coupling mechanisms discussed in the existing literature are composed of single-phase structures with lower loss, similar to the single-phase-to-single-phase wireless power transfer coupling mechanism based on magnetic coupling mentioned in the literature [8]. Professor Zhang Xian’s team from Hebei University of Technology proposed a Taiji-type single-phase coil, which can make the magnetic field distribution around the coil more uniform [9]. Florian Koenig from the University of Cambridge in the UK designed a single-phase-to-single-phase wireless power transfer coupling mechanism based on multiple coils. The mechanism improves the transmission efficiency and flexibility of the system by reasonably arranging multiple coils [10]. However, these coil structures cannot meet the requirements of high power, and the three-phase system can provide faster and safer high-power transmission when the voltage and current of each bridge arm are small. In addition, compared with the single-phase system, the three-phase system has the advantages of small phase current and more uniform electromagnetic field distribution, so the three-phase wireless power transfer system is considered to be more suitable for high-power applications [11]. In recent years, research on three-phase wireless power transfer systems has been greatly developed in various application fields. At present, the research on three-phase wireless power transfer systems has developed a wireless power transfer system with an asymmetric number of transmitting and receiving coils. For example, the Hong Kong Polytechnic University used three circular transmitting coils in the experiment to enhance the system’s power capacity and achieve higher power transmission [12]. The Harbin Institute of Technology team proposed a stable multi-phase receiver including two-phase, three-phase, and four-phase receivers to solve the problem of the induced voltage of the multi-pole power rail coil sinusoidal fluctuation along the driving direction [13]. In Reference 14, a three-phase coil with a double-D quadrature structure was proposed, which effectively increased the anti-translation ability of the system [14]. Oak Ridge National Laboratory proposed a three-phase inductance wireless power transfer system with bipolar phase winding, which uses a rotating magnetic field to achieve smoother power transmission characteristics in time than a single-phase system [15]. Martin Mellincovsky proposed a multi-transmitting coil and multi-receiving coil structure MCI WPT system that focuses on solving displacement problems [16]. The National ZTE University proposed a vehicle-mounted charging system that uses a two-layer overlapping winding of three-phase to three-phase square coils [17]. The single-phase structure in the above literature can withstand far less power than the three-phase to three-phase coupling structure. The coupling coefficient relationship between multi-coil and asymmetric structures is more complex. Therefore, this paper will further study the symmetrical three-phase to three-phase coupling structure to optimize and improve the performance of the wireless power transfer system.
This paper proposes a three-phase coupling structure that is more suitable for high-power applications. The PWM wave generated by DSP is added to the control end of the MOSEFT tube of the three-phase full-bridge inverter to control the output frequency and phase of the inverter. The energy is transmitted to the receiving coil, and the load on the receiving side is transferred through the transmitting coil. The structure proposed in this paper greatly reduces the volume of the system and is more suitable for high-power applications. Firstly, the mutual inductance model of the three-phase system is introduced, and the relationship between the model parameters is derived. Then, different coil structures are compared, and the parameters of the system are adjusted by COMSOL Multiphysics 5.6 to determine the optimal coupling mechanism. Finally, an experimental prototype with an output power of 200 W and a working frequency of 47.5 kHz is established to verify the feasibility and effectiveness of the topology.
2. Topology of WPT System
The leakage inductance and excitation inductance of the wireless charging coil in practical applications are very high, which makes the whole coil strongly inductive. Therefore, the coil needs to absorb a large amount of reactive power before transmitting the active power to the load. The reactive current in the circuit is large, and the loss of the converter also increases. In order to avoid this situation, the compensation network model can be introduced to eliminate the reactance parameters in the circuit of the transmitting end and the receiving end and effectively offset the reactive power generated by the inductance coil, so as to improve the output power factor of the system, the transmission efficiency, and the load power. Therefore, this section mainly analyzes the topology of the wireless charging system.
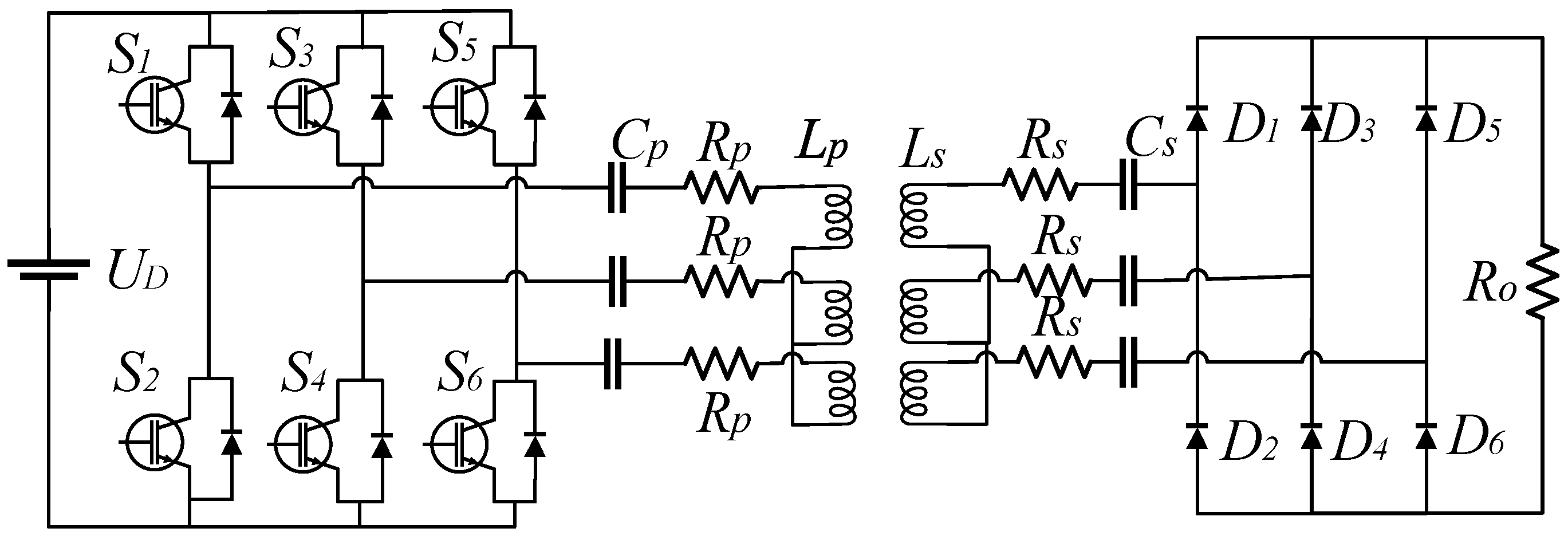
The most common compensation schemes for wireless coils typically consist of four types of topological compensation structures: S-S type, S-P type, P-S type, and P-P type, as shown in Figure 1. Notably, in transmission systems with only S-S type and S-P type topologies, RL will not be affected by the value of Cp, and the fluctuation of RL at the receiving end will not affect the resonant frequency of the transmitting end. Moreover, the S-S type topology can withstand greater power, and the structure is simple and easy to implement. Therefore, the S-S topology is selected in this paper. According to the proposed three-phase wireless power transfer system, the three-phase coil adopts the Y-Y connection method, and the topology shown in Figure 2 is built.
Figure 1.
Four resonant compensation circuit topologies: (a) S-S type; (b) S-P type; (c) P-S type; (d) P-P type.
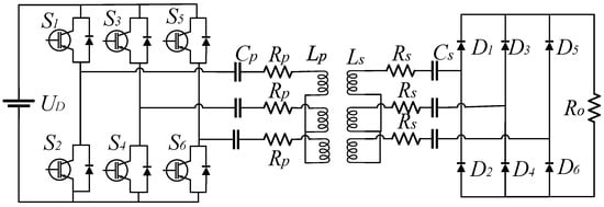
Figure 2.
Topology of three-phase wireless power transfer system.
The topology of the three-phase wireless power transfer system is mainly composed of a DC power supply, an inverter circuit, a three-phase coupling mechanism, and a load. The three-phase high-frequency inverter is composed of six MOSFETs (S1–S6), and the Udc is the DC input voltage source for its power supply. Lp and Ls are the self-inductance of the transmitting coil and the receiving coil, respectively, and Rp and Rs are the corresponding coil resistances, respectively. Cp is the transmitting side compensation capacitor in series with Lp, and Cs is the receiving side compensation capacitor in series with Ls. The full-bridge uncontrolled rectifier on the load side consists of six diodes (D1–D6). The three-phase coil adopts a Y-Y connection, and the capacitance value is
where L is the inductance of coils, .
Figure 3 is the equivalent model of the three-coil WPT system. In the three-coil wireless power transfer system, each coil has its own self-inductance, and they also interact with each other through the magnetic field to generate mutual inductance. According to Kirchhoff’s voltage law, the mutual inductance model of the three-phase wireless charging system shown in Formula (2) can be obtained, which shows the electromagnetic induction relationship amongst the three coils and the energy transmission mechanism between them. By utilizing this model, in-depth research can be conducted into the design, layout, and control of the coils in the wireless power transfer system, which enables the achievement of high-efficiency energy transmission.
where
. Because the receiving and transmitting coil structures are completely symmetrical, their self-inductance is also the same. In order to simplify the calculation formula, Lp and Ls represent the self-inductance of the transmitting coil and the receiving coil, respectively; Mx represents the mutual inductance of the receiving or transmitting coil; Mx1 represents the mutual inductance between the transmitting coil and the receiving coil; Rp and Rs represent the corresponding coil resistance, respectively; and Ix (x = a, b, c, A, B, C) represents the loop current of the transmitting side and the receiving side, respectively. It can be seen from the above model that the coil structure has a great influence on the mutual inductance.
Figure 3.
Topology of three-phase wireless power transfer system.
According to Formulas (2)–(4), the transmission efficiency of the coil is related to the mutual inductance. The mutual inductance coefficient of the coil is only related to the relative position and size of the mutual inductance winding. Therefore, we will focus on the relative position and structure size of the mutual inductance winding to design the three-phase coil.
3. Experiment and Analysis
3.1. COMSOL Simulation
At present, there are many types of coupling mechanisms in the wireless power transfer system. By analyzing the coil structure in the existing literature, it is concluded that the coupling coefficient and transmission effect of the three-coil structure are better. In order to verify the correctness and feasibility of the three-phase coil, we will perform COMSOL Multiphysics 5.6 simulation verification on the transmission effects of different coil structures.
Due to the magnetic effect of the current, the energized coil will generate a magnetic field in space. This phenomenon can be described by Maxwell’s equations, including the Ampere loop law and Faraday’s law of electromagnetic induction in Maxwell’s equations. The Ampere’s loop law describes the magnetic field generated by the current passing through the conductor, while Faraday’s law of electromagnetic induction shows that a change in the magnetic field will induce an electric field. These equations describe the interaction of electromagnetic fields, which are very important for understanding and simulating the magnetic field characteristics of energized coils.
where B is the magnetic induction intensity of any point in space; H is the magnetic field intensity; J is the current density; J = 0 in the air; J = I/A in the coil (I, A are the coil current and the cross-sectional area of the wire, respectively); E is the induced electromotive force; μ is the permeability of the material; and σ is the conductivity of the material.
The magnetic diffusion equation between coils can be derived from Maxwell’s equation:
According to the formula, and can obtain the magnetic density B diffusion equation:
The loss model is added to calculate the transmission efficiency. The main loss comes from the resistance heat expression of the coil.
When the magnetic diffusion equation is applied to the coupling coil, the three dimensions of x, y, and z can be calculated separately:
where σ is the conductivity of the material, Bx is the x-axis component of the magnetic flux density in the coil space, By is the y-axis component of the magnetic flux density, and Bz is the z-axis component of the magnetic flux density. The magnetic flux density of the space can be calculated by the above formula.
In order to simplify the finite element analysis, the Litz coil is simplified into a multi-strand lumped coil in the COMSOL simulation. This method can effectively simplify the details while retaining the main electromagnetic characteristics. This simplified method is particularly useful in the design of coupling mechanisms because it can reduce the computational cost while maintaining accuracy.
The specific parameters of the COMSOL simulation comparison are shown in Table 1. The distance D is the distance between the transmitting coil and the receiving coil. R is the coil diameter of the circular transmitting and receiving coils, or the side length of the square coil, and r is the wire radius. The specific process of COMSOL simulation is as follows:
- (1)
- In the new model wizard, select the three-dimensional space, and then, according to the required physical quantities, select the appropriate circuit field and magnetic field environment.
- (2)
- According to the elements of the wireless power transfer system, the geometric model is designed and built.
- (3)
- The material properties are set for the model. The coil is selected as copper, the shielding material is set as ferrite, and the gap is set as air.
- (4)
- The boundary conditions and initial values are set to add the excitation source to the system: the input boundary and loss calculation are added to the coil and the magnetic field properties of the shielding material are set.
- (5)
- The circuit is added to the physical field option, and then the power supply resistor and capacitor are added, and the peripheral circuit of the system is built by connecting the nodes according to the circuit topology shown in Figure 2.
- (6)
- The system model grid is divided, and the grid is automatically generated according to the physical field setting in the model. The unit size is selected as the conventional size, and the circuit and magnetic field are selected as the contribution items.
- (7)
- The appropriate solver for the calculation and the physical quantities to be measured are selected, and the results of the calculations are displayed.
Table 1.
Comparison of WPT coil structure and characteristics.
Table 1.
Comparison of WPT coil structure and characteristics.
| Coil Structure | Single Coil | DDQ Coil | Three-Phase Coil | Three-Phase Overlapping Coil |
|---|---|---|---|---|
| Coil structure | ![]() | ![]() | ![]() | ![]() |
| Wire diameter r | 2 mm | 2 mm | 2 mm | 2 mm |
| Outer diameter R | 150 mm | 150 mm | 150 mm | 150 mm |
| Number of turns n | 10 | 10 | 10 | 10 |
| Inductance L | 80 μH | 80 μH | 80 μH | 80 μH |
| Shielding structure | 400 × 400 mm2 | 400 × 400 mm2 | 400 × 400 mm2 | 400 × 400 mm2 |
| Coil distance D | 100 mm | 100 mm | 100 mm | 100 mm |
| Frequency f | 47.5 kHz | 47.5 kHz | 47.5 kHz | 47.5 kHz |
| Efficiency η | 93.67% | 94.89% | 95.12% | 96.49% |
The COMSOL simulation parameters are shown in Table 1.
In the above COMSOL simulation, the power is constant, and the loss of the coil has been considered when calculating the efficiency. The loss mainly comes from the resistance heat shown in Formula (9). And the results show that the multi-coil structure is more efficient than a single coil when transmitting the same power. In particular, the transmission effect of the three-phase coil ring placement is better than that of the Double-D Quadrature (DDQ) coil, and the transmission effect of the three-phase ring overlapping winding coil is obviously better than that of the single-layer winding coil structure.
At the same time, we also carried out a horizontal displacement COMSOL simulation on a single coil, a DDQ coil, and a three-phase overlapping coil. The relationship between coil efficiency is shown in Figure 4 when the coil transmission distance is 100 mm. When lateral offset occurs, the efficiency of a single coil decreases rapidly, while the efficiency of a DDQ coil and a three-phase coil decreases slowly. And the overall efficiency of the three-phase coil is greater than the overall efficiency of the DDQ line, and when deviating from a radius, the overall efficiency increases slightly. Therefore, an overlapping and symmetrical three-phase coil coupling mechanism is proposed in this paper, and its steady-state analysis is carried out.
Figure 4.
COMSOL simulation of the influence of horizontal misalignment on coil efficiency. (D = 100 mm).
The coils in this paper are arranged in a circular shape and are completely symmetrical. Compared to the existing three-coil system, the three-coil structure in this paper is closer. In addition, the mutual inductance of the coils is also completely symmetrical, which reduces the analyzing and calculating difficulty of the mutual inductance model. Finally, we obtain the optimal mutual inductance model by thoroughly studying the overlap angle and coil span of the three-phase, three-coil wireless charging system. The span of each phase coil in the model is 180 degrees, and the angle difference between the three phases is 120 degrees. The structural diagram is shown in Figure 5.
Figure 5.
Coupling mechanism model of three-phase WPT system.
This paper also compares the electric field and magnetic field distribution of single-phase and three-phase coils, and the COMSOL simulation parameters refer to the data in Table 1.
The COMSOL simulation results of the electric field mode comparison of the coil coupling model of the WPT system are shown in Figure 6, it can be clearly seen that the three-phase coil divides the current of the single coil into each bridge arm of the three-phase, and the effective value of the current flowing through is smaller than that of the single-phase coil. Because the voltage and current stress of the circuit are positively correlated with the current, the smaller the current, the smaller the voltage and current stress on the coil. Therefore, this three-coil design enables higher power charging requirements under the same current stress constraints. By evenly distributing the current to different phases, the current load on each phase can be reduced, thereby improving the stability and reliability of the system, reducing the loss of the system, prolonging the service life of the system, and providing a more reliable and efficient solution for high-power charging.
Figure 6.
Comparison of electric field COMSOL simulation results of WPT system coil coupling model.
In Figure 7, the COMSOL simulation results show the magnetic field mode and magnetic flux density streamline when the coupling mechanism is working under the excitation of a circuit current of 220 V and 47.5 kHz. The structure of the three-phase sector coil enables it to provide high-density winding in a smaller space. By comparison, it can be seen that under the same input excitation, the magnetic field of the three-phase coil is relatively stronger and the leakage flux is less. This characteristic enables the three-phase coil to generate a stronger magnetic field while providing a high-density winding, which is suitable for wireless power transfer applications. In addition, because the three-phase currents in the three-phase coil are staggered by 120 degrees, a rotating magnetic field can be generated. Compared with the traditional wireless power transfer method, the transmission of the rotating magnetic field does not require direct alignment between the transmitter and the receiver, which can improve the anti-offset performance of the system and realize energy transmission more flexibly. The transmission efficiency of the three-phase coil reaches 96.49%, while the efficiency of the single coil is only 93.67% under the same size and excitation conditions, and the power transmission efficiency is increased by 2.82%. The magnetic flux density effect of the working area between the three coils is more obvious, so this structure design helps to reduce the volume of the coil, improve the compactness and efficiency of the equipment, and improve the energy transmission efficiency of the system without increasing the original size.
Figure 7.
Comparison of magnetic field mode and magnetic flux density line of WPT system coupling model.
3.2. Simulink Simulation
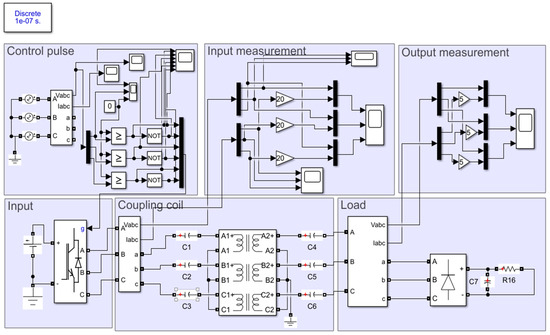
In order to verify the effect of the three-phase wireless power transfer system and adjust the parameters, a Simulink simulation model of the system is built in the Simulink environment. As shown in Figure 8 The model mainly includes a DC power supply, an inverter circuit, a three-phase coupling mechanism, and a load. The DC power supply is used to provide input power; the inverter circuit converts the DC power into a high-frequency square wave; the three-phase coupling mechanism is used to simulate the wireless power transfer; and the load simulates the electrical equipment at the receiving end. Through the Simulink simulation model, various parameters of the system can be adjusted and optimized to achieve the best wireless power transfer effect. Such a Simulink simulation environment is helpful to test and verify the system comprehensively before practical application, so as to improve the accuracy and reliability of the system design.
Figure 8.
Simulink simulation model.
The control pulse of the inverter module does not consider the pulse width modulation signal with a dead-time duty cycle of 50% and a frequency of 47.5 kHz. The modulation angle difference between the three phases is 120 degrees. Figure 9 illustrates the modulation pulse width signal of the three-phase inverter circuit. It can be seen that the modulation pulse width signals of the upper and lower arms of each phase are complementary, which means that when one arm is turned on, the other arm is turned off. It is to prevent equipment damage caused by a short circuit. Due to the existence of the discharge time of the switch tube, after one bridge arm is closed, it is necessary to wait for a certain time to ensure that it is fully discharged. Otherwise, when the other bridge arm is turned on, it may cause two bridge arms to be turned on at the same time, thus causing a short-circuit fault. In order to avoid this situation, we need to set a dead time so that after one bridge arm is closed, the other bridge arm is turned on after passing the dead time. This can ensure the full discharge of the switch tube and avoid the occurrence of a short-circuit fault. In this design, the dead time is set to 600 ns. This time is long enough to ensure that the switch tube is completely discharged, thus ensuring the safety and reliability of the system. At the same time, the setting of the dead time also needs to take into account the efficiency and response speed of the system. Therefore, it is necessary to shorten the dead time as much as possible under the premise of ensuring safety to improve the performance of the system.
Figure 9.
The inverter circuit controls the pulse width waveform.
In order to carry out the laboratory experiment as close as possible to the actual research situation, the electrical parameters and size of the Simulink simulation analysis are basically consistent with the laboratory experiment. For this reason, the parameters such as the value of the inductor coil and the value of the resonant capacitor used in the Simulink simulation are shown in Table 2.
Table 2.
WPT Simulink simulation parameters of matrix converter.
Figure 10 is the waveform of the output line voltage and current. Firstly, the voltage waveform is a square wave, and the duty cycle of the positive and negative waveforms is 1/3, which is consistent with the conduction time of the corresponding branch controlled by the control pulse. Secondly, because the coil is an inductance element in the circuit, there is a phase difference between the voltage and current. The current waveform of the circuit is sinusoidal, which indicates that the system can effectively convert the DC voltage into a stable AC current and maintain a certain voltage–current phase relationship. The three-phase input terminal works alternatively to ensure the stability and reliability of the system. In practical applications, this three-phase alternating working method can effectively balance the power load, reduce voltage fluctuations and current harmonics, and improve power quality.
Figure 10.
Three-phase transmitter input line voltage and current waveform.
Figure 11 is the Simulink simulation waveform of the voltage and current output by the receiving end with an output frequency of 47.5 kHz. It can be seen from the Simulink simulation that the three-phase bridge arm works alternately, the sine degree of the output current is high, and the time of one cycle is 21 μs. By scaling, it can be seen that the output phase voltage waveform is consistent with the principle analysis of control pulse width modulation. The above results show the feasibility and effectiveness of the adopted circuit topology and modulation strategy. In addition, it can also be observed that the phase of the output current is basically the same as the phase of the output voltage, which indicates that the power factor of the system is high. This is very important for wireless power transfer systems because a high-power factor can improve energy transmission efficiency and reduce energy loss.
Figure 11.
The output phase voltage and current waveform at the receiving end.
3.3. Laboratory Experiment
In order to verify the effectiveness of the proposed method and the simulation results, a laboratory experimental platform is constructed based on the proposed three-phase wireless power transfer system to verify the feasibility and performance of the system. The laboratory experimental platform is shown in Figure 12. The laboratory experimental platform consists of a power supply part, a control circuit, a transmitting part, and a receiving part. The power supply part includes a power module, DSP, and inverter circuit. The power module provides the required direct current, and DSP is used to control the inverter circuit to convert the direct current into three-phase alternating current. The IXFH160N15T2 switch tube is used in the inverter circuit. The transmitting part includes a transmitting coil and a resonant capacitor. The receiving part includes a receiving coil, a resonant capacitor, a rectifier circuit, and a load. The inductance of the primary side coil and the secondary side coil is 31 μH, the compensation capacitance of the primary side and the secondary side is 0.36 μF, the secondary side load uses a resistance box, and the resistance is set to 2 Ω. The detailed parameters of the system are shown in Table 3.
Figure 12.
Laboratory experimental platform.
Table 3.
Laboratory experimental parameters.
Figure 13 shows the experimental waveform of line voltage and phase current under power transmission of 200 W. From the resulting diagram, it can be seen that the output voltage has positive and negative symmetry, with some jagged ripples. These fluctuations can be further reduced by adjusting the circuit parameters and resonant frequency. However, the overall control effect is relatively stable. The control signal of the switch tube is the same as the control strategy, which indicates that the inverter circuit can effectively generate symmetrical AC voltage output. The output current is sinusoidal, which indicates that the system can effectively convert DC energy into AC energy and transmit it to the receiving end through the electromagnetic coupling coil. The phase relationship between voltage and current is consistent, which indicates that the power transmission is effective, and the phase relationship between voltage and current is in line with theoretical expectations. In addition, the experimental results show that the sinusoidal symmetry of the output current is good, the output voltage is stable, and the smooth waveform also shows that the power transmission efficiency of the system is high and the energy loss is small, which further proves the good performance of the system. By comparing the experimental results with the Simulink simulation results in Figure 10, it can be found that they are basically the same, which further verifies the effectiveness and reliability of the system in power transmission. We measured the DC input power of 200 W and calculated the output power to be about 166.05 W. However, by measuring the control part of the circuit, there is a loss of 20 W: the switching frequency of the control system is 47.5 kHz, the switching time is 50 ns, and the dead time is 600 ns. The higher switching frequency may lead to more switching losses, and the dead time also affects the efficiency of the power converter. The total loss of this part is 15 W, plus the loss of the control circuit, on-resistance, and driving circuit is 20 W, so the AC-AC efficiency of the three-phase system reaches 92.25%.
Figure 13.
Inverter output voltage and current waveform in low-power experiment.
4. Conclusions
In this paper, a three-phase overlapping winding wireless power transfer system suitable for three-phase power supply is proposed. The magnetic field of the proposed coupling mechanism is analyzed in detail by finite element analysis software. The results show that the three-phase overlapping coupling mechanism has a higher transmission efficiency than the single coil. Experiments show that the three-phase over-lapping structure can minimize the leakage flux and increase the coupling coefficient, so that the upper limit of the three-phase coil alternating transmission power is higher, which is conducive to improving the cost, power density, and operational stability of the system. In addition, the circuit topology is verified on the MATLAB 2018b/Simulink platform, and the experimental platform is built. The experimental results are consistent with the simulation, which proves the effectiveness and feasibility of the system control.
Author Contributions
Conceptualization, X.Z. and J.G.; methodology, X.Z.; software, J.G.; validation, X.Z., J.G. and X.W.; formal analysis, X.W.; investigation, L.W.; data curation, X.Z.; writing—original draft preparation, J.G.; writing—review and editing, X.Z.; visualization, P.G.; supervision, X.Z. and L.W.; project administration, P.G.; funding acquisition, X.Z. All authors have read and agreed to the published version of the manuscript.
Funding
This research was funded by the National Natural Science Foundation of China under Grant 52077153 and the Tianjin Natural Science Foundation under Grant 20JCYBJC00190.
Institutional Review Board Statement
Not applicable.
Informed Consent Statement
Not applicable.
Data Availability Statement
Data are contained within the article.
Conflicts of Interest
The authors declare no conflicts of interest.
References
- Zhen, Z.; Hong, P.; Apostolos, G.; Carlo, C. Wireless power transfer—An overview. IEEE Trans. Ind. Electron. 2019, 2, 1044–1058. [Google Scholar]
- Sun, Y.; Ma, H.; Zhao, L. Editorial for the Special Issue on Wireless Power Transfer Technology and Its Applications. Power Supply 2023, 21, 1–6. [Google Scholar]
- Bo, Z.; Nai-Chung, K.; Ali, M.N.; Borivoje, N. A Line-Array Technique for Wireless Power Transfer toward a 100 μm × 100 μm Coil Antenna. IEEE Trans. Microw. Theory Tech. 2020, 68, 353–364. [Google Scholar]
- Yao, J.; Mirbozorgi, S.A.; Peng, Z.; Omer, T.I.; Wen, L.; Maysam, G. A Dual-Band Wireless Power Transmission System for Evaluating mm-Sized Implants. IEEE Trans. Biomed. Circuits Syst. 2019, 13, 595–607. [Google Scholar]
- Jian, Z.; Xin, Y.; Chuang, W. Comparative Analysis of Two-Coil and Three-Coil Structures for Wireless Power Transfer. IEEE Trans. Power Electron. 2017, 32, 341–352. [Google Scholar]
- Zhang, B.; Chen, Q.; Zhang, L.; Chen, J.; Xu, L.; Ren, X.; Zhang, Z. Triple-coil-structure-based coil positioning system for wireless EV charger. IEEE Trans. Power Electron. 2021, 36, 13515–13525. [Google Scholar] [CrossRef]
- Jin, J.; Xiao, Y. Research Tends of Magnetic Coupling Resonant Wireless Power Transfer Characteristics. J. Electr. Technol. 2020, 35, 4217–4231. [Google Scholar]
- Chen, Y.; Chen, K.; Zheng, S.; Ye, J.; Li, Y.; Zheng, Z. Analytical modeling method for inductance of planar magnetic coupling mechanism for wireless power transmission. Chin. J. Electr. Eng. 2023, 43, 1504–1517. [Google Scholar]
- Li, Y.; Zhao, J.; Yang, Q.; Liu, L.; Ma, J.; Zhang, X. A Novel Coil with High Misalignment Tolerance for Wireless Power Transfer. IEEE Trans. Magn. 2019, 55, 1–4. [Google Scholar] [CrossRef]
- Lee, J.; Nurmikko, A.V. Multi-coil High Efficiency Wireless Charger System for Hermetically Sealed Biomedical Implants. In Proceedings of the 2018 IEEE Biomedical Circuits and Systems Conference, Cleveland, OH, USA, 17–19 October 2018; pp. 1–4. [Google Scholar]
- Iruretagoyena, U.; Garcia-Bediaga, A.; Mir, L.; Camblong, H.; Villar, I. Bifurcation Limits and Non-Idealities Effects in a Three-Phase Dynamic IPT System. IEEE Trans. Power Electron. 2020, 35, 208–219. [Google Scholar] [CrossRef]
- Liu, J.; Wong, C.S.; Li, Z.; Jiang, X.; Loo, K.H. An Integrated Three-Phase AC-DC Wireless-Power-Transfer Converter With Active Power Factor Correction Using Three Transmitter Coils. IEEE Trans. Power Electron. 2023, 38, 7821–7835. [Google Scholar] [CrossRef]
- Cui, S.; Wang, Z.; Han, S.; Zhu, C.; Chan, C.C. Analysis and Design of Multiphase Receiver With Reduction of Output Fluctuation for EV Dynamic Wireless Charging System. IEEE Trans. Power Electron. 2019, 34, 4112–4124. [Google Scholar] [CrossRef]
- Mi, C.C.; Buja, G.; Choi, S.Y.; Rim, C.T. Modern Advances in Wireless Power Transfer Systems for Roadway Powered Electric Vehicles. IEEE Trans. Ind. Electron. 2016, 63, 6533–6545. [Google Scholar] [CrossRef]
- Pries, J.; Galigekere VP, N.; Onar, O.C.; Su, G.J. A 50-kW Three-Phase Wireless Power Transfer System Using Bipolar Windings and Series Resonant Networks for Rotating Magnetic Fields. IEEE Trans. Power Electron. 2020, 35, 4500–4517. [Google Scholar] [CrossRef]
- Mellincovsky, M.; Yuhimenko, V.; Peretz, M. Low-Frequency DC-Link Ripple Elimination in Power Converters with Reduced Capacitance by Mult resonant Direct Voltage Regulation. IEEE Trans. Ind. Electron. 2017, 64, 2015–2023. [Google Scholar] [CrossRef]
- Chowdhury, S.; Tarek MT, B.; Haque, M.E.; Sozer, Y. A Three-Phase Overlapping Winding–Based Wireless Charging System for Transportation Applications. IEEE Trans. Power Electron. 2023, 38, 16245–16255. [Google Scholar] [CrossRef]
Disclaimer/Publisher’s Note: The statements, opinions and data contained in all publications are solely those of the individual author(s) and contributor(s) and not of MDPI and/or the editor(s). MDPI and/or the editor(s) disclaim responsibility for any injury to people or property resulting from any ideas, methods, instructions or products referred to in the content. |
© 2024 by the authors. Licensee MDPI, Basel, Switzerland. This article is an open access article distributed under the terms and conditions of the Creative Commons Attribution (CC BY) license (https://creativecommons.org/licenses/by/4.0/).



