Energy Management Strategy for DC Micro-Grid System with the Important Penetration of Renewable Energy
Abstract
1. Introduction
2. Concept of Micro-Grid Systems
2.1. Distributed Generation Sources
- (A)
- Solar Power: Solar power can produce power through two different forms, which include solar thermal generation and photovoltaic conversion. The first method, which is the solar thermal process, is a process of converting solar power into heat, and that heat runs a steam turbine which produces power, and photovoltaic conversion converts sunlight into electricity using photoelectric phenomena [21]. A solar cell is a basic component of a PV system. Solar cells can be grouped in series and parallel to constitute modules, which are also connected in series to form strings, and the strings are finally connected in parallel to form arrays. Different from the photovoltaic system, solar thermal generation utilizes solar collectors to collect heat, and the most widely used include parabolic, concentrated solar collectors, etc. [22].
- (B)
- Wind Power: The wind turbine operating mode is focused on two methods. Firstly, the kinetic energy of the moving air is converted into mechanical energy. This conversion is obtained by using aerodynamic rotor blades and a mechanical power controller. Secondly, the electromechanical energy is converted into electric power via a generator [23]. According to the wind turbine topology, they can be classified into two categories (horizontal axis and vertical axis); however, the most used topology is the horizontal axis wind turbine [24,25]. Various generator topologies are utilized to convert the electro-mechanical energy into electricity.
- (C)
- Geothermal Power: A geothermal power system converts the energy contained in the hot rock into electricity by injecting water into the rock to absorb heat from the rock and transport that heat to the surface of the Earth, where it can be converted into electrical power through a turbine generator. High-temperature water (>240 °C) is vaporized into steam, and that heat is transferred to a low-pressure steam turbine, which converts the steam into mechanical energy [26]. Usually, exploitable geothermal reservoirs are mostly located close to young volcanic rock areas [27].
- (D)
- Hydropower: Hydropower is a process that produces electricity from water flowing in the river or the oceans. The purpose of hydropower production is to generate clean energy [28]. A hydropower plant is generally composed of a generator, a turbine, a penstock, and a wicket gate. Mainly, two types of turbines are utilized, which include a pulse turbine (a Pelton Wheel turbine) and a reaction turbine like Francis and Kaplan turbines. Generally, the generator and turbine are directly linked to the same vertical shaft [29].
- (E)
- Biomass Power: A biomass power system utilizes biomass to produce biogas, which is utilized as fuel for a biomass generator [30]. The utilized biomass includes both energy crops and wastes, such as forest residues and a range of other agricultural and industrial compounds. Actually, the use of biomass is a fundamental part of global renewable energy and contributes to an ever-increasing share of global electricity capacity [31].
- (F)
- Micro-Turbines: Micro-turbines are energy generators, which have a range of capacity between 15 and 500 kW. They operate under the open cycle gas turbine principle, and they have shown many different characteristics and operate easily and at high speed. Some of their benefits include having variable speeds, being easy to install, having compact sizes, being low maintenance, having air bearings, having low NOx emissions, and being mostly recuperators [32]. Micro-turbine generators have demonstrated strong improvements in distributed small-scale power production. However, the results have shown that these generators are not able to supply power during peak periods, but they may meet peak demand and improve the power generation reliability, as they can provide standby capabilities when the power grid fails [33].
- (G)
- Diesel Generators: A diesel generator (also known as a genset) is composed of an internal combustion engine and a synchronous generator connected to the same shaft. Diesel generators are generally utilized as backup or emergency power systems in commercial and industrial installations. They are also widely utilized in new areas where connection to the distribution grid is unfeasible or expensive to perform [34]. Their principal disadvantage is the negative impact that they can have on the environment due to their high NOx.
2.2. Power Electronics Converter Control
2.2.1. Primary Controller
2.2.2. Secondary Controller
2.2.3. Tertiary Controller
2.3. Description of the Developed System
3. Mathematical Modeling of the System Components
3.1. Photovoltaic Module Modelling
3.2. Modeling of Wind Power
- is the base wind velocity;
- is the gust wind velocity;
- is the ramp wind component.
3.3. Modeling of the Battery
4. Developed Management System
- ✓
- Firstly, when the power generation is equal to the load demands, in this case, the loads are supplied by the power generation from PV and wind without any disruption.
- ✓
- Secondly, when the power generation exceeds the load demands, in this case, the power generation is more than the demand of the loads; thus, the loads are supplied by the power generation and the surplus of the production is used to charge the battery. When the battery is fully charged, the remaining excess of production is located to an auxiliary load.
- ✓
- When the power generation becomes less than the demand of the loads, then the loads are supplied with the help of the battery bank. The battery is discharged until its reaches its minimum value.
- ✓
- When the , the battery is disconnected from the system, and at this time, the priority load, which is the industrial load, is supplied by the power generation from the renewable energy sources. If the power production exceeds the industrial load, in this case, the excess of the production is used to charge the battery. When the power production falls below the priority load, then the power generated from the renewable energy sources is used to charge the battery. The system will permanently verify the power generation and the battery SOC until the power generation meets the loads or the battery becomes able to handle the loads.
5. Simulation Results and Discussion of the Developed Model
6. Conclusions
Author Contributions
Funding
Institutional Review Board Statement
Informed Consent Statement
Data Availability Statement
Acknowledgments
Conflicts of Interest
Nomenclature
| Solar irradiance described through a current source (Ampere) | |
| Diode current (Ampere) | |
| PV output current (Ampere) | |
| Series resistance (Ω) | |
| Parallel resistance (Ω) | |
| PV output voltage (Volt) | |
| and | Number of cells connected in parallel and series |
| Boltzmann’s coefficient (1.380658 × 10−23 J/K) | |
| Ideal diode factor between 1 and 5 | |
| Reverse saturation current of cell at T (Ampere) | |
| Reverse saturation current at (Ampere) | |
| Short-circuit current at a reference temperature of the cell (Ampere) | |
| Coefficient of the short-circuit temperature ( | |
| T | Absolute temperature of the junction (K) |
| Cell temperature (K) | |
| Reference temperature (K) | |
| PV output power (Watt-peak) | |
| PV production efficiency | |
| Radiation of solar (kWh/) | |
| A | Area () |
| Base wind velocity (m/s) | |
| Gust wind velocity (m/s) | |
| Ramp wind component (m/s) | |
| Wind speed (m/s) | |
| Wind turbine output power (Watt) | |
| Energy drawn by the wind turbine (Joule) | |
| Air density () | |
| Maximum wind turbine output power (Watt) | |
| Pitch angle of the blade (deg, ) | |
| Tip speed ratio of the turbine | |
| Power coefficient | |
| Maximum wind turbine produced power (Watt) | |
| Maximum wind turbine produced voltage (Volt) | |
| Maximum wind turbine produced current (Ampere) | |
| Open circuit voltage of the battery (Volt) | |
| Polarization coefficient | |
| Battery capacity (Ah) | |
| q | Charge of an electron equal to |
| Battery internal resistance (Ω) | |
| Generated power from the renewable energy resources (Watt) | |
| Power produced by PV (Watt-peak) | |
| Power produced by wind (Watt) | |
| SOC | State of charge (%) |
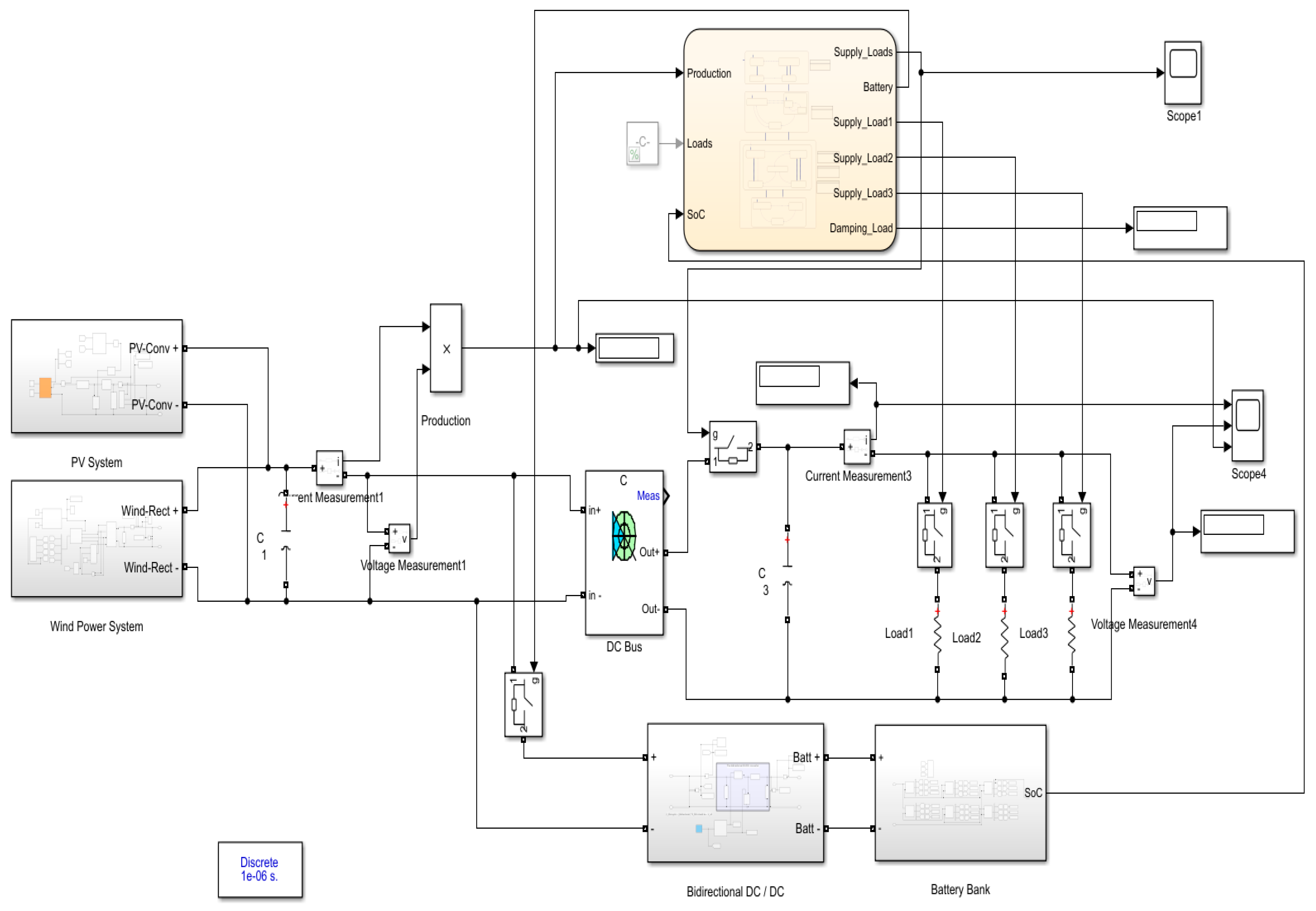
Appendix A. Block Diagram of the Developed EMS for DC Micro-Grid System Model

References
- Lu, X.; Sun, K.; Guerrero, J.M.; Vasquez, J.C.; Huang, L.; Teodorescu, R. SoC-based droop method for distributed energy Storage in DC microgrid applications. In Proceedings of the IEEE International Symposium on Industrial Electronics, Hangzhou, China, 28–31 May 2012; pp. 1640–1645. [Google Scholar] [CrossRef]
- Lasseter, R.H.; Paigi, P. Microgrid: A conceptual solution. In Proceedings of the IEEE 35th Annual Power Electronics Specialists Conference, Aachen, Germany, 20–25 June 2004; Volume 6, pp. 4285–4290. [Google Scholar] [CrossRef]
- Topić, D.; Knežević, G.; Perko, J.; Kosić, D. Simplified model for optimal sizing of the off-grid PV system regarding value of loss of load probability. Teh. Vjesn. 2018, 25, 420–426. [Google Scholar] [CrossRef]
- Takele, H. Distributed generation adverse impact on the distribution networks protection and its mitigation. Heliyon 2022, 8, e09624. [Google Scholar] [CrossRef]
- Maor, T.T.; El-Kishky, H. Impacts of Power System-Tied Distributed Generation on the Performance of Protection Systems; University of Texas at Tyler: Tyler, TX, USA, 2017; Available online: https://scholarworks.uttyler.edu/ee_grad (accessed on 1 December 2017).
- Morstyn, T.; Hredzak, B.; Agelidis, V.G. Control Strategies for Microgrids with Distributed Energy Storage Systems: An Overview. IEEE Trans. Smart Grid 2018, 9, 3652–3666. [Google Scholar] [CrossRef]
- Faisal, M.; Hannan, M.A.; Ker, P.J.; Hussain, A.; Mansor, M.B.; Blaabjerg, F. Review of energy storage system technologies in microgrid applications: Issues and challenges. IEEE Access 2018, 6, 35143–35164. [Google Scholar] [CrossRef]
- Nadeem, F.; Hussain SM, S.; Tiwari, P.K.; Goswami, A.K.; Ustun, T.S. Comparative review of energy storage systems, their roles, and impacts on future power systems. IEEE Access 2019, 7, 4555–4585. [Google Scholar] [CrossRef]
- Wang, C.; Yu, Y.; Niu, J.; Liu, Y.; Bridges, D.; Liu, X.; Pooran, J.; Zhang, Y.; Hu, A. Recent Progress of Metal–Air Batteries—A Mini Review. Appl. Sci. 2019, 9, 2787. [Google Scholar] [CrossRef]
- Agrawal, M.; Mittal, A. Micro Grid Technological Activities across the Globe: A review. Int. J. Res. Rev. Appl. Sci. 2011, 7, 147–152. Available online: http://www.arpapress.com/Volumes/Vol7Issue2/IJRRAS_7_2_07.pdf (accessed on 1 January 2011).
- Lotfi, H.; Khodaei, A. AC versus DC microgrid planning. IEEE Trans. Smart Grid 2017, 8, 296–304. [Google Scholar] [CrossRef]
- Wu, X.; Shi, S.; Wang, Z. Micro-grid planning considering the supply adequacy of critical loads under the uncertain formation of sub-micro-grids. Sustainability 2019, 11, 4683. [Google Scholar] [CrossRef]
- Hirsch, A.; Parag, Y.; Guerrero, J. Microgrids: A review of technologies, key drivers, and outstanding issues. Renew. Sustain. Energy Rev. 2018, 90, 402–411. [Google Scholar] [CrossRef]
- Beykverdi, M.; Jalilvand, A.; Ehsan, M. Intelligent Power Management of Islanded DC Microgrid based on Droop Fuzzy Control. Am. J. Sci. 2017, 1, 1–11. [Google Scholar]
- Yadav, A.K.; Ray, A.; Lokhande, M.M. Low-voltage DC microgrid network: A case study for Standalone system. Int. J. Renew. Energy Res. 2017, 7, 1186–1194. [Google Scholar]
- Lago, J.; Heldwein, M.L. Operation and control-oriented modeling of a power converter for current balancing and stability improvement of DC active distribution networks. IEEE Trans. Power Electron. 2011, 26, 877–885. [Google Scholar] [CrossRef]
- Kishore, P.M.; Ravikumar, B. Refined Hybrid Microgrid Architecture for the Improvement of Voltage Profile. Energy Procedia 2016, 90, 645–654. [Google Scholar] [CrossRef][Green Version]
- Vegunta, S.C.; Higginson, M.J.; Kenarangui, Y.E.; Li, G.T.; Zabel, D.W.; Tasdighi, M.; Shadman, A. AC microgrid protection system design challenges—A practical experience. Energies 2021, 14, 2016. [Google Scholar] [CrossRef]
- Ustun, T.S.; Ozansoy, C.; Zayegh, A. Recent developments in microgrids and example cases around the world—A review. Renew. Sustain. Energy Rev. 2011, 15, 4030–4041. [Google Scholar] [CrossRef]
- Muthuvel, P.; Arul Daniel, S.; Paul, S.K. Sizing of PV array in a DC nano-grid for isolated households after alteration in time of consumption. Eng. Sci. Technol. Int. J. 2017, 20, 1632–1641. [Google Scholar] [CrossRef]
- Maghami, M.R.; Hizam, H.; Gomes, C.; Radzi, M.A.; Rezadad, M.I.; Hajighorbani, S. Power loss due to soiling on solar panel: A review. Renew. Sustain. Energy Rev. 2016, 59, 1307–1316. [Google Scholar] [CrossRef]
- Wang, R. Research on Solar Power Generation Technology of Power Plant. In Proceedings of the Conference of Russian Young Researchers in Electrical and Electronic Engineering, ElConRus, Saint Petersburg, Russia, 25–28 January 2022; Volume 2022, pp. 1295–1301. [Google Scholar] [CrossRef]
- Das, S.; Mazumder, D.; Mia, N.; Rahman, S. A review on power generation from wind power created by fast moving train perspective Bangladesh. In Proceedings of the IEEE International Conference on Technology, Engineering, Management for Societal Impact Using Marketing, Entrepreneurship and Talent, TEMSMET, Bengaluru, India, 10 December 2020. [Google Scholar] [CrossRef]
- Camm, E.H.; Behnke, M.R.; Bolado, O.; Bollen, M.; Bradt, M.; Brooks, C.; Dilling, W.; Edds, M.; Hejdak, W.J.; Haouseman, D.; et al. Characteristics of wind turbine generators for wind power plants. In Proceedings of the IEEE Power and Energy Society General Meeting, PES ’09, Calgary, AB, Canada, 26–30 July 2009; pp. 1–5. [Google Scholar] [CrossRef]
- Sharif, Y.A.; Rahman, M.; Soloiu, V.; Kiernan, M.; Grall, D.; Hossain, M.S. Wind Power Generation from Multiple Array Configuration and Efficient Power Integration to Grid. In Proceedings of the North American Power Symposium, NAPS, College Station, TX, USA, 14–16 November 2021. [Google Scholar] [CrossRef]
- Schastlivtsev, A.I.; Borzenko, V.I.; Dunikov, D.O. Improvement of efficiency of geothermal power plants by using hydrogen combustion technologies. In Proceedings of the International Science and Technology Conference “EastConf”, EastConf, Vladivostok, Russia, 1–2 March 2019; pp. 1–6. [Google Scholar] [CrossRef]
- Jolie, E.; Scott, S.; Faulds, J.; Chambefort, I.; Axelsson, G.; Gutiérrez-Negrín, L.C.; Zemedkun, M.T. Geological controls on geothermal resources for power generation. Nat. Rev. Earth Environ. 2021, 2, 324–339. [Google Scholar] [CrossRef]
- Ahlfors, C.; Amelin, M. Weekly planning of hydropower in systems with large volumes and varying power generation: A literature review. In Proceedings of the IEEE Madrid PowerTech, PowerTech 2021—Conference Proceedings, Madrid, Spain, 28 June–2 July 2021. [Google Scholar] [CrossRef]
- Sysoev, A.A.; Lazareva, N.V.; Proskurina, A.A. Modeling complex hydropower systems for research and training. In Proceedings of the International Conference on Industrial Engineering, Applications and Manufacturing, ICIEAM 2021, Sochi, Russia, 17–21 May 2021; pp. 152–157. [Google Scholar] [CrossRef]
- Ali, G.; El-Hawary, M. Generating Heat and Power from Biomass—An Overview. In Proceedings of the IEEE Canadian Conference of Electrical and Computer Engineering, (CCECE), Edmonton, AB, Canada, 5–8 May 2019; pp. 8–13. [Google Scholar] [CrossRef]
- Tumiran; Na’iem, M.; Sarjiya; Putranto, L.M.; Listyanto, T.; Priyanto, A.; Muthahhari, A.A.; Budi, R.F.S. Potential of Biomass as RE Source for Sustainable Electricity Supply in Eastern Indonesia. In Proceedings of the 3rd International Conference on High Voltage Engineering and Power Systems, ICHVEPS, Bandung, Indonesia, 5–6 October 2021; pp. 22–27. [Google Scholar] [CrossRef]
- Aslanidou, I.; Rahman, M.; Zaccaria, V.; Kyprianidis, K.G. Micro Gas Turbines in the Future Smart Energy System: Fleet Monitoring, Diagnostics, and System Level Requirements. Front. Mech. Eng. 2021, 7, 676853. [Google Scholar] [CrossRef]
- Asgharian, P.; Noroozian, R. Modeling and simulation of microturbine generation system for simultaneous grid connected/islanding operation. In Proceedings of the 24th Iranian Conference on Electrical Engineering, ICEE, Shiraz, Iran, 10–12 May 2016; pp. 1528–1533. [Google Scholar] [CrossRef]
- Premadasa, P.N.D.; Silva, C.M.M.R.S.; Chandima, D.P. An optimal configuration of diesel generator and battery storage system for off-grid residential applications. In Proceedings of the IEEE Electrical Power and Energy Conference, EPEC, Toronto, ON, Canada, 22–31 October 2021; pp. 486–491. [Google Scholar] [CrossRef]
- Bidram, A.; Davoudi, A. Hierarchical structure of microgrids control system. IEEE Trans. Smart Grid 2012, 3, 1963–1976. [Google Scholar] [CrossRef]
- Beerten, J.; Belmans, R. Analysis of power sharing and voltage deviations in droop-controlled DC grids. IEEE Trans. Power Syst. 2013, 28, 4588–4597. [Google Scholar] [CrossRef]
- Dragicevic, T.; Guerrero, J.M.; Vasquez, J.C.; Skrlec, D. Supervisory control of an adaptive-droop regulated DC microgrid with battery management capability. IEEE Trans. Power Electron. 2014, 29, 695–706. [Google Scholar] [CrossRef]
- Abhishek, A.; Ranjan, A.; Devassy, S.; Kumar Verma, B.; Ram, S.K.; Dhakar, A.K. Review of hierarchical control strategies for DC microgrid. IET Renew. Power Gener. 2020, 14, 1631–1640. [Google Scholar] [CrossRef]
- Mandelli, S.; Barbieri, J.; Mereu, R.; Colombo, E. Off-grid systems for rural electrification in developing countries: Definitions, classification and a comprehensive literature review. Renew. Sustain. Energy Rev. 2016, 58, 1621–1646. [Google Scholar] [CrossRef]
- Azzollini, I.A.; Felice VDi Fraboni, F.; Cavallucci, L.; Breschi, M.; Rosa, A.D.; Zini, G. Lead-acid battery modeling over full state of charge and discharge range. IEEE Trans. Power Syst. 2018, 33, 6422–6429. [Google Scholar] [CrossRef]
- Gunasekaran, M.; Ismail, H.M.; Chokkalingam, B.; Mihet-Popa, L.; Padmanaban, S. Energy management strategy for rural communities’ DC micro grid power system structure with maximum penetration of renewable energy sources. Appl. Sci. 2018, 8, 585. [Google Scholar] [CrossRef]
- Bhayo, M.A.; Yatim AH, M.; Khokhar, S.; Aziz MJ, A.; Idris, N.R.N. Modeling of Wind Turbine Simulator for analysis of the wind energy conversion system using MATLAB/Simulink. In Proceedings of the IEEE Conference on Energy Conversion, CENCON, Johor Bahru, Malaysia, 19–20 October 2015; pp. 122–127. [Google Scholar] [CrossRef]
- Yu, S.Y.; Kim, H.J.; Kim, J.H.; Han, B.M. SoC-based output voltage control for BESS with a lithium-ion battery in a stand-alone DC microgrid. Energies 2016, 9, 924. [Google Scholar] [CrossRef]
- Camacho, O.M.F.; Mihet-Popa, L. Tests de recharge rapide et intelligente de batteries pour voitures électriques utilisant des énergies renouvelables. Oil Gas Sci. Technol. 2016, 71, 13. [Google Scholar] [CrossRef]
- Zhou, N.; Liu, N.; Zhang, J.; Lei, J. Multi-objective optimal sizing for battery storage of PV-based microgrid with demand response. Energies 2016, 9, 591. [Google Scholar] [CrossRef]
- Ndeke, C.; Marco, A. Energy Management of a Battery Energy Storage System for Renewable Energy DC Microgrid. Master’s Thesis, Cape Peninsula University of Technology, Cape Town, South Africa, 2021. [Google Scholar]





















| Unit | Specification |
|---|---|
| Photovoltaic | 150 kW, 380 V |
| Wind power | 150 kW, 380 V |
| Battery | 900 Ah, 380 V |
| DC bus voltage | 380 V |
| DC-DC converter | 380 V |
| Load demands | 280 kW |
| Operation | Descriptions | Actions |
|---|---|---|
| 1 | Loads connected | A1: Loads = ON; |
| 2 | Load connected and battery charging | A2: Loads and battery = ON; |
| 3 | Battery charging | A3: Battery = ON; |
| 4 | Auxiliary load connected | A4: Damp load = ON; battery = OFF; loads = ON; |
| 5 | Battery connected | A5: Battery = ON; Damp load = OFF; |
| 6 | Battery discharging | A6: Battery = ON; |
| 7 | Battery disconnected | A7: Battery = OFF; |
| 8 | and connected | A8: and = ON; = OFF; battery = ON; |
| 9 | and battery connected | A9: and = OFF; = ON; battery = ON; |
| 10 | and battery connected | A10: and = OFF; = ON; battery = ON; |
| 11 | Loads disconnected and battery connected | A11: Load = OFF; battery = ON; |
Disclaimer/Publisher’s Note: The statements, opinions and data contained in all publications are solely those of the individual author(s) and contributor(s) and not of MDPI and/or the editor(s). MDPI and/or the editor(s) disclaim responsibility for any injury to people or property resulting from any ideas, methods, instructions or products referred to in the content. |
© 2024 by the authors. Licensee MDPI, Basel, Switzerland. This article is an open access article distributed under the terms and conditions of the Creative Commons Attribution (CC BY) license (https://creativecommons.org/licenses/by/4.0/).
Share and Cite
Ndeke, C.B.; Adonis, M.; Almaktoof, A. Energy Management Strategy for DC Micro-Grid System with the Important Penetration of Renewable Energy. Appl. Sci. 2024, 14, 2659. https://doi.org/10.3390/app14062659
Ndeke CB, Adonis M, Almaktoof A. Energy Management Strategy for DC Micro-Grid System with the Important Penetration of Renewable Energy. Applied Sciences. 2024; 14(6):2659. https://doi.org/10.3390/app14062659
Chicago/Turabian StyleNdeke, Christian Bipongo, Marco Adonis, and Ali Almaktoof. 2024. "Energy Management Strategy for DC Micro-Grid System with the Important Penetration of Renewable Energy" Applied Sciences 14, no. 6: 2659. https://doi.org/10.3390/app14062659
APA StyleNdeke, C. B., Adonis, M., & Almaktoof, A. (2024). Energy Management Strategy for DC Micro-Grid System with the Important Penetration of Renewable Energy. Applied Sciences, 14(6), 2659. https://doi.org/10.3390/app14062659

