Verification of a Simplified Design Method for Timber–Concrete Composite Structures with Metal Web Timber Joists
Abstract
1. Introduction
2. Materials and Methods
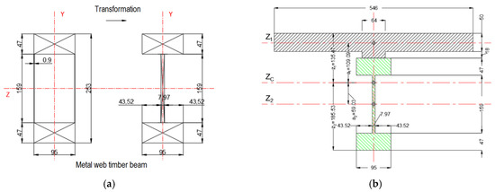
2.1. Design Method for Timber–Concrete Composite Structure with Metal Web Timber Joists
2.2. Laboratory Experiment
2.3. FE Modelling
3. Results and Discussions
4. Conclusions
Author Contributions
Funding

Institutional Review Board Statement
Informed Consent Statement
Data Availability Statement
Conflicts of Interest
References
- Liu, T.; Chen, L.; Yang, M.; Sandanayake, M.; Miao, P.; Shi, Y.; Yap, P.-S. Sustainability Considerations of Green Buildings: A Detailed Overview on Current Advancements and Future Considerations. Sustainability 2022, 14, 14393. [Google Scholar] [CrossRef]
- Basterra, L.-A.; Baño, V.; López, G.; Cabrera, G.; Vallelado-Cordobés, P. Identification and Trend Analysis of Multistorey Timber Buildings in the SUDOE Region. Buildings 2023, 13, 1501. [Google Scholar] [CrossRef]
- Kiviste, M.; Musakka, S.; Ruus, A.; Vinha, J. A Review of Non-Residential Building Renovation and Improvement of Energy Efficiency: Office Buildings in Finland, Sweden, Norway, Denmark, and Germany. Energies 2023, 16, 4220. [Google Scholar] [CrossRef]
- Sizirici, B.; Fseha, Y.; Cho, C.-S.; Yildiz, I.; Byon, Y.-J. A Review of Carbon Footprint Reduction in Construction Industry, from Design to Operation. Materials 2021, 14, 6094. [Google Scholar] [CrossRef]
- Chen, L.; Huang, L.; Hua, J.; Chen, Z.; Wei, L.; Osman, A.I.; Fawzy, S.; Rooney, D.W.; Dong, L.; Yap, P.-S. Green Construction for Low-Carbon Cities: A Review. Environ. Chem. Lett. 2023, 21, 1627–1657. [Google Scholar] [CrossRef]
- Bazli, M.; Heitzmann, M.; Ashrafi, H. Long-Span Timber Flooring Systems: A Systematic Review from Structural Performance and Design Considerations to Constructability and Sustainability Aspects. J. Build. Eng. 2022, 48, 103981. [Google Scholar] [CrossRef]
- Kremer, P.; Symmons, M. Mass Timber Construction as an Alternative to Concrete and Steel in the Australia Building Industry: A PESTEL Evaluation of the Potential. Int. Wood Prod. J. 2015, 6, 138–147. [Google Scholar] [CrossRef]
- Ramage, M.H.; Burridge, H.; Busse-Wicher, M.; Fereday, G.; Reynolds, T.; Shah, D.U.; Wu, G.; Yu, L.; Fleming, P.; Densley-Tingley, D.; et al. The Wood from the Trees: The Use of Timber in Construction. Renew. Sustain. Energy Rev. 2017, 68, 333–359. [Google Scholar] [CrossRef]
- Dukarska, D.; Mirski, R. Wood-Based Materials in Building. Materials 2023, 16, 2987. [Google Scholar] [CrossRef]
- Korolkov, D.; Gravit, M.; Aleksandrovskiy, M. Estimation of the Residual Resource of Wooden Structures by Changing Geometric Parameters of the Cross-Section. E3S Web Conf. 2021, 244, 04010. [Google Scholar] [CrossRef]
- Vijayakumar, R.; Pannirselvam, N. Behaviour of a New Type of Shear Connector for Steel-Concrete Composite Construction. Mater. Today Proc. 2021, 40, S154–S160. [Google Scholar] [CrossRef]
- Adawi, A.; Youssef, M.A.; Meshaly, M.E. Experimental Investigation of the Composite Action between Hollowcore Slabs with Machine-Cast Finish and Concrete Topping. Eng. Struct. 2015, 91, 1–15. [Google Scholar] [CrossRef]
- Al-Zaidee, S.; Al-Hasany, E. Finite Element Modeling and Parametric Study on Floor Steel Beam Concrete Slab System in Non-Composite Action. J. Eng. 2018, 24, 95. [Google Scholar] [CrossRef]
- Ahmed, I.M.; Tsavdaridis, K.D. The Evolution of Composite Flooring Systems: Applications, Testing, Modelling and Eurocode Design Approaches. J. Constr. Steel Res. 2019, 155, 286–300. [Google Scholar] [CrossRef]
- Kyvelou, P.; Gardner, L.; Nethercot, D.A. Testing and Analysis of Composite Cold-Formed Steel and Wood−Based Flooring Systems. J. Struct. Eng. 2017, 143, 04017146. [Google Scholar] [CrossRef]
- Marques, A.C.; Mocanu, A.; Tomić, N.Z.; Balos, S.; Stammen, E.; Lundevall, A.; Abrahami, S.T.; Günther, R.; de Kok, J.M.M.; Teixeira de Freitas, S. Review on Adhesives and Surface Treatments for Structural Applications: Recent Developments on Sustainability and Implementation for Metal and Composite Substrates. Materials 2020, 13, 5590. [Google Scholar] [CrossRef] [PubMed]
- Harte, A.M.; Baylor, G.; O’Ceallaigh, C. Evaluation of the Mechanical Behaviour of Novel Latticed LVL-Webbed Joists. Open Constr. Build. Technol. J. 2019, 13, 1–13. [Google Scholar] [CrossRef]
- Premrov, M.; Žegarac Leskovar, V. Innovative Structural Systems for Timber Buildings: A Comprehensive Review of Contemporary Solutions. Buildings 2023, 13, 1820. [Google Scholar] [CrossRef]
- Estévez-Cimadevila, J.; Martín-Gutiérrez, E.; Suárez-Riestra, F.; Otero-Chans, D.; Vázquez-Rodríguez, J.A. Timber-Concrete Composite Structural Flooring System. J. Build. Eng. 2022, 49, 104078. [Google Scholar] [CrossRef]
- Buka-Vaivade, K.; Serdjuks, D. Behavior of Timber-Concrete Composite with Defects in Adhesive Connection. Procedia Struct. Integr. 2022, 37, 563–569. [Google Scholar] [CrossRef]
- Deam, B.L.; Fragiacomo, M.; Buchanan, A.H. Connections for Composite Concrete Slab and LVL Flooring Systems. Mater. Struct. 2008, 41, 495–507. [Google Scholar] [CrossRef]
- Buka-Vaivade, K.; Serdjuks, D.; Podkoritovs, A.; Pakrastins, L.; Mironovs, V. Rigid connection with granite chips in the timber-concrete composite. Environ. Technol. Resour. 2021, 3, 36–39. [Google Scholar] [CrossRef]
- Dias, A.; Skinner, J.; Crews, K.; Tannert, T. Timber-Concrete-Composites Increasing the Use of Timber in Construction. Eur. J. Wood Prod. 2016, 74, 443–451. [Google Scholar] [CrossRef]
- Buka-Vaivade, K.; Serdjuks, D.; Pakrastins, L. Cost Factor Analysis for Timber–Concrete Composite with a Lightweight Plywood Rib Floor Panel. Buildings 2022, 12, 761. [Google Scholar] [CrossRef]
- Andaque, H.; Sadeghi, K. Comparison Between Timber Concrete Composite Slab and Solid Slab for Residential Buildings. Int. J. Innov. Sci. Res. Technol. 2023, 8, 612–623. [Google Scholar] [CrossRef]
- Winandy, J.E.; Morrell, J.J. Improving the Utility, Performance, and Durability of Wood- and Bio-Based Composites. Ann. For. Sci. 2017, 74, 25. [Google Scholar] [CrossRef]
- Bonde, A.; Karlsson, V. Tillämpning av Posi-Joist i Större Byggnader; Uppsala Universitet: Uppsala, Sweden, 2023. [Google Scholar]
- Zhang, B.; Kermani, A.; Fillingham, T. Vibrational Performance of Timber Floors Constructed with Metal Web Joists. Eng. Struct. 2013, 56, 1321–1334. [Google Scholar] [CrossRef]
- European Assessment Document–EAD 130031-00-0304. Metal Web Beams and Columns 2018. Available online: https://www.eota.eu/download?file=/2014/14-13-0031/for%20ojeu/ead%20130031-00-0304_ojeu2019.pdf (accessed on 13 December 2023).
- Posi-Joist Brochure. MiTek UK and Ireland. Available online: https://cdn.mitekea.com/wp-content/uploads/sites/23/2018/10/18094543/Posi-Joist-Brochure-.pdf (accessed on 13 December 2023).
- Robinsons, H.; Azmi, M.H.; Famijs, E.H. Composite Open-Web Joists with Formed Metal Floor. Can. J. Civ. Eng. 1978, 5, 1–10. [Google Scholar] [CrossRef]
- Zhang, B.; Kermani, A.; Fillingham, T. Vibrations of Metal Web Joist Timber Floors with Strongbacks. Proc. Inst. Civ. Eng.-Struct. Build. 2016, 169, 549–562. [Google Scholar] [CrossRef]
- Buka-Vaivade, K.; Serdjuks, D.; Goremikins, V.; Vilguts, A.; Pakrastins, L. Experimental Verification of Design Procedure for Elements from Cross-Laminated Timber. Procedia Eng. 2017, 172, 1212–1219. [Google Scholar] [CrossRef]
- Rogainis, A. Design Methodology Analyse of Timber Concrete Roof with Parallel–Chord Trusses with Steel Lattice. Master’s Thesis, RTU, Riga, Latvia, 2023. [Google Scholar]
- EN 1995-1-1:2004+A 1; Eurocode 5: Design of Timber Structures—Part 1-1: General–Common Rules and Rules for Buildings. European Committee for Standardization: Brussels, Belgium, 2008.
- EN 1991-1-1:2002 (E); Eurocode 1: Actions on Structures—Part 1-1: General Actions–Densities, Self-Weight, Imposed Loads for Buildings. European Committee for Standardization: Brussels, Belgium, 2002.













Disclaimer/Publisher’s Note: The statements, opinions and data contained in all publications are solely those of the individual author(s) and contributor(s) and not of MDPI and/or the editor(s). MDPI and/or the editor(s) disclaim responsibility for any injury to people or property resulting from any ideas, methods, instructions or products referred to in the content. |
© 2024 by the authors. Licensee MDPI, Basel, Switzerland. This article is an open access article distributed under the terms and conditions of the Creative Commons Attribution (CC BY) license (https://creativecommons.org/licenses/by/4.0/).
Share and Cite
Rogainis, A.; Serdjuks, D.; Buka-Vaivade, K.; Akishin, P.; Sahmenko, G.; Briuka, E.; Lapkovskis, V. Verification of a Simplified Design Method for Timber–Concrete Composite Structures with Metal Web Timber Joists. Appl. Sci. 2024, 14, 1457. https://doi.org/10.3390/app14041457
Rogainis A, Serdjuks D, Buka-Vaivade K, Akishin P, Sahmenko G, Briuka E, Lapkovskis V. Verification of a Simplified Design Method for Timber–Concrete Composite Structures with Metal Web Timber Joists. Applied Sciences. 2024; 14(4):1457. https://doi.org/10.3390/app14041457
Chicago/Turabian StyleRogainis, Agris, Dmitrijs Serdjuks, Karina Buka-Vaivade, Pavel Akishin, Genadijs Sahmenko, Elza Briuka, and Vjaceslavs Lapkovskis. 2024. "Verification of a Simplified Design Method for Timber–Concrete Composite Structures with Metal Web Timber Joists" Applied Sciences 14, no. 4: 1457. https://doi.org/10.3390/app14041457
APA StyleRogainis, A., Serdjuks, D., Buka-Vaivade, K., Akishin, P., Sahmenko, G., Briuka, E., & Lapkovskis, V. (2024). Verification of a Simplified Design Method for Timber–Concrete Composite Structures with Metal Web Timber Joists. Applied Sciences, 14(4), 1457. https://doi.org/10.3390/app14041457

