Next Article in Journal
A Novel Method for Automatically and Accurately Diagnosing Demagnetization Fault in Direct-Drive PMSMs Using Three PNNs
Previous Article in Journal
Grades and Learning Styles: New Software for Analyzing Correlations in a Longitudinal Study Across Different Branches of Knowledge and Years
 
 
Font Type:
Arial Georgia Verdana
Font Size:
Aa Aa Aa
Line Spacing:
Column Width:
Background:
Article

Radiation-Hardened 16T SRAM Cell with Improved Read and Write Stability for Space Applications

Department of Nano & Semiconductor Engineering, Tech University of Korea, Siheung 15073, Republic of Korea
*
Author to whom correspondence should be addressed.
Appl. Sci. 2024, 14(24), 11940; https://doi.org/10.3390/app142411940
Submission received: 30 October 2024 / Revised: 7 December 2024 / Accepted: 16 December 2024 / Published: 20 December 2024

Abstract

The critical charge of sensitive nodes decreases as transistors scale down with the advancement of CMOS technology, making SRAM cells more susceptible to soft errors in the space industry. When a radiation particle strikes a sensitive node of a conventional 6T SRAM cell, a single event upset (SEU) can occur, flipping in the stored data in the cell. Additionally, charge sharing between transistors can cause single-event multi-node upsets (SEMNUs), where data in multiple nodes are flipped simultaneously due to a single particle strike. Therefore, this paper proposes a radiation-hardened high stability 16T (RHHS16T) cell for space applications. The characteristics of RHHS16T are evaluated and compared with previously proposed radiation-hardened SRAM cells such as QUCCE12T, WEQUATRO, RHBD10T, RHD12T, RSP14T, RHPD14T, and RHBD14T. Simulation results for RHHS16T indicated that the proposed cell demonstrates improved performance in read stability, write access time, and write stability compared to all comparison cells. These improvements in the proposed cell are achieved with higher power consumption and a minor area penalty. Notably, isolating the storage node from the bit line during read operations and the feedback loop between nodes during write operations enables the proposed RHHS16T to achieve enhanced read stability and write stability, respectively. The proposed integrated circuit was implemented using a 90 nm CMOS process and operates at a supply voltage of 1V. Furthermore, RHHS16T provides high immunity against SEUs and SEMNUs. Through its enhanced read and write stability, it ensures reliable data retention for space applications.

1. Introduction

With the advancement of space exploration and the space industry, satellite communication technology has been used in various fields such as disaster monitoring, broadcasting, and military operations. Satellite communication technology provides wide-area service regardless of the ground network structure, offering significant advantages [1]. For these satellites to function, memory devices are required, and static random-access memory (SRAM) is evaluated as suitable memory for satellite communication technology due to its high density and enhanced logic performance [2,3]. However, the presence of numerous high-energy particles in space can cause a significant threat to the operation of memory devices that store data. When high-energy particles strike the sensitive nodes of integrated circuits, electron–hole pairs are formed, resulting in a short pulse current of voltage known as single event transient (SET) [4]. This can lead to soft errors of a single event upset (SEU). SRAM is composed of a cross-coupled inverter structure, which inherently involves a feedback mechanism. In such a configuration, radiation exposure can lead to alterations in the data stored not only in the sensitive node but also in the interconnected nodes [5]. With the advancement of CMOS technology, a single ion strike can affect multiple nodes simultaneously due to charge sharing between transistors, leading to single-event multi-node upsets (SEMNUs) [6,7]. Therefore, to enhance the reliability of data stored in SRAM, it is necessary to design SRAM cells to be robust against SEU and SEMNUs.
To address the malfunction of SRAM caused by an SEU, researchers have proposed various methods such as triple modular redundancy (TMR), error correction code (ECC), and SRAM cell design that can recover from the influence of SEUs. Firstly, the TMR method requires two additional redundant cells for each existing SRAM bit cell [8]. This method selects the correct value through majority voting among the three cells [9]. However, this method results in a significant increase in area and power consumption. Therefore, it is not suitable for SRAM cells in the space industry. Secondly, the ECC method mitigates SEUs by utilizing additional encoding and decoding circuits [10]. This method is based on error correction and detection codes, requiring additional circuits, which makes it unsuitable for memory cells in satellite communication technology when considering time, power, and area [11]. Compared to these two methods, using radiation-hardened SRAM cells is relatively superior in terms of time, power, and area. Therefore, it is desirable to design radiation-hardened SRAM cells that can recover from both SEUs and SEMNUs [12].
Due to the advantages of radiation-hardened SRAM cells, researchers have proposed various SRAM cells with recovery capabilities from soft errors over the years. Jahinuzzaman et al. proposed the QUATRO10T [13]. However, QUATRO10T has a limited recovery capability only for a ‘1’→‘0’ SEU occurring at the ‘1’-storing node and is vulnerable to write operations due to long write delays and high write failure rates. To improve the write stability of QUATRO10T, Kim et al. proposed the 12T structure WE-QUATRO [14]. However, this structure also has limited recovery capability for SEUs and shows degraded read stability. Jung et al. proposed two hardened SRAM cells, NS10T and PS10T, with recovery capabilities from SEUs [15]. However, NS10T and PS10T provide only partial immunity to SEUs. For example, the NMOS stack-based NS10T can recover from a ‘0’→‘1’ SEU occurring at the ‘0’-storing node but cannot recover from a ‘1’→‘0’ SEU occurring at the ‘1’-storing node. Moreover, the PMOS stack-based PS10T has a recovery capability only for a ‘1’→‘0’ SEU occurring at the ‘1’-storing node. Calin et al. proposed the 12T structure DICE, which has recovery capability for all types of SEUs [16]. DICE can recover to its initial state using positive feedback when an SEU occurs due to an ion strike at any sensitive node. Therefore, DICE has recovery capability from SEUs induced at all sensitive nodes but lacks recovery capability for SEUMNUs. Jianwei et al. proposed two radiation-hardened SRAM cells, QUCCE10T and QUCCE12T, with recovery capabilities from SEUs. However, QUCCE10T and QUCCE12T have issues with read stability. Additionally, both cells cannot recover from a ‘0’→‘1’ SEU if sufficient charge accumulates at the “0”-storing node. Dohar et al. proposed the RHBD10T structure with improved write and read delays [17]. However, RHBD10T does not have improved SEU tolerance, and none of the aforementioned cells have the capability to recover to their initial state from multi-node upsets.
To overcome SEMNUs, Xiao et al. proposed the RHD12T, which has recovery capabilities from multi-node upsets occurring at internal node pairs [18]. However, RHD12T cannot recover from a ‘0’→‘1’ SEU occurring at the ‘0’-storing storge node. To address this issue, Peng et al. proposed the RSP14T [19]. While RSP14T can recover from SEUs occurring at the ‘0’-storing storage node, it still cannot recover from a ‘0’→‘1’ SEU if sufficient charge accumulates at the ‘0’-storing storage node. Consequently, both RHD12T and RSP14T show reduced read stability because the ‘0’-storing storage node is directly connected to the bit line through the access transistor during read operations. Prasad et al. proposed the RHBD14T, which has recovery capabilities from multi-node upsets occurring at storage node pairs [20]. However, RHBD14T is more vulnerable to SEMNUs because all storage nodes and internal nodes are sensitive nodes. Additionally, RHBD14T uses more PMOS transistors, which are generally known to have higher parasitic bipolar amplification compared to NMOS transistors [21]. Therefore, the increased number of PMOS transistors in RHBD14T can promote charge sharing effects among PMOS transistors [22]. Hao et al. proposed the RHPD14T, which has recovery capabilities from multi-node upsets occurring at storage node pairs [23]. However, RHPD14T shows reduced read stability because both pairs of access transistors are accessed during read operations, directly connecting the storage node to the bit line. Therefore, it is necessary to design the SRAM cell that can recover from SEUs, demonstrate satisfactory performance in both read and write operations, and recover from multi-node upsets caused by charge-sharing effects.
In this paper, we propose a radiation-hardened high-stability 16T (RHHS16T) SRAM cell. The proposed cell demonstrates high immunity to SEUs at all sensitive nodes and can recover from multi-node upsets occurring at storage node pairs. Furthermore, the proposed cell shows the highest read stability among all comparison cells while also showing the highest write stability and the shortest write access time.
The structure of the paper is as follows: Section 2 describes the basic operation of the proposed RHHS16T cell and its SEU recovery operation. Section 3 presents the measurement results of read delay, write delay, word line write trip voltage (WWTV), read static noise margin (RSNM), hold power, and critical charge for the proposed cell and all comparison cells. Finally, the paper concludes in Section 4.

2. Proposed RHHS16T SRAM Cell

2.1. Proposed Cell Design and Its Operation

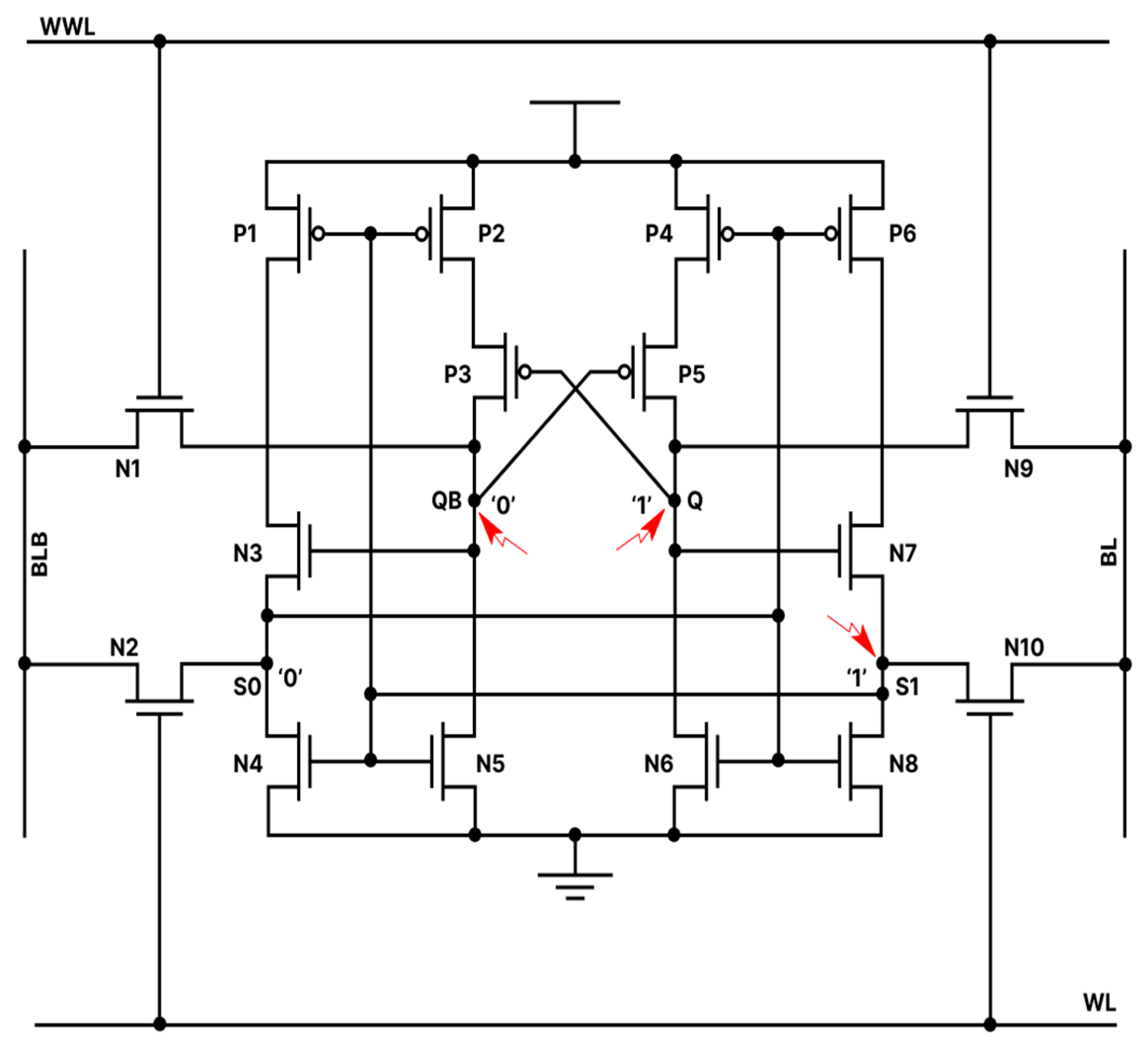
The schematic of the RHHS16T circuit is shown in Figure 1, and the corresponding layout is depicted in Figure 2. The RHHS16T has two storage nodes, Q and QB, and two internal nodes, S1 and S0. Transistor N1, N2, N9, and N10 serve as access transistors, with N9 and N10 controlled by the word line (WL) and N1 and N2 controlled by the write word line (WWL). When the word lines WL/WWL are set to VDD/VDD, the nodes are connected to their respective bit lines through the access transistors. Specifically, Q and S1 are connected to BL through N9 and N10, respectively, while QB and S0 are connected to BLB through N1 and N2, respectively. If the stored data are ‘1’, the logical values at nodes Q, QB, S1, and S0 are ‘1’, ‘0’, ‘1’, and ‘0’, respectively. Furthermore, for all operations, it is assumed that the proposed cell maintains the initial state of ‘1’.
(1) Hold operation: During the hold operation, WL/WWL are set to GND/GND, keeping all access transistors connected to the nodes in the off state. The bit lines are pre-charged to VDD to reduce wake-up time [24]. For the assumed initial state ‘1’, transistors N4, N5, N7, P4, P5, and P6 are in the on state, while the other transistors are in the off state. Nodes Q and S1 maintain the initial state ‘1’ by being connected to the pull-up paths ‘Q-P5-P4-VDD’ and ‘S1-N7-P6-VDD’, respectively. Nodes QB and S0 maintain the initial state ‘0’ by being connected to the pull-down paths ‘QB-N5-GND’ and ‘S0-N4-GND’, respectively. Therefore, the cell remains stable in the initial state.
(2) Read operation: During the read operation, bit lines BL and BLB are pre-charged to VDD, and WL/WWL are set to VDD/GND, isolating the storage nodes Q and QB from the bit lines. Consequently, from N4, while BL remains in the pre-charged VDD state, N8 is in the off state. When the voltage difference between BL and BLB becomes sufficiently large, approximately 50 mV, the read operation can be performed by the sense amplifier [4].
(3) Write operation: To change the initially stored data ‘1’ to ‘0’ in the cell, BL is pre-discharged to GND and BLB is pre-charged to VDD. Moreover, WL/WWL are set to VDD/VDD, keeping all access transistors connected to the nodes in the on state. Therefore, the voltages of QB and S0 can rise through access transistors N1 and N2, respectively. As the voltages of QB and S0 rise, the pull-up paths for Q and S1 weaken, assisting the rapid discharge of S1. When the voltage of S1 falls below the threshold voltage of the NMOS, pull-down transistors N4 and N5 turn off, accelerating the charging of QB and S0. Therefore, the states of all nodes can be flipped to the desired values through the respective access transistors. The process of simultaneously flipping the values of the storage nodes and internal nodes through the two pairs of access transistors accelerates the write operation of the proposed cell.

2.2. SEU Recovery Analysis

This subsection describes the characteristics of the proposed cell. A node is considered sensitive when it experiences an SEU, which occurs near the drain junction of an off-state transistor [25]. Generally, PMOS and NMOS transistors are known to induce positive and negative transient pulses, respectively [12]. Therefore, only the cases of ‘1’→‘0’ for PMOS and ‘0’→‘1’ for NMOS need to be considered. Assuming the initial state ‘1’ for the proposed RHHS16T cell, the internal node S0 has an initial value of ‘0’ and is surrounded only by NMOS transistors, so the only possible transient state in the event of an SEU is ‘0’→‘0’. Therefore, in the assumed case, S0 can be considered a non-sensitive node, while Q, QB, and S1 are sensitive nodes.
(1) SEU at node Q: When Q is flipped by an SEU, stored data at node Q transition from ‘1’ to ‘0’, causing N7 to turn off and P3 to turn on. However, nodes QB and S0 maintain their initial state of ‘0’ through the pull-down paths ‘QB-N5-GND’ and ‘S0-N4-GND’, respectively. Additionally, since both transistors N7 and N8 are in the off state, node S1 transitions to a high-impedance state with no pull-up or pull-down path connected. Generally, the state of a node in a high-impedance state remains unaffected [4]. Therefore, node S1 maintains its initial state of ‘1’. Since nodes QB, S0, and S1, which are not directly affected by SEUs, maintain their initial state, node Q, which is affected by the SEU, can recover to its initial state ‘1’ through the pull-up path ‘Q-P5-P4-VDD’.
(2) SEU at node QB: When QB is flipped by an SEU, stored data at node QB transition from ‘0’ to ‘1’, causing P5 to turn off and N3 to turn on. Since both transistors P5 and N6 are in the off state, stored data at node Q transition to a high-impedance state, maintaining its initial state of ‘1’. As Q maintains its value, N7 remains in the on state, and S1 maintains its initial state of ‘1’ through the pull-up path ‘S1-N7-P6-VDD’. This keeps transistor P1 in the off state, blocking the pull-up path ‘S0-N4-GND’. As Q, S0, and S1 maintain their initial states, transistors P2 and P3 remain in the on state. Therefore, node QB, which is affected by the SEU, can recover to its initial state of ‘0’ through the pull-down path ‘QB-N5-GND’.
(3) SEU at node S1: When S1 is flipped by an SEU, stored data at node S1 transition from ‘1’ to ‘0’, causing transistors P1 and P2 to turn on and N4 and N5 to turn off. However, the storage nodes Q and QB maintain their initial states through the paths ‘Q-P5-P4-VDD’ and ‘QB-N5-GND’, respectively. As QB maintains ‘0’, transistor N3 remains in the off state, causing S0 to transition to a high-impedance state, maintaining its initial state of ‘0’. Therefore, S1 can recover to its initial state of ‘1’ through the pull-up path ‘S1-N7-P6-VDD’.
(4) SEMNU at node pair Q-QB: When the storage node pair Q-QB is affected by an SEMNU, stored data at node Q transition from ‘1’ to ‘0’, and stored data at node QB transition from ‘0’ to ‘1’. Consequently, transistors P5 and N7 turn off, and transistors P3 and N3 turn on. However, the internal node S1 transitions to a high-impedance state, maintaining its initial state of ‘1’. As S1 maintains its initial state, transistors P1 and N4 remain in the off and on states, respectively, and S0 maintains its initial state of ‘0’ through the pull-down path ‘S0-N4-GND’; as the voltage of QB drops sufficiently, transistor P5 turns on, allowing Q to recover to ‘1’ through the pull-up path ‘Q-P5-P4-VDD’.
Therefore, the proposed cell can fully recover to its initial state even if soft errors affect nodes Q, QB, S1, or the storage node pair Q-QB, as shown in the simulation waveform in Figure 3. If sufficient charge accumulates at the node pairs Q-S1 or QB-S1, it can flip the state of the cell. However, it is known that charge sharing between transistors can be avoided by maintaining a distance of at least 1.62 μm and 0.6 μm between PMOS transistors or between PMOS and NMOS transistors, respectively [21]. Considering this, the layout of the proposed cell, as shown in Figure 2, maintains distances of 2.655 μm and 4.89 μm between Q-S1 and QB-S1, respectively, to avoid multi-node upsets occurring at these node pairs.

3. Simulation Results and Analysis

This section aims to evaluate the characteristics of the RHHS16T cell through simulations using 90 nm CMOS technology. To achieve high read stability and appropriate read speed, the widths of transistors N5 and N6 in the proposed cell are set to 2.0 times that of access transistors N1 and N9, while the widths of transistors N4 and N8 are set to 3.3 times that of access transistors N2 and N10. Moreover, to achieve high write stability and short write access time, the widths of transistors P2 and P4 in the proposed cell are set to 0.5 times that of the respective access transistors, and the widths of transistors P1 and P6 are set to 0.66 times that of the respective access transistors. This paper presents the measurement results of read delay, write delay, RSNM, WWTV, and hold power for the proposed RHHS16T cell compared with WE-QUATRO, QUCCE12T, RHBD10T, RHD12T, RSP14T, RHBD14T, and RHPD14T, conducted using the ratios presented in the respective papers. For RHD12T, which does not specify transistor sizes in the paper, appropriate sizes were used for measurement.

3.1. Read Delay Comparison

Read delay or read access time (RAT) is defined as the time interval from when the word line voltage reaches 50% of VDD, starting from its initial low/high level at the rising/falling edge to when a 50 mV voltage difference occurs between BL and BLB [26]. RAT can be calculated as shown in Figure 4a. Generally, RAT is highly dependent on the read current through the access transistor and pull-down transistor, as well as the bit line capacitance [6]. Certain cells, such as WE-QUATRO, RHBD14T, QUCCE12T, RHPD14T, and RHHS16T, use two access transistors per bit line, resulting in higher bit line capacitance compared to cells that use only a pair of access transistors. Typically, lower bit line capacitance tends to shorten RAT. Cells like RHBD10T, RHD12T, and RSP14T, which have a single access transistor connected to the BL, show shorter RAT than other cells. Cells like RHBD10T, RHD12T, and RSP14T, which have a single access transistor connected to the BL, show shorter RAT than other cells. Among the cells using a single access transistor, RHBD14T shows the shortest RAT due to its highest cell ratio (CR = 3). During the read operation, the voltage at the ‘0’ storage node rises due to the voltage division effect between the access transistor and pull-down transistor, which increases the source and body voltage. Consequently, the drive strength of the access transistor may decrease due to the body effect, but a higher cell ratio can improve RAT [6]. Among the cells using two pairs of access transistors, QUCCE12T and RHPD14T have shorter RATs due to their high CR of 1.8 and 2, respectively. On the other hand, RHHS16T, which has the higher CR (3.3) among the cells with two access transistors per bit line, shows a longer RAT than most cells because it uses only a pair of access transistor connected to the internal node during the read operation, resulting in a single read path. Additionally, RHBD14T, despite having lower bit line capacitance due to using a single access transistor, shows the longest RAT among all the mentioned cells due to its very low CR (1) and the presence of the PMOS transistor in the read discharge path (Figure 4b).

3.2. Read Stability Comparison

During a read operation, the node storing ‘0’ is connected to the bit line pre-charged to VDD, and the voltage generated at the ‘0’ storage node due to the read current can flip the stored data [6]. In conventional SRAM design metrics, read stability is evaluated through the read static noise margin (RSNM) [27]. The RSNM can be simulated through the circuit presented in Figure 5a. To measure SNM during the read operation, the bit lines BL and BLB are pre-charged to the supply voltage VDD. Subsequently, noise is applied to each node of the SRAM cell to simulate the linear DC characteristics of each node. By overlapping the two voltage transfer curves, the butterfly curve can be obtained. As shown in Figure 5b, the RSNM is calculated as the diagonal length of the largest square that can fit within the butterfly curve. Figure 5b shows the RSNM curves for various cells at VDD = 1 V, and Figure 6 presents the RSNM values for all cells at different VDD voltages. Generally, a higher CR results in a higher RSNM because it generates a lower voltage at the ‘0’ storage node. RHBD10T, having the highest CR except for RHHS16T, shows a higher RSNM than all other comparison cells except RHHS16T. Cells like WEQUATRO, QUCCE12T, RHBD14T, and RHPD14T, which have both the storage node and internal node accessed by the bit line through two access transistors, are more vulnerable to read upsets compared to cells such as RHD12T, RSP14T, and RHBD10T, where only the storage node is accessed by the bit line through a single access transistor. Due to the highest CR (3.3) and the read isolated characteristic of the proposed RHHS16T, the proposed cell shows the highest RSNM among all comparison cells, as shown in Figure 6. Since only the internal node of RHHS16T is accessed by the bit line during the read operation, the storage node of RHHS16T is not directly affected by noise during a read operation. Moreover, the highest CR of RHHS16T generates the lowest voltage at the internal node S0, which stores ‘0’. Therefore, the proposed RHHS16T cell demonstrates the highest read stability among all comparison cells.

3.3. Write Delay Comparison

Write delay, or write access time (WAT), is measured as the time interval from when the word line reaches 50% of its full voltage swing to the point where the storage nodes Q and QB intersect [6]. WAT can be calculated as shown in Figure 7a. The WAT values for various comparison cells at different VDD voltages are presented in Figure 7b. Generally, affecting both the storage node and the internal node simultaneously during a write operation tends to reduce WAT [6]. Cells such as WEQUATRO, RHPD12T, RHBD14T, and RHHS16T, which flip the values both the storage node and the internal node through access transistors connected to each bit line, show shorter WATs compared to cells like RHD12T, RSP14T, and RHBD10T, which have only a pair of access transistors. In the cases of RHHS16T, RHPD14T, and RHBD14T, the NMOS pull-up transistor with a weak ‘1’ characteristic is used for one of the nodes between the storage node and the internal node. Hence, it becomes easier for the access transistor to discharge the weak ‘1’ at the ‘1’-storing node, resulting in shorter WATs for these cells than WEQUATRO and QUCCE12T. Furthermore, the proposed RHHS16T has the lowest pull-up ratio (=0.5/0.6) for the two access transistors. A lower pull-up ratio can make the strength of the access transistor discharge the ‘1’-storing node to the bit line pre-discharged to ‘0’ stronger than the strength of the corresponding pull-up transistor to pull the ‘1’-storing node to VDD. Thus, appropriate pull-up ratio adjustment results in a shorter WAT. Consequently, as shown in Figure 7, the proposed RHHS16T exhibits the shortest WAT among all comparison cells.

3.4. Write Stability Comparison

Conventionally, the write ability of SRAM cells has been measured through static noise margin, similar to read operations. However, recent studies have mentioned that word line write trip voltage (WWTV) is a more reliable method to evaluate the writing ability of SRAM cells compared to write static noise margin (WSNM) [4]. As shown in Figure 8a, WTV is measured as the voltage difference between the word line voltage and VDD at the point where the storage nodes Q and QB intersect when the word line is activated. Therefore, cells with a longer WAT require more time to change the stored data, leading to a higher voltage rise at WL at the point where Q and QB intersect. Consequently, the proposed RHHS16T, having the shortest WAT among all comparison cells, shows the highest WWTV, as shown in Figure 8b.

3.5. Hold Power Comparison

Since SRAM cells spend most of their time in hold mode, the power consumed in hold mode, known as hold power ( H P W R ) , constitutes a significant portion of the total power consumption of SRAM cells [28]. As shown in Figure 9, H P W R has been calculated based on the average power consumption while the SRAM cell is in hold mode for various supply voltages. H P W R is primarily consumed due to bit line leakage and the leakage of inverters used in the SRAM cell. Generally, H P W R is proportional to the number of transistors used in the cell, and the excessive use of access transistors tends to increase H P W R [6]. Cells like RHHS16T, RHBD14T, and RHPD14T consume higher H P W R compared to RSP14T, which uses a single access transistor due to the presence of excessive access transistors. Among these, RHHS16T consumes higher H P W R than RHBD14T and RHPD14T because it uses a larger pull-down transistor. Moreover, the proposed RHHS16T consumes the highest H P W R among the comparison cells due to the use of the most transistors (Figure 9).

3.6. Soft Error Robustness Verification and Comparison

The robustness of the proposed cell against soft errors can be evaluated by injecting a current source into the sensitive node [29]. As shown in Figure 10, the direction of the current source generates a negative transient pulse at the drain of the NMOS and a positive transient pulse at the drain of the PMOS. For instance, in the case of an SEU occurring at node Q storing ‘1’, a negative transient pulse is induced in the off-state transistor N6. Thus, the recovery capability from SEUs can be evaluated by applying current, as shown in Figure 10a. Similarly, for an SEU occurring at node QB storing ‘0’, a positive transient pulse is induced in the off-state transistor P3. Consequently, the recovery capability from an SEU can be evaluated by applying current, as shown in Figure 10b. The equation for the injected current source to evaluate the robustness against soft errors is given as follows:
I i n j t = I 0 exp t τ α exp t τ β
where I 0 represents the peak current of the current pulse and τα and τβ are the initial ion track establishment time constant and the collection time, respectively. In this paper, τα and τβ are set to 200 ps and 50 ps, respectively, for measurement. The critical charge ( Q C ) refers to the minimum charge required to flip the data of the cell when the sensitive node is affected by an SEU. To measure Q C , different amplitudes of I i n j are injected into the sensitive node as described above, and the minimum value of I 0 and the critical time ( t c ) can be determined when the data of the cell have flipped. Subsequently, Q C can be calculated using the following equation [6]:
Q C = 0 t C I i n j t   d t
The critical charge values for the comparison cells are presented in Table 1. As described in Section 2, the recovery simulations for Q, QB, and S1 when the proposed cell initially stores data ‘1’ and the recovery simulations for the SEMNU occurring at the storage node pair Q-QB are shown in Figure 11. Furthermore, the proposed cell can recover normally from SEUs and SEMNUs even at accumulated charges above 100 fC.

3.7. Area Comparison

To evaluate performance better, it is necessary to measure and compare the area of the cells. Hence, in this paper, the layouts for all comparison cells were reconstructed and the area comparison for all cells is presented in Table 1 along with other performance metrics. Furthermore, the layout of the proposed RHHS16T cell is shown in Figure 3. As can be seen from Table 1, the proposed RHHS16T occupies a larger area compared to other comparison cells due to the use of more transistors and the larger width of the pull-down and access transistors to improve read and write performance. However, despite the area consumption, the proposed RHHS16T cell demonstrates superior radiation robustness performance and provides higher reliability for the stored data by performing read and write operations that are more stable than the comparison cells.

3.8. Electrical Quality Metric

As previously described, critical charge is an indicator of how robust SRAM is against soft errors and is also a metric for evaluating the usefulness of SRAM cells for space applications. However, in conventional SRAM design, the design parameters described in the previous sections, such as the RSNM, RAT, WAT, WWTV, and HPWR, should also be considered. Hence, it is preferable to evaluate the overall performance of the SRAM cell through a design metric that can measure the overall performance rather than considering individual parameters, since each parameter is in a trade-off relationship with the others. Pal et al. proposed the Electrical Quality Metric (EQM) in [4] to estimate the overall performance of SRAM, and the equation for the EQM is given as follows:
E Q M = Q C × R S N M × W W T V H P W R × W A T × R A T × A r e a
The design parameters shown in (3) were measured for all comparison cells and summarized in Table 1, showing the values at VDD = 1 V. If the overall performance of the cell increases, the EQM value should increase. For comparison, the relative EQM of various cells ( E Q M c o m p a r i s o n   / E Q M R H H S 16 T ) was measured and is presented on a log scale in Figure 12. Moreover, although the proposed RHHS16T cell can recover from soft errors above 100fC, the EQM was calculated with Q C set to 50fC to demonstrate the superiority of the RHHS16T cell. As shown in Figure 12, the proposed RHHS16T cell shows the highest EQM, indicating that it shows overall better performance compared to the comparison cells.

4. Conclusions

In this paper, we introduced a radiation-hardened, high-stability SRAM cell designed to meet the demanding requirements of space applications. The proposed RHHS16T cell demonstrates exceptional robustness against radiation-induced soft errors, enabling it to effectively recover to its initial state even if a radiation particle impacts a sensitive node and causes a bit flip. This level of resilience is particularly crucial for environments with high radiation exposure, where data integrity must be reliably maintained. Additionally, the RHHS16T cell is engineered to withstand and recover from SEMNU occurrences at the storage node pair, further enhancing its data retention capabilities. Moreover, the proposed RHHS16T cell offers high read stability and write stability by isolating the storage node from the bit line during read operations and maintaining feedback loops between nodes during write operations. Therefore, the RHHS16T cell can ensure reliable data through its resilience to soft errors, as well as its high read and write stability. In conclusion, radiation-hardened SRAM cells designed for space applications must provide high reliability for stored data. The high reliability of the RHHS16T cell makes it a highly suitable candidate for space SRAM applications, where long-term and stable operation is essential. We have demonstrated the RHHS16T cell’s effectiveness through extensive simulations, highlighting its potential as a reliable solution for radiation-hardened memory systems in space applications.

Author Contributions

Conceptualization, J.-Y.O. and S.-H.J.; methodology, J.-Y.O.; validation, J.-Y.O.; data curation, J.-Y.O.; writing—original draft preparation, J.-Y.O.; writing—review and editing, S.-H.J.; visualization, J.-Y.O.; supervision, S.-H.J.; project administration, S.-H.J. All authors have read and agreed to the published version of the manuscript.

Funding

This research received no external funding.

Institutional Review Board Statement

Not applicable.

Informed Consent Statement

Not applicable.

Data Availability Statement

The original contributions presented in the study are included in the article, further inquiries can be directed to the corresponding author.

Acknowledgments

The EDA Tool was supported by the IC Design Education Center, Korea.

Conflicts of Interest

The authors declare no conflicts of interest.

References

  1. Pal, S.; Sri, D.D.; Ki, W.-H.; Islam, A. Soft-Error Resilient Read Decoupled SRAM with Multi-Node Upset Recovery for Space Applications. IEEE Trans. Electron Devices 2021, 68, 2246–2254. [Google Scholar] [CrossRef]
  2. Sachid, A.B.; Hu, C. Denser and More Stable SRAM Using FinFETs with Multiple Fin Heights. IEEE Trans. Electron Devices 2012, 59, 2037–2041. [Google Scholar] [CrossRef]
  3. Padmapriya, K.; Bondapalli, S.P.; Varaprasad BK SV, L.; Anilkumar, R.; Mallik, D.; Mustafa, S.F. Development of Configurable Static Random Access Memory (SRAM) for Space Applications. In Proceedings of the 2021 Fourth International Conference on Electrical, Computer and Communication Technologies (ICECCT), Erode, India, 15–17 September 2021; pp. 1–8. [Google Scholar]
  4. Pal, S.; Mohapatra, S.; Ki, W.-H.; Islam, A. Soft-Error-Immune Read-Stability-Improved SRAM for Multi-Node Upset Tolerance in Space Applications. IEEE Trans. Circuits Syst. I Regul. Pap. 2021, 68, 3317–3327. [Google Scholar] [CrossRef]
  5. Yan, A.; Xiang, J.; Cao, A.; He, Z.; Cui, J.; Ni, T.; Huang, Z.; Wen, X.; Girard, P. Quadruple and Sextuple Cross-Coupled SRAM Cell Designs with Optimized Overhead for Reliable Applications. IEEE Trans. Device Mater. Reliab. 2022, 22, 282–295. [Google Scholar] [CrossRef]
  6. Pal, S.; Ki, W.-H.; Tsui, C.-Y. Soft-Error-Aware Read-Stability-Enhanced Low-Power 12T SRAM with Multi-Node Upset Recoverability for Aerospace Applications. IEEE Trans. Circuits Syst. I Regul. Pap. 2022, 69, 1560–1570. [Google Scholar] [CrossRef]
  7. Dohar, S.S.; Siddharth, R.K.; Vasantha, M.H.; Nithin Kumar, Y.B. A 1.2 V Single Event Multinode Upset Tolerant RHSC 12T Memory Cell in 65-nm CMOS. IEEE Trans. Electron Devices 2024, 71, 1054–1059. [Google Scholar] [CrossRef]
  8. Blum, D.R.; Delgado-Frias, J.G. Schemes for eliminating transient-width clock overhead from SET-tolerant memory-based systems. IEEE Trans. Nucl. Sci. 2006, 53, 1564–1573. [Google Scholar] [CrossRef]
  9. Liu, S.-F.; Reviriego, P.; Maestro, J.A. Efficient Majority Logic Fault Detection with Difference-Set Codes for Memory Applications. IEEE Trans. Very Large Scale Integr. (VLSI) Syst. 2012, 20, 148–156. [Google Scholar] [CrossRef]
  10. Bajura, M.A.; Boulghassoul, Y.; Naseer, R.; Dasgupta, S.; Witulski, A.F.; Sondeen, J.; Stansberry, S.D.; Draper, J.; Massengill, L.W.; Damoulakis, J.N. Models and Algorithmic Limits for an ECC-Based Approach to Hardening Sub-100-nm SRAMs. IEEE Trans. Nucl. Sci. 2007, 54, 935–945. [Google Scholar] [CrossRef]
  11. Jiang, J.; Xu, Y.; Zhu, W.; Xiao, J.; Zou, S. Quadruple Cross-Coupled Latch-Based 10T and 12T SRAM Bit-Cell Designs for Highly Reliable Terrestrial Applications. IEEE Trans. Circuits Syst. I Regul. Pap. 2019, 66, 967–977. [Google Scholar] [CrossRef]
  12. Guo, J.; Xiao, L.; Mao, Z. Novel Low-Power and Highly Reliable Radiation Hardened Memory Cell for 65 nm CMOS Technology. IEEE Trans. Circuits Syst. I Regul. Pap. 2014, 61, 1994–2001. [Google Scholar] [CrossRef]
  13. Jahinuzzaman, S.M.; Rennie, D.J.; Sachdev, M. A Soft Error Tolerant 10T SRAM Bit-Cell with Differential Read Capability. IEEE Trans. Nucl. Sci. 2009, 56, 3768–3773. [Google Scholar] [CrossRef]
  14. Dang, L.D.T.; Kim, J.S.; Chang, I.J. We-Quatro: Radiation-Hardened SRAM Cell with Parametric Process Variation Tolerance. IEEE Trans. Nucl. Sci. 2017, 64, 2489–2496. [Google Scholar] [CrossRef]
  15. Jung, I.-S.; Kim, Y.-B.; Lombardi, F. A novel sort error hardened 10T SRAM cells for low voltage operation. In Proceedings of the 2012 IEEE 55th International Midwest Symposium on Circuits and Systems (MWSCAS), Boise, ID, USA, 5–8 August 2012; pp. 714–717. [Google Scholar]
  16. Calin, T.; Nicolaidis, M.; Velazco, R. Upset hardened memory design for submicron CMOS technology. IEEE Trans. Nucl. Sci. 1996, 43, 2874–2878. [Google Scholar] [CrossRef]
  17. Dohar, S.S.; Siddharth, R.K.; Vasantha, M.H.; Nithin Kumar, Y.B. A 1.2 V, Highly Reliable RHBD 10T SRAM Cell for Aerospace Application. IEEE Trans. Electron Devices 2021, 68, 2265–2270. [Google Scholar] [CrossRef]
  18. Qi, C.; Xiao, L.; Wang, T.; Li, J.; Li, L. A Highly Reliable Memory Cell Design Combined with Layout-Level Approach to Tolerant Single-Event Upsets. IEEE Trans. Device Mater. Reliab. 2016, 16, 388–395. [Google Scholar] [CrossRef]
  19. Peng, C.; Huang, J.; Liu, C.; Zhao, Q.; Xiao, S.; Wu, X.; Lin, Z.; Chen, J.; Zeng, X. Radiation-Hardened 14T SRAM Bitcell with Speed and Power Optimized for Space Application. IEEE Trans. Very Large Scale Integr. (VLSI) Syst. 2019, 27, 407–415. [Google Scholar] [CrossRef]
  20. Prasad, G.; Mandi, B.C.; Ali, M. Power optimized SRAM cell with high radiation hardened for aerospace applications. Microelectron. J. 2020, 103, 104843. [Google Scholar] [CrossRef]
  21. Amusan, O.A.; Witulski, A.F.; Massengill, L.W.; Bhuva, B.L.; Fleming, P.R.; Alles, M.L.; Sternberg, A.L.; Black, J.D.; Schrimpf, R.D. Charge Collection and Charge Sharing in a 130 nm CMOS Technology. IEEE Trans. Nucl. Sci. 2006, 53, 3253–3258. [Google Scholar] [CrossRef]
  22. Zhao, Q.; Peng, C.; Chen, J.; Lin, Z.; Wu, X. Novel Write-Enhanced and Highly Reliable RHPD-12T SRAM Cells for Space Applications. IEEE Trans. Very Large Scale Integr. (VLSI) Syst. 2020, 28, 848–852. [Google Scholar] [CrossRef]
  23. Hao, L.; Qiang, B.; Dai, C.; Peng, C.; Lu, W.; Lin, Z.; Liu, L.; Zhao, Q.; Wu, X.; Sun, F. Radiation-hardened 14T SRAM cell by polar design for space applications. Electronics 2023, 20, 20230083. [Google Scholar] [CrossRef]
  24. Pal, S.; Gupta, V.; Ki, W.H.; Islam, A. Transmission gate-based 9T SRAM cell for variation resilient low power and reliable Internet of Things applications. IET Circuits Devices Syst. 2019, 13, 584–595. [Google Scholar] [CrossRef]
  25. Bai, N.; Xiao, X.; Xu, Y.; Wang, Y.; Wang, L.; Zhou, X. Soft-Error-Aware SRAM with Multinode Upset Tolerance for Aerospace Applications. IEEE Trans. Very Large Scale Integr. Syst. 2024, 32, 128–136. [Google Scholar] [CrossRef]
  26. Sharma, R.; Mondal, D.; Shah, A.P. Radiation hardened 12T SRAM cell with improved writing capability for space applications. Memories 2023, 5, 100071. [Google Scholar] [CrossRef]
  27. Singh, P.; Vishvakarma, S.K. Ultra-Low Power, Process-Tolerant 10T (PT10T) SRAM with Improved Read/Write Ability for Internet of Things (IoT) Applications. J. Low Power Electron. Appl. 2017, 7, 3. [Google Scholar] [CrossRef]
  28. Pal, S.; Bose, S.; Ki, W.-H.; Islam, A. Half-Select-Free Low-Power Dynamic Loop-Cutting Write Assist SRAM Cell for Space Applications. IEEE Trans. Electron Devices 2020, 67, 80–89. [Google Scholar] [CrossRef]
  29. Mukku, P.K.; Lorenzo, R. Double Node Upset Immune RHBD-14T SRAM Cell for Space and Satellite Applications. IEEE Access 2023, 11, 96256–96271. [Google Scholar] [CrossRef]
Figure 1. Schematic of the proposed RHHS16T cell.
Figure 1. Schematic of the proposed RHHS16T cell.
Applsci 14 11940 g001
Figure 2. The cell layout of the proposed RHHS16T cell.
Figure 2. The cell layout of the proposed RHHS16T cell.
Applsci 14 11940 g002
Figure 3. Simulation results of the basic operation of the proposed RHHS16T cell.
Figure 3. Simulation results of the basic operation of the proposed RHHS16T cell.
Applsci 14 11940 g003
Figure 4. Read access time (a) measuring method (b) simulation result for different comparison cells with supply voltage variation.
Figure 4. Read access time (a) measuring method (b) simulation result for different comparison cells with supply voltage variation.
Applsci 14 11940 g004
Figure 5. RSNM (a) simulation circuit diagram for conventional SRAM cell; (b) butterfly curves for various cells at VDD = 1 V.
Figure 5. RSNM (a) simulation circuit diagram for conventional SRAM cell; (b) butterfly curves for various cells at VDD = 1 V.
Applsci 14 11940 g005
Figure 6. RSNM for different comparison cells with supply voltage variation.
Figure 6. RSNM for different comparison cells with supply voltage variation.
Applsci 14 11940 g006
Figure 7. Write access time (a) measuring method and (b) simulation result for different comparison cells with supply voltage variation.
Figure 7. Write access time (a) measuring method and (b) simulation result for different comparison cells with supply voltage variation.
Applsci 14 11940 g007
Figure 8. WWTV (a) measuring method and (b) simulation result for different comparison cells with supply voltage variation.
Figure 8. WWTV (a) measuring method and (b) simulation result for different comparison cells with supply voltage variation.
Applsci 14 11940 g008
Figure 9. H P W R for different comparison cells with supply voltage variation.
Figure 9. H P W R for different comparison cells with supply voltage variation.
Applsci 14 11940 g009
Figure 10. Equivalent circuit for generating (a) negative and (b) positive transient pulses.
Figure 10. Equivalent circuit for generating (a) negative and (b) positive transient pulses.
Applsci 14 11940 g010
Figure 11. Waveforms presenting the soft error recovery when SEU affects (a) node Q, (b) node QB, and (c) node S0; (d) the storage node pair Q-QB.
Figure 11. Waveforms presenting the soft error recovery when SEU affects (a) node Q, (b) node QB, and (c) node S0; (d) the storage node pair Q-QB.
Applsci 14 11940 g011
Figure 12. Relative EQM for various comparison cells on log scale.
Figure 12. Relative EQM for various comparison cells on log scale.
Applsci 14 11940 g012
Table 1. Performance comparison.
Table 1. Performance comparison.
Structure
Name
Qc
/fC
RAT
/ps
RSNM
/mV
WAT
/ps
WWTV
/mV
Hold Power
/nW
Relative
Area
QUCCE12T [11]16.7631.38129.4135.54412.2853.470.64
WE_QUATRO [14]16.4632.25106.1032.25408.4150.910.69
RHD12T [18]23.5230.59156.0949.19401.2970.340.77
RSP14T [19]24.6129.49151.5948.69401.1470.220.81
RHBD10T [17]13.3424.55171.9950310.2466.510.59
RHPD14T [23]42.5831.4857.3023.95529.6485.350.78
RHBD14T [20]10.547.8942.3625.99529.6879.380.80
This work>10039.01360.9918.73555.0894.371.00
Disclaimer/Publisher’s Note: The statements, opinions and data contained in all publications are solely those of the individual author(s) and contributor(s) and not of MDPI and/or the editor(s). MDPI and/or the editor(s) disclaim responsibility for any injury to people or property resulting from any ideas, methods, instructions or products referred to in the content.

Share and Cite

MDPI and ACS Style

Oh, J.-Y.; Jo, S.-H. Radiation-Hardened 16T SRAM Cell with Improved Read and Write Stability for Space Applications. Appl. Sci. 2024, 14, 11940. https://doi.org/10.3390/app142411940

AMA Style

Oh J-Y, Jo S-H. Radiation-Hardened 16T SRAM Cell with Improved Read and Write Stability for Space Applications. Applied Sciences. 2024; 14(24):11940. https://doi.org/10.3390/app142411940

Chicago/Turabian Style

Oh, Jong-Yeob, and Sung-Hun Jo. 2024. "Radiation-Hardened 16T SRAM Cell with Improved Read and Write Stability for Space Applications" Applied Sciences 14, no. 24: 11940. https://doi.org/10.3390/app142411940

APA Style

Oh, J.-Y., & Jo, S.-H. (2024). Radiation-Hardened 16T SRAM Cell with Improved Read and Write Stability for Space Applications. Applied Sciences, 14(24), 11940. https://doi.org/10.3390/app142411940

Note that from the first issue of 2016, this journal uses article numbers instead of page numbers. See further details here.

Article Metrics

Back to TopTop