Next Article in Journal
Development of Indirect Sandwich ELLA for Detection of Insects in Food
Next Article in Special Issue
Large-Eddy Simulation of Droplet Deformation and Fragmentation Under Shock Wave Impact
Previous Article in Journal
An Investigation of Energy Consumption Characteristics of the Pump-Control System for Electric Excavator Arms
Previous Article in Special Issue
Numerical Coupling between a FEM Code and the FVM Code OpenFOAM Using the MED Library
 
 
Font Type:
Arial Georgia Verdana
Font Size:
Aa Aa Aa
Line Spacing:
Column Width:
Background:
Article

Evaluation of the Effects of Body Forces and Diffusion Mechanisms on Droplet Separation in a Two-Phase Annular–Mist Flow

The Szewalski Institute of Fluid-Flow Machinery, Polish Academy of Sciences, Fiszera 14 St., 80-231 Gdańsk, Poland
Appl. Sci. 2024, 14(23), 10793; https://doi.org/10.3390/app142310793
Submission received: 2 September 2024 / Revised: 5 November 2024 / Accepted: 12 November 2024 / Published: 21 November 2024

Abstract

For decades, studies have been conducted on the efficiency of gas purification processes with wet scrubbers, including the Venturi scrubbers, and this is the most commonly addressed issue in the field literature. The Venturi scrubber consists of a Venturi nozzle and a cyclone. The article addresses the empirical and analytical studies on the annular–mist flow regime that exists in the throat of the Venturi nozzle with a square cross-section. The uniform distribution of droplets over the cross-section area of the Venturi’s throat strongly correlates with the efficiency of the gas cleaning process using Venturi scrubbers. Due to the above, studies on the physics of the phenomena that affect the quantity of small droplets present in the core of the flow are highly justified. The influence of body forces and diffusive mechanisms impacting the number of droplets in the core flow were investigated to tackle the problem in question. Consequently, the fractions of droplets susceptible to turbulent or inertial–turbulent diffusion mechanisms can now be predicted using the outcomes of the research carried out. The droplets were divided into three fractions that differed by their sizes as follows: airborne droplets I confirm thar italic can be removed in all cases. ( d d 10 µm), medium-sized droplets ( d d 20 µm), and largest droplets ( d d = (50–150) µm). The estimation of diffusion coefficients ε d , M , ε d , r e f and stopping distances s M , s r e f of all fractions of droplets was carried out with the inclusion ε d , M , s M and exclusion ε d , r e f , s r e f of the Magnus lift force M in equations of both the droplet’s stopping distance and its diffusion coefficient. The outcomes revealed that the inclusion of the M force translates significantly to the growth in values of ε d , M , s M compared to ε d , r e f , s r e f . Hence, it was concluded that the M force impacts the increase in the speed of the diffusion of the droplets with d d 16.45 µm, which is favorable. Hence, the inertial–turbulent diffusion of larger droplets and the turbulent diffusion of medium ones seem to be supported by the M force. The local velocity gradient, which varied within the region of the flow’s hydraulic stabilization also impacted the mass content of droplets with diameter d d 10 µm in the core of the flow. As the flow development progressed, the number of droplets measured at n = 5 Hz varied nonlinearly up to the point where the boundary layer thickness reached the channel radius. The quantity of small droplets in the main flow was significantly influenced by turbulence intensity ( T u ) . The desired high number of small droplets in the core of the flow (mist flow) was estimated empirically, and it was achieved when gas flows at high speed and has a mean value of Tu. The former benefits the efficiency of gas purification. Investigations on the effects of body forces of inertia of the continuous phase on the separation of droplets with diameters of a few microns and sub-microns from the flow were performed by employing two channel elbows, namely e 4 and e 1 . The curved channels were subsequently mounted at the end of the straight channel ( S C h 2 ). The curvature angle ( α ) of the e 4 and e 1 equaled 90 °C and 30 °C, respectively. The number of droplets existing in the mist flow was higher in value, as desired, when the e 4 was used, unlike e 1 . Two-dimensional flow fields of the mist have been obtained using the Particle Imaging Velocimetry (PIV) technique and analyzed further. Topas LAP 332 Aerosol Spectrometer was used for the determination of droplet ( d d 40 µm) size distribution (DSD) and particle concentrations, while the Droplet Size Analyzer D Kamika Instruments (DSA) was exploited to ascertain DSD of droplets with diameter d d > 40 µm.

1. Introduction

The Polish power system strongly depends on carbon power stations. Therefore, Poland is facing the problem of dust particles and high emission of greenhouse gases G H G s . Although much research enabling the capture of carbon dioxide and the purification of flue gasses is being undertaken, the problem remains unsolved [1,2]. In addition, syngas purification is a basic problem in the gas production process through biomass gasification [3]. However, due to the complexity of the multiphase flow and numerous physical phenomena related to them, researchers continue investigations in this area aiming at the improvement of the purification efficiency of the contaminated gas. Presently, numerous practices aiming at flue gas dedusting and its purification from chemicals are being undertaken. This topic is essential in fighting atmospheric air pollution. Gas purification from chemicals, solid particles, and biohazardous materials is of prime importance as these problems exist in many industrial branches and individual households. The Venturi nozzle consists of a converging channel, a throat, and a diverging channel. It operates as a device that is widely applied for gas dedusting and its purification from chemicals. It is an integral component of the Venturi scrubber, which is a leading device applied for gas cleaning ([2,3,4,5,6,7]). These devices are thought to be very efficient. Additionally, the economic aspects related to their usage are also favorable. The geometric diversity of the nozzle has a significant impact on the variations in values of fluid-flow parameters, such as velocity and pressure. A highly efficient gas cleaning process can be achieved using proper nozzle geometry and an appropriate method of injecting a scrubbing liquid into the gas flow. Investigations of the physics of the fundamental issue of the annular–mist (gas–liquid) flow with the liquid film developing on the channel’s wall have been dealt with for decades. The Venturi nozzle’s multiphase flow problem is more intricate than that of a pipe with a constant shape, and therefore, it is more challenging to investigate. Presently, numerous research studies still raise the problem of the flow pattern being formed in the multiphase flow through the Venturi nozzle, even though it has been studied for decades. This proves that the scientific problem in question is still relevant and warrants further research. The author of the paper has carried out theoretical research that has addressed two-phase (gas–liquid) flow and a single droplet flow [1,8,9]. Paper [1] introduces a mathematical model that incorporates the deposition of droplets and their entrainment in the annular–mist flow in the throat section of the Venturi nozzle. The model enables the estimation of a superficial velocity of both the droplets in the mist flow and the liquid film along the throat. By employing the model, the distance at which the droplets’ entrainment from the liquid film on the wall begins can be determined. The mathematical model allows for the estimation of the parameters for the mist flow in the flow’s core. The results obtained are then utilized to determine the pressure drop across the Venturi throat. By the analysis of the outcomes gained, it was concluded that the distance at which the droplet entrainment commences is strongly correlated with the mass flow rates of water and air and with the diameter of the throat d t h of the Venturi that was expressed in meters (0.05, 0.06, 0.12, and 0.18). The alteration in mass flow rates of droplets and liquid film on the wall was found to be nonlinear, which is rather obvious. The outcomes have shown that neglecting the entrainment flux of droplets leads to the linearization of the mass flow rates of droplets and liquid film. Furthermore, it was noticed that applying a larger throat diameter d t h = 0.18 m) and throat length ( L t h m ) of less than one meter has resulted in the potential growth of dedusting efficiency. Applying the aforementioned conditions forced growth in the content of the liquid fraction present as droplets in the core of the flow, which is a desirable effect. A uniform coverage of the surface of the throat cross-section with droplets implies an increase in cleansing efficiency [1].
The multiphase flow in the Venturi nozzle has been studied empirically and analytically for several decades, as per the available literature [5,6,7,8,10,11,12,13,14]. The main objective of the theoretical and empirical studies being conducted by researchers is to examine the efficiency of gas cleaning when employing Venturi scrubbers. In the construction of Venturi scrubbers, there are three different methods of liquid injection: as a liquid film, as a jet, and as a spray. An ejector Venturi gas scrubber employs a high-speed scrubbing liquid spray to effectively remove dust, chemicals, and other particulates from the gas [15,16,17]. Adsorption liquid injection is usually used as a jet in the Pease–Anthony Venturi scrubber [6,18,19,20,21,22]. The investigation on the Venturi scrubbers with liquid injection at the confusor inlet, either by liquid film or jet, has also been carried out in the following works [5,21,23,24,25,26].
A mathematical description of the trajectory of the injected liquid was presented by Gonçalves et al. [6]. The model takes into account how the liquid stream penetrates the gas stream and then separates. By injecting the liquid through a hole that was perpendicular to the throat, it was possible to study how the penetration of the liquid stream affects droplet dispersion. By ensuring the liquid is properly distributed as small droplets, it is possible to achieve greater gas dedusting efficiency with minimal water consumption. In addition, the experiments were conducted on throat lengths that varied. Despite a wide application of the mathematical model in different types of scrubbers, it remains not applicable to scrubbers applied for gas dedusting. The focus of the article [18] was to analyze the droplet density distribution in the horizontal Venturi scrubber with a rectangular cross-section through both theoretical and experimental techniques. In addition, the Venturi Pease–Anthony scrubber ( V P A S ) , which is used to remove micron-sized particles, was considered. To address the problem, the mathematical representation of the motion of the liquid jet was adopted from [6]. The Venturi scrubbers, where the liquid stream is sprayed perpendicular to the throat with a subsonic gas flow ( V P A S ) , are applicable in various industrial processes such as combustion, evaporative cooling, or in medical and agricultural devices. The topic of liquid atomization, droplet size distribution, and droplet existence in the core of the throat flow is important in the purification process and is still being researched. The scrubbers with fluctuating droplet concentrations are less efficient than in the opposite scenario. The spatial distribution of the droplets and their sizes were noted to have a significant impact on the efficiency of pollutant removal as per the article [13].
The pressure drop is a measure of the dynamics of mechanisms during the gas dedusting process in the Venturi scrubber, regardless of the method of the liquid injection. One of the simplest models for predicting the pressure drop was proposed by Calvert [27]. A one-dimensional, incompressible, and adiabatic flow is the model’s assumption, and the atomized liquid is characterized by a uniform droplet size distribution. In addition, the Calvert model assumes that the droplet velocity is equal to the gas velocity at the end of the throat while neglecting the gas acceleration and frictional pressure drop. Yung [28] made improvements to the Calvert model by assuming that the droplet velocity at the end of the throat would not be equal to the gas velocity. Leith [29] added droplet deceleration in a converging channel to enhance the model addressed. Hesketh [30] and Boll [31] introduced simple models that enabled the prediction of pressure drop. The assumption made by Hesketh was that droplets accelerate. Therefore, the velocity values of the drops and the gas were finally aligned with each other at the end of the throat [30]. The model of Boll [31] included the acceleration of both the gas and the droplets. The model also involved friction and presumed a liquid that was completely atomized. The model of Azzopardi et al. [32] was refined in works [33,34,35] where the growth and detachment of the gaseous boundary layer ( B L ) were identified. The models of Azzopardi, Govan et al. are explained in [5,16,32]. Azzopardi and Govan took into account the entrainment and deposition of the droplets, as well as the growth of the gaseous boundary layer in the diffuser area, to accurately predict the pressure drop. This model accurately explains that the increased gaseous boundary layer in the diffuser caused the excess pressure recovered from the previous models. Azzopardi, Govan et al. presented a one-dimensional model describing the flow of liquid, dust, and gas [5].
The two-phase flow annular pattern was also considered in the works of Viswanathan et al. [15,36], in which the thickness of the liquid film on the wall was determined against the overall Venturi nozzle length. In addition, the velocity of the liquid film on the wall and the pressure drop were calculated under various operating conditions of Venturi. The purification process is significantly impacted by the liquid film that always forms on the walls of the scrubber [1].
When the dust exhibits particular adhesiveness or when there is an erosion in the throat, the liquid is intentionally injected as a film and then atomized by the gas. Usually, other meaningful factors are also being ignored while disregarding the existence of the liquid film on the walls of the scrubber. Since the liquid that flows as a film is not in the form of droplets, it does not have any impact on the gas purification process. The liquid film will act as a rough surface when in direct contact with the flowing gas, which will lead to an increase in pressure drop due to friction. However, the liquid film that forms along the entire length of the Venturi, which is caused by the continuous deposition of droplets on the channel wall, will lead to the re-entrainment of droplets from the liquid film. Thus, new droplets with a velocity lower than the gas velocity will be generated and utilized effectively in the gas cleaning process. Both the liquid flow as a film and as droplets are factored into the model presented by Azzopardi and Govan [5]. The authors of the paper also considered the transition between the droplets and the liquid film. The paper describes a model of the annular flow, which is based on the liquid film’s mass flow rate equation, which involves deposition and entrainment of droplets.
This paper constitutes a continuation of previous analytical and empirical (see Appendix A) studies that addressed gas–liquid flow through the Venturi throat [1]. Gas cleaning efficiency is mostly dependent on the droplets’ uniform distribution over the cross-section area of the throat. The main focus of the theoretical research carried out was to investigate the impact of the droplet deposition on the channel wall and their re-entrainment from the liquid film on the mass flow rate of the droplets in the core of the flow that varied along the throat.
Experimental research (see Appendix A) was carried out to carefully study the physics of the mist flow and gradually forming a liquid film on the wall of the throat of the Venturi nozzle with a rectangular cross-section. This component of the Venturi nozzle is where the cleaning process of the gas occurs. The efficiency of gas purification can be increased by determining and improving the conditions under which the solid particles may settle on droplets easily. Identification and elimination of unfavorable factors and phenomena is crucial for this to become possible. Therefore, examination of the diffusive mechanisms and body forces acting on droplets and their existence in the core of the flow leads to original findings that can be further used to improve the cleaning efficiency of the gas.
In view of the above, the focus of the current paper is on analyzing the outcomes of the experimental research on a two-phase (air–droplet) flow through a straight channel ( S C h ) with a square cross-section. A theoretical in-depth evaluation of the results was carried out using the mathematical model, and the article’s author is a contributor to that model [8].

2. Materials and Methods

Empirical (see Appendix A) and theoretical investigations were employed by the author to identify the factors that affect the number of droplets present in the mist flow in the throat of the Venturi nozzle. Table 1 exposes the measured mean values of initial conditions under which the experiments were carried out.
The procedure of the empirical investigations conducted had to be well organized, leading to strict identification of forces acting on a droplet and causing it to deposit on the wall. The geometry of the flow channel strongly influences the pressure drop, the resultant velocity profile of the phases, the liquid film formation, and droplet deposition on/entrainment from the liquid film. Therefore, the measurements were taken for two configurations of the SCh straight channel. In the first case the straight channel SCh was sloped by 20° and defined as S C h 1 . In the latter scenario, the SCh had two elbows mounted on its end, and it was oriented horizontally ( S C h 2 ). The measurement data of D S D was gained for the S C h 1 with six fan frequency settings applied n ϵ < 1, 6 > Hz, at three or four sampling lines (Table 2) in the longitudinal section. Most of the measurements were taken at fan frequencies that ranged from 4 Hz to 6 Hz. Nevertheless, at a distance of 0.5 m from the inlet, some supplementary data were gathered for the S C h 1 at a lower range of the fan frequencies (1–3) Hz.
In the case of the S C h 2 , the droplets were sheared by the high-velocity air, and the airborne droplets were transmitted to the measurement channel. In this configuration, the identification of diameters of droplets existing in the core of the flow through the S C h 2 with elbows mounted at its end was challenging since it was difficult to draw droplets of the desired size into the channel’s flow; hence, the measurements were taken with fan frequencies between 4 Hz and 6 Hz.
It was challenging to draw droplets of the desired size into the channel’s flow; hence, the measurements were taken with fan frequencies between 4 Hz and 6 Hz. The axial measurements of D S D were taken at four different lengths (sampling lines) of the straight channel ( S C h 2 ) that was integrated with elbows. The curvature of the elbows varied, and they were designated as e 1 and e 4 (Table 2). A detailed discussion of these parameters is further provided. Table 2 presents a juxtaposition of the geometric parameters of all flow channels used for experimental investigations, and sampling lines are also included. Table 3 presents a set of parameters the values of which were estimated empirically.
The air–water pneumatic nozzle (see Table A1) generated water droplets in a wide size spectrum up to ∼200 µm. The Droplet Size Analyzer (DSA, see Appendix D, Table A4) was employed for the DSD measurements of the large droplets (with diameter > 40 µm). These data were collected and further applied to perform a comparative analysis as presented in Section 3. The droplet size that was preferred was limited to 20 µm. In this case, the DSA was obtained by applying a product of Topas, which was Aerosol Particle Size Spectrometer LAP 332 (APSS) (see Appendix D, Table A4). This device produced a relatively low underpressure and was employed to aspirate the droplets from the core of the flow, as presented in the scheme of the laboratory stand (Figure 1, 6.). To prevent larger droplets from being aspirated into the flow, the straight channel ( S C h 1 ) required tilting, which was intentional due to limitations in d d . Adding a gravitational component to the equation of droplet motion was realized by sloping the channel by 20 ° . As the diameter of the droplet increases, the mass force acting on it increases. The large droplets undergo a gravitational separation at the very beginning. Hence, they were naturally excluded from the cloud of droplets being sucked into the sloped channel. This approach allows for a correlation to be established between the turbulence intensity T u ( T u a ratio of the velocity fluctuations to the mean velocity of the flow) and the gas flow velocity measured at different lengths of the sloped channel. In addition, the outcomes of the ( P I V ) (see Appendix D, Table A3) measurements validated the D S D data, which was obtained with A P S S . In the view of the flow registered by employing P I V , the small droplets were mostly present in the core of the flow, as desired. Performing multiple background experiments was necessary to determine an adequate procedure of measurements taken. Figure 1 depicts the view of the lab bench.
A fan (Figure 1, 7.) was used to draw in the droplets with the desired sizes from the cloud of droplets generated by the air–water nozzle (Figure 1, 3.). The fan was used to provide the air–droplet flow through all measuring channels. PIV (Particle Image Velocimetry) is an optical and non-invasive method that was employed to ascertain the velocity fields of both the continuous and dispersed phases. Two velocity components of the mist flow can be identified by imaging the movement of droplets (or particles) using a laser that illuminates them in a plane.
By a comparison of the outcomes of D S D measurements with respect to the geometrical and flow parameters existing, it was possible to determine the mechanisms supporting the separation of a given fraction of droplets. The geometric parameters and quantity of small droplets in the core of the flow were correlated using channel elbows. By these means, the impact of the inertia forces of the gas on the presence of small droplets in the main flow was ascertained.
The empirical data gained and their further theoretical analysis constitute a source based on which it was possible to determine the mechanisms supporting the droplet deposition on the wall.

Simple Theoretical Considerations

The paper concentrates on fundamental theoretical considerations of droplet movement in a multiphase fluid flow under conditions present in the Venturi nozzle. This is an important issue as the multiphase flow, through a convergent–throat–divergent channel, is used for gas cleaning. This section deals with defining the factors that affect the motion of droplets in two-phase flow. The analysis was performed by employing the original empirical data that was gained into formulas, which are available in the literature [8,37], and some of them characterize the turbulent flow regime. This preliminary analysis is planned to be developed further and introduced into the mathematical model that the author has been developing. The model concerns the multiphase flow through the diverging and converging channels and the throat of the Venturi. Using the mathematical model, it is possible to determine characteristics of the fluid flow that reveal variations in flow velocity, linear head loss coefficient, wall shear stress, total, local, frictional, and accelerational pressure drop, and absolute and gauge pressure along diverging and converging channels.
Multiple mechanisms are responsible for the motion of droplets in the continuous phase. Vapor’s molecular or turbulent diffusion can trigger this motion. The rotational movement of droplets can be caused by the gas phase velocity field and its gradients. As a result, the forces that affect the deposition or entrainment of droplets from the liquid film start to occur [38]. The inertia of a moving droplet is determined by the mass of the droplet and the thermodynamic parameters like temperature and pressure of the continuous and dispersed phases as they translate into variations in the physical properties of both media, such as density and viscosity. Because of the droplets’ inertia, the velocity field and trajectory of the droplets do not match the velocity field of the gas phase. As they move, droplets coalesce or split and the statistical distribution of droplets in the flow undergoes continuous changes due to this.
The paper by J. Mikielewicz, O. Dolna, and R. Kwidziński [8] introduces a new concept of the mathematical modeling of mechanisms like diffusion and body forces acting on droplets. These mechanisms have an effect on a quantitative share of droplets in the core of the two-phase flow. An analysis of the movement of a single droplet has led to the obtaining of an equation defining the stopping distance of the droplet. By employing the model, it is possible to estimate the distance to be covered by a droplet until it separates from the mist flow and finally deposits on the channel wall. This path is called the stopping distance (horizontal travel distance) of the droplet. In Prandtl’s turbulence model, the scale of turbulent vortexes is expressed by the length of the mixing path, l m (Equation (1)) [8,37]. However, the scale of the inertial motion of droplet is defined by its stopping distance after gas–droplet momentum transfer. If the path of the turbulent mixing of the gaseous phase is longer than the stopping distance of the droplet, then a dispersed phase succumbs to the turbulent diffusion of the continuous phase. Otherwise, if the stopping distance of the droplet is higher in value than the mixing path, the droplet undergoes inertial, turbulent, or turbulent–inertial diffusion. Therefore, both the gas and the droplet diffusion coefficients are analogous as they depend on the mixing path and the stopping distance, respectively. Empirical research has provided a comprehensive set of measurement data and boundary conditions that were applied for theoretical analysis. Consequently, the empirical outcomes enabled the estimation of the stopping distances of droplets and coefficients of both the gas and the droplet diffusion, Prandtl’s mixing path, kinematic turbulent viscosity coefficient (turbulent diffusion), dynamic turbulent viscosity, and physical properties of both phases, among others. Kinematic turbulent viscosity is not a physical property of the fluid but rather a flow characteristic that is influenced by the nature of turbulence. This knowledge is the basis for determining which phenomena impact the droplet motion and the sizes of droplets that will be more likely to undergo these physical circumstances. The parameters abovementioned can also be estimated analytically; however, in this approach, multiple simplifications need to be applied. The results obtained theoretically can be improved in both quantitative and qualitative terms using empirical data instead of simplified analytical correlations in a mathematical model. In addition, while maintaining the similarity of flow and geometric conditions of the annular–mist flow through the rectangular channel, appropriate empirical correlations of a general nature with a wider application can be developed. This task is planned to be carried out in the future.
The thickness of the boundary layer, δ b l , and the local mean velocity gradient, d u ¯ d x , were estimated empirically (see Appendix A); hence, the values of the Prandtl’s mixing path, l m (Equation (1), [8]) and the wall shear stresses, τ (Equation (2), [8]), could be estimated:
l m = κ · δ b l
The mixing path is a theoretical distance where the fluid elements exchange momentum completely due to turbulent stresses. Prandtl regarded it as a representation of the mean free path of particles in gases. Currently, it is considered to be an averaged characteristic of the fluid’s turbulent mixing.
τ = ρ a · d u ¯ d x 2 · l m 2
The friction velocity (dynamic velocity), ν s (Equations (3) and (4), [8]) and the constant K (Equation (5), [8]) were estimated and then applied into Equations (6)–(9) mentioned below.
v s = τ ρ a
The Equation (4) was obtained by substituting Equations (2) and (3), which is obvious.
v s = d u ¯ d x · l m
Constant K is defined through Equation (5) [8]:
K = 18 · μ a ρ w · d d 2
Empirical studies have enabled the estimation of droplet size distribution in the channel’s mist flow. The droplets were divided into three fractions that differed in their sizes as follows: the airborne droplets ( d d 10 µm), the medium-sized droplets ( d d 20 µm), and the largest droplets ( d d = (50–150) µm). The droplets from the first fraction with a diameter up to a few microns can deposit on the channel’s wall. Droplets with sizes of micron and sub-micron undergo the Saffman ( S ) lift force, which acts on droplets within the B L . Turbulent diffusion of the continuous phase affects the phenomenon of droplet separation in this case. The inertia of the droplets from the first fraction does not have a significant impact on their movement in the gas velocity field because they are small in size. They maintain pace with the turbulent fluctuations of the gas velocity field. This is common knowledge of such a mass transfer process [39,40]. The medium and large-sized droplets existing in the BL are affected by the Magnus ( M ) lift force, and their deposition on the wall is an effect of the turbulent–inertial mechanism. The inertia of larger droplets (several dozen microns) is worthy of serious consideration as it has a significant impact on their deposition and entertainment, which is caused by the M force. The large droplets are unable to reach the wall through the laminar sublayer because they are lagging behind the turbulent motion of groups of molecules, which only involves molecular motion. However, due to the gas–droplet momentum transfer in the turbulent sublayer of the boundary layer, these large droplets can reach the channel wall due to their inertial motion. It is common knowledge that the farther away from the channel wall they are, the larger the turbulent vortexes become. The droplet disregards vortexes that are too small compared to its stopping distance. This is a direct consequence of Prandtl’s turbulence model, which employs a mixing path to determine the scale of turbulent eddies.The droplet may either travel the same distance as the stopping distance or be subjected to gravitational and centrifugal forces.
The estimation of diffusion coefficients ε d , M , ε d , r e f and stopping distances s M , s r e f of all fractions of droplets was carried out with the inclusion ε d , M , s M and exclusion ε d , r e f , s r e f of the M force in equations of both the droplet’s stopping distance and its diffusion coefficient.
s M = ν s K 3 π 2 K d u ¯ d x 2
s r e f = ν s K
The coefficient of droplet diffusion was estimated including ( ε d , M , [8]) and excluding ( ε d , r e f , [8]) the Magnus force.
ε d , M = s M 2 d u ¯ d x
ε d , r e f = s r e f 2 d u ¯ d x
The author has estimated the coefficient of the turbulent diffusion, which is presented in its simplified form:
ε d , t u r b ν t l m 2 d u ¯ d x
where ν t is a turbulent kinematic viscosity of the continuous phase.

3. Results

Based on empirical and theoretical studies, it was possible to determine the fractions of droplets that will more likely undergo the turbulent or inert diffusion mechanism. A series of annular–mist flow parameters that were estimated based on measurements and theoretical outcomes gained are shown in graphs, some of which are listed below:
  • Droplet stopping distance as a function of variable local mean velocity gradient with Magnus lift force taken into consideration;
  • Droplet stopping distance as a function of variable velocity gradient with Magnus lift force neglected;
  • The resultant speed of the airflow affected by variations in fan frequencies;
  • DSD and DQ measured at four sampling lines of the straight channel at two fan frequencies, n = 5 Hz, and n = 6 Hz;
  • Variation in turbulence intensity along the straight channel’s length;
  • Quantity of sub-micron droplets, few-micron droplets, and larger droplets present in the core of the flow against turbulence intensity;
  • Boundary layer thickness as a function of the maximum speed of the airflow obtained at fan frequencies ranging from 1 to 6 Hz;
  • Quantity of large droplets determined by the thickness of the boundary layer;
  • Quantity of sub-micron and micron droplets as a function of the thickness of the boundary layer;
The frame from P I V (see Table A3) recording presenting the air–droplet flow is exposed through Figure 2.
By employing the P I V , the local mean velocity gradients d u ¯ d x were measured at a distance between approximately 6 mm to 10.48 mm from the channel’s wall, with variation in fan frequencies. Figure 3 presents a change in the resultant speed of the airflow u r e s m s against varying n. The measurements were taken at three sampling lines (2nd, 3rd, and 4th) of the S C h 1 straight channel.
It is common knowledge that the fluid’s velocity profile evolves in the region of flow development, and the velocity fluctuates in both perpendicular and parallel directions to the flow direction. A steady-state velocity profile is achieved after the boundary layer thickness reaches the radius of the pipe at the end of this region of the channel. Table 4 juxtaposes the comparison between stopping distances and corresponding coefficients of droplet diffusion. These variables were estimated with two methods that differ by a member of the Magnus lift force. The maximum value of the L V G , d u ¯ d x m a x = 4.8   1 s , a constant value of the δ b l = 0.026 m, and variation in droplet diameter were assumed to estimate the values of the variables that are incorporated in Table 4. In the case of the stopping distance, the one with the M force included has an additional component in the denominator in Equation (6), unlike Equation (7). Following this narration, the coefficients of droplet diffusion (compare Equation (9) with Equation (8)) will diverge, respectively.
Data from Table 4 were compared to the corresponding values of the Prandtl’s mixing length, l m , and the coefficient of turbulent diffusion, ε d , t u r b obtained under the same flow conditions such as the maximum value of the L V G , d u ¯ d x m a x = 4.8   1 s , and constant value of the δ b l = 0.026   m . It is to be emphasized that three supplementary variables like the thickness of the boundary layer, δ b l , the Prandtl’s mixing length, l m , and the coefficient of turbulent diffusion, ε d , t u r b are determinants of the flow regime of the continuous phase and are independent of the droplet’s diameter, obviously. Table 5 presents the values of the characteristics of the turbulent flow regime of the continuous phase. The droplet diffusion coefficient in gas is determined by its size and the thermodynamic parameters, such as temperature and pressure of the continuous and dispersed phases. Changes in these flow conditions translate into variations in the physical properties of both media, such as density and viscosity, on which the droplet diffusion coefficient is dependent.
Additional calculations were conducted to investigate the phenomenon further by considering three values of the L V G , d u ¯ d x , which equaled 1.93, 2.22, and 4.2 m s . Consequently, the calculations performed assumed variation in δ b l , which ranged from 0.0245 m to 0.021 m. The characteristics of s M and s r e f stopping distances as a function of the velocity gradient were calculated for a droplet with a diameter d d = 100 μm and are depicted in Appendix C, Figure A4 and Figure A5. It was noticed that both s M and s r e f had a lower value as the LVG decreased, when compared to data from Table 4. A 12 % drop in velocity gradient and 5.8 % decrease in boundary layer thickness resulted in a decrease of 24 % and 22 % in s M and s r e f , respectively. The percentage decrease in the value of s M was slightly higher than in the case of s r e f , as observed. It was noticed that the percentage decrease in the s M was slightly higher than in the case of the s r e f . This disproportion is due to the differences in definitions of both stopping distances (Equations (6) and (7)). Equation (6) has an extra member that involves the velocity gradient and the constant K, which was not included in Equation (7), leading to this divergence.
The question of which droplet will undergo turbulent or inertial diffusion can be answered by comparing the values of the stopping distances ( s M and s r e f ) of the droplets to the mixing length ( l m ) presented in Table 4. The mixing path is a function of the thickness of the boundary layer ( δ b l ), unlike the stopping distances.
The theoretical interpretation of the empirical findings revealed that by adding the M force, a significant increase in values ε d , M and s M was achieved compared to ε d , r e f and s r e f , accordingly. Thus, it was deemed that the M force contributes to the increase in speed of the droplet diffusion with diameter d d 16.45 µm, which is advantageous.
For droplets with diameters d d = 1.86 µm and d d = 5.04 µm, there was a difference in the seventh decimal place between the values of s M · 10 5 and s r e f · 10 5 . The corresponding diffusion coefficients, ε d , M · 10 8 and ε d , r e f · 10 8 , differed in the tenth decimal place. The data obtained stay in accordance with the literature data as airborne droplets ( d d = 1.86 µm and d d = 5.04 µm), and even larger ones (≤20 µm) are impacted by a gas phase diffusion of less than about 7% [41].
Both the s M and the s r e f estimated for the airborne droplets were far lower in value when compared to the value of the mixing path and will follow the turbulent flow of the gas.
Obviously, with the growth in the droplet diameter, the increase in values of stopping distances and coefficients of diffusion were noticed. For droplets with a diameter equal to 50 µm, there occur more significant differences in the values of ε d , M , ε d , r e f , s M and s r e f compared to 16.45 µm. These discrepancies occur due to variation in droplet sizes, as calculations were performed for the constant value of d u ¯ d x m a x = 4.8   1 s . An increase in the values of the abovementioned parameters coincides with an increase in the disparities between the reference parameters ( ε d , r e f , s r e f ) and those that take into account the Magnus force acting ( ε d , M , s M ). For droplets with diameters equal to 100 µm and equal to 150 µm, the differences in values of the ε d , M , ε d , r e f and s M , s r e f are extremely high.
It was noticed that droplets with diameter d d = 16.45 µm were impacted by the Magnus lift force more significantly, compared to droplets with diameter d d = 1.86 µm or d d = 5.04 µm. The value of the diffusion coefficient decreases with the value of the local velocity gradient wherein ε d , M in contrast to ε d , r e f takes the highest value. Hence, the Magnus force appears to support turbulent–inertial diffusion of the droplets with d d 16.45 µm. Based on the calculation outcomes, it was stated that the droplet diffusion coefficient was identified to be even a few orders of magnitude higher for droplets with a diameter d d = 16.45 µm, which indicated contrary to smaller droplets ( d d = 5.04 µm) that they may undergo turbulent–inertial diffusion more likely. The stopping distance, s M , of the droplet with diameter d d = 50 µm was higher in value than s r e f . If the droplet stopping distance is lower than the eddy diameter, the droplet undergoes the influence of this vortex and, thereby, a turbulent diffusion. Conversely, when the droplet’s stopping distance exceeds the eddy’s diameter, the eddy is simply neglected by a droplet. In this connection, the inertial mechanism and the body force of gravity influence the movement of the droplets. These are the determinants of the deposition of droplets on the channel’s wall. The analysis did not factor in the impact of resistance and buoyancy forces. When the droplet diameter reached 100 µm, the differences in the stopping distances s M and s r e f significantly increased at relatively low values of the L V G 4.2   1 s (Appendix C, Figure A4 and Figure A5).
At the peak of the local mean velocity gradients 4.8   1 s and with an increase in droplet diameter, its movement was influenced to a greater extent by the Magnus force (Table 4).
At two fan frequencies (n = 5 Hz and n = 6 Hz), four sampling lines of the straight channel were monitored for the measure of droplet size distribution and quantity (Figure 4 and Figure A6).
Figure 4 reveals the variation in the quantity of droplets with a diameter of up to 10 microns. The measurements were taken at four sampling lines of the S C h 1 channel at two fan frequencies, namely 5 Hz and 6 Hz. Figure 4a. presents data obtained for n = 5 Hz, and in Figure 4b. the outcomes for n = 6 Hz are exposed. From Figure 4a, it can be observed that at the fourth sampling line, the number of droplets with a diameter less than or equal to about 2 microns reaches its peak value. However, the quantity of droplets with d d 3 µm remains unchanged for droplets of all sizes, unlike the corresponding characteristic depicted in Figure 4b. In the latter case, the number of droplets is significantly higher in value in contrast to the former one. It was observed that the quantities of droplets with all sizes fluctuate, and the maximum value was reached for droplets with diameters of up to about 4 microns. The red lines in Figure 4a,b. correspond to the droplet quantity that was measured at the first sampling line. The green line represents the number of droplets that was measured at the fourth sampling line.The comparison of measurement data (Figure 4a) marked with red and green line, respectively, leads to the conclusion that the droplets with d d 4 microns must have been separated from the main flow. In addition, it was noticed that the amount of droplets fluctuates nonlinearly and its content at the second sampling line is lower than at the third one. The reason for this is the hydraulic stabilization of the flow. In the area of flow development, the fluid’s velocity profile changes, and it fluctuates in both perpendicular and parallel directions to the flow direction. A steady-state velocity profile is achieved after the boundary layer thickness reaches the radius of the pipe at the end of this section of the channel. Figure 4b. introduces an opposite trend, where the mass content of droplets is the highest in value at the fourth sampling line, and the characteristics obtained for other sampling lines vary linearly, unlike Figure 4a. Supplementary characteristics are included in the Appendix C, and the difference in measured values of DSD and DQ between adjacent sampling lines for n = 5 Hz are depicted in Figure A6.
As can be observed in Figure 5, the change in the value of Tu against the length of the S C h 1 channel is nonlinear for fan frequency equal to 4 and 5 Hz. The fan frequency being increased to 6 Hz causes the Tu volatility along the channel to become linear, as observed.
Figure 6 depicts the variation in Tu against the fan frequency. The outcomes obtained for the second sampling line acknowledge that nonlinear variation in Tu occurs.
Correlations of T u with fan frequencies and with the speed of the gas flow are presented in Figure 6 and Figure 7. The assertion that the turbulence factor value always increases as the speed increases is incorrect (Figure 5, Figure 6 and Figure 7).
The dependency of the amount of both the airborne and larger droplets (up to about 20 microns) that exist in the core of the flow is influenced by the turbulence intensity. An appropriate correlation is presented in Figure 8, Figure 9 and Figure 10.
It was noticed that T u influences small droplets’ presence in the flow (Figure 8 and Figure 10). The impact of T u on a droplet separation is also nonlinear (Figure 8 and Figure 9).
At low fluid flow speed, the boundary layer is the thickest. Figure 11 presents a correlation of the BL thickness and the maximum speed of the airflow obtained for individual fan frequencies. It was observed that for T u m a x , a minimum amount of micron and sub-micron droplets occurred in the flow d N m i n (Figure 8), though T u m a x was reached at the lowest fan frequency n = 1 Hz, which results in the lowest value of the speed of the gas at which the BL is the widest.
The highest velocity gradients exist in the field of B L . The results obtained (for S C h 1 at 2nd sampling line) follow this rule, which is depicted in Figure A7 and Figure A8. It was observed that for the maximum speed of the airflow, u m a x , achieved at fan frequency (n = 6 Hz) and corresponding value of turbulence intensity T u 1.33 , number of droplets with diameters of about one micron d N m i n in the core of the flow was the highest which is depicted in Figure 8. The data that were obtained and their analysis are consistent and appropriate since the same conclusion can be drawn by analyzing the data outlined in Figure 5, Figure 12, and Figure 13.
The concentration of larger droplets d N m a x in the core of the flow, for its part, is the lowest since the boundary layer is the thinnest (Figure 14). The number of large droplets (Figure 14) increases with the growth of the boundary layer thickness. Since the boundary layers start to overlap significantly, the number of large droplets in the core of the flow reaches the maximum value. Taking account of the results, it is expected that the Magnus force is responsible for directing the droplets from the core of the flow towards the wall and vice versa.It was noticed that the impact of the Magnus force on the direction and the value of the droplet stopping distance varies nonlinearly with the variation in the droplet diameter and the value of the local velocity gradient.
The following conditions led to the acquisition of data presented in Figure 15: 0.198 d ¯ d µm ≤ 1.34 and n = 5 Hz with e 4 : α = 90 ° and e 1 : α = 30 ° at the end of the S C h 2 channel. The aim was to visualize the differences in the quantity of the micron and sub-micron droplets measured between the 4th and the 5th sampling lines of the S C h 2 channel, at the end of which e 4 and e 1 were mounted alternatively. The discrepancies between quantitative measurements of droplets in the channel with both the elbow e 4 and e 1 attached alternately at its end are depicted using Δ N e 4 and Δ N e 1 .
As depicted in Figure 15, Δ N e 4 is higher in value compared to Δ N e 1 . In the flow through channel elbows with large curvature ( e 4 ), detachment of the boundary layer occurs and induced vortices are being formed, unlike those with mild curvature ( e 1 ). The flow regime in channels with a wide curvature angle resembles the free vortexes flow. By these means an increased mixing of gas and droplets occurs. Therefore, the usage of the elbow with large curvature provides growth in the number of droplets with diameters that are within microns and sub-microns, as desired.
A set of supplementary characteristics which were estimated with the following conditions applied: 0.199 d ¯ d µm ≤ 4.319, n = 1 Hz, n = 5 Hz, and α e 4 = 90 ° , α e 1 = 30 ° are presented in Appendix C, in Figure A9, Figure A10, Figure A11, Figure A12, Figure A13 and Figure A14. The graphs reveal data obtained for the annular–mist flow through the S C h 2 channel with elbow e 4 and e 1 mounted at its end, respectively. The graphs in Figure A9, Figure A10, Figure A11, Figure A12, Figure A13 and Figure A14 expose how the change in the fan frequency impacts the number of droplets 0.199 d ¯ d µm ≤ 4.319 in the core of the flow. The measurements were taken at the same sampling lines. By analyzing the graphical interpretation of the empirical results, it is possible to predict the number and size of droplets that will follow the mist flow depending on the length of the S C h 2 .

Validation

The resultants of both the theoretical analysis and the measurements, are coherent and consistent with the BL theory. The empirical findings were interpreted theoretically, revealing that adding the M force resulted in a significant growth in values of ε d , M and s M compared to ε d , r e f and s r e f , accordingly. In addition, the results obtained are in line with the field literature [9,42,43]. At low fan frequency, the thickness of the BL increases, and vice versa. When the BL is the thickest there exist high local velocity gradients. As observed, a greater share of larger droplets was present in the main flow when high values of the local velocity gradients were measured. The Magnus lift force acts in the flow regions within which large L V G s exist. The thicker the boundary layer is the region within which the M force impacts the movement of droplets is extended. The calculated value of ε d , M and s M increased with the increase in droplet diameter and the L V G values. Hence, the measured quantity of large droplets d N m a x present in the mist flow increased in value with decreasing speed of the gas flow and the corresponding growth in the BL thickness (Figure 14). The increase in the measured value of share of larger droplets was reached at low fan frequencies. The increase in ε d , M and s M was noticed after conducting theoretical analysis with the corresponding flow conditions applied. The M force’s impact is more significant for larger droplets. When the BL was the widest, the region where the M force acted expanded accordingly. Thus, the M force had an influence on the higher number of droplets. The droplet content in the core of the flow increased as a result of this, as per the measurements. Therefore, the outcomes obtained from empirical and theoretical investigations may serve as their mutual validation. Droplets of similar size as those measured using APSS were also identified using PIV.

4. Discussion

The increase in the droplet stopping distance is the effect of the Magnus force acting. Subsequently, the growth in the thickness of the BL implies a reduction in the number of small droplets present in the core flow. The results show that the phenomena of the M and S lift forces acting on a droplet, characterized by high dynamics, is also difficult to predict. Nevertheless, the data gained has confirmed that S and M lift forces influence essentially the quantity of small ( 10 µm), medium ( 20 µm), and larger droplets in the core of the flow, respectively. The research analysis carried out proves that M and S forces ought to be involved in the droplet equation of motion when the droplet trajectory is being investigated, and much attention is paid to droplet deposition and re-entrainment. When BL thickness was large, the small droplet content in the main flow was the lowest. This demonstration confirms that the BL effects and, consequently, the M and S forces influence are of prime importance, especially when a low range of d d is desired. Higher local velocity gradients in BL constitute favorable conditions under which the larger droplets ( d d 20 µm) movement is affected significantly by the Magnus force. The significance of the Magnus force effect, which results from the increase in the value of the local velocity gradient, is followed by the increase in droplet diameter, which is dominant. The coefficient of diffusion obtained for medium and larger droplets ( d d 16.45 µm) is a few orders of magnitude higher than the one of smaller droplets ( d d = 5.04 µm).

Funding

The work on the current article was financed from the statutory funds of the Institute of Fluid-Flow Machinery, Polish Academy of Sciences.

Institutional Review Board Statement

Not applicable.

Informed Consent Statement

Not applicable.

Data Availability Statement

The original contributions presented in the study are included in the article. Further inquiries can be directed to the corresponding author.

Acknowledgments

I want to express my gratitude to my Colleague, Adam Tomaszewski, who assisted me with my laboratory work.

Conflicts of Interest

The author declares no conflicts of interest.

Abbreviations

The following abbreviations are used in this manuscript:
APSSAerosol Particle Size Spectrometer LAP 332
BLboundary layer
d d droplet diameter, m
d ¯ d mean diameter of droplet, m
d N m a x quantity of large droplets
d N m i n quantity of sub-micron and micron droplets
DSDDroplet Size Distribution
e i channel elbows
H R humidity ratio,
L e i length of the elbow channel, m
l m Prandtl mixing path, m
L S C h length of the straight channel, m
DQDroplet Quantity
KConstant, 1 s
LVGlocal velocity Gradient
m ˙ a mass flow rate of air at the inlet of the measurement channels, kg s
m ˙ f air pressure at the inlet of the measurement channels, kg s
m ˙ w mass flow rate of water at the inlet in the pneumatic nozzle, kg h
MMagnus lift force, N
nfan frequency, Hz
P ¯ a mean pressure of air at the inlet in the pneumatic nozzle, bar
P ¯ a t m atmospheric pressure, bar
P ¯ f mean pressure of air at the inlet of the measurement channels, kPa
P ¯ t o t
P ¯ w mean pressure of water at the inlet in the pneumatic nozzle, bar
PIVParticle Image Velocimetry
SSaffman lift force, N
sstopping distance, m
S C h straight channel, m
Tuturbulence intensity
T a m b ambient temperature, °C
T h u m temperature of the hygrometer, °C
uvelocity of the continuous phase, m s
V ˙ a volumetric flow rate of air at the inlet in the pneumatic nozzle, Nm 3 h
v s shear velocity, m s
xvertical axis; length, m
yhorizontal axis
α bending angle, angle of slope, °
δ thickness of the boundary layer, m
κ turbulence constant in the Prandtl mixing model
μ dynamic viscosity, Pa · s
ν kinematic viscosity, m 2 s
ρ density, kg m 3
τ shear stresses, Pa
ε diffusivity of droplets, m 2 s
Subscripts
aair
blboundary layer
MMagnus
refreference
resresultant
tottotal
wwater

Appendix A. Empirical Studies

Oktawia Dolna obtained a grant (Grant No. 2019/03/X/ST8/00608) funded by the Polish National Science Centre ( N C N ) to conduct the experimental research entitled: Investigations on the influence of the mass forces and diffusion mechanism on a droplet separation form the two-phase air–water flow. Oktawia Dolna was the sole contractor who managed the project. The scheme of the laboratory bench is presented in Figure 1. The current paper constitutes an analysis of the unpublished outcomes of the project, providing multiple characteristics of the flow of the liquid film, the gas, and the airborne droplets. Theoretical analysis of the empirical data was carried out to estimate the most important variables based on which the tendency of the droplets to follow the main flow can be prognosed. The dust particles were not included at this level, and these preliminary studies are meant to be continued and coupled with the existing mathematical models developed by the author. The latter concentrates on the multiphase flow, with dust particles included, through four different flow channels. Based on the author’s research findings, four patent applications were sent to the Polish Patent Office ([WIPO ST 10/C PL449061], [WIPO ST 10/C PL449062], [WIPO ST 10/C PL449063], [WIPO ST 10/C PL449064]).

Appendix B. Figures

Appendix B.1. Pictorial View of Both Measurement Channels

Explanatory figures of the channels that were employed for the measurements are depicted in Figure A1, Figure A2 and Figure A3.

Appendix B.1.1. The SCh1 Channel

The straight channel S C h was further used to construct the S C h 2 channel. The latter one had two curved channels mounted at its end, namely the elbow e 4 and e 4 , which are presented in Figure A2 and Figure A3, respectively.
Figure A1. Straight channel S C h that was sloped by 20° and defined as S C h 1 .
Figure A1. Straight channel S C h that was sloped by 20° and defined as S C h 1 .
Applsci 14 10793 g0a1
In Figure A1, Figure A2 and Figure A3, the numbers from 1 to 4 correspond to the first, the second, the third, and the fourth sampling line. In the case of the S C h 1 , most of the research was conducted using the following sampling lines: 2nd, 3rd, and 4th; however, some data were collected for the 1st sampling line. It was observed that, in some cases, the 1st sampling line was too close to the inlet.

Appendix B.1.2. The SCh2 Channel

The S C h 2 channel (Figure A2 and Figure A3) was horizontally oriented.
Figure A2. The S C h 2 channel with the e 4 elbow mounted at its end.
Figure A2. The S C h 2 channel with the e 4 elbow mounted at its end.
Applsci 14 10793 g0a2
Figure A3. The S C h 2 channel with the e 1 elbow mounted at its end.
Figure A3. The S C h 2 channel with the e 1 elbow mounted at its end.
Applsci 14 10793 g0a3

Appendix C. Figures

Appendix C.1. Characteristics Obtained Empirically Using the SCh1 Channel

Appendix C.1.1. Stopping Distances

Supplementary characteristics of s M and s r e f stopping distances against the velocity gradient were estimated for a droplet of a diameter d d = 100 µm, and are depicted in Figure A4 and Figure A5, correspondingly. This comparative analysis to the one presented in Table 4 was carried out to investigate how the droplet’s stopping distance varies with variation in the velocity gradient and the boundary layer thickness.
Figure A4. Droplet stopping distance, s M , as a function of the velocity gradient with Magnus lift force taken into consideration.
Figure A4. Droplet stopping distance, s M , as a function of the velocity gradient with Magnus lift force taken into consideration.
Applsci 14 10793 g0a4
Figure A5. Droplet stopping, s r e f , distance as a function of the velocity gradient with Magnus lift force neglected.
Figure A5. Droplet stopping, s r e f , distance as a function of the velocity gradient with Magnus lift force neglected.
Applsci 14 10793 g0a5

Appendix C.2. Other Characteristics

Figure A6. Difference in measured values of DSD and DQ between adjacent sampling lines for n = 5 Hz.
Figure A6. Difference in measured values of DSD and DQ between adjacent sampling lines for n = 5 Hz.
Applsci 14 10793 g0a6
Figure A7. Velocity profile along the x-axis direction.
Figure A7. Velocity profile along the x-axis direction.
Applsci 14 10793 g0a7
Figure A8. Two-dimensional velocity field.
Figure A8. Two-dimensional velocity field.
Applsci 14 10793 g0a8

Appendix C.3. Characteristics Obtained Empirically Using the SCh2 Channel

Appendix C.3.1. Characteristics Obtained Empirically Using the SCh2 Channel with Elbow e4 Mounted at Its End

Figure A9. DSD and DQ measured at second and third sampling lines of the S C h 2 channel with elbow e 4 mounted at its end and at two fan frequencies n = 1 Hz and n = 5 Hz.
Figure A9. DSD and DQ measured at second and third sampling lines of the S C h 2 channel with elbow e 4 mounted at its end and at two fan frequencies n = 1 Hz and n = 5 Hz.
Applsci 14 10793 g0a9
Figure A10. DSD and DQ measured at fourth and fifth sampling lines of the S C h 2 channel with elbow e 4 mounted at its end and at two fan frequencies n = 1 Hz and n = 5 Hz.
Figure A10. DSD and DQ measured at fourth and fifth sampling lines of the S C h 2 channel with elbow e 4 mounted at its end and at two fan frequencies n = 1 Hz and n = 5 Hz.
Applsci 14 10793 g0a10
Figure A11. (a). The total number of droplets was measured using the aerosol spectrometer at 4 sampling lines of the S C h 2 channel with elbow e 4 mounted at its end. (b). The standard deviation that was estimated for the total droplet quantity d N t o t that was measured in the S C h 2 channel with elbow e 4 mounted at its end.
Figure A11. (a). The total number of droplets was measured using the aerosol spectrometer at 4 sampling lines of the S C h 2 channel with elbow e 4 mounted at its end. (b). The standard deviation that was estimated for the total droplet quantity d N t o t that was measured in the S C h 2 channel with elbow e 4 mounted at its end.
Applsci 14 10793 g0a11

Appendix C.3.2. Characteristics Obtained Empirically Using the SCh2 Channel with Elbow e1 Mounted at Its End

Figure A12. DSD and DQ measured at second and third sampling lines of the S C h 2 channel with elbow e 1 mounted at its end and at two fan frequencies n = 1 Hz and n = 5 Hz.
Figure A12. DSD and DQ measured at second and third sampling lines of the S C h 2 channel with elbow e 1 mounted at its end and at two fan frequencies n = 1 Hz and n = 5 Hz.
Applsci 14 10793 g0a12
Figure A13. DSD and DQ measured at fourth and fifth sampling lines of the S C h 2 channel with elbow e 1 mounted at its end and at two fan frequencies n = 1 Hz and n = 5 Hz.
Figure A13. DSD and DQ measured at fourth and fifth sampling lines of the S C h 2 channel with elbow e 1 mounted at its end and at two fan frequencies n = 1 Hz and n = 5 Hz.
Applsci 14 10793 g0a13
Figure A14. (a). The total number of droplets was measured using the aerosol spectrometer at 4 sampling lines of the S C h 2 channel with elbow e 1 mounted at its end. (b). The standard deviation that was estimated for the total droplet quantity d N t o t that was measured in the S C h 2 channel with elbow e 1 mounted at its end.
Figure A14. (a). The total number of droplets was measured using the aerosol spectrometer at 4 sampling lines of the S C h 2 channel with elbow e 1 mounted at its end. (b). The standard deviation that was estimated for the total droplet quantity d N t o t that was measured in the S C h 2 channel with elbow e 1 mounted at its end.
Applsci 14 10793 g0a14

Appendix D. Specification of the Equipment Devices That Were Employed for the Empirical Investigations (See Appendix A)

Table A1. Specification of devices that were used for the measurements (see Appendix A) of the pressure and mass/volumetric flow rates of air and water.
Table A1. Specification of devices that were used for the measurements (see Appendix A) of the pressure and mass/volumetric flow rates of air and water.
Coriolis Liquid Flow MeterEndress + Hauser Promass 40
Range, [ kg h ] : 0 ÷ 180 , 000
Measurement deviation [ % ] : ± 0.5
Nominal diameter, [ in ] : 3 8 ÷ 3
Thermal gas flow meterIntrol ST75V
Range, [ in ] : 1 4 ÷ 2
Measurement deviation, [ % ] :better than 1 of indications + 0.5 of the range
Working fluid:gases/air
Temperature of the medium, [°C]: 18 ÷ 121
pressure, [ b a r ] :40
Measurand:compensated flow
Rangeability: 100 ÷ 1
Pressure transmitterWIKA IS-20-S
Range, [ bar ] : 0 ÷ 20
Temperature error, [ % ] Temperature range, [°C]
≤1 of span 20 ÷ 80
≤1.5 of span 30 ÷ 100
Table A2. Specification of pneumatic nozzle that was employed for droplet generation.
Table A2. Specification of pneumatic nozzle that was employed for droplet generation.
Air–Water Pneumatic NozzleHennlich 136.125
Nominal diameter, [ mm ] :0.5
Water pressure, [ bar ] :4
Air pressure, [ bar ] : 3.4 ÷ 5.8
Volumetric flow rate of water, [ l h ] : 8.6 ÷ 10.6
Volumetric flow rate of air, [ m 3 h ] : 3.9 ÷ 6.10
Table A3. Specification of the PIV set. The PIV method uses laser light scattering to measure the flow velocity field on the molecules that follow the flow.
Table A3. Specification of the PIV set. The PIV method uses laser light scattering to measure the flow velocity field on the molecules that follow the flow.
Laser Dantec DynamicsDual Power 135-15
Litron Lasers for Nano-PIV
Series:Nd:YAG
Class:4
Duration of the impulse, [ ns ] :4
CameraDantec Dynamics FlowSense EO 2M
Resolution, [ M P ] : 5 ÷ 9
The PIV (Particle Image Velocimetry) method is used to measure the flow velocity field using laser light scattering on the droplets following the flow.
Table A4. Specification of devices applied for measurement of the droplet’s diameter.
Table A4. Specification of devices applied for measurement of the droplet’s diameter.
TOPASLAP 323 Aerosol Spectrometer
Measuring range, particle size, [m]: 0.15 ÷ 40
Measuring range, concentration, [m−3]:max. 10,000
Resolution, particle size:max 128 size channels (adjustable)
Test flow rate:3.0 (0.1 trough measuring cell)
Droplet Size AnalyzerDSA D Kamika Instruments
Range:50 [m] ÷ 4 [mm]
Number of measurement classes:256
Light source:diode Infrared

References

  1. Dolna, O.; Mikielewicz, J.; Rolka, P. Analytical studies on deposition and entrainment present in the Venturi nozzle two-phase flow. Int. J. Energy Environ. Eng. 2021, 12, 487–502. [Google Scholar] [CrossRef]
  2. Śliwińska, A. Evaluation of the impact of the carbon dioxide capture technologies on the environment in the electrical energy generation process. Min. Rev. 2010, 10, 90–96. (In Polish) [Google Scholar]
  3. Woolcock, P.J.; Brown, R.C. A review of cleaning technologies for biomass-derived syngas. Biomass Bioenergy 2013, 10, 54–84. [Google Scholar] [CrossRef]
  4. Dolna, O. Venturi scrubbers—Literature review and CFD analysis (in Polish). Energy Mark. 2019, 4, 26–32. [Google Scholar]
  5. Azzopardi, B.J.; Govan, A.H. The Modelling of Venturi Scrubbers. Filtr. Sep. 1984, 21, 196–200. [Google Scholar]
  6. Gonçalves, J.A.S.; Costa, M.A.M.; Henrique, P.R.; Coury, J.R. Atomization of liquid in a Pease-Anthony Venturi scrubber Part I. Jet dynamics. J. Hazard. Mater. 2003, 97 Pt B, 267–297. [Google Scholar] [CrossRef]
  7. Allen, R.W.K. Designing for pressure drop in Venturi scrubbers: The importance of dry pressure drop. Chem. Eng. J. Biochem. Eng. J. 1996, 61, 203–211. [Google Scholar] [CrossRef]
  8. Mikielewicz, J.; Dolna, O.; Kwidziński, R. Diffusive–inertial droplet separation model from two-phase flow. Arch. Thermodyn. 2021, 42, 1–18. [Google Scholar]
  9. Dolna, O.; Mikielewicz, J. Separation of droplets in the field of a boundary layer. J. Eng. Phys. Thermophys. 2019, 92, 1201–1206. [Google Scholar] [CrossRef]
  10. Schimpf, J.K.; Kim, K.D.; Heo, J.; Kim, B.J. Development of droplet entrainment and deposition models for horizontal flow. Nucl. Eng. Technol. 2018, 50, 379–388. [Google Scholar] [CrossRef]
  11. Sun, B.; Cheng, W.; Wang, J.; Wang, H.; Ma, Y. Development of Venturi negative-pressure secondary dedust device and proposal of local spray closure technique. Adv. Powder Technol. 2019, 30, 42–54. [Google Scholar] [CrossRef]
  12. Sedler, B.; Mikielewicz, J. A simplified method of the boiling crisis. Int. J. Heat Mass Transf. 1981, 24, 431–438. [Google Scholar] [CrossRef]
  13. Govan, A.H. Modelling of Vertical Annular and Dispersed Two-Phase Flows. Ph.D. Thesis, Imperial College, University of London, London, UK, 1990. [Google Scholar]
  14. Talaie, M.R.; Mokhtarian, N.; Talaie, A.R.; Karimikhosroabadi, M.; Sadeghi, F. Experimental and Theoretical Investigation of Droplet Dispersion in Venturi Scrubbers with Axial Liquid Injection. Chem. Eng. Technol. 2009, 32, 798–804. [Google Scholar] [CrossRef]
  15. Viswanathan, S. Examination of liquid film characteristics in the prediction of pressure drop in a Venturi scrubber. Chem. Eng. Sci. 1998, 53, 3161–3175. [Google Scholar] [CrossRef]
  16. Gamisans, X.; Sarra, M.; Lafuente, F.J.; Azzopardi, B.J. The hydrodynamics of ejector-venturi scrubbers and their modelling by annular flow/boundary layer model. Chem. Eng. Sci. 2002, 57, 2707–2718. [Google Scholar] [CrossRef]
  17. Xavier, G.; Montserrrat, S.; Lafuente, F.X. Gas pollutants removal in a single and two stage ejector venturi scrubber. J. Hazard. Mater. 2002, B90, 251–266. [Google Scholar]
  18. Gonçalves, J.A.S.; Costa, M.A.M.; Aguiar, M.L.; Coury, J.R. Atomization of liquid in a Pease-Anthony Venturi scrubber Part II. Droplet dispersion. J. Hazard. Mater. 2004, 116 Pt B, 147–157. [Google Scholar] [CrossRef]
  19. Yoshida, T.; Morishima, N.; Suzuki, M.; Fukutome, N. Pressure loss for the acceleration of atomized droplets. Kagaku Kogaku 1965, 29, 308. [Google Scholar] [CrossRef][Green Version]
  20. Boll, R.H.; Flais, L.R.; Maurer, P.W.; Thompson, W.L. Mean dropsize in a full-scale Venturi scrubber via transmissometer. J. Air Pollut. Control. Assoc. 1974, 24, 932–938. [Google Scholar] [CrossRef]
  21. Atkinson, D.S.F.; Strauss, W. Droplet size and surface tension in Venturi scrubbers. J. Air Pollut. Control. Assoc. 1978, 28, 1114–1118. [Google Scholar] [CrossRef]
  22. Alonso, D.F.; Gonçalves, J.A.S.; Azzopardi, B.J.; Coury, J.R. Drop size measurements in Venturi scrubbers. Chem. Eng. Sci. 2001, 56, 4901–4911. [Google Scholar] [CrossRef]
  23. Silva, A.M.; Teixeira, J.C.F.; Teixeira, S.F.C.F. Teixeira Experiments in a large-scale Venturi scrubber Part I: Pressure drop. Chem. Eng. Process. 2009, 48, 59–67. [Google Scholar] [CrossRef]
  24. Pulley, R.A. Modelling the performance of venturi scrubbers. Chem. Eng. J. 1997, 67, 9–18. [Google Scholar] [CrossRef]
  25. Guerra, A.S.; Guerra, V.G.; Coury, J.R.; Gonçalves, J.A. Film fraction in a Vertical Circular Ventruri Scrubber. J. Braz. Soc. Mech. Sci. Eng. 2011, 33, 233–236. [Google Scholar] [CrossRef]
  26. Wendsida, I.S.; Joseph, B.D.; Belkacem, Z.; Xavier, C. Experimental study of gas cleaning by a wet approach Venturi type. J. Eng. Stud. Res. 2012, 18, 104–110. [Google Scholar]
  27. Calvert, S. Venturi and other Atomizing Scrubbers efficiency and pressure drop. AIChE J. 1977, 16, 392–396. [Google Scholar] [CrossRef]
  28. Yung, S.C.; Barbarika, H.F.; Calvert, S. Pressure loss in venturi scrubbers. J. Air Pollut. Control. Assoc. 1977, 27, 348–351. [Google Scholar] [CrossRef]
  29. Leith, D.; Cooper, D.W.; Rudnick, S.N. Venturi scrubbers: Pressure loss and regain. Aerosol Sci. Technol. 1985, 4, 239–243. [Google Scholar] [CrossRef]
  30. Hesketh, H.E. Fine particle collection efficiency related to pressure drop, scrubbant and particle properties and contact mechanism. J. Air Pollut. Control. Assoc. 1974, 24, 939–942. [Google Scholar] [CrossRef]
  31. Boll, R.H. Particle collection and pressure drop in venturi scrubber. Ind. Eng. Chem. Fundam. 1973, 12, 40–49. [Google Scholar] [CrossRef]
  32. Azzopardi, B.J.; Teixeira, S.F.C.F.; Govan, A.H.; Bott, T.R. An improved model for the pressure drop in venturi scrubbers. Trans. Inst. Chem. Eng. 1991, B69, 55–64. [Google Scholar]
  33. Azzopardi, B.J. Gas-liquid flows in cylindrical Venturi scrubbers: Boundary layer separation in diffuser section. Chem. Eng. J. 1992, 49, 55. [Google Scholar] [CrossRef]
  34. Azzopardi, B.J. Liquid distribution in Venturi scrubbers: The importance of liquid films on the channel walls. Chem. Eng. Sci. 1993, 48, 2807–2813. [Google Scholar] [CrossRef]
  35. Viswanathan, S.; Gnyp, A.W.; Pierre, C.C.S. Annular flow pressure drop model for Pease-Anthony-type Venturi scrubbers. AIChE J. 1985, 31, 1947. [Google Scholar] [CrossRef]
  36. Banaszek, M.; Iwan, J.; Jakubek, A.; Ogonowski, A.; Tesch, K.; Żochowski, K. Fluid Mechanics Laboratory; Technical University of Gdańsk: Gdańsk, Poland, 2013. (In Polish) [Google Scholar]
  37. Cohen, I.M.; Kundu, P.K. Chapter 1, Chapter 12. In Fluid Mechanics Third Edition; Elsevier Academic Press: San Diego, CA, USA, 2004; pp. 1–23, 453–518. [Google Scholar]
  38. Kubski, P.; Mikielewicz, J. Approximated analysis of the drag force of the droplet evaporating within the fluid flow. Trans. Inst. Fluid-Flow Mach. 1981, 81, 53–66. (In Polish) [Google Scholar]
  39. Beek, W.J.; Muttzal, K.M. Transport Phenomena; Wiley: London, UK, 1975. [Google Scholar]
  40. Hutchinson, P.; Hewitt, G.F.; Ducler, A.E. Deposition of liquid or solid dispersions from turbulent gas stream—A stochastic model. Chem. Eng. Sci. 1971, 26, 419–439. [Google Scholar] [CrossRef]
  41. Tang, M.J.; Cox, R.A.; Kalberer, M. Compilation and evaluation of gas phase diffusion coefficients of reactive trace gases in the atmosphere: Volume 1. Inorganic compounds. Atmos. Chem. Phys. 2014, 14, 9233–9247. [Google Scholar] [CrossRef]
  42. Mikielewicz, J. A simplified analysis of Magnus lift force impact on a small droplets separation from the two-phase flow. Trans. Inst. Fluid Flow Mach. 1978, 75, 63–71. [Google Scholar]
  43. Ranhiainen, P.O.; Stachiewicz, J.W. On the deposition of small particles from turbulent streams. Int. J. Heat Mass Transf. 1970, 92, 169–171. [Google Scholar]
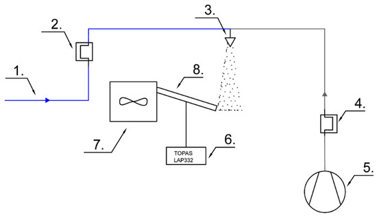
Figure 1. Scheme of the lab stand where: 1.—water supply, 2.—Coriolis flow meter (see Appendix D, Table A1), 3.—pneumatic air–water nozzle that generates droplets (see Appendix D, Table A2), 4.—airflow meter (see Appendix D, Table A1), 5.—compressor, 6.—Topas LAP 332 (see Appendix D, Table A4), 7.—fan, 8.—measuring channel (see Appendix B, Figure A1, Figure A2 and Figure A3).
Figure 1. Scheme of the lab stand where: 1.—water supply, 2.—Coriolis flow meter (see Appendix D, Table A1), 3.—pneumatic air–water nozzle that generates droplets (see Appendix D, Table A2), 4.—airflow meter (see Appendix D, Table A1), 5.—compressor, 6.—Topas LAP 332 (see Appendix D, Table A4), 7.—fan, 8.—measuring channel (see Appendix B, Figure A1, Figure A2 and Figure A3).
Applsci 14 10793 g001
Figure 2. An image of air–water droplet flow in the direction of the y-axis that was recorded through P I V measurements.
Figure 2. An image of air–water droplet flow in the direction of the y-axis that was recorded through P I V measurements.
Applsci 14 10793 g002
Figure 3. The resultant speed of the airflow affected by variations in fan frequencies.
Figure 3. The resultant speed of the airflow affected by variations in fan frequencies.
Applsci 14 10793 g003
Figure 4. DSD and DQ at four sampling lines for fan frequency: (a). n = 5 Hz and (b). n = 6 Hz.
Figure 4. DSD and DQ at four sampling lines for fan frequency: (a). n = 5 Hz and (b). n = 6 Hz.
Applsci 14 10793 g004
Figure 5. Variation in turbulence intensity against the length of the S C h 1 channel.
Figure 5. Variation in turbulence intensity against the length of the S C h 1 channel.
Applsci 14 10793 g005
Figure 6. Turbulence intensity as a function of n.
Figure 6. Turbulence intensity as a function of n.
Applsci 14 10793 g006
Figure 7. Turbulence intensity as a function of the mean speed of the airflow.
Figure 7. Turbulence intensity as a function of the mean speed of the airflow.
Applsci 14 10793 g007
Figure 8. Quantity of sub-micron droplets, few-micron droplets, and larger droplets present in the core of the flow against turbulence intensity at n = 6 Hz.
Figure 8. Quantity of sub-micron droplets, few-micron droplets, and larger droplets present in the core of the flow against turbulence intensity at n = 6 Hz.
Applsci 14 10793 g008
Figure 9. Quantity of all droplets present in the core of the flow against turbulence intensity.
Figure 9. Quantity of all droplets present in the core of the flow against turbulence intensity.
Applsci 14 10793 g009
Figure 10. Number of drops with diameters d d 10 µm existing in the main flow at the 2nd sampling line, at fan frequency n = 5 Hz.
Figure 10. Number of drops with diameters d d 10 µm existing in the main flow at the 2nd sampling line, at fan frequency n = 5 Hz.
Applsci 14 10793 g010
Figure 11. BL thickness as a function of the maximum speed of the airflow.
Figure 11. BL thickness as a function of the maximum speed of the airflow.
Applsci 14 10793 g011
Figure 12. Turbulence intensity as a function of the maximum speed of the airflow at varying fan frequencies.
Figure 12. Turbulence intensity as a function of the maximum speed of the airflow at varying fan frequencies.
Applsci 14 10793 g012
Figure 13. Quantity of sub-micron and micron droplets as a function of the thickness of the boundary layer.
Figure 13. Quantity of sub-micron and micron droplets as a function of the thickness of the boundary layer.
Applsci 14 10793 g013
Figure 14. Quantity of large droplets determined by the thickness of the boundary layer.
Figure 14. Quantity of large droplets determined by the thickness of the boundary layer.
Applsci 14 10793 g014
Figure 15. Total amount of micron and sub-micron droplets that was measured in the S C h 2 with two elbows ( e 1 , e 2 ) mounted at its end, where Δ N e 4 e 1 = Δ N e 4 Δ N e 1 .
Figure 15. Total amount of micron and sub-micron droplets that was measured in the S C h 2 with two elbows ( e 1 , e 2 ) mounted at its end, where Δ N e 4 e 1 = Δ N e 4 Δ N e 1 .
Applsci 14 10793 g015
Table 1. Measured initial conditions applied for empirical investigation. Apparatus that was employed is presented in Appendix A.
Table 1. Measured initial conditions applied for empirical investigation. Apparatus that was employed is presented in Appendix A.
ParameterUnitValue
P ¯ f kPa100.7
P ¯ t o t kPa202
P ¯ a t m kPa101.3
m ˙ f kg s 0.003
P ¯ a bar3.54
V ˙ a Nm 3 h 3.1
P ¯ w bar3.95
m ˙ w kg h 10.8
H R -0.47
T a m b °C25.4
T h u m °C27.1
Table 2. Juxtaposition of the geometric parameters of the flow channels on the lab bench.
Table 2. Juxtaposition of the geometric parameters of the flow channels on the lab bench.
Channel ElbowsL [m]α [°] a , b [m]
L e 1 0.3230
L e 4 0.9490
Straight channel
L S C h 1 2200.05
L S C h 2 2 0.05
Sampling lines [m]
1 st 2 nd 3 rd 4 th
SCh 1
0.150.51.41.8
SCh 2
2 nd 3 rd 4 th 5 th
0.51.8 L S C h 2 + 0.5 · L e i L S C h 2 + L e i
Table 3. Empirical data applied for theoretical calculations (Appendix A).
Table 3. Empirical data applied for theoretical calculations (Appendix A).
ParameterUnitValue
ρ w kg m 3 999.7
δ b l m 19.6 · 10 3
d u ¯ d x m a x 1 s 4.8
κ 0.41
ρ a kg m 3 2.36
μ a Pa · s 1.85 · 10 5
ν a m 2 s 7.84 · 10 6
Table 4. Droplet diffusion coefficients and stopping distances 1 estimated for varying d d , a maximum value of the L V G , and δ b l = 0.026 m.
Table 4. Droplet diffusion coefficients and stopping distances 1 estimated for varying d d , a maximum value of the L V G , and δ b l = 0.026 m.
d d [µm] s M · 10 5 [m] s ref · 10 5 [m] ε d , M · 10 8   m 2 s ε d , ref · 10 8   [ m 2 s ]
1.860.05297460.0529745980.00013470280.00013470278
5.040.3906370.39063640.007324660.00732465
16.454.1624.1610.83140.8312
5038.738.47271
10017115413951135
15068734622.6695747
1 Results of a comparative analysis are presented in Appendix C, in Figure A4 and Figure A5.
Table 5. Prandtl’s mixing length and the coefficient of turbulent diffusion as a function of the L V G and δ b l that varied.
Table 5. Prandtl’s mixing length and the coefficient of turbulent diffusion as a function of the L V G and δ b l that varied.
du g dx   1 s l m · 10 3 [m] ε d , turb · 10 4   [ m 2 s ] δ bl [m]
4.8115.460.026
3.99.434.30.023
2.229.023.90.022
1.938.63.60.021
1.288.23.30.02
0.37483.10.0196
Disclaimer/Publisher’s Note: The statements, opinions and data contained in all publications are solely those of the individual author(s) and contributor(s) and not of MDPI and/or the editor(s). MDPI and/or the editor(s) disclaim responsibility for any injury to people or property resulting from any ideas, methods, instructions or products referred to in the content.

Share and Cite

MDPI and ACS Style

Dolna, O. Evaluation of the Effects of Body Forces and Diffusion Mechanisms on Droplet Separation in a Two-Phase Annular–Mist Flow. Appl. Sci. 2024, 14, 10793. https://doi.org/10.3390/app142310793

AMA Style

Dolna O. Evaluation of the Effects of Body Forces and Diffusion Mechanisms on Droplet Separation in a Two-Phase Annular–Mist Flow. Applied Sciences. 2024; 14(23):10793. https://doi.org/10.3390/app142310793

Chicago/Turabian Style

Dolna, Oktawia. 2024. "Evaluation of the Effects of Body Forces and Diffusion Mechanisms on Droplet Separation in a Two-Phase Annular–Mist Flow" Applied Sciences 14, no. 23: 10793. https://doi.org/10.3390/app142310793

APA Style

Dolna, O. (2024). Evaluation of the Effects of Body Forces and Diffusion Mechanisms on Droplet Separation in a Two-Phase Annular–Mist Flow. Applied Sciences, 14(23), 10793. https://doi.org/10.3390/app142310793

Note that from the first issue of 2016, this journal uses article numbers instead of page numbers. See further details here.

Article Metrics

Back to TopTop