An Investigation of Energy Consumption Characteristics of the Pump-Control System for Electric Excavator Arms
Abstract
1. Introduction
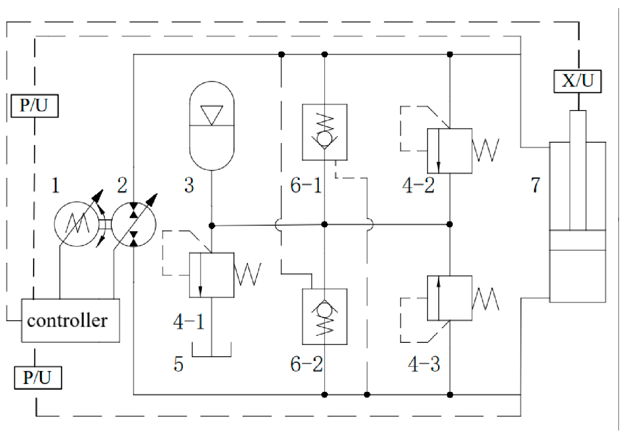
2. Working Principle of the Variable-Speed Motor—Variable-Displacement Hydraulic Pump-Controlled Hydraulic Cylinder
3. Materials and Methods
3.1. Mathematical Model of the System
- (1)
- Three-phase asynchronous motor mathematical model
- (2)
- Variable pump-flow equation
- (3)
- Continuity equation of hydraulic cylinder flow
- (4)
- Hydraulic cylinder force balance equation
- (5)
- Accumulator equation
3.2. Variable-Speed Motor Drive–Variable-Displacement Hydraulic Pump Energy Consumption Model
- (1)
- Motor energy consumption model
- (2)
- Variable-displacement hydraulic pump energy consumption model
- (3)
- Variable-speed motor—variable-displacement hydraulic pump energy conversion efficiency model
4. Motor–Hydraulic Pump Energy Consumption Analysis Experiment
4.1. Experimental Platform Construction
4.2. Experimental Analysis
4.2.1. Experimental Scheme
- Experimental purpose
- 2.
- Experimental principle
- 3.
- Experimental element
4.2.2. Selection Basis for the Experimental Parameters
4.3. Optimal Speed Rule of Different Load Powers
5. Simulation Analysis
6. Conclusions
Author Contributions
Funding
Data Availability Statement
Conflicts of Interest
References
- Zhao, J.; Cheng, Z.; Jia, M. Development trend of excavator electrification technology. Constr. Mach. Technol. Manag. 2023, 36, 25–30. [Google Scholar]
- Liu, C.; He, Q.; Tang, Q.; Ren, K.; Gong, J.; Zhang, D. Novel control strategy for the energy recovery system of a hydraulic excavator. Int. J. Agric. Biol. Eng. 2024, 17, 94–101. [Google Scholar]
- Janosevic, D.; Mitrev, R.; Andjelkovic, B.; Petrov, P. Quantitative measures for assessment of the hydraulic excavator digging efficiency. J. Zhejiang Univ. Sci. A 2012, 13, 926–942. [Google Scholar] [CrossRef]
- Jovanović, V.; Marinković, D.; Janošević, D.; Petrović, N. Influential Factors in the Loading of the Axial Bearing of the Slewing Platform Drive in Hydraulic Excavators. Teh. Vjesn. 2023, 30, 158–168. [Google Scholar]
- Lee, M.S.; Shin, Y.I.; Choi, S.J.; Kang, H.B.; Cho, K.Y. Development of a machine control technology and productivity evaluation for excavator. J. Drive Control 2020, 17, 37–43. [Google Scholar]
- Huang, H.; Cheng, J.; Xia, L.; Huang, W.; Quan, L.; Huang, J. Study on energy consumption characteristics of hydraulic electric series drive rotary system of excavator. Chin. Hydraul. Pneum. 2024, 48, 1–6. [Google Scholar]
- Du, L.; Luo, Y.L.; Zhou, S.X.; Yang, L. Energy-saving simulation analysis of the hydraulic system of hybrid power excavating manipulator. Mach. Tool Hydraul. 2023, 51, 140–145. [Google Scholar]
- Hou, S. Experimental Study on Energy Consumption Characteristics of Double Pump Drive Boom of Servo Motor. Electr. Eng. 2019, 40, 494–501. [Google Scholar]
- Zhang, S.Z.; Huang, H.J.; Yan, D. Performance Research Based on Servo Motor Driven Pump-controlled Cylinder Technology for Excavator. Hydraul. Pneum. 2019, 2, 68–72. [Google Scholar]
- Huang, W.; Quan, L.; Huang, J.; Yang, J. Flow matching with combined control of the pump and the valves for the independent metering swing system of a hydraulic excavator. Proc. Inst. Mech.Eng. Part D J. Automob.Eng. 2018, 232, 1310–1322. [Google Scholar] [CrossRef]
- Huang, H.; Tang, Y.; Jin, R.; Li, L.; Li, D.; Liu, Z. Dynamic Process Energy Efficiency Optimization of Variable Speed and Displacement Hydraulic Drive System. Chin. J. Mech. Eng. 2021, 57, 185–193. [Google Scholar]
- Wang, H.; Yuan, H.; Li, F.; Zhang, Q. Simulation Analysis of Control Scheme and Circuit Characteristics of Asymmetric pump-controlled Hydraulic System. Forg. Technol. 2022, 47, 1–4. [Google Scholar]
- Zhao, T.; Guo, J.; Zhang, G.; Cao, X.; Wang, S. Design and Simulation of Electro-Hydrodynamic Actuator System for Heavy Duty Manipulator with Speed and Displacement Combined Control. Mach. Tool Hydraul. 2021, 49, 164–168. [Google Scholar]
- Feng, H.; Song, Q.; Yin, C.; Cao, D. Adaptive Impedance Control Method for Dynamic Contact Force Tracking of Robotic Excavators. J. Constr. Eng. Manag. 2022, 148, 04022124. [Google Scholar] [CrossRef]
- Du, S.; Zhou, J.; Hong, J.; Zhao, H.; Ma, S. Application and progress of high-efficiency electro-hydrostatic actuator technology with energy recovery: A comprehensive review. Energy Convers. Manag. 2024, 321, 119041. [Google Scholar] [CrossRef]
- Xia, L.; Quan, L.; Ge, L.; Hao, Y. Energy efficiency analysis of integrated drive and energy recuperation system for hydraulic excavator boom. Energy Convers. Manag. 2018, 156, 680–687. [Google Scholar] [CrossRef]
- Jin, F.; Yao, E.; An, K. Analysis of the potential demand for battery electric vehicle sharing: Mode share and spatiotemporal distribution. J. Transp. Geogr. 2020, 82, 102630. [Google Scholar] [CrossRef]
- Gao, J.; Sun, C.; Zhao, H.; Shen, Y.; Anguelov, D.; Li, C.; Schmid, C. Vectornet: Encoding HD maps and agent dynamics from vectorized representation. In Proceedings of the IEEE/CVF Conference on Computer Vision and Pattern Recognition, Seattle, WA, USA, 13–19 June 2020; pp. 11525–11533. [Google Scholar]
- Song, L.; Zheng, Y.; Xiao, Z.; Wang, C. Review on thermal runaway of lithium-ion batteries for electric vehicles. J. Electron. Mater. 2022, 51, 30–46. [Google Scholar] [CrossRef]
- Aiso, K.; Akatsu, K. Performance comparison of high-speed motors for electric vehicle. World Electr. Veh. J. 2022, 13, 57. [Google Scholar] [CrossRef]
- Ma, T.; Wu, J.; Hao, L.; Lee, W.-J.; Yan, H.; Li, D. The optimal structure planning and energy management strategies of smart multi energy systems. Energy 2018, 160, 122–141. [Google Scholar] [CrossRef]
- Wang, M.; Wu, T.; Miao, L. Simulation study on the control strategy of the series hybrid mixer. Agric. Equip. Veh. Eng. 2023, 132–136. [Google Scholar]
- Wang, Y.; Tang, C.; Xiao, N. Energy Management Strategy for Extended Range Electric Vehicles Based on Optimization and temperature effect. J. Energy Storage 2022, 51, 109–117. [Google Scholar] [CrossRef]
- Feng, N.; Ma, T.; Chen, C. Fuzzy energy management strategy for hybrid electric vehicles on battery state-of-charge estimation by particle filter. SN Appl. Sci. 2022, 4, 256. [Google Scholar] [CrossRef]
- Tran, M.-K.; Mevawalla, A.; Aziz, A.; Panchal, S.; Xie, Y.; Fowler, M. A review of lithium-ion battery thermal runaway modeling and diagnosis approaches. Processes 2022, 10, 1192. [Google Scholar] [CrossRef]
- Mallick, S.; Gayen, D. Thermal behaviour and thermal runaway propagation in lithium-ion battery systems—A critical review. J. Energy Storage 2023, 62, 106894. [Google Scholar] [CrossRef]
- Jelavic, E.; Berdou, Y.; Jud, D.; Kerscher, S.; Hutter, M. Terrain-adaptive planning and control of complex motions for walking excavators. In Proceedings of the 2020 IEEE/RSJ International Conference on Intelligent Robots and Systems (IROS), Las Vegas, NV, USA, 25–29 October 2020; pp. 2684–2691. [Google Scholar]
- Cho, S.H.; Han, S.U. Reinforcement learning-based simulation and automation for tower crane 3D lift planning. Autom. Constr. 2022, 144, 104620. [Google Scholar] [CrossRef]
- Kemperdick, T.; Letmathe, P. External costs of battery-electric and fuel cell electric vehicles for heavy-duty applications. Transp. Res. Part D Transp. Environ. 2024, 131, 104198. [Google Scholar] [CrossRef]

















| Name | Item | Quantity Value |
|---|---|---|
| three-phase power meter | voltage | 10.0–500.0 V |
| current | 0.03–40 A | |
| voltage | 10.0–500.0 V | |
| three-phase induction motor | rated power | 110 kW |
| rated voltage | 380 V | |
| input capacitance | 160 kVA | |
| frequency changer | speed stability accuracy | ±0.5% |
| torque control accuracy | ±5% | |
| input capacitance | 160 kVA | |
| hydraulic pump | maximum displacement | 85 mL/r |
| speed range | 500–3000 r/min | |
| maximum pressure | 35 MPa | |
| overflow valve | diameter | 30 mm |
| maximum working pressure | 31.5 MPa | |
| maximum flow rate | 650 L/min | |
| torque-speed sensor | power source | ±24 V |
| torque signal | 5–15 khz |
| Load Power (kW) | Optimum Speed (r/min) | Efficiency (%) |
|---|---|---|
| 11.56 | 1325 | 61.05 |
| 14.45 | 1375 | 68.12 |
| 17.34 | 1425 | 69.78 |
| 20.23 | 1475 | 70.51 |
| 23.12 | 1525 | 73.82 |
| Item | Numerical Value |
|---|---|
| variable pump maximum displacement (mL/r) | 25 |
| rated torque of the motor (Nm) | 80 |
| rated motor speed (r/min) | 2000 |
| rated power of the motor (kW) | 15 |
| hydraulic cylinder bore (mm) | 40 |
| hydraulic cylinder rod diameter (mm) | 25 |
| accumulator volume (L) | 6 |
| accumulator pre-charge pressure (bar) | 15 |
Disclaimer/Publisher’s Note: The statements, opinions and data contained in all publications are solely those of the individual author(s) and contributor(s) and not of MDPI and/or the editor(s). MDPI and/or the editor(s) disclaim responsibility for any injury to people or property resulting from any ideas, methods, instructions or products referred to in the content. |
© 2024 by the authors. Licensee MDPI, Basel, Switzerland. This article is an open access article distributed under the terms and conditions of the Creative Commons Attribution (CC BY) license (https://creativecommons.org/licenses/by/4.0/).
Share and Cite
He, A.; Wei, L.; Lu, Q.; He, P. An Investigation of Energy Consumption Characteristics of the Pump-Control System for Electric Excavator Arms. Appl. Sci. 2024, 14, 10791. https://doi.org/10.3390/app142310791
He A, Wei L, Lu Q, He P. An Investigation of Energy Consumption Characteristics of the Pump-Control System for Electric Excavator Arms. Applied Sciences. 2024; 14(23):10791. https://doi.org/10.3390/app142310791
Chicago/Turabian StyleHe, Aihuan, Liejiang Wei, Quanfeng Lu, and Pengfei He. 2024. "An Investigation of Energy Consumption Characteristics of the Pump-Control System for Electric Excavator Arms" Applied Sciences 14, no. 23: 10791. https://doi.org/10.3390/app142310791
APA StyleHe, A., Wei, L., Lu, Q., & He, P. (2024). An Investigation of Energy Consumption Characteristics of the Pump-Control System for Electric Excavator Arms. Applied Sciences, 14(23), 10791. https://doi.org/10.3390/app142310791
