Next Article in Journal
Leveraging Multi-Agent Systems and Decentralised Autonomous Organisations for Tax Credit Tracking: A Case Study of the Superbonus 110% in Italy
Previous Article in Journal
Evaluation of Dynamics of a Freight Wagon Model with Viscous Damping
 
 
Font Type:
Arial Georgia Verdana
Font Size:
Aa Aa Aa
Line Spacing:
Column Width:
Background:
Article

The Role of Chemical Treatments on Curaua Fibers on Mechanical and Thermal Behavior of Biodegradable Composites

by
Janaíne M. de Oliveira
1,
Vitor M. Z. Sousa
1,
Linconl A. Teixeira
1,
Rosineide M. Leão
2,
Rita C. M. Sales-Contini
3,*,
Volker F. Steier
4 and
Sandra M. da Luz
1,5,*
1
Engineering Materials Integrity Graduate Program, University of Brasília, Brasília 70910-900, Brazil
2
Federal Institute of Brasília, Campus São Sebastião, Brasília 71697-040, Brazil
3
Aeronautical Structures Laboratory, Faculdade de Tecnologia de São José dos Campos Prof. Jessen Vidal, Centro Paula Souza, São José dos Campos, São Paulo 12247-016, Brazil
4
School of Engineering of Petrópolis, Federal Fluminense University, Petrópolis 25650-050, Brazil
5
Mechanical Sciences Graduate Program, University of Brasília, Brasília 70910-900, Brazil
*
Authors to whom correspondence should be addressed.
Appl. Sci. 2024, 14(22), 10621; https://doi.org/10.3390/app142210621
Submission received: 19 July 2024 / Revised: 14 August 2024 / Accepted: 14 November 2024 / Published: 18 November 2024
(This article belongs to the Section Materials Science and Engineering)

Abstract

Biodegradable composites combining thermoplastic polymers and natural fibers could originate materials with synergetic mechanical and thermal properties, keeping their biodegradability. This paper describes biodegradable polymers’ mechanical and thermal properties, such as polylactic acid (PLA) and polyhydroxybutyrate (PHB) reinforced with curaua fibers. To improve the interface between matrix and reinforcement, the curaua fibers were treated by two routes: (1) treatment with hot water and subsequent mercerization with NaOH; (2) treatment with chlorite and subsequent mercerization with NaOH. The composites of PLA and PHB reinforced with natural or modified fibers (10 and 20 wt%) were obtained by extrusion and injection molding. The influence of fiber content and treatment on composite properties was studied by tensile and flexural tests, scanning electron microscopy (SEM), X-ray diffraction (XRD), thermogravimetric analysis (TGA), and differential scanning calorimetry (DSC). The results showed the removal of hemicellulose and lignin from the fibers, increasing their crystallinity and slightly decreasing their thermal stability after chemical treatments. Also, the DSC technique showed that the insertion of the curaua fibers increased the crystallinity index of all composites/PLA. The mercerized-curaua (20 wt%)/PLA composite showed the best result in the mechanical behavior, both in tensile and bending tests. The PHB composite, reinforced with curaua fibers and treated with hot water and mercerization (20 wt%), showed the best result regarding mechanic performance. To conclude, all composites improved mechanical properties compared to pure polymers.

1. Introduction

In recent years, biodegradable or natural polymers have been raised as alternatives to substitute synthetic polymers since natural polymers are materials that have a short shelf life after disposal [1]. They could suffer degradation and disappear in the environment, not resulting in the accumulation of plastic waste in landfills [2]. As feedstock, these polymers can be produced naturally (microorganisms, plants, and animals) or chemically synthesized using biological materials (sugars, oils, or fats) [3]. PLA is a natural polyester produced by two different routes of polymerization: lactic acid polycondensation or the ring-opening polymerization of the lactide [4]. Lactic acid monomers are produced by sugar fermentation or starch from renewable materials such as corn and sugarcane [5].
Meanwhile, PHB is a homopolymer formed by the polymerization of 3-hydroxybutyric acid produced in the anaerobic fermentation of microorganisms, such as the bacteria Raustonia eutropha, and its strains, where the polymer is stored. It has a function as an energy reserve [6]. As reported by the literature, PHB is a semicrystalline polymer with high crystallinity [7], reaching 80% crystallinity. Its structure is fragile and brittle due to its arrangement within the microorganism [8]. To modify its global properties, fibers (synthetic or natural) are used as polymeric reinforcements to obtain materials with other physical characteristics [9]. As engineering materials, natural fibers are looking for a replacement with the same mechanical and thermal efficiency as synthetic fibers such as aramid, glass, and carbon fibers [10].
Above that, natural fibers could bring other advantages, such as reducing the weight of the final material because of its low density, costs in production, low price, the potential for the end-of-life recycling of the product, and increased biodegradability [11]. Initially, the natural fibers are lignocellulosic materials constituted by cellulose, hemicellulose, and lignin. The cellulose consists of a long chain of cellobiose, forming crystals from the intermolecular bonds in the macromolecular chains. These bonds give cellulose flexibility and elasticity, whereas the intramolecular covalent bonds impart rigidity to the macromolecule [12]. The hemicellulose presents ramifications in its structure, conferring amorphous properties and increasing the susceptibility to acid and alkaline attacks [13,14]. The complex lignin structure comprises propane–phenol molecular units substituted with several functional groups [15]. From the perspective of using natural fibers as engineering materials, lignin presents an obstacle to connecting with other materials, such as polymers [16]. For this reason, superficial treatments are made in the fibers to obtain the most significant amount of cellulose possible since this component confers mechanical resistance to the whole. Among the treatments of natural fibers, the most outstanding are mercerization, treatment with acids, the addition of silane, acetyl, isocyanate, or peroxide groups, and bleaching [17].
The vegetable fibers, such as sugarcane bagasse, flax, hemp, sisal, jute, coconut, kenaf, curaua, or ramie, have outstanding mechanical behaviors [18]. Mechanical tests are essential for characterizing polymer composites reinforced with natural fibers, as they assess the mechanical resistance of the material under tensile or flexural stress, i.e., its capacity to withstand loads. These tests provide information on properties such as maximum strength, the modulus of elasticity, and elongation at break, which are direct indicators of the efficiency of the reinforcement provided by the fibers [19,20]. Furthermore, through these tests, it is possible to better understand the interaction between the polymer matrix and the natural fibers, as well as the fibers’ contribution to improving the composite’s mechanical properties, which is essential for structural and engineering applications.
Curaua (Ananas erectfolius) is a bromeliad from the Pará region of the Brazilian Amazon. Curaua fiber is extracted directly from the plant leaf with a length of 1.5 to 1.7 m and a width of 4 to 5 cm; is rigid, smooth, and erect; and is constituted of cellulose (65%), hemicellulose (15%), and lignin (7.3%) [21,22]. Also, it presents high mechanical resistance compared to other vegetable fibers such as sisal and jute (elastic modulus: curaua 26 GPa; sisal 9.4 GPa; and jute 10 GPa) [23,24]. Thus, this fiber is an excellent candidate for reinforcing polymeric composites.
To increase the application of curaua fibers as reinforcement in biodegradable polymers, it is essential to understand their possible disadvantages fully. A main limitation is the low compatibility between the fiber and the polymer matrix and the hydrophilic nature of natural fibers. To overcome this, surface treatments improve adhesion between the fiber and the matrix [25]. The appropriate choice of these treatments can improve the mechanical properties of polymer composites, expanding their applications in industrial components. Understanding how chemical modification processes affect curaua fibers and their mechanical and thermal properties can contribute to the development of sustainable and competitive materials, replacing synthetic materials. In Brazil, Volkswagen used curaua fibers as reinforcement in polymer matrices for internal parts of some small-scale car models [26]. However, detailed studies are still needed to completely replace synthetic fibers with natural ones. To assess their viability and performance, further research should be conducted into using curaua fibers combined with biodegradable polymers, such as PHB and PLA.
Among the many surface treatments discussed in the literature, the most used chemical products are alkalis, such as NaOH and KOH as they efficiently remove lignin and hemicellulose [27]. Additionally, according to several studies, fibers treated with NaClO suggest that this chemical treatment is capable of removing the amorphous components present in natural fibers, facilitating the fiber/matrix interaction, resulting in more resistant and durable composites in addition to reducing moisture absorption by the fibers, which is beneficial for the dimensional stability of composites in humid environments [28].
The relationship between the fiber/matrix is one of the determining factors for forming composites, such as mechanical properties. The composites’ mechanical behavior lies between the reinforcement’s mechanical properties and the matrix [29]. The joining of the two materials produces a new material with superior mechanical strength. The matrix plays a vital role in developing polymer matrix composites because it is the material with the highest volume in the material. Consequently, the polymer defines a large part of the properties of the composite [30]. In addition to supporting loads in composites with randomly arranged and low-performance fibers, the polymer matrix has the function of involving and protecting the fibers in high-performance materials, where the fiber is the one that promotes the mechanical strength of the composite [31,32].
Also, some future research directions can be suggested, such as investigating the performance of these composites in specific applications, such as in the automotive, construction, and packaging industries, to identify and solve practical challenges, and developing efficient and economically viable processing techniques for the large-scale production of composites reinforced with curaua fibers, ensuring consistency and quality, in addition to carrying out biodegradation studies and life cycle analysis of the composites to understand their full environmental impact and identify improvements sustainably. Then, the main objective of this work is to provide a comprehensive view of the role of curaua fibers as reinforcement in biodegradable materials for sustainable polymeric composites. Additionally, the study highlights the existing gap in the scientific literature regarding the impact of the interaction between curaua fibers and the polymeric matrix on these materials’ mechanical and thermal behavior.

2. Materials and Methods

2.1. Materials

The curaua fibers used in this work were kindly provided by Centro de Apoio a Projetos de Ação Comunitária (CEAPAC), Santarém, PA, Brazil, with a length of 80 cm. Polylactic acid (PLA) was supplied by Goodfellow (Delson, QC, Canada) in the form of granules with a diameter of 3 mm, color natural, and density of 1.24 g·cm−3. The polyhydroxybutyrate (PHB) polymer was supplied by Goodfellow in pellets with a diameter of 3 mm, a beige color, and a density of 1.25 g·cm−3.

2.2. Surface Treatment of Curaua Fibers by Chemical Treatment

The fibers were cut with an average size of 2.5 cm for the treatment sequence. Two treatments have been proposed based on treatments already reported in the literature [23]: (1) treatment with hot water at 80 °C for 2 h and then submitted to a mercerization with aqueous NaOH 5% (w/v) at 50 °C by 2 h, using a proportion 1:10 w/v (fiber: solution); (2) treatment with aqueous NaClO 2% (v/v) at 60 °C for 2 h, using a proportion 1:15 w/v (fiber: solution), and then the fibers were submitted to mercerization with aqueous NaOH 5% (w/v) at 50 °C for 2 h, proportion 1:10 w/v (fiber: solution). Based on the literature [23], the chosen fiber treatment conditions involve hot water treatment followed by NaOH and NaClO treatments to efficiently remove lignin and hemicellulose without degrading the fiber. These methods ensure the fibers preserve their mechanical and structural properties for reinforced composites.

2.3. Chemical Composition of the Curaua Fibers

The curaua fibers were chemically characterized according to Document 236—Procedures for Lignocellulosic Analysis of EMBRAPA [33]—which establishes standards for determining moisture, extractives, lignin, holocellulose, and alpha-cellulose content. The experiments were performed in triplicate. The chemical characterization was carried out on the untreated fibers, curaua treated with hot water, curaua treated with hot water and mercerized, curaua treated with hypochlorite, and curaua treated with hypochlorite and mercerized.
For moisture determination, the fibers were dried in an oven at 105 °C for 3 h, cooled in a desiccator, and weighed until they were a constant number. The fiber was then placed in an oven for another 1 h, and the process was repeated until it reached a stable weight. The extraction of the extractive content for untreated fiber was carried out on a Soxhlet extractor for 4 h using acetone as a solvent. After the sample was submitted to a furnace at 10 °C min−1 to 600 °C by 3 h, the ash content for the fibers was measured.
The fibers were macerated for 15 min to determine the lignin content; 1 g of fiber and 17 mL of 72% w/w H2SO4 solution were added and kept for 24 h. The liquor was transferred to a 500 mL volumetric flask, and the fibers were placed under reflux for 4 h. The solution was filtered through sintered glass funnel number 4. The filtrate was dried in an oven at 105 °C for 3 h until it had a constant weight. The lignin content (LC) was obtained by Equation (1):
L C = F L W F W S W × 100
where FW is the weight of the clean and dry funnel, FLW is the weight of the funnel plus the lignin after drying, and SW is the weight of the dried sample.
To determine the holocellulose content, the fibers were placed in 120 mL of distilled water along with 2.5 g of NaClO and 1 mL of glacial acetic acid in a 70 °C bath for 5 h under constant stirring. At the end of the first 3 h, 2.5 g of NaClO and 1 mL of glacial acetic acid were added. The resulting material was filtered through sintered flask number 2 until neutralized pH. The insoluble fraction was oven-dried at 105 °C for 18 h until it was of constant weight, and then the holocellulose content was determined. The holocellulose content (HC) was obtained by Equation (2):
  H C = F H W F W S W × 100
where FW is the weight of the clean and dry funnel, FHW is the weight of the funnel plus the holocellulose after drying, and SW is the weight of the dried sample.
To determine the alpha-cellulose content, 1 g of dried holocellulose was placed in a mortar, and 15 mL of 17.5% (w/v) NaOH solution was added. After 2 min, the material was macerated for 8 min. Immediately after that, 40 mL of distilled water was added to the mixture, and the contents were transferred to the glass funnel. The mixture was filtered and washed to neutral pH. The funnel with the trapped material was placed in the oven at 105 °C for 18 h. The alpha-cellulose content (AC) was obtained by Equation (3):
  A C = F A W F W S W × 100
where FW is the weight of the clean and dry funnel, FAW is the weight of the funnel plus the alpha-cellulose after drying, and SW is the weight of the dried sample.

2.4. X-Ray Diffraction (XRD) Characterization

X-ray diffraction determined the crystallinity of the curaua fibers after different treatments, using an X-ray Diffractometer (RIGAKU model ULTIMAIV, Rigaku, Tokyo, Japan) equipped with Cu Kα radiation at a wavelength of 1.54 Å and step width of 0.05°·min−1 for 2θ within the range 5–50°. The operating voltage was 40 kV, and the current was 40 mA. To characterize the crystallinity of the different samples, the crystallinity index (%Ic) was calculated by following the empirical method of Segal’s equation (Equation (4)) [34].
% I c = I 002 I am I 002
where I002 represents crystalline and amorphous components, while Iam represents amorphous.

2.5. Processing to Obtain the Biodegradable Composites

PLA and PHB composites with 10 or 20 wt% of curaua fibers (untreated, treated with hot water and mercerized, and treated with hypochlorite and mercerized) were prepared in a co-rotating twin-screw extruder with diameter 20 mm and L/D 44 (MH equipment model COR 20-32-LAB, Charleston, EUA) operating at 200 rpm (zone temperatures: 160 and 190 °C). Specimens for mechanical tests were obtained by injection molding using Thermo Scientific Haake Mini Jet II (Thermo Fisher Scientific, Waltham, MA, USA) at 190 °C and 400 bar as injection pressure for 7 s (injection time) and 2 s for settlement time.

2.6. Mechanical Tests and Statistical Analysis

For all standard tests, the composites were analyzed in an Instron 3383 with pneumatic clamps of 5 kN at 1 mm·min−1 crosshead speed according to ASTM D638 for the tensile tests [35]. The specimens were submitted to a 3-point bending test for flexural tests, using a 51 mm span and crosshead motion rate of 1.38 mm·min−1 according to ASTM D790 [36]. A statistical analysis was performed using the SPSS 20.0 program to compare the mechanical results. Dunnett’s test considered all composites compared to the PLA and PHB matrices, and, for Tukey’s test, there was a comparison among all mechanical results.

2.7. Scanning Electron Microscopy (SEM) Characterization

Morphological analysis for curaua fibers and the composites was performed using a Leica model S8APO microscope (Leica, Wetzlar, Germany) and a JEOL JSM 7001F instrument (JEOL, Tokyo, Japan). The sample’s surface was coated with platinum and then analyzed using a scanning electron microscope operating at 15 kV.

2.8. Thermal Characterization

The thermogravimetric analysis (TGA) (fibers and composites) and differential scanning calorimetry (DSC) (composites) analyses were performed simultaneously using TA Instruments SDT Q600 equipment (TA Instruments, New Castle, DE, USA). A 15 ± 0.5 mg sample was evaluated in an inert atmosphere of N2 at 60 mL·min−1, using an alumina pan, under a heating rate of 10 °C·min−1. The temperature range analyzed was 20 to 600 °C for the fibers and 20 to 400 °C for composites and neat polymers (PHB and PLA).
The degree of crystallinity (% Xc) was obtained compared to the 100% crystalline polymer. The crystallinity of each analyzed material, composite and neat polymer, was determined using Equation (5), where ΔH°m is the theoretical melting enthalpy for 100% crystalline PHB, whose value is equal to 146 J·g−1 [37], ΔHm is the melting enthalpy, in J·g−1, of each sample obtained from the DSC test, and w is the PHB weight fraction in the composite.
%   X c = Δ H m   ×   100 Δ H ° m   ×   w

3. Results

The influence of the treatments on the curaua fibers is shown and discussed. As described in the Method section, scanning electron microscopy, chemical analyses, and X-ray diffraction techniques were applied to evaluate the component’s losses, morphology, and crystallinity for treated fibers. Subsequently, the influence of each treatment when the fibers were inserted as reinforcements of biodegradable polymers (PHB and PLA) was studied using thermal analysis, tensile and flexural tests, and scanning electron microscopy.

3.1. Influence of Treatments on Chemical Composition and Morphology of Curaua Fibers

To investigate the holocellulose, which corresponds to the cellulose and hemicellulose portions, and lignin, which is related to the insoluble lignin content of the fibers, a chemical analysis was carried out, as shown in Table 1. The soluble lignin parts, extractives, and other not-detectable soluble components are summarized in the column “other”. The results showed a clear relationship between the amount of holocellulose and the “other” components that were not identified compared to the reference material. In the case of a decreased “other” component content, the amount of holocellulose increases and vice versa. This behavior is based on the percentage relationship between the components. Less content of other components results in a higher amount of holocellulose. The fact that the changes in the other components mainly affected the percentage of the holocellulose suggests that the undefined components are directly connected to the holocellulose.
When a specific component, such as holocellulose, increases, this necessarily implies a reduction in the proportion of other components if the total weight of the sample remains constant. Furthermore, holocellulose is a significant fraction of plant fibers, mainly composed of cellulose and hemicellulose. The “other” components generally include lignin, extractives, and inorganic substances. When extraction or purification methods reduce these “other” components, the relative fraction of holocellulose increases. This suggests that the unidentified components may be removing or masking part of the holocellulose during analysis or are chemically interactive. Therefore, the change in unidentified components impacts the proportion of holocellulose, indicating a direct and significant relationship between these material fractions.
The comparison of the lignin values revealed a clear correlation to the applied treatments. Whereas the treatment with hot water and the mercerization process did not distinctly affect the lignin proportion, evident changes were found for the application of sodium hypochlorite. Both sodium hypochlorite treatments reduced the amount of lignin by approximately 60%. Independent of whether a secondary treatment (mercerization process) was carried out, the amount of lignin was stable at 2.7%.
Figure 1 shows an SEM image from untreated and treated fibers. A multitude of aligned fibers can be seen in Figure 1A,B. The surface of the fiber bundle is smooth, and no sharp edges are visible. The interstice between the single fibers is filled up, which induces the impression of a smooth surface. Similar to the literature, the micrographs for the untreated fibers (curaua fibers) suggest the presence of spherical wax particles, pectins, extractives, and amorphous constituents such as lignin and hemicellulose [38].
The treatment of the curaua fibers with hot water did not cause significant changes in the fiber morphology (Figure 1C). Nevertheless, the fiber bundle surface seems rougher, although the interstice between the single fibers is still filled up. It is expected that fatty acids, resins, and waxes, which naturally occur on the fiber surface, have been removed by the hot water treatment, which can be confirmed by Table 1. Therefore, the initially straight edges became frayed and irregular (Figure 1C). The impact of the treatment with sodium hypochlorite can be described as much more severe. As shown in Figure 1D, the treatment partially removed the interstice material, for which reason some fibers protrude laterally out of the bundle. The surface of the fiber bundle also seems to be battered more, with an increasing surface asperity. However, the sodium hypochlorite treatment could only partially remove the material between the fibers, and most of the fibers remain interconnected. This changed after treating the fibers with hot water and applying a mercerization process (Figure 1E). With this treatment, the single fibers could be detached from each other. The combination of the two, which has been the most successful treatment so far (treatment with sodium hypochlorite and then successively applied mercerization process), led to a complete detachment of the single fibers. Besides the disconnection of the fibers, it can be noticed that tiny filaments and thin tissues protrude out of the single fibers (Figure 1F). The applied treatment is expected to attack the fibers to loosen the described structures from the single fiber surfaces.

3.2. Influence of Treatments on Crystallinity and Thermal Analysis of Curaua Fibers

All treatments resulted in fibers rich in holocellulose with different lignin compositions and soluble components. In addition to the morphologic and chemical analysis of the curaua fibers, X-ray diffraction investigated the effect of the applied treatments on crystallinity. The measured curves are shown in Figure 2, with their respective Ic calculated following Equation (4).
Independent of the applied treatment, three peaks were found in the X-ray diffraction analyses (Figure 2): one broad peak between 15 and 16.5 (2 θ ), a second at 23 (2 θ ), and the third at 35 (2 θ ). These peaks correspond to the crystallographic planes (001), (002), and (040) [39]. The applied treatments affected the intensity of the recorded signals.
Whereas the untreated fibers show the lowest intensity, the peak height increased for all applied treatments. In general, it can be observed that the more severe treatments changed the morphology of the curaua fibers. Also, the strongest signal was captured for the sodium hypochlorite treated and mercerization fibers. Furthermore, the mercerization process led to an amplified formation of a plateau between 15 and 16.5 (2θ). Whereas the other treatments led to a broad and rounded peak with the maximum at 16 (2θ), the diffractogram of the mercerized fibers shows two connected peaks at 15 and 16.5 (2θ). Based on these results, the crystallinity index was calculated. As explained elsewhere, the only crystalline component of the curaua fibers is alpha-cellulose. Considering this, the crystallinity index shows that the highest amount of alpha-cellulose is present in the fibers treated with sodium hypochlorite and mercerized. This means that all applied treatments preferentially remove amorphous components from the fibers. Therefore, it can be deduced that the external layers of the curaua fibers, which were modified or removed by the treatments, are mainly amorphous.
The thermal behavior of the curaua fibers in TGA and its derivative are shown in Figure 3. At up to 200 °C, all fibers showed a loss of weight. This occurred due to the elimination of moisture present in the lignocellulosic material.
According to the TGA image, the untreated curaua fiber showed thermal stability up to 250 °C. The thermal stability in lignocellulosic compounds is based on the content of lignin, hemicellulose, and cellulose that these compounds present. Cellulose is the most crystalline part of the material, presenting a difficult degradation due to its highly organized structure. This component provides thermal stability to the fiber [40]. The higher the content of crystalline structures, the greater the thermal stability of the sample. Therefore, the higher the levels of hemicellulose and lignin, the lower the thermal stability of the sample [40,41].
After the curaua fiber was treated with sodium hypochlorite, its thermal stability at around 60 °C was reduced. Hypochlorite broke the lignin structure but reacted with cellulose and hemicellulose, exposing the fibrils more.
The DTG curves showed that the two samples of mercerized fibers, washed with water and hypochlorite, showed two degradation peaks, one peak of weight loss below 150 °C and the other with peak temperature at 350 and 330 °C, respectively. This last weight loss is related to the degradation of the cellulose present in both samples [42]. The untreated fibers were washed with water, and sodium hypochlorite showed three peaks. The first is before 150 °C, which is related to weight loss; the second is associated with hemicellulose degradation; and the third is the degradation of cellulose. The untreated fibers and those washed with water had the same thermal behavior: moisture loss before 100 °C, weight loss at 290 °C, and another peak loss with a peak temperature between 360 and 365 °C. The washing with water did not alter the structure of the curaua fiber to the point of changing its thermal behavior.
The fiber was washed with sodium hypochlorite and showed three weight loss peaks. However, these weight losses were at temperatures lower than the untreated fiber, the first being weight loss due to moisture evaporation, the second at 250 °C, and the third at 328 °C. These weight losses were related to the degradation of hemicellulose and cellulose. After washing with sodium hypochlorite, the curaua fibers had a lower alpha-cellulose content than the others (see Table 1). Thus, its thermal behavior was affected, its thermal stability was lower, and its thermal degradation temperatures also.
After the two washing routes, the mercerized curaua fibers started thermally degrading the cellulose at temperatures below that of the untreated fiber. However, the cellulose degradation in these two fibers occurred more slowly, as observed in the width of the characteristic peak of this degradation for the two fibers in the DTG curve.

3.3. Mechanical and Morphology Analysis of the Curaua/Composites

Tensile and flexural tests were carried out to investigate the influence of the filler content and the fiber treatments on the mechanical properties. The results of the mechanical analysis are shown in Table 2. According to Table 2, the most peculiar difference between the compared composites is the distinctly higher strength of all PLA-containing materials. The pure polymers’ strength values and elastic moduli agree with the literature [43].
Focusing now on the results of the flexural modulus, a good correlation between fiber content and rigidity was found. As expected, a higher filler amount increased flexural modulus for both matrix materials. Also, regarding flexural modulus, it is observed that both untreated and treated fibers were able to raise the flexural modulus compared to pure matrices. In other words, significantly different elastic modules were found, as shown by the statistical analysis. Note that the composites with untreated fibers decreased elastic modulus (compared to the other PLA composites with 20% filler content). The fiber treatments mentioned in this study had a low impact on the elastic moduli of the composites. However, these treatments improved the adhesion between the matrix and the fibers. This conclusion was based on the observation that differences in the mechanical properties of composites are more related to the percentage of filler content than to changes in elastic moduli.
The explanation for this statement is that although the elastic moduli have not shown great variations with fiber treatments, other analyses suggest the removal of amorphous components, which implies better interaction at the fiber–matrix interface, as mentioned in our previous study [26]. Therefore, the improvement in adhesion was inferred from the analysis of other tests and properties, which showed that the treated fibers integrated more effectively into the matrix than the untreated fibers. This better integration can result in more efficient load transfer between the fiber and the matrix, reflected in other mechanical properties in addition to the elastic modulus.
The strong results are discussed separately for each matrix material to improve this text’s readability. The tensile strength of the unfilled PLA matrix to be 58.2 ± 2.1 MPa is shown in Table 2. Although there was a decrease in the tensile and flexural strength of some groups of PLA composites reinforced with curaua, it is reported that according to the Dunnett’s test, there was a significant difference between CWM 10 wt% and CWM 20 wt% with the PLA matrix (tensile strength) and CWM 20 wt% compared to the PLA matrix (flexural strength). The literature points out that this increase in the resistance properties may be related to the applied chemical treatment that removed the amorphous components of the curaua fibers, which provided a better adhesion between fiber/matrix, as reported by Hu et al. [44]. Also, it is observed that the PLA matrix has no significant difference in Young’s modulus compared to the CF 10 wt%. Figure 4 shows the fracture surface of the PLA polymer and the PLA-containing composites.
In Figure 4C, it was observed that most of the curaua fibers in the studied region broke together with the PLA matrix, showing little detachment between the fiber and the matrix. This interface behavior demonstrated good adhesion, preceded by the fiber’s treatment route.
In the mechanical tensile tests, the curaua (treated with hot water and mercerized) 20 wt%/PLA presented the best results. This is because the curaua fiber used to produce this composite presented the best adhesion, which allowed the matrix to transfer the stresses received during the test to the fiber.
The curaua fibers were mercerized and washed with sodium hypochlorite solution (Figure 4D), which resulted in a good dispersion of the fibers in the composite. However, the adhesion between the fiber and the matrix was low. Furthermore, it was observed that there was a large detachment of the fiber in the PLA matrix. Several pull-out failures were observed, which were responsible for the inferior mechanical behavior of these composites when subjected to tensile tests.
Comparing the unfilled PHB polymer with the PHB composites yielded the assumption that filling the PHB matrix with 10% curaua fibers does not relevantly improve the resistance against tensile or flexural stress. However, the statistical analysis showed a significant difference between the PHB matrix and CWM 20 wt% (tensile strength) and flexural properties; only the composites of CF 10 wt% showed no significant difference. The filling with 20% curaua led in two cases to an improved strength ((a) untreated curaua and (b) fibers treated with chlorite and mercerized). Unlike the PLA composites, the filling with washed and mercerized fibers did not improve the PHB matrix’s strength. This led to the assumption that the treatments did not significantly improve the adhesion between the PHB matrix and the fibers. However, the addition of curaua fibers made PHB more flexible.
Statistically, the PHB matrix showed a significantly different flexural modulus compared to all composites. Thus, PHB, a crystalline and fragile material, has become more flexible [45].
The mechanical analyses were correlated with an SEM. Representative image for each composite group are illustrated to reduce the number of pictures in the text. Figure 5 shows the fracture surface of the PHB polymer and the PHB-containing composites. As the most significant differences in strength were found for filling degrees of 20%, the displayed images are from these groups of composites.
Figure 5A shows pores found in the pure PHB polymer and less evident in the composites. Such pores usually significantly influence strength. The appearance of the pores foretells that the manufacturing method either did not run with adequate parameters or was generally insufficient to generate defect-free polymer/composite specimens.
The fracture surfaces of the composites are evaluated considering three features: (A) the fiber distribution, (B) fiber pull-out behavior, and (C) the fractured surface. As visible in Figure 5B, the untreated fibers occur in two different ways on the surface. First, big fiber bundles that protrude out of the surface are visible. Their existence confirms the result of the initially realized morphologic analysis after the chemical treatments, which show only slight fiber defibration. Besides the fiber bundles, many loose fibers are visible on the fracture surface. This result was surprising, as separating single fibers from the main bundle was only expected for the composites with chemically treated fibers. The length of the protruding fiber bundles reaches up to 200 µm. Such protrusion length indicates low adhesion between fibers and matrix, and the fiber could be pulled out easily.
The fracture surface of the composites containing washed and mercerized fibers showed similar properties. Rough and irregular can describe the surface. The amount of single, loose, and pulled-out fibers increased compared to the untreated fiber. The amount of visible fiber bundles generally decreased. Nevertheless, they are still present. A black hole, which initially accommodated a fiber bundle pulled out during the tests, is visible in the image’s upper half. The length of the pulled-out single fibers also indicates that the adhesion between matrix and fiber was low.
Unlike the described fracture surfaces, the composites with fibers treated with chlorite and mercerized showed a laminar and plane surface. Pulled-out fiber bundles are visible on the left edge. Their occurrence reveals none of the applied fiber treatments: (A) significantly improved the adhesion between fibers and (B) led to the defibration of the fiber bundles. However, no protruding single fibers are visible on the surface. This can be related to two effects: First, the adhesion could be improved in a way that the pull-out of single fibers does not happen, even though the pull-out of fiber bundles cannot be prevented. Second, the chemical treatment increased the brittleness of the single fibers. In this case, the flexibility of the fibers reduces, which supports the shear failure of the fibers. The significantly reduced elongation at fracture found in tensile and flexural tests for all composites with 20% chlorite-treated and mercerized fibers confirms the second assumption.
To correlate the microstructural results with the outcome of the mechanical analyses, it can be observed that the chemical treatments of the fibers mainly influenced the fiber distribution in the matrix and the brittleness of the composite. A significantly improved adhesion could not be found for any fiber treatment.

3.4. Thermogravimetric Analysis (TGA) and Different Scanning Calorimetry (DSC) of Curaua/Composites

The composites were thermally characterized by TG–DTG analysis. Figure 5 shows the TG and DTG curves for neat PLA, PHB, and its composites with curaua fiber. The PLA curves obtained after the extrusion process (Figure 6A) matrix showed thermal stability up to 290 °C and only a weight loss stage corresponding to its degradation, which starts at 290 °C and reaches a higher degradation rate at 360 °C [46]. At the final analysis temperature, at 500 °C, the PLA matrix presented a small portion of residues, around 1.5%. Similar thermal behavior of PLA degradation was observed for this study [47], where neat PLA samples did not go through the extrusion process. Curaua/PLA composites showed the same thermal behavior as neat PLA with only one stage of degradation; however, all composites showed a reduction in thermal stability.
According to the DTG image (see Figure 6A), it is noted that the CWM 20 wt%/PLA and CHM 20 wt%/PLA showed the same degradation peak temperature at 340 °C. However, the CWM 20 wt%/PLA occurred more slowly and started at a lower temperature. The PLA matrix showed a degradation peak at 360 °C, referring to the thermal degradation of this polymer, which, according to Gupta et al. [48], occurs between 350 and 370 °C. Also, all composites had a lower degradation peak temperature than the PLA matrix. Still, in a larger temperature range, this was because the fiber and the polymer degradation temperature were close; however, when the fiber degradation is lower, the composites started degradation at temperatures lower than the pure polymer, degrading the fiber first and following the polymer degradation, which resulted in a greater degradation range than for the pure polymer.
Figure 6B below shows the TGA and DTG curves for PHB and composites. It shows that the thermal behavior of PHB and composites is similar. PHB has its highest decomposition speed at a temperature of 292 °C. In the composites, this temperature is slightly higher because the amount of fiber in the composite moves the polymer’s peak to a higher temperature due to the decomposition of the fibers starting around 300 °C and the bonding established between the reinforcement and matrix. When evaluating composites, we see that all have two stages of degradation.
The first, at about 300 °C, refers to PHB degradation [49]. In comparison, the second at around 330 °C is due to the degradation of the curaua fiber, more specifically, the alpha-cellulose present in the fiber [50]. In Figure 6B, verifying the degradation speed of the composites is possible. The degradation rate of pure PHB is the highest since, at 292 °C, the whole polymer decomposes at once. All the connections between the macromolecules are broken, and the material degrades. When the fibers are added to the polymer, they promote a delay in the decomposition of the polymer because the two are linked.
The composite has a high degradation temperature as the fibers resist temperatures higher than the polymer. That is, the fibers promote an increase in the thermal stability of the polymer [51]. To corroborate this statement, the curve shows that the higher the fibers contained in the composite, the lower its decomposition speed. For composites with 20%, the decomposition speed is lower than in composites with 10% by the weight of fibers. The trend is that an increase in the composite fibers leads to a decrease in the polymer’s degradation, thus improving its thermal stability. There is also the third stage of degradation related to the PHBV copolymer present in the PHB.
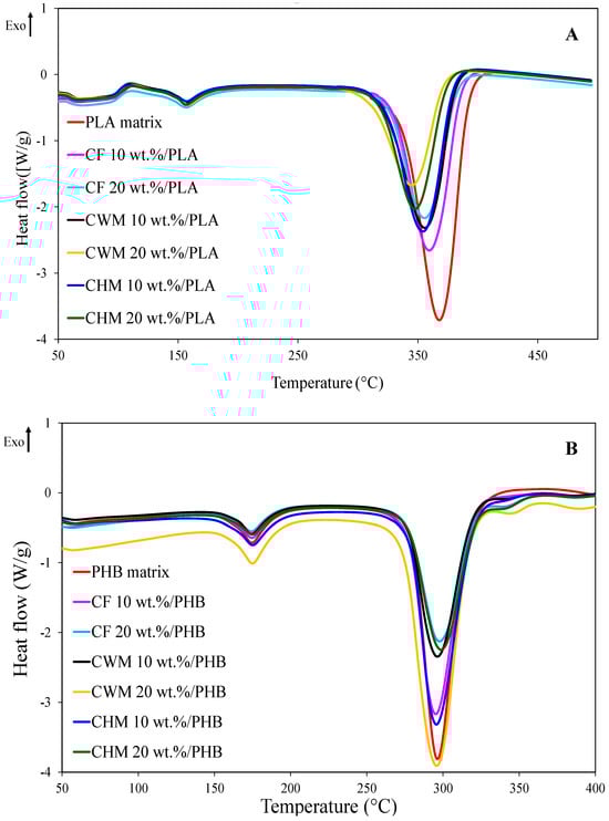
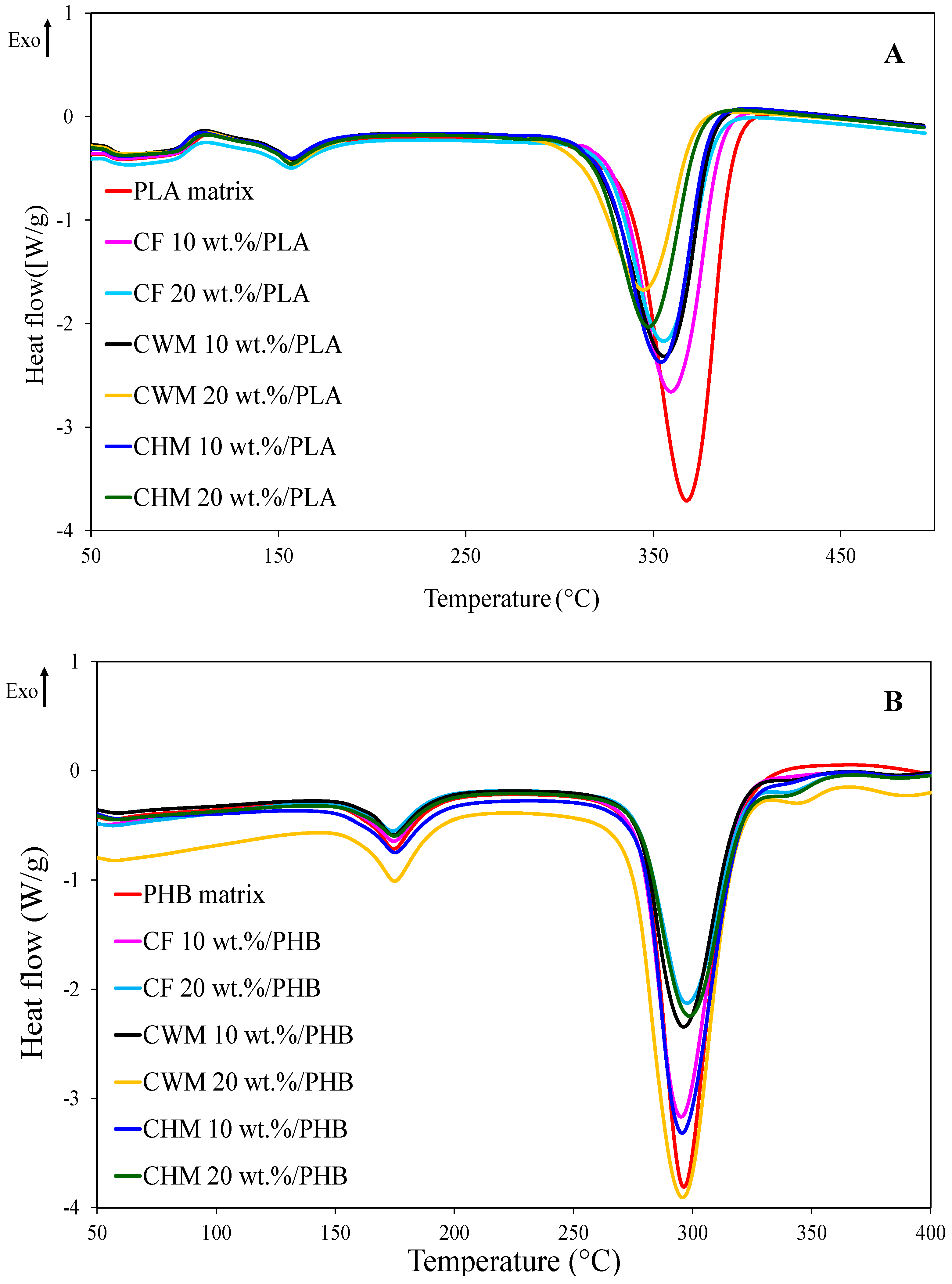
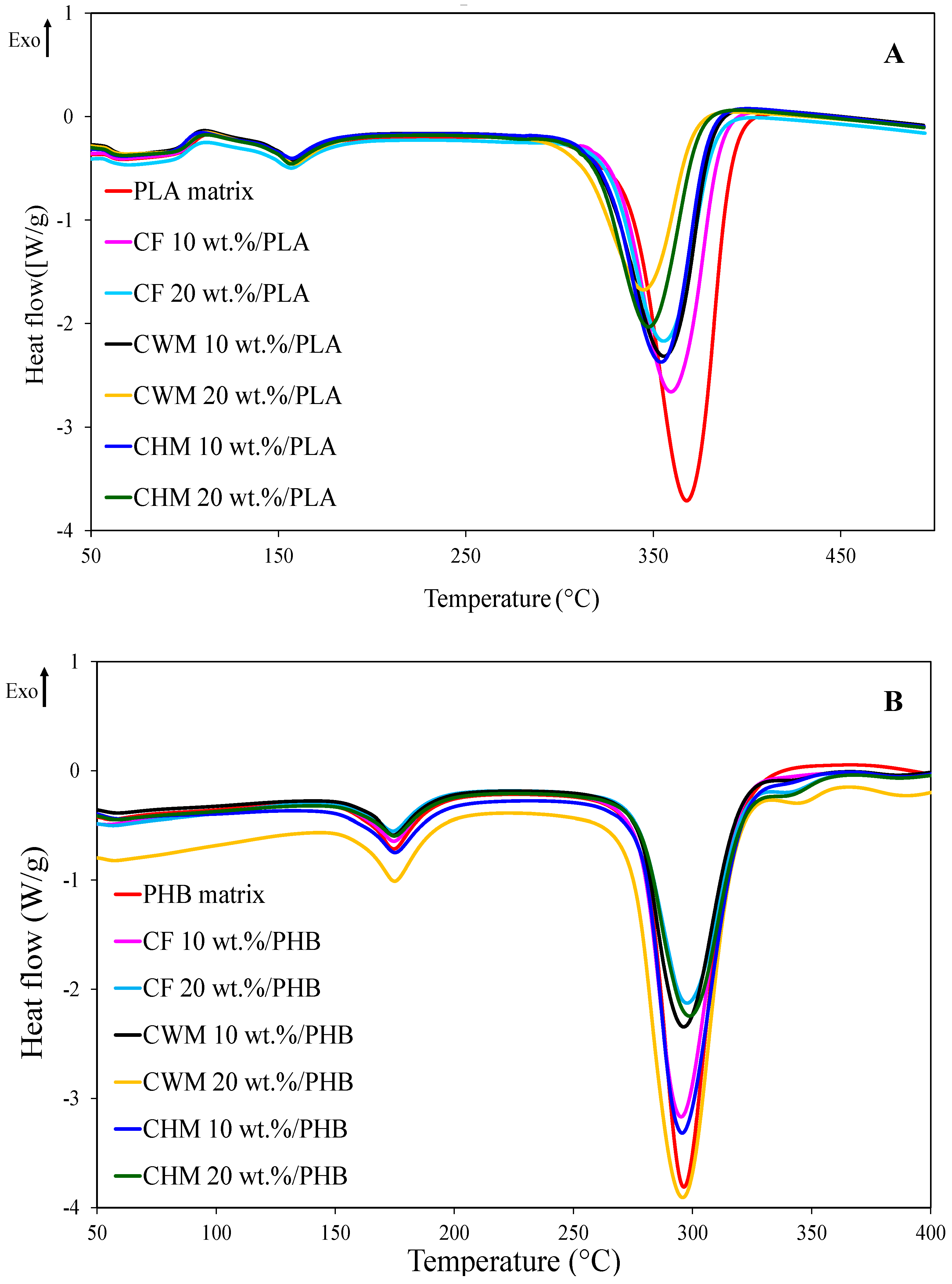
The DSC analysis (Figure 7) was carried out to investigate the crystalline percentage in the polymers and composites. A high portion of the crystalline structure is wanted for most polymers/composites since the crystalline microstructure improves the mechanical resistance of polymers [52,53]. The results of the DSC analyses are shown in Figure 7.
The DSC curves of all PHB-containing materials (Figure 7A) show three endothermic peaks. The first one occurs at a temperature of 174 °C. The mentioned temperature indicated the melting point of the polymer [54]. The second, more pronounced peak at 295 °C, is related to the degradation of PHB [55]. At 325 °C, the degradation of the curaua fibers generates the third endothermic event [56].
Figure 7B shows more thermal events of the PLA-containing materials. The first thermal change is recognizable at approximately 60 °C. This peak is related to the glass transition of PLA [57]. A crystallization reaction generates the following exothermic peak. This event is typical for PLA and is known as cold crystallization. Here, the mobility of the polymer chain increases, and parts of the initially amorphous structure change to crystalline [58]. At 160 °C, the polymer melts, degrading between 340 and 360 °C [54]. Whereas the first three thermic events occur at nearly the same temperature, strong shifts of the maximum degradation temperature are visible for the investigated composites. The highest degradation temperature was found for the neat PLA. In general, the following tendency was found: The higher the filling degree of the composite, the lower the peak intensity and the stronger the shift of the degradation peaks to lower temperatures. This tendency, together with the fact that no longstanding thermal event for the degradation of the curaua fibers occurred, makes it evident that the matrix’s degradation peak overlays the fibers’ degradation peak. As the degradation of the pure polymer starts at approximately 315 °C, premature degradation can be observed for all composites. Hence, the degradation of the fibers initiates the degradation of the entire composite.
Also, the crystallinity of the polymers and composites was calculated using the enthalpy of the melting peak found in the DSC analyses, the enthalpy of a PHB polymer with 100% crystallinity (PHB = 146 J/g; PLA = 93 J/g), and the weight fraction of the polymer of the composites. A more detailed description of the calculus method can be found elsewhere [59]. The calculated crystallinity values (Xc) for all composites are listed in Table 3.
Comparing the crystallinity percentage in the tested polymers/composites revealed that PHB contains more than double the number of highly ordered structures than PLA. On the other hand, it can be observed that the filling with curaua fibers strongly affected the PLA composites. Nevertheless, the generally low amount of crystallinity in the PLA matrix cannot explain the pronounced crystallinity increase in the PLA composites. Other effects are involved in comparing the maximum percentage increase in crystallinity in the PHB (9%) with the maximum percentage increase in the PLA (104%). One reason might be the cold crystallization mentioned during the DSC measurement’s heating process [60]. As the fibers are already more or less equally distributed in the polymer matrix, the cold crystallization is influenced by the presence of the curaua fibers. As the PHB material does not present cold crystallization, such interaction between fibers and matrix does not occur.
The amount of crystallinity in the PLA composites rises proportionally to the amount of filler. Even though the most crystallinity in the curaua fibers occurred in the chlorite-treated and mercerized fibers, the most crystallinity in the PLA composites was found in the washed and mercerized fibers. This fact further confirms the assumption that the fiber/matrix interaction during the cold crystallization process influences the formation of a crystalline structure.

4. Discussion

The chemical treatments of curaua fibers in hot water and the mercerization process did not significantly affect the lignin content. The most significant changes were found after sodium hypochlorite treatment. Sodium hypochlorite treatments reduced the lignin content by about 60%. Spinacé et al. [23] demonstrated that the easy-to-access lignin parts are soluble in alkaline solutions. Therefore, the alkaline potential of sodium hypochlorite solution is seen as the reason for removing the lignin. The changes in ash and humidity are insignificant and do not follow a coherent pattern. The amount of lignin remained stable regardless of whether a post-treatment (mercerization) was carried out. The SEM images in Figure 1E and F show this alteration. The individual fibers completely detached as a result of these procedures. Not only do the individual fibers appear to have detached, but thin tissues and tiny filaments may also be seen projecting from them. According to this literature [61], chemical treatments can promote the structural reorganization of fibers, resulting in dimensional stability, removing impurities and amorphous components, and exposing more crystalline areas.
The TGA/DTG results agree with the found chemical analysis. The curaua fibers treated with hot water did not show any changes in fiber structure that would alter their thermal behavior, but those treated with sodium hypochlorite showed peaks of weight loss, indicating the evaporation of moisture and the degradation of hemicellulose and cellulose. In a study conducted by Shravanabelagola et al. [62], this loss is attributed to the degradation of lignin, which is related to breaking ether and carbon–carbon bonds. Therefore, the disappearance of this peak with the fiber treatments indicated that the mercerization treatments and the sequence of treatments removed a large part of the amorphous constituents. Thus, their thermal behavior was affected, their thermal stability was lower, and their thermal degradation temperatures were also lower.
According to this study [63], jute fiber treated with hot water followed by chemical treatment was able to progressively remove hemicellulose and reduce the lignin content present in the fiber. In addition, it showed an increase in interfacial shear strength and flexural properties of jute/epoxy composites.
Tensile and flexural testing examined the impact of the matrix, filler content, and fiber treatments on the mechanical characteristics of thermoplastic composites reinforced with curaua. Some groups of PLA composites reinforced with curaua showed a reduction in tensile and flexural strength compared to the tensile strength of the unfilled PLA matrix. By contrasting the PHB polymer without filler with the PHB composites, it was determined that adding 10% curaua fibers to the PHB matrix did not significantly increase its resistance to tensile or flexural stress. Unlike the PLA composites, filling with cleaned and mercerized fibers did not increase the PHB matrix’s strength. This led to the conclusion that the treatments did not considerably improve the adhesion between the PHB matrix and the fibers. But PHB became more flexible when curaua fibers were added. However, according to this study [26], both the orientation and length of the fibers are intrinsically linked to the mechanical properties of a composite, as this work concluded that the fibers must be long and perpendicular to the applied load so that the mechanical resistance of the fibers can be used more effectively. However, as the curaua fibers were randomly dispersed in the composites, only fibers oriented parallel to the applied load reinforced the composites. According to this other work [64], short fibers act not as reinforcement but as filler. Also, according to statistics, the PHB matrix differed considerably from all other composites in terms of flexural modulus. SEM images show that the chemical treatments of the fibers mainly affected the matrix’s fiber distribution and the composite’s brittleness. No significant improvement in adhesion was observed for any of the fiber treatments. The recent study [65] that used banana fiber as polymer reinforcement and chemically treated it showed similar behavior to that observed. However, it suggests that the strong bond between the fiber and the surrounding matrix can strengthen the composites.
TGA and DSC thermal analyses evaluated the degradation and crystallization stability of the PLA and PHB composites. It was observed that the PLA composites exhibited the same thermal behavior as pure PLA with only one degradation stage; however, all PLA composites showed a reduction in thermal stability, but PHB composites showed a higher decomposition rate than PLA because the fibers added to the polymer leads to a decrease in polymer degradation, thus improving its thermal stability. Also, this reduction in the thermal stability of PLA composites was reported in this other study [66] that developed PLA composites reinforced with curaua fiber, suggesting hemicellulose and lignin degradation. Crystallinity in PLA composites increases proportionally to the amount of filler due to fiber/matrix interaction during the cold crystallization process, which influences the formation of a crystalline structure. In contrast to PHB composites, which do not undergo cold crystallization, such fiber/matrix interaction does not occur, and crystallites are not formed.
The results suggest that, although chemical treatments can alter the structure of fibers and reduce lignin content, this does not necessarily translate into improvements in all composite properties. For instance, while there was an improvement in the flexural of PHB composites, tensile strength did not improve, pointing to the need for methods that promote better chemical integration between the fiber and the polymer matrix.
Therefore, it is necessary to develop research on chemical treatments or compatibilizers that can enhance adhesion between curaua fibers and polymer matrices, especially for PLA and PHB. Furthermore, investigating combinations of treatments that can maximize lignin removal without compromising fiber integrity is crucial. Accelerated aging studies should also be conducted to understand better how chemical treatments and fiber addition affect the durability and degradation of composites over time. Comparing the behavior of other natural fibers treated under the same conditions can help identify best practices and treatments applicable to a broader range of fibers.
In summary, although sodium hypochlorite treatments significantly reduced lignin content and altered fiber structure, their impact on the mechanical properties of curaua-reinforced composites was limited. Improving matrix–fiber adhesion remains crucial for developing stronger and more durable composites.

5. Conclusions

The lignocellulosic characterization of treated curaua fibers revealed that the two chemical treatment routes remove the fiber’s non-structural components. The curaua treated with hot water and mercerized fiber presented 68% cellulose, while the curaua treated with chlorite and mercerized fiber presented 71% cellulose. Both values of the cellulose contents show that the route using hot water treatment is more efficient because it uses fewer chemical reagents to produce similar results to curaua treated with chlorite and mercerized and curaua treated with hot water mercerized. The treated process with NaClO is very vigorous and degrades part of the fiber cellulose, resulting in more fragile fibers. The removal of the non-structural components of the fibers promotes the increase in the crystallinity of the fibers, as observed in the XRD assay, with the fiber being more crystalline and the curaua being treated with chlorite and mercerized.
Curaua fiber stands out among other natural fibers for its low lignin content, around 8%, which is a significant advantage. According to the results of this study, this low lignin content favors better mechanical anchoring between the fiber and the matrix, resulting in composites with more robust mechanical properties. The thermal behavior of the composites was similar to the thermal behavior of the alone polymers (PLA or PHB) in which the only noticeable difference is the displacement of degradation stages due to the presence of the fibers in concentrations of 10 and 20 wt%. The crystallinity of PLA composites increased with the insertion of curaua fiber due to the high crystallinity of this fiber, which favored the crystallization of the composite. In contrast, PHB composites showed similar crystallinity to pure PHB.
The composites reinforced with curaua fibers presented good mechanical properties with the pure polymer. The composites curaua treated with hot water and mercerized 20%/PHB and curaua treated with hot water and mercerized 20%/PLA showed higher tensile and flexural properties compared to pure polymer, higher crystallinity, and better adhesion interfacial bonding, evidencing the fact that the fiber and matrix break together, with little slippage and detachment of fibers in the rupture; that is, the fiber with less intense treatment is better concerning the adhesion between fiber and matrix.
Therefore, these composites can be considered viable for industrial applications, especially coatings in the automotive industries, where their thermal and mechanical characteristics are required. Thus, these composites can be used in engineering applications to substitute conventional materials with biodegradable composites with similar mechanical and thermal properties.

Author Contributions

Conceptualization, J.M.d.O., V.M.Z.S. and S.M.d.L.; methodology, J.M.d.O., V.M.Z.S. and S.M.d.L.; software J.M.d.O. and V.M.Z.S.; validation J.M.d.O., V.M.Z.S. and S.M.d.L.; formal analysis, R.M.L. and L.A.T.; investigation J.M.d.O. and V.M.Z.S.; resources, S.M.d.L.; data curation, J.M.d.O., V.M.Z.S. and S.M.d.L.; writing—original draft preparation, J.M.d.O. and V.M.Z.S.; writing—review and editing, L.A.T., V.F.S. and R.C.M.S.-C.; visualization, J.M.d.O. and V.M.Z.S.; supervision, S.M.d.L.; project administration, S.M.d.L.; funding acquisition, R.C.M.S.-C. and S.M.d.L. All authors have read and agreed to the published version of the manuscript.

Funding

This research was funded by Decanato de Pós-Graduação University of Brasília (DPG-UnB), FAPDF (Fundação de Amparo à Pesquisa do Distrito Federal)—Project number 0193.001251/2016, CAPES (Coordenação de Aperfeiçoamento de Pessoal de Nível Superior), and CNPq (Conselho Nacional de Desenvolvimento Científico e Tecnológico)—Project number 310284/2021-0.

Institutional Review Board Statement

Not applicable.

Informed Consent Statement

Not applicable.

Data Availability Statement

The data presented in this study are available in this article.

Conflicts of Interest

The authors declare no conflicts of interest.

References

  1. Cheng, J.; Gao, R.; Zhu, Y.; Lin, Q. Applications of biodegradable materials in food packaging: A review. Alex. Eng. J. 2024, 91, 70–83. [Google Scholar] [CrossRef]
  2. Hao, M.; Wu, H.; Qiu, F.; Wang, X. Interface bond improvement of sisal fibre reinforced polylactide composites with added epoxy oligomer. Materials 2018, 11, 398. [Google Scholar] [CrossRef] [PubMed]
  3. Bonartsev, A.P.; Bonartseva, G.A.; Reshetov, I.V.; Kirpichnikov, M.P.; Shaitan, K.V. Application of polyhydroxyalkanoates in medicine and the biological activity of natural poly(3-hydroxybutyrate). Acta Nat. 2019, 11, 4–16. [Google Scholar] [CrossRef] [PubMed]
  4. Momeni, S.; Craplewe, K.; Safder, M.; Luz, S.; Sauvageau, D.; Elias, A. Accelerating the Biodegradation of Poly(lactic acid) through the Inclusion of Plant Fibers: A Review of Recent Advances. ACS Sustain. Chem. Eng. 2023, 11, 15146–15170. [Google Scholar] [CrossRef] [PubMed]
  5. Cheng, J.; Li, J.; Deng, D.; Wu, G.; Zhou, M.; Zhao, G.; Ni, Z. Improved mechanical properties of poly(l-lactic acid) stent coated by poly(d, l-lactic acid) and poly(l-lactic-co-glycolic acid) biopolymer blend. Polym. Adv. Technol. 2022, 33, 1109–1115. [Google Scholar] [CrossRef]
  6. Righetti, M.C.; Cinelli, P.; Aliotta, L.; Bianchi, E.; Tricoli, F.; Seggiani, M.; Lazzeri, A. Immiscible PHB/PBS and PHB/PBSA blends: Morphology, phase composition and modelling of elastic modulus. Polym. Int. 2022, 71, 47–56. [Google Scholar] [CrossRef]
  7. Lopera-Valle, A.; Caputo, J.V.; Leão, R.; Sauvageau, D.; Luz, S.M.; Elias, A. Influence of Epoxidized Canola Oil (eCO) and Cellulose Nanocrystals (CNCs) on the Mechanical and Thermal Properties of Polyhydroxybutyrate (PHB)—Poly(lactic acid) (PLA) Blends. Polymers 2019, 11, 933. [Google Scholar] [CrossRef]
  8. Budurova, D.; Ublekov, F.; Penchev, H. The use of formic acid as a common solvent for electrospinning of hybrid PHB/Soy protein fibers. Mater. Lett. 2021, 301, 130313. [Google Scholar] [CrossRef]
  9. Noureddine, M. Study of composite-based natural fibers and renewable polymers, using bacteria to ameliorate the fiber/matrix interface. J. Compos. Mater. 2019, 53, 455–461. [Google Scholar] [CrossRef]
  10. Lalit, R.; Mayank, P.; Ankur, K. Natural fibers and biopolymers characterization: A future potential composite material. Stroj. Časopis 2018, 68, 33–50. [Google Scholar] [CrossRef]
  11. Thyavihalli Girijappa, Y.G.; Mavinkere Rangappa, S.; Parameswaranpillai, J.; Siengchin, S. Natural Fibers as Sustainable and Renewable Resource for Development of Eco-Friendly Composites: A Comprehensive Review. Front. Mater. 2019, 6, 226. [Google Scholar] [CrossRef]
  12. Shen, R.; Wang, D.; Sun, L.; Diao, M.; Zheng, Q.; Gong, X.; Liu, L.; Yao, J. Strong and flexible lignocellulosic film fabricated via a feasible molecular remodeling strategy. Int. J. Biol. Macromol. 2023, 253, 126521. [Google Scholar] [CrossRef] [PubMed]
  13. Geng, W.; Narron, R.; Jiang, X.; Pawlak, J.J.; Chang, H.; Park, S.; Jameel, H.; Venditti, R.A. The influence of lignin content and structure on hemicellulose alkaline extraction for non-wood and hardwood lignocellulosic biomass. Cellulose 2019, 26, 3219–3230. [Google Scholar] [CrossRef]
  14. Mafa, M.S.; Malgas, S.; Bhattacharya, A.; Rashamuse, K.; Pletschke, B.I. The Effects of Alkaline Pretreatment on Agricultural Biomasses (Corn Cob and Sweet Sorghum Bagasse) and Their Hydrolysis by a Termite-Derived Enzyme Cocktail. Agronomy 2020, 10, 1211. [Google Scholar] [CrossRef]
  15. Luo, X.; Shuai, L. Lignin-Based Adhesives. In Green Adhesives: Preparation, Properties and Applications; Wiley: New York, NY, USA, 2020; pp. 25–56. [Google Scholar] [CrossRef]
  16. Premnath, A.A. Impact of surface treatment on the mechanical properties of sisal and jute reinforced with epoxy resin natural fiber hybrid composites. J. Nat. Fibers 2018, 16, 718–728. [Google Scholar] [CrossRef]
  17. Erdoğan, U.H.; Seki, Y.; Aydoğdu, G.; Kutlu, B.; Akşit, A. Effect of Different Surface Treatments on the Properties of Jute. J. Nat. Fibers 2016, 13, 158–171. [Google Scholar] [CrossRef]
  18. Mikučioniene, D.; Čepukone, L.; Milašiene, D. Investigation on mechanical and thermal properties of knits from peat fibers and their combination with other natural fibers. Text. Res. J. 2018, 88, 1660–1670. [Google Scholar] [CrossRef]
  19. Harikrishna, V.; Kumar, K.V. Mechanical Behaviors of Hybrid Composites Reinforced with Epoxy Resin. J. Eng. Sci. 2021, 8, 24–29. [Google Scholar] [CrossRef]
  20. von Boyneburgk, C.L.; Zarges, J.-C.; Kuhl, D.; Heim, H.-P. Mechanical Characterization and Simulation of Wood Textile Composites (WTC) supported by Digital Image Correlation (DIC). Compos. Part C Open Access. 2023, 11, 100370. [Google Scholar] [CrossRef]
  21. Souza, S.F.; Mariano, M.; Reis, D.; Lombello, C.B.; Ferreira, M.; Sain, M. Cell interactions and cytotoxic studies of cellulose nanofibers from Curauá natural fibers. Carbohydr. Polym. 2018, 201, 87–95. [Google Scholar] [CrossRef]
  22. Rodrígues, B.S.; García, R.M.; Leão, R.M.; Amico, S.C.; Luz, S.M. Hemicellulose Removal in Curaua (Ananas erectifolius) Fibers for Polyester Composites. Nova Sci. 2018, 10, 154–172. [Google Scholar] [CrossRef]
  23. Spinacé, M.A.S.; Lambert, C.S.; Fermoselli, K.K.G.; De Paoli, M.A. Characterization of lignocellulosic curaua fibres. Carbohydr. Polym. 2009, 77, 47–53. [Google Scholar] [CrossRef]
  24. Blaker, J.J.; Lee, K.Y.; Walters, M.; Drouet, M.; Bismarck, A. Aligned unidirectional PLA/bacterial cellulose nanocomposite fibre reinforced PDLLA composites. React. Funct. Polym. 2014, 85, 185–192. [Google Scholar] [CrossRef]
  25. Erkliğ, A.; Alsaadi, M.; Bulut, M. A comparative study on industrial waste fillers affecting mechanical properties of polymer-matrix composites. Mater. Res. Express 2016, 3, 105302. [Google Scholar] [CrossRef]
  26. Teixeira, L.A.; Vilson Dalla Junior, L.; Luz, S.M. Chemical treatment of curaua fibres and its effect on the mechanical performance of fibre/polyester composites. Plast. Rubber Compos. 2021, 50, 189–199. [Google Scholar] [CrossRef]
  27. Vimalanathan, P.; Venkateshwaran, N.; Santhanam, V. Mechanical, dynamic mechanical, and thermal analysis of Shorea robusta-dispersed polyester composite. Int. J. Polym. Anal. Charact. 2016, 21, 314–326. [Google Scholar] [CrossRef]
  28. Leão, R.M.; Miléo, P.C.; Maia, J.M.L.L.; Luz, S.M. Environmental and technical feasibility of cellulose nanocrystal manufacturing from sugarcane bagasse. Carbohydr. Polym. 2017, 175, 518–529. [Google Scholar] [CrossRef]
  29. Mahato, K.K.; Dutta, K.; Ray, B.C. Static and Dynamic Behavior of Fibrous Polymeric Composite Materials at Different Environmental Conditions. J. Polym. Environ. 2018, 26, 1024–1050. [Google Scholar] [CrossRef]
  30. Chu, F.; Yu, X.; Hou, Y.; Mu, X.; Song, L.; Hu, W. A facile strategy to simultaneously improve the mechanical and fire safety properties of ramie fabric-reinforced unsaturated polyester resin composites. Compos. Part A Appl. Sci. Manuf. 2018, 115, 264–273. [Google Scholar] [CrossRef]
  31. Cordin, M.; Bechtold, T.; Pham, T. Effect of fibre orientation on the mechanical properties of polypropylene–lyocell composites. Cellulose 2018, 25, 7197–7210. [Google Scholar] [CrossRef]
  32. Sharma, A.K.; Bhandari, R.; Aherwar, A.; Rimašauskiene, R. Matrix materials used in composites: A comprehensive study. Mater. Today Proc. 2020, 21, 1559–1562. [Google Scholar] [CrossRef]
  33. Morais, J.P.S.; Rosa, M.D.F.; Marconcini, J.M. Procedimentos para Análise Lignocelulósica; Embrapa: Brasília, Brazil, 2010. [Google Scholar]
  34. Segal, L.; Creely, J.J.; Martin, A.E.; Conrad, C.M. An Empirical Method for Estimating the Degree of Crystallinity of Native Cellulose Using the X-Ray Diffractometer. Text. Res. J. 1959, 29, 786–794. [Google Scholar] [CrossRef]
  35. ASTM D638-14; Standard Test Method for Tensile Properties of Plastics. ASTM: West Conshohocken, PA, USA, 2014. [CrossRef]
  36. ASTM D790-17; Flexural Properties of Unreinforced and Reinforced Plastics and Electrical Insulating Materials. ASTM Standard: West Conshohocken, PA, USA, 2017. [CrossRef]
  37. Wellen, R.M.R.; Canedo, E.L.; Rabello, M.S. Melting and crystallization of poly(3-hydroxybutyrate)/carbon black compounds. Effect of heating and cooling cycles on phase transition. J. Mater. Res. 2015, 30, 3211–3226. [Google Scholar] [CrossRef]
  38. Hasan, A.; Rabbi, M.S.; Maruf Billah, M. Making the lignocellulosic fibers chemically compatible for composite: A comprehensive review. Clean. Mater. 2022, 4, 100078. [Google Scholar] [CrossRef]
  39. Yue, Y.; Han, J.; Han, G.; Zhang, Q.; French, A.D.; Wu, Q. Characterization of cellulose I/II hybrid fibers isolated from energycane bagasse during the delignification process: Morphology, crystallinity and percentage estimation. Carbohydr. Polym. 2015, 133, 438–447. [Google Scholar] [CrossRef]
  40. Monteiro, S.N.; Calado, V.; Rodriguez, R.J.S.; Margem, F.M. Thermogravimetric behavior of natural fibers reinforced polymer composites—An overview. Mater. Sci. Eng. A 2012, 557, 17–28. [Google Scholar] [CrossRef]
  41. Brebu, M.; Vasile, C. Thermal degradation of lignin—A review. Cellul. Chem. Technol. 2010, 44, 353–363. [Google Scholar]
  42. Elenga, R.G.; Djemia, P.; Tingaud, D.; Chauveau, T.; Maniongui, J.G.; Dirras, G. Effects of alkali treatment on the microstructure, composition, and properties of the Raffia textilis fiber. BioResources 2013, 8, 2934–2949. [Google Scholar] [CrossRef]
  43. Graupner, N.; Müssig, J. A comparison of the mechanical characteristics of kenaf and lyocell fibre reinforced poly(lactic acid) (PLA) and poly(3-hydroxybutyrate) (PHB) composites. Compos. Part A Appl. Sci. Manuf. 2011, 42, 2010–2019. [Google Scholar] [CrossRef]
  44. Hu, R.; Lim, J.-K. Fabrication and Mechanical Properties of Completely Biodegradable Hemp Fiber Reinforced Polylactic Acid Composites. J. Compos. Mater. 2007, 41, 1655–1669. [Google Scholar] [CrossRef]
  45. Barkoula, N.M.; Garkhail, S.K.; Peijs, T. Biodegradable composites based on flax/polyhydroxybutyrate and its copolymer with hydroxyvalerate. Ind. Crops Prod. 2010, 31, 34–42. [Google Scholar] [CrossRef]
  46. Badía, J.D.; Santonja-Blasco, L.; Moriana, R.; Ribes-Greus, A. Thermal analysis applied to the characterization of degradation in soil of polylactide: II. on the thermal stability and thermal decomposition kinetics. Polym. Degrad. Stab. 2010, 95, 2185–2191. [Google Scholar] [CrossRef]
  47. Mendes, Í.M.L.; Fialho, M.S.B.; Leão, R.M.; Silveira, E.A.; da Luz, S.M. Processing Biodegradable Blends of Hemicellulose with Polyhydroxybutyrate and Poly (Lactic Acid). Mater. Res. 2023, 26, e20220390. [Google Scholar] [CrossRef]
  48. Gupta, B.; Revagade, N.; Hilborn, J. Poly(lactic acid) fiber: An overview. Prog. Polym. Sci. 2007, 32, 455–482. [Google Scholar] [CrossRef]
  49. Garrido-Miranda, K.A.; Lrivas, B.; Pérez, M.A. Poly(3-hydroxybutyrate)–thermoplastic starch–organoclay bionanocomposites: Surface properties. J. Appl. Polym. Sci. 2017, 134, 45217. [Google Scholar] [CrossRef]
  50. de Araujo, M.A.M.; de Sena Neto, A.R.; Hage, E.; Mattoso, L.H.C.; Marconcini, J.M. Curaua leaf fiber (Ananas comosus var. erectifolius) reinforcing poly(lactic acid) biocomposites: Formulation and performance. Polym. Compos. 2015, 36, 1520–1530. [Google Scholar] [CrossRef]
  51. Scalioni, L.V.; Gutiérrez, M.C.; Felisberti, M.I. Green composites of poly(3-hydroxybutyrate) and curaua fibers: Morphology and physical, thermal, and mechanical properties. J. Appl. Polym. Sci. 2017, 134, 1–13. [Google Scholar] [CrossRef]
  52. Frone, A.N.; Panaitescu, D.M.; Chiulan, I.; Gabor, A.R.; Nicolae, C.A.; Oprea, M.; Ghiurea, M.; Gavrilescu, D.; Puitel, A.C. Thermal and mechanical behavior of biodegradable polyester films containing cellulose nanofibers. J. Therm. Anal. Calorim. 2019, 138, 2387–2398. [Google Scholar] [CrossRef]
  53. Batista, N.L.; Olivier, P.; Bernhart, G.; Rezende, M.C.; Botelho, E.C. Correlation between degree of crystallinity, morphology and mechanical properties of PPS/carbon fiber laminates. Mater. Res. 2016, 19, 195–201. [Google Scholar] [CrossRef]
  54. Wei, L.; McDonald, A.G. Peroxide induced cross-linking by reactive melt processing of two biopolyesters: Poly(3-hydroxybutyrate) and poly(l-lactic acid) to improve their melting processability. J. Appl. Polym. Sci. 2015, 132, 1–15. [Google Scholar] [CrossRef]
  55. Lim, J.S.; Park KIl Chung, G.S.; Kim, J.H. Effect of composition ratio on the thermal and physical properties of semicrystalline PLA/PHB-HHx composites. Mater. Sci. Eng. C 2013, 33, 2131–2137. [Google Scholar] [CrossRef] [PubMed]
  56. Ali, M. Microstructure, Thermal Analysis and Acoustic Characteristics of Calotropis procera (Apple of Sodom) Fibers. J. Nat. Fibers 2016, 13, 343–352. [Google Scholar] [CrossRef]
  57. Mehrabi Mazidi, M.; Edalat, A.; Berahman, R.; Hosseini, F.S. Highly-Toughened Polylactide-(PLA-) Based Ternary Blends with Significantly Enhanced Glass Transition and Melt Strength: Tailoring the Interfacial Interactions, Phase Morphology, and Performance. Macromolecules 2018, 51, 4298–4314. [Google Scholar] [CrossRef]
  58. Saeidlou, S.; Huneault, M.A.; Li, H.; Park, C.B. Poly(lactic acid) crystallization. Prog. Polym. Sci. 2012, 37, 1657–1677. [Google Scholar] [CrossRef]
  59. Frone, A.N.; Batalu, D.; Chiulan, I.; Oprea, M.; Gabor, A.R.; Nicolae, C.A.; Raditoiu, V.; Trusca, R.; Panaitescu, D.M. Morpho-structural, thermal and mechanical properties of PLA/PHB/Cellulose biodegradable nanocomposites obtained by compression molding, extrusion, and 3d printing. Nanomaterials 2020, 10, 51. [Google Scholar] [CrossRef]
  60. Jia, S.; Yu, D.; Zhu, Y.; Wang, Z.; Chen, L.; Fu, L. Morphology, crystallization and thermal behaviors of PLA-based composites: Wonderful effects of hybrid GO/PEG via dynamic impregnating. Polymers 2017, 9, 528. [Google Scholar] [CrossRef]
  61. de Araujo Alves Lima, R.; Kawasaki Cavalcanti, D.; de Souza e Silva Neto, J.; Meneses da Costa, H.; Banea, M.D. Effect of surface treatments on interfacial properties of natural intralaminar hybrid composites. Polym. Compos. 2020, 41, 314–325. [Google Scholar] [CrossRef]
  62. Shravanabelagola Nagaraja Setty, V.K.; Goud, G.; Peramanahalli Chikkegowda, S.; Mavinkere Rangappa, S.; Siengchin, S. Characterization of Chemically Treated Limonia Acidissima (Wood Apple) Shell Powder: Physicochemical, Thermal, and Morphological Properties. J. Nat. Fibers 2022, 19, 4093–4104. [Google Scholar] [CrossRef]
  63. Sarker, F.; Uddin, M.Z.; Sowrov, K.; Islam, M.S.; Miah, A. Improvement of mechanical and interfacial properties of hot water and sodium bicarbonate treated jute fibers for manufacturing high performance natural composites. Polym. Compos. 2022, 43, 1330–1342. [Google Scholar] [CrossRef]
  64. Fiore, V.; Di Bella, G.; Valenza, A. The effect of alkaline treatment on mechanical properties of kenaf fibers and their epoxy composites. Compos. Part B Eng. 2015, 68, 14–21. [Google Scholar] [CrossRef]
  65. Addis, L.B.; Sendekie, Z.B.; Habtu, N.G.; Schubert, D.W.; Roether, J.A.; Boccaccini, A.R. False banana fiber reinforced geopolymer composite—A novel sustainable material. Ceram. Int. 2024, 50, 24442–24450. [Google Scholar] [CrossRef]
  66. Cavalcanti, D.K.K.; Neto, J.S.S.; de Queiroz, H.F.M.; Wu, Y.; Neto, V.F.S.; Banea, M.D. Development and Mechanical Characterization of Short Curauá Fiber-Reinforced PLA Composites Made via Fused Deposition Modeling. Polymers 2022, 14, 5047. [Google Scholar] [CrossRef] [PubMed]
Figure 1. SEM micrographs with 500 times magnification: curaua fibers (A,B); curaua fibers treated with hot water (C); curaua fibers treated with hot water and mercerized (D); curaua fibers treated with hypochlorite (E); curaua fibers treated with hypochlorite and mercerized (F).
Figure 1. SEM micrographs with 500 times magnification: curaua fibers (A,B); curaua fibers treated with hot water (C); curaua fibers treated with hot water and mercerized (D); curaua fibers treated with hypochlorite (E); curaua fibers treated with hypochlorite and mercerized (F).
Applsci 14 10621 g001
Figure 2. X-ray diffraction: curaua fibers and the different types of treatment.
Figure 2. X-ray diffraction: curaua fibers and the different types of treatment.
Applsci 14 10621 g002
Figure 3. TGA/DTG curves of the untreated and treated fibers.
Figure 3. TGA/DTG curves of the untreated and treated fibers.
Applsci 14 10621 g003
Figure 4. SEM micrographs for PLA (A); composite containing 20% of curaua fibers (untreated) (B); composite containing 20% of curaua fibers (treated and mercerized) (C); composite containing 20% of curaua fibers (treated with chlorite and mercerized) (D).
Figure 4. SEM micrographs for PLA (A); composite containing 20% of curaua fibers (untreated) (B); composite containing 20% of curaua fibers (treated and mercerized) (C); composite containing 20% of curaua fibers (treated with chlorite and mercerized) (D).
Applsci 14 10621 g004
Figure 5. SEM micrographs for PHB (A); composite containing 20% of curaua fibers (untreated) (B); composite containing 20% of curaua fibers (treated and mercerized) (C); composite containing 20% of curaua fibers (treated with chlorite and mercerized) (D).
Figure 5. SEM micrographs for PHB (A); composite containing 20% of curaua fibers (untreated) (B); composite containing 20% of curaua fibers (treated and mercerized) (C); composite containing 20% of curaua fibers (treated with chlorite and mercerized) (D).
Applsci 14 10621 g005
Figure 6. Comparative TG and DTG curves of untreated and treated curaua fibers with different percentages in PLA matrix (A) and PHB matrix (B). CF: untreated curaua fibers; CWM: curaua treated with hot water and mercerized; CHM: curaua treated with hypochlorite and mercerized.
Figure 6. Comparative TG and DTG curves of untreated and treated curaua fibers with different percentages in PLA matrix (A) and PHB matrix (B). CF: untreated curaua fibers; CWM: curaua treated with hot water and mercerized; CHM: curaua treated with hypochlorite and mercerized.
Applsci 14 10621 g006
Figure 7. Comparative DSC curves of untreated and treated curaua fibers with different percentages in PLA matrix (A) and PHB matrix (B). CF: untreated curaua fibers; CWM: curaua treated with hot water and mercerized; CHM: curaua treated with hypochlorite and mercerized.
Figure 7. Comparative DSC curves of untreated and treated curaua fibers with different percentages in PLA matrix (A) and PHB matrix (B). CF: untreated curaua fibers; CWM: curaua treated with hot water and mercerized; CHM: curaua treated with hypochlorite and mercerized.
Applsci 14 10621 g007
Table 1. Chemical compositions of the curaua fibers and the different phases of treatment.
Table 1. Chemical compositions of the curaua fibers and the different phases of treatment.
TreatmentHolocellulose (%)Alpha-Cellulose (%)Lignin (%)Moisture (%)Ash (%)Other (%)
Curaua fibers (CF)76.961.86.85.80.69.9
Curaua treated with hot water (CW)83.161.85.25.80.45.5
Curaua treated with hot water and mercerized (CWM)80.768.46.87.60.44.5
Curaua treated with NaClO (CH)76.543.02.78.10.811.9
Curaua treated with NaClO and mercerized (CHM)86.871.02.77.80.72.0
Table 2. Tensile and flexural properties for PHB and PLA composites reinforced with untreated and treated curaua fibers and neat PLA and PHB.
Table 2. Tensile and flexural properties for PHB and PLA composites reinforced with untreated and treated curaua fibers and neat PLA and PHB.
SamplesTensile Strength (MPa)Young’s Modulus (GPa)Flexural Strength (MPa)Flexural Modulus (GPa)
PLA composites
Matrixa 58.2 ± 2.1a 5.6 ± 0.2c 93.5 ± 2.4a 3.0 ± 0.08
CF 10 wt%a 57.7 ± 1.0a,b 5.8 ± 0.6b,c 91.3 ± 1.4b 3.6 ± 0.1 *
CF 20 wt%a,b 60.2 ± 3.0c,d 7.3 ± 0.5 *a 82.8 ± 3.3 *c 4.7 ± 0.2 *
CWM 10 wt%b 66.7 ± 1.6 *b,c 6.7 ± 0.4 *c 93.1 ± 4.2b 3.6 ± 0.1 *
CWM 20 wt%c 75.7 ± 4.7 *e 8.8 ± 0.8 *d 103.6 ± 2.0 *d 4.5 ± 0.1 *
CHM 10 wt%a 57.6 ± 1.8a,b,c 6.6 ± 0.4 *a,b 87.3 ± 1.9 *b 3.6 ± 0.0 *
CHM 20 wt%a,b 63.4 ± 2.2d,e 7.9 ± 0.4 *c 92.8 ± 2.0d 4.4 ± 0.1 *
PHB composites
Matrixa,b 18.5 ± 1.0a 2.5 ± 0.09a,b 26.3 ± 1.0a 1.3 ± 0.06
CF 10 wt%a 17.9 ± 0.5a 2.6 ± 0.07a 26.0 ± 0.9b 1.6 ± 0.07 *
CF 20 wt%b,c 20.8 ± 2.3a 3.0 ± 0.1d 30.5 ± 1.5 *d 2.2 ± 0.1 *
CWM 10 wt%a,b 19.0 ± 0.9a 2.8 ± 0.10c 28.2 ± 0.8 *b,c 1.6 ± 0.07 *
CWM 20 wt%c 22.6 ± 0.7 *b 4.0 ± 0.09 *e 33.4 ± 0.8 *d 2.2 ± 0.05 *
CHM 10 wt%a 17.9 ± 1.1a,b 3.3 ± 0.09 *b,c 28.2 ± 0.3 *c 1.7 ± 0.03 *
CHM 20 wt%a,b 18.2 ± 2.0a,b 3.4 ± 0.08 *c,d 30.5 ± 1.3 *d 2.0 ± 0.1 *
a–e Distinct letters indicate significant differences between samples by Tukey’s test; * indicates a significant difference between matrix and treated fiber composites by Dunnett’s test; CF: untreated curaua fibers; CWM: curaua treated with hot water and mercerized; CHM: curaua treated with hypochlorite and mercerized.
Table 3. DSC data of PLA, PHB and PLA, and PHB composites.
Table 3. DSC data of PLA, PHB and PLA, and PHB composites.
SamplesTm (°C)ΔHm (J/g)Xc (%)
PLA matrix159.224.613.3
CF 10 wt%/PLA159.424.015.1
CF 20 wt%/PLA159.428.920.3
CWM 10 wt%/PLA159.826.618.0
CWM 20 wt%/PLA160.136.727.1
CHM 10 wt%/PLA160.024.815.6
CHM 20 wt%/PLA161.229.319.8
PHB matrix174.745.130.9
CF 10 wt%/PHB174.739.129.7
CF 20 wt%/PHB174.434.829.8
CWM 10 wt%/PHB174.641.631.6
CWM 20 wt%/PHB175.138.232.7
CHM 10 wt%/PHB175.242.832.5
CHM 20 wt%/PHB174.938.733.2
CF: untreated curaua fibers; CWM: curaua treated with hot water and mercerized; CHM: curaua treated with hypochlorite and mercerized.
Disclaimer/Publisher’s Note: The statements, opinions and data contained in all publications are solely those of the individual author(s) and contributor(s) and not of MDPI and/or the editor(s). MDPI and/or the editor(s) disclaim responsibility for any injury to people or property resulting from any ideas, methods, instructions or products referred to in the content.

Share and Cite

MDPI and ACS Style

de Oliveira, J.M.; Sousa, V.M.Z.; Teixeira, L.A.; Leão, R.M.; Sales-Contini, R.C.M.; Steier, V.F.; da Luz, S.M. The Role of Chemical Treatments on Curaua Fibers on Mechanical and Thermal Behavior of Biodegradable Composites. Appl. Sci. 2024, 14, 10621. https://doi.org/10.3390/app142210621

AMA Style

de Oliveira JM, Sousa VMZ, Teixeira LA, Leão RM, Sales-Contini RCM, Steier VF, da Luz SM. The Role of Chemical Treatments on Curaua Fibers on Mechanical and Thermal Behavior of Biodegradable Composites. Applied Sciences. 2024; 14(22):10621. https://doi.org/10.3390/app142210621

Chicago/Turabian Style

de Oliveira, Janaíne M., Vitor M. Z. Sousa, Linconl A. Teixeira, Rosineide M. Leão, Rita C. M. Sales-Contini, Volker F. Steier, and Sandra M. da Luz. 2024. "The Role of Chemical Treatments on Curaua Fibers on Mechanical and Thermal Behavior of Biodegradable Composites" Applied Sciences 14, no. 22: 10621. https://doi.org/10.3390/app142210621

APA Style

de Oliveira, J. M., Sousa, V. M. Z., Teixeira, L. A., Leão, R. M., Sales-Contini, R. C. M., Steier, V. F., & da Luz, S. M. (2024). The Role of Chemical Treatments on Curaua Fibers on Mechanical and Thermal Behavior of Biodegradable Composites. Applied Sciences, 14(22), 10621. https://doi.org/10.3390/app142210621

Note that from the first issue of 2016, this journal uses article numbers instead of page numbers. See further details here.

Article Metrics

Back to TopTop