Next Article in Journal
Analysis and Optimization of Output Low-Pass Filter for Current-Source Single-Phase Grid-Connected PV Inverters
Next Article in Special Issue
Optimization of an Asymmetric-Rotor Permanent Magnet-Assisted Synchronous Reluctance Motor for Improved Anti-Demagnetization Performance
Previous Article in Journal
Experimental and Numerical Study in Dynamic Compaction of Weakly-Cohesive Soils
Previous Article in Special Issue
Fault Diagnosis of Induction Motors under Limited Data for Across Loading by Residual VGG-Based Siamese Network
 
 
Font Type:
Arial Georgia Verdana
Font Size:
Aa Aa Aa
Line Spacing:
Column Width:
Background:
Article

Improving the Dynamics of an Electrical Drive Using a Modified Controller Structure Accompanied by Delayed Inputs

by
Konrad Urbanski
and
Dariusz Janiszewski
*
Institute of Robotics and Machine Intelligence, Poznan University of Technology, ul. Piotrowo 3a, 60-965 Poznan, Poland
*
Author to whom correspondence should be addressed.
Appl. Sci. 2024, 14(22), 10126; https://doi.org/10.3390/app142210126
Submission received: 16 September 2024 / Revised: 20 October 2024 / Accepted: 25 October 2024 / Published: 5 November 2024
(This article belongs to the Collection Modeling, Design and Control of Electric Machines: Volume II)

Abstract

This paper presents the operation of a modified speed controller with a standard PI/PID structure that includes the preprocessing of the controller’s input signal, focusing on the past behavior of control errors. The modification involves adding a delay line, with the outputs of the individual line segments summed with a weighting method, as detailed in the paper. One of the significant advantages of this method is its use of a standard industrial controller structure, which makes it highly practical and easily implementable in existing systems. By relying on well-established control frameworks, this approach reduces the need for specialized hardware or complex modifications, allowing for smoother integration and lower implementation costs. The delay-based signal shaping shows excellent properties for the electric drive system powered by a hard-switching PWM converter. The set of weighted delays acts as a filter whose parameters are chosen using the quality function to test different configurations for optimal performance. When tested in a speed control system for a Permanent Magnet Synchronous Motor, the modifications improved the control quality index, indicating better performance and efficiency. Importantly, the system allows for reducing or eliminating the gain in the differentiating part of the controller, which decreases motor current chattering and noise. This paper includes an experimental verification of the proposed solution in a laboratory setting under semi-industrial conditions.

1. Introduction

The control of electrical drives is a critical aspect of modern automation and industrial applications, where precision, stability, and efficiency are required [1,2,3]. Electrical drives, which include motors and their control systems, are integral to various industries, ranging from manufacturing to robotics and transportation.
In industry, electrical drives are used to power machinery, robotic arms, and others, ensuring smooth and precise operation essential for high-quality and high-demand production. Right control of these drives allows for the control of complex processes, reducing downtime and increasing overall productivity. Especially in robotics, electrical drives enable precise movements and operations. This precision is very important for tasks such as assembly, welding, and handling. Advanced control systems in electrical drives ensure that robots can perform complex tasks with high accuracy and repeatability. Considering the transportation sector, electrical drives are widely used in electric vehicles, trains, and other forms of transportation [4,5]. The ability to precisely control motor functions in EVs leads to better performance, extended range, and enhanced safety. An additional aspect that is often overlooked is working in critical conditions [3]. Moreover, electrical drives are also found in home appliance systems, and renewable energy applications such as wind turbines and solar tracking systems. In each of these applications, the control of electrical drives is essential for optimizing performance, improving energy efficiency, and maintaining system stability. When analyzing industrial systems, the dynamics of control and immunity to errors are required. Additionally, in recent years, attention has been paid to the energy consumption of actuator systems. However, the main problem that modern engineers have to deal with is the above-mentioned dynamics of technological processes and their control [1,6]. This quality is largely influenced by properties such as disturbances, which include unexpected changes or disruptions in the system and operating smoothly without sudden changes or oscillations, and it needs to accurately respond to the desired commands, which can affect the performance of the electrical drive. Overall, managing measurement noise and disturbances is crucial for examining the performance and reliability of electrical drives. This ensures that the drives can operate smoothly and accurately, which is essential for their applications.
From a control engineering perspective, the dominant control structure is the so-called cascade structure. Taking into account the above-mentioned aspects of control system requirements, when designing the dynamics of electromechanical systems, one should focus on the time requirements of the electromechanical subsystems that make up the drive system. Very often, one encounters systems that contain a time delay of a significant value compared to the other time constants of the considered system dynamics. In cases where there is a significant time delay in a system, using a structure that incorporates a system model is usually considered to improve control performance. Two common approaches in such scenarios are the Smith’s Predictor (SP) and Internal Model Control (IMC) [7,8]. The basic idea of the Smith Predictor is to use a model of the system to predict future outputs. By incorporating this predictive model, the controller can compensate for the delay, allowing for more effective and timely control actions. Essentially, it anticipates the effect of the time delay and adjusts the control inputs accordingly. The other approach, IMC, also uses a model of the system within the controller. The key concept of IMC is that the controller contains a model of the process it is controlling. By comparing the actual process output with the output predicted by the model, the controller can make adjustments to minimize the differences. IMC is known for its robustness and ability to handle model inaccuracies and disturbances effectively. Additionally, it was noted that for an electromechanical system to be highly dynamic and robust, it may be necessary in some applications to take disturbances into account, such as by estimating them [2,9,10]. This complicates the control structure and introduces further dynamical behavior and computation delay into the control loops.
In summary, if assumptions about the expected dynamics of the system are not made, a properly tuned PI/PID controller can be used instead of a more complex control structure [11,12,13,14,15]. In the broader approach to speed regulation, one can distinguish complex methods such as the Linear Quadratic Regulator (LQR), extended into Model Predictive Control (MPC), and those based on Artificial Neural Networks (ANNs). An LQR controller ensures optimal control of state variables and outputs but requires an accurate mathematical model of the system, along with an observer and strict rules for controlling state variables [16,17,18,19]. The main advantage of MPC is that it allows the optimization of the current state while accounting for future predicted states [9,16]. However, this approach faces challenges due to the non-linear system model and complex non-linear optimization rules. Many ANN architectures have been developed and applied to improve the performance of nonlinear control in motor systems [20]. In this work, the focus was on a classical approach, specifically finding a tuning method as opposed to a learning-based method. For the above assumptions regarding drive systems, the relationships describing the selection of controller parameters for various system structures are very well and clearly presented in [21]. It is worth treating this as a starting point for interesting scientific and engineering work. In this study, as presented in [22], a Reference Bias Control algorithm was designed to further improve control performance while maintaining the structure of a conventional PI control algorithm.
Considering the extensive literature on the topic, the authors decided to further develop one of the issues. The solution proposed in this article combines the simplicity of a PI/PID control system with the ability to achieve a higher dynamic range without the need for complex control and estimator systems. During the experimental studies and research laboratory practices, it was observed that incorporating the sum of past control errors into the current control method improves the quality of control. This observation became the foundation for further research. Paradoxically, adding delayed signals enhanced the dynamics of the motion control system. Analyzing the mathematical approach, this type of solution has its roots in signal theory and is referred to as a finite impulse response filter, which is well described in [23]. A similar concept has been used for speech recognition in [24] using an artificial neural network, called the tapped delay line.
The application of FIR filters in the control of electrical drives encompasses several areas, including sensor noise reduction and signal smoothing [25,26]. The authors of [26] propose a novel disturbance rejection control scheme for PMSM drives. Based on the framework of modified disturbance observer control, the final topology of the proposed disturbance rejection proportional–integral controller includes a prefilter and a controller in a PI form. Some applications even focus on representing the entire control system as a mathematical filter. These are approaches that include stochastic noise reduction [27], delay compensation [28], and complex compensator systems [18,19]. The PID controller gains in work [19] are formulated as optimal state feedback gains, corresponding to the standard quadratic cost function involving the state variables and the controller effort. The following is noted in detail, including which of the solutions may have an aspect like the industrial one. The authors of [29] discuss the feedback controller as a non-parametric controller, such as an FIR filter, which eliminates the need to determine the desired orders of the feedback controller, and verify its performance on a simple RC circuit.
The use of FIR and IIR filters for measurements in high-speed control systems for power electronics is widely explored in [25,28,30,31]. The authors of [25] present a solution to certain filtering problems in measurements, where a low-pass filter (LPF) is replaced by a finite impulse response (FIR) filter and removed from the RC internal model. The proposed method improves the convergence speed of harmonic suppression. An important feature of the control strategy in [28], which uses an FIR filter, is used as compensation for sampling and computation delay. The FIR filter is optimized as a predictor, minimizing errors in the prediction of low-order harmonics in the control variable. A minimum-phase FIR filter ensures a fast transient response and is designed to control the output voltage to achieve a desired frequency response in [30]. The authors of [31] present approaches using digital FIR filters for speed and position measurement in a resolver-to-digital conversion implementation. Their analysis of different window functions shows the influence of these windows on measurement position error.
The implementation of a complex Generalized Predictive Control (GPC) speed controller using an FIR filter for an induction machine is presented in [32], though the results are not compared with any reference system. The proposed mathematical form is written as a set of FIR filters, a simple view that makes on-chip implementation straightforward.
Based on the above analysis, a new solution was proposed and tested on two different object structures. The first test was conducted through simulations on a Integral–Integral Plus Delay (I2PD)-type object. A double-integrating structure can represent the positioning process of an Unmanned Aerial Vehicle (UAV) [33]. In cases with control loop delays and disturbances (e.g., wind gusts), achieving astatic control in real conditions may require advanced control concepts. It was assumed that increasing the response speed to disturbances is important for achieving high-quality control indicators. The concept was also tested on a drive system with a Permanent Magnet Synchronous Motor (PMSM). These motors are widely used in both domestic and industrial applications. The development of PMSM control methods remains an ongoing research task [9,10,34,35,36] due to their advantages, such as high efficiency, high dynamics, and a high power-to-weight ratio. A testbed was identified for simulation research, and a simplified electric drive model was tested based on these parameters, followed by validation on a laboratory test bench.
This article presents solutions known from the literature and compares their performance with that of the proposed structure. The proposed structure not only improves the quality indicators in comparison to the reference systems but also enables the selection procedure to begin with typical, safe settings, chosen in accordance with the known criteria for determining parameters.
This article is organized as follows: Section 1 introduces the issue of control and solutions for delayed systems. Section 2 shows how to extend a typical controller to achieve better drive characteristics. Section 3 presents a simulation comparison of a system with a reference controller and a system with a modified controller for a simple object. Section 4 presents a simulation comparison for a PMSM speed control system. Then, the experimentally obtained results from the PMSM are presented in Section 5 and compared to proceding simulation. It can be seen that there is high agreement between the simulation and laboratory experiment. Section 6 is a summary of the obtained results.

2. Modification of the Controller

When designing a control structure for objects characterized by a noticeable time delay, a structure that utilizes an object model is typically considered. Such a structure can include, for example, a system with a Smith predictor or a system with Internal Model Control. When the designed dynamics of such a system are not large, a properly selected PI/PID controller can be used instead of a more complex control structure [7]. In the case of a single-input controller, this block is fed only by the speed error (Figure 1).
The settings for such a typical form of controller and for the identified object can be determined analytically or experimentally. For the I2PD system, the settings were determined analytically (see later sections in this article for details), and for the system with a PMSM, the settings were determined using a random method. One implementation of this method—RWC (Random Weight Change)—as described in [37,38], has been used to determine the parameters of an artificial neural network. This algorithm, due to its simplicity (Figure 2), allows for easy implementation in various development environments as well as in embedded devices.
Tests have shown that this algorithm can be executed not only during simulation but also on the laboratory bench. The described controller structure is used as a reference system for the modified system.
Based on the observed and tested properties, it was proposed to modify the structure to enhance performance, improve stability, and address any limitations identified during the testing phase. These modifications aim to optimize the system’s overall efficiency and ensure better adaptability to varying operational conditions. The proposed modification of the controller’s structure, as presented in Figure 3, consists of preconditioning the signal feeding the speed controller by adding a delay line. The outputs of the individual branches of the delay line are then summed with appropriate weighting. The modified controller presented in this article will be called MPI/MPID (multi-input PI/PID).
Such a signal processing structure corresponds to a finite impulse response filter, the general form of which is presented below (1):
y [ n ] = k = 0 M b k x [ n k ] ,
where y [ n ] is the output, M is the order of the FIR, b k are the coefficients, and x [ n k ] are the delayed input signals. The application uses a high-order FIR filter with multiple null parameters to achieve a delay value greater than the sampling step. The delay value of the signal τ (Figure 3) is selected to allow repeated sampling of the waveform containing the component of the expected highest frequency. The signal delay time is determined experimentally through a series of tests. By evaluating quality indicators for different delay values, the optimal delay is selected. The calculation process is performed in parallel (multithreaded), which reduces computation time. In the system under study, the number of delayed deviation signals was chosen as M = 9 . This limitation is due to the available memory in the laboratory system. The weights and settings of the modified controller are determined using the RWC method described above.
An important feature of this approach is that the procedure for determining the parameters of the weights, as well as the new controller settings, can start from known, analytically determined parameters. This applies to the controller parameters, but also to the initial FIR weights. The optimization process can start with weights selected so that the controller works like a “typical” controller without modifications. This allows the optimization to be performed safely on the real system. Thus, according to Figure 3, the initial weights can obtain a lvalue:
W = { W 1 = 1 , W 2 = 0 , W 3 = 0 , , W n = 0 } .
where these weights are modified, as well as the controller settings, during optimization progress.
The following chapters present results obtained by simulations and experimental verification of the presented control system modification concept. Quality indices for a reference system operating in a typical control system with typical controller settings will be compared, as well as the obtained indices for the proposed solution. The first example is the Non-Self-Regulating process model. The second is a speed control system in a drive with a PMSM—both the simulation model and the corresponding real system.

3. Non-Self-Regulating Process Model

The solution proposed in this paper was verified by simulation for an I2PD-type object described by the following transfer function:
G O B 1 ( s ) = K e s τ s 2 ,
where K is the gain of the object, and τ is the time delay. In the preliminary studied system K = 1 , τ = 0.5 s . The example values of the above parameters were selected according to the parameters of the real system—the commercial quadcopter’s position control using visual feedback from [39]. For the considered type of object (3), there are various ready-made procedures for calculating the controller parameters. For the system with a single controller C (Figure 4), a serial PID controller structure with derivative prefiltering was selected as the reference circuit. The settings were chosen according to the method proposed by Skogestad in Section 4.5.2 of the book [21].
G C ( s ) = K c 1 + 1 T i s 1 + T d s 1 + T d N s ,
where
K c = 0.0625 K τ 2 , T i = 8 τ , T d = 8 τ , N = .
Due to the problem of the numerical convergence of calculations, N = 100 was used in the simulation. The control system with settings (4) and (5) is the reference system against which the results obtained for the proposed controller system will be compared. The modified controller with an FIR of the form shown in Figure 3 in the tests replaces the C module in Figure 4. The setpoint filter F is of the form:
F ( s ) = 1 ( T F s + 1 ) 2 ,
where T F = 0.5 s is the time constant. This value was selected according to τ . The tests consisted of determining the quality index of the step response for a change in the setpoint at time t = 0 s from 0 to 1, and at time t = 25 s , there is a step change in the disturbance from 0 to a value of 0.2 . The value of the disturbance was chosen to obtain a clear waveform on a suitable scale for plotting. For the purpose of comparing the optimization results (after the learning process), we used the quality index IAE (Integral Absolute Error), which has the form:
J 1 = 0 ε c ( t ) d t ,
where ε c is the control error. During the optimization process, a quality index of the following form was used:
J 2 = 0 ε c ( t ) d t + γ 1 · 0 ε i n t ( t ) d t ,
where ε i n t is an additional “virtual” error:
ε i n t ( t ) = I N T 1 r e f ( t ) I N T 1 ( t ) .
The addition of this component allows the optimization process to achieve a smoother response to disturbances and changes in the setpoint.
The value denoted as γ 1 is a weighting factor. The auxiliary variables I N T 1 r e f and I N T 1 (Figure 4) are the output of the controller C and the output of the first integral element, respectively. The error ε i n t is called virtual because the system does not have a controller for the I N T 1 variable. Regardless of the value of γ 1 used in the search for the optimal parameters, the value of the quality index (labeled as q) in Figure 5 is shown for the quality function (7). In the studied system, the calculation step is T s = 33 ms. For the presented assumptions, simulations were performed for the reference system, then for the reference system after optimization of the controller settings, and, finally, for optimization of the weights and controller settings for different parameters of the quality function.
Figure 5 shows a series of step responses along with the response to a step change in disturbance for a comparison of the reference system, before and after optimization. The simulation-derived illustrations are also labeled with a test code identifying the trial (e.g., code MPID_multi47_02a_9). Figure 5a shows the waveforms for the reference system, for the controller selected according to (5). Next, a series of set–optimization tests were performed for the reference system, with different configurations to improve the quality indices. For the optimization of only controller settings, waveforms were obtained, as shown in Figure 5b. In the next step, the PID controller was completed by adding an FIR unit to its input, and optimization of the controller parameters and weights was carried out for different values of delays defined as multiples of the calculation step: { 2 , 3 , 7 , 11 , 20 } and for different parameters of the quality function (8). The example results for parameter optimization are shown in Figure 5c,d. These are the waveforms obtained for a delay of 2 · T s and 11 · T s , respectively. For the presented series of tests, these were the best results. A summary of the quality indices obtained in the tests is presented in Table 1. Settling times were determined for the 2 % tolerance band. The first row shows the results for the reference system (Figure 5a), where row two shows the results for the system after PID controller optimization (Figure 5b). The third and fourth rows show the results for the MPID system for γ 1 = 2 (Figure 5c) and γ 1 = 0 (Figure 5d), respectively. The first column shows the value of the quality index obtained after optimization (7), and column two shows the overshoot value as a percentage. Column three shows the minimum value of the output in response to the disturbance (the higher the value, the better). The fourth column shows the settling time. The last column shows the response time to a disturbance (the recovery time). It can be seen that optimizing the controller parameters according to the criterion reduces the value of the quality index by more than two times, but this comes at the expense of increased overshoot, increased settling time, and very poor oscillation damping. A comparable quality index value is provided by the use of the FIR for the γ 1 = 2 parameter, which further reduces overshoot by more than two times and increases oscillation damping. As a result, the responses to step changes in the reference values or disturbances are smoother. When the FIR is used for the γ 1 = 0 parameter, a significant reduction in the quality index value is achieved, nearly twice as small compared to PID settings (7), and clearly better quality parameters, such as the overshoot, settling time, and reaction to disturbance (maximum error and recovery time).
Since a significant improvement in quality indices was obtained for such a simple model, the concept was then tested for a model of a drive with a PMSM, and in the next step, the concept was verified for a laboratory system with a PMSM.

4. Speed Controller for PMSM Drive

In order to verify the proposed control concept for a PMSM-based drive, a series of simulation tests were conducted for its simplified model. The object structure was assumed to be in the form (10), where the output is the rotating speed ω ( s ) and the input is the q-axis reference current i q r e f ( s ) for a reference system d q rotating synchronously with the rotor:
G o b ( s ) = ω ( s ) i q r e f ( s ) = e s τ · k o b T c u s + 1 · 1 s ,
where k o b denotes the total gain of the control object, which includes the torque–current factor k m and the total moment of inertia J (Figure 6); T c u is the time constant of the closed-loop current control; and τ corresponds to the time delay in the control loop. Such an object can be called a FOLIPD (First Order Lag Integral Plus time Delay). The C controller acts as the speed controller under this test. In testing, it has a PID structure for the reference system, and in modified form, it has an MPI or MPID form for the active derivative component. The simulation model is supplemented with measured signal quantization blocks and a measurement noise source, and the controller has an output value limit and an anti-windup. Next, the parameters of the model used were identified based on the recorded waveforms of speed ( ω ) and reference current in the q-axis ( i q r e f ) using a laboratory stand. The settings and weights were determined in the initial tests on the simulation model using the optimization method for the quality function presented earlier. As part of the proof of concept, the behavior of the speed control system was tested for different setpoint shapes—for a step change and for a ramp. This was to demonstrate that the proposed controller works well for more than just one setpoint shape. These tests were realized for the same speed controller settings and the same FIR coefficients—for both simulation and laboratory bench experiment, but for another form of the quality function (16), as discussed in Section 5. The concordance of simulation and measurement waveforms shown in the following illustrations confirms the correctness of the model and concept.
Figure 7, Figure 8, Figure 9 and Figure 10 present the selected waveforms for the test, which involves a sequential change in the set speed (either stepped or ramped). Additionally, at the constant upper speed, there is a load disturbance acted by a stepping value of 0.2 p.u. and released. The speed is changed within a range of 0.6 · 98 % 0.6 p.u., which corresponds to a change of about 199.7 203.8 rad/s. The range of speed changes was chosen small enough so that, in tests with the real drive system, the current would stay in the zone of the limitation value as short as possible because the testing of control systems for the operating point in the limitation does not give much information about the system. On the other hand, the range of variation in the set speed should be large enough to maintain the correct ratio of measured signal value to measurement noise. The chosen range of variation is a compromise between these conflicting requirements. The current limit value is set to 0.4 p.u. This refers to the value of the maximum current measured by the measurement system on the laboratory bench, not to the value of the rated current. This is a feature of the laboratory system used for which this model was created. During system tests with a PID speed controller, the current waveforms very often display a phenomenon known as chattering. This phenomenon is especially visible during laboratory tests in Figures 13–16 were results was grabbed using digital oscilloscope with an analog persistence effect, allowing for clear and readable results (Figures 15b and 16b). In the simulation, to enhance waveform readability, the filtered value was superimposed on the unfiltered measured current waveform (Figure 9b and Figure 10b).
Analyzing the waveforms in Figure 7 and Figure 8, it can be seen that regardless of the shape of the speed reference, the MPI system has less speed overshoot and is almost twice as fast at eliminating the impact of the disturbance as the PID system. The reference current waveforms in the q-axis corresponding to speed waveforms are shown in Figure 9 and Figure 10 (the measured current is not present in this form of the model). A detailed analysis of the current waveforms will be presented in the experimental part due to the compatibility of the waveforms obtained from the simulation with those obtained from experiment.

5. Laboratory Verification for PMSM Drive

5.1. The Control Structure

The appropriate PMSM model, after necessary transformations, was used in simulation studies, incorporating the typical Field-Oriented Control (FOC) concept for a PMSM drive, as shown in Figure 11. A standard i d r e f = 0 control strategy was assumed. This attempt assumes that the current controllers in the d- and q- axes will not be modified. The tests involved only changing the structure and parameters of the speed controller.
As previously mentioned, part of the experimental verification of the presented signal-delayed control concept involved selecting the speed control system of the PMSM motor drive as the test object. For this application, the controlled PMSM can be modeled using equations for a rotating coordinate system synchronous with the rotor—denoted as d q . Traditional simplifying assumptions were applied in the analyzed model: the rotor is magnetically symmetrical, has no windings, and the rotor flux remains constant. Phenomena such as eddy currents, saturation, and temperature effects are ignored. In such cases, the following form is obtained:
u d = R s i d + L d d i d d t p ω r L q i q ,
u q = R s i q + L q d i q d t + p ω r L d i d + p ω r Ψ m ,
T e = 3 2 · p Ψ m L q L d i d · i q ,
J d ω r d t = T e T l ,
d Θ d t = p · ω r .
where:
u d , u q d- and q- axis stator voltages, respectively;
i d , i q d- and q- axis stator currents, respectively;
L d , L q d- and q- axis inductances, respectively;
R s stator resistance;
ω r rotating speed;
Ψ m magnetic flux excited by permanent magnets placed on the rotor;
pnumber of pole pairs;
T e produced electromagnetic torque;
T l load torque;
Jtotal moment of inertia;
Θ rotor position.
In this case, it is assumed that L d = L q .

5.2. Laboratory Stand

A mobile setup was employed for the research, consisting of two identical low-voltage three-phase permanent magnet synchronous machines connected by a rigid coupling (Figure 12).
The Permanent Magnet Synchronous Motors used, of type Teknic M-2310P-LN-04K, are industrial-grade NEMA 23 machines designed to exhibit natural PMSM characteristics at a low supply voltage. These motors are equipped with incremental encoders with a resolution of 4000 pulses per revolution. For all tests, the current controller parameters remain constant, with only the velocity controller structure changing. The second motor functions as a controlled load. Both machines are independently powered by three-phase MOSFET inverters. The control system includes two Texas Instruments Booster Packs Evaluation modules, namely BOOSTXL-DRV8305, and a real-time launch kit, Texas Instruments LAUNCHXL-F28379D. The inverters used are designed to operate at low voltages, below 45 V (during the tests performed, the motors were supplied with 24 V), and handle high currents, up to 20 A. Control is implemented using a dual-core, fast, real-time processor TMS320F28379D, with built-in Control Law Accelerator JTAG and USB ports. The system has only two available full DAC converters (besides PWM-type converters). The control system utilizes default structures for the d- and q-axes’ current controllers, which are implemented through library functions provided by the kit manufacturer.
The selected important parameters of the tested machine are as follows:
R s = 0.72 Ω ;
L s = 0.40 mH ;
Ψ = 4.6 V @ 1000 rpm ;
U m a x = 40 V ;
U s u p p = 24 V ;
n n = 6000 rpm ;
T n = 0.274 Nm ;
I n = 7.1 A ;
I m a x = 13.5 A  .

5.3. Results

The main objective of the laboratory system tests conducted with the PMSM was to enable an increase in the dynamics of the drive. In the case at hand, this is understood as a shortening of transients during moments of rapid load change. At the same time, it was expected that the overshoot of the improved controller structure would not be greater or would be further reduced. An additional positive effect was to be a reduction in the drive-generated noise, which characterized the drive in the case of the selected settings of a controller with a PID structure during the optimization procedure carried out directly on the test bench. For this purpose, a quality function of the form (16) was created for the optimization task:
J 3 = 0 ε ω ( t ) d t + γ 2 · 0 Δ o s c @ τ o ( t ) d t ,
where ε ω is the speed error, Δ o s c @ τ o denotes the amplitude of the oscillation of the q-axis current in the measurement window of several consecutive samples, after processing by a first-order low-pass filter with a time constant τ o . The constant γ 2 is the weighting factor. This form of quality function minimized rapid changes in current values in the system, resulting in quieter drive operation. The tests were conducted on a laboratory bench with a PMSM using o n l i n e optimization process. During several thousand test cycles, the RWC algorithm modified the parameters of the speed controller with a PID structure. The system was then optimized with FIR, modifying its weights and controller parameters. The starting point of the optimization was the previously obtained PID controller parameters with weights (2). This is an important advantage: drive operation can be improved by starting the optimization from known “safe” settings. Tests showed that the modified speed controller could achieve good dynamics despite the absence of the differential part, so the algorithm for optimizing the controller parameters was supplemented with a part that minimizes the differential coefficient in the speed controller toward zero, transforming the MPID controller structure into an MPI structure. Drive performance for the described control and optimization method is shown by the experimentally obtained results (Figure 13, Figure 14, Figure 15 and Figure 16) and simulations for the same settings (Figure 7, Figure 8, Figure 9 and Figure 10). The waveforms from Figure 13 and Figure 14 show a comparison of the setpoint and actual speed for a sequence of changes in the setpoint speed and load, analogous to the simulation waveforms for MPI and PID control.
It can be seen that in both experimental tests and for simulations, the control system with MPI, compared to the PID reference system, is characterized by a much lower overshoot (almost twice as small as in the case of a step change in the reference speed) and a much faster response to disturbance (about 56 ms vs. more than 100 ms). Analyzing Figure 15 and Figure 16, one can see a significant difference in the nature of the reference current (and, as a result, the measured current) for the modified system (the waveforms on the left) and the reference system (the waveforms on the right). For the optimized PID controller, one can see a significant chattering of the current, which results in the generation of noise, among other things. The drive with the presented MPI controller is characterized by a dynamic response to a change in the reference speed and a fast response to a disturbance without inducing speed oscillations and without generating a chattered current. The drive with MPI is more dynamic than the PID reference system yet features quiet operation.
The test results of control systems with the PMSM are summarized in Table 2. These are tests for step changes in the reference speed. The results for the ramp are shown only to confirm that the performance does not degrade with a different shape of the reference value. It should be noted that comparisons were made for equal controller settings in the simulation and experiment. This applies to both PID and MPI speed controller settings. Quality indicators obtained for simulation and experimental tests, for MPI and PID speed controller structures, are compared. Rows one and two show the results for the experimental drive for the MPI structure (row 1) and the PID structure (row 2). The next two rows show the results for the simulation reference system for the MPI structure (row 3) and the PID structure (row 4). The method for determining quality indicators (the first column) differs depending on whether a simulated or real system is studied. For the simulation model, the IAE indicator (7) is used. For real system tests, the values of the quality indices were determined by post-processing the oscilloscope-recorded data, generating a value corresponding to the calculation method used for IAE. It can be seen that for both cases (the simulation and the real system), the ratio of MPI to PID quality indicators is comparable. Likewise, in the case of overshoot (column two), the ratio of the overshoot for MPI to the corresponding value for PID in both cases (simulation vs. experiment) is similar. Column three shows the speed drop when the load is introduced in a step at a given test value. This is the minimum speed value (the higher the value, the better) for the speed range being tested, presented as a percentage of that range. You may notice a lower speed drop for the system with MPI. The fourth column shows the settling time when the setpoint is changed. You can see the similarity of the values. Column five shows the recovery time for a step disturbance. A significant advantage of the MPI system can be noticed: the elimination of the speed deviation occurs in about fifty milliseconds, while the system with PID does not manage to reset the deviation within the hundred milliseconds available during the test.

6. Conclusions

This paper presents a concept for modifying a control structure to improve quality indicators, such as overshoot, speed drop, and recovery time. The concept was tested for two types of objects: I2PD and FOLIPD. In both cases, the controller was modified by preprocessing the control error signal using FIR, with settings determined by the optimization process: a simulation for the first object and online on the real object.
The first system tested was a control system with an I2PD-type object (simulation). For this object, the reference controller was a serial PID structure with derivative filtering, with the settings selected according to a criterion known from the literature. Subsequently, a pre-treatment module for the input lag of the controller with the FIR structure with appropriately selected parameters was added. A significant improvement in quality indicators was obtained.
The significant improvement in quality indicators obtained encouraged the verification of the concept in a real system. The test object was a closed-loop current control plus the mechanical part of the drive with a PMSM, with delays taken into account, that is, in simple terms, a first-order system with integration and time delay (FOLIPD). The main expected result of the modification of the speed control system was an increase in dynamic performance compared to a PI/PID controller with optimized settings according to the assumed quality criterion.
The best dynamics in the reference system studied, among PI and PID controllers, were achieved by a controller with a PID structure, and it was this structure that was further compared with the modified speed controller. However, good PID dynamics in the studied system come at the price of noisy drive operation, which is understandable when analyzing the current waveforms in the q-axis. This disadvantage is not present in the modified system, for which the recovery time of the speed drop in response to the disturbance is much shorter compared to the system with the PID speed controller. The modified speed controller during optimization allowed the derivative gain to be minimized to zero. As a result, during the optimization process, the structure of the controller was changed from PID to PI + FIR (the optimization process started from the settings for the PID reference controller).
In order to optimize the task of modifying the object’s behavior, a “virtual error” was introduced. This made it possible to control the “smoothness” of the state variable waveforms by the optimization process.
The results obtained are unequivocally positive: good speed dynamics despite the use of an “only” PI-type controller; quiet operation—a marked reduction of chattering in the waveforms of set and measured currents; and good response to load variation.
In order to shape the nature of the waveforms (smooth or rough), the quality function used during optimization is crucial.
The presented method makes it possible to use simple PI/PID controllers and improve the performance of the system without interfering with the internal structure of the controller.
The method allows optimization to start with a basic set of controller settings (“safe” or analytically derived settings).
The planned scope of further research will include, among other things, improving the procedure for determining the values of FIR weighting factors as well as analyzing the selection of delay values for control systems depending on the parameters of the controlled object.

Author Contributions

Conceptualization, K.U.; investigation, K.U.; methodology, K.U. and D.J.; hardware and data recording, D.J. and K.U.; software, K.U. and D.J.; validation, K.U. and D.J; writing—review and editing, K.U. and D.J. All authors have read and agreed to the published version of the manuscript.

Funding

This research received no external funding.

Data Availability Statement

The original contributions presented in the study are included in the article, further inquiries can be directed to the corresponding author.

Conflicts of Interest

The authors declare no conflicts of interest.

Abbreviations

The following abbreviations are used in this manuscript:
EVElectric vehicle
FIRFinite impulse response
FOLIPDFirst-Order Lag–Integral plus Time Delay
GPCGeneralized Predictive Control
I2PDIntegral–Integral Plus Delay
IIRInfinite Impulse Response
IMCInternal Model Control
MPI/MPIDMulti-input PI/PID
PIProportional Integral (Controller)
PIDProportional Integral Derivative
PMSMPermanent Magnet Synchronous Motor
SPSmith Predictor
UAVUnmanned Aerial Vehicle

References

  1. Vas, P. Electrical Machines and Drives: A Space-Vector Theory Approach; Oxford University Press: Oxford, UK, 1993. [Google Scholar] [CrossRef]
  2. Vas, P. Sensorless Vector and Direct Torque Control; Oxford University Press: Oxford, UK, 1998. [Google Scholar] [CrossRef]
  3. Cazacu, E.; Petrescu, L.G.; Ioniță, V. Smart Predictive Maintenance Device for Critical In-Service Motors. Energies 2022, 15, 4283. [Google Scholar] [CrossRef]
  4. Fodorean, D.; Popa, D.; Minciunescu, P.; Irimia, C.; Szabó, L. Study of a high-speed motorization for electric vehicle based on PMSM, IM and VRSM. In Proceedings of the 2014 International Conference on Electrical Machines (ICEM), Berlin, Germany, 2–5 September 2014; pp. 2577–2582. [Google Scholar] [CrossRef]
  5. Popa, D.C.; Fodorean, D. Design and performances evaluation of a high speed induction motor used for the propulsion of an electric vehicle. In Proceedings of the 2014 International Symposium on Power Electronics, Electrical Drives, Automation and Motion, Ischia, Italy, 18–20 June 2014; pp. 88–93. [Google Scholar] [CrossRef]
  6. Sontag, E.D. Mathematical Control Theory: Deterministic Finite Dimensional Systems), 2nd ed.; Texts in Applied Mathematics (TAM, volume 6); Springer: Berlin/Heidelberg, Germany, 1998. [Google Scholar] [CrossRef]
  7. Astrom, K.J.; Hagglund, T. PID Controllers: Theory, Design, and Tuning, 2nd ed.; Instrument Society of America: Research Triangle Park, NC, USA, 1995. [Google Scholar]
  8. Astrom, K.J.; Wittenmark, B. Computer-Controlled Systems: Theory and Design, 3rd ed.; Dover Publications: Mineola, NY, USA, 2011. [Google Scholar]
  9. Janiszewski, D. Sensorless Model Predictive Control of Permanent Magnet Synchronous Motors Using an Unscented Kalman Filter. Energies 2024, 17, 2387. [Google Scholar] [CrossRef]
  10. Urbanski, K.; Janiszewski, D. Sensorless Control of the Permanent Magnet Synchronous Motor. Sensors 2019, 19, 3546. [Google Scholar] [CrossRef] [PubMed]
  11. Rahman, M.; Vilathgamuwa, D.; Uddin, M.; Tseng, K.J. Nonlinear control of interior permanent-magnet synchronous motor. IEEE Trans. Ind. Appl. 2003, 39, 408–416. [Google Scholar] [CrossRef]
  12. Pajchrowski, T.; Janiszewski, D. Control of multi-mass system by on-line trained neural network based on Kalman filter. In Proceedings of the 2015 17th European Conference on Power Electronics and Applications (EPE’15 ECCE-Europe), Geneva, Switzerland, 8–10 September 2015; pp. 1–10. [Google Scholar] [CrossRef]
  13. Feng, W.; Bai, J.; Zhang, Z.; Zhang, J. A Composite Variable Structure PI Controller for Sensorless Speed Control Systems of IPMSM. Energies 2022, 15, 8292. [Google Scholar] [CrossRef]
  14. Janiszewski, D. Real-time control of drive with elestic coupling based on motor position measured only. In Proceedings of the 2011 IEEE International Symposium on Industrial Electronics, Gdansk, Poland, 27–30 June 2011; pp. 1931–1936. [Google Scholar] [CrossRef]
  15. Choi, J.W.; Lee, S.C. Antiwindup Strategy for PI-Type Speed Controller. IEEE Trans. Ind. Electron. 2009, 56, 2039–2046. [Google Scholar] [CrossRef]
  16. Lin, C.K.; Liu, T.H.; Yu, J.t.; Fu, L.C.; Hsiao, C.F. Model-Free Predictive Current Control for Interior Permanent-Magnet Synchronous Motor Drives Based on Current Difference Detection Technique. IEEE Trans. Ind. Electron. 2014, 61, 667–681. [Google Scholar] [CrossRef]
  17. Chai, S.; Wang, L.; Rogers, E. Model Predictive Control of a Permanent Magnet Synchronous Motor. In Proceedings of the IECON 2011—37th Annual Conference of the IEEE Industrial Electronics Society, Melbourne, VIC, Australia, 7–10 November 2011; pp. 1928–1933. [Google Scholar] [CrossRef]
  18. Ilka, A.; Murgovski, N. Novel Results on Output-Feedback LQR Design. IEEE Trans. Autom. Control 2023, 68, 5187–5200. [Google Scholar] [CrossRef]
  19. Das, S.; Pan, I.; Halder, K.; Das, S.; Gupta, A. LQR based improved discrete PID controller design via optimum selection of weighting matrices using fractional order integral performance index. Appl. Math. Model. 2013, 37, 4253–4268. [Google Scholar] [CrossRef]
  20. Wlas, M.; Krzeminski, Z.; Guzinski, J.; Abu-Rub, H.; Toliyat, H. Artificial-neural-network-based sensorless nonlinear control of induction motors. IEEE Trans. Energy Convers. 2005, 20, 520–528. [Google Scholar] [CrossRef]
  21. O’Dwyer, A. Handbook of Pi and PiD Controller Tuning Rules; Imperial College Press: London, UK, 2009. [Google Scholar]
  22. Jeon, T.; Kim, D.; Paek, I. Improvements to and Experimental Validation of PI Controllers Using a Reference Bias Control Algorithm for Wind Turbines. Energies 2022, 15, 8298. [Google Scholar] [CrossRef]
  23. Proakis, J.G.; Manolakis, D.G. Digital Signal Processing: Principles, Algorithms, and Applications; Prentice-Hall: Upper Saddle River, NJ, USA, 1996. [Google Scholar]
  24. Hertz, J.; Krogh, A.; Palmer, R. Introduction to the Theory of Neural Computation; CRC Press: Boca Raton, FL, USA, 1991. [Google Scholar]
  25. Chen, B.; Huang, Z.; Sun, P.; Wei, G. Harmonic Suppression for PMSM Applied to MSTMP Based on Virtual Even-Order Fractional Repetitive Controller. IEEE Trans. Ind. Inform. 2024, 20, 6289–6299. [Google Scholar] [CrossRef]
  26. Suleimenov, K.; Do, T.D. A Practical Disturbance Rejection Control Scheme for Permanent Magnet Synchronous Motors. Symmetry 2022, 14, 1873. [Google Scholar] [CrossRef]
  27. Lapa, K.; Cpalka, K.; Przybyl, A.; Saito, T. Fuzzy PID Controllers with FIR Filtering and a Method for Their Construction. In Artificial Intelligence and Soft Computing, Proceedings of the 16th International Conference, ICAISC 2017, Zakopane, Poland, 11–15 June 2017; Springer International Publishing: Cham, Switzerland, 2017; pp. 292–307. [Google Scholar]
  28. Kukrer, O.; Komurcugil, H.; Guzman, R.; de Vicuna, L.G. A New Control Strategy for Three-Phase Shunt Active Power Filters Based on FIR Prediction. IEEE Trans. Ind. Electron. 2021, 68, 7702–7713. [Google Scholar] [CrossRef]
  29. Suzuki, M. Ridge Regression and Data-Driven Tuning for Direct Design of FIR Type Feedback Controller. In Proceedings of the 2023 23rd International Conference on Control, Automation and Systems (ICCAS), Yeosu, Republic of Korea, 17–20 October 2023; IEEE: Piscataway, NJ, USA, 2023; pp. 803–808. [Google Scholar] [CrossRef]
  30. Kurokawa, F.; Kajiwara, K. Digital controlled fast average current mode DC-DC converter using VCO and FIR filter. In Proceedings of the 2012 15th International Conference on Electrical Machines and Systems (ICEMS), Sapporo, Japan, 21–24 October 2012; pp. 1–4. [Google Scholar]
  31. Baasch, A.K.S.; Lemos, E.C.; Stein, F.; Paterno, A.S.; De Oliveira, J.; Nied, A. Resolver-to-digital conversion implementation—A filter approach to PMSM position measurement. In Proceedings of the 2011 International Conference on Power Engineering, Energy and Electrical Drives, Malaga, Spain, 11–13 May 2011; pp. 1–6. [Google Scholar] [CrossRef]
  32. Milfont, L.D.; de Oliveira, S.A.M.; B, R.J.N.; Taleires Filho, J.; de Araújo Honório, D.; Bezerra Correia, W. DSC-based Generalized Predictive Control Algorithm for an Indirect Field-Oriented Induction Motor Drive by using FIR filters Approach. In Proceedings of the 2021 14th IEEE International Conference on Industry Applications (INDUSCON), São Paulo, Brazil, 15–18 August 2021; pp. 1309–1316. [Google Scholar] [CrossRef]
  33. Arfakhsyad, A.A.; Rahman, A.N.; Kinanti, L.; Awwalur Rizqi, A.A.; Muhammad, H.N. Unmanned Aerial Vehicle (UAV) Data-Driven Modeling Software with Integrated 9-Axis IMU-GPS Sensor Fusion and Data Filtering Algorithm. In Proceedings of the 2023 15th International Conference on Information Technology and Electrical Engineering (ICITEE), Chiang Mai, Thailand, 26–27 October 2023; pp. 167–173. [Google Scholar] [CrossRef]
  34. Siwek, P.; Urbanski, K. Improvement of the Torque Control Dynamics of the PMSM Drive Using the FOC-Controlled Simple Boost QZSDMC Converter. In Proceedings of the 2018 23rd International Conference on Methods & Models in Automation & Robotics (MMAR), Miedzyzdroje, Poland, 27–30 August 2018; pp. 29–34. [Google Scholar] [CrossRef]
  35. Tarczewski, T.; Szczepanski, R.; Erwinski, K.; Hu, X.; Grzesiak, L.M. A Novel Sensitivity Analysis to Moment of Inertia and Load Variations for PMSM Drives. IEEE Trans. Power Electron. 2022, 37, 13299–13309. [Google Scholar] [CrossRef]
  36. Morawiec, M.; Lewicki, A.; Odeh, I.C. Rotor-Flux Vector Based Observer of Interior Permanent Synchronous Machine. IEEE Trans. Ind. Electron. 2024, 71, 1399–1409. [Google Scholar] [CrossRef]
  37. Burton, B.; Kamran, F.; Harley, R.; Habetler, T.; Brooke, M.; Poddar, R. Identification and control of induction motor stator currents using fast on-line random training of a neural network. In Proceedings of the IAS ’95. Conference Record of the 1995 IEEE Industry Applications Conference Thirtieth IAS Annual Meeting, Orlando, FL, USA, 8–12 October 1995; Volume 2, pp. 1781–1787. [Google Scholar] [CrossRef]
  38. Urbanski, K.; Zawirski, K. Improved Method for Position Estimation Using a Two-Dimensional Scheduling Array. Automatika-J. Control Meas. Electron. Comput. Commun. 2015, 56, 331–340. [Google Scholar] [CrossRef]
  39. Urbanski, K. Low altitude control for quadcopter using visual feedback. Arch. Electr. Eng. 2021, 70, 845–858. [Google Scholar] [CrossRef]
Figure 1. Basic implementation of a PID speed controller. A system with one input (error) and one output (control signal).
Figure 1. Basic implementation of a PID speed controller. A system with one input (error) and one output (control signal).
Applsci 14 10126 g001
Figure 2. Visualization of speed controller parameter determination—selection of weights or/and controller parameters—algorithm RWC.
Figure 2. Visualization of speed controller parameter determination—selection of weights or/and controller parameters—algorithm RWC.
Applsci 14 10126 g002
Figure 3. Modified speed controller structure called MPID. Weighted ( W i ) multi-input circuit with τ time delay.
Figure 3. Modified speed controller structure called MPID. Weighted ( W i ) multi-input circuit with τ time delay.
Applsci 14 10126 g003
Figure 4. General view of the control structure for a simple object.
Figure 4. General view of the control structure for a simple object.
Applsci 14 10126 g004
Figure 5. Simulation: Selected sets for step response and disturbance reaction for the I2PD system in Figure 4. (a) The step response for the setting Skogestad. (b) The step response after PID optimization. (c) The step response in the case of the MPID controller for γ 1 = 2 . (d) The step response in the case of the MPID controller for γ 1 = 0 .
Figure 5. Simulation: Selected sets for step response and disturbance reaction for the I2PD system in Figure 4. (a) The step response for the setting Skogestad. (b) The step response after PID optimization. (c) The step response in the case of the MPID controller for γ 1 = 2 . (d) The step response in the case of the MPID controller for γ 1 = 0 .
Applsci 14 10126 g005
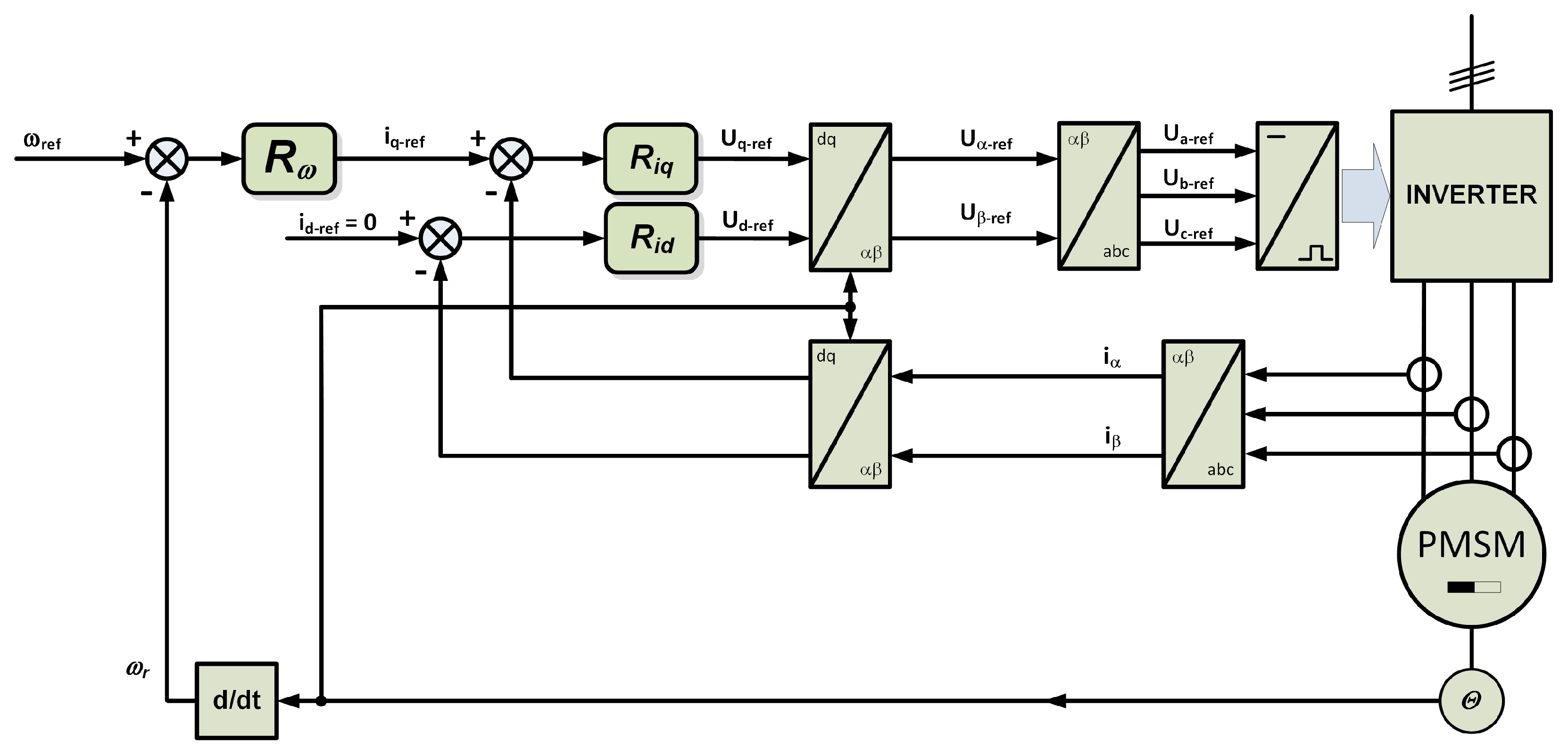
Figure 6. General view of the control structure for a drive with PMSM.
Figure 6. General view of the control structure for a drive with PMSM.
Applsci 14 10126 g006
Figure 7. Simulation: The response of the system to a step change in the speed reference. Once the speed is set, the load change step sequence is performed. The speed changes in the following sequence: 0.6 · 98 % 0.6 p.u. The current limit is set to 0.4 p.u. (a) Using an MPI speed controller. (b) Using a PID speed controller.
Figure 7. Simulation: The response of the system to a step change in the speed reference. Once the speed is set, the load change step sequence is performed. The speed changes in the following sequence: 0.6 · 98 % 0.6 p.u. The current limit is set to 0.4 p.u. (a) Using an MPI speed controller. (b) Using a PID speed controller.
Applsci 14 10126 g007
Figure 8. Simulation: The response of the system to a sloped change in the speed reference. Once the speed is set, the load change step sequence is performed. The speed changes in the following sequence: 0.6 · 98 % 0.6 p.u. (about 199.7 203.8 [rad/s]). The load varies in sequence from zero to 0.2 p.u. ( 2.7 A ). The current limit is set to 0.4 p.u. (a) Using an MPI speed controller. (b) Using a PID speed controller.
Figure 8. Simulation: The response of the system to a sloped change in the speed reference. Once the speed is set, the load change step sequence is performed. The speed changes in the following sequence: 0.6 · 98 % 0.6 p.u. (about 199.7 203.8 [rad/s]). The load varies in sequence from zero to 0.2 p.u. ( 2.7 A ). The current limit is set to 0.4 p.u. (a) Using an MPI speed controller. (b) Using a PID speed controller.
Applsci 14 10126 g008
Figure 9. Simulation: The current waveforms of the reference q-axis for the response of the system to a step change in the speed setpoint. Corresponds to the waveforms in Figure 7. (a) Using an MPI speed controller. (b) Using a PID speed controller; the current is filtered for better clarity.
Figure 9. Simulation: The current waveforms of the reference q-axis for the response of the system to a step change in the speed setpoint. Corresponds to the waveforms in Figure 7. (a) Using an MPI speed controller. (b) Using a PID speed controller; the current is filtered for better clarity.
Applsci 14 10126 g009
Figure 10. Simulation: The current waveforms of the reference q-axis for the response of the system to a sloped change in the speed setpoint. Corresponds to the waveforms in Figure 8. (a) Using an MPI speed controller. (b) Using a PID speed controller; the current is filtered for better clarity.
Figure 10. Simulation: The current waveforms of the reference q-axis for the response of the system to a sloped change in the speed setpoint. Corresponds to the waveforms in Figure 8. (a) Using an MPI speed controller. (b) Using a PID speed controller; the current is filtered for better clarity.
Applsci 14 10126 g010
Figure 11. General structure of control system with PMSM.
Figure 11. General structure of control system with PMSM.
Applsci 14 10126 g011
Figure 12. General view of the test site. In the foreground, the sandwich-like connection with the control system and two inverters can be seen. In the background, two PMSMs connected by a shaft can be seen.
Figure 12. General view of the test site. In the foreground, the sandwich-like connection with the control system and two inverters can be seen. In the background, two PMSMs connected by a shaft can be seen.
Applsci 14 10126 g012
Figure 13. Experiment: The response of the system to a step change in the speed reference. Once the speed is set, the load change step sequence is performed. The speed changes in the following sequence: 0.6 · 98 % 0.6 p.u. (about 199.7→203.8 [rad/s]). The load varies in the sequence from 0 to 0.2 p.u. ( 2.7 A). The current limit is set to 0.4 p.u. (a) Using an MPI speed controller. (b) Using a PID speed controller.
Figure 13. Experiment: The response of the system to a step change in the speed reference. Once the speed is set, the load change step sequence is performed. The speed changes in the following sequence: 0.6 · 98 % 0.6 p.u. (about 199.7→203.8 [rad/s]). The load varies in the sequence from 0 to 0.2 p.u. ( 2.7 A). The current limit is set to 0.4 p.u. (a) Using an MPI speed controller. (b) Using a PID speed controller.
Applsci 14 10126 g013
Figure 14. Experiment: The response of the system to a sloped change in the speed reference. Once the speed is set, the load change step sequence is performed. The speed changes in the following sequence: 0.6 · 98 % 0.6 p.u. (about 199.7 203.8 rad/s). The load varies in the sequence from 0 to 0.2 p.u. ( 2.7 A). The current limit is set to 0.4 p.u. (a) Using an MPI speed controller. (b) Using a PID speed controller.
Figure 14. Experiment: The response of the system to a sloped change in the speed reference. Once the speed is set, the load change step sequence is performed. The speed changes in the following sequence: 0.6 · 98 % 0.6 p.u. (about 199.7 203.8 rad/s). The load varies in the sequence from 0 to 0.2 p.u. ( 2.7 A). The current limit is set to 0.4 p.u. (a) Using an MPI speed controller. (b) Using a PID speed controller.
Applsci 14 10126 g014
Figure 15. Experiment: The current waveforms of the reference q-axis (channel 1) and measured q-axis (channel-2) for the response of the system to a step change in the speed setpoint and reaction to a disturbance. Corresponds to the waveforms in Figure 13. (a) Using an MPI speed controller. (b) Using a PID speed controller.
Figure 15. Experiment: The current waveforms of the reference q-axis (channel 1) and measured q-axis (channel-2) for the response of the system to a step change in the speed setpoint and reaction to a disturbance. Corresponds to the waveforms in Figure 13. (a) Using an MPI speed controller. (b) Using a PID speed controller.
Applsci 14 10126 g015
Figure 16. Experiment: The current waveforms of the reference q-axis (channel 1) and measured q-axis (channel-2) for the response of the system to a sloped change in the speed setpoint and reaction to a disturbance. Corresponds to the waveforms in Figure 14. (a) Using an MPI speed controller. (b) Using a PID speed controller.
Figure 16. Experiment: The current waveforms of the reference q-axis (channel 1) and measured q-axis (channel-2) for the response of the system to a sloped change in the speed setpoint and reaction to a disturbance. Corresponds to the waveforms in Figure 14. (a) Using an MPI speed controller. (b) Using a PID speed controller.
Applsci 14 10126 g016
Table 1. Quality indices for the I2PD object type.
Table 1. Quality indices for the I2PD object type.
J 1 OvershootMinimum ValueSettling TimeRecovery Time
1 2 3 4 5
Ref. PID15.3049.0 %0.5710.3 s21.2 s
Ref. opt. PID22.3156.0 %0.8110.9 s6.5 s
MPID γ 1 = 2 32.4921.0 %0.7812.0 s10.8 s
MPID γ 1 = 0 41.1642.0 %0.898.3 s5.4 s
Table 2. Quality indices for the PMSM object type. Both simulations and experiments.
Table 2. Quality indices for the PMSM object type. Both simulations and experiments.
Quality IndexOvershootMinimum ValueSettling TimeRecovery Time
12345
MPI_real10.60119 %78 %60 ms56 ms
PID_real20.96127 %71 %76 ms100+ ms
MPI_sim3 2.26 · 10 4 25 %83 %65 ms51 ms
PID_sim4 4.20 · 10 4 43 %55 %63 ms100+ ms
Disclaimer/Publisher’s Note: The statements, opinions and data contained in all publications are solely those of the individual author(s) and contributor(s) and not of MDPI and/or the editor(s). MDPI and/or the editor(s) disclaim responsibility for any injury to people or property resulting from any ideas, methods, instructions or products referred to in the content.

Share and Cite

MDPI and ACS Style

Urbanski, K.; Janiszewski, D. Improving the Dynamics of an Electrical Drive Using a Modified Controller Structure Accompanied by Delayed Inputs. Appl. Sci. 2024, 14, 10126. https://doi.org/10.3390/app142210126

AMA Style

Urbanski K, Janiszewski D. Improving the Dynamics of an Electrical Drive Using a Modified Controller Structure Accompanied by Delayed Inputs. Applied Sciences. 2024; 14(22):10126. https://doi.org/10.3390/app142210126

Chicago/Turabian Style

Urbanski, Konrad, and Dariusz Janiszewski. 2024. "Improving the Dynamics of an Electrical Drive Using a Modified Controller Structure Accompanied by Delayed Inputs" Applied Sciences 14, no. 22: 10126. https://doi.org/10.3390/app142210126

APA Style

Urbanski, K., & Janiszewski, D. (2024). Improving the Dynamics of an Electrical Drive Using a Modified Controller Structure Accompanied by Delayed Inputs. Applied Sciences, 14(22), 10126. https://doi.org/10.3390/app142210126

Note that from the first issue of 2016, this journal uses article numbers instead of page numbers. See further details here.

Article Metrics

Back to TopTop