Radiation Hardened Read-Stability and Speed Enhanced SRAM for Space Applications
Abstract
1. Introduction
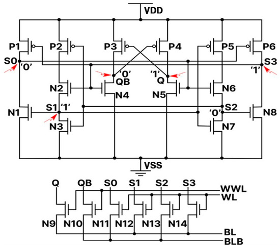
2. Proposed RHRSE-20T SRAM
2.1. Architecture
2.2. Write Operation
2.3. Hold Operation
2.4. Read Operation
2.5. Single Node Upset Recovery Analysis
2.5.1. Single Event Transient Occurs at Node Q
2.5.2. Single Event Transient Occurs at Node QB
2.5.3. Single Event Transient Occurs at Node S0
2.5.4. Single Event Transient Occurs at Node S1
2.5.5. Single Event Transient Occurs at Node S3
2.6. Double Node Upset Recovery Analysis
2.6.1. Single Event Transient Occurs Simultaneously at Nodes Q and QB
2.6.2. Single Event Transient Occurs Simultaneously at Nodes Q and S0
2.6.3. Single Event Transient Occurs Simultaneously at Nodes Q and S1
2.6.4. Single Event Transient Occurs Simultaneously at Nodes Q and S3
2.6.5. Single Event Transient Occurs Simultaneously at Nodes QB and S0
2.6.6. Single Event Transient Occurs Simultaneously at Nodes QB and S1
2.6.7. Single Event Transient Occurs Simultaneously at Nodes QB and S3
2.6.8. Single Event Transient Occurs Simultaneously at Nodes S0 and S3
2.7. Multiple Node Upset Recovery Analysis
3. Simulation Results and Analysis
3.1. Read Static Noise Margin
3.2. Read Access Time
3.3. Write Access Time
3.4. Word Line Write Trip Voltage
3.5. Hold Power
3.6. Area
3.7. Soft Error Robustness Analyses
4. Conclusions
Author Contributions
Funding
Institutional Review Board Statement
Informed Consent Statement
Data Availability Statement
Acknowledgments
Conflicts of Interest
References
- International Roadmap for Devices and Systems. 2023 IRDS Perspectives. Institute of Electrical and Electronics Engineers. 2023. Available online: https://irds.ieee.org/editions/2023 (accessed on 25 September 2024).
- Hashimoto, M.; Kobayashi, K.; Furuta, J.; Abe, S.-I.; Watanabe, Y. Characterizing SRAM and FF soft error rates with measurement and simulation. Integration 2019, 69, 161–179. [Google Scholar] [CrossRef]
- Watkins, A.; Tragoudas, S. Radiation hardened latch designs for double and triple node upsets. IEEE Trans. Emerg. Top. Comput. 2017, 8, 616–626. [Google Scholar] [CrossRef]
- Rajaei, R.; Asgari, B.; Tabandeh, M.; Fazeli, M. Single event multiple upset-tolerant SRAM cell designs for nano-scale CMOS technology. Turk. J. Electr. Eng. Comput. Sci. 2017, 25, 1035–1047. [Google Scholar] [CrossRef]
- Guo, J.; Liu, S.; Zhu, L.; Lombardi, F. Design and Evaluation of Low-Complexity Radiation Hardened CMOS Latch for Double-Node Upset Tolerance. IEEE Trans. Circuits Syst. Regul. Pap. 2020, 67, 1925–1935. [Google Scholar] [CrossRef]
- Dang, L.D.T.; Kim, J.S.; Chang, I.J. We-quatro: Radiation-hardened SRAM cell with parametric process variation tolerance. IEEE Trans. Nucl. Sci. 2017, 64, 2489–2496. [Google Scholar] [CrossRef]
- Bharti, P.K.; Mekie, J. RHSCC-16T: Radiation Hardened sextuple cross coupled robust SRAM Design for Radiation prone environments. In Proceedings of the 2022 IEEE 40th International Conference on Computer Design (ICCD), IEEE, Olympic Valley, CA, USA, 23–26 October 2022. [Google Scholar] [CrossRef]
- Jiang, J.; Xu, Y.; Zhu, W.; Xiao, J.; Zou, S. Quadruple cross-coupled latch-based 10T and 12T SRAM bit-cell designs for highly reliable terrestrial applications. IEEE Trans. Circuits Syst. I Regul. Pap. 2019, 66, 967–977. [Google Scholar] [CrossRef]
- Yan, A.; Wu, Z.; Guo, J.; Song, J.; Wen, X. Novel double-node-upset-tolerant memory cell designs through radiation-hardening-by-design and layout. IEEE Trans. Reliab. 2019, 68, 354–363. [Google Scholar] [CrossRef]
- Yan, A.; Xiang, J.; Cao, A.; He, Z.; Cui, J.; Ni, T.; Huang, Z.; Wen, X.; Girard, P. Quadruple and sextuple cross-coupled SRAM cell designs with optimized overhead for reliable applications. IEEE Trans. Device Mater. Reliab. 2022, 22, 282–295. [Google Scholar] [CrossRef]
- Peng, C.; Huang, J.; Liu, C.; Zhao, Q.; Xiao, S.; Wu, X.; Lin, Z.; Chen, J.; Zeng, X. Radiation-hardened 14T SRAM bitcell with speed and power optimized for space application. IEEE Trans. Very Large Scale Integr. (VLSI) Syst. 2018, 27, 407–415. [Google Scholar] [CrossRef]
- Qi, C.; Xiao, L.; Wang, T.; Li, J.; Li, L. A highly reliable memory cell design combined with layout-level approach to tolerant single-event upsets. IEEE Trans. Device Mater. Reliab. 2016, 16, 388–395. [Google Scholar] [CrossRef]
- Hao, L.; Qiang, B.; Dai, C.; Peng, C.; Lu, W.; Lin, Z.; Liu, L.; Zhao, Q.; Wu, X.; Sun, F. Radiation-hardened 14T SRAM cell by polar design for space applications. IEICE Electron. Express 2023, 20, 20230083. [Google Scholar] [CrossRef]
- Seevinck, E.; List, F.; Lohstroh, J. Static-noise margin analysis of MOS SRAM cells. IEEE J. Solid-State Circuits 1987, 22, 748–754. [Google Scholar] [CrossRef]
- Sheu, M.-H.; Morsalin, S.M.S.; Tsai, C.-M.; Yang, C.-J.; Hsia, S.-C.; Hsueh, Y.-H.; Lin, J.-F.; Chang, C.-Y. Stable Local bit-line 6 T SRAM architecture design for low-voltage operation and access enhancement. Electronics 2021, 10, 685. [Google Scholar] [CrossRef]
- Pal, S.; Mohapatra, S.; Ki, W.-H.; Islam, A. Soft-error-immune read-stability-improved SRAM for multi-node upset tolerance in space applications. IEEE Trans. Circuits Syst. I Regul. Pap. 2021, 68, 3317–3327. [Google Scholar] [CrossRef]
- Pal, S.; Sri, D.D.; Ki, W.-H.; Islam, A. Soft-error resilient read decoupled SRAM with multi-node upset recovery for space applications. IEEE Trans. Electron Devices 2021, 68, 2246–2254. [Google Scholar] [CrossRef]
- Pal, S.; Mohapatra, S.; Ki, W.-H.; Islam, A. Design of soft-error-aware SRAM with multi-node upset recovery for aerospace applications. IEEE Trans. Circuits Syst. I Regul. Pap. 2021, 68, 2470–2480. [Google Scholar] [CrossRef]












Disclaimer/Publisher’s Note: The statements, opinions and data contained in all publications are solely those of the individual author(s) and contributor(s) and not of MDPI and/or the editor(s). MDPI and/or the editor(s) disclaim responsibility for any injury to people or property resulting from any ideas, methods, instructions or products referred to in the content. |
© 2024 by the authors. Licensee MDPI, Basel, Switzerland. This article is an open access article distributed under the terms and conditions of the Creative Commons Attribution (CC BY) license (https://creativecommons.org/licenses/by/4.0/).
Share and Cite
Choi, W.C.; Jo, S.-H. Radiation Hardened Read-Stability and Speed Enhanced SRAM for Space Applications. Appl. Sci. 2024, 14, 9015. https://doi.org/10.3390/app14199015
Choi WC, Jo S-H. Radiation Hardened Read-Stability and Speed Enhanced SRAM for Space Applications. Applied Sciences. 2024; 14(19):9015. https://doi.org/10.3390/app14199015
Chicago/Turabian StyleChoi, Woo Chang, and Sung-Hun Jo. 2024. "Radiation Hardened Read-Stability and Speed Enhanced SRAM for Space Applications" Applied Sciences 14, no. 19: 9015. https://doi.org/10.3390/app14199015
APA StyleChoi, W. C., & Jo, S.-H. (2024). Radiation Hardened Read-Stability and Speed Enhanced SRAM for Space Applications. Applied Sciences, 14(19), 9015. https://doi.org/10.3390/app14199015
