Demonstration of Wastewater Recycling in a Slaughterhouse
Abstract
Featured Application
Abstract
1. Introduction
2. Materials and Methods
2.1. Slaughter Process at the Site
2.2. Existing Wastewater Treatment System
2.3. Wastewater Recycling Process
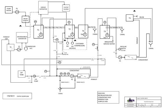
2.4. Process Description
- -
- Pretreatment via physical flotation;
- -
- Biological treatment via membrane bioreactor;
- -
- Polishing via reverse osmosis.
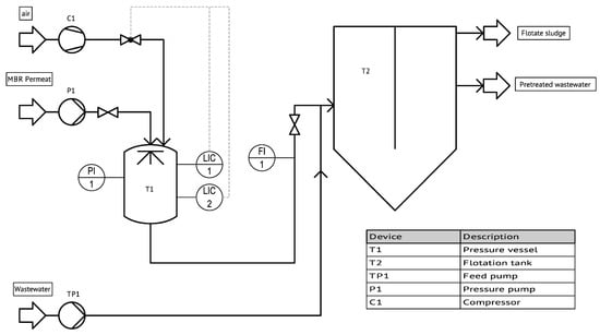
2.4.1. Physical Flotation
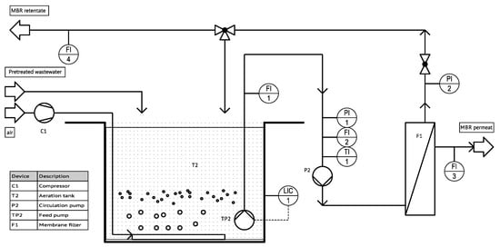
2.4.2. Membrane Bioreactor
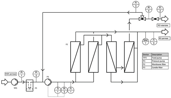
2.4.3. Reverse Osmosis
2.5. Analytical Methods
2.6. PHREEQC Modeling
2.7. Legal Regulations for the Reuse of Slaughterhouse Wastewater
2.8. Utilization of Artificial Intelligence
3. Results and Discussion
3.1. Water Consumption of the Slaughterhouse
3.2. Characteristics of Slaughterhouse Wastewater
3.3. Pretreatment
3.4. Membrane Bioreactor
| Parameter | Unit | Feed | Outflow | Removal | Theoretical Outflow [7,17,37] | Theoretical Removal [7,17,37] | Irrigation Limit [29,39] |
|---|---|---|---|---|---|---|---|
| COD | mg·L−1 | 1000 | 80 | 92% | 25 | 95% | 90 |
| TOC | mg·L−1 | 280 | 5 | 98% | - | - | - |
| TN | mg·L−1 | 65 | 10 | 80% | 8 | 85% | - |
| TP | mg·L−1 | 15 | 5 | 65% | 4 | 70% | - |
3.5. Reverse Osmosis
3.6. Evaluation of the Combined System
3.7. Energy Consumption of the System
4. Conclusions
Author Contributions
Funding
Institutional Review Board Statement
Informed Consent Statement
Data Availability Statement
Acknowledgments
Conflicts of Interest
Abbreviations
| COD | Chemical oxygen demand |
| MBR | Membrane bioreactor |
| RO | Reverse osmosis |
| SV | Sludge volume |
| SWW | Slaughterhouse wastewater |
| TMP | Transmembrane pressure |
| TN | Total nitrogen |
| TOC | Total organic carbon |
| TS | Total solids |
| TSS | Total suspended solids |
| UF | Ultrafiltration |
Appendix A. Wastewater Treatment Plant before Implementation of the Wastewater Recycling System


Appendix B. Process Flowsheet

Appendix C. Container System

Appendix D. Rudolf Messner Umwelttechnik AG: Aerator Plates

References
- OECD. OECD-FAO Agricultural Outlook 2020–2029; OECD: Paris, France, 2020. [Google Scholar] [CrossRef]
- Morris, J.C.; Georgiou, I.; Guenther, E.; Caucci, S. Barriers in Implementation of Wastewater Reuse: Identifying the Way Forward in Closing the Loop. Circ. Econ. Sustain. 2021, 1, 413–433. [Google Scholar] [CrossRef]
- Mizyed, N.; Mays, D.C. Reuse of Treated Wastewater: From Technical Innovation to Legitimization. In World Environmental and Water Resources Congress 2020; American Society of Civil Engineers: Reston, VA, USA, 2020; pp. 16–30. [Google Scholar] [CrossRef]
- UN-Water. Summary Progress Update 2021: SDG 6—Water and Sanitation for All; UN-Water: Geneva, Switzerland, 2021; Available online: https://www.unwater.org/sites/default/files/app/uploads/2021/12/SDG-6-Summary-Progress-Update-2021_Version-July-2021a.pdf (accessed on 15 March 2024).
- Braun-Thürmann, H. Innovation; Transcript Verlag: Bielefeld, Germany, 2005. [Google Scholar] [CrossRef]
- Zanol, M.B.; Lima, J.P.P.; Assemany, P.; Aguiar, A. Assessment of characteristics and treatment processes of wastewater from slaughterhouses in the state of Minas Gerais, Brazil. J. Environ. Manag. 2024, 358, 120862. [Google Scholar] [CrossRef]
- Keskes, S.; Hmaied, F.; Gannoun, H.; Bouallagui, H.; Godon, J.J.; Hamdi, M. Performance of a submerged membrane bioreactor for the aerobic treatment of abattoir wastewater. Bioresour. Technol. 2012, 103, 28–34. [Google Scholar] [CrossRef] [PubMed]
- Coskun, T.; Debik, E.; Kabuk, H.A.; Demir, N.M.; Basturk, I.; Yildirim, B.; Temizel, D.; Kucuk, S. Treatment of poultry slaughterhouse wastewater using a membrane process, water reuse, and economic analysis. Desalin. Water Treat. 2015, 57, 4944–4951. [Google Scholar] [CrossRef]
- Racar, M.; Dolar, D.; Špehar, A.; Košutić, K. Application of UF/NF/RO membranes for treatment and reuse of rendering plant wastewater. Process Saf. Environ. Prot. 2017, 105, 386–392. [Google Scholar] [CrossRef]
- Alfonso, P.; Lee, J.; Bussemaker, M.; Chadeesingh, R.; Jones, C.; Oakley, D.; Saroj, D. A combined activated sludge-filtration-ozonation process for abattoir wastewater treatment. J. Water Process Eng. 2018, 25, 157–163. [Google Scholar] [CrossRef]
- Bustillo-Lecompte, C.; Mehrvar, M. Slaughterhouse Wastewater: Treatment, Management and Resource Recovery. In Physico-Chemical Wastewater Treatment and Resource Recovery; InTech: London, UK, 2017. [Google Scholar] [CrossRef]
- Emerick, T.; Vieira, J.L.; Silveira, M.H.L.; João, J.J. Ultrasound-assisted electrocoagulation process applied to the treatment and reuse of swine slaughterhouse wastewater. J. Environ. Chem. Eng. 2020, 8, 104308. [Google Scholar] [CrossRef]
- Meiramkulova, K.; Mkilima, T.; Kydyrbekova, A.; Nikitin, Y.; Zandybay, A.; Khussainov, M.; Uryumtseva, T. Contribution of Electrolysis within an Integrated System for a Poultry Slaughterhouse Wastewater Treatment. Sustainability 2021, 13, 12430. [Google Scholar] [CrossRef]
- Philipp, M.; Reich, J.; Geißen, S.U. Non-Biological Slaughterhouse Wastewater Treatment with Membrane Processes—An Opportunity for Water Recycling. Nanomaterials 2022, 12, 2314. [Google Scholar] [CrossRef]
- Fatima, F.; Du, H.; Kommalapati, R.R. A Sequential Membrane Process of Ultrafiltration Forward Osmosis and Reverse Osmosis for Poultry Slaughterhouse Wastewater Treatment and Reuse. Membranes 2023, 13, 296. [Google Scholar] [CrossRef]
- Stachurski, A.; Delgorge, F.; Muszyński, A. Water reuse from wastewater: Experiences and challenges of implementing a full-scale water reuse system in a food industry plant. J. Water Process Eng. 2024, 59, 104994. [Google Scholar] [CrossRef]
- Rosenwinkel, K.H.; Austermann-Haun, U.; Köster, S.; Beier, M. Taschenbuch der Industrieabwasserreinigung; Vulkan-Verlag GmbH: Essen, Germany, 2019. [Google Scholar]
- BREF. European Commission. Joint Research Centre. Best Available Techniques (BAT) Reference Document for the Slaughterhouses, Animal by-Products and Edible Co-products Industries; Publications Office of the European Union: Luxembourg, 2024. [Google Scholar] [CrossRef]
- Philipp, M.; Jabri, K.M.; Wellmann, J.; Akrout, H.; Bousselmi, L.; Geißen, S.U. Slaughterhouse Wastewater Treatment: A Review on Recycling and Reuse Possibilities. Water 2021, 13, 3175. [Google Scholar] [CrossRef]
- Bustillo-Lecompte, C.F.; Mehrvar, M. Slaughterhouse wastewater characteristics, treatment, and management in the meat processing industry: A review on trends and advances. J. Environ. Manag. 2015, 161, 287–302. [Google Scholar] [CrossRef] [PubMed]
- Parkhurst, D.L.; Appelo, C.A.J. Description of Input and Examples for PHREEQC Version 3—A Computer Program for Speciation, Batch-Reaction, One-Dimensional Transport, and Inverse Geochemical Calculations. Technical Report Book 6, Chap. A43, U.S. Geological Survey. 2013. Available online: https://pubs.usgs.gov/tm/06/a43/ (accessed on 25 August 2024).
- Sneeringer, S. Effects of Environmental Regulation on Economic Activity and Pollution in Commercial Agriculture. B.E. J. Econ. Anal. Policy 2009, 9, 1–35. [Google Scholar] [CrossRef]
- Council of European Union. Urban Wastewater Treatment Directive 91/271/EEC. 1991. Available online: https://eur-lex.europa.eu/legal-content/EN/TXT/PDF/?uri=CELEX:31991L0271&from=EN (accessed on 5 February 2024).
- US Environmental Protection Agency. Effluent Limitations Guidelines and New Source Performance Standards for the Meat and Poultry Products Point Source Category; Final Rule. Fed. Regist. 2004, 69, 54476–54555. Available online: https://www.federalregister.gov/documents/2004/09/08/04-12017/effluent-limitations-guidelines-and-new-source-performance-standards-for-the-meat-and-poultry (accessed on 20 February 2024).
- Federal Ministry for the Environment, Nature Conservation and Nuclear Safety, Germany. Promulgation of the New Version of the Ordinance on Requirements for the Discharge of Waste Water into Waters (Waste Water Ordinance—AbwV). 2004. Available online: https://www.bmu.de/en/law/waste-water-ordinance/ (accessed on 22 February 2024).
- Council of European Union. Council Directive 98/83/EC. 1998. Available online: https://eur-lex.europa.eu/legal-content/EN/TXT/?uri=CELEX:31998L0083 (accessed on 13 April 2023).
- Council of European Union. Regulation (EU) 2020/741 of the European Parliament and of the Council of 25 May 2020 on Minimum Requirements for Water Reuse. 2020. Available online: https://eur-lex.europa.eu/legal-content/DE/TXT/PDF/?uri=CELEX:32020R0741&from=EN (accessed on 17 December 2023).
- European-Commission-Joint-Research-Centre. Minimum Quality Requirements for Water Reuse in Agricultural Irrigation and Aquifer Recharge: Towards a Water Reuse Regulatory Instrument at EU Level. 2017. Available online: https://op.europa.eu/en/publication-detail/-/publication/abe4a99e-f4ef-11e7-be11-01aa75ed71a1/language-en (accessed on 17 December 2023). [CrossRef]
- INNORPI: NT 106.03; Environment Protection—Use of Reclaimed Water for Agricultural Purposes—Physical, Chemical and Biological Specifications. Tunisian Standards; Institut National de la Normalisation et de la Propriete Industrielle: Tunis, Tunisia, 1989. (In French)
- EPA, U.S. Environmental Protection Agency. Guidelines for Water Reuse. 2012. Available online: https://www.epa.gov/sites/default/files/2019-08/documents/2012-guidelines-water-reuse.pdf (accessed on 15 March 2024).
- UBA. BAT Reference Document Slaughterhouses and Animals By-Products Industries; Umweltbundesamt: Dessau-Roßlau, Germany, 2003. [Google Scholar]
- Henze, M.; van Loosdrecht, M.C.M.; Ekama, G.; Brdjanovic, D. Biological Wastewater Treatment: Principles, Modelling and Design; IWA Publishing: London, UK, 2008. [Google Scholar] [CrossRef]
- Huy Tran, V.; Lim, S.; Jun Park, M.; Suk Han, D.; Phuntsho, S.; Park, H.; Matsuyama, H.; Kyong Shon, H. Fouling and performance of outer selective hollow fiber membrane in osmotic membrane bioreactor: Cross flow and air scouring effects. Bioresour. Technol. 2020, 295, 122303. [Google Scholar] [CrossRef]
- Gavlak, G.; Aguiar Battistelli, A.; Pedroso, C.R.; Magno de Sousa Vidal, C.; Viviane de Souza, K. Evaluating the performance and membrane fouling of a submerged membrane bioreactor (MBR) treating plywood industry wastewater. Water Sci. Technol. 2023, 89, 187–198. [Google Scholar] [CrossRef]
- Hu, G.; Liu, X.; Wang, Z.; Du, X.; Wang, X. Comparison of fouling behaviors between activated sludge suspension in MBR and EPS model solutions: A new combined model. J. Membr. Sci. 2021, 621, 119020. [Google Scholar] [CrossRef]
- Issa, M.; Geißen, S.U.; Vogelpohl, A. Reduction of energy demand for UF cross-flow membranes in MBR by sponge ball cleaning. Membr. Water Treatme 2021, 12, 65–73. [Google Scholar] [CrossRef]
- Lau, W.J.; Fong, S.; Hock Tai Tan, N.; Chin, N.; Chew, K.H. A Case Study of Industrial MBR Process for Poultry Slaughterhouse Wastewater Treatment. J. Membr. Sci. Res. 2022, 8, 523382. [Google Scholar] [CrossRef]
- Europäische Gemeinschaften. Richtlinie 91/676/EWG des Rates vom 12. Dezember 1991 zum Schutz der Gewässer vor Verunreinigung durch Nitrat aus landwirtschaftlichen Quellen. Richtlinie L 375, Amt für Amtliche Veröffentlichungen der Europäischen Gemeinschaften, Luxemburg. 1991. Available online: https://eur-lex.europa.eu/legal-content/DE/TXT/?uri=CELEX%3A31991L0676 (accessed on 3 February 2024).
- Shoushtarian, F.; Negahban-Azar, M. Worldwide Regulations and Guidelines for Agricultural Water Reuse: A Critical Review. Water 2020, 12, 971. [Google Scholar] [CrossRef]
- Brião, V.B.; Vieira Salla, A.C.; Miorando, T.; Hemkemeier, M.; Cadore Favaretto, D.P. Water recovery from dairy rinse water by reverse osmosis: Giving value to water and milk solids. Resour. Conserv. Recycl. 2019, 140, 313–323. [Google Scholar] [CrossRef]
- DuPont. FilmTec BW30-4040. 2023. Available online: https://www.dupont.com/water-filtration/filmtec-bw30-4040.html (accessed on 6 June 2024).
- Bohdziewicz, J.; Sroka, E. Integrated system of activated sludge–reverse osmosis in the treatment of the wastewater from the meat industry. Process Biochem. 2005, 40, 1517–1523. [Google Scholar] [CrossRef]
- Viitasaari, M.; Jokela, P.; Heinänen, J. Dissolved air flotation in the treatment of industrial wastewaters with a special emphasis on forest and foodstuff industries. Water Sci. Technol. 1995, 31. [Google Scholar] [CrossRef]
- Rosenwinkel, K.H.; Haun, U.A.; Köster, S.; Beier, M. Taschenbuch der Industrieabwasserreinigung, 2nd ed.; Vulkan Verlag GmbH: Essen, Germany, 2020. [Google Scholar]
- Krzeminski, P.; van der Graaf, J.H.J.M.; van Lier, J.B. Specific energy consumption of membrane bioreactor (MBR) for sewage treatment. Water Sci. Technol. 2012, 65, 380–392. [Google Scholar] [CrossRef]
- Xiao, K.; Liang, S.; Wang, X.; Chen, C.; Huang, X. Current state and challenges of full-scale membrane bioreactor applications: A critical review. Bioresour. Technol. 2019, 271, 473–481. [Google Scholar] [CrossRef]
- Wang, S.; Zou, L.; Li, H.; Zheng, K.; Wang, Y.; Zheng, G.; Li, J. Full-scale membrane bioreactor process WWTPs in East Taihu basin: Wastewater characteristics, energy consumption and sustainability. Sci. Total Environ. 2020, 723, 137983. [Google Scholar] [CrossRef]
- Zhang, J.; Xiao, K.; Liu, Z.; Gao, T.; Liang, S.; Huang, X. Large-Scale Membrane Bioreactors for Industrial Wastewater Treatment in China: Technical and Economic Features, Driving Forces, and Perspectives. Engineering 2021, 7, 868–880. [Google Scholar] [CrossRef]
- Zhao, R.; Porada, S.; Biesheuvel, P.; van der Wal, A. Energy consumption in membrane capacitive deionization for different water recoveries and flow rates, and comparison with reverse osmosis. Desalination 2013, 330, 35–41. [Google Scholar] [CrossRef]
- Ali, A.; Tufa, R.A.; Macedonio, F.; Curcio, E.; Drioli, E. Membrane technology in renewable-energy-driven desalination. Renew. Sustain. Energy Rev. 2018, 81, 1–21. [Google Scholar] [CrossRef]













| Parameter Reuse Limit | Unit | Process Water Reuse [26] (Drinking Water Quality) | Reuse Without Product Contact [27,30] | Agricultural Irrigation [28,29] | Wastewater Discharge [25,27] |
|---|---|---|---|---|---|
| BOD5 | mg·L | <1 | 10 | 10 | 25 |
| COD | mg·L | 5 | - | 90 | 110 |
| Nitrate | mg·L | 50 | - | - | - |
| TOC | mg·L | No abnormal change | - | - | - |
| E. coli | cfu· L | 0 | 0 | 10 | - |
| Legionella spp. | cfu·L | - | <1000 | 1000 | - |
| Turbidity | NTU | 10 | 5 | 5 | - |
| TSS | mg·L | - | 10 | 30 | 35 |
| Conductivity | µS·cm | 2500 | - | - | - |
| Na+ | mg·L | 200 | - | - | - |
| NH4+ | mg·L | 0.5 | - | - | - |
| F− | mg·L | 1.5 | - | - | - |
| Cl− | mg·L | 250 | - | - | - |
| NO3− | mg·L | 50 | - | - | - |
| SO42− | mg·L | 250 | - | - | - |
| pH | - | 6.5–9.5 | 6–9 | 6.5–8.4 | 6–9 |
| 4000 Chickens·d−1 | 8000 Chickens·d−1 | |||
|---|---|---|---|---|
| Water [m3·d−1] | Water [m3·d−1] | |||
| Killing | 2 | 4.5% | 2.2 | 4% |
| Scalding | 4.5 | 10% | 5 | 8.5% |
| Defeathering | 14 | 31.5% | 22 | 37% |
| Evisceration | 6 | 13.5% | 10 | 17% |
| Bird wash | 4 | 9% | 6 | 10% |
| Cleaning | 14 | 31.5% | 14 | 23.5% |
| Total | 44.5 | 100% | 59.2 | 100% |
| Demand per bird | 11.1 L | 7.4 L |
| Parameter | Unit | SWW Analyzed | BREF [18] | Rosenwinkel et al. [17] |
|---|---|---|---|---|
| TOC | mg·L−1 | 500–900 | ||
| TN | mg·L−1 | 50–150 | 200–475 | 150–350 |
| COD | mg·L−1 | 1500–3000 | 2800–4200 | 2000–4000 |
| BOD5 | mg·L−1 | 500–2500 | 1000–2500 | |
| TP | mg·L−1 | 5–15 | 5–30 | |
| pH | 6.7–7.2 | 7.0–8.0 |
| Parameter | Unit | Feed | Outflow | Removal | Theoretical Removal [17,31] |
|---|---|---|---|---|---|
| COD | mg·L−1 | 1800 | 1000 | 45% | 70% |
| TSS | mg·L−1 | 600 | 120 | 75% | 80% |
| TN | mg·L−1 | 130 | 65 | 50% | 55% |
| Mineral | Chemical Formula | Saturation Index |
|---|---|---|
| Hydroxyapatite | 5.51 | |
| Calcite | −0.45 | |
| Aragonite | −0.60 | |
| Gypsum | −0.77 | |
| Anhydrite | −1.08 | |
| Dolomite | −1.32 | |
| Sylvite | KCl | −6.17 |
| Parameter | Unit | UF—Permeate | RO—Permeate | RO—Concentrate | Removal [%] | Reuse Limit [26] |
|---|---|---|---|---|---|---|
| pH | - | 7 | 7 | 7 | - | 6.5–9.5 |
| Turbidity | NTU | 0.83 | 0.12 | 1.1 | - | 1 |
| Conductivity | S·cm−1 | 2000 | 80 | 3800 | 95 | 2500 |
| COD | mg·L−1 | 35 | 4 | 80 | 89 | 5 |
| TOC | mg·L−1 | <5 | 1 | 4 | - | n.a.c.* |
| TN | mg·L−1 | 10 | 2 | 45 | 80 | - |
| K+ | mg·L−1 | 27 | 2 | 50 | 93 | - |
| Ca2+ | mg·L−1 | 105 | <0.01 | 193 | >99 | - |
| Mg2+ | mg·L−1 | 15 | <0.01 | 36 | >99 | - |
| Cl− | mg·L−1 | 97 | 2 | 203 | 98 | 250 |
| NH4-N | mg·L−1 | 2 | <0.01 | 4 | >98 | 0.5 |
| NO3− | mg·L−1 | 5 | <0.01 | 10 | >99 | 50 |
| SO42− | mg·L−1 | 217 | <0.01 | 430 | >99 | 250 |
| PO43− | mg·L−1 | 20 | <0.01 | 30 | >99 | 3 |
Disclaimer/Publisher’s Note: The statements, opinions and data contained in all publications are solely those of the individual author(s) and contributor(s) and not of MDPI and/or the editor(s). MDPI and/or the editor(s) disclaim responsibility for any injury to people or property resulting from any ideas, methods, instructions or products referred to in the content. |
© 2024 by the authors. Licensee MDPI, Basel, Switzerland. This article is an open access article distributed under the terms and conditions of the Creative Commons Attribution (CC BY) license (https://creativecommons.org/licenses/by/4.0/).
Share and Cite
Philipp, M.; Pluschke, J.; Geißen, S.-U. Demonstration of Wastewater Recycling in a Slaughterhouse. Appl. Sci. 2024, 14, 8881. https://doi.org/10.3390/app14198881
Philipp M, Pluschke J, Geißen S-U. Demonstration of Wastewater Recycling in a Slaughterhouse. Applied Sciences. 2024; 14(19):8881. https://doi.org/10.3390/app14198881
Chicago/Turabian StylePhilipp, Maximilian, Jonas Pluschke, and Sven-Uwe Geißen. 2024. "Demonstration of Wastewater Recycling in a Slaughterhouse" Applied Sciences 14, no. 19: 8881. https://doi.org/10.3390/app14198881
APA StylePhilipp, M., Pluschke, J., & Geißen, S.-U. (2024). Demonstration of Wastewater Recycling in a Slaughterhouse. Applied Sciences, 14(19), 8881. https://doi.org/10.3390/app14198881

