Abstract
This study investigates the energy dynamics of sandstone subjected to failure in conditions typical of deep underground construction. Research was conducted using both standard triaxial compression and cyclic loading–unloading techniques at six distinct confining pressures, with the objective of elucidating the deformation and failure processes of rock materials. The tests demonstrated that, regardless of the stress path, sandstone primarily fails through shear under different confining pressures, which also reduces the formation of secondary cracks. The energy transformation observed during cyclic loading and unloading processes exhibits a distinctive peak-like distribution, marked by an inflection point that indicates changes in energy distribution. In the initial stages of the loading cycle, the energy profile of the rock increases, characterized by a condition in which the energy stored elastically exceeds the energy dissipated. Nevertheless, subsequent to reaching peak stress, there is a rapid transmutation of elastic strain energy into other forms, culminating in a pronounced elevation in the ratio of dissipated energy, which ultimately achieves a state of equilibrium influenced by the confining pressures. The study introduces the energy consumption ratio (Ke) as a metric for assessing rock damage accumulation and stability, noting a critical pattern where Ke decreases and then spikes at the rock’s failure point, with K = 1 identified as the critical threshold for failure. This comprehensive analysis illuminates the intricate relationship between energy distribution patterns and the stability of rock structures, thereby enhancing our understanding of failure mechanisms from an energetic perspective.
1. Introduction
Practical engineering experience demonstrates that rock masses in intricate stress environments often undergo cyclic loading and unloading (CLU) phenomena, stemming from excavation-induced disturbances within deep geotechnical undertakings, such as coal mining, the development of pumped hydroelectric energy storage facilities, and the excavation of underground caverns. These occurrences are common and have been documented in various studies and projects [,,,]. This gives rise to problems pertaining to surrounding rock stability and causes severe engineering disasters [,,,]. From a mechanical perspective, natural rocks possess numerous defects, including primary microcracks. Deformation and failure under load occur through a process whereby the localized rupture of microcracks propagates and eventually leads to a through-break failure along the rupture surface. This progression results in the catastrophic instability of the surrounding rock mass. The rock failure mode during this process is intrinsically linked to energy conversion and reflects a state instability phenomenon driven by energy [,]. Consequently, investigating the patterns of the progression of energy and deterioration in geological materials subjected to cyclic loading holds crucial practical value for mitigating disasters during the construction and maintenance of underground infrastructure.
Currently, researchers from both China and the international community have effectively analyzed patterns of rock damage through an energy-centric perspective. (1) Investigations into the development of energy and the process of failure in geological materials subjected to single-axis pressure environments include the following: Wang et al. [] examined how energy is dissipated and transformed during uniaxial CLU, focusing on the significance of elastic deformation energy in causing rock failure. Ma et al. [] investigated the patterns of energy build-up and release in rocks under similar conditions, delving into the stress–strain dynamics and acoustic emission (AE) traits of the samples throughout their deformation and breaking point. Through uniaxial compression experiments, He et al. [] investigated the behavior of energy transformations within rocks, establishing a clear connection between the pace of energy dissipation and the rock’s durability. Gao et al. [] merged practical uniaxial compression tests with computational simulations to investigate how energy shifts and morphs during episodes of strain bursts within coal–rock mixtures. Meng et al. [] assessed how the ratio of height to diameter in rocks impacts the storage and release of energy during uniaxial cyclic stress, in addition to examining its effect on compressive strength, deformation behaviors, and modes of failure. Zhao et al. [,] investigated how varying rates of loading influence the patterns of energy change and the failure properties of rocks subjected to unconfined compression. Sufian et al. [] utilized X-ray computerized tomography (CT) imaging to track the changes in microstructural features and pore dynamics in rock samples under unconfined pressure, identifying a link between the rate of energy dissipation and the magnitude of the external force applied. (2) Investigations into the progression of energy and the breakdown process in rocks under triaxial stress conditions include the following: Gong et al. [] explored how rock brittleness correlates with its energy development under varying confining pressures. Zhang et al. [] executed triaxial load and unload experiments on marble to observe the energy changes during deformation, formulating a non-linear model for rock energy evolution. Zhao et al. [] delved into the mechanical behaviors and energy shifts in sandstone, particularly during the unloading phase under various initial confining pressures. Meng et al. [] carried out triaxial CLU experiments on rock samples subjected to high temperatures to analyze the effects of confining pressure and temperature on the patterns of energy evolution and distribution. Lin et al. [], through triaxial tests on halite, detailed how energy dissipation correlates with damage severity across various confining pressures. Wu et al. [] explored the mechanical properties and energy behavior of marble, considering the impact of different levels of thermal damage and confining pressures. Peng et al. [] conducted standard triaxial compression experiments to uncover how energy transformation is linked to the failure of coal and rock masses. Additionally, Peng et al. [] examined the deformation behaviors and failure mechanisms of sandstone when subjected to varying confining pressures. Meng et al. [,] studied the energy evolution of rocks under CLU conditions. (3) Investigations on the failure traits of rocks include the following: Wang et al. [] focused on quantifying rock damage by studying how energy is dissipated and converted during the rock’s failure phase under CLU. Zhang et al. [], on the other hand, calculated a damage variable for rocks through triaxial creep experiments on coal and rock masses, applying the principles of energy conservation and minimal energy expenditure to develop a nonlinear model for creep damage. Gong et al. [] introduced a theory of damage for intact rocks under uniaxial compression, rooted in the linear pattern of energy dissipation and its dissipation coefficient. Chen et al. [] built upon the mechanical characteristics and energy development in rocks to suggest a novel brittleness index based on energy (BIE). Further exploring uniaxial compression, Gong et al. [] crafted a methodology for characterizing rock damage that incorporates the energy dissipation coefficient. Chi et al. [] delved into the mechanisms of energy loss, the progression of damage, and the acoustic emission (AE) event distribution in rocks, using AE testing under uniaxial compression. Li et al. [] identified a link between energy loss and the deformation behavior of rocks under cyclic stress, leading to the creation of a model for predicting damage in fractured rock masses. Continuing with cyclic stress studies, Li et al. [] analyzed the changes in energy and the fatigue properties of sandstone, resulting in a model to forecast fatigue damage. Wang et al. [], focusing on rock brittleness, proposed a new index and calculated rock damage via an energy-centric approach. Lastly, Geng et al. [], through uniaxial compression tests on sandstone with varying moisture levels, established a damage variable for sandstone grounded in the theories of AE energy and energy dissipation.
The research highlighted above serves as a valuable foundation for further exploration into how energy evolution impacts the failure properties of rocks. However, these studies predominantly address rock failure through tests under simple uniaxial or standard triaxial stress conditions, overlooking the complexities of failure and energy dynamics under triaxial CLU scenarios. Additionally, the common practice of integrating stress–strain curves to estimate rock energy during loading tends to ignore the distinct contributions of elastic and plastic strains, leading to potential inaccuracies in the calculations. To bridge this gap, this study leverages an MTS-815 electro-hydraulic servo-controlled testing system to perform both standard triaxial tests and CLU experiments on sandstone samples, subject to six varying confining pressures and constant axial displacement rates. This approach allows for a detailed analysis of energy evolution and distribution within sandstone throughout the failure process under different confining pressures, with particular attention paid to sudden shifts in energy as indicators of failure criteria. The findings contribute to a deeper comprehension of the interplay between energy dynamics and rock failure, offering practical insights for the construction and management of deep underground engineering projects.
2. Cyclic Triaxial Loading and Unloading Experiments on Rock
2.1. Preparation of Samples
The red sandstone utilized for the experiments was sourced from a consistent rock block, characterized by uniform textures and lacking significant structural or compositional variations. The red sandstone specimens were ground, polished, and machined to slices, of which the components and structures could be observed under a polarizing microscope. The outcomes of the experiments are presented in Figure 1. The specimen mainly contained ultra-fine-grained sand, some fine-grained sand, and a small amount of coarse-grained sand. The sandstone studied in this paper had high strength and strong cementation. The rock structure was inhomogeneous and showed low maturity and moderate weathering and alteration. The components in the rock mainly included quartz, rock debris, and a small amount of feldspar, with granular kaolinite filled between grains, which were probably formed by the alteration of argillaceous rocks. A small amount of argillaceous matrix was distributed between grains [,]. The rock material was fashioned into cylindrical specimens conforming to standard dimensions, measuring 50 mm across and 100 mm tall, adhering to the mechanical testing standards for rock. The parallel alignment of the top and bottom surfaces was maintained to a precision of ±0.02 mm. Prior to initiating the triaxial experiments, the specimens’ longitudinal wave velocity was assessed using an RSM-SY6 ultrasonic testing device (Wuhan Sinorock Technology Co., Ltd., Wuhan, China), and the samples were further selected based on their weight. The fundamental physical properties of these specimens are detailed in Table 1.
Figure 1.
Red sandstone slice imaged using a polarizing microscope.
Table 1.
Fundamental physical characteristics of the samples.
2.2. Design of Test Schemes
The triaxial test in this paper was conducted using the MTS-815 electro-hydraulic servo rock mechanics (MTS Systems, Eden Prairie, MN, USA) test system (as shown in Figure 2). During the test, the confining pressure was applied using liquid, the radial pressure σ2 = σ3, and the radial strain was measured using a chain-type transverse (radial) strain gauge. The radial strain was equal, that is, ε2 = ε3. This system integrates a loading mechanism, testing apparatus, and control unit, equipped with devices to measure axial and radial (transverse) strains. It supports various modes of load control, including force, stress, displacement, and strain, thereby facilitating the execution of triaxial loading and unloading along diverse and complex paths. The investigation involved conventional triaxial compression tests and CLU trials on sandstone samples, subject to six distinct confining pressures spanning from 1 MPa to 25 MPa. The experimental procedure was divided into two main parts, with the methodologies outlined in Table 1. Detailed procedural steps for both experimental approaches are provided below:
Figure 2.
MTS-815 mechanical testing setup.
- (1)
- Standard triaxial compression: (i) a sandstone sample was initially sealed and positioned inside a triaxial testing chamber, the sensor baseline was adjusted, and an initial axial force of 1.5 kN was applied to secure the sample in place; (ii) the self-balancing feature was activated, and the confining pressure was then increased to the predetermined levels (1, 5, 10, 15, 20, and 25 MPa) at a consistent rate of 0.2 MPa/s, guaranteeing that the specimens experienced consistent hydrostatic stress conditions; (iii) keeping an unvarying confining pressure, the axial force was incrementally administered in a displacement-guided mode at a velocity of 0.002 mm/s, leading to the specimen’s failure.
- (2)
- Cyclic triaxial testing for loading and unloading: engineering practice has shown that, during construction and excavation of deep underground engineering including roadways (caverns and tunnels), the stresses on the surrounding rocks of previously excavated roadways change constantly due to the influence of subsequent construction (face mining and surrounding rock support) distributions. The initial stress state of surrounding rocks before excavation (equivalent to initial loading state, in which energy is input and accumulated) gradually changes to a state of stress redistribution induced by rock excavation (equivalent to an unloading state, in which energy is dissipated and released), to a stress state of subsequent surrounding rock support or mining-induced stress (loading state), to a state of stress release due to deformation of the surrounding rocks (unloading state), and so on. To accurately replicate the fluctuating stress conditions surrounding excavated roadways, simulations were conducted using CLU stress paths, as depicted in Figure 3. Initially, confining pressures were set to predetermined levels (1, 5, 10, 15, 20, and 25 MPa) as per the first two steps of the standard triaxial compression protocol. Given the challenge of capturing post-peak stress–strain responses under uniaxial CLU, tests with low confining pressure (σ3 = 1.0 MPa) were specifically designed to evaluate the effect of confinement pressure on the energy of the rock development. Axial loading proceeded at a pace of 0.002 mm/s, controlled by axial displacement, with each cycle’s load gradient set at 0.12 mm. Upon reaching the predetermined axial displacement, the system switched to stress-controlled mode to lower the axial stress at a decrement rate of 1.0 kN/s until the specimen reached its residual state, marking the end of the test. To mitigate any impact from the specimen detaching from the press head, a new cycle commenced only after reducing the axial load back to 1.5 kN upon unloading completion. The displacement pattern was adjusted as follows: from d0 (the initial displacement under load, typically 0) to d0 + 0.1 mm (the set axial displacement value for loading), back to 0 (during axial stress unloading), then to d0 + 0.2 mm (for the next loading phase), and so on, continuing this cycle until reaching the residual stage where the test concluded.
Figure 3. Stress trajectories during triaxial CLU experiments.
3. Test Results and Analysis
3.1. Evaluation of Standard Triaxial Testing Outcomes for Sandstone
Figure 4a depicts the stress–strain profiles for sandstone samples subjected to conventional triaxial compression tests at different pressures of confinement. In accordance with the curves’ characteristics, the breakdown progression of the samples subjected to each confining pressure can generally be segmented into five distinct stages. These are analyzed, in each stage, as follows:
Figure 4.
Curves depicting stress versus strain for sandstone samples during standard triaxial compression tests, along with the curve characteristics at each stage.
Figure 4 illustrates the stress–strain relationships for sandstone that underwent standard triaxial compression examinations at varying confining pressures, revealing consistent pattern traits across the curves. The breakdown process of the specimens is broadly categorized into five phases based on the curve features: Stage Ⅰ represents crack closure, Stage II is the phase of elastic deformation, Stage III involves crack propagation, Stage Ⅳ is the macroscopic failure phase, and Stage V is the residual phase. An analysis of the curve characteristics, using a confining pressure of σ3 = 5 MPa as a case study, is presented in Figure 4b. The distinguishing features of each phase are detailed as follows:
- (1)
- Stage I—Crack Closure: During the initial phase of loading in the experiments, imperfections such as pre-existing fissures within the rock gradually seal up. During this period, stress ascends at a slow pace, whereas strain surges swiftly. The curve during this stage exhibits a non-linear pattern, signifying irreversible modifications in the rock’s structure and properties. When stress is sustained over time, the crack enters a stable state, and the stress–strain curve exhibits a predominantly linear relationship. Therefore, through the change law of the stress–strain curve, it can be determined that ε1 = 0.14 is the crack closing state [,].
- (2)
- Stage II—Elastic Deformation: Upon the stress surpassing the threshold for crack closure, the pre-existing fissures within the rock tend to seal. At this juncture, the rock transitions into a period of elastic deformation, marked by a linear escalation in the stress–strain curves, indicative of the material’s elastic behavior.
- (3)
- Stage III—Crack Propagation: As the applied stress surpasses the level at which cracks begin to form in the rock specimen, the previously sealed cracks start to extend, and new fissures emerge. This phase marks the rock’s entry into the phase of plastic deformation, during which elastic deformation still plays a leading role; the stress–strain curves start to exhibit non-linear features, indicating the commencement of significant structural changes within the rock.
- (4)
- Stage IV—Macroscopic Failure: This stage is reached when the stress within the specimen surpasses the threshold necessary for crack propagation, leading to gradual expansion and merging of cracks within the rock. Such activity significantly alters the rock’s internal structure, culminating in the creation of a macroscopic failure plane. As a result, the specimen undergoes damage due to a diminished load-bearing capacity. During this stage, the radial strain of the rock sharply escalates, with its rate of increase significantly exceeding that of axial strain, indicating the rock’s dilation.
- (5)
- Stage V—Residual Stage: Upon the stress in the specimen achieving its peak value, the rock’s load-bearing capability sharply falls as a result of the macroscopic failure plane’s formation, leading to a swift decrease in stress down to the residual strength. Despite this, the rock maintains a degree of load-bearing capacity during this phase.
In summary, the stress–strain profiles of sandstone subjected to varying confining pressures demonstrate only minor variations, with each curve exhibiting a nearly linear pattern until the peak stress is reached. Upon attaining this peak, a significant but incomplete reduction in stress occurs, indicating that the sandstone retains some load-bearing capacity even following failure. Moreover, as confining pressure increases, both the peak stress and the residual strength of the sandstone show an upward trend.
3.2. Triaxial Cyclic Test Results of Sandstone
During the process of CLU on rock samples, energy is dissipated through the expansion and progression of existing fractures, as well as through the formation and merging of new fissures within the specimens. The main aim of this research is to explore the variations in energy density and the laws governing energy distribution during the deformation and failure stages of sandstone under triaxial CLU conditions. Through examining the evolution of energy throughout this process, the study delves into the underlying mechanisms of deformation and failure in sandstone. For each level of confining pressure, three sandstone samples were chosen to undergo triaxial cyclic loading and unloading experiments. Due to space constraints, only a single set of experimental data is presented for each confining pressure. Figure 5 depicts the stress–strain curves of sandstone during triaxial CLU experiments conducted under different confining pressures. The analysis of Figure 5 indicates the following insights: (1) in the triaxial CLU experiments conducted on sandstone, the observed stress–strain curves generate closed loops, also known as hysteresis loops. These loops, which result from an unloading curve in each cycle paired with a reloading curve in the subsequent cycle, manifest due to the inherent defects, like pre-existing fractures, within the natural rock, exhibiting non-linear elastic behavior. This effect is seen when the rock is loaded to a specific point and then unloaded, where the unloading path does not align with the initial loading path and is situated lower, thereby creating a closed loop with the next reloading path; (2) observations on the quantity of loading and unloading cycles alongside the area encompassed by the hysteresis loops reveal that with an increase in cycle numbers, the loops move rightward and their magnitude expands, leading to denser loops and an enlarged loop area. The maximum area enclosed by these loops corresponds to the peak stress point, indicating a direct relationship between stress and the loop area; (3) the external shapes of the stress–strain curves during triaxial cyclic loading and unloading bear resemblance to those seen in conventional triaxial compression tests. However, with increasing load during CLU, the curves start to diverge from the conventional test profiles. The presence of confining pressure accentuates the weakening stage before the peak stress, suggesting an enhancement in the specimens’ toughness under such pressure; (4) analogous to conventional triaxial tests, the triaxial CLU tests show that under elevated hydrostatic pressure, the rock specimens’ pores begin to close before the application of axial deviatoric stress, especially as confining pressure increases. Consequently, the compaction phase is less pronounced, and the axial peak strength sees an uplift. After failure, the internal residual stress levels within the rock samples increase, implying an increase in the specimens’ load-bearing capacity with heightened confining pressure.
Figure 5.
Stress versus strain profiles for sandstone during triaxial CLU experiments.
3.3. Failure Characteristics of Sandstone Specimens
The fundamental mechanisms behind the deformation and fracturing of rock materials are primarily governed by the emergence, growth, and merging of micro-cracks within the natural rock matrix. Figure 6 illustrates the ultimate failure patterns of sandstone samples under varying confining pressures, clearly indicating that macroscopic fracturing of the rock specimens typically presents as shear failure during standard triaxial compression tests. This phenomenon is similar to the results of studies by Du and Chen et al. [,]. For confining pressures ranging from 1 to 20 MPa, the breakage planes within the specimens remain relatively straightforward, with minimal secondary cracking and the primary fissure not spanning the entirety of the specimen. At a confining pressure of 25 MPa, the fractures evolve into tensile–shear types, fully traversing the specimen’s surface and forming an X-shaped fracture plane. In CLU experiments, the specimens suffer extensive damage, predominantly exhibiting tensile–shear failure along with some shear fracturing. Contrary to outcomes from standard triaxial compression tests, subjected to varying levels of confining pressures (1, 5, 10, and 15 MPa), a complex network of primarily shear or tensile fractures complemented by secondary cracks develops, whereas at 20 and 25 MPa, shear failure extending across the specimen’s surface is observed. This analysis underscores the following: (1) under lower confining pressures, as the axial load increases, slippage of oblique micro-cracks—which are more prevalent than transverse cracks—leads to their propagation and eventual coalescence into a macroscopic fracture plane, resulting in shear failure of the specimen. (2) When subjected to increased confining pressures, the external confinement inhibits the slippage of oblique cracks, causing them to extend along their initial paths and merge into a comprehensive shear fracture from top to bottom of the specimen. Overall, the prevailing mode of failure in sandstone, across a range of confining pressures, primarily involves shear deformation. This insight is crucial for designing support strategies aimed at mitigating shear failure, especially during the construction and excavation of deep underground caverns subject to high geostress, to prevent extensive damage to the intact rock surrounding the structure.

Figure 6.
Breakdown traits of samples under varying levels of confining stress.
4. Energy Dynamics in Sandstone Subjected to CLU
4.1. Determining Energy Levels in Rock Samples during CLU Trials
The assumption is made that experiments were performed in an isolated system without thermal interaction with the environment. Following the law of energy conservation, the total energy present in the rock stays constant throughout the process. The external forces applied to the rock convert into recoverable elastic strain energy and irrecoverable dissipation energy due to the external loading. Hence, following the principle of energy conservation, the equation is as follows [,,]:
where u represents the total energy exerted by the external forces on the rock; ue is the elastic strain energy stored within the rock, encompassing both axial and radial strains; and ud refers to the energy lost due to the internal crack propagation within the rock.
When subjected to the combined effects of axial stress (σ1) and confining pressure (σ3), the total energy uptake by rock samples during loading is calculated from the area under the stress–strain curves, As shown in Figure 7. Thus, the formula to determine the total energy absorbed by the samples is as follows:
where σ1, σ2, and σ3 separately represent the first, second, and third principal stresses, in which σ2 = σ3; ε1, ε2 and ε3 are strains formed in directions of the first, second, and third principal stresses.
Figure 7.
Methodology for determining energy density in rock specimens in CLU tests.
During the loading phase, the rock specimens store elastic strain energy as
Utilizing Equations (1)–(3), the energy dissipated during the rock’s deformation process can be calculated as follows:
4.2. Evolution of Energy in Sandstone during CLU Tests
The energy density for each phase of the rock specimens was determined using the stress–strain data from CLU tests at varying confining pressures, following the energy calculation methodology outlined in Section 4.1. Based on these calculations, graphs illustrating the relationship between input energy and strain, dissipated energy and strain, and the ratio of energy dissipation to strain were created, using the strain at each cycle’s unloading point as the x-axis. Furthermore, stress–strain envelope curves were constructed for the CLU tests, utilizing the stress and strain values at the unloading points of each cycle, as depicted in Figure 8.
Figure 8.
Envelopes of stress–strain and curves of energy density for rock samples subjected to triaxial CLU.
Figure 8 illustrates the following: (1) analogous to the conventional triaxial compression stress–strain profiles, the CLU stress–strain envelopes can also be categorized into five distinct stages: compaction stage I, elastic stage II, crack propagation stage III, macroscopic failure stage IV, and residual stage V. This observation confirms the rock’s ability to remember its deformation history [,,]. The patterns of energy change in the rock specimens during triaxial CLU exhibit a peak-like shape, indicating a significant turning point in energy distribution. (2) Prior to attaining the maximum stress level, the total input energy, elastic strain energy, and dissipated energy all escalate with the increment in cycle number (or strain at the unloading point). Notably, the rise in elastic strain energy significantly surpasses that of dissipated energy. The slope of the elastic strain energy curve initially increases before declining. This phenomenon occurs as the rock samples predominantly store the input energy as elastic strain energy due to the continuous work performed by the external load in the pre-peak phase. The remaining energy is expended in compacting and closing micro-fractures, along with the propagation and merging of cracks within the rock samples. This demonstrates that the pre-peak phase of energy evolution in rock samples is characterized by energy accumulation, with the deformation primarily being elastic. As both the elastic strain energy and dissipated energy expand, the rock samples’ capacity for energy storage and deformation diminishes, leading to failure. (3) Beyond the peak stress, there is a sharp decline in elastic strain energy coupled with a significant rise in dissipated energy (each curve exhibits a turning point). The peak elastic strain energy is reached just before peak stress, whereas the peak dissipated energy occurs after. This indicates that energy dissipation escalates continuously due to crack propagation and merging in the rock samples around the peak stress (critical failure point), marking a significant alteration in their internal structure and a gradual loss of load-bearing capacity, leading to failure. Additionally, as cracks propagate and merge until a macroscopic fracture plane forms, the stored elastic strain energy in the rock is converted into other forms of energy, which are then dissipated and released, causing a significant reduction in elastic deformation energy and a substantial increase in dissipated energy.
Figure 9 demonstrates that under various confining pressures, the patterns of energy density vs. strain curves for rock specimens exhibit similar trends. As depicted in Figure 9a, the overall energy assimilated by the rock specimens escalates with every cycle of loading and unloading (axial strain) during the pre-peak phase, peaking at the stress’s apex. This total energy intake reflects the rock’s capacity to store strain energy. With an increase in confining pressure, rocks display a heightened ability to absorb energy. However, this capacity diminishes and the total energy intake decreases as the rock specimens undergo damage in the phase following the peak. Due to the confining pressure’s stabilizing effect, the rock specimens maintain relative stability in the residual phase. Figure 9b illustrates that, during the phase prior to reaching the peak, the elastic strain energy of the rock specimens consistently increases with higher confining pressures, signifying that confining pressure enhances the efficiency and capacity of energy storage in rock specimens. As shown in Figure 9c, the dissipated energy in rock specimens increases with each CLU (axial strain), surging sharply near the peak stress point, with a trend of becoming increasingly prominent with the elevation of confining pressure. This surge indicates the significant dissipation and release of elastic strain energy as internal fractures expand and merge to create fracture planes, leading to the specimens’ failure. This phenomenon underscores that under higher confining pressures, rock specimens exhibit a greater ultimate energy storage capacity, resulting in more accumulated damage and fractures within the rock.
Figure 9.
Variation in energy density across varying confining pressures.
4.3. Energy Distribution in Sandstone during CLU Tests
The degradation of rocks fundamentally pertains to a thermodynamic issue, encompassing the processes of energy uptake, conversion, and dispersion. Throughout testing, rocks adhere to the principle of energy conservation and thermodynamic laws under any form of loading. A higher density of elastic energy indicates a rock’s superior capability for elastic deformation, while an increased density of dissipated energy reflects more extensive damage during deformation. Consequently, the damage and deformation behavior of rock specimens during testing can be deduced by evaluating the ratios of elastic and dissipated energy. Figure 10 and Figure 11 display the progression curves of these energy ratios for rock specimens, correlating with stress and strain during CLU under triaxial conditions.
Figure 10.
Progression of elastic strain energy ratios in rock samples subjected to triaxial CLU.
Figure 11.
Development of dissipated energy ratios in rock samples during triaxial CLU.
The fraction of energy associated with elastic deformation in the CLU tests of rock samples primarily indicates their capacity for elastic deformation and energy storage. Conversely, the dissipated energy ratio indicates the degree of internal damage and plastic deformation under specific stress or strain levels. According to Figure 11, we observe that (1) the profiles of the dissipated energy ratios across different confining pressures resemble a spoon shape. Initially, as the cycle count (and corresponding strain at each unloading point) rises, the ratio decreases linearly (phase I), transitions into a steady state (phase II) and then gradually climbs (phase III) and sharply escalates (phase IV) before finally reaching a plateau (phase V). On the other hand, the trajectory of the elastic strain energy ratio exhibits a reverse pattern. (2) During the initial stages of loading, particularly in the pre-peak phase, the dissipated energy ratio in rock samples surpasses the elastic strain energy ratio, fluctuating between 0.6 and 0.8 under varying confining pressures. This predominance of dissipated energy in the early loading stages is attributed to the compaction of the rock samples, where energy is consumed in compacting and sealing off pores and pre-existing micro-fractures. Consequently, the samples exhibit low rigidity and limited capacity for accumulating elastic strain energy, resulting in a higher dissipated energy ratio. As the loading cycles progress, the rock samples advance through the elastic and plastic deformation phases, with the elastic strain energy ratio initially rising linearly and then stabilizing between 0.2 and 0.8, depending on the confining pressure. This increase signifies the sealing of pores and tiny cracks under stress, enhancing the capacity for elastic energy storage and, by extension, the elastic strain energy ratio. At this juncture, energy dissipation from the closure of pores and micro-fractures diminishes, highlighting the primacy of elastic energy accumulation until the peak stress is reached. Elevated confining pressures are shown to augment the ratio of elastic strain energy at peak stress, indicating enhanced efficiency in energy storage and a bolstered capacity for energy accumulation in the rock samples. This elevation also mitigates crack propagation and coalescence, thereby reducing energy dissipation and release upon failure, As shown in Figure 12. (3) In the phase following the peak, the dissipated energy ratio near the peak stress point progressively increases with additional cycles. This is attributed to the propagation and coalescence of micro-cracks into fracture planes, leading to the instantaneous release of stored elastic strain energy and a sudden surge in dissipated energy, as evidenced by the sharp rise in the dissipated energy ratio. Following this, the ratio declines as a new equilibrium is established post-failure under the impact of confining pressure, stabilizing the rock samples.
Figure 12.
Ratios of dissipated energy and elastic strain energy in rock samples at the point of failure across varying confining pressures.
5. Discussion of Failure Criteria of the Rock Based on Abrupt Changes in Energy
From a mechanical standpoint, rocks are comprised of natural geomaterials riddled with imperfections, including pre-existing micro-cracks. The process of altering and breaking down under applied stress involves the growth of local fractures from these micro-cracks into fracture planes, eventually merging to trigger the widespread instability of the surrounding rock mass. This failure mechanism of rocks is intrinsically linked to the dynamics of energy conversion and represents an energy-induced instability. When subjected to external loads, energy is expended in the progression and merging of cracks, as well as in the creation of macroscopic fracture planes, particularly near the peak stress phase, encompassing the stages of pore or micro-crack compaction and both elastic and plastic deformations. To measure the degree of damage within the rock, the ratio of energy, Ke (characterized by the proportion of energy expended to the energy conserved during the loading phase of the rock), is utilized. This metric serves as an indirect indicator of the rock’s stability under the applied load [,,]. Ke is calculated as follows:
where ud represents the energy lost through the beginning and the spread of cracks through the rock, and ue signifies the elastic deformation energy contained within the rock, encompassing both axial and radial deformations.
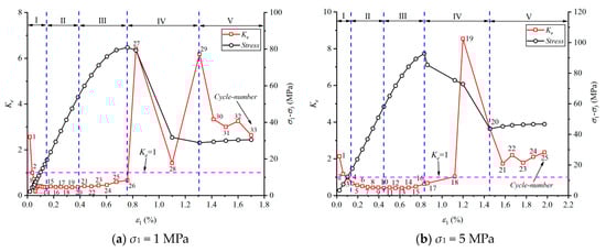
Illustrated by Figure 13 and Figure 14, during the CLU trials at varying confining pressures, the energy consumption ratio Ke initially experiences a sharp decrease (stage I), followed by a gradual slowdown in reduction (stage II), a slight rise (stage III), a significant increase at the peak stress inflection point (stage IV) and, ultimately, a slow decline towards stabilization (stage V) as the cycle count rises. Stage I is defined by the densification of pores and the closure of microscopic fractures; stage II involves the process of elastic deformation; stage III involves the extension and initiation of new cracks; stage IV is marked by the coalescence of cracks into a macroscopic fracture plane; and stage V shows that despite fracturing, the rock specimens maintain a level of load-bearing capacity under the confining pressure. The analysis of the rock specimens’ energy evolution during the CLU in Section 4.2 suggests that rock failure under load is defined by the rapid conversion of stored elastic strain energy into energy that is released and dissipated as cracks propagate, merge, and form fracture planes. Thus, the phase where the Ke ratio incrementally rises indicates the progression of the accrual of damage and plastic deformation within the rock. When Ke reaches a threshold and shows an inflection point, cracks propagate and coalesce, the main crack appears, and fracture planes are formed. Hence, this inflection point serves as a precursor signal for the impending failure of the rock when subjected to loading. The ratio of ud to ue was used as the amplified energy signal for failure of the rock, and its abrupt change can be used as a failure criterion for the rock.

Figure 13.
Stress–strain–energy dissipation ratio curves for rock samples subjected to triaxial CLU tests.
Figure 14.
Variation in energy dissipation ratios in rock samples with strain under various confining pressures.
Ke < 1 indicates that the rock, during its loading phase, retains more accumulated elastic strain energy than the energy it releases and dissipates, signifying a state of stability. This condition is typically associated with the elastic and plastic deformation phases that occur prior to the peak, predominantly during the initial stages of deformation and the residual deformation phase. A Ke value of 1 signals a critical equilibrium state for the rock, usually observed around the peak stress level or within the residual deformation stage. Conversely, when the Ke ratio exceeds 1, it signifies a period of instability characterized by the rapid discharge of accumulated elastic deformation energy. This predominantly occurs subsequent to the attainment of the peak stress level, aside from the initial compaction phase.
6. Conclusions
To examine the traits of energy development and the principles governing energy distribution in sandstone during the processes of loading and failure, the MTS-815 electro-hydraulically operated servo-testing process apparatus was utilized for both conventional triaxial compression and CLU experiments on sandstone specimens, conducted at six distinct confining pressures (1, 5, 10, 15, 20, and 25 MPa). The key findings from these tests are summarized as follows:
- (1)
- Shear failure predominates as the primary mode of macroscopic failure under both tested stress paths, influenced by varying levels of confining pressure. When subjected to elevated confining pressures, the tensile stresses within the rock specimens are restricted to levels equal to or lower than the external pressures applied. Consequently, rather than slipping, oblique fractures within the rock preferentially extend along the trajectories of pre-existing fissures, eventually merging to form a continuous shear fracture that penetrates the specimen from the top surface to the bottom. The elevated confining pressure substantially restricts the formation of new secondary fractures. Consequently, during the construction and excavation of deep caverns in high geostress environments, support measures focused primarily on controlling shear failure must be implemented to prevent significant damage to the intact surrounding rock.
- (2)
- In the process of triaxial CLU tests conducted on sandstone under different levels of confining pressure, patterns of energy transition were consistently observed, showcasing a distinct peak-shaped outline punctuated by a critical juncture of energy shift. In the initial stages, there is significant accumulation of elastic strain energy. Following this accumulation phase, a transition occurs in which the stored elastic deformation energy is converted into other energy forms that are subsequently released and dissipated as the rock fails. Beyond the peak, during the residual phase post-failure, the dynamics of energy storage and dissipation reach a gradual equilibrium, significantly influenced by the moderating effect of confining pressures.
- (3)
- Initially, for rock samples subjected to varying degrees of confining pressure, the energy expended due to internal damage and fracturing exceeds the stored elastic strain energy. As the number of loading repetitions increases, the samples undergo phases of both elastic and plastic deformation. During these phases, the proportion of elastic strain energy initially shows a linear increase, eventually reaching a plateau. With continued cycling, the ratio of expended energy gradually rises, approaching the critical point of peak stress. At this point, the accumulated elastic deformation energy within the samples is rapidly released, resulting in a significant increase in energy dissipation and a notable rise in the curve of the dissipated energy ratio. Under these conditions, the rock specimens experience sudden failure.
- (4)
- Employing the energy consumption ratio Ke, defined as the ratio of energy dissipated to energy stored during the loading of rock, acts as a surrogate indicator for assessing the extent of damage within the rock. This metric effectively illustrates the rock’s comparative stability when subjected to load. A Ke ratio of 1 signifies a critical equilibrium state of the rock, typically observed near the peak stress level or during the residual phase. When the energy consumption ratio exceeds 1, Ke > 1, it indicates a phase of instability within the rock, occurring around the peak stress level. The point of inflection observed on the Ke curve can be leveraged as a precursor signal for impending rock failure.
Author Contributions
J.Z.: Conceptualization; Resources; Data Curation. Y.L.: Formal Analysis; Methodology; Project Administration. H.G.: Formal Analysis; Software. X.Z.: Supervision; Validation; Writing—Review and Editing. S.Z.: Visualization; Writing—Original Draft. All authors have read and agreed to the published version of the manuscript.
Funding
The research was supported by the National Natural Science Foundation of China (No. 51979208), the PhD Scientific Research and Innovation Foundation of Sanya Yazhou Bay Science and Technology City (HSPHDSRF-2023-03-017) for Jinrui Zhang, and the Natural Science Foundation of Hainan Province (No. 521CXTD444).
Data Availability Statement
The authors confirm that the data supporting the findings of this study are available within the article.
Acknowledgments
We would like to express our sincere gratitude to Yi Luo, whose expertise, guidance, and support have been invaluable throughout this research. We would like to express our sincere thanks to Meng Fei for his financial assistance in the research process of the paper and for polishing the language of the paper. We thank Li Chun for his help in the research and experimental part of the paper. We are also grateful to our colleagues at School of Civil Engineering and Architecture, Wuhan University of Technology, for their insightful discussions and assistance at various stages of this work. We are thankful to the National Natural Science Foundation of China (No. 51979208), the PhD Scientific Research and Innovation Foundation of Sanya Yazhou Bay Science and Technology City (HSPHDSRF-2023-03-017) for Jinrui Zhang, and the Natural Science Foundation of Hainan Province (No. 521CXTD444) for their financial support, which made this research possible. Additionally, we acknowledge the use of specific resources provided by Sanya Science and Education Innovation Park, Wuhan University of Technology. Finally, we extend our heartfelt thanks to our families and friends for their encouragement and understanding during the course of this study.
Conflicts of Interest
We declare that we do not have any commercial or associative interests that represent any conflicts of interest in connection with the work submitted.
References
- Lin, H.; Liu, J.; Yang, J.; Ran, L.; Ding, G.; Wu, Z.; Lyu, C.; Bian, Y. Analysis of damage characteristics and energy evolution of salt rock under triaxial cyclic loading and unloading. J. Energy Storage 2022, 56, 106145. [Google Scholar] [CrossRef]
- Meng, Q.-B.; Liu, J.-F.; Pu, H.; Huang, B.-X.; Zhang, Z.-Z.; Wu, J.-Y. Effects of cyclic loading and unloading rates on the energy evolution of rocks with different lithology. Geomech. Energy Environ. 2023, 34, 100455. [Google Scholar] [CrossRef]
- Shen, R.; Chen, H.; Zhao, E.; Li, T.; Fan, W.; Yuan, Z. Electromagnetic radiation prediction of damage characteristics of water-bearing sandstone under cyclic loading and unloading. Bull. Eng. Geol. Environ. 2022, 81, 183. [Google Scholar] [CrossRef]
- Yang, T.; Wang, P.; Wang, S.; Liu, H.; Zhang, Z. Experimental Study on Shear-Seepage Coupling Characteristics of Single Fractured Rock Mass Under Cyclic Loading and Unloading. Rock Mech. Rock Eng. 2023, 56, 2137–2156. [Google Scholar] [CrossRef]
- Xiao, W.; Yu, G.; Li, H.; Zhan, W.; Zhang, D. Experimental study on the failure process of sandstone subjected to cyclic loading and unloading after high temperature treatment. Eng. Geol. 2021, 293, 106305. [Google Scholar] [CrossRef]
- Liu, D.; Jiang, S.; Tang, Y. Mechanical Properties of Metasandstone under Uniaxial Graded Cyclic Loading and Unloading. Appl. Sci. 2022, 12, 6310. [Google Scholar] [CrossRef]
- Zhang, L.; Yuan, X.; Luo, L.; Tian, Y.; Zeng, S. Seepage Characteristics of Broken Carbonaceous Shale under Cyclic Loading and Unloading Conditions. Energy Fuels 2023, 38, 1192–1203. [Google Scholar] [CrossRef]
- Hu, H.; Lu, Y.; Xia, B.; Luo, Y.; Peng, J.; Li, Y. Damage characteristics of sandstone with different crack angles subjected to true triaxial cyclic loading and unloading. Theor. Appl. Fract. Mech. 2022, 121, 103444. [Google Scholar] [CrossRef]
- Meng, Q.; Zhang, M.; Han, L.; Pu, H.; Chen, Y. Acoustic Emission Characteristics of Red Sandstone Specimens Under Uniaxial Cyclic Loading and Unloading Compression. Rock Mech. Rock Eng. 2018, 51, 969–988. [Google Scholar] [CrossRef]
- Meng, Q.; Zhang, M.; Han, L.; Pu, H.; Nie, T. Effects of Acoustic Emission and Energy Evolution of Rock Specimens Under the Uniaxial Cyclic Loading and Unloading Compression. Rock Mech. Rock Eng. 2016, 49, 3873–3886. [Google Scholar] [CrossRef]
- Wang, C.; He, B.; Hou, X.; Li, J.; Liu, L. Stress-Energy Mechanism for Rock Failure Evolution Based on Damage Mechanics in Hard Rock. Rock Mech. Rock Eng. 2020, 53, 1021–1037. [Google Scholar] [CrossRef]
- Ma, W.; Wang, J.; Li, X.; Wang, T. Crack evolution and acoustic emission characteristics of rock specimens containing random joints under uniaxial compression. Acta Geophys. 2021, 69, 2427–2441. [Google Scholar] [CrossRef]
- He, M.M.; Pang, F.; Wang, H.T.; Zhu, J.W.; Chen, Y.S. Energy Dissipation-Based Method for Strength Determination of Rock under Uniaxial Compression. Shock Vib. 2020, 2020, 8865958. [Google Scholar] [CrossRef]
- Gao, F.; Yang, L. Experimental and Numerical Investigation on the Role of Energy Transition in Strainbursts. Rock Mech. Rock Eng. 2021, 54, 5057–5070. [Google Scholar] [CrossRef]
- Meng, Q.-B.; Liu, J.-F.; Huang, B.-X.; Zhang, Z.-Z.; Long, J.-K.; Wu, J.-Y. Experimental analysis of the height–diameter ratio effect of rock energy under uniaxial cyclic loading–unloading conditions. Bull. Eng. Geol. Environ. 2023, 82, 283. [Google Scholar] [CrossRef]
- Wang, J.B.; Liu, X.; Zhang, Q.; Song, Z.P. Analysis of Energy Evolution Characteristics of Salt Rock Under Different Loading Rates. Front. Earth Sci. 2022, 10, 829185. [Google Scholar] [CrossRef]
- Zhao, K.; Yu, X.; Zhou, Y.; Wang, Q.; Wang, J.; Hao, J. Energy evolution of brittle granite under different loading rates. Int. J. Rock Mech. Min. Sci. 2020, 132, 104392. [Google Scholar] [CrossRef]
- Sufian, A.; Russell, A.R. Microstructural pore changes and energy dissipation in Gosford sandstone during pre-failure loading using X-ray CT. Int. J. Rock Mech. Min. Sci. 2013, 57, 119–131. [Google Scholar] [CrossRef]
- Gong, F.; Wang, Y. A New Rock Brittleness Index Based on the Peak Elastic Strain Energy Consumption Ratio. Rock Mech. Rock Eng. 2022, 55, 1571–1582. [Google Scholar] [CrossRef]
- Zhang, L.; Cong, Y.; Meng, F.; Wang, Z.; Zhang, P.; Gao, S. Energy evolution analysis and failure criteria for rock under different stress paths. Acta Geotech. 2021, 16, 569–580. [Google Scholar] [CrossRef]
- Zhao, H.; Song, Z.; Zhang, D.; Liu, C.; Yu, B. True triaxial experimental study on mechanical characteristics and energy evolution of sandstone under various loading and unloading rates. Geomech. Geophys. Geo-Energy Geo-Resour. 2021, 7, 22. [Google Scholar] [CrossRef]
- Meng, Q.-B.; Liu, J.-F.; Huang, B.-X.; Pu, H.; Wu, J.-Y.; Zhang, Z.-Z. Effects of Confining Pressure and Temperature on the Energy Evolution of Rocks Under Triaxial Cyclic Loading and Unloading Conditions. Rock Mech. Rock Eng. 2022, 55, 773–798. [Google Scholar] [CrossRef]
- Wu, Q.; Li, B.; Jiang, X. Triaxial Test Study on Energy Evolution of Marble after Thermal Cycle. Minerals 2023, 13, 428. [Google Scholar] [CrossRef]
- Peng, R.; Ju, Y.; Wang, J.G.; Xie, H.; Gao, F.; Mao, L. Energy Dissipation and Release During Coal Failure Under Conventional Triaxial Compression. Rock Mech. Rock Eng. 2015, 48, 509–526. [Google Scholar] [CrossRef]
- Peng, K.; Zhou, J.; Zou, Q.; Yan, F. Deformation characteristics of sandstones during cyclic loading and unloading with varying lower limits of stress under different confining pressures. Int. J. Fatigue 2019, 127, 82–100. [Google Scholar] [CrossRef]
- Hu, H.; Xia, B.; Luo, Y.; Peng, J. Energy characteristics of sandstones with different crack angles under true triaxial cyclic loading and unloading. Energy Sci. Eng. 2022, 10, 1418–1430. [Google Scholar] [CrossRef]
- Zhang, M.; Meng, Q.; Liu, S. Energy evolution characteristics and distribution laws of rock materials under triaxial cyclic loading and unloading compression. Adv. Mater. Sci. Eng. 2017, 2017, 5471571. [Google Scholar] [CrossRef]
- Zhang, S.; Liu, W.; Lv, H. Creep energy damage model of rock graded loading. Results Phys. 2019, 12, 1119–1125. [Google Scholar] [CrossRef]
- Gong, F.; Zhang, P.; Luo, S.; Li, J.; Huang, D. Theoretical damage characterisation and damage evolution process of intact rocks based on linear energy dissipation law under uniaxial compression. Int. J. Rock Mech. Min. Sci. 2021, 146, 104858. [Google Scholar] [CrossRef]
- Chen, Z.; He, C.; Ma, G.; Xu, G.; Ma, C. Energy Damage Evolution Mechanism of Rock and Its Application to Brittleness Evaluation. Rock Mech. Rock Eng. 2018, 52, 1265–1274. [Google Scholar] [CrossRef]
- Gong, F.; Zhang, P.; Xu, L. Damage constitutive model of brittle rock under uniaxial compression based on linear energy dissipation law. Int. J. Rock Mech. Min. Sci. 2022, 160, 105273. [Google Scholar] [CrossRef]
- Chi, X.; Yang, K.; Wei, Z. Investigation of Energy and Damage Evolutions in Rock Specimens with Large-Scale Inclined Prefabricated Cracks by Uniaxial Compression Test and AE Monitoring. Adv. Civ. Eng. 2020, 2020, e8887543. [Google Scholar] [CrossRef]
- Li, T.; Pei, X.; Wang, D.; Huang, R.; Tang, H. Nonlinear behavior and damage model for fractured rock under cyclic loading based on energy dissipation principle. Eng. Fract. Mech. 2019, 206, 330–341. [Google Scholar] [CrossRef]
- Li, T.; Pei, X.; Guo, J.; Meng, M.; Huang, R. An Energy-Based Fatigue Damage Model for Sandstone Subjected to Cyclic Loading. Rock Mech. Rock Eng. 2020, 53, 5069–5079. [Google Scholar] [CrossRef]
- Wang, W.; Wang, Y.; Chai, B.; Du, J.; Xing, L.; Xia, Z. An Energy-Based Method to Determine Rock Brittleness by Considering Rock Damage. Rock Mech. Rock Eng. 2022, 55, 1585–1597. [Google Scholar] [CrossRef]
- Huang, J.; Hua, W.; Li, D.; Chen, X.; You, X.; Dong, S.; Li, J. Effect of confining pressure on the compression-shear fracture properties of sandstone. Theor. Appl. Fract. Mech. 2023, 124, 103763. [Google Scholar] [CrossRef]
- Chen, X.; Tang, M.; Tang, C. Effect of confining pressure on the damage evolution and failure behaviors of intact sandstone samples during cyclic disturbance. Rock Mech. Rock Eng. 2022, 55, 19–33. [Google Scholar] [CrossRef]
- Yu, H.; Ng, K. Analytical model for failure strength of brittle rocks under triaxial compression and triaxial extension. Int. J. Geomech. 2022, 22, 06022003. [Google Scholar] [CrossRef]
- Turichshev, A.; Hadjigeorgiou, J. Triaxial compression experiments on intact veined andesite. Int. J. Rock Mech. Min. Sci. 2016, 86, 179–193. [Google Scholar] [CrossRef]
- Du, K.; Luo, X.; Liu, M.; Liu, X.; Zhou, J. Understanding the evolution mechanism and classification criteria of tensile-shear cracks in rock failure process from acoustic emission (AE) characteristics. Eng. Fract. Mech. 2024, 296, 109864. [Google Scholar] [CrossRef]
- Chen, J.; Zhou, H.; Zeng, Z.; Lu, J. Macro-and microstructural characteristics of the tension–shear and compression–shear fracture of granite. Rock Mech. Rock Eng. 2020, 53, 201–209. [Google Scholar] [CrossRef]
- Geng, J.; Cao, L. Failure analysis of water-bearing sandstone using acoustic emission and energy dissipation. Eng. Fract. Mech. 2020, 231, 107021. [Google Scholar] [CrossRef]
- Xie, H.; Li, L.; Peng, R.; Ju, Y. Energy analysis and criteria for structural failure of rocks. J. Rock Mech. Geotech. Eng. 2009, 1, 11–20. [Google Scholar] [CrossRef]
- Gong, F.-Q.; Luo, S.; Yan, J.-Y. Energy Storage and Dissipation Evolution Process and Characteristics of Marble in Three Tension-Type Failure Tests. Rock Mech. Rock Eng. 2018, 51, 3613–3624. [Google Scholar] [CrossRef]
- Meng, Q.; Zhang, M.; Zhang, Z.; Han, L.; Pu, H. Research on non-linear characteristics of rock energy evolution under uniaxial cyclic loading and unloading conditions. Environ. Earth Sci. 2019, 78, 650. [Google Scholar] [CrossRef]
- Zhang, T.; Xu, W.; Wang, R.; Yan, L.; He, M. Deformation characteristics of cement mortar under triaxial cyclic loading: An experimental investigation. Int. J. Fatigue 2021, 150, 106305. [Google Scholar] [CrossRef]
- Meng, Q.-B.; Liu, J.-F.; Ren, L.; Pu, H.; Chen, Y.-L. Experimental Study on Rock Strength and Deformation Characteristics Under Triaxial Cyclic Loading and Unloading Conditions. Rock Mech. Rock Eng. 2021, 54, 777–797. [Google Scholar] [CrossRef]
- Jiang, T.; Jiang, A.; Jiang, H.; Zhang, F.; Xu, M. Study on post-peak stress-seepage characteristics of limestone under triaxial cyclic loading and unloading conditions. Arab. J. Geosci. 2022, 15, 387. [Google Scholar] [CrossRef]
- Li, Z.; Xie, S.; Song, Q.; Wang, P.; Liu, D.; Zhao, B.; Huang, W. Energy Dissipation and Damage Evolution Characteristics of Shale under Triaxial Cyclic Loading and Unloading. Adv. Mater. Sci. Eng. 2022, 2022, 1212584. [Google Scholar] [CrossRef]
- Zhao, Y.; Dang, S.; Bi, J.; Wang, C.; Gan, F.; Li, J. Energy Evolution Characteristics of Sandstones During Confining Pressure Cyclic Unloading Conditions. Rock Mech. Rock Eng. 2023, 56, 953–972. [Google Scholar] [CrossRef]
- Wang, Y.; Feng, W.K.; Hu, R.L.; Li, C.H. Fracture Evolution and Energy Characteristics During Marble Failure Under Triaxial Fatigue Cyclic and Confining Pressure Unloading (FC-CPU) Conditions. Rock Mech. Rock Eng. 2020, 54, 799–818. [Google Scholar] [CrossRef]
Disclaimer/Publisher’s Note: The statements, opinions and data contained in all publications are solely those of the individual author(s) and contributor(s) and not of MDPI and/or the editor(s). MDPI and/or the editor(s) disclaim responsibility for any injury to people or property resulting from any ideas, methods, instructions or products referred to in the content. |
© 2024 by the authors. Licensee MDPI, Basel, Switzerland. This article is an open access article distributed under the terms and conditions of the Creative Commons Attribution (CC BY) license (https://creativecommons.org/licenses/by/4.0/).