Next Article in Journal
Cascaded Frequency Selective Surfaces with Matryoshka Geometry for Ultra-Wideband Bandwidth
Next Article in Special Issue
Distributed Software Build Assurance for Software Supply Chain Integrity
Previous Article in Journal
Gas–Liquid Mixability Study in a Jet-Stirred Tank for Mineral Flotation
 
 
Font Type:
Arial Georgia Verdana
Font Size:
Aa Aa Aa
Line Spacing:
Column Width:
Background:
Article

Performance Testing of the Triple Modular Redundancy Mitigation Circuit Test Environment Implementation in Field Programmable Gate Array Structures

by
Marcin Kubica
1,2 and
Robert Czerwinski
1,2,*
1
Department of Digital Systems, Silesian University of Technology, ul. Akademicka 2A, 44-100 Gliwice, Poland
2
KP Labs, Bojkowska 37J, 44-100 Gliwice, Poland
*
Author to whom correspondence should be addressed.
Appl. Sci. 2024, 14(19), 8604; https://doi.org/10.3390/app14198604
Submission received: 30 August 2024 / Revised: 18 September 2024 / Accepted: 19 September 2024 / Published: 24 September 2024

Abstract

The logic structures implemented in Field Programmable Gate Arrays (FPGAs) are often critical and their correct operation is vital. FPGA devices are often used in areas where there is increased ionising radiation (space, medical diagnostics, aviation or nuclear power). There is therefore a need for mechanisms to correct radiation-induced errors. A common approach is the redundant implementation of particularly critical parts of the logic structure. By triplicating selected fragments, it is possible not only to detect potential errors but also to correct them. Such an approach is called triple modular redundancy (TMR), and its essence lies in the use of specialised voting circuits called voters, which allow the erroneous results of individual subcircuits to be eliminated by voting. The triplicate circuit under consideration, together with the voter, constitutes the mitigation structure. It becomes necessary to develop a test environment to assess the correct operation of these circuits. Also key is the efficiency of the implementation of these structures, which can be related to the occupation of logical resources or the power consumption of a given implementation. This paper demonstrates the essence of implementing a test environment to test the correctness of the mitigation of logic structures using TMR voters. An error injector mechanism using the Pseudo-Random Bit Sequence (PRBS) register is proposed, which introduces an element of randomness into the testing process. The aim of this research is to determine the implementation efficiency of the proposed test environment. In the experimental part, the implementation costs of the proposed solution were examined. The results indicate that between 66 and 109 LUT blocks were required to implement the error injector, corresponding to a relatively small increase in dynamic power consumption: by 22% for combinational circuits and by 37% for sequential circuits.

1. Introduction

Designing complex digital systems implemented in FPGA (Field Programmable Gate Array) devices is a challenging task. In most cases, there are a number of constraints to consider. As a rule, these constraints may relate to power consumption [1,2,3,4,5], the availability of logic resources [6,7,8] or speed of operation [9]. In many cases, it is also necessary to consider in the design process the specific characteristics of the environment in which the device will operate. It is often the case that an FPGA device is exposed to ionising radiation, which can lead to a number of errors in the operation of the implemented functionality. Application areas where increased levels of radiation can be expected include aerospace, medical diagnostics, nuclear power plants and most importantly, space applications.
FPGA devices are often used in space missions [10,11]. A deeper analysis of this environment therefore becomes necessary. As shown in [12], three main sources of radiation for space missions within the solar system can be distinguished, and these are galactic cosmic rays, solar radiation and radiation belts. Galactic cosmic rays are high-energy protons from interstellar space that reach the solar system. Solar radiation is a stream of plasma emitted in all directions by the sun. This emission can be quite violent during Coronal Mass Ejections (CMEs). The last source of radiation is radiation belts. These are areas of increased radiation resulting from accumulations of energetic particles in the magnetic field of planets.
From a technological point of view, an FPGA device is a semiconductor device. Radiation effects impact semiconductors in the following ways: Single-Event Effects (SEEs) and Dose effects. Dose effects correspond to a permanent change in selected parameters due to prolonged exposure to radiation. SEEs are associated with phenomena resulting from the impact of a single particle on a logic structure. Such an event is random and instantaneous. It can cause a change in the value of individual bits. The work [13] divides SEEs into Soft Error (no physical damage) and Hard Error (physical damage) phenomena.
Soft Errors are upsets to the device operation. The most important types of Soft Errors are single-event transients (SETs), single-event upsets (SEUs) and single-event function interrupts (SEFIs). A SET event corresponds to the generation of additional pulses in combinational logic that can be propagated throughout the logic structure. SEU-type events correspond to a change in the state of a memory element due to the impact of a high-energy particle. SEFIs, on the other hand, correspond to a change in the normal functioning of the device (a change in the circuit functionality).
Also in the case of Hard Errors, several types of events can be distinguished. These can be distinguished as a single-event latch-up (SEL), which is a circuit latch-up induced by radiation; single-event burnout (SEB), which is short-circuiting caused when a high-energy ion impacts a transistor source; and single-event gate rupture (SEGR), which involves physical damage to the gate oxide insulation in a silicon structure.
The main contribution of this paper is a novel test circuit for mitigation circuits using TMR (triple modular redundancy) voters, based on the PRBS (Pseudo-Random Bit Sequence) register. The solution proposed in this paper will allow for more efficient testing of the mitigation capability of TMR circuits with a slight increase in the number of logic resources and power consumption required. This is of particular importance in space applications where such limitations are particularly relevant. Section 2 discusses the mitigation methods used in FPGA devices. Particular attention is paid here to triple redundancy. The design of different voter models is also discussed. Section 3 presents the concepts of a test environment for mitigation circuits using the PRBS. The focus is on the efficiency problem of implementing these circuits in FPGA devices. Section 4 addresses the practical implementation problems of the test environment in projects. Section 5 presents the experimental results obtained. This paper is concluded with a summary.

2. Theoretical Background

There are many mitigation methods to reduce the impact of radiation on the performance of a digital device [11,12,14]. Of course, technological methods, such as the appropriate doping of silicon, can be discussed to improve the mitigation properties [15]. Naturally, it is also crucial to ensure the adequate shielding of digital devices. Unfortunately, in many cases, these methods are insufficient and SEEs can still occur. In this situation, it is crucial that the digital system is properly designed to resist these phenomena.
In many space missions, key digital-system elements are implemented in FPGA devices (telemetry systems, onboard computers and AI systems) [16,17,18,19,20]. This raises the question of mitigation methods targeting FPGA devices. An extremely important component of FPGA devices is the configuration memory. This is most often SRAM (Static Random-Access Memory), which stores information on how to configure and interconnect the available resources of the FPGA device in the logical structure. As a result of SEUs, the values of selected configuration bits in the configuration memory can be swapped, which will affect the resulting logical structure. This problem is illustrated in Figure 1.
The primary mitigation method in this case is scrubbing, which involves ‘refreshing’ configuration memory from an external source. Scrubbing techniques are the subject of many research papers [21,22,23,24].
Radiation can also affect the logical structure itself. In this case, there are also mitigation techniques. The primary technique is the use of systems using Error Checking and Correction (ECC) [25]. Correction coding most commonly uses the Hamming code [26] or the Reed–Solomon code [27].
An extremely important method of mitigation is redundancy. The use of redundancy in mitigation processes involves replicating selected functional blocks or circuits several times in order to perform exactly the same task. In extreme cases, where the space mission is specifically exposed to significant radiation, entire units are duplicated. If the duplicated modules, at the same time, function in exactly the same way (the state of their outputs is the same), this means that there have been no SEE-induced errors in the operation of the modules. If, however, the signals on their outputs are different, this means that a fault must have occurred in one of the duplicated modules. Naturally, duplicating parts of a circuit, modules or entire devices several times is expensive. This raises the question of how many times a circuit fragment should be duplicated to ensure effective mitigation. It turns out that replicating the circuit twice only allows statements to be made that an SEE phenomenon has occurred but without the possibility of error correction. For this reason, triple redundancy (TMR, triple modular redundancy) is commonly used. In this approach, three identical and independent modules perform the same functionality. If one of them malfunctions due to an SEE, by comparing the state of the outputs of all three modules, the expected (correct) state of the module’s outputs can be unambiguously determined by a voting process. Of course, a single fault is assumed. Thus, in order to realise TMR, it is necessary to have a voter comparing the outputs of the individual modules and realising the voting. The essence of TMR is illustrated in Figure 2.
TMR is one of the basic mitigation techniques. It is the subject of many scientific papers [28,29,30,31,32]. It should be noted that one of the main drawbacks of this approach is the significant growth of the logical structure obtained. The use of TMR significantly increases the number of logical resources used. There are methods to reduce them [33,34]. Naturally, it is also extremely important to adopt a strategy for using TMR in a project [35].
As already mentioned, a key element of TMR is the voters. Voters in the voting process select the majority answer from triplicated modules. Most often, these are fairly simple combinatorial arrangements. There are a number of voter designs. These are summarised in the work [36]. Some of the more important constructions include the classical voter [37], the Kshirsagar voter [38], the Ban and Naviner voter [39], the Balasubramanian voter [40] or the Mux-based voter [36]. The structures of the individual voters are shown in Figure 3.
The classic voter is a design based on an AND–OR structure. This type of solution fit well into older PLD (Programmable Logic Device) circuit architectures such as CPLDs (Complex Programmable Logic Devices), where the core of the circuits were PAL (Programmable Array Logic) cells [41,42]. Of course, there is nothing to prevent these voters from also being used in FPGAs. In the case of the Kshirsagar voter or Naviner voter, the designs are based on XOR gates, leading to more reliable fault tolerance. A certain modification of the classical voter is the Balasubramanian voter, where the AND–OR structure is implemented in the form of a logic cell. It is also possible to implement the voter using only multiplexers (the Mux-based voter).
The work [36] is limited to a power and area analysis of transistor structures corresponding to individual voter designs. In the case of FPGA devices, voters are implemented either as IP (Intellectual Property) cores or in the form of HDL (Hardware Description Language) descriptions. Of course, the HDL description itself can take different forms: an array description, a structural description or a description in the form of equations. Often, FPGA device chip manufacturers provide their voter solutions [43,44]. Independent companies offering synthesis tools also support high-reliability designs [45]. In many cases, the inputs as well as the outputs from the voter are complex interfaces, e.g., AXIS (Advanced eXtensible Interface; Stream protocol) [43]. Taking all this into account, it is crucial to efficiently map the voter along with redundant modules (mitigation circuits) into LUT (Look-up Table) blocks, which form the basis of the FPGA chip architecture. LUT blocks are simple memories in which logic functions with a limited number of inputs are implemented. Of course, at the appropriate stages of logic synthesis, complex designs are split (function decomposition) and mapped into these resources [8].
Let us therefore consider the concepts of a test environment implemented in a real FPGA chip to test the correctness of error correction by TMR mitigation circuits.

3. Test Environment for TMR Mitigation Structures

Assessing the effectiveness of the implementation of mitigation mechanisms using TMR voters is a difficult task. It is possible to imagine a whole range of factors on which effectiveness should depend, such as the occupation of logical resources necessary for their implementation and power consumption.
From a logic-resource-occupation point of view, more efficient solutions are those that use less logic resources (a smaller silicon area). In the classical approach, the aim is to minimise transistors or gates. In the case of FPGAs, the problem is more complicated because the implemented logic functions are mapped in LUT blocks. These blocks implement simple logic functions with a small number of variables (e.g., 6). Logic functions in a larger number of variables have to be decomposed and then mapped into several suitably interconnected logic blocks [8]. Obviously, looking at the TMR voter, it is apparent that these structures are simple enough that, in theory, a single LUT block should be sufficient to implement them. The resource utilisation of the redundant modules attached to the voter inputs remains an open question. It turns out that synthesis tools can in some cases produce results far from optimal, which can result in a significant growth of the logic structure. In addition, it should be noted that TMR voter inputs are not necessarily single-bit. Each input can be an n-bit bus, making the voter itself much more complex. It is also possible to imagine much more complex voter designs, e.g., using a golden model (a priority model) or designs in which individual inputs are assigned appropriate weights. Theoretically, a voter can have more voting inputs (of course, this is no longer TMR), and the process of selecting the correct data is then more complex, involving a significantly higher number of necessary logic resources. From the point of view of FPGAs, it is also important how the voter and the circuits attached to its inputs are described in the HDL language. It turns out that a combinational circuit can be described in many ways (by arrays, equations and structural descriptions), which often leads to solutions using a different number of logic resources. Taking all this into account, evaluating the effectiveness of mitigation structures in terms of the use of logical resources is an extremely important issue.
Of considerable importance from the point of view of mitigation structures using TMR is their power consumption. The power consumed by a digital circuit is the sum of static and dynamic power. Static power depends on the technology in which the circuit is made. Mitigation circuits are not separate ICs, so a comparison in terms of static power makes no sense. The situation is different for dynamic power, which depends on the switching frequency of the digital circuit. The dynamic power P d y n of an n-vertex logic network can be expressed by (1):
P d y n = 1 2 V d d 2 f i = 1 n C i S W i
where V d d is the supply voltage of the digital circuit and f is the frequency of the clock signal. Additionally, this power depends on the product of the connection capacitance between the nodes of the logic network C i and the switching activity S W i . In the classical case, the vertices of the logic network are the individual gates, while in the case of FPGAs, they are the LUT blocks. The key parameter from the perspective of power reduction is the switching activity ( S W ). The switching activity S W i is related to the probability of ‘switching’ the considered ith node to the opposite state, i.e., the transition from 0 to 1 or the transition from 1 to 0. The switching activity can be expressed by (2):
S W i = 2 P x 1 P x
where P x is the probability of the variable x taking the value one. In the case of mapping in logic gates, knowing the probability at the inputs P x , one can determine the probability of the value one at their output P y ; for example, NOT: P y = 1 P x , two-input AND: P y = P a P b , two-input OR: P y = 1 1 P a 1 P b . Of course, such an analysis can be applied to more complex gate structures such as TMR voters. This means that for different voter designs, different S W values can be obtained depending on the logic structure, and similarly for the circuits connected to the voter inputs. This means that the dynamic power consumed for equivalent mitigation structures may differ. A circuit will be more efficient if it has a lower switching activity. It is naturally open to determine the value of P x for the individual inputs of the implemented circuits. As a rule, for the analysis, it is assumed that the probability of 0 appearing is the same as the probability of 1 appearing at the input P 1 = P 0 = P x = 0.5 . In the case of mapping the logic network in LUT blocks, such an analysis in terms of the SW would be very difficult to carry out. As a rule, FPGA manufacturers provide suitable simulators to estimate dynamic power. There are also academic tools to determine the power of ABC [46] or PowerdekBDD [2,3]. In such an analysis, care should be taken to ensure that the probabilities of 0 and 1 are the same for the inputs to a given mitigation structure. In this situation, a good solution may be to attach a clock signal of a certain frequency to the individual inputs, as shown in Figure 4.
Extremely important from the perspective of studying mitigation circuits using TMR is to assess their error-correction capability. Naturally, under simulation conditions, a TMR voter will perform as expected. This may be slightly different in a real hardware implementation, where the performance of the voter may depend on the dynamic properties of the implemented circuits. In the case of FPGAs, this verification will involve implementing the mitigation circuit under a test in a hardware-test environment implemented in an FPGA device.
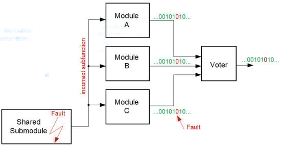
It is often the case that synthesis tools, in the process of optimising a circuit in terms of the number of blocks, realise the sharing of logic resources between selected logic functions. The common parts (the subfunction) of several selected functions are only realised once in a single shared subcircuit. Then, the result of this subfunction is delivered to the selected functions. From the point of view of reducing the number of logic blocks and power, this is an advantageous phenomenon (a given section of the circuit can be realised only once, rather than several times for the selected functions separately). Unfortunately, from the point of view of TMR mitigation, it is a very unfavourable phenomenon. The individual circuits attached to the voter should not have parts in common. Let us imagine a situation in which individual modules A, B and C have a part of the circuit in common, implementing a specific subfunction. If an error occurs in this part of the circuit, the error will be propagated through all three modules in exactly the same way. This means that the voter will not detect any differences in its inputs and will not correct the error. Such a case is shown in Figure 5. Thus, it can be seen that optimising the implementation in terms of the number of resources can, in some cases, lead to a degradation of the mitigation properties of the circuit.
A key component of the hardware-test environment is the error injector. Under normal operating conditions, the same signal is present on all inputs of the voter. In order to test the voter’s ability to correct an error, it is necessary to replace one of the input signals with an erroneous one (an error injection into the voter). In the general case, the error injector consists of two blocks: an error-sequence generator and an error selector, as shown in Figure 6.
In the simplest case, the selector can be implemented based on OR, AND or XOR gates. In the case of the OR function, the values for which the injector has generated a high state are blocked in the high state; in the case of the AND function, those for which the injector has generated a low state will be blocked in the low state. In the case of an XOR function, those values for which the injector has generated a high state are negated.
In the case of the error-sequence generator, two concepts can be distinguished: a concept in which the error is triggered at fixed cyclic and specified intervals, and a concept in which the error is triggered at random. The concept with randomness seems to better reflect SEU phenomena, which is why the authors focus on it later in this article.
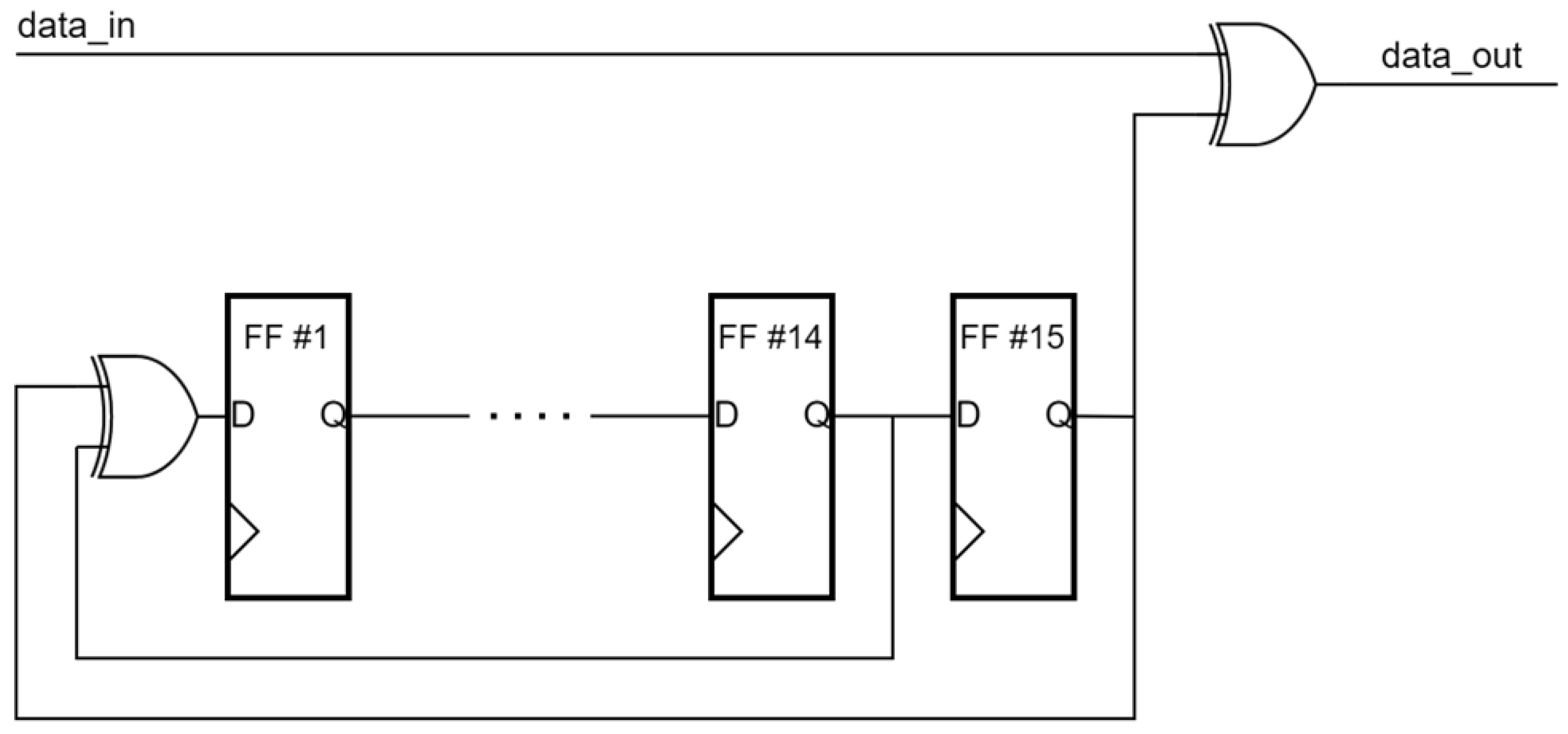
There are various forms and possibilities for building such an error-sequence generator. One solution may be to use a module that generates a Pseudo-Random Bit Sequence (PRBS). To generate the PRBS, a shift register with feedback implemented by an XOR-type logic gate is usually used. Each shift register is associated with some polynomial over a finite body. The maximum length is for shifting registers associated with primitive (non-decomposable) polynomials over the body. Such registers include the polynomial X 15 + X 14 + 1 , which is associated with the sequence denoted PRBS15. It uses a 15-bit ring register and involves 2 15 1 combinations (32,767 combinations). Since the polynomial is prime, the number of states includes all but zero. The micro-architecture of the error injector using the XOR function and the PRBS15 module is shown in Figure 7. When PRBS[15] returns a high state, the data bits are negated and thus an error is injected into the data stream.
An injection circuit built in this way provides a very high error rate because the distribution of zeros and ones is practically comparable in the output stream of the PRBS block (all possible states from the 15-bit space without the 0..00 state).
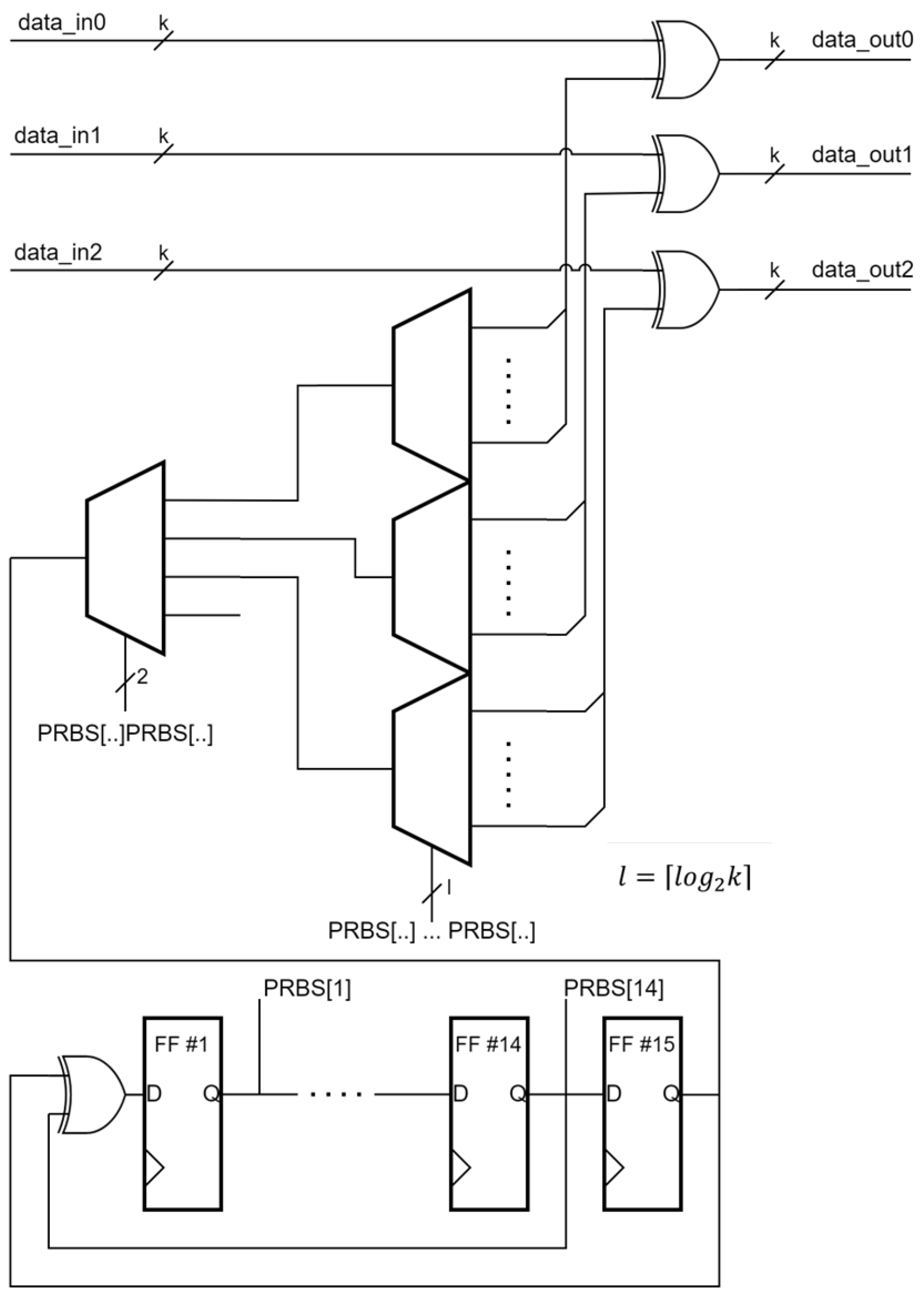
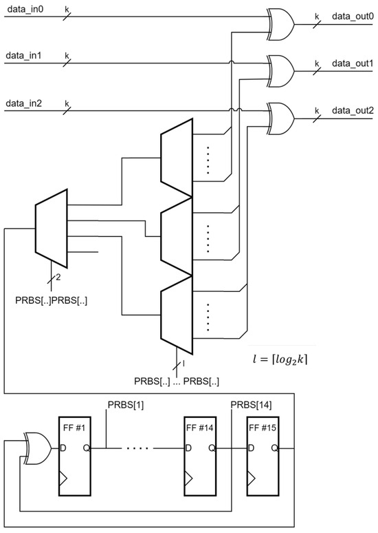
It is very common that a single voter input (the input channel) corresponds to an n-bit vector (bus) rather than a single bit. In this situation, the error injector should provide randomness when injecting an error with respect to both the channel and the bus bit. This type of operation is provided by the circuit shown in Figure 8. An input demultiplexer redirects a single PRBS15 stream to one of the channels, while a second layer of demultiplexers ensures that this stream is redirected to a specific bit on the k-bit bus. XOR gates ensure that the specified bit is negated, thus infecting the channel at that point in time. Such an architecture ensures that an error is injected into a randomly selected bit of a randomly selected channel. In this case, only one PRBS15 module is implemented, from whose output the stream for error injection is taken. Naturally, the demultiplexers are also controlled from individual registers (PRBS[1]-PRBS[15]). The error injector presented in Figure 8 ensures that a single error is injected into a randomly selected bit of a randomly selected channel.
The error injector is a key component of the hardware-test environment and can be used in the process of testing the correctness of the mitigation of a design using TMR, implemented in FPGAs. This concept is discussed in Section 4.

4. The Essence of Using a Hardware-Test Environment Based on an Error Injector to Test the Correctness of Design Mitigation

From a mitigation point of view, it is crucial to identify the circuit locations where TMR voters should be placed. It is extremely important to secure the memory elements appropriately. In the most elementary case, the individual registers can be triplicated as in Figure 9a. However, it must be remembered that the voter is then built into each set of registers. Although this kind of protection seems best, the disadvantage is the overhead resulting from the use of multiple voters. Therefore, in practical applications, triple modular redundancy is considered for the entire module performing a specific function, as shown in Figure 9b. This approach leads to a significant reduction in the number of voters required.
However, the question remains open as to how to test such a circuit, or more precisely, where to inject the errors. Well, attaching an error injector to the output of a module performing a specific function will have a different purpose than attaching an error injector to the input of such a circuit. In the former, it will be possible to analyse SEU-type error corrections, and in the latter also SEFI-type errors. This is because a change in the input state in the module can lead to a malfunction of this circuit (for example, the sequential automaton will go to the wrong state). At the same time, the individual modules of a given block subject to TMR may have different numbers of input and output ports. The error injector circuit will then be attached to each input and output, as shown in Figure 10.
The hardware-test environment with fault injection blocks shown in Figure 10 demonstrates the need for a flexible approach to testing. The FNCT block contains three modules (MODULE A, B and C). Each has a slightly different configuration of input and output ports: MODULE A has one input and two output ports, MODULE B has two input and one output and MODULE C has one input and one output. In the general case, the ports are multibit and the use of an error injector as in Figure 8 is appropriate here, with the injector module shown here broken down into three FNCT blocks. For example, MODULE A IN ERR_INJ at the input of MODULE A in FNCT block #0, FNCT #1 and FNCT #2 are one and the same injector enabling the generation of errors at the inputs of the individual modules. Of course, testing the correctness of the mitigation in the TMR circuit shown in Figure 10 only makes sense for injecting errors into one channel, i.e., into one of the three inputs. Secondly, as errors are injected at the input of a given module, errors are not injected at their output, in line with the very idea of TMR, which says that two misrepresentations are not corrected. In contrast, the testing of MODULE A, MODULE B and MODULE C can be carried out in parallel if there is no data flow between these modules, i.e., they perform functions independent of each other.
The error injector proposed by the authors was used in a mitigation study of the Quasar project carried out by KP Labs for the ESA (European Space Agency) [47]. This shows that the proposed solutions are scalable. This project uses an AMD Kintex UltraSacle+ FPGA device (XCKU035-2SFVA784I). The use of a device with such significant resources is necessary due to the need to implement a complex design (a radio channel for telemetry modules, telecommand, encryption, etc.). In general, in space missions, the implemented designs are most often so large that it is necessary to use FPGA devices with significant logical resources. Naturally, a TMR-based mitigation process is therefore often used for large-scale projects. The experimental section presents the results of mitigation in this project.

5. Experimental Results

A key element in assessing the effectiveness of a test-environment implementation is to evaluate that implementation in terms of the occupation of logic resources and the dynamic power consumption of the corresponding logic structures. The method of determining both the number of logic resources required and the dynamic power consumption boils down to synthesising appropriately described circuits in HDL languages (Verilog HDL) in selected synthesis tools. In this paper, both commercial tools (Vivado from AMD) and the academic ABC [46] were used for synthesis.
In order to carry out the experiments, it is necessary to identify the circuits that will be mitigated. A popular set of benchmarks [48] was chosen, which contains both combinational and sequential circuits. The individual benchmarks contain a description of the function in Verilog, which was subjected to an initial minimisation targeting multioutput function.
Before proceeding to the actual experiments, it is extremely important to determine the occupancy of the logical resources and to determine the dynamic power of a single voter. Various voter designs were considered (described in Section 2). After synthesis in the Vivado tool targeting seven-series FPGAs, as expected, each voter can be realised on a single LUT block regardless of the solutions presented in Section 2. Similarly, the dynamic power in each case was 0.086 W. Taking this into account, a classical voter design was used in further experiments in the mitigation circuits (Figure 3a).
The first series of experiments was carried out in the ABC academic system. The synthesis was targeted at LUT blocks with four inputs. We decided to choose blocks with as few inputs as possible in order to highlight the differences between the different series of experiments as clearly as possible. The approaches without mitigation (Bench. column) and with mitigation (Bench.+vot. column) were compared. The results for the combinatorial systems are summarised in Table 1 and for the sequential systems in Table 2.
In both tables, the first columns describe each benchmark: the name of the benchmark (Name), the number of inputs (IN), the number of outputs (OUT) and, in the case of sequential circuits, the number of internal FSM states (ST). For each series, the number of vertices of the logic network (nd) is specified. This number directly corresponds to the number of LUT blocks with four inputs. In addition, the switching activity value ( S W ), which is directly related to the dynamic power, was specified. The last row is the sum of the individual values, as shown as graphs in Figure 11.
Looking at the graphs in Figure 11a,b, it can be seen that the results obtained are practically the same regardless of whether triple redundancy was implemented or not. The expected result is a situation where the number of blocks and the dynamic power will be about three times higher in the approach where there is TMR (Bench.+Vot.) than for the approach without TMR (Bench.). Such a relationship can be observed for sequential systems. For the number of blocks (Figure 11c), the growth of the logic structure due to the implementation of TMR is 2.73 times. In the case of power, on the other hand, it is 2.71 times. Looking at combinational circuits, it can be seen that the expected redundancy was removed in the optimisation process during the synthesis process. In this situation, the question of methods for describing mitigating systems remains open. In the case of sequential circuits, the relationship between the number of blocks in the cases is less than three, indicating that the synthesis process was carried out in such a way that there must be resource sharing between the individual modules attached to the voter inputs. Given the nature of TMR, it is an open question whether this is a beneficial phenomenon. The S W relationship in Figure 11d directly reflects the relationship of the number of resources used, so it is difficult to speak of power optimisation.
Having analysed the effects of the implementation of the mitigation circuits, it is possible to move on to an analysis of the implementation of the test environment, of which the error injector (EI) is a major component. A comparison was made between the benchmarks given the mitigation (Bench.+Vot.) and the benchmarks to which the test environment containing the error injector (EI) was additionally added. Due to the complex description of the EI, the synthesis for both series was realised in the Vivado system for the logic blocks contained in the seven-series FPGAs. The results obtained are shown in Table 3 for the combinational circuits and Table 4 for the sequential circuits.
In both tables, the number of LUT blocks (LUT) was determined for each series. In addition, the dynamic power (Power) value is specified. The last row is the sum of the individual values, as shown as graphs in Figure 12.
Analysing the graphs in terms of the number of blocks used, it can be seen that for the considered set of benchmarks, the implementation of a test environment containing an error injector significantly increases the number of LUT blocks used (3.6 times for combinational circuits and almost 10 times for sequential circuits). However, it should be noted here that the benchmarks considered describe very small test circuits, so the relationships described are not entirely reliable for describing the implementation efficiency. It is worth noting that between 66 and 109 LUT blocks are required to implement the error injector, so the more complex the circuit, the lower the potential cost of EI implementation.
It is very interesting to compare the dynamic power in both cases (Figure 12b,d). Despite the significant growth of the logic structure in the case with the EI, the dynamic power increases only slightly (by 22% for combinational circuits and by 37% for sequential circuits). This indicates a good implementation efficiency of the test environment, even for small circuits.
Comparing the power consumption results between Bench. and Bench.+vot., it can be seen that the results obtained are practically the same. Minor differences are due to the nature of the synthesis tool in the placement and routing stages.
As written in the previous chapter, the proposed solutions were used in a project of considerable complexity (the Quasar project [47]). The synthesis targeting the XCKU035-2SFVA784I chip was realised in the Vivado tool (due to the support of the FPGA chip manufacturer, AMD). In this vendor’s devices, LUT blocks are grouped into more advanced CLB (Configurable Logic Block) cells, which can operate in well-defined configurations. In the first instance, synthesis was carried out without any mitigation. This led to the use of 113,347 LUT blocks, representing 55.80% of all blocks (corresponding to 26,027 complex CLB blocks (85.90%)). The described TMR mitigation was then carried out in the report of the encryption modules. This led to the use of 137761 LUT blocks, representing 67.82% of the total blocks (corresponding to 30,300 complex CLB blocks (99.49%)). It should be noted here that the system had to perform resynthesis several times for the synthesis to be successful. The bitstream was then generated and the FPGA device was programmed and tested using prototype DPU. This shows that the solutions proposed in this paper can be applied to practical applications of considerable complexity, which is crucial when designing devices aimed at space missions.

6. Conclusions

The aim of this paper was to demonstrate the efficiency of the implementation (measured by the number of logic resources used and dynamic power consumption) of the TMR mitigation circuit test environment. A novel element was the introduction of an ‘element of randomness’ into this environment through the use of the PRBS register in the error injectors. The testing performed revealed a number of observations.
The first observation is the issue of the synthesis of mitigation circuits. It is clear that the synthesis algorithms are focused on circuit optimisation, which, in extreme cases, can limit the robustness of the circuit to radiation errors (e.g., sharing logic resources). The second observation concerns the number of resources used by the error injector. It can be seen that in this case, it is inefficient to apply mitigation to small circuits. The last observation concerns dynamic power and shows that the implementation of the test environment does not significantly affect its consumption. All these observations lead to the conclusion that it is worthwhile to implement this environment provided that we have sufficient logic resources in the FPGA.
The efficient synthesis of mitigation circuits has proven to be of great importance. It is becoming necessary to develop algorithms that, on the one hand, provide suitably efficient logic structures and, on the other hand, do not degrade the mitigation properties of circuits. The authors plan to address the problem of mitigation-oriented synthesis in the future.

Author Contributions

Conceptualisation, M.K. and R.C.; methodology, M.K. and R.C.; software, M.K.; formal analysis, M.K. and R.C.; investigation, M.K. and R.C.; resources, M.K. and R.C.; data curation, M.K.; writing—original draft preparation, M.K. and R.C.; writing—review and editing, M.K. and R.C.; visualisation, M.K. and R.C.; supervision, M.K.; funding acquisition, M.K. and R.C. All authors have read and agreed to the published version of the manuscript.

Funding

This research was partially supported by European Space Agency (ESA Contract No. 4000132609/20/NL/FE), and by the Polish Ministry of Science and Higher Education funding for statutory activities.

Institutional Review Board Statement

Not applicable.

Informed Consent Statement

Not applicable.

Data Availability Statement

The original contributions presented in the study are included in the article, further inquiries can be directed to the corresponding author.

Acknowledgments

Thank you for the invitation from Academic editor.

Conflicts of Interest

Authors Marcin Kubica and Robert Czerwinski were employed by the company KP Labs. The remaining authors declare that the research was conducted in the absence of any commercial or financial relationships that could be construed as a potential conflict of interest.

Abbreviations

The following abbreviations are used in this manuscript:
AXIAdvanced eXtensible Interface
AXISAdvanced eXtensible Interface; Stream protocol
CMECoronal Mass Ejection
CPLDComplex Programmable Logic Device
CLBConfigurable Logic Block
ECCError Checking and Correction
ESAEuropean Space Agency
FPGAField Programmable Gate Arrays
HDLHardware Description Language
LUTLook-up Table
PALProgrammable Array Block
PRBSPseudo-Random Bit Sequence
SEBSingle-event burnout
SEESingle-Event Effect
SEFISingle-event function interrupts
SEGRSingle-event gate rupture
SELSingle-event latch-up
SETSingle-event transient
SEUSingle-event upset
SRAMStatic Random-Access Memory
TMRTriple modular redundancy

References

  1. Kubica, M.; Opara, A.; Kania, D. Logic Synthesis Strategy Oriented to Low Power Optimization. Appl. Sci. 2021, 11, 8797. [Google Scholar] [CrossRef]
  2. Opara, A.; Kubica, M.; Kania, D. Decomposition Approaches for Power Reduction. IEEE Access 2023, 11, 29417–29429. [Google Scholar] [CrossRef]
  3. Opara, A.; Kubica, M. Technology mapping of multi–output functions leading to the reduction of dynamic power consumption in FPGAs. Int. J. Appl. Math. Comput. Sci. 2023, 33, 267–284. [Google Scholar] [CrossRef]
  4. Chattopadhyay, S.; Yadav, P.; Singh, R. Multiplexer Targeted Finite State Machine Encoding for Area and Power Minimization. In Proceedings of the IEEE INDICON, India Annual Conference, Kharagpur, India, 20–22 December 2004. [Google Scholar]
  5. Kajstura, K.; Kania, D. Binary Tree-based Low Power State Assignment Algorithm. In Proceedings of the 12-th International Conference of Computational Methods in Science and Engineering, ICCMSE 2016, Athens, Grece, 17–20 March 2016. [Google Scholar]
  6. Barkalov, A.; Titarenko, L.; Chmielewski, S. Improving characteristics of LUT-based Moore FSMs. IEEE Access 2020, 8, 155306–155318. [Google Scholar] [CrossRef]
  7. Barkalov, A.; Titarenko, L.; Mielcarek, K. Improving characteristic of LUT-based Mealy FSMs. Int. J. Appl. Math. Comput. Sci. 2020, 30, 745–759. [Google Scholar] [CrossRef]
  8. Kubica, M.; Opara, A.; Kania, D. Technology Mapping for LUT-Based FPGA; Springer: Berlin/Heidelberg, Germany, 2021. [Google Scholar]
  9. Cheng, L.; Chen, D.; Wong, M.D.F. DDBDD: Delay-Driven BDD Synthesis for FPGAs. In Proceedings of the 44th ACM/IEEE Design Automation Conference, Athens, Grece, 4–8 June 2007; pp. 910–915. [Google Scholar]
  10. Berg, M. Field Programmable Gate Array (FPGA) Single Event Effect (SEE) Radiation Testing; Technical Report; MEI Technologies in Support of NASA/Goddard Space Flight Center; NASA: Washington, DC, USA, 2012.
  11. Hall, F. Fault Tolerant Design Implementation on Radiation Hardened by Design SRAM-Based FPGAs. Master’s Thesis, Massachusetts Institute of Technology, Cambridge, MA, USA, 2013. Available online: https://dspace.mit.edu/handle/1721.1/82490 (accessed on 18 September 2024).
  12. Baumann, R.; Kruckmeyer, K. Radiation Handbook for Electronics; Texas Instruments: Dallas, TX, USA, 2020. [Google Scholar]
  13. White, D. Considerations Surrounding Single Event Effects in FPGAs, ASICs, and Processors, v1.0.1 ed.; Xilinx Inc.: San Jose, CA, USA, 2012. [Google Scholar]
  14. Adell, P.; Allen, G. Assessing and Mitigating Radiation Effects in Xilinx FPGAs; Technical Report; Jet Propulsion Laboratory 08-9 2/08; Jet Propulsion Laboratory: La Cañada Flintridge, CA, USA, 2008. [Google Scholar]
  15. Actel. Radiation-Tolerant ProASIC3 FPGAs Radiation Effects; Actel: Aliso Viejo, CA, USA, 2010. [Google Scholar]
  16. Benelli, G.; Giuffrida, G.; Ciardi, R.; Davalle, D.; Todaro, G.; Fanucci, L. GPU@SAT, the AI enabling ecosystem for on-board satellite applications. In Proceedings of the 2023 European Data Handling & Data Processing Conference (EDHPC), Juan Les Pins, France, 2–6 October 2023; pp. 1–4. [Google Scholar] [CrossRef]
  17. Coca, M.; Datcu, M. FPGA Accelerator for Meta-Recognition Anomaly Detection: Case of Burned Area Detection. IEEE J. Sel. Top. Appl. Earth Obs. Remote. Sens. 2023, 16, 5247–5259. [Google Scholar] [CrossRef]
  18. Shendy, R.; Nalepa, J. Few-shot satellite image classification for bringing deep learning on board OPS-SAT. Expert Syst. Appl. 2024, 251, 123984. [Google Scholar] [CrossRef]
  19. Miroszewski, A.; Mielczarek, J.; Czelusta, G.; Szczepanek, F.; Grabowski, B.; Le Saux, B.; Nalepa, J. Detecting Clouds in Multispectral Satellite Images Using Quantum-Kernel Support Vector Machines. IEEE J. Sel. Top. Appl. Earth Obs. Remote. Sens. 2023, 16, 7601–7613. [Google Scholar] [CrossRef]
  20. Wijata, A.M.; Foulon, M.F.; Bobichon, Y.; Vitulli, R.; Celesti, M.; Camarero, R.; Di Cosimo, G.; Gascon, F.; Longépé, N.; Nieke, J.; et al. Taking Artificial Intelligence Into Space Through Objective Selection of Hyperspectral Earth Observation Applications: To bring the “brain” close to the “eyes” of satellite missions. IEEE Geosci. Remote. Sens. Mag. 2023, 11, 10–39. [Google Scholar] [CrossRef]
  21. Zheng, S.; You, H.; He, G.; Wang, Q.; Si, T.; Jiang, J.; Jin, J.; Jing, N. A Rapid Scrubbing Technique for SEU Mitigation on SRAM-Based FPGAs. In Proceedings of the IEEE International Symposium on Circuits and Systems (ISCAS), Sapporo, Japan, 26–29 May 2019; pp. 1–5. [Google Scholar] [CrossRef]
  22. Kumar, M.; Digdarsini, D.; Misra, N.; Ram, T.V.S. SEU mitigation of Rad-Tolerant Xilinx FPGA using external scrubbing for geostationary mission. In Proceedings of the 4th International Conference on Signal Processing and Integrated Networks (SPIN), Noida, India, 2–3 February 2017; pp. 414–418. [Google Scholar] [CrossRef]
  23. Ruano, Ó.; García-Herrero, F.; Aranda, L.; Sánchez-Macián, A.; Rodriguez, L.; Maestro, J. Fault Injection Emulation for Systems in FPGAs: Tools, Techniques and Methodology, a Tutorial. Sensors 2021, 21, 1392. [Google Scholar] [CrossRef] [PubMed]
  24. He, W.; Wang, Y.; Xing, K.; Chen, L. SEU readback interval strategy of SRAM-based FPGA for space application. In Proceedings of the IEEE International Conference on Computer Science and Automation Engineering, Shanghai, China, 10–12 June 2011; pp. 238–241. [Google Scholar] [CrossRef]
  25. Alacchi, A.; Giacomin, E.; Temple, S.; Gauchi, R.; Wirthlin, M.; Gaillardon, P. Low Latency SEU Detection in FPGA CRAM With In-Memory ECC Checking. IEEE Trans. Circuits Syst. I Regul. Pap. 2023, 70, 2028–2036. [Google Scholar] [CrossRef]
  26. Hamming, R.W. Error detecting and error correcting codes. Bell Syst. Tech. J. 1950, 29, 147–160. [Google Scholar] [CrossRef]
  27. Reed, I.S.; Solomon, G. Polynomial Codes Over Certain Finite Fields. J. Soc. Ind. Appl. Math. 1960, 8, 300–304. [Google Scholar] [CrossRef]
  28. Mahmoud, D.G.; Alkady, G.I.; Amer, H.H.; Daoud, R.M.; Adly, I.; Essam, Y.; Ismail, H.A.; Sorour, K.N. Fault secure FPGA-based TMR voter. In Proceedings of the 7th Mediterranean Conference on Embedded Computing (MECO), Budva, Montenegro, 10–14 June 2018; pp. 1–4. [Google Scholar] [CrossRef]
  29. Benites, L.A.C.; Kastensmidt, F.L. Automated design flow for applying Triple Modular Redundancy (TMR) in complex digital circuits. In Proceedings of the IEEE 19th Latin-American Test Symposium (LATS), Sao Paulo, Brazil, 12–14 March 2018; pp. 1–4. [Google Scholar] [CrossRef]
  30. Tan, C.; Li, Y.; Cheng, X.; Han, J.; Zeng, X. General Efficient TMR for Combinational Circuit Hardening Against Soft Errors and Improved Multi-Objective Optimization Framework. IEEE Trans. Circuits Syst. I Regul. Pap. 2021, 68, 3044–3057. [Google Scholar] [CrossRef]
  31. Ruano, O.; Maestro, J.A.; Reviriego, P. Validation and optimization of TMR protections for circuits in radiation environments. In Proceedings of the 14th IEEE International Symposium on Design and Diagnostics of Electronic Circuits and Systems, Cottbus, Germany, 13–15 April 2011; pp. 399–400. [Google Scholar] [CrossRef]
  32. Wilson, A.E.; Wirthlin, M.; Baker, N.G. Neutron Radiation Testing of RISC-V TMR Soft Processors on SRAM-Based FPGAs. IEEE Trans. Nucl. Sci. 2021, 70, 603–610. [Google Scholar] [CrossRef]
  33. Liu, J.; Li, X.; Zhang, J.; Li, J. An Area-Efficient Design of Enhanced Space-Time Redundant DFF (IEST_TMR DFF). In Proceedings of the 7th International Conference on Computer and Communication Systems (ICCCS), Wuhan, China, 22–25 April 2022; pp. 721–726. [Google Scholar] [CrossRef]
  34. Gomes, I.A.C.; Martins, M.; Reis, A.; Kastensmidt, F.L. Using only redundant modules with approximate logic to reduce drastically area overhead in TMR. In Proceedings of the 16th Latin-American Test Symposium (LATS), Puerto Vallarta, Mexico, 25–27 March 2015; pp. 1–6. [Google Scholar] [CrossRef]
  35. Hamamatsu, M.; Tsuchiya, T.; Kikuno, T. Finding the Optimal Configuration of a Cascading TMR System. In Proceedings of the 2008 14th IEEE Pacific Rim International Symposium on Dependable Computing, Taipei, Taiwan, 15–17 December 2008; pp. 349–350. [Google Scholar] [CrossRef]
  36. Deepa, M.; Augusta Sophy Beulet, P. An Improvised Voter Architecture For TMR With Reduced Area Overhead. In Proceedings of the 2022 Third International Conference on Intelligent Computing Instrumentation and Control Technologies (ICICICT), Kannur, India, 11–12 August 2022; pp. 1001–1007. [Google Scholar] [CrossRef]
  37. Wang, J. Radiation effects in FPGAs. In Proceedings of the 9th Workshop on Electronics for LHC Experiments, Amsterdam, The Netherlands, 29 September–3 October 2003; pp. 34–43. [Google Scholar] [CrossRef]
  38. Kshirsagar, R.; Patrikar, R. Design of a novel fault-tolerant voter circuit for TMR implementation to improve reliability in digital circuits. Microelectron. Reliab. 2009, 49, 1573–1577. [Google Scholar] [CrossRef]
  39. Ban, T.; de Barros Naviner, L.A. A simple fault-tolerant digital voter circuit in TMR nanoarchitectures. In Proceedings of the 8th IEEE International NEWCAS Conference 2010, Montreal, QC, Canada, 20–23 June 2010; pp. 269–272. [Google Scholar] [CrossRef]
  40. Balasubramanian, P.; Prasad, K. A Fault Tolerance Improved Majority Voter for TMR System Architectures. arXiv 2017, arXiv:1605.03771. [Google Scholar]
  41. Kubica, M.; Kania, D.; Kulisz, J. A Technology Mapping of FSMs Based on a Graph of Excitations and Outputs. IEEE Access 2019, 7, 16123–16131. [Google Scholar] [CrossRef]
  42. Kubica, M.; Kania, D. Graph of Outputs in the Process of Synthesis Directed at CPLDs. Mathematics 2019, 7, 1171. [Google Scholar] [CrossRef]
  43. AMD. Triple Modular Redundancy (TMR) v1.0 LogiCORE IP Product Guide (PG268); AMD: Santa Clara, CA, USA, 2022. [Google Scholar]
  44. INTEL. Intel Agilex® 7 SEU Mitigation User Guide, UG-20253; INTEL: Santa Clara, CA, USA, 2024. [Google Scholar]
  45. White, M.A. An Automated Method for Adding Resiliency to Mission-Critical SoC Designs; SYNOPSYS White Paper; SYNOPSYS: Sunnyvale, CA, USA, 2023. [Google Scholar]
  46. Berkeley Logic Synthesis Group. ABC: A System for Sequential Synthesis and Verification; Berkeley Logic Synthesis Group: Berkeley, CA, USA, 2005. [Google Scholar]
  47. KP Labs. QUAntum-SAfe Reprogrammability of Critical Avionics Functions. Available online: https://kplabs.space/quasar/ (accessed on 18 September 2024).
  48. Collaborative Benchmarking and Experimental Algorythmics Laboratory; LGSynth93 Benchmarks; NC State University: Raleigh, NC, USA, 2008.
Figure 1. Impact of SEUs on configuration memory.
Figure 1. Impact of SEUs on configuration memory.
Applsci 14 08604 g001
Figure 2. The idea of TMR operation.
Figure 2. The idea of TMR operation.
Applsci 14 08604 g002
Figure 3. Examples of voter constructions: classical voter (a), Kshirsagar voter (b), Ban and Naviner voter (c), Balasubramanian voter (d) or Mux-based voter (e).
Figure 3. Examples of voter constructions: classical voter (a), Kshirsagar voter (b), Ban and Naviner voter (c), Balasubramanian voter (d) or Mux-based voter (e).
Applsci 14 08604 g003
Figure 4. Connecting input signals to the voter to determine dynamic power.
Figure 4. Connecting input signals to the voter to determine dynamic power.
Applsci 14 08604 g004
Figure 5. Impact of resource sharing on the mitigation properties of TMR.
Figure 5. Impact of resource sharing on the mitigation properties of TMR.
Applsci 14 08604 g005
Figure 6. Block diagram of the error injector.
Figure 6. Block diagram of the error injector.
Applsci 14 08604 g006
Figure 7. Micro-architecture of a fault injector module using PRBS for a single channel.
Figure 7. Micro-architecture of a fault injector module using PRBS for a single channel.
Applsci 14 08604 g007
Figure 8. Micro-architecture of the error injector module for buses.
Figure 8. Micro-architecture of the error injector module for buses.
Applsci 14 08604 g008
Figure 9. Triple modular redundancy system: applied to registers (a) and applied to modules performing a specific function (b).
Figure 9. Triple modular redundancy system: applied to registers (a) and applied to modules performing a specific function (b).
Applsci 14 08604 g009
Figure 10. Triple modular redundancy system applied to modules performing a specific function.
Figure 10. Triple modular redundancy system applied to modules performing a specific function.
Applsci 14 08604 g010
Figure 11. Summary results of the synthesis in ABC: for combinational circuits, number of logic network vertices (a) and S W value (b); for sequential circuits, number of logic network vertices (c) and S W value (d).
Figure 11. Summary results of the synthesis in ABC: for combinational circuits, number of logic network vertices (a) and S W value (b); for sequential circuits, number of logic network vertices (c) and S W value (d).
Applsci 14 08604 g011
Figure 12. Summary results of synthesis in Vivado: for combinational circuits, number of LUT blocks (a) and dynamic power value (b); for sequential circuits, number of LUT blocks (c) and dynamic power value (d).
Figure 12. Summary results of synthesis in Vivado: for combinational circuits, number of LUT blocks (a) and dynamic power value (b); for sequential circuits, number of LUT blocks (c) and dynamic power value (d).
Applsci 14 08604 g012
Table 1. Results of the synthesis of combinatorial circuits in the ABC system.
Table 1. Results of the synthesis of combinatorial circuits in the ABC system.
Bench.Bench.+vot.
NameINOUTndSWndSW
9sym9111848.4711846.99
alu21084318.624319.59
alu4148756251.86759253
b121592612.182611.65
clip9515657.3916259.56
cm162a145136.79136.57
cm163a165136.31135.98
cm85a113146.85146.55
con17252.9752.91
ex10101010748219.01751227.31
f51m885525.385524.85
rd53532110.812110.49
rd737367277628.72
rd848427293.0226889.72
sao21048029.598229.35
sqrt8842611.242210.39
t4811617223.527222.6
x2107187.57187.65
xor55121.2821.2
Sum2505859.862520865.08
Table 2. Results of the synthesis of sequential circuits in the ABC system.
Table 2. Results of the synthesis of sequential circuits in the ABC system.
Bench.Bench.+vot.
NameINOUTSTndSWndSW
bbtas22663.22158.47
beecount347186.485319.77
dk143574028.2311878.04
dk153542615.37746.67
keyb721012441.0131396.9
lion21431.13103.79
lion921951.77166.29
mc35484.542314.03
train4211131.4684.41
train11214174.765014.39
Sum250107.90683292.76
Table 3. Results of the synthesis of combinatorial circuits in the Vivado system.
Table 3. Results of the synthesis of combinatorial circuits in the Vivado system.
Bench.Bench.+vot.Bench.+vot.+El
NameINOUTLUTPOWERLUTPOWERLUTPOWER
9sym9160.44160.442730.851
alu2108142.703142.7021033.26
alu41482865.9782865.9783736.493
b12159142.29132.3051102.817
clip95202.924273.0831103.547
cm162a14571.43571.433911.944
cm163a16571.35171.349931.85
cm85a11360.79360.793811.29
con17220.79920.799741.236
ex101010101708.111708.1212798.95
f51m88103.925103.923994.487
inc79102.963102.9631053.533
rd535321.49121.491771.946
rd737361.95361.953812.423
rd8484112.11112.115942.578
sao2104301.182341.2511101.667
sqrt88461.53661.535872.025
t48116150.72150.721721.135
x210781.67181.639942.146
xor55110.77610.776681.191
Sum62145.15263145.372227455.369
Table 4. Results of the synthesis of sequential circuits in the Vivado system.
Table 4. Results of the synthesis of sequential circuits in the Vivado system.
Bench.Bench.+vot.Bench.+vot.+El
NameINOUTSTLUTPOWERLUTPOWERLUTPOWER
bbtas22630.47330.467740.878
beecount34771.07471.072881.546
dk1435772.88572.89913.383
dk1535442.47542.475882.985
keyb7210480.774480.7741211.207
lion21420.24520.245690.636
lion921920.26520.265690.636
mc35442.48142.481862.775
train11211140.26540.263710.662
train421420.18320.183680.567
Sum8311.128311.11582515.275
Disclaimer/Publisher’s Note: The statements, opinions and data contained in all publications are solely those of the individual author(s) and contributor(s) and not of MDPI and/or the editor(s). MDPI and/or the editor(s) disclaim responsibility for any injury to people or property resulting from any ideas, methods, instructions or products referred to in the content.

Share and Cite

MDPI and ACS Style

Kubica, M.; Czerwinski, R. Performance Testing of the Triple Modular Redundancy Mitigation Circuit Test Environment Implementation in Field Programmable Gate Array Structures. Appl. Sci. 2024, 14, 8604. https://doi.org/10.3390/app14198604

AMA Style

Kubica M, Czerwinski R. Performance Testing of the Triple Modular Redundancy Mitigation Circuit Test Environment Implementation in Field Programmable Gate Array Structures. Applied Sciences. 2024; 14(19):8604. https://doi.org/10.3390/app14198604

Chicago/Turabian Style

Kubica, Marcin, and Robert Czerwinski. 2024. "Performance Testing of the Triple Modular Redundancy Mitigation Circuit Test Environment Implementation in Field Programmable Gate Array Structures" Applied Sciences 14, no. 19: 8604. https://doi.org/10.3390/app14198604

APA Style

Kubica, M., & Czerwinski, R. (2024). Performance Testing of the Triple Modular Redundancy Mitigation Circuit Test Environment Implementation in Field Programmable Gate Array Structures. Applied Sciences, 14(19), 8604. https://doi.org/10.3390/app14198604

Note that from the first issue of 2016, this journal uses article numbers instead of page numbers. See further details here.

Article Metrics

Back to TopTop