Effects of the Sedimentary Environment on Organic-Rich Shale in the Intracratonic Sag of the Sichuan Basin, China
Abstract
1. Introduction
2. Geological Setting
3. Samples and Experimental Methods
3.1. Samples Collection
3.2. Total Organic Carbon Experiment
3.3. X-ray Diffraction Experiment
3.4. Major Elements
3.5. Trace Elements
3.6. Rare Earth Elements
4. Results
4.1. Petrological Characteristics
4.2. Characteristics of Organic Matter
4.3. Characteristics of Mineral Composition
4.4. Major and Trace Elements
4.5. Characterization of Rare Earth Elements
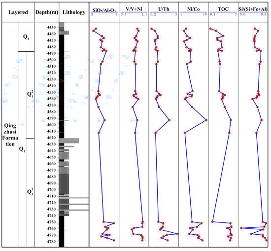
5. Discussion
5.1. Total Organic Carbon and Organic Matter
5.2. Sediment Source
5.3. Siliceous Source
5.4. Paleowater Depth
5.5. Paleo-Redox Conditions
5.6. Paleoproductivity
5.7. Organic Matter Enrichment Model
6. Conclusions
- (1)
- The sedimentary source of the Qiongzhusi formation shale is terrigenous, with the sediment mainly derived from sedimentary rocks and granite. Its sedimentary environment transitions from a continental margin to a deep-sea environment. The shale is characterized by abundant silicates and traces of carbonate minerals, and the siliceous components are primarily of biogenic origin. During the deposition of the Qiongzhusi formation, a sedimentary environment dominated by shallow to deep water continental shelves gradually formed. The Qiongzhusi formation shale exhibits a trend of decreasing water depth from bottom to top.
- (2)
- The lower section of the Qiongzhusi formation was deposited in an anoxic and sulfidic environment, gradually transitioning upwards to a hypoxic and weakly oxidizing environment. Within the rift basin located in the deep water continental shelf area, well Z201 exhibits a high overall paleoproductivity level, providing a favorable basis for the development and enrichment of shale gas.
Author Contributions
Funding
Institutional Review Board Statement
Informed Consent Statement
Data Availability Statement
Conflicts of Interest
References
- Cokar, M.; Ford, B.; Kallos, M.S.; Gates, I.D. New gas material balance to quantify biogenic gas generation rates from shallow organic-matter-rich shales. Fuel 2013, 104, 443–451. [Google Scholar] [CrossRef]
- Xiong, Y.; Zhang, L.; Chen, Y.; Wang, X.T.; Li, Y.; Wei, M.M.; Jiang, W.M.; Lei, R. The origin and evolution of thermogenic gases in organic-rich marine shales. J. Pet. Sci. Eng. 2016, 143, 8–13. [Google Scholar] [CrossRef]
- Jiang, Z.; Zhang, W.; Liang, C.; Wang, Y.S.; Liu, H.M.; Chen, X. Basic characteristics and evaluation of shale oil reservoirs. Pet. Res. 2016, 1, 149–163. [Google Scholar] [CrossRef]
- Miao, H.; Jiang, Z.; Tang, X.; Wu, W.; Wang, G.Z.; Wu, Q.Z.; Fan, W.L.; Zheng, H.Y. Strata Uplift Controlled Deep Shale Gas Accumulation Modes: A Case Study from the Weiyuan Block, Sichuan Basin. Energy Fuels 2023, 37, 12889–12904. [Google Scholar] [CrossRef]
- Zhang, Z.; Guo, Y.; Zhao, D.; Zhang, J.M.; Zeng, C.L.; Li, Y. Control Model of Organic Shale Enrichment by Terrigenous Weathering in Wufeng Formation–Longmaxi Formation, Southeast Sichuan, China. Minerals 2023, 13, 761. [Google Scholar] [CrossRef]
- Liu, S.; Deng, B.; Jansa, L.; Zhong, Y.; Sun, W.; Song, J.; Wang, G.; Wu, J.; Li, Z.; Tian, Y. The Early Cambrian Mianyang-Changning intracratonic sag and its control on petroleum accumulation in the Sichuan Basin, China. Geofluids 2017, 2017, 6740892. [Google Scholar] [CrossRef]
- Wang, Y.; Cheng, X.; Fan, K.; Li, Z.Y.; Li, S.; Lv, Z.X.; Ni, S.J.; Fang, J.; Tang, S.; Yang, Y.W. The Paleoenvironment and Mechanisms of Organic Matter Enrichment of Shale in the Permian Taiyuan and Shanxi Formations in the Southern North China Basin. J. Mar. Sci. Eng. 2023, 11, 992. [Google Scholar] [CrossRef]
- Cichon-Pupienis, A.; Littke, R.; Lazauskienė, J.; Baniasad, A.; Pupienis, D.; Radzevičius, S.; Šiliauskas, L. Geochemical and sedimentary facies study–Implication for driving mechanisms of organic matter enrichment in the lower Silurian fine-grained mudstones in the Baltic Basin (W Lithuania). Int. J. Coal Geol. 2021, 244, 103815. [Google Scholar] [CrossRef]
- Liu, S.; Li, Z.; Sun, W.; Deng, B.; Luo, Z.; Wang, G.; Yong, Z.; Huang, W. Basic geological features of superimposed basin and hydrocarbon accumulation in Sichuan Basin, China. Chin. J. Geol. 2011, 46, 233–257. [Google Scholar]
- Tian, X.; Liu, G.; Luo, B.; Yang, Y.; Wen, L.; Zhang, B.; Chen, X.; Su, G.; Song, Z.; Peng, H.; et al. Structural Characteristics and their Significance for Hydrocarbon Accumulation in the Northern Slope of the Central Sichuan Paleo-uplift. Acta Geol. Sin.-Engl. Ed. 2022, 96, 1451–1470. [Google Scholar] [CrossRef]
- Wang, Z.; Zhao, W.; Hu, S.; Xu, A.; Jiang, Q.; Jiang, H.; Huang, S.; Li, Q. Control of tectonic differentiation on the formation of large oil and gas fields in craton basins: A case study of Sinian–Triassic of the Sichuan Basin. Nat. Gas Ind. B 2017, 4, 141–155. [Google Scholar] [CrossRef]
- Xia, G.; Ye, Y.; Liu, S.; Wang, H.; Song, J.; Sun, W.; Ran, B.; Jiao, K.; Xie, G.; Deng, B.; et al. Paleoenvironmental evolution and organic matter accumulation of the lower Cambrian Maidiping marine black shales in the intracratonic basin, western margin of Sichuan Basin, South China. Int. Geol. Rev. 2024, 66, 2249–2268. [Google Scholar] [CrossRef]
- Zhao, J.; Jin, Z.; Hu, Q.; Liu, K.; Liu, G.; Gao, B.; Liu, Z.; Zhang, Y.; Wang, R. Geological controls on the accumulation of shale gas: A case study of the early Cambrian shale in the Upper Yangtze area. Mar. Pet. Geol. 2019, 107, 423–437. [Google Scholar] [CrossRef]
- Zeng, P.; Guo, T. Enrichment of shale gas in different strata in Sichuan Basin and its periphery—The examples of the Cambrian Qiongzhusi Formation and the Silurian Longmaxi Formation. Energy Explor. Exploit. 2015, 33, 277–298. [Google Scholar] [CrossRef]
- Gu, Z.; Lonergan, L.; Zhai, X.; Zhang, B.; Lu, W. The formation of the Sichuan Basin, South China, during the late Ediacaran to early Cambrian. Basin Res. 2021, 33, 2328–2357. [Google Scholar] [CrossRef]
- Peng, Y.; Guo, S.; Zhai, G.; Shi, D.S.; Chen, R. Determination of critical parameters for evaluating coal measure shale gas in China. Mar. Pet. Geol. 2019, 109, 732–739. [Google Scholar] [CrossRef]
- Tuo, J.; Wu, C.; Zhang, M. Organic matter properties and shale gas potential of Paleozoic shales in Sichuan Basin, China. J. Nat. Gas Sci. Eng. 2016, 28, 434–446. [Google Scholar] [CrossRef]
- Liu, S.; Yang, Y.; Deng, B.; Zhong, Y.; Wen, L.; Sun, W.; Li, Z.W.; Jansu, L.B.; Li, J.X.; Song, J.M.; et al. Tectonic evolution of the Sichuan basin, southwest China. Earth-Sci. Rev. 2021, 213, 103470. [Google Scholar] [CrossRef]
- Zeng, H.; He, W.; Yang, L.; Su, J.Z.; Meng, X.L.; Cen, X.Q.; Guo, W. Evolution of Biomarker Maturity Parameters and Feedback to the Pyrolysis Process for In Situ Conversion of Nongan Oil Shale in Songliao Basin. Energies 2022, 15, 3715. [Google Scholar] [CrossRef]
- Allegre, C.T. Quantitative modes of trace planet. Earth Plant. Sci. Lett. 1978, 38, 1–25. [Google Scholar]
- Babeesh, C.; Lone, A.; Achyuthan, H. Geochemistry of Manasbal lake sediments, Kashmir: Weathering, provenance and tectonic setting. J. Geol. Soc. India 2017, 89, 563–572. [Google Scholar] [CrossRef]
- Murray, R.W. Rare earth elements as indicators of different marine depositional environment in chert and shale. Geology 1990, 18, 268–271. [Google Scholar] [CrossRef]
- Miao, H.; Guo, J.; Wang, Y.; Jiang, Z.; Zhang, C.; Li, C. Mineralogical and elemental geochemical characteristics of Taodonggou Group mudstone in the Taibei Sag, Turpan–Hami Basin: Implication for its formation mechanism. Solid Earth 2023, 14, 1031–1052. [Google Scholar] [CrossRef]
- Jewell, P.W.; Stallard, R.F. Geochemistry and paleoceanographic setting of central Nevada bedded barites. J. Geol. 1991, 99, 151–170. [Google Scholar] [CrossRef]
- Rangin, C.; Steinberg, M.; Bonnot-Courtois, C. Geochemistry of the Mesozoic bedded chert of Central Baja California (Vizcano-Cedros-San Benito): Implications for Paleogeographic reconstruction of an old oceanic basin. Earth Planet. Sci. Lett. 1981, 54, 313–322. [Google Scholar] [CrossRef]
- Wang, M.; Qing, Y.; Liao, Z.; Li, Y.; Li, S.; Lv, Z.; Ni, S.; Fang, J.; Tang, S.; Yang, Y. Reconstruction of paleoenvironment and paleoclimate of the Neogene Guantao Formation in the Liaodong Sub-Uplift of Bohai Bay Basin in China by sedimentary geochemistry methods. Water 2022, 14, 3915. [Google Scholar] [CrossRef]
- Calvert, S.E.; Pedersen, T.F. Chapter fourteen elemental proxies for palaeoclimatic and palaeoceanographic variability in marine sediments: Interpretation and application. Dev. Mar. Geol. 2007, 1, 567–644. [Google Scholar]
- Francois, R.A. study on the regulation of the concentrations of some trace metals (Rb, Sr, Zn, Pb, Cu, V, Cr, Ni, Mn and Mo) in Saanich Inlet sediments, British Columbia, Canada. Mar. Geol. 1988, 83, 285–308. [Google Scholar] [CrossRef]
- Hatch, J.R.; Leventhal, J.S. Relationship between inferred redox potential of the depositional environment and geochemistry of the Upper Pennsylvanian (Missourian) stark shale member of the Dennis Limestone, Wabaunsee County, Kansas, USA. Chem. Geol. 1992, 99, 65–82. [Google Scholar] [CrossRef]
- Wang, S.; Dong, D.; Wang, Y.; Li, X.; Huang, J.; Guan, Q. Sedimentary geochemical proxies for paleoenvironment interpretation of organic-rich shale: A case study of the Lower Silurian Longmaxi Formation, Southern Sichuan Basin, China. J. Nat. Gas Sci. Eng. 2016, 28, 691–699. [Google Scholar] [CrossRef]
- Miao, H.; Jiang, Z.; Tang, X.; Deng, Z.; Zhang, C.J.; Liang, Z.K.; Shi, Y.G. Hydrocarbon generation potential and organic matter accumulation patterns in organic-rich shale during the mesoproterozoic oxygenation event: Evidence from the Xiamaling formation shale. Geomech. Geophys. Geo-Energ. Geo-Resour. 2023, 9, 134. [Google Scholar] [CrossRef]
- Lu, Y.; Jiang, S.; Lu, Y.; Xu, S.; Shu, Y.; Wang, Y. Productivity or preservation? The factors controlling the organic matter accumulation in the late Katian through Hirnantian Wufeng organic-rich shale, South China. Mar. Pet. Geol. 2019, 109, 22–35. [Google Scholar] [CrossRef]
- Tao, H.; Qiu, Z.; Ji, H.; Qiu, J.; Allen, M.B. An integrated approach to understanding the depositional environment and organic matter enrichment factor in Carboniferous source rocks, Junggar Basin, NW China. Geol. J. 2020, 55, 31–43. [Google Scholar] [CrossRef]
- Yin, H.F.; Xie, S.C.; Yan, J.X.; Hu, C.Y.; Huang, J.H.; Tenger Qie, W.K.; Qiu, X. Geobiological approach to evaluating marine carbonate source rocks of hydrocarbon. Sci. China Earth Sci. 2011, 41, 895–909. [Google Scholar] [CrossRef]
- Francois, R.; Honjo, S.; Manganini, S.J.; Ravizza, G.E. Biogenic barium fluxes to the deep sea: Implications for paleoproductivity reconstruction. Glob. Biogeochem. Cycles 1995, 9, 289–303. [Google Scholar] [CrossRef]












| Sample Number | Depth/m | Interval | S0/mg·g−1 | S1/mg·g−1 | S2/mg·g−1 | Tmax/°C | TOC/% |
|---|---|---|---|---|---|---|---|
| Z1 | 4451.74 | Q2 | 0.016 | 0.16 | 0.25 | 380.38 | 0.28 |
| Z2 | 4455.09 | Q2 | 0.01 | 0.12 | 0.19 | 368.63 | 0.84 |
| Z3 | 4463.15 | Q2 | 0.017 | 0.63 | 0.47 | 388.88 | 1.55 |
| Z4 | 4466.28 | Q2 | 0.018 | 0.89 | 0.61 | 394.63 | 0.95 |
| Z5 | 4469.09 | Q2 | 0.018 | 1.32 | 0.86 | 393.25 | 0.98 |
| Z6 | 4471.31 | Q2 | 0.004 | 1.11 | 0.88 | 396.50 | 1.31 |
| Z7 | 4480.52 | Q2 | 0.008 | 2.07 | 1.39 | 403.13 | 1.42 |
| Z8 | 4483.91 | Q2 | 0.009 | 3.66 | 2.31 | 416.00 | 1.08 |
| Z9 | 4485.82 | Q2 | 0.007 | 2.69 | 1.80 | 406.50 | 1.42 |
| Z10 | 4486.04 | Q2 | 0.007 | 0.87 | 0.60 | 406.00 | 1.01 |
| Z11 | 4502.42 | Q1 2 | 0.007 | 0.75 | 0.51 | 385.13 | 1.18 |
| Z12 | 4506.37 | Q1 2 | 0.009 | 0.37 | 0.36 | 372.38 | 1.23 |
| Z13 | 4548.07 | Q1 2 | 0.006 | 0.30 | 0.32 | 374.13 | 1.14 |
| Z14 | 4552.08 | Q1 2 | 0.007 | 0.27 | 0.29 | 368.00 | 1.49 |
| Z15 | 4554.15 | Q1 2 | 0.008 | 0.29 | 0.35 | 372.50 | 1.71 |
| Z16 | 4555.98 | Q1 2 | 0.005 | 0.20 | 0.26 | 366.00 | 1.48 |
| Z17 | 4558.01 | Q1 2 | 0.007 | 0.18 | 0.25 | 370.50 | 1.52 |
| Z18 | 4560.21 | Q1 2 | 0.009 | 0.16 | 0.22 | 365.50 | 1.38 |
| Z19 | 4572.46 | Q1 2 | 0.007 | 0.11 | 0.23 | 377.13 | 1.69 |
| Z20 | 4592.57 | Q1 2 | 0.005 | 0.13 | 0.25 | 371.13 | 2.30 |
| Z21 | 4612.22 | Q1 2 | 0.005 | 0.13 | 0.24 | 367.75 | 2.14 |
| Z22 | 4749.16 | Q1 1 | 0.006 | 0.14 | 0.23 | 361.63 | 0.49 |
| Z23 | 4751.47 | Q1 1 | 0.004 | 0.28 | 0.61 | 397.50 | 2.25 |
| Z24 | 4756.96 | Q1 1 | 0.005 | 0.71 | 2.18 | 406.50 | 2.35 |
| Z25 | 4758.91 | Q1 1 | 0.004 | 0.56 | 1.97 | 402.50 | 1.93 |
| Z26 | 4761.15 | Q1 1 | 0.006 | 0.11 | 0.33 | 392.25 | 2.22 |
| Z27 | 4767.74 | Q1 1 | 0.008 | 0.09 | 0.26 | 393.75 | 2.28 |
| Z28 | 4769.68 | Q1 1 | 0.003 | 0.07 | 0.20 | 385.00 | 2.37 |
| Z29 | 4771.83 | Q1 1 | 0.002 | 0.07 | 0.19 | 384.50 | 2.02 |
| Z30 | 4773.93 | Q1 1 | 0.001 | 0.07 | 0.19 | 384.00 | 2.32 |
| Z31 | 4777.87 | Q1 1 | 0.001 | 0.07 | 0.19 | 384.38 | 2.23 |
| Sample Number | Depth/m | Interval | Mineral Content/% | |||||
|---|---|---|---|---|---|---|---|---|
| Quartz | Feldspar (Albite) | Calcite | Dolomite | Clay Mineral (Kaolinite, Illite, Illite Mixed Layer and Chlorite) | Pyrite | |||
| Z1 | 4451.74 | Q2 | 36 | 19 | 4 | 7 | 31 | 3 |
| Z2 | 4455.09 | Q2 | 36 | 19 | 4 | 7 | 31 | 3 |
| Z3 | 4463.15 | Q2 | 38 | 17 | 6 | 4 | 32 | 6 |
| Z4 | 4466.28 | Q2 | 39 | 13 | 5 | 5 | 34 | 4 |
| Z5 | 4469.09 | Q2 | 34 | 12 | 9 | 8 | 32 | 4 |
| Z6 | 4471.31 | Q2 | 35 | 14 | 5 | 4 | 37 | 5 |
| Z7 | 4480.52 | Q2 | 38 | 15 | 6 | 6 | 31 | 4 |
| Z8 | 4483.91 | Q2 | 40 | 13 | 7 | 6 | 30 | 5 |
| Z9 | 4485.82 | Q2 | 38 | 13 | 8 | 5 | 33 | 5 |
| Z10 | 4486.04 | Q2 | 36 | 15 | 8 | 5 | 3 | 4 |
| Z11 | 4502.42 | Q1 2 | 38 | 18 | 8 | 4 | 29 | 4 |
| Z12 | 4506.37 | Q1 2 | 43 | 33 | 3 | 2 | 17 | 3 |
| Z13 | 4548.07 | Q1 2 | 41 | 35 | 2 | 2 | 18 | 3 |
| Z14 | 4552.08 | Q1 2 | 41 | 31 | 2 | 2 | 18 | 6 |
| Z15 | 4554.15 | Q1 2 | 44 | 28 | 2 | 3 | 21 | 3 |
| Z16 | 4555.98 | Q1 2 | 38 | 34 | 4 | 3 | 19 | 3 |
| Z17 | 4558.1 | Q1 2 | 39 | 32 | 1 | 3 | 2 | 3 |
| Z18 | 4560.21 | Q1 2 | 41 | 33 | 1. | 2 | 18 | 4 |
| Z19 | 4572.46 | Q1 2 | 41 | 37 | 2 | 2 | 16 | 3 |
| Z20 | 4592.57 | Q1 2 | 42 | 36 | 2 | 2 | 17 | 2 |
| Z21 | 4612.22 | Q1 2 | 43 | 30 | 2 | 2 | 18 | 5 |
| Z22 | 4749.16 | Q1 1 | 40 | 37 | 3 | 2 | 16 | 3 |
| Z23 | 4751.47 | Q1 1 | 45 | 34 | 3 | 3 | 10 | 5 |
| Z24 | 4757.96 | Q1 1 | 25 | 19 | 13 | 28 | 11 | 3 |
| Z25 | 4758.91 | Q1 1 | 40 | 40 | 4 | 3 | 10 | 4 |
| Z26 | 4761.15 | Q1 1 | 40 | 37 | 5 | 4 | 11 | 4 |
| Z27 | 4767.74 | Q1 1 | 48 | 31 | 2 | 6 | 9 | 4 |
| Z28 | 4769.68 | Q1 1 | 49 | 11 | 2 | 14 | 10 | 4 |
| Z29 | 4771.83 | Q1 1 | 68 | 17 | 2 | 1 | 9 | 3 |
| Z30 | 4773.93 | Q1 1 | 80 | 5 | 4 | 1 | 9 | 2 |
| Z31 | 4777.87 | Q1 1 | 77 | 10 | 7 | 0 | 5 | 1 |
| Sample Number | Depth/m | Interval | Major Elements/% | Trace Elements/ppm | |||||||||||
|---|---|---|---|---|---|---|---|---|---|---|---|---|---|---|---|
| Al | Na | K | Li | Co | Ni | Ba | V | Th | Zr | P | Cr | U | |||
| Z1 | 4451.74 | Q2 | 7 | 1 | 3 | 49 | 16 | 53 | 1375 | 204 | 10 | 161 | 930 | 130 | 4 |
| Z2 | 4455.09 | Q2 | 8 | 1 | 3 | 43 | 19 | 49 | 1545 | 230 | 12 | 158 | 760 | 140 | 9 |
| Z3 | 4463.15 | Q2 | 7 | 2 | 3 | 37 | 14 | 50 | 1270 | 158 | 13 | 273 | 1030 | 140 | 13 |
| Z4 | 4466.28 | Q2 | 7 | 2 | 3 | 35 | 13 | 59 | 1300 | 151 | 12 | 282 | 1050 | 130 | 12 |
| Z5 | 4469.09 | Q2 | 8 | 2 | 3 | 40 | 14 | 50 | 1405 | 157 | 13 | 280 | 880 | 140 | 11 |
| Z6 | 4471.31 | Q2 | 7 | 2 | 3 | 37 | 14 | 38 | 1380 | 152 | 12 | 265 | 860 | 130 | 9 |
| Z7 | 4480.52 | Q2 | 7 | 2 | 3 | 38 | 14 | 47 | 1340 | 137 | 12 | 267 | 960 | 150 | 11 |
| Z8 | 4483.91 | Q2 | 7 | 2 | 3 | 38 | 13 | 61 | 1280 | 150 | 11 | 282 | 1040 | 140 | 9 |
| Z9 | 4485.82 | Q2 | 7 | 2 | 3 | 36 | 15 | 64 | 1190 | 138 | 11 | 248 | 930 | 140 | 12 |
| Z10 | 4486.04 | Q2 | 7 | 2 | 2 | 35 | 12 | 54 | 1350 | 156 | 11 | 280 | 1140 | 120 | 11 |
| Z11 | 4502.42 | Q1 2 | 7 | 2 | 3 | 37 | 13 | 62 | 1280 | 152 | 13 | 307 | 980 | 140 | 13 |
| Z12 | 4506.37 | Q1 2 | 8 | 2 | 3 | 40 | 15 | 52 | 1260 | 153 | 12 | 222 | 1000 | 140 | 11 |
| Z13 | 4548.07 | Q1 2 | 7 | 2 | 3 | 44 | 16 | 82 | 1570 | 227 | 12 | 194 | 900 | 130 | 11 |
| Z14 | 4552.08 | Q1 2 | 7 | 2 | 3 | 45 | 15 | 54 | 1525 | 168 | 12 | 189 | 880 | 140 | 14 |
| Z15 | 4554.15 | Q1 2 | 7 | 2 | 3 | 46 | 16 | 80 | 1450 | 175 | 11 | 196 | 890 | 140 | 14 |
| Z16 | 4555.98 | Q1 2 | 8 | 2 | 3 | 45 | 16 | 78 | 1470 | 185 | 12 | 185 | 860 | 140 | 12 |
| Z17 | 4558.01 | Q1 2 | 8 | 1 | 3 | 44 | 17 | 54 | 1515 | 176 | 12 | 173 | 780 | 140 | 11 |
| Z18 | 4560.21 | Q1 2 | 2 | 0 | 1 | 12 | 4 | 12 | 1595 | 54 | 3 | 46 | 460 | 40 | 3 |
| Z19 | 4572.46 | Q1 2 | 8 | 2 | 3 | 48 | 18 | 90 | 1495 | 179 | 12 | 194 | 880 | 120 | 13 |
| Z20 | 4592.57 | Q1 2 | 7 | 2 | 2 | 33 | 15 | 142 | 1430 | 536 | 12 | 306 | 1140 | 130 | 25 |
| Z21 | 4612.22 | Q1 2 | 7 | 2 | 3 | 41 | 19 | 54 | 1335 | 145 | 12 | 264 | 990 | 120 | 10 |
| Z22 | 4749.16 | Q1 1 | 7 | 2 | 3 | 28 | 18 | 90 | 1365 | 1435 | 13 | 233 | 1150 | 180 | 14 |
| Z23 | 4751.47 | Q1 1 | 6 | 1 | 2 | 25 | 13 | 102 | 1405 | 1300 | 9 | 187 | 880 | 210 | 14 |
| Z24 | 4756.96 | Q1 1 | 6 | 1 | 2 | 30 | 15 | 100 | 1345 | 1315 | 10 | 193 | 1120 | 200 | 15 |
| Z25 | 4758.91 | Q1 1 | 6 | 2 | 2 | 29 | 16 | 72 | 1395 | 169 | 9 | 174 | 830 | 140 | 13 |
| Z26 | 4761.15 | Q1 1 | 6 | 2 | 2 | 25 | 16 | 85 | 1430 | 152 | 10 | 184 | 850 | 140 | 12 |
| Z27 | 4767.74 | Q1 1 | 7 | 2 | 2 | 25 | 18 | 74 | 1730 | 160 | 10 | 189 | 990 | 130 | 30 |
| Z28 | 4769.68 | Q1 1 | 6 | 2 | 2 | 27 | 17 | 114 | 1395 | 966 | 10 | 181 | 1040 | 160 | 18 |
| Z29 | 4771.83 | Q1 1 | 7 | 2 | 2 | 30 | 19 | 137 | 1570 | 1795 | 11 | 196 | 1320 | 180 | 17 |
| Z30 | 4773.93 | Q1 1 | 6 | 2 | 2 | 26 | 15 | 106 | 1470 | 1570 | 11 | 217 | 1050 | 200 | 15 |
| Z31 | 4777.87 | Q1 1 | 5 | 2 | 2 | 25 | 15 | 123 | 1295 | 1590 | 8 | 164 | 890 | 160 | 16 |
| Element detection limit | 0.01% | 0.01% | 0.01% | 0.1 ppm | 0.1 ppm | 0.01 ppm | 1 ppm | 1 ppm | 0.01 ppm | 1 ppm | 1 ppm | 1 ppm | 0.1 ppm | ||
Disclaimer/Publisher’s Note: The statements, opinions and data contained in all publications are solely those of the individual author(s) and contributor(s) and not of MDPI and/or the editor(s). MDPI and/or the editor(s) disclaim responsibility for any injury to people or property resulting from any ideas, methods, instructions or products referred to in the content. |
© 2024 by the authors. Licensee MDPI, Basel, Switzerland. This article is an open access article distributed under the terms and conditions of the Creative Commons Attribution (CC BY) license (https://creativecommons.org/licenses/by/4.0/).
Share and Cite
Shi, X.; Liu, J.; Zhu, Y.; Xu, L.; Yang, Y.; Luo, C.; Li, Y.; Zhong, K.; Yang, X.; Wu, Q.; et al. Effects of the Sedimentary Environment on Organic-Rich Shale in the Intracratonic Sag of the Sichuan Basin, China. Appl. Sci. 2024, 14, 8594. https://doi.org/10.3390/app14198594
Shi X, Liu J, Zhu Y, Xu L, Yang Y, Luo C, Li Y, Zhong K, Yang X, Wu Q, et al. Effects of the Sedimentary Environment on Organic-Rich Shale in the Intracratonic Sag of the Sichuan Basin, China. Applied Sciences. 2024; 14(19):8594. https://doi.org/10.3390/app14198594
Chicago/Turabian StyleShi, Xuewen, Jia Liu, Yiqing Zhu, Liang Xu, Yuran Yang, Chao Luo, Yanyou Li, Kesu Zhong, Xue Yang, Qiuzi Wu, and et al. 2024. "Effects of the Sedimentary Environment on Organic-Rich Shale in the Intracratonic Sag of the Sichuan Basin, China" Applied Sciences 14, no. 19: 8594. https://doi.org/10.3390/app14198594
APA StyleShi, X., Liu, J., Zhu, Y., Xu, L., Yang, Y., Luo, C., Li, Y., Zhong, K., Yang, X., Wu, Q., He, L., Shi, D., & Wang, X. (2024). Effects of the Sedimentary Environment on Organic-Rich Shale in the Intracratonic Sag of the Sichuan Basin, China. Applied Sciences, 14(19), 8594. https://doi.org/10.3390/app14198594

