Abstract
Traditional model predictive torque control (MPTC) predicts the torque and flux values for the next time step and selects the voltage vector that minimizes the cost function as the optimal vector to apply to the inverter. This control approach is straightforward and allows for multi-objective control, but it has some issues in terms of the dynamic steady-state performance and parameter robustness. Therefore, this paper proposes a weightless model predictive control method based on an extended state observer (ESO). By designing an improved ESO to observe and compensate for motor parameter disturbances in real time, and employing a novel 2-D switching table and voltage vector sector selection diagram, the method evaluates three out of eight voltage vectors based on the torque and stator flux error signals. This reduces the computational load while increasing the number of candidate voltage vectors. Finally, a cost function without weighting factors is designed to lower the computational complexity. The simulation results show that the proposed new control method effectively reduces the torque and flux ripple and improves the current waveform compared to traditional MPTC.
1. Introduction
AC permanent magnet synchronous motors are widely used in the field of new energy vehicles due to their high density, high efficiency, and good dynamic performance, while their main speed control methods are vector control (VC) [] and direct torque control (DTC) []. VC mainly realizes the decoupling of the current through a simple coordinate transformation to achieve the control of the torque and the magnetic chain, but its dynamic response is slower and it relies on the prediction model too much. DTC is intended to achieve torque and chain control directly through the hysteresis loop comparator [] and switching vector table [], and compared with VC, it has a fast dynamic response, simple structure, and less dependence on the motor parameters, with no need to use a pulse-width modulator, but it has larger torque and chain pulsations []. With the advancement of microprocessor technology, model predictive control (MPC) [] is gradually becoming an alternative scheme for motor drive control due to its simple structure, fast dynamic response and the possibility of multiple target control. Among the many control schemes of MPC, the finite control set model predictive control (FCS-MPC) [] can solve the optimization problem online according to the characteristics of the inverter, the switching state can be discrete, and because its algorithmic complexity is low and the control mode is flexible, it has become a research hotspot in the field of PMSM control at present.
The basic steps of FCS-MPC [] are as follows: 1) use a discrete model of the system to calculate and predict the predicted values of all the control variables of the system; (2) evaluate each switching state of the inverter based on the cost function []; and (3) determine the voltage vectors that make the cost function optimal to be applied to the object under control. In motor drive systems, FCS-MPC can be subdivided into model predictive torque control (MPTC) [] and model predictive current control (MPCC) []. MPCC uses the current as the control objective, and the value function contains only one item of current [], which does not require a weight coefficient design. On the other hand, MPTC takes the electromagnetic torque and stator magnetic chain as the control objective, and the value function also contains the magnetic chain and torque, so it needs to design the weight coefficients, and this paper mainly focuses on the MPTC method.
Although the traditional MPTC has superior control performance, it also has the following problems. (1) Its prediction model is more dependent on the parameters [], and the mismatch of the model parameters will lead to the deviation of the predicted values, which affects the control performance. (2) All eight feasible voltage vectors need to be substituted into the cost function to perform the traversal optimization computation in each sampling cycle [], which is an onerous computational burden limiting the application of it in the PMTC. (3) Due to its multi-objective control advantage, the constructed cost function contains multiple control terms [], and the weighting coefficients need to be introduced due to the different magnitudes of controlled quantities []. (4) Due to its multi-objective control advantage, the constructed cost function contains multiple control terms [], while the weighting coefficients need to be introduced due to the different magnitudes of the controlled quantities [], and a large number of simulations and experimental explorations are required in order to select the appropriate weighting coefficients.
In response to the above problems, the literature [] uses adaptive control to reduce the dependence of the look on the system parameters, but the calculation is cumbersome and the hardware requirements are high. Ref. [] designed a sliding film integral controller to achieve decoupled control of the induction motor, although the motor model parameter mismatch problem is not considered, but the control of the existence of the jitter vibration phenomenon is, which can easily lead to the system’s oscillation instability. The authors of [] used a combination of neural networks and particle swarm optimization, a good solution to the model parameter mismatch problem, but the current intelligent algorithm design process is more complex, computationally large and difficult to ensure its convergence speed and stability. Xie W et al. [] used a differential beat-free torque and chain control scheme to select the optimal voltage vector by determining the position of the torque angle but did not consider the effect of the voltage vector on the torque and chain. Davari S A, Norambuena M et al. [] used a multiparameter planning approach to reduce the computation time but could not reduce the online computation as it could only be operated offline. Liu [] introduced a DTC controlled switching table to determine the sectors where the optimal vectors are located through torque and chain error variations to secondly reduce the number of voltage vectors that need to be computed, but it has a limited number of voltage vectors to choose from for each sector, which leads to large electromagnetic torque and chain pulsations. M Mossa, S Bolognani et al. in [] proposed the idea of sorting, which transforms the performance of different control objectives into dimensionless sorted values, thus eliminating the weighting coefficients, but the optimal vectors cannot be selected when there are multiple identical sorted values. Ref. [] used fuzzy control to rectify the weight coefficients, but the fuzzy rules were not verified in advance and the online calculation was more complicated.
In this paper, we propose a weightless model predictive control method based on an ESO observer by designing an improved extended observer (ESO) to observe and compensate for the motor parameter perturbations in real time and reclassifying the voltage vector sector selection map, according to the torque error and stator chain error signals, using a new type of two-dimensional switching table to directly select three out of the eight voltage vectors to be evaluated, which reduces the amount of computation while also increasing the alternative voltage vectors, and finally, designing a cost function without considering the weight coefficients to reduce its computational complexity.
The remaining work is arranged as follows. Section 2 introduces the mathematical model of the traditional MPTC; Section 3 proposes a weight-free MPTC based on an ESO observer; Section 4 builds a simulation model and compares it with both the traditional MPTC and the weighted MPTC with an ESO observer, followed by an analysis of the results; and Section 5 presents the conclusions.
2. Mathematical Model of Permanent Magnet Synchronous Motor
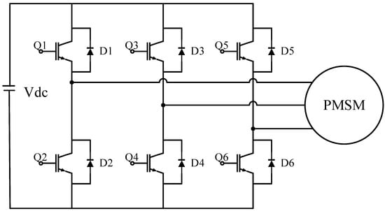
The topology of the three-phase two-level voltage source inverter permanent magnet synchronous motor system is shown in Figure 1, where Vdc represents the dc voltage and Q1~Q6 constitute the six upper and lower bridge arms of the inverter, with a total of eight switching states. A set of voltages u(t) (u(t) ∈ U) is applied to the motor, which can be selected from the switching states ”U”{000, 100, 110, …, 111 }, where U is a finite set of voltage vectors, including the six non-zero vectors U1 (001), U2 (010), U3 (011), U4 (100), U5 (101), and U6 (110) and the two zero vectors U0 (000) and U7 (111).

Figure 1.
Voltage-type three-phase bridge inverter topology.
The permanent magnet synchronous motor is a nonlinear system with multiple variables and strong coupling. Due to the complex relationships and challenging calculations between various variable parameters, we simplify the analysis by transforming the motor equations from the three-phase stationary ABC coordinate system to the two-phase stationary d-q coordinate system.
Ignoring the iron losses and leakage flux in the motor, the external voltage formula for the circuit is as follows:
Additionally, since the total induced electromotive force in the windings is the sum of the induced and motional electromotive forces, the external voltage formula for the circuit is as follows:
where is the stator voltage vector, is the stator resistance, is the stator magnetic chain vector and is the stator current vector. represents the back electromotive force. is the stator inductance.
The corresponding equivalent circuit is shown in Figure 2.

Figure 2.
The equivalent circuit of a permanent magnet synchronous motor in the d-q coordinate system.
Assuming that the core saturation and hysteresis losses are not considered, the stator voltage equation is satisfied as follows:
In the two-phase d and q rotating coordinate system, the stator voltage, electromagnetic torque, and stator magnetic chain equations are as follows:
The flux linkage equations are as follows:
The torque equation is as follows:
Substituting Equation (3) into Equations (2) and (4), we obtain the final voltage equations and the torque equation for the d-axis and q-axis:
Since for surface-mounted permanent magnet synchronous motors, the following torque equation can be obtained:
where is the stator inductance, , is the stator voltage, , is the stator magnetic chain, is the rotor speed, p is the number of pole pairs, is the electromagnetic torque, and is the permanent magnet chain.
Based on the voltage equations, the dynamic equivalent circuit of the permanent magnet synchronous motor is obtained, as shown in Figure 3.

Figure 3.
The dynamic equivalent circuit of the permanent magnet synchronous motor in the d- and q-axis coordinates.
Omitting the complicated derivation process, the standard mathematical model of SPMSM is delay-compensated using the first-order Euler’s formula, whose discrete mathematical equations in the two-phase rotational d- and q-axis coordinate system are as follows:
where , , , , , , , and is using the period.
In conventional FCS-MPTC, the cost function is designed as follows:
where is the reference torque, obtained through the PI speed outer ring, is the reference magnetic chain, obtained through the MTPA, and λ is the weighting factor of the stator chain.
3. Weightless Model Predictive Control Based on ESO Observer
The improved MPTC block diagram of the AC permanent magnet synchronous motor is shown in Figure 4, and its control flow is as follows. (1) At the moment k, other sampling values such as the motor rotor electric angular velocity ω, rotor position θ, and three-phase motor currents are collected by the encoder, and then the d- and q-axis current and voltage values are obtained by the coordinate transformation. (2) The improved ESO observer is designed to observe and compensate for the current error and other problems caused by external parameter perturbation in real time, and also to compensate for it with a two-step delay to obtain , . (3) Three voltage vectors are selected according to the new spatial voltage vector sector division diagram and 2-D look-up table, the torque prediction value and the magnetic chain prediction value are calculated, and finally, the torque angle prediction value δ(k + 2) is obtained. (4) The electromagnetic torque reference value and the stator magnetic chain reference value are obtained through the PI regulator and MTPA, and then the torque angle reference value is obtained by calculation, which is brought into the reconstructed cost function without weight coefficients to find the voltage vector with the smallest g-value as the optimal vector (5) The output of the optimal voltage vector acts on the inverter to control the AC PM synchronous motor.

Figure 4.
Improved MPTC block diagram.
3.1. The Design of the Improved ESO (Extended State Observer)
In order to improve the current error and oscillation problems of the permanent magnet synchronous motor due to parameter mismatch and external perturbations, based on the single vector model predictive torque control, the motor parameter perturbations are observed and compensated for in real time by designing an improved extended observer (ESO), so as to achieve the effect of suppressing the steady-state prediction error and improving the robust performance of the system. Considering the delay effect of the computer instruction cycle, two-step delay compensation is performed, which is designed as follows.
The state space equations of the PMSM in the synchronous rotating coordinate system are as follows:
Considering the parameter mismatch, the voltage equation is rewritten as:
where are the voltage quantities of the d-axis and q-axis input to the system, while other state quantities, and are the values of various parameter perturbations in the d-axis and q-axis and external disturbances.
Based on the ESO observation idea, the parameter mismatch perturbation is equated to a new input quantity, i.e., the ESO defines the perturbation as follows:
where , are the total system perturbations in the d- and q-axis, , , are the nominal values of the motor nameplate, , , ΔL are the values of the perturbations of each parameter, and ξ is the value of the external perturbations other than the resistance, inductance, and magnetic flux.
Taking the d-axis as an example, the expression for the second-order ESO of the current is as follows:
where the nonlinear error feedback control rule is as follows:
In the formula, is a segmented function, which produces the jitter vibration phenomenon at the switching point, while the sliding membrane control system (SMC) can achieve the function of stable tracking of the target by controlling the state of the system on the sliding surface, which can eliminate the jitter vibration phenomenon of the traditional ESO, i.e., the improved function is as follows:
Next, the improved ESO is discretized for the d-axis:
where and are the gains of the discrete ESO.
A two-step delay compensation is applied to the currents and to obtain the stator magnetic chain and the electromagnetic torque at the moment k + 2 by using Equations (5)–(7), which are calculated as follows:
where , , , are the observed current values, , are the observed perturbation values, is the torque after the two-step time-delay compensation, and is the magnetic chain after the two-step time-delay compensation.
3.2. Sector Vector Selection and 2-D Lookup Table Design
According to the state variables of the control system in the current sampling period, the electromagnetic torque , the stator magnetic chain and the torque angle δ are obtained as follows:
where , are the current and magnetic chain of the two-phase stationary coordinate system and axis, respectively, and is the torque angle.
The current, voltage and magnetic chain of and axis are calculated as follows:
where θ is the rotor angular position, are the two-phase stationary coordinate system axis voltage, and , are the stator inductance and stator resistance, respectively.
According to Equations (21)–(23):
To expedite the selection of voltage vectors, reduce the computational load, and increase the number of candidate voltage vectors, this paper divides the voltage vector sector diagram into 12 sectors, as illustrated in Figure 5. The sectors are labeled S1 to S12, with Sn representing a specific sector where 0 < n < 13. Each Sn sector corresponds to a space voltage vector Un. When the stator flux is in the Sn sector, a hysteresis comparator adjusts the stator flux and electromagnetic torque errors, and a 2-D lookup table (LUT) is established, as shown in Table 1.

Figure 5.
Space voltage vector division diagram.

Table 1.
New candidate voltage vector 2-D selection table.
In the given scenario, if the stator flux is positioned as shown in Figure 3 and rotates counterclockwise, the estimated stator flux and electromagnetic torque are compared with the reference values obtained through the MTPA and PI controllers, resulting in two error values, denoted as and . When the errors are greater than zero, they are defined as (>); otherwise, as (<). For the stator flux located in sector to increase the torque and flux, typically, the effective voltage vectors and along with a zero voltage vector or are evaluated. However, due to the limited voltage vectors available in each sector, the electromagnetic torque and flux pulsations can be significant. Therefore, a new spatial voltage vector sector division diagram is proposed, dividing it into 12 sectors. In sector , if the torque and flux need to be increased, and are evaluated in the lower half of (optimized ), and and are evaluated in the upper half of (optimized ). This increases the number of alternative voltage vectors per sector. Additionally, without involving the inverter switching frequency in the cost function, various voltage vector combinations can be considered. To further reduce the system computational burden, only the zero vector (U0) is used for the synthesis.
With the 2-D look-up table (LUT), it is possible to directly evaluate two effective voltage vectors and one zero vector based solely on the torque error and stator flux error within a single adoption cycle. These two effective voltage vectors are not restricted to being neighboring vectors. As a result, only three voltage vectors (two fundamental vectors and one zero vector) need to be substituted into the cost function for the traversal optimization computation. This approach significantly reduces the computational workload for subsequent calculations. Furthermore, these three vectors, determined by the torque and flux errors, can be utilized for the subsequent analysis of the torque and flux pulsation levels.
3.3. Unweighted Cost Function Design
To address the difficulty of tuning the weight coefficients in the traditional value function of single-vector MPTC (model predictive torque control), a value function that eliminates the weight coefficients has been proposed. This new value function contains only the torque angle, thereby eliminating the need for weight coefficient design and reducing the complexity of the value function computation. The calculation is as follows:
where is the current limit value,
where is the maximum peak current, and is the stator current.
where , are the reference magnetic chains of the α, β axes, and , are the reference currents of the α, β axes, which can be calculated from the reference torque.
4. MPTC System Simulation Experiment
To verify the reliability of the algorithm, simulations were conducted in MATLAB(2022b)/Simulink []. We selected the three-phase permanent magnet synchronous motor from the SimScape library as our simulation model, with the stator windings connected to the internal neutral point in a coil configuration. The parameters can be adjusted according to needs []. For simplicity, the traditional model predictive control method is referred to as IMPTC, the model predictive control method with an ESO observer and weight coefficients is referred to as IMPTC-I, and the model predictive control method with an ESO observer but without weight coefficients is referred to as IMPTC-II. The simulations ran for 0.5 s with the motor parameters listed in Table 2 [,], and the sampling frequency was set to 20 kHz. The results are shown in Figure 4, Figure 5, Figure 6, Figure 7, Figure 8 and Figure 9.

Table 2.
Parameters of the permanent magnet synchronous motor.

Figure 6.
IMPTC steady–state performance.

Figure 7.
IMPTC–I steady-state performance.

Figure 8.
IMPTC–II steady-state performance.

Figure 9.
IMPTC–dynamic performance.
The total harmonic distortion (THD) was defined to measure the level of distortion of the current, and in addition, the pulsation root mean square error RMSE was defined to measure the level of pulsation of its torque and chain ripple, which is calculated as follows:
where n is the number of samples per adoption cycle.
4.1. Steady-State Performance
Given a motor reference speed of 600 rad/min and an initial torque of 2.5 N·m, the steady-state waveforms of the IMPTC, IMPTC-I, and IMPTC-II strategies are compared (see Figure 6, Figure 7 and Figure 8), with the steady-state performance compared in Table 3. In high-speed steady-state operation, the IMPTC-II system has a current harmonic of 12.84%, which is 27.84% and 8.83% lower compared to IMPTC and IMPTC-I, respectively. The torque pulsation for the IMPTC-II system is 10.75%, which is 50.1% and 30.96% lower compared to IMPTC and IMPTC-I, respectively. The magnetic flux pulsation for the IMPTC-II system is 8.05%, which is 5.19% and 3.73% lower compared to IMPTC and IMPTC-I, respectively. Therefore, under constant load steady-state conditions, the control performance of IMPTC-II is superior to both IMPTC-I and IMPTC, while IMPTC-I also performs better than IMPTC.

Table 3.
Evaluation indexes of the steady-state simulation of three control strategies.
4.2. Dynamic Performance
When the load undergoes a sudden change, the motor speed is set to 600 rad/min, with an initial torque of 2.5 N·m. After 0.2 s from startup, the torque suddenly increases to 5 N·m, and then drops back to 2.5 N·m after 0.4 s. The dynamic waveforms of the IMPTC, IMPTC-I, and IMPTC-II strategies are compared (see Figure 9, Figure 10 and Figure 11), along with their dynamic performance (see Table 4). The IMPTC-II system has a current harmonic of 16.46%, which is 44.01% and 29.21% lower compared to IMPTC and IMPTC-I, respectively. The torque pulsation of the IMPTC-II system is 15.07%, which is 43.19% and 29.28% lower compared to IMPTC and IMPTC-I, respectively. The magnetic flux pulsation for the IMPTC-II system is 4.24%, which is 6.84% and 2.6% lower compared to IMPTC and IMPTC-I, respectively. Therefore, under dynamic conditions, the control performance of IMPTC-II is superior to both IMPTC-I and IMPTC, while IMPTC-I also performs better than IMPTC.

Figure 10.
IMPTC–I dynamic performance.

Figure 11.
IMPTC–II dynamic performance.

Table 4.
Evaluation indexes for the dynamic simulation of three control strategies.
To reflect the computation time of the algorithms, the processing time for each segment will be considered by iterating the algorithms 1000 times. The results are shown in Table 5.

Table 5.
Comparison of the algorithms’ occupation time.
The table shows that there is little difference in the time required for measurement and speed control between IMPTC and IMPTC-I. However, the proposed IMPTC-II requires = 3.20 μs for measurement and speed control, test = 6.33 μs for estimation and delay compensation, and = 2.87 μs for prediction, demonstrating that IMPTC-II effectively simplifies the computation and improves the system efficiency.
The parameters of a permanent magnet synchronous motor (PMSM) are ideally considered constant. However, in practice, factors like thermal effects on resistance and environmental disturbances can cause these parameters to vary []. Such inaccuracies can lead to model prediction errors, which reduce the quality of the optimal voltage vector determined by the model predictive torque control (MPTC), affecting the system control performance and potentially causing instability. By using an improved extended state observer (ESO) for the parameter compensation, the impact of parameter variations on motor control can be mitigated []. For comparison, the same method as used in the dynamic testing was applied [], setting the resistance to 2R, stator flux linkage to 1.5 φs, and inductance to 0.5 L []. The simulation results are as follows.
Comparing Figure 12 and Figure 13 it can be observed that when there is a parameter mismatch, the traditional model predictive torque control (MPTC) system cannot maintain normal operation, with significant fluctuations in the torque and flux values and an inability to output a proper waveform. In contrast, the MPTC system with an extended state observer (ESO) exhibits smaller fluctuations in the torque and flux, and the system remains controllable and stable. This demonstrates the effectiveness of the strategy proposed in this paper.

Figure 12.
Dynamic performance of IMPTC under parameter mismatch.

Figure 13.
Dynamic performance of IMPTC–II under parameter mismatch.
5. Conclusions
This study focuses on the application of high-performance MPTC for PMSMs in electric vehicles, beginning with FCS-MPTC. It addresses issues such as large flux and torque fluctuations [], difficulty in unifying physical dimensions, the need for extensive testing of weight coefficients, complex system algorithms, and the high online computation load. Strategies IMPTC, IMPTC-I, and IMPTC-II are proposed to optimize the weight coefficients, simplify the computation, and suppress the torque and flux fluctuations, enhancing the MPTC system’s performance and verifying these strategies through simulations. The main conclusions are as follows. (1) To tackle the robustness issues of traditional MPTC strategies and the susceptibility to internal disturbances and external load changes, this study investigates the use of an ESO for disturbance compensation in MPTC, known as IMPTC-I. By redesigning the nonlinear error feedback function of the ESO and introducing SMC to eliminate the chattering phenomenon, a robust ESO-SMC controller with strong disturbance rejection capabilities is achieved. Additionally, two-step computation and an improved Euler formula are used for complete the delay compensation, ensuring real-time control system performance. The simulation results indicate that the proposed IMPTC-I scheme exhibits good robustness and effectively suppresses internal and external disturbances. (2) Although IMPTC-I addresses the robustness issue, it does not significantly improve the problems of the high computation load and large torque and flux pulsations. Each sampling period still requires the calculation of eight voltage vectors to find the optimal vector that minimizes the cost function, and the weight coefficients need extensive, cumbersome testing for refinement, lacking rapid and accurate selection theory and formulas. Therefore, this study, building on IMPTC-I, explores value functions and voltage vector sector diagrams, known as IMPTC-II. A new two-dimensional lookup table is designed, requiring only two effective voltage vectors and one zero vector per cycle to find the optimal vector that minimizes the cost function, and the voltage vector sector diagram is redefined to reduce the computation while increasing the number of candidate voltage vectors. Furthermore, by analyzing the internal relationships between the electromagnetic torque, the stator flux reference values, and the angle between stator and rotor flux, a value function containing only the torque angle error terms and information about the electromagnetic torque and stator flux reference values is designed. The simulation results show that the proposed IMPTC-II scheme not only has good robustness but also demonstrates excellent steady-state and dynamic performance, effectively reducing the torque and flux pulsations, computation load, and current harmonics.
However, there are still several aspects [] that need further research. (1) The weightless model predictive control strategy relies heavily on the prediction model parameters and sampling delay, which may lead to suboptimal experimental results. (2) The mathematical model of PMSM established in this study is based on simplifying assumptions, such as constant motor parameters, linear magnetic circuits, and neglecting eddy current losses, which may impact the control performance in actual applications, such as torque ripple, speed ripple, and current harmonics. Therefore, more accurate mathematical models should be considered in simulations, such as magnetic saturation effects, eddy current loss effects, and rotor damping effects. (3) In practical industrial applications of PMSM, various influencing factors, such as natural conditions (temperature, humidity, air pressure, etc.), instrument precision (sensors, samplers, amplifiers, etc.), and human factors (operational errors, improper maintenance, fault handling, etc.), may cause discrepancies between experimental and actual conditions, affecting the effectiveness of PMSM digital control methods in automotive applications.
Author Contributions
Q.G.: Conceptualization, methodology, software, validation, investigation, resources, data curation, writing—original draft, writing—review and editing. Q.L.: Conceptualization, writing—review and editing. W.Z.: Conceptualization, methodology, data curation, writing—review and editing. All authors have read and agreed to the published version of the manuscript.
Funding
This research was funded by Central guidance for local scientific and technological development funds, grant number Guike ZY23055014, the Innovation-Driven Development Special Fund Project of Guangxi, grant number Guike AA23062073 and the Science and Technology Planning Project of Liuzhou, grant number 2022AAA0102, 2022AAA0104, Guangxi Transportation Science and Technology Promotion Project (GXJT-ZDSYS-2023-03-03).
Institutional Review Board Statement
Not applicable.
Informed Consent Statement
Not applicable.
Data Availability Statement
No new data were created or analyzed in this study. Data sharing is not applicable to this article.
Acknowledgments
The authors would like to thank the Central guidance for local scientific and technological development funds, the strong support of the Innovation-Driven Development Special Fund Project of Guangxi and the Science and Technology Planning Project of Liuzhou.
Conflicts of Interest
The authors declare no conflicts of interest.
References
- Park, C.W.; Kwon, W.H. Time-delay compensation for induction motor vector control system. Electr. Power Syst. Res. 2004, 68, 238–247. [Google Scholar] [CrossRef]
- Rodriguez, J.; Kennel, R.M.; Espinoza, J.R.; Trincado, M.; Silva, C.A.; Rojas, C.A. High-Performance Control Strategies for Electrical Drives: An Experimental Assessment. IEEE Trans. Ind. Electron. 2011, 59, 812–820. [Google Scholar] [CrossRef]
- Li, Y.; Qin, Y.; Zhou, Y.; Zhao, C. Model predictive torque control for permanent magnet synchronous motor based on dynamic finite-control-set using fuzzy control. Energy Rep. 2020, 6, 128–133. [Google Scholar] [CrossRef]
- Biswas, I.; Hurtubise, J.; Roubtsov, V. Moduli spaces of vector bundles on a curve and opers. Proc. Math. Sci. 2023, 133, 15. [Google Scholar] [CrossRef]
- Kusuma, E.; Eswar, K.M.R.; Kumar, T.V. An Effective Predictive Torque Control Scheme for PMSM Drive Without Involvement of Weighting Factors. IEEE J. Emerg. Sel. Top. Power Electron. 2020, 9, 2685–2697. [Google Scholar] [CrossRef]
- Wang, Y.; Wang, X.; Xie, W.; Wang, F.; Dou, M.; Kennel, R.M.; Lorenz, R.D.; Gerling, D. Deadbeat Model-Predictive Torque Control With Discrete Space-Vector Modulation for PMSM Drives. IEEE Trans. Ind. Electron. 2017, 64, 3537–3547. [Google Scholar] [CrossRef]
- Lin, X.; Huang, W.; Jiang, W.; Zhao, Y.; Zhu, S. Predictive Torque Control for PMSM Based on Weighting Factor Elimination and Fast Voltage Vector Selection. IEEE J. Emerg. Sel. Top. Power Electron. 2019, 8, 3736–3750. [Google Scholar] [CrossRef]
- Vazquez, S.; Zafra, E.; Aguilera, R.P.; Geyer, T.; Leon, J.I.; Franquelo, L.G. Prediction Model With Harmonic Load Current Components for FCS-MPC of an Uninterruptible Power Supply. IEEE Trans. Power Electron. 2021, 37, 322–331. [Google Scholar] [CrossRef]
- Aghili, S.; Noori, M.; Khan, K.A.A. Current Sensor FTC Method for MPTC of Three-Phase Induction Motor Drives Without Speed Measurement. Arab. J. Sci. Eng. 2023, 48, 5991–6009. [Google Scholar] [CrossRef]
- Mudia, H.; Rameli, M.; Efendi, R. Design of Model Predictive Torque Control (MPTC) for Speed Control 3 Phase Induction Motor with Robust Stator Flux Observer. IPTEK J. Proc. Ser. 2016, 2. [Google Scholar] [CrossRef]
- Zhu, S.; Huang, W.; Lin, X.; Jiang, W.; Wu, X. Simplified Model Predictive Torque Control for Permanent Magnet Synchronous Motor in Static Coordinate System. In Proceedings of the 2019 IEEE International Symposium on Predictive Control of Electrical Drives and Power Electronics (PRECEDE), Quanzhou, China, 31 May–2 June 2019. [Google Scholar]
- Zhang, X.; Zhang, C.; Xu, C.; Fan, S. Multimode Model Predictive Control for PMSM Drive System. IEEE Trans. Transp. Electrif. 2022, 9, 667–677. [Google Scholar] [CrossRef]
- Jones, M.; Vukosavic, S.N.; Dujic, D.; Levi, E. A Synchronous Current Control Scheme for Multiphase Induction Motor Drives. IEEE Trans. Energy Convers. 2009, 24, 860–868. [Google Scholar] [CrossRef]
- Ma, C.; Yao, X.; Li, H.; Belie, F.D. Reference Voltage Vector Based Model Predictive Torque Control with RMS Solution for PMSM. In Proceedings of the 2019 IEEE 28th International Symposium on Industrial Electronics (ISIE), Vancouver, BC, Canada, 12–14 June 2019. [Google Scholar]
- Zhang, Y.; Yang, H. An improved two-vectors-based model predictive torque control without weighting factors for induction motor drives. In Proceedings of the International Conference on Electrical Machines & Systems, Hangzhou, China, 22–25 October 2014. [Google Scholar]
- Zhang, Y.; Yang, H. Two-Vector-Based Model Predictive Torque Control without Weighting Factors for Induction Motor Drives. IEEE Trans. Power Electron. 2015, 31, 1381–1390. [Google Scholar] [CrossRef]
- Wang, T.; Wang, Y.; Zhang, Z.; Li, Z.; Hu, C.; Wang, F. Comparison and analysis of predictive control of induction motor without weighting factors. Energy Rep. 2023, 9, 558–568. [Google Scholar] [CrossRef]
- Bao, G.Q.; Qi, W.G.; He, T.; Sciubba, E. Direct Torque Control of PMSM with Modified Finite Set Model Predictive Control. Energies 2020, 13, 234. [Google Scholar] [CrossRef]
- Park, H.S.; Lee, Y.I. Torque Tracking and Ripple Reduction of Permanent Magnet Synchronous Motor using Finite Control Set-Model Predictive Control (FCS-MPC). Trans. Korean Inst. Power Electron. 2014, 19, 249–256. [Google Scholar] [CrossRef]
- Deepak, M.; Samithas, D.; Balachandran, P.K.; Selvarajan, S. Experimental analysis of enhanced finite set model predictive control and direct torque control in SRM drives for torque ripple reduction. Sci. Rep. 2024, 14, 16805. [Google Scholar]
- Wang, F.; Zhang, Z.; Mei, X.; Rodríguez, J.; Kennel, R. Advanced Control Strategies of Induction Machine: Field Oriented Control, Direct Torque Control and Model Predictive Control. Energies 2018, 11, 120. [Google Scholar] [CrossRef]
- Xie, W.; Wang, X.; Wang, F.; Xu, W.; Kennel, R.M.; Gerling, D.; Lorenz, R.D. Finite-Control-Set Model Predictive Torque Control With a Deadbeat Solution for PMSM Drives. IEEE Trans. Ind. Electron. 2015, 62, 5402–5410. [Google Scholar] [CrossRef]
- Davari, S.A.; Norambuena, M.; Nekoukar, V.; Garcia, C.; Rodriguez, J. Even-Handed Sequential Predictive Torque and Flux Control. IEEE Trans. Ind. Electron. 2019, 67, 7334–7342. [Google Scholar] [CrossRef]
- Liu, X.; Wang, Z.; Wang, X. Model predictive current control based on finite-control-set for permanent magnet toroidal motor. In Proceedings of the 2021 40th Chinese Control Conference (CCC), Shanghai, China, 26–28 July 2021. [Google Scholar]
- Mossa, M.; Bolognani, S. Assessment of Model Predictive Direct Torque Control for Induction Motor Drives. In Model Predictive Control: An Effective Control Approach for High Performance Induction Machine Drives; University of Padua: Padua, Italy, 2018. [Google Scholar]
- Zhang, Y.; Yang, H. Generalized two-vectors-based model predictive torque control of induction motor drives. In Proceedings of the 2014 IEEE Energy Conversion Congress and Exposition (ECCE), Pittsburgh, PA, USA, 14–18 September 2014. [Google Scholar]
- Wang, S.; Zhang, Q.; Wu, D.; Zhao, J. Multi-amplitude voltage vector MPTC for dual three-phase PMSMs with low torque ripple. J. Power Electron. 2023, 24, 68–77. [Google Scholar] [CrossRef]
- Peng, S.; Zhang, G.; Zhou, Z.; Gu, X.; Xia, C. MPTC of NP-clamped three-level inverter-fed permanent-magnet synchronous motor system for NP potential imbalance suppression. IET Electr. Power Appl. 2020, 14, 658–667. [Google Scholar] [CrossRef]
- Yang, H.; Liu, Y.; Wang, J.; Yang, J. Improved Multi-step FCS-MPCC with Disturbance Compensation for PMSM Drives—Methods and Experimental Validation. arXiv 2022, arXiv:2205.07213. [Google Scholar]
- Yuan, M.; Yin, Z.; Zhang, Y.; Zhang, Z. Diagnosis Method of IGBT Open Circuit Fault of Permanent Magnet Synchronous Motor Driver Based on MPCC. In Proceedings of the 2022 IEEE International Power Electronics and Application Conference and Exposition (PEAC), Guangzhou, China, 4–7 November 2022; pp. 622–626. [Google Scholar]
- Arshad, M.H.; Elsayed, A.H.; Abido, M.A.; Salem, A. Artificial Bee Colony Optimized Self-tuning PI Speed Controller for FCS-MPCC of Permanent Magnet Synchronous Machines. In Proceedings of the 2020 First International Conference of Smart Systems and Emerging Technologies (SMARTTECH), Riyadh, Saudi Arabia, 3–5 November 2020. [Google Scholar]
- Kim, H.; Son, J.; Lee, J. A High-Speed Sliding-Mode Observer for the Sensorless Speed Control of a PMSM. IEEE Trans. Ind. Electron. 2011, 58, 4069–4077. [Google Scholar]
- Yang, C.; Hua, T.; Dai, Y.; Huang, X.; Zhang, D. Second-Order Nonlinear Disturbance Observer Based Adaptive Disturbance Rejection Control for PMSM in Electric Vehicles. J. Electr. Eng. Technol. 2023, 18, 1919–1930. [Google Scholar] [CrossRef]
Disclaimer/Publisher’s Note: The statements, opinions and data contained in all publications are solely those of the individual author(s) and contributor(s) and not of MDPI and/or the editor(s). MDPI and/or the editor(s) disclaim responsibility for any injury to people or property resulting from any ideas, methods, instructions or products referred to in the content. |
© 2024 by the authors. Licensee MDPI, Basel, Switzerland. This article is an open access article distributed under the terms and conditions of the Creative Commons Attribution (CC BY) license (https://creativecommons.org/licenses/by/4.0/).