Bridge Alignment Prediction Based on Combination of Grey Model and BP Neural Network
Abstract
1. Introduction
2. Construction of GM-BP Combined Prediction Model
2.1. Fundamentals of GM-BP Combined Prediction Models
2.2. GM(1,1) Prediction Model
- (1)
- Let be the original non-negative sequence, defined as follows:
- (2)
- , the 1-AGO sequence, is obtained by accumulating the original sequence once.The value of can be determined by employing the following equation:
- (3)
- Let be the immediate neighbourhood mean generating a sequence of :The value of can be determined by employing the following equation:Thus, the GM(1,1) model can be expressed as follows:The value of the development coefficient () is employed to regulate the developmental dynamics of the system; meanwhile, the grey role quantity () is utilised to reflect the relationship between data changes.
- (4)
- We set , and then the column of the least squares estimated parameters of grey differential Equation (6) is satisfied:where the values of and are as follows:
- (5)
- After obtaining a and b from the least squares estimation, they are substituted into the whitening model of GM(1,1), which is the following:By solving Equation (8), the time response function can be obtained as follows:The time response series of the grey differential equation is as follows:
- (6)
- The above results were cumulated to obtain reduced predicted values:

2.3. GM-BP Combined Prediction Model
- (1)
- A GM(1,1) grey model is fitted to the temperature at the time of measurement, the cantilever gravity, the distance from the tension section to the support, the height of the beam cross-section, the theoretical standing pre-camber, and the actual standing pre-camber to obtain the initial predicted values of these various factors.
- (2)
- In order to enhance the network’s generalisation capacity and the precision of its calculations, while also mitigating the influence of the disparate scales of various factors, this paper employs Equation (12) to normalise the prediction outcomes of the GM(1,1) model.In this equation, represents the normalised data, while and correspond to the maximum and minimum values in each data set, respectively.
- (3)
- The prediction data of the GM(1,1) model are used as the input value of the BP neural network, and the actual standoff pre-camber data are used as the output value to construct the BP neural network model and to adjust the training parameters of the BP neural network, including the maximum number of training times, the learning speed, and the minimum error of training.
- (4)
- The data to be predicted are input into the trained neural network to obtain a normalised predicted value, and finally the normalised predicted value is back-normalised to obtain the predicted elevation.

3. Example Application
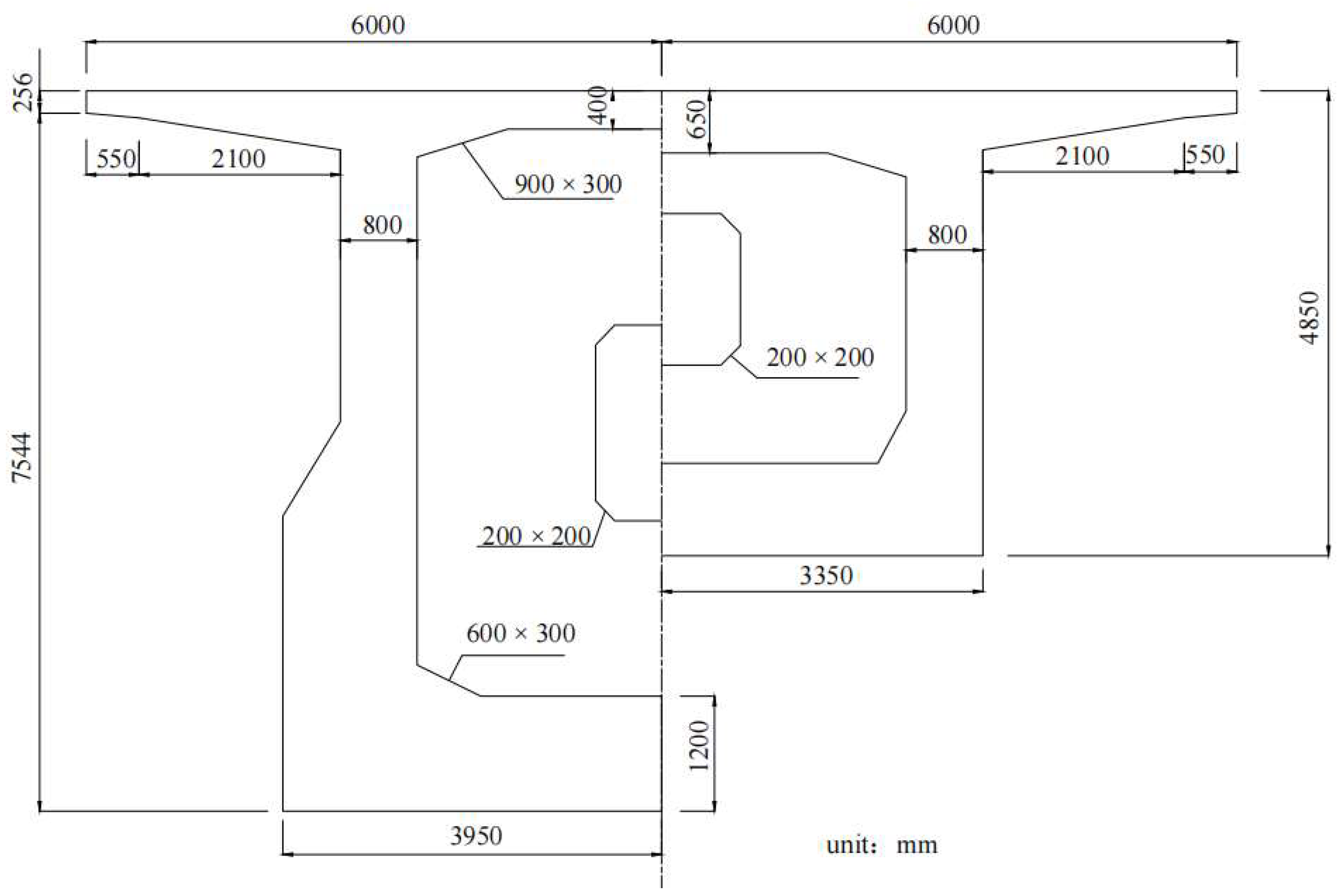
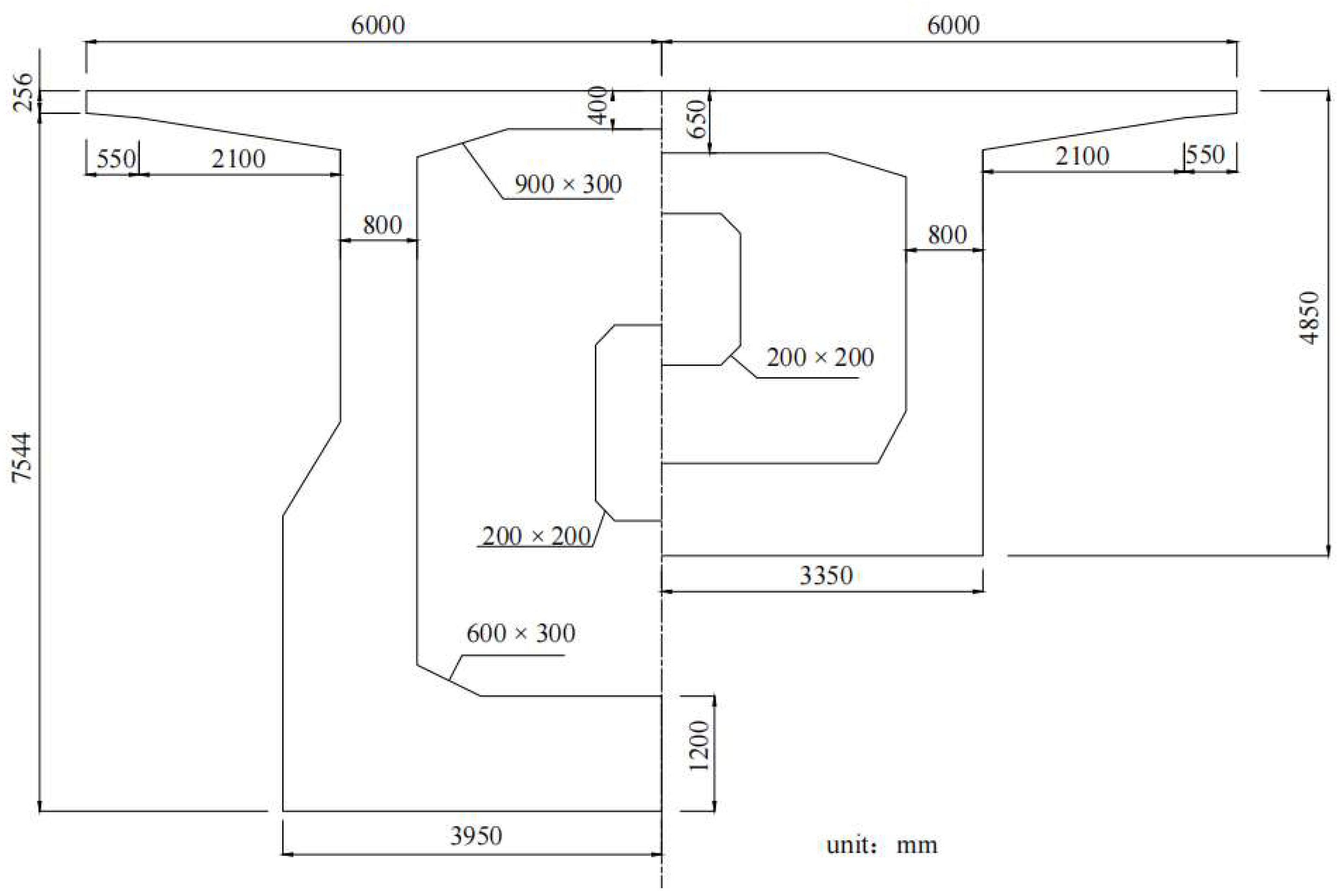
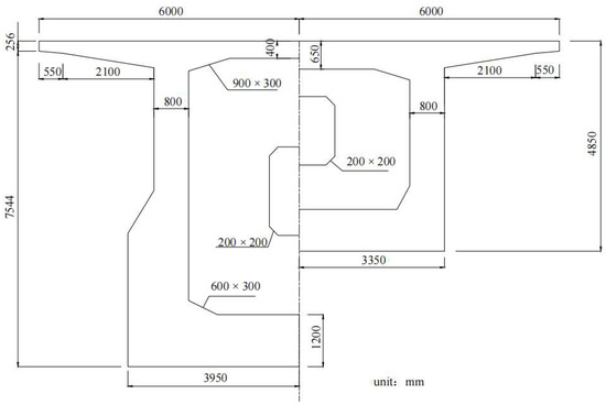
3.1. Project Examples
3.2. Calculation of the GM(1,1) Prediction Model
- (1)
- This is the original sequence of the actual vertical mould’s pre-camber:The 1-AGO sequence is obtained by accumulating the original sequence once:
- (2)
- We solve for the parameters and according to Equation (7), where the matrices and are, respectively, as follows:To obtain and .
- (3)
- Thus, the time response sequence is obtained as follows:
3.3. Prediction of Pre-Camber by GM-BP Combined Prediction Model
- (1)
- The five sets of parameter prediction results of the GM(1,1) model are used as the input parameters of a BP neural network, and the actual vertical mould’s pre-camber is used as the output parameter of the BP neural network, i.e., the number of neurons in the input layer and the output layer of the BP neural network are five and one, respectively, and, after repeated experiments, the training error is minimal when the number of neurons in the implied layer is six. Therefore, in this paper, we establish a three-layer BP with the structure of a 5-6-1 neural network model. The structure of the neural network is shown in Figure 7.
- (2)
- The data from the 1# to 10# beam segments are used as training samples to train the neural network, and the data from the 11# to 13# beam segments are used as test samples to check the predicted values. The data are normalised using Equation (12) to obtain the respective matrices and :
- (3)
- The training parameters of the neural network are set: the maximum number of training iterations is 1000, the learning rate is 0.01, and the network training error accuracy is .
- (4)
- After the training samples are fed into the neural network, the test samples are fed into it for the simulation’s calculation, and the output result is . Then, the predicted value of the pre-camber of the 11#–13# girder segments of the vertical moulds, , can be obtained via the inverse normalisation of the S matrix. Finally, the correlation factors of the remaining girder segments are fed into the trained neural network, and their respective pre-camber predictions are obtained after inverse normalisation.
3.4. Comparative Analysis of Prediction Results
4. Conclusions
- (1)
- The GM(1,1) prediction model and the BP neural network model have their own limitations. The prediction accuracy of the former is greatly affected when predicting sample data with a large degree of dispersion; the latter has a better nonlinear fitting ability, but it requires a large amount of sample data, is less stable, and is prone to non-convergence.
- (2)
- The GM-BP combined prediction model can effectively improve prediction accuracy. The prediction result of the GM(1,1) model is used as the input of the BP neural network, and the new prediction value is then output through the neural network, which can give full play to the advantages of the two models: it has the characteristics of requiring fewer samples and having a higher prediction accuracy.
- (3)
- Our validation using engineering examples shows that the GM-BP combined prediction model has significantly improved the prediction accuracy of pre-camber and that the model’s stability is stronger. From the prediction results of the pre-camber of the girder sections 11#-13#, which are to be constructed, compared with those of the GM(1,1) prediction model, the maximum relative error is reduced from 12.81% to 4.52%, and the prediction accuracy is higher; from the prediction results of the whole girder section, the predicted value of the GM-BP model is more in line with the actual value of the pre-camber, and the model’s stability is stronger.
Author Contributions
Funding
Institutional Review Board Statement
Informed Consent Statement
Data Availability Statement
Conflicts of Interest
References
- Zheng, J. Recent Construction Technology Innovations and Practices for Large-Span Arch Bridges in China. J. Eng. 2024, 40, 19. [Google Scholar] [CrossRef]
- Innocenzi, R.D.; Nicoletti, V.; Arezzo, D.; Carbonari, S.; Gara, F.; Dezi, L. A good practice for the proof testing of cable-stayed bridges. J. Appl. Sci. 2022, 12, 3547. [Google Scholar] [CrossRef]
- Yingchun, H. Application of the Kalman′s Filtering Method to the Suspension Bridge Construction Control. J. Highw. Transp. Res. Dev. 1999, 16, 35–38. [Google Scholar]
- Chen, J.; Xiang, M.; Guo, F.; Shen, C. Nerve network method in construction control for long-span bridge. Bridge Constr. 2001, 6, 42–45. [Google Scholar]
- Deng, J. Fundamentals of Grey Theory. Master’s Thesis, Huazhong University of Science and Technology Press, Wuhan, China, 2002. [Google Scholar]
- Gao, L. Application of Grey Theory in Linear Control of Beijing Fourth Ring Special Bridge. Railw. Stand. Des. 2010, 10, 61–63. [Google Scholar]
- Zhang, X.; Xie, L.; Wang, K. Temperature effects in alignment control of continuous concrete girder bridge construction. J. China Foreign Highw. 2010, 5, 36. [Google Scholar]
- Yao, R. Comparison and analysis of grey system prediction model in bridge construction monitoring technology. J. China Foreign Highw. 2011, 31, 160–163. [Google Scholar]
- Bao, Y.; Wang, C.; Zhao, J. Construction control over long-span bridge based on improved grey prediction GM(1,1) model. Railw. Eng. 2016, 18–22. [Google Scholar]
- Bao, L.; Zhou, Z.; Yu, L. Application on GM(1,1) Model Based on Cumulative Method in Bridge Construction Monitoring. J. Shenyang Jianzhu Univ. 2018, 34, 239–246. [Google Scholar]
- Hong, X.; Zhang, X. Application of Optimized Fractional Order GM (1,1) Model inBridge Alignment Control. J. Chongqing Jiaotong Univ. 2022, 41, 65–70. [Google Scholar]
- Liu, L.; Shen, Y. Application of Grey Model based on Linear Programming in Bridge Monitoring. Highway 2021, 66, 101–106. [Google Scholar]
- Rumelhart, D.E.; Hinton, G.E.; Williams, R.J. Learning representations by back-propagating errors. Nature 1986, 323, 533–536. [Google Scholar] [CrossRef]
- Yang, L.; Zhang, Y. Study on the prediction of continuous rigid frame bridge construction geometry control parameter based on neural network theory. Sichuan Build. Sci. 2011, 37, 263–266. [Google Scholar]
- Yu, J.; Wu, Y.; Su, X. Study on predication of line optimization of large-span concrete cable-stayed bridges. J. Railw. Sci. Engineering 2018, 15, 133–140. [Google Scholar]
- Zhang, X.F. The application of BP neural networks in cable-stayed construction control. Appl. Mech. Mater. 2014, 584, 2001–2005. [Google Scholar] [CrossRef]
- Zhang, J. Construction Control Method and Application of Continuous Beam-Arch Combination Bridge Based on Neural Network. Diploma Thesis, Central South University, Changsha, China, 2023. [Google Scholar]
- Zhang, H.; Huang, P.; Tian, W.; Liu, X.; Zhang, P. Analysis of Parameters for Long-span Continuous Bridges Based on Neural Network and Genetic Algorithms. J. Highw. Transp. Res. Dev. 2007, 24, 86–90. [Google Scholar]
- Liang, D.; Chen, H.; Duan, W. Neural network optimization and its application in construction monitoring. J. Hebei Univ. Technol. 2018, 47, 82–89. [Google Scholar]
- Lu, Z.; Wang, X.; Zhao, B. Prediction of construction alignment of long span continuous rigid frame bridge with corrugated steel webs based on MEC-BP surrogate model. J. Chang. Univ. 2021, 41, 53–62. [Google Scholar]







| Beam Section Number | T/°C | G/KN | L/m | h/m | f1/m | f2/m |
|---|---|---|---|---|---|---|
| 1# | 14.8 | 1436 | 9.5 | 6.89 | 0.0251 | 0.0251 |
| 2# | 13.6 | 1369 | 12 | 6.62 | 0.0314 | 0.0314 |
| 3# | 11.8 | 1433 | 14.75 | 6.34 | 0.0347 | 0.0374 |
| 4# | 8.7 | 1483 | 17.75 | 6.06 | 0.0381 | 0.0400 |
| 5# | 7.1 | 1407 | 20.75 | 5.8 | 0.0415 | 0.0421 |
| 6# | 6.3 | 1337 | 23.75 | 5.58 | 0.0446 | 0.0450 |
| 7# | 5.3 | 1378 | 27 | 5.38 | 0.0474 | 0.0471 |
| 8# | 5.2 | 1410 | 30.5 | 5.19 | 0.0501 | 0.0511 |
| 9# | 6.5 | 1344 | 34 | 5.05 | 0.0526 | 0.0523 |
| 10# | 8.1 | 1287 | 37.5 | 4.94 | 0.0547 | 0.0553 |
| 11# | 9.8 | 1240 | 41 | 4.87 | 0.0564 | 0.0564 |
| 12# | 10.3 | 1370 | 45 | 4.85 | 0.0576 | 0.0597 |
| 13# | 11.6 | 1332 | 49 | 4.85 | 0.0586 | 0.0601 |
| Beam Section Number | T/°C | G/KN | L/m | h/m | f1/m | f2/m |
|---|---|---|---|---|---|---|
| 1# | 14.80 | 1436.00 | 9.5 | 6.89 | 0.0251 | 0.0251 |
| 2# | 9.26 | 1428.64 | 14.85 | 6.44 | 0.0350 | 0.0345 |
| 3# | 9.15 | 1416.90 | 16.62 | 6.24 | 0.0369 | 0.0367 |
| 4# | 9.04 | 1405.26 | 18.61 | 6.05 | 0.0389 | 0.0390 |
| 5# | 8.94 | 1393.72 | 20.83 | 5.87 | 0.0409 | 0.0415 |
| 6# | 8.83 | 1382.27 | 23.31 | 5.69 | 0.0431 | 0.0441 |
| 7# | 8.73 | 1370.91 | 26.09 | 5.51 | 0.0454 | 0.0469 |
| 8# | 8.63 | 1359.65 | 29.21 | 5.34 | 0.0478 | 0.0499 |
| 9# | 8.53 | 1348.48 | 32.69 | 5.18 | 0.0504 | 0.0530 |
| 10# | 8.43 | 1337.41 | 36.59 | 5.02 | 0.0531 | 0.0564 |
| 11# | 8.33 | 1326.42 | 40.96 | 4.87 | 0.0559 | 0.0600 |
| 12# | 8.24 | 1315.53 | 45.85 | 4.72 | 0.0589 | 0.0638 |
| 13# | 8.14 | 1304.72 | 51.32 | 4.58 | 0.0620 | 0.0678 |
| Beam Section Number | Measured Value (m) | GM(1,1) Model | GM-BP Model | ||
|---|---|---|---|---|---|
| Predicted Value (m) | Relative Error (%) | Predicted Value (m) | Relative Error (%) | ||
| 11# | 0.0564 | 0.0600 | 6.38 | 0.0547 | 3.01 |
| 12# | 0.0597 | 0.0638 | 6.87 | 0.0570 | 4.52 |
| 13# | 0.0601 | 0.0678 | 12.81 | 0.0592 | 1.50 |
| Average relative error (%) | 8.69 | 3.01 | |||
Disclaimer/Publisher’s Note: The statements, opinions and data contained in all publications are solely those of the individual author(s) and contributor(s) and not of MDPI and/or the editor(s). MDPI and/or the editor(s) disclaim responsibility for any injury to people or property resulting from any ideas, methods, instructions or products referred to in the content. |
© 2024 by the authors. Licensee MDPI, Basel, Switzerland. This article is an open access article distributed under the terms and conditions of the Creative Commons Attribution (CC BY) license (https://creativecommons.org/licenses/by/4.0/).
Share and Cite
Li, Q.; Xie, J. Bridge Alignment Prediction Based on Combination of Grey Model and BP Neural Network. Appl. Sci. 2024, 14, 7955. https://doi.org/10.3390/app14177955
Li Q, Xie J. Bridge Alignment Prediction Based on Combination of Grey Model and BP Neural Network. Applied Sciences. 2024; 14(17):7955. https://doi.org/10.3390/app14177955
Chicago/Turabian StyleLi, Qingfu, and Jinghui Xie. 2024. "Bridge Alignment Prediction Based on Combination of Grey Model and BP Neural Network" Applied Sciences 14, no. 17: 7955. https://doi.org/10.3390/app14177955
APA StyleLi, Q., & Xie, J. (2024). Bridge Alignment Prediction Based on Combination of Grey Model and BP Neural Network. Applied Sciences, 14(17), 7955. https://doi.org/10.3390/app14177955
