Next Article in Journal
Automatizing Automatic Controller Design Process: Designing Robust Automatic Controller under High-Amplitude Disturbances Using Particle Swarm Optimized Neural Network Controller
Previous Article in Journal
Innovative Data-Driven Machine Learning Approaches for Predicting Sandstone True Triaxial Strength
 
 
Font Type:
Arial Georgia Verdana
Font Size:
Aa Aa Aa
Line Spacing:
Column Width:
Background:
Article

Implementation of a Two-Dimensional Finite-Element Fatigue Damage Model with Peridynamics to Simulate Crack Growth in a Compact Tension Specimen

1
John Deere Product Development Center, 1800 158th Street North, East Moline, IL 61244, USA
2
Department of Mechanical Engineering, Northern Illinois University, DeKalb, IL 60115, USA
3
Department of Mechanical Engineering, Binghamton University, Binghamton, NY 13902, USA
*
Author to whom correspondence should be addressed.
Appl. Sci. 2024, 14(17), 7858; https://doi.org/10.3390/app14177858
Submission received: 16 July 2024 / Revised: 31 July 2024 / Accepted: 21 August 2024 / Published: 4 September 2024

Abstract

The traditional finite element method (FEM) has limitations in accurately modeling crack propagation. Peridynamics, a nonlocal extension of the classical continuum theory, provides an alternative approach to remedy the limitations of the FEM but with a higher computational cost. In this paper, a peridynamic bond-based fatigue damage model is developed and incorporated into a commercial finite-element software (ABAQUS 2017) via user subroutines. Model-predicted results including the crack path spatial position and the damage accumulation rate were validated against empirical data. The predicted crack growth as a function of loading cycle and crack trajectory showed good agreement with the experimental data over 200,000 loading cycles. Therefore, the integration of the peridynamic bond-based fatigue damage model into existing FEM software provides an economical means to simulate complex fracture behaviors, such as crack growth, in a compact tension specimen examined in this paper.

1. Introduction

Numerous advancements have been made in the field of structural mechanics over the last century. However, the current fracture mechanics formulated in partial differential equations (PDE) is plagued by limitations in describing the material response near a crack tip [1]. For example, linear elastic fracture mechanics is hindered by stress singularity at a crack tip or other discontinuity. Different methods were proposed to model fracture, such as using micromechanical models to represent the evolution of damage [2], the crack band models [3], the arbitrary local mesh replacement method [4], cohesive zone elements [5] and the extended finite element method (XFEM) with minimal remeshing [6]. However, these methods are all formulated based on the assumption of continuity or differentiability of the displacement field.
A relatively new theory known as peridynamics has been developed to use a nonlocal theory to describe crack growth that may resolve issues associated with the classical continuum theory, such as the need for remeshing and external growth criteria. The peridynamics equilibrium equations are formulated in integro-differential equations as opposed to the differential equations in the classical theory where only continuum points in direct contact can exert a force on each other. Additionaly, the peridynamic theory is a meshless numerical scheme in which a material body is divided into collocation points representing differential material volumes. A material volume exerts forces on all neighboring material volumes within a boundary of finite distance known as the horizon. These internal forces are represented as “bonds” between collocation points. Damage then accumulates due to a critical load or cyclic load. The bonds are severed when damage reaches a critical level, allowing for a natural progression of macro damage (visible as a crack).
As peridynamics is a nonlocal theory, it does not have the same computational efficiency as the traditional, local theory-based FEM. One way to improve on the computational costs of peridynamics is to pair the peridynamic theory with the existing FEM for facture and damage modeling. It was first shown in the study of Macek and Silling [7] that the bonds between collocation points can be properly modeled using truss elements. The FEM solutions for dynamic brittle fracture and ductile fracture by applying peridynamics have previously been reported by Baydoun et al. [8] and Yolum et al. [9], respectively.
Traditional equations of motion in fracture mechanics are obtained by the spatial derivative of the stress tensor, which is the T i j term in Equation (1).
ρ u ¨ i = T i j x j + b i
where ρ is the density, u ¨ i is the acceleration, b i is the body force term.
The peridynamic equation of motion shown in Equation (2) was first proposed by Silling [10], who used an integro-differential equation to establish the internal force vectors.
ρ ( x ) u ¨ i ( x , t ) = H x f i ( q , x , t ) d V q + b i ( x , t )
The f i ( q , x , t ) term is the bond force density, which is a corollary to the traction vector acting on a subdomain. u i is the i th component of the displacement. Different from the classical continuum theory, the peridynamic theory uses nonlocal interactions for force summation. Specifically, the integral represents the net force acting on a material point as described by all interacting material points exerting influence over a finite distance, opposing to the directly adjacent material points as used in the local theory. These interacting material points with the finite distance collectively make up a region known as the horizon. Analytical solutions of the peridynamic equation of motion are limited. Silling et al. [11] developed an analytical solution for the static case of a 1D peridynamic bar under self-equilibrated loading. The dynamic response of a 1D bar subject to end loading was obtained in the study of Weckner et al. [12], where Green’s functions were utilized to obtain the solution. Mikata [13] expanded the analytical forms previously obtained to additional cases by constructing the solution in terms of a convergent integral and Dirac delta functions.
Peridynamics is commonly described as a link between the continuum theory and the molecular dynamics. Interactions exist between all material points within a boundary known as the horizon. In this manner, peridynamics introduces a length scale to the governing equations. The size of the horizon can represent a physical material length scale such as grain size or it can be non-physical. Suggested limits on the horizon size were discussed in the publications by Bobaru and Hu [14] and Le and Bobaru [15]. As the limit of the horizon shrinks approaching zero, the peridynamic theory converges to the classical theory of elasticity [16]. The essence of using integration, not differentiation, in calculating the force on a material particle through non-local force interactions, makes peridynamics attractive in modeling problems discontinuity such as crack propagation and damage [10].
The objective of the current study is to implement an efficient fracture and damage model through integrating peridynamics with FEM. Specifically, the newly developed 2D peridynamics is implemented in commercially available FEM software ABAQUS to simulate complex fracture behaviors, such as crack growth in a compact tension specimen as a testing case. The remainder of the paper is organized as follows. The implementation of peridynamics and its integration with FEM is described first (Section 2), and then followed by experimental validation and discussions on crack path prediction and fatigue life (Section 3). Lastly, concluding remarks are provided in Section 4.

2. Implementation of the Algorithms of Fatigue and J-Integral in FEM

The peridynamic theory utilizes a meshless discretization for material characterization. A body is subdivided into domains at the center of which exists a collocation, or material point. Each of these collocation points interacts with neighboring points within the horizon via an axial “bond” force that is coincident with the position vector in the current configuration.
The interactions of these “bonds” can be described in existing Finite Element software by truss elements, and the material points can be represented by nodes. Truss elements are capable of transmitting only axial forces with no capability for shear or bending loads. This makes these elements well suited to represent the peridynamic force between neighboring collocation points. For truss elements, the conventional notion of strain in classical continuum mechanics is equivalent to stretch in the Peridynamic theory as examined by Macek and Silling [7]. By noting that the bond force density is force per volume squared, an equation can be established between Peridynamic stretch and strain in a truss as
ϵ = δ L = F A E = F c V i V j
where δ represents change in length in the axial direction, L and A are the respective length and cross sectional area of the truss, E is the Young’s modulus, F is the truss net force in each of the theories, and V i and V j represent the material volumes associated with the two end nodes of the truss. c is a micro-elastic modulus used in peridynamics, first described by Macek and Silling [7] as
c = A E V i V j
Equation (4) is simplified by noting that in this study, a square 2D discretization is used resulting in V i = V j . Because the distance between adjacent nodes can be described by the grid spacing, Δ x , V i and V j are then both equal to Δ x 2 t where t is the thickness. Then Equation (4) becomes
c = A E Δ x 4 t 2
As the peridynamic bond force is described by the micromodulus c, the individual choice of values for A and E is arbitrary. In this paper, the method proposed by Macek and Silling [7] was used to maintain physical units for A and E
A = Δ x 2 , E = c Δ x 2 t 2
By relating the strain energy with the classical continuum mechanics theory, for a uniform spatial discretization, c = 18 K / π δ 4 for 3D models and c = 12 K / π δ 3 t for 2D models where K and K are the bulk moduli for the 3D and 2D materials, respectively, [7,17].
Due to the nonlocal nature of the peridynamic solution, a much greater number of elements are present than in a typical finite element solution. Depending on the horizon size, a single node will contain tens or possibly hundreds of elements which poses a difficulty for manual generation of the mesh. Therefore, a script was developed in Fortran to automate mesh generation.
A subprogram first discretizes the geometry into smaller subdomains consisting of collocation points (nodes). While it is possible to spatially vary the density of the nodes, the program developed for this application utilizes a uniform grid, as shown in Figure 1. Following the definition of nodes, a second subprogram generates the truss element assemblage by identifying the family of nodes for each node given a specified horizon size. Truss elements are created once the family of each node has been determined. The subprogram also contains an algorithm to form a precrack by deleting elements crossing a specified plane (line in 2D), see the dashed bonds in Figure 1. A third subprogram groups elements based upon family data. The node family is determined for each node and used in Equation (7) to compute the required correction factor. This allows elements to be grouped based on specific material cards which account for varying stiffness near the boundaries.
For peridynamic modeling convergence studies are necessary for (a) the overall size of the horizon and (b) the number of grid points contained within the horizon. The first of these convergence studies is known as δ -convergence. The second is known as m-convergence as it is common to define the horizon as δ = m ( Δ x ) where m is an integer value describing the ratio of horizon size to grid size and Δ x is the spacing between grid points. As described in the study of Le et al. [15] it has been shown that m values between 4 and 6 provide accurate results for most cases. An m value of 4 was utilized by Zhang et al. [18] with good correlation to experimental results and this choice of m will be repeated in the present analysis.

2.1. Implementation of the Surface Correction Factor

Implementation of the peridynamic theory in an FEM software package does not allow for the micromodulus, or the corrected micromodulus, to be input directly. The solution is formulated in terms of the stiffness of truss elements representing bonds with characteristics of length, area, and elastic modulus. The micromodulus of bonds near a free surface may be described as the product of c and a correction factor λ to obtain ccorrected. Substituting ccorrected into Equation (6) gives a corrected Young’s modulus, EFE,corrected, in terms of a corrected micromodulus. The correction factor for each load case can be evaluated via a slight modification to the Volume Method for surface correction. Noting that for a square grid the volume of each collocation point is the same, the correction factor may be written in terms of the number of nodes contained in the family. By evaluating the number of nodes in the family of x and q as Nx and Nq, and N0 as the number of nodes in the family of a node in the bulk, the correction factor can be written as
λ = 2 Δ x 3 N 0 Δ x 3 ( N x + N q ) = 2 N 0 N x + N q
This procedure does not apply a correction for material volumes bisected by the horizon which have only partial volumes contained inside the horizon. Methods for such volume correction have been established in the book of Madenci and Oterkus [17].
In this study, a procedure is outlined, as the flow chart shown in Figure 2, by which the remaining life fatigue damage model can be paired directly with an existing FEM software via use of user subroutines. Firstly, the whole domain is divided into FEM region (continuum) and peridynamics region (bonds). Next, the global stiffness matrix is assembled by adding element matrix obtained from continuum mechanics and from peridynamics. Then boundary conditions are applied before solving the linear system. After that, the strain for each bond in peridynamic region is checked to see if any bond will be broken. The updated bond connection will lead to an updated stiffness matrix that will be assembled to the global stiffness so that it will move to the next time step. Interested readers are referred to literature [18,19] for more details. ABAQUS was used as the platform for this study. The ABAQUS subroutines USDFLD (user-defined field variables) and URDFIL (user-defined subroutine for reading the results .fil file) are capable of satisfying the requirements of the fatigue damage model. The function of the URDFIL subroutine allows access to nodal and element data at the end of every solution step. The USDFLD subroutine allows access to element integration point variables and modification of solution dependent variables during a solution step.
ABAQUS allows for unique variables to be defined via the solution-dependent variables (SDV) functionality. This method allows variables to be stored in the ABAQUS framework rather than in an external array allowing for reduced computation time and enabling results to be plotted readily. In this study, two SDVs were defined for each element with one retaining the remaining life of the particular element and the other maintaining element status (intact or severed). Remaining life was initialized as one for all elements in the model in the first step of the analysis, and was updated in each subsequent step. The element status parameter was initially a uniform value of one for all elements in the model. Once the remaining life of a particular element was less than or equal to zero, the status was changed to zero and the element was inactivated (deleted from the solution phase).

2.2. Locating the Crack Tip and Identifying the Damage Region

As described in Section 2.1, there are two phases associated with the remaining life damage model, Crack Initiation (Phase I) and Crack Growth (Phase II), and it becomes necessary to define the current phase for each bond. As described in the research by Silling and Askari [20], phase II damage applies to (a) bonds within the horizon of a pre-crack tip or (b) those lying in a region which has transitioned from phase I to phase II. For all other regions, phase I would apply. A pre-crack was present in the CT specimen used for this study and therefore, all elements within the horizon of the crack tip were initialized to phase II, bypassing the initiation phase. Due to the presence of a pre-crack, initiation at other locations in the model, including free surfaces formed by the crack away from the crack front, were not tracked. In more complex, real-world applications where failure behavior cannot be surmised, the analysis could be expanded to all locations away from the crack tip using the fatigue thresholds suggested in the publications by Silling and Askari [20] and Zhang and Bobaru [21].
It has already been noted that the core bond is the element undergoing the largest amount of strain in the vicinity of the crack. It is necessary to track the core bond throughout the simulation as this element defines the crack tip and thus the elements that are susceptible to a reduction in remaining life. The URDFIL user subroutine was used to access element strain data and from a search for the maximum value, the coordinates of the crack tip were identified. The crack growth phase of the damage model requires that bonds on the edge of the horizon, or beyond, have remaining life equal to one and remaining life degrades only for those bonds within the horizon of the crack tip. This subset of elements was identified based on element centroid values. The URDFIL subroutine allows access to centroid locations for all elements such that, once the core bond location is known, the remaining elements subject to damage accumulation can be found.

2.3. Bond Damage and Deletion

With the horizon region of the crack tip identified in the URDFIL subroutine, the USDFLD subroutine was used to compute the change in remaining life parameter λ according to Equation (8).
λ ( N ) N = A ϵ m
The parameters A and m were established prior to the start of the simulation. The remaining life parameter λ , and cyclic bond strain ϵ , were evaluated from the static simulations. In this study, a constant load ratio R was used where R is defined as
R = L o a d m i n L o a d m a x
Given the assumption of linearity, the load ratio combined with the maximum load condition allowed the cyclic strain range to be computed by only simulating the maximum load state. The processes of Silling and Askari [20] were used in this study to calculate the cyclic strain range
ϵ c y l i c = | ϵ m a x ϵ m i n | = | ( 1 R ) ϵ m a x |
A time mapping was introduced which defined a relation between fatigue cycles and simulation steps. A similar relation to the one given by Silling and Askari [20] was used in the present work but rather than define mapping between fatigue cycles and fictitious simulation time, simulation step number was used. As shown in Equation (11), the number of fatigue cycles at any instance of the simulation, N, is given by the current time step, n i , and a constant mapping coefficient, μ . For all horizon sizes, a value of μ = 900 was utilized.
N = μ ( n i 1 )
All elements were initialized to have remaining life equal to one. A conditional statement was included within the USDFLD subroutine which checked the remaining life value for all elements during each time step. The SDV used for monitoring element status was used as a deletion flag and was updated based on the value of remaining life. Any element with remaining life below 0 had the status SDV changed to inactive and the element was removed from the model.

2.4. Calculation and Evaluation of the Peridynamic J-Integral

The peridynamic J-integral calculation can be broken into subsequent procedures where mesh and contour integration dependent data are obtained, the first and second terms of the J-integral are calculated, and finally the J-integral is calculated seen as the flow chart shown in Figure 3. User-defined subroutines such as URDFIL and USDFLD do not have access to nodal position data or element connectivity data and thus it is necessary to read this data into arrays managed by the user. The most efficient method is to read portions of the solver file (the FE data file containing the mesh and boundary conditions) and store the data into an array containing node data and an array containing element data.
To complete the configuration portion of the J-integral algorithm, coordinates of the corners of a rectangular integration path are specified. Due to the path independence of the J-integral an arbitrary size and shape can be selected with some exceptions to the proximity to boundaries and the crack tip as outlined by Hu et al. [22]. For simplicity of calculation a rectangular contour is chosen as shown in Figure 4. The contour path lies halfway between collocation points of the uniform mesh.
The first term of the J-integral is the evaluation of the flux of strain energy across the integration boundary. To define this value, it is necessary to establish the nodes along the integration contour. Nodes encompassing the integration path are found from a search algorithm which utilizes the user-input coordinates from the corners of the integration path and the nodal array data. Strain energy density at the collocation points is found via a relation to strain energy in each of the connected truss elements. The relation for strain energy density in the truss elements is developed by first replacing the micromodulus with its representation in terms of FE parameters from Equation (4) for the determination of micropotential. The micropotential function is then described in the form given by Equation (12).
ω = 1 2 A E V x V q S 2 | ξ |
Noting that | ξ | = L and S = ϵ , where L and ϵ are truss initial length and truss strain, respectively, Equation (12) can be rewritten as Equation (13).
ω = 1 2 A E V x V q ϵ 2 L
Recall that for a single tension/compression member, such as a truss subject to applied load, the strain energy is given as Equation (14).
U F E = 1 2 A E L ϵ 2
To provide the total strain energy density at a collocation point the integral representation of strain energy density is written in discretized form as
W ( x ) 1 2 q = 1 family of x ω V q = 1 2 q = 1 family of x ( U F E V x V q ) V q = 1 2 q = 1 family of x U F E V x
where micropotential described by Equation (12) has been simplified by noting the relation of truss element strain energy density described by Equation (14).
The parameter U F E is determined from the strain energy density of the truss, available as output data from the FEM solution and its volume. Strain energy results are averaged from collocation points on either side of the integration path to obtain the strain energy density on the path. With strain energy density known at discrete locations on the contour, the first term of the peridynamic J-integral is calculated by the product of strain energy density, the outward normal of the integration path, and the grid spacing.
The second term of the J-integral involves integration over a region rather than along a contour in the classical sense, due to the nonlocal attribute of peridynamics. To establish this region, it is necessary to identify all bonds which transmit force across the integration contour. Once bonds (truss elements) meeting the aforementioned criteria have been identified, the URDFIL subroutine is used to extract nodal displacements and truss element stresses pertinent to these elements.
Peridynamic bond force can be developed from truss element stress via the relation between the micromodulus and FE parameters, and the equivalence of Peridynamic stretch to strain in continuum mechanics as
f = σ ( Δ x ) 2 t 2
Vector components of the bond force density in the global x- and y-coordinates are calculated based on nodal positions stored in the user array. Displacement derivatives are calculated for an arbitrary node q as provided in the derivation of the Peridynamic J-Integral by Hu et al. [22] as
u 1 q x 1 u 1 ( x 1 q + Δ x , x 2 q ) u 1 ( x 1 q Δ x , x 2 q ) 2 Δ x
u 2 q x 1 u 2 ( x 1 q + Δ x , x 2 q ) u 2 ( x 1 q Δ x , x 2 q ) 2 Δ x
A similar calculation is completed for the adjacent node forming the bond, node x. Here q represents one of two nodes composing a bond, u is the displacement vector, Δ x is the grid spacing, and x 1 and x 2 correspond to the horizontal and vertical coordinate axes, respectively. Numerical evaluation of the second term of the Peridynamic J-integral is computed as the scalar product of the bond force density vector and the sum of the displacement derivatives. The complete J-integral can then be found as the sum of the first and second terms.

3. A Case Study for Validating the Proposed Model and Process

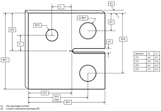
The peridynamic theory was implemented in this study to characterize the crack growth in a compact tension (CT) specimen with an initial precrack. The present study is modeled after the experiments by Miranda et al. [23] and peridynamic simulations by Zhang et al. [18]. Miranda et al. [23] conducted research into the fracture behavior of a standard CT specimen used for determining fracture toughness material parameters, but modified their tests with the addition of a hole. Four unique variations of this “modified” CT specimen were defined which exhibit unique behavior in the presence of a growing crack. Each of the variations altered the spatial position of the added hole relative to the initial crack tip. By altering the parameters X1 and Y1 from Figure 5, the authors showed that growth of the crack would either sink into the hole or bypass it along a unique path. In Figure 5, the dimension unit is mm.
This paper implemented the peridynamic theory for solution of the crack growth problem from the experiments by Miranda et al. [23] in a commercially available finite element package. At present, most solutions for the governing equation of peridynamics have been via Matlab or Fortran codes developed specifically for that purpose, or via open-source peridynamic codes in the studies [18,20,24,25,26]. Implementing a peridynamic solution in a finite element framework would utilize the inherent efficiencies of the nonlinear solvers contained in commercial FE code and would allow for a wider array of problems to be solved. Peridynamics has been successfully implemented into ABAQUS software for the case of dynamic brittle fracture [8] and for the case of ductile fracture [9]. The present work implemented peridynamics into ABAQUS for a high cycle fatigue analysis.
The specimen CT1 was selected from the available configurations analyzed by Miranda et al. [23] for the present work. Geometry of the specimen can be found in Figure 5. The problem was formulated according to the 2D bond-based theory for plane strain. The experimental sample was an SAE 1020 steel with modulus E = 205 GPa and Poisson’s ratio of 0.29 used in the research by Miranda et al. [23]. The sample contained a precrack of length 0.9 mm.
A convergence study was completed for δ convergence. Horizon sizes of 1.2 mm, 0.6 mm, and 0.5 mm were utilized for the present work which correspond to model sizes of 15,000, 60,000 and 90,000 nodes. Plots of the crack path show that for the coarsest mesh the crack propagates into the hole rather than bypassing it. Good agreement is achieved between the crack paths for horizon sizes of 0.6 mm and 0. 5mm. Fatigue life predictions are reported for the model with horizon size of 0.5 mm.

3.1. Boundary Conditions for Static Solution

A multi-step analysis was used to model the crack growth over a large number of cycles. Crack growth was assumed to be quasi-static such that the crack growth could be divided into a series of linear static load steps. In each step, loads were applied at the outermost nodes of the upper and lower pin holes.
For the experiments, the authors updated the loading to maintain a near-constant stress intensity factor at the crack tip and this method was repeated in simulation so as to establish similar boundary conditions in the experimental work of Miranda [23]. The experimental crack growth data for the modified CT specimen was obtained utilizing a constant stress intensity factor range at the crack tip and a loading program was created for the test apparatus which maintained a constant Δ K I value of 20 MPa (m)1/2. Loading was updated multiple times throughout the analysis so as to maintain a near constant stress intensity factor at the crack tip.

3.2. Calculating the Stress Intensity Factor Range and Load Adjustment

After calculating the J-integral value, it could then be used to calculate the stress intensity factor range. A relation between the J-integral and the stress intensity factor for all three fracture modes was by J.R. Rice [27] for linear elastic solids as shown in Equation (19).
J = 1 ν 2 E ( K I 2 + K I I 2 ) + 1 + ν E ( K I I I 2 )
where K denotes the stress intensity factor (SIF) and the subscripts I, I I , and I I I denote the particular fracture modes. For plane strain conditions K I I I is equal to zero and Equation (19) can be simplified to
J = 1 ν 2 E ( K I 2 + K I I 2 )
For the CT specimen the loading is mode I dominated with small mode II contributions and the J-integral can be approximated as
J 1 ν 2 E ( K I 2 )
To establish the relation between the SIF and the SIF range, the definition of the load ratio is revisited. Previously, R was defined in Equation (9) as the ratio of minimum and maximum loading. By noting that the SIF is proportional to load for materials with linear response, R can be redefined as
R = K M I N K M A X
K M A X is the mode I contribution of the SIF and is obtained from the FE solution of the J-integral and Equation (21). For a specific load ratio R, the SIF range can be calculated without directly simulating the minimum load condition as done in the study of Zhang et al. [18]
Δ K I = K M A X K M I N = K M A X R K M A X = K M A X ( 1 R )
In order to maintain a constant Δ K I = 20 MPa (m)1/2, same as in the experiment, the stress intensity factor range is computed according to Equation (24) provided by Zhang et al. [18] and the applied load is adjusted.
Δ K I J E 1 ν 2 ( 1 R )
The load is adjusted according to Equation (25). During the first cycle an initial load, P 0 , is applied to produce Δ K I = 20 MPa (m)1/2. In subsequent steps the initial load is reapplied and the J-integral obtained and used to calculate the SIF range. By taking the product of the initial load P 0 and the ratio of SIF ranges at the initial time step and at the nth time step, the updated load P n can be calculated.
P n = P 0 Δ K 0 ( P 0 ) Δ K n ( P 0 )

3.3. Crack Path Predictions and Fatigue Life

Crack path prediction has posed a challenge in traditional FEM and XFEM methods with multiple theories (maximum potential energy release rate, maximum stress, and minimum strain energy density factor, etc.) providing mixed results in accurate prediction of growth direction. In the experiments with CT specimens by Miranda et al. [23], an auxiliary hole was added to introduce greater variability in growth direction for small adjustments in geometry. It was shown in the book by Kundu [28] that for pure mode I loading, a crack will propagate purely in the horizontal direction (normal to the applied tensile load). By introducing an auxiliary hole, the mode II stress intensity factor, K I I , is no longer zero and an unsymmetric crack path results. It is plausible to assert that the crack will propagate towards the upper half of the sample given that the cross sectional area of the sample is reduced in this region by the addition of the tertiary hole. It leads one to predict a crack would propagate mostly horizontal from right to left as described in [28] with some bias toward the upper half of the specimen where strain energy density is greater.
In the experiments, the tertiary hole position was varied up to a maximum of 1.5 mm from the CT1 configuration used in this study as shown in Figure 5. Each of the experimental samples generated a unique crack path trajectory which either bypassed the tertiary hole or terminated at the added hole. The crack propagation behavior observed experimentally for the geometry of the CT1 specimen used in this case study was such that the crack initially propagated towards the tertiary hole but bypassed it as the crack advanced. Figure 6 shows the experimental results of the CT1 specimen from Miranda et al. [23].

3.4. Results and Discussion

Damage plots from this study, shown for all three mesh densities ( δ = 1.2, 0.6 mm and 0.5 mm) in Figure 7, Figure 8 and Figure 9, demonstrate that for a mesh density which is sufficiently refined, crack path behavior is in agreement with experimental results.
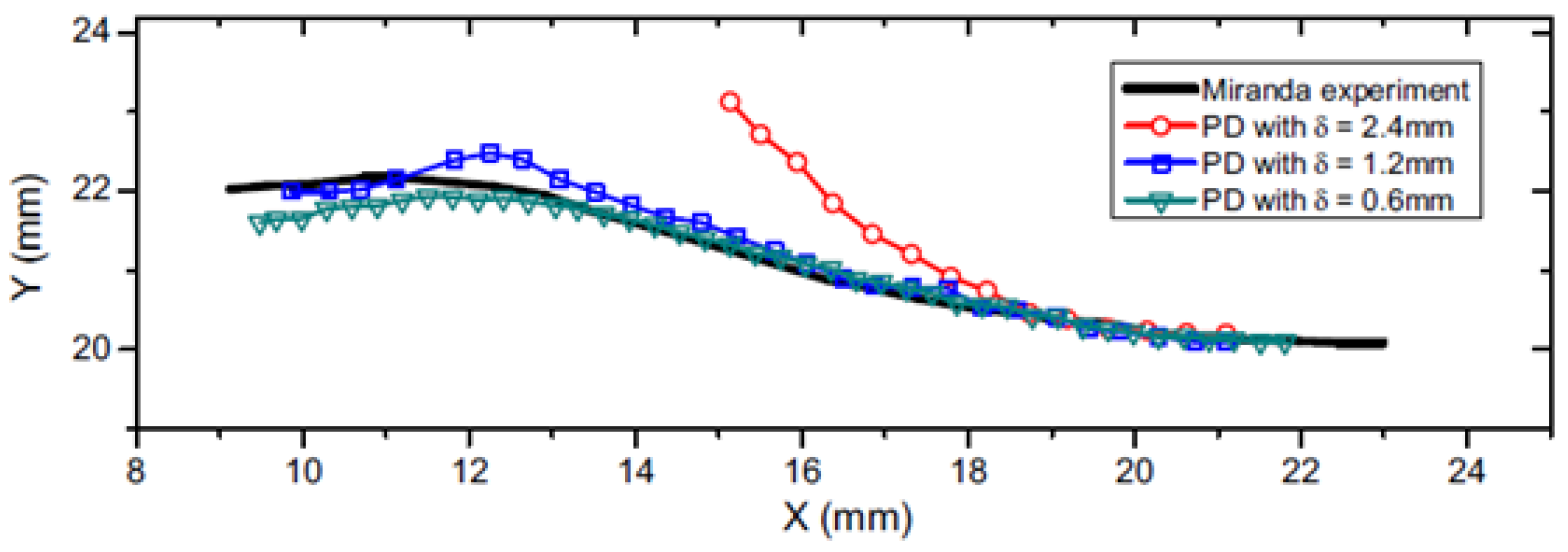
Figure 10 compares the simulated crack path to the experimental crack path with the X-coordinate representing horizontal growth of the crack parallel to the initial precrack and the Y-coordinate representing growth in the vertical direction. The path for the coarsest mesh ( δ = 1.2 mm) propagates into the tertiary hole and does not converge to the experimental path over any portion of the advance. Despite this, it is obvious that the path results are very similar for horizon sizes of δ = 0.6 mm and δ = 0.5 mm providing confidence that the mesh density is sufficient to obtain converged results. The location at X = 22 is the initial crack location.
Correlation of both refined models to the experimental crack path is achieved for crack tip spatial position of the X-coordinate in the range of 14 mm to 22 mm. Thus, the simulation accurately predicts the crack path over the first 200,000 cycles. At X values less than 14 mm the path flattens ahead of the “knee” in the experimental crack path. It was previously noted that for a mode I crack, the crack would grow purely in the horizontal direction. Deviation from this horizontal path occurs when mixed-mode loading occurs (i.e., introduction of K I I ). When deviation occurs towards the end of the simulation the crack is growing purely in the horizontal direction suggesting the K I I component is under-represented.
Results for X < 14 mm might be improved with further refinement of the grid size near the tertiary hole. As observed in Figure 11, the results of Zhang et al. [18] matched very well for horizon sizes of δ = 1.2 mm and δ = 0.6 mm up to X = 14 mm, where the X-coordinate is aligned to the horizontal direction. For X values less than 14 mm, the δ = 1.2 mm mesh significantly over-predicted the Y-coordinate of the crack path while the δ = 0.6 mm model under-predicted the Y-coordinate. This result indicates that the relative coarseness of the mesh at the tertiary hole has a significant effect on the strain field near the crack front as the crack path nears the hole. Figure 12 shows the comparisons of the simulations of this study with the study of Zhang et al. [18]. Results in the present study underestimated the Y-coordinate of the crack path for X < 14 mm for δ = 0.5 mm and δ = 0.6 mm similar to the study by Zhang et al. [18].
It is important to note that differing convergence rates were achieved in the present study and the study by Zhang due to the choice of micromodulus function. A constant micromodulus function was utilized in the present study due to its ease of implementation in ABAQUS code, while the work by Zhang utilized a conical micromodulus function. This conical micromodulus has been shown to converge at a faster rate compared to classical elasticity solutions [29]. Further refinement of the mesh near the tertiary hole via a non-uniform mesh is left for future study.
In the simulation as well as the experimental tests after which the simulation is modeled, a near constant stress intensity factor range of 20 Mpa (m)1/2 was maintained at the crack tip. Through material testing Miranda et al. [23] showed that this stress intensity factor (SIF) range lies in the stage II regime of a Paris Law plot allowing for the use of Equation (26), stated below.
d a d N = c Δ K m
With c and m fixed based on material and a near constant Δ K , the value of the growth rate will be constant. Integrating d a / d N = constant in Equation (26) shows that the crack length will be a linear function of the number of applied cycles. Figure 13 plots the empirical crack growth data along with simulated results for horizon sizes of 0.6 mm and 0.5 mm. A linear trend is observed for the empirical data as well as the simulations, providing evidence that the simulation results are matching very well with experimental data.

4. Conclusions

In this study, a peridynamic fatigue damage model was implemented in a commercial FEM software. To the best of the author’s knowledge, this is the first such usage of integration of a peridynamic high cycle fatigue model within a finite element software. The solving of high cycle fatigue problems is added to the library of problems where peridynamics has been implemented in FEM to obtain a solution, including ductile fracture of metals, fracture of laminated composites, and highly dynamic failures such as impact damage [7].
By utilizing ABAQUS as the underlying structure as in the current and aforementioned studies, more rapid diffusion of the Peridynamic theory is possible in an industrial setting. Current limitations imposed by the Peridynamic theory include limited availability of solutions and limited access to the workings of the theory. Commercial solution methods for the traditional finite element theory include ABAQUS, ANSYS, NASTRAN and others. No such group of packages exists in the Peridynamic theory and most solutions to date have been obtained via (1) customized user coding in FORTRAN or Matlab, (2) the open-source technologies Peridigm and its predecessor EMU, or (3) the PDIFEA methods used here. Limitations imposed by the first two of these strategies include initial time investment to code a custom solution and software limitations imposed by restricted operating systems for the open-source solutions, respectively. By utilizing PDIFEA, there is much less coding required compared to a custom solution and the solution is obtained without investment in new software or computing platforms.
One caveat of using a PDIFEA solution is limitations on the theory imposed by adapting the theory to an FEM solver. In the present case, the choice of micromodulus function was predicated on ease of implementation, although other micromodulus functions provide faster convergence rates. While restrictions are placed on PDIFEA, many of the roadblocks imposed by the theory can be offset by benefits. Each Peridynamic collocation point can have tens or hundreds of interactions as opposed to local theories, such as FEM, where interactions are less than a dozen. Many complex problems that cannot be solved by peridyanmic theory in a time-efficient manner can be undertaken with PDIFEA. Various computing methodologies have been proposed in the literature wherein select regions of a model are modeled with Peridynamic theory and the remainder use FEM for a more computationally economical solution. The use of PDIFEA allows for a single solution. Furthermore, PDIFEA allows many of the efficiencies from FEM such as contact algorithms, submodeling, etc., to be incorporated.
From the present study, PDIFEA solutions provide an economical solution with similar accuracy when considering implementation in a dedicated Peridynamic code. The rate of crack advance in the present study agreed well with the empirical results over the entirety of the simulation. Crack path trajectory correlated well with empirical results only beginning to underpredict the trajectory beyond 200,000 cycles. For comparison purposes, the custom code solution by Zhang indicated successful correlation up to approximately 260,000 cycles [18]. This tradeoff in accuracy at extended cycles may be tolerated in certain industrial applications given the lower threshold for investment in the PDIFEA solution.

Author Contributions

Conceptualization, K.M., T.X., J.-T.G. and J.T.; methodology, K.M., T.X., J.-T.G. and J.T.; software, K.M.; validation, K.M.; formal analysis, K.M.; investigation, K.M.; resources, J.-T.G.; data curation, K.M. and J.-T.G.; writing—original draft preparation, K.M. and L.C.; writing—review and editing, K.M., L.C., T.X., J.-T.G. and J.T.; project administration, J.-T.G. All authors have read and agreed to the published version of the manuscript.

Funding

This research received no external funding.

Institutional Review Board Statement

Not applicable.

Informed Consent Statement

Not applicable.

Data Availability Statement

The raw data supporting the conclusions of this article will be made available by the authors on request.

Conflicts of Interest

Author Kyle Mansfield was employed by the company John Deere Product Development Center. The remaining authors declare that the research was conducted in the absence of any commercial or financial relationships that could be construed as a potential conflict of interest.

References

  1. Silling, S.A.; Lehoucq, R.B. Peridynamic theory of solid mechanics. Adv. Appl. Mech. 2010, 44, 73–168. [Google Scholar]
  2. Gurson, A.L. Continuum Theory of Ductile Rupture by Void Nucleation and Growth: Part I—Yield Criteria and Flow Rules for Porous Ductile Media. J. Eng. Mater. Technol. 1977, 99, 2–15. [Google Scholar] [CrossRef]
  3. Bažant, Z.P.; Oh, B.H. Crack band theory for fracture of concrete. Matériaux Constr. 1983, 16, 155–177. [Google Scholar] [CrossRef]
  4. Rashid, M. The arbitrary local mesh replacement method: An alternative to remeshing for crack propagation analysis. Comput. Methods Appl. Mech. Eng. 1998, 154, 133–150. [Google Scholar] [CrossRef]
  5. Hillerborg, A.; Modéer, M.; Petersson, P.E. Analysis of crack formation and crack growth in concrete by means of fracture mechanics and finite elements. Cem. Concr. Res. 1976, 6, 773–781. [Google Scholar] [CrossRef]
  6. Belytschko, T.; Black, T. Elastic crack growth in finite elements with minimal remeshing. Int. J. Numer. Methods Eng. 1999, 45, 601–620. [Google Scholar] [CrossRef]
  7. Macek, R.W.; Silling, S.A. Peridynamics via finite element analysis. Finite Elem. Anal. Des. 2007, 43, 1169–1178. [Google Scholar] [CrossRef]
  8. Baydoun, M.; Fries, T. Crack propagation criteria in three dimensions using the XFEM and an explicit–implicit crack description. Int. J. Fract. 2012, 178, 51–70. [Google Scholar] [CrossRef]
  9. Yolum, U.; Taştan, A.; Güler, M.A. A peridynamic model for ductile fracture of moderately thick plates. Procedia Struct. Integr. 2016, 2, 3713–3720. [Google Scholar] [CrossRef]
  10. Silling, S.A. Reformulation of elasticity theory for discontinuities and long-range forces. J. Mech. Phys. Solids 2000, 48, 175–209. [Google Scholar] [CrossRef]
  11. Silling, S.A.; Zimmermann, M.; Abeyaratne, R. Deformation of a peridynamic bar. J. Elast. 2003, 73, 173–190. [Google Scholar] [CrossRef]
  12. Weckner, O.; Brunk, G.; Epton, M.A.; Silling, S.A.; Askari, E. Green’s functions in non-local three-dimensional linear elasticity. Proc. R. Soc. A Math. Phys. Eng. Sci. 2009, 465, 3463–3487. [Google Scholar] [CrossRef]
  13. Mikata, Y. Analytical solutions of peristatic and peridynamic problems for a 1D infinite rod. Int. J. Solids Struct. 2012, 49, 2887–2897. [Google Scholar] [CrossRef]
  14. Bobaru, F.; Hu, W. The meaning, selection, and use of the peridynamic horizon and its relation to crack branching in brittle materials. Int. J. Fract. 2012, 176, 215–222. [Google Scholar] [CrossRef]
  15. Le, Q.; Bobaru, F. Surface corrections for peridynamic models in elasticity and fracture. Comput. Mech. 2018, 61, 499–518. [Google Scholar] [CrossRef]
  16. Silling, S.A.; Lehoucq, R.B. Convergence of peridynamics to classical elasticity theory. J. Elast. 2008, 93, 13–37. [Google Scholar] [CrossRef]
  17. Madenci, E.; Oterkus, E. Peridynamic Theory and Its Applications; Springer: New York, NY, USA, 2014. [Google Scholar]
  18. Zhang, G.; Le, Q.; Loghin, A.; Subramaniyan, A.; Bobaru, F. Validation of a peridynamic model for fatigue cracking. Eng. Fract. Mech. 2016, 162, 76–94. [Google Scholar] [CrossRef]
  19. Huang, X.; Bie, Z.; Wang, L.; Jin, Y.; Liu, X.; Su, G.; He, X. Finite element method of bond-based peridynamics and its ABAQUS implementation. Eng. Fract. Mech. 2019, 206, 408–426. [Google Scholar] [CrossRef]
  20. Silling, S.A.; Askari, A. Peridynamic Model for Fatigue Cracking; Technical Report; Sandia National Lab (SNL-NM): Albuquerque, NM, USA, 2014.
  21. Zhang, G.; Bobaru, F. Modeling the evolution of fatigue failure with peridynamics. Rom. J. Tech. Sci. Appl. Mech. 2016, 61, 22–40. [Google Scholar]
  22. Hu, W.; Ha, Y.D.; Bobaru, F.; Silling, S.A. The formulation and computation of the nonlocal J-integral in bond-based peridynamics. Int. J. Fract. 2012, 176, 195–206. [Google Scholar] [CrossRef]
  23. Miranda, A.; Meggiolaro, M.; Castro, J.; Martha, L.; Bittencourt, T.N. Fatigue life and crack path predictions in generic 2D structural components. Eng. Fract. Mech. 2003, 70, 1259–1279. [Google Scholar] [CrossRef]
  24. Zaccariotto, M.; Luongo, F.; Sarego, G.; Dipasquale, D.; Galvanetto, U. Fatigue Crack Propagation with Peridynamics: A sensitivity study of Paris law parameters. In Proceedings of the CEAS2013, Linkoping, Sweden, 16–19 September 2013. [Google Scholar]
  25. Freimanis, A.; Kaewunruen, S. Peridynamic analysis of rail squats. Appl. Sci. 2018, 8, 2299. [Google Scholar] [CrossRef]
  26. Vasenkov, A.V. Hybrid Hierarchical Model for Damage and Fracture Analysis in Heterogeneous Material. In Proceedings of the 4th World Congress on Integrated Computational Materials Engineering (ICME 2017), Ypsilanti, MI, USA, 21–25 May 2017; pp. 307–316. [Google Scholar]
  27. Rice, J.R. A path independent integral and the approximate analysis of strain concentration by notches and cracks. J. Appl. Mech. 1968, 35, 379–386. [Google Scholar] [CrossRef]
  28. Kundu, T. Fundamentals of Fracture Mechanics; CRC Press: Boca Raton, FL, USA, 2008. [Google Scholar]
  29. Bobaru, F.; Foster, J.T.; Geubelle, P.H.; Silling, S.A. Handbook of Peridynamic Modeling; CRC Press: Boca Raton, FL, USA, 2016. [Google Scholar]
Figure 1. Illustration of bonds and horizons for the central node with a crack surface in peridynamics. Not all bonds are drawn for the central node.
Figure 1. Illustration of bonds and horizons for the central node with a crack surface in peridynamics. Not all bonds are drawn for the central node.
Applsci 14 07858 g001
Figure 2. Algorithm for Fatigue Damage Model via User Subroutine.
Figure 2. Algorithm for Fatigue Damage Model via User Subroutine.
Applsci 14 07858 g002
Figure 3. Algorithm for Calculation of Peridynamic J-Integral within FEM Software.
Figure 3. Algorithm for Calculation of Peridynamic J-Integral within FEM Software.
Applsci 14 07858 g003
Figure 4. Rectangular Integration Path used in Evaluation of Peridynamic J-Integral.
Figure 4. Rectangular Integration Path used in Evaluation of Peridynamic J-Integral.
Applsci 14 07858 g004
Figure 5. Compact Tension Specimen Geometry used in Experiments by Miranda et al. [23].
Figure 5. Compact Tension Specimen Geometry used in Experiments by Miranda et al. [23].
Applsci 14 07858 g005
Figure 6. Crack Path for CT Specimens from Experimental Study by Miranda et al. [23].
Figure 6. Crack Path for CT Specimens from Experimental Study by Miranda et al. [23].
Applsci 14 07858 g006
Figure 7. Crack Path as Determined from Damage Plot, δ = 1.2 mm.
Figure 7. Crack Path as Determined from Damage Plot, δ = 1.2 mm.
Applsci 14 07858 g007
Figure 8. Crack Path as Determined from Damage Plot, δ = 0.6 mm.
Figure 8. Crack Path as Determined from Damage Plot, δ = 0.6 mm.
Applsci 14 07858 g008
Figure 9. Crack Path as Determined from Damage Plot, δ = 0.5 mm.
Figure 9. Crack Path as Determined from Damage Plot, δ = 0.5 mm.
Applsci 14 07858 g009
Figure 10. Spatial Position of Crack Tips of This Study With Experimental Data.
Figure 10. Spatial Position of Crack Tips of This Study With Experimental Data.
Applsci 14 07858 g010
Figure 11. Comparison of Simulated Crack Path and Empirical Results From Study by Zhang et al. [18].
Figure 11. Comparison of Simulated Crack Path and Empirical Results From Study by Zhang et al. [18].
Applsci 14 07858 g011
Figure 12. Spatial Position of Crack Tip.
Figure 12. Spatial Position of Crack Tip.
Applsci 14 07858 g012
Figure 13. Crack Length as a Function of Fatigue Cycles.
Figure 13. Crack Length as a Function of Fatigue Cycles.
Applsci 14 07858 g013
Disclaimer/Publisher’s Note: The statements, opinions and data contained in all publications are solely those of the individual author(s) and contributor(s) and not of MDPI and/or the editor(s). MDPI and/or the editor(s) disclaim responsibility for any injury to people or property resulting from any ideas, methods, instructions or products referred to in the content.

Share and Cite

MDPI and ACS Style

Mansfield, K.; Callahan, L.; Xia, T.; Gau, J.-T.; Tan, J. Implementation of a Two-Dimensional Finite-Element Fatigue Damage Model with Peridynamics to Simulate Crack Growth in a Compact Tension Specimen. Appl. Sci. 2024, 14, 7858. https://doi.org/10.3390/app14177858

AMA Style

Mansfield K, Callahan L, Xia T, Gau J-T, Tan J. Implementation of a Two-Dimensional Finite-Element Fatigue Damage Model with Peridynamics to Simulate Crack Growth in a Compact Tension Specimen. Applied Sciences. 2024; 14(17):7858. https://doi.org/10.3390/app14177858

Chicago/Turabian Style

Mansfield, Kyle, Levee Callahan, Ting Xia, Jenn-Terng Gau, and Jifu Tan. 2024. "Implementation of a Two-Dimensional Finite-Element Fatigue Damage Model with Peridynamics to Simulate Crack Growth in a Compact Tension Specimen" Applied Sciences 14, no. 17: 7858. https://doi.org/10.3390/app14177858

APA Style

Mansfield, K., Callahan, L., Xia, T., Gau, J.-T., & Tan, J. (2024). Implementation of a Two-Dimensional Finite-Element Fatigue Damage Model with Peridynamics to Simulate Crack Growth in a Compact Tension Specimen. Applied Sciences, 14(17), 7858. https://doi.org/10.3390/app14177858

Note that from the first issue of 2016, this journal uses article numbers instead of page numbers. See further details here.

Article Metrics

Back to TopTop