The Electromagnetic Exposure Level of a Pure Electric Vehicle Inverter Based on a Real Human Body
Abstract
:1. Introduction
2. Materials and Methods
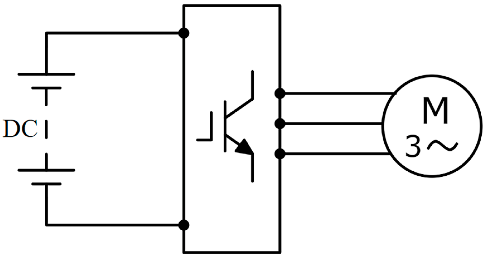
2.1. The PEV Inverter Model
2.2. The Human Anatomy Model
2.3. Numerical Method
3. Results
3.1. The B-Field in the Driver’s Body
3.2. The E-Field in the Driver’s Body
3.3. The J in the Driver’s Body
4. Discussion
5. Conclusions
Author Contributions
Funding
Institutional Review Board Statement
Informed Consent Statement
Data Availability Statement
Acknowledgments
Conflicts of Interest
References
- Bai, M.; Zhang, M.Y.; Wang, X.C. Policies and Trends of Global New Energy Vehicle Industry Development in the Context of Carbon Neutrality. Inf. Technol. Stand. 2021, 444, 13–20. [Google Scholar]
- Li, Q.M. The Shift from “policy-oriented” to “consumer-oriented” in the Pure Electric Vehicle Industry. Intell. Connect Veh. 2023, 27, 78–80. [Google Scholar]
- Hong, J.C.; Liang, F.W.; Yang, J.S.; Li, K.R. New Energy Vehicle Industry and Technology Development Status. Sci. Technol. Rev. 2023, 41, 49–59. [Google Scholar] [CrossRef]
- Wang, J.; Zeng, Z.; Tang, G.D.; Ou, K.H.; Wang, L.; Yu, Y. Mission Profile Oriented Lifetime Assessment of SiC Inverter for Electric Vehicle Application. Proc. CSEE 2021, 41, 2507–2519. [Google Scholar] [CrossRef]
- Martyushev, N.V.; Malozyomov, B.V.; Khalikov, I.H.; Kukartsev, V.A.; Kukartsev, V.V.; Tynchenko, V.S.; Tynchenko, Y.A.; Qi, M. Review of Methods for Improving the Energy Efficiency of Electrified Ground Transport by Optimizing Battery Consumption. Energies 2023, 16, 729. [Google Scholar] [CrossRef]
- Li, X.; Shu, X.; Shen, J.; Xiao, R.; Yan, W.; Chen, Z. An On-Board Remaining Useful Life Estimation Algorithm for Lithium-Ion Batteries of Electric Vehicles. Energies 2017, 10, 691. [Google Scholar] [CrossRef]
- Moreno-Torres, P.; Lafoz, M.; Blanco, M.; Arribas, J.R. Passenger Exposure to Magnetic Fields in Electric Vehicles In Modeling and Simulation for Electric Vehicle Applications. In Modeling and Simulation for Electrical Vehicle Applications; Fakhfakh, M.A., Ed.; InTech: Rijeka, Croatia, 2016; pp. 50–51. [Google Scholar]
- Pang, X.F. Bioelectromagnetic, 1st ed.; National Defense Industry Press: Beijing, China, 2008; pp. 135–152. [Google Scholar]
- IEEE International Committee on Electromagnetic Safety. IEEE Standard for Safety Levels with Respect to Human Exposure to Electric, Magnetic, and Electromagnetic Fields, 0 Hz to 300 GHz; IEEE: Piscataway, NJ, USA, 2019. [Google Scholar] [CrossRef]
- ICNIRP. Guidelines for Limiting Exposure to Time-varying Electric and Magnetic Fields (1 Hz to 100 kHz). Health Phys. 2010, 99, 818–836. [Google Scholar] [CrossRef]
- ICNIRP. Guidelines for Limiting Exposure to Electromagnetic Fields (100 kHz to 300 GHz). Health Phys. 2020, 118, 483–524. [Google Scholar] [CrossRef]
- Kheifets, L.; Ahlbom, A.; Crespi, C.M.; Draper, G.; Hagihara, J.; Lowenthal, R.M.; Mezei, G.; Oksuzyan, S.; Schüz, J.; Swanson, J.; et al. Pooled Analysis of Recent Studies on Magnetic Fields and Childhood Leukaemia. Br. J. Cancer 2010, 103, 1128–1135. [Google Scholar] [CrossRef]
- Li, C.Y.; Thériault, G.; Lin, R.S. Epidemiological Appraisal of Studies of Residential Exposure to Power Frequency Magnetic Fields and Adult Cancers. Occup. Environ. Med. 1996, 53, 505–510. [Google Scholar] [CrossRef]
- Liu, T.; Wang, S.; He, L.; Ye, K. Chronic Exposure to Low-intensity Magnetic Field Improves Acquisition and Maintenance of Memory. Neuroreport 2008, 19, 549–552. [Google Scholar] [CrossRef]
- Cichoń, N.; Bijak, M.; Miller, E.; Saluk, J. Extremely Low Frequency Electromagnetic Field (ELF-EMF) Reduces Oxidative Stress and Improves Functional and Psychological Status in Ischemic Stroke Patients. Bioelectromagnetics 2017, 38, 386–396. [Google Scholar] [CrossRef]
- Moya Gómez, A.; Font, L.P.; Brône, B.; Bronckaers, A. Electromagnetic Field as a Treatment for Cerebral Ischemic Stroke. Front. Mol. Biosci. 2021, 8, 742596. [Google Scholar] [CrossRef]
- Li, C.; Lin, J.; Lei, J.; Wu, T.; Qi, D.; Chen, R. Dosimetry Assessment for Human Exposure to Extremely Low Frequency Magnetic Fields in the Electric Vehicles. In Proceedings of the 12th International Symposium on Antennas, Propagation and EM Theory (ISAPE), Hangzhou, China, 3–6 December 2018. [Google Scholar] [CrossRef]
- Sztafrowski, D.; Winiarz, J. Electromagnetic field in electric and hybrid cars. In Journal of Physics: Conference Series; IOP Publishing: Bristol, UK, 2021; Volume 2408, p. 012018. [Google Scholar] [CrossRef]
- Bae, H.; Park, S.W. Assessment of the Electromagnetic Radiation Exposure at EV Charging Facilities. Sensors 2023, 23, 162. [Google Scholar] [CrossRef]
- Tell, R.A.; Kavet, R. Electric and Magnetic Fields <100 kHz in Electric and Gasoline-Powered Vehicles. Radiat. Prot. Dosim. 2016, 172, 541–546. [Google Scholar] [CrossRef]
- Wyszkowska, J.; Szczygiel, M.; Trawinski, T. Static Magnetic Field and Extremely Low-frequency Magnetic Field in Hybrid and Electric Vehicles. Prz. Elektrotech. 2020, 96, 60–62. [Google Scholar] [CrossRef]
- Atanasova, G.L.; Gârdan, D.A.; Gârdan, I.P. Experimental Assessment of Electromagnetic Fields Inside a Vehicle for different Wireless Communication Scenarios: A New Alternative Source of Energy. Energies 2023, 16, 5622. [Google Scholar] [CrossRef]
- Jeladze, V.B.; Nozadze, T.R.; Tabatadze, V.A.; Petoev-Darsavelidze, I.A.; Prishvin, M.M.; Zaridze, R.S. Electromagnetic Exposure Study on a Human Located Inside the Car Using the Method of Auxiliary Sources. J. Commun. Technol. Electron. 2020, 65, 457–464. [Google Scholar] [CrossRef]
- Ding, P.P.; Bernard, L.; Pichon, L.; Razek, A. Evaluation of Electromagnetic Fields in Human Body Exposed to Wireless Inductive Charging System. IEEE Trans. Magn. 2014, 50, 1037–1040. [Google Scholar] [CrossRef]
- Xu, G.Z.; Li, C.X.; Zhao, J.; Zhang, X. Electromagnetic Environment Safety Study of Wireless Electric Vehicle Charging. Trans. China Electrotech. Soc. 2017, 32, 152–157. [Google Scholar] [CrossRef]
- Park, S.W. Evaluation of Electromagnetic Exposure during 85 kHz Wireless Power Transfer for Electric Vehicles. IEEE Trans. Magn. 2018, 54, 1–8. [Google Scholar] [CrossRef]
- Wang, Q.D.; Li, W.L.; Kang, J.W.; Wang, Y.C. Electromagnetic Safety Evaluation and Protection Methods for a Wireless Charging System in an Electric Vehicle. IEEE Trans. Electromagn. Compat. 2019, 61, 1913–1925. [Google Scholar] [CrossRef]
- Mou, W.T.; Lu, M. Research on Electric Vehicle Electromagnetic Protection Considering Radiation of Two Wireless Chargers. WEVJ 2022, 13, 95. [Google Scholar] [CrossRef]
- Guo, H.T.; Chen, Y.M.; Li, Y.; Zhou, W.; Xu, W.H.; Pang, L. Electrospun Fibrous Materials and their Applications for Electromagnetic Interference Shielding: A review. Compos. Part A Appl. Sci. Manuf. 2021, 143, 106309. [Google Scholar] [CrossRef]
- Uddin, M.J.; Ullah, M.H.; Islam, S.Z. A Broadband Polarized Metamaterial Absorber Driven by Strong Insensitivity and Proximity Effects. IEEE Access 2021, 9, 131672–131684. [Google Scholar] [CrossRef]
- Uddin, J.; Shakib, M.N.; Islam, S.Z.; Hasan, M.M.; Ullah, H.; Rahman, M.A. A Scalable Power Splitter using High Sheet Polysilicon Resistor Suitable for RFIC Application. In Proceedings of the International Conference on Intelligent Technology, System and Service for Internet of Everything (ITSS-IoE), Hadhramaut, Yemen, 3–5 December 2022. [Google Scholar] [CrossRef]
- Tian, R.; Lu, M. Safety Assessment of Electromagnetic Exposure in High-Speed Train Carriage with Full Passengers. Ann. Work Expo. Health 2020, 64, 838–851. [Google Scholar] [CrossRef] [PubMed]
- Wang, Q.D.; Li, W.L.; Kang, J.W.; Wang, Y.C. Electromagnetic Safety of Magnetic Resonant Wireless Charging System in Electric Vehicles. In Proceedings of the 2017 IEEE PELS Workshop on Emerging Technologies: Wireless Power Transfer, Chongqing, China, 20–22 May 2017. [Google Scholar] [CrossRef]
- De Santis, V.; Giaccone, L.; Freschi, F. Influence of Posture and Coil Position on the Safety of a WPT System While Recharging a Compact EV. Energies 2021, 14, 7248. [Google Scholar] [CrossRef]
- Kos, B.; Valič, B.; Miklavčič, D.; Kotnik, T.; Gajšek, P. Pre- and Post-natal Exposure of Children to EMF Generated by Domestic Induction Cookers. Phys. Med. Biol. 2011, 56, 6149–6160. [Google Scholar] [CrossRef]
- Hardy, B.M.; Banik, R.; Yan, X.; Anderson, A.W. Bench to Bore Ramifications of Inter-subject Head Differences on RF Shimming and Specific Absorption Rates at 7T. Magn. Reson. Imaging 2022, 92, 187–196. [Google Scholar] [CrossRef]
- Haussmann, N.; Mease, R.; Zang, M.; Stroka, S.; Hensel, S.; Clemens, M. Efficient High-resolution Electric and Magnetic field Simulations Inside the Human body in the Vicinity of Wireless Power Transfer Systems with Varying Models. COMPEL 2023, 42, 903–913. [Google Scholar] [CrossRef]
- Gosselin, M.C.; Neufeld, E.; Moser, H.; Huber, E.; Farcito, S.; Gerber, L.; Jedensjö, M.; Hilber, I.; Gennaro, F.D.; Lloyd, B.; et al. Development of a New Generation of High-resolution Anatomical Models for Medical Device Evaluation: The Virtual Population 3.0. Phys. Med. Biol. 2014, 59, 5287–5303. [Google Scholar] [CrossRef]
- Niu, Z.Q.; Hou, J.Q.; Zhou, Y.J.; Wang, H.B.; Lu, Z.Y. The Bioelectromagnetics Dosimetry and Numerical Analysis of Electromagnetic Dose Absorbed by Human Body. Chin. J. Biomed. Eng. 2006, 25, 580–584+589. [Google Scholar] [CrossRef]
- Peng, Y.H. Morden Car Design; China Machine Press: Beijing, China, 2011. [Google Scholar]
- Jin, D.; Zhang, H.S.; Li, J.Q.; Jiang, J.J.; Wang, A. Research and Simulation of Three-phase Inverter Control Strategy. Res. Explor. Lab. 2022, 41, 114–118+217. [Google Scholar] [CrossRef]
- Moreno-Torres, P.C.; Lourd, J.; Lafoz, M.; Arribas, J.R. Evaluation of the Magnetic Field Generated by the Inverter of an Electric Vehicle. IEEE Trans. Magn. 2013, 49, 837–844. [Google Scholar] [CrossRef]
- Gabriel, C.; Gabriel, S.; Corthout, E. The Dielectric Properties of Biological Tissues: I. Literature Survey. Phys. Med. Biol. 1996, 41, 2231–2249. [Google Scholar] [CrossRef]
- Gabriel, S.; Lau, R.W.; Gabriel, C. The Dielectric Properties of Biological Tissues: II. Measurements in the Frequency Range 10 Hz to 20 GHz. Phys. Med. Biol. 1996, 41, 2251–2269. [Google Scholar] [CrossRef]
- Conchin Gubernati, A.; Freschi, F.; Giaccone, L.; Scorretti, R. Analysis of Numerical Artifacts Using Tetrahedral Meshes in Low Frequency Numerical Dosimetry. Appl. Sci. 2022, 12, 6526. [Google Scholar] [CrossRef]
- Diao, Y.L.; Rashed, E.A.; Giaccone, L.; Laakso, I.; Li, C.S.; Scorretti, R.; Sekiba, Y.; Yamazaki, K.; Hirata, A. Intercomparison of the Averaged Induced Electric Field in Learning-Based Human Head Models Exposed to Low-Frequency Magnetic Fields. IEEE Access 2023, 11, 38739–38752. [Google Scholar] [CrossRef]













| Tissues of Human Model | Relative Permeability | Relative Permittivity (100 Hz) | Electrical Conductivity (S/m) (100 Hz) | Relative Permittivity (5400 HZ) | Electrical Conductivity (S/M) (5400 HZ) |
|---|---|---|---|---|---|
| Bladder | 1 | 192,840 | 0.21 | 12,467 | 0.21 |
| Bone | 1 | 217,030 | 0.08 | 2791 | 0.08 |
| White Matter | 1 | 1,667,700 | 0.06 | 19,793 | 0.07 |
| Cerebellum | 1 | 3,906,400 | 0.11 | 39,720 | 0.13 |
| Scalp | 1 | 45,298 | 0.0005 | 29,919 | 0.0015 |
| Heart | 1 | 3,163,700 | 0.09 | 120,170 | 0.14 |
| Kidney | 1 | 3,518,100 | 0.10 | 65,207 | 0.13 |
| Liver | 1 | 678,470 | 0.04 | 41,051 | 0.05 |
| Lung | 1 | 567,080 | 0.21 | 61,156 | 0.24 |
| Muscle | 1 | 9,329,000 | 0.27 | 47,982 | 0.34 |
Disclaimer/Publisher’s Note: The statements, opinions and data contained in all publications are solely those of the individual author(s) and contributor(s) and not of MDPI and/or the editor(s). MDPI and/or the editor(s) disclaim responsibility for any injury to people or property resulting from any ideas, methods, instructions or products referred to in the content. |
© 2023 by the authors. Licensee MDPI, Basel, Switzerland. This article is an open access article distributed under the terms and conditions of the Creative Commons Attribution (CC BY) license (https://creativecommons.org/licenses/by/4.0/).
Share and Cite
Dong, X.; Gao, Y.; Lu, M. The Electromagnetic Exposure Level of a Pure Electric Vehicle Inverter Based on a Real Human Body. Appl. Sci. 2024, 14, 32. https://doi.org/10.3390/app14010032
Dong X, Gao Y, Lu M. The Electromagnetic Exposure Level of a Pure Electric Vehicle Inverter Based on a Real Human Body. Applied Sciences. 2024; 14(1):32. https://doi.org/10.3390/app14010032
Chicago/Turabian StyleDong, Xuwei, Yunshan Gao, and Mai Lu. 2024. "The Electromagnetic Exposure Level of a Pure Electric Vehicle Inverter Based on a Real Human Body" Applied Sciences 14, no. 1: 32. https://doi.org/10.3390/app14010032
APA StyleDong, X., Gao, Y., & Lu, M. (2024). The Electromagnetic Exposure Level of a Pure Electric Vehicle Inverter Based on a Real Human Body. Applied Sciences, 14(1), 32. https://doi.org/10.3390/app14010032

