Design and Research of Thermoelectric Generator Simulation System for Boiler Flue Gas Waste Heat
Abstract
1. Introduction
2. Design of TEG Simulation System
2.1. Working Principle of TEG
2.2. Overall Design of TEG System
3. Experimental Research on TEG Simulation System
3.1. Construction of Experimental Platform
- (1)
- Design of cold end module
- (2)
- Design of hot end module
- (3)
- Composition of TEG module
- (4)
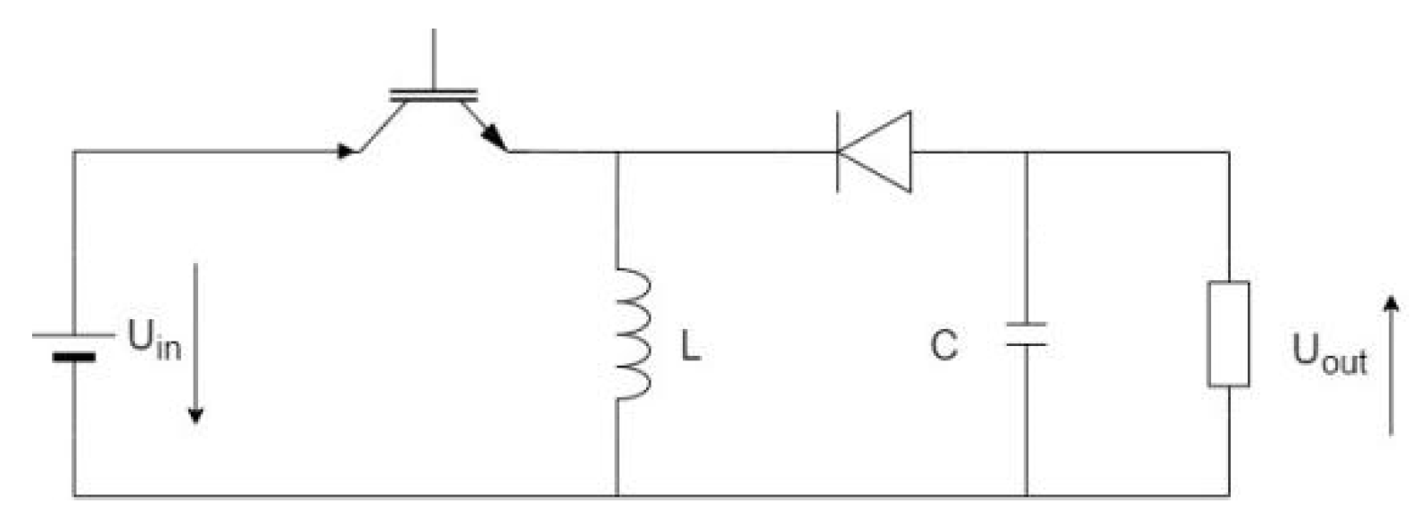
- Design of DC-DC module
3.2. Assembly and Debugging of Experimental Equipment
4. Experimental Results and Analysis
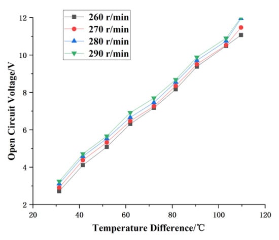
4.1. Comparative Analysis of Different Speed of Peristaltic Pump
4.2. Performance Test of Thermoelectric Module
4.2.1. Output Characteristics under Different Heat Dissipation Modes
4.2.2. Analysis of Volt-Ammetry Characteristics
4.3. Experiment of Parallel Connection of Thermoelectric Plate
4.3.1. Analysis of Parallel Output Characteristics
4.3.2. Influence of Load Resistance on Output Power
5. MPPT Algorithm and Simulation of TEG System
5.1. Design of MPPT Algorithm
5.2. Simulation Analysis
6. Conclusions
- (1)
- The uniformity of temperature distribution at the hot and cold ends of the TEG module affects the output power, and the coating of thermal grease on the thermoelectric plate can effectively improve the uniformity of temperature distribution. The evenness of temperature distribution at both the hot and cold ends of the TEG module has an impact on the output power. Applying a layer of thermal grease on the thermoelectric plate can effectively enhance the uniformity of temperature distribution. The use of water cooling heat dissipation and higher peristaltic pump speed can effectively maintain the temperature difference and increase the output efficiency. To enhance the output efficiency and maintain the temperature difference, utilizing water cooling heat dissipation and elevating the peristaltic pump speed are effective measures. To accommodate the extended operational duration of the double-headed peristaltic pump and the lifespan of the silicone tube, the pump’s velocity is established at 280 r/min. The velocity of the double-headed peristaltic pump has been set at 280 r/min to ensure the extended operational duration of the pump and the lifespan of the silicone tube.
- (2)
- Under the same conditions, the maximum power of 20 thermoelectric plates in series is slightly greater than that of parallel combination. This is due to the error caused by the uncertainty of temperature and the uneven transverse temperature distribution of a single TEG.
- (3)
- In traditional medium to high temperature TEG systems, it is generally believed that the maximum output power of the system is achieved when the load resistance is equal to the internal resistance of the TEG module. Typically, in traditional medium to high temperature TEG systems, it is commonly believed that the maximum output power of the system can be attained when the load resistance is equivalent to the internal resistance of the TEG module. In the experiment, it was found that when the fixed temperature difference is set to 120 °C, the maximum output power is generated when the load resistance is slightly greater than the internal resistance, and the ratio of the load resistance to the internal resistance is about 1–1.15. Therefore, it is necessary to consider not only the influence of electric energy, but also the influence of heat energy for TEG module. When TEG is loaded, Partier effect and Thomson effect are produced, and the larger the temperature difference, the more obvious the phenomenon.
- (4)
- In order to output the maximum power, an adaptive variable step size improved MPPT algorithm based on power prediction is designed. According to the simulation results, the time taken by the improved algorithm to achieve the stable maximum power point is approximately 0.21 s, whereas the traditional algorithm takes around 1.75 s to reach the stable maximum power point. The time of the improved algorithm to reach the stable maximum power point is 1.54 s faster than that of the traditional algorithm. So the improved algorithm can reach the stable maximum power point more quickly and with less fluctuation than the traditional algorithm. The improved MPPT algorithm can meet the requirements of rapidity and stability accuracy of TEG system and reduce the energy loss.
Author Contributions
Funding
Institutional Review Board Statement
Informed Consent Statement
Data Availability Statement
Conflicts of Interest
References
- Hilmin, M.H.M.; Remeli, M.; Singh, B.; Affandi, N. Thermoelectric power generations from vehicle exhaust gas with TiO2 nanofluid cooling. Therm. Sci. Eng. Prog. 2020, 18, 100558. [Google Scholar] [CrossRef]
- Burnete, N.V.; Mariasiu, F.; Moldovanu, D.; Depcik, C. Simulink Model of a Thermoelectric Generator for Vehicle Waste Heat Recovery. Appl. Sci. 2021, 11, 1340. [Google Scholar] [CrossRef]
- Shah, K.W.; Wang, S.-X.; Zheng, Y.; Xu, J. Solution-Based Synthesis and Processing of Metal Chalcogenides for Thermoelectric Applications. Appl. Sci. 2019, 9, 1511. [Google Scholar] [CrossRef]
- Alptekin, M.; Calisir, T.; Baskaya, S. Design and experimental investigation of a thermoelectric self-powered heating system. Energy Convers. Manag. 2017, 146, 244–252. [Google Scholar] [CrossRef]
- Fanciulli, C.; Abedi, H.; Merotto, L.; Dondè, R.; De Iuliis, S.; Passaretti, F. Portable thermoelectric power generation based on catalytic combustor for low power electronic equipment. Appl. Energy 2018, 215, 300–308. [Google Scholar] [CrossRef]
- Li, G.; Zheng, Y.; Guo, W.; Zhu, D.; Tang, Y. Mesoscale combustor-powered thermoelectric generator: Experimental optimization and evaluation metrics. Appl. Energy 2020, 272, 115234. [Google Scholar] [CrossRef]
- Quan, R.; Wang, C.; Wu, F.; Chang, Y.; Deng, Y. Parameter matching and optimization of an isg mild hybrid powertrain based on an automobile exhaust thermoelectric generator. J. Electron. Mater. 2020, 49, 2734–2746. [Google Scholar] [CrossRef]
- Maneewan, S.; Khedari, J.; Zeghmati, B.; Hirunlabh, J.; Eakburanawat, J. Investigation on generated power of thermoelectric roof solar collector. Renew. Energy 2004, 29, 743–752. [Google Scholar] [CrossRef]
- Konstantinou, G.; Kyratsi, T.; Louca, L. Design of a Thermoelectric Device for Power Generation through Waste Heat Recovery from Marine Internal Combustion Engines. Energies 2022, 15, 4075. [Google Scholar] [CrossRef]
- Attar, A.; Rady, M.; Abuhabaya, A.; Albatati, F.; Hegab, A.; Almatrafi, E. Performance Assessment of Using Thermoelectric Generators for Waste Heat Recovery from Vapor Compression Refrigeration Systems. Energies 2021, 14, 8192. [Google Scholar] [CrossRef]
- Barma, M.; Riaz, M.; Saidur, R.; Long, B. Estimation of thermoelectric power generation by recovering waste heat from Biomass fired thermal oil heater. Energy Convers. Manag. 2015, 98, 303–313. [Google Scholar] [CrossRef]
- Luo, Y.; Li, L.; Chen, Y.; Kim, C. Influence of geometric parameter and contact resistances on the thermal-electric behavior of a segmented TE. Energy 2022, 254, 124487. [Google Scholar] [CrossRef]
- Jia, Y.; Zhang, Z.; Wang, C.; Sun, H.; Zhang, W. Design and parameter study of a thermoelectric generator for waste heat recycling in flexible micro-light-emitting diodes. Appl. Therm. Eng. 2022, 200, 117568. [Google Scholar] [CrossRef]
- Chen, L.; Yu, Z.; Yuan, Y.; Zhang, J.; Lee, J. Electrical performance optimization of a transverse-Seebeck-effect-based tubular thermoelectric generator for waste heat recovery. Energy Rep. 2022, 8, 7589–7599. [Google Scholar] [CrossRef]
- Yin, T.; Li, W.; Li, K.; He, Z. Multi-parameter optimization and uncertainty analysis of multi-stage thermoelectric generator with temperature-dependent materials. Energy Rep. 2021, 7, 7212–7223. [Google Scholar] [CrossRef]
- Assareh, E.; Alirahmi, S.M.; Ahmadi, P. A sustainable model for the integration of solar and geothermal energy boosted with thermoelectric generators (TEGs) for electricity, cooling and desalination purpose. Geothermics 2021, 92, 102042. [Google Scholar] [CrossRef]
- Brazdil, M.; Pospisil, J. Thermoelectric power generation utilizing the waste heat from a biomass boiler. J. Electron. Mater. 2013, 42, 2198–2202. [Google Scholar] [CrossRef]
- Shittu, S.; Li, G.; Zhao, X.; Ma, X. Series of detail comparison and optimization of thermoelectric element geometry considering the pv effect. Renew. Energy 2019, 130, 930–942. [Google Scholar] [CrossRef]
- Montecucco, A.; Knox, A.R. Maximum power point tracking converter based on the open-circuit voltage method for thermoelectric generators. IEEE Trans. Power Electron. 2015, 30, 828–839. [Google Scholar] [CrossRef]
- Fauzan, M.Y.; Muyeen, S.M.; Islam, S. Enhanced power extraction from thermoelectric generators considering non-uniform heat distribution. Energy Convers. Manag. 2021, 246, 114565. [Google Scholar] [CrossRef]
- Cózar, I.R.; Pujol, T.; Lehocky, M. Numerical analysis of the effects of electrical and thermal configurations of thermoelectric modules in large-scale thermoelectric generators. Appl. Energy 2018, 229, 264–280. [Google Scholar] [CrossRef]
- Aranguren, P.; Araiz, M.; Astrain, D.; Martínez, A. Thermoelectric generators for waste heat harvesting: A computational and experimental approach. Energy Convers. Manag. 2017, 148, 680–691. [Google Scholar] [CrossRef]
- Beltrán-Pitarch, B.; Vidan, F.; García-Caadas, J. Thermal contact resistance evaluation of a thermoelectric system by means of three i-v curves. Int. J. Heat Mass Transf. 2021, 173, 121247. [Google Scholar] [CrossRef]
- Khalil, H.; Hassan, H. 3d study of the impact of aspect ratio and tilt angle on the thermoelectric generator power for waste heat recovery from a chimney. J. Power Sources 2019, 418, 98–111. [Google Scholar] [CrossRef]
- Zhang, H.; Yue, H.; Huang, J.; Liang, K.; Chen, H. Experimental studies on a low concentrating photovoltaic/thermal (LCPV/T) collector with a thermoelectric generator (TEG) module. Renew. Energy 2021, 171, 1026–1040. [Google Scholar] [CrossRef]
- Kirihara, K.; Wei, Q.; Mukaida, M.; Ishida, T. Thermoelectric power generation using nonwoven fabric module impregnated with conducting polymer PEDOT: PSS. Synth. Met. 2017, 225, 41–48. [Google Scholar] [CrossRef]
- Xu, G.; Huang, S.; Yang, Y.; Wu, Y.; Zhang, K.; Xu, C. Techno-economic analysis and optimization of the heat recovery of utility boiler flue gas. Appl. Energy 2013, 112, 907–917. [Google Scholar] [CrossRef]
- Wu, H.; Chen, B.; Cheng, H. The pn conduction type transition in Ge-incorporated Bi2Te3 thermoelectric materials. Acta Mater. 2017, 122, 120–129. [Google Scholar] [CrossRef]
- Kütt, L.; Millar, J.; Karttunen, A.; Lehtonen, M.; Karppinen, M. Thermoelectric applications for energy harvesting in domestic applications and micro-production units. Part I: Thermoelectric concepts, domestic boilers and biomass stoves. Renew. Sustain. Energy Rev. 2018, 98, 519–544. [Google Scholar] [CrossRef]
- Zhang, Y.; Li, X.; Sun, C.; He, Z. Improved step load response of a dual-active-bridge DC–DC converter. Electronics 2018, 7, 185. [Google Scholar] [CrossRef]
- Hu, S.; Li, X.; Zheng, Q. A dual-bridge DC–DC resonant converter using extended PWM and phase-shift control. IEEE Trans. Ind. Appl. 2021, 57, 4009–4020. [Google Scholar] [CrossRef]
- Zhou, S.; Li, X.; Chen, G.; Hu, S. A piecewise control strategy for a bidirectional series resonant converter. Electronics 2018, 7, 374. [Google Scholar] [CrossRef]
- Mamur, H.; Coban, Y. Detailed modeling of a thermoelectric generator for maximum power point tracking. Turk. J. Electr. Eng. Comput. Sci. 2020, 28, 124–139. [Google Scholar] [CrossRef]
- Leoni, A.; Pantoli, L. SPICE Model Identification Technique of a Cheap Thermoelectric Cell Applied to DC/DC Design with MPPT Algorithm for Low-Cost, Low-Power Energy Harvesting. Appl. Sci. 2019, 9, 3744. [Google Scholar] [CrossRef]
- Miao, J.; Chen, H.; Lei, Y.; Lv, Y.; Liu, W.; Song, Z. MPPT Circuit Using Time Exponential Rate Perturbation and Observation for Enhanced Tracking Efficiency for a Wide Resistance Range of Thermoelectric Generator. Appl. Sci. 2021, 11, 4650. [Google Scholar] [CrossRef]
- Chihaia, R.-A.; Vasile, I.; Cîrciumaru, G.; Nicolaie, S.; Tudor, E.; Dumitru, C. Improving the Energy Conversion Efficiency for Hydrokinetic Turbines Using MPPT Controller. Appl. Sci. 2020, 10, 7560. [Google Scholar] [CrossRef]
- Yahya, K.; Alomari, O. A new maximum power point tracking algorithm based on power differentials method for thermoelectric generators. Int. J. Energy Res. 2021, 45, 7476–7486. [Google Scholar] [CrossRef]
- Darcy Gnana Jegha, A.; Subathra, M.S.P.; Manoj Kumar, N.; Subramaniam, U.; Padmanaban, S. A High Gain DC-DC Converter with Grey Wolf Optimizer Based MPPT Algorithm for PV Fed BLDC Motor Drive. Appl. Sci. 2020, 10, 2797. [Google Scholar] [CrossRef]


























| Heat-Dissipating Method | Power/W (T = 10 S) | Power/W (T = 20 S) | Power/W (T = 30 S) |
|---|---|---|---|
| Water cooling | 8.712 | 8.715 | 8.706 |
| Fan cooling | 8.526 | 8.522 | 8.517 |
| natural air cooling | 8.286 | 8.281 | 8.283 |
| Load Voltage/V | Load Current/A | Power/W |
|---|---|---|
| 7.68 | 0.81 | 6.08 |
| 10.21 | 0.64 | 6.55 |
| 12.26 | 0.59 | 7.21 |
| 13.7 | 0.56 | 7.62 |
| 15.15 | 0.53 | 8 |
| 16.4 | 0.50 | 8.25 |
| 17.4 | 0.48 | 8.39 |
| 18.5 | 0.46 | 8.51 |
| 19.8 | 0.44 | 8.71 |
| 20.8 | 0.41 | 8.45 |
| 21.7 | 0.38 | 8.18 |
| 23.5 | 0.32 | 7.6 |
| 25 | 0.28 | 7.05 |
| 26.5 | 0.25 | 6.5 |
| 27.5 | 0.22 | 6.05 |
| Load Voltage/V | Load Current/A | Power/W |
|---|---|---|
| 4.72 | 1.29 | 6.09 |
| 5.29 | 1.2 | 6.35 |
| 6.23 | 1.1 | 6.85 |
| 6.97 | 1.03 | 7.17 |
| 8.31 | 0.92 | 7.65 |
| 8.67 | 0.9 | 7.8 |
| 9.17 | 0.87 | 7.98 |
| 10.23 | 0.82 | 8.39 |
| 11.23 | 0.7 | 7.86 |
| 12.16 | 0.61 | 7.42 |
| 13.25 | 0.51 | 6.76 |
| 14.39 | 0.42 | 6.05 |
Disclaimer/Publisher’s Note: The statements, opinions and data contained in all publications are solely those of the individual author(s) and contributor(s) and not of MDPI and/or the editor(s). MDPI and/or the editor(s) disclaim responsibility for any injury to people or property resulting from any ideas, methods, instructions or products referred to in the content. |
© 2023 by the authors. Licensee MDPI, Basel, Switzerland. This article is an open access article distributed under the terms and conditions of the Creative Commons Attribution (CC BY) license (https://creativecommons.org/licenses/by/4.0/).
Share and Cite
Gong, Y.; Zhou, S.; Chen, G. Design and Research of Thermoelectric Generator Simulation System for Boiler Flue Gas Waste Heat. Appl. Sci. 2023, 13, 5673. https://doi.org/10.3390/app13095673
Gong Y, Zhou S, Chen G. Design and Research of Thermoelectric Generator Simulation System for Boiler Flue Gas Waste Heat. Applied Sciences. 2023; 13(9):5673. https://doi.org/10.3390/app13095673
Chicago/Turabian StyleGong, Yongzhen, Shengzhi Zhou, and Guo Chen. 2023. "Design and Research of Thermoelectric Generator Simulation System for Boiler Flue Gas Waste Heat" Applied Sciences 13, no. 9: 5673. https://doi.org/10.3390/app13095673
APA StyleGong, Y., Zhou, S., & Chen, G. (2023). Design and Research of Thermoelectric Generator Simulation System for Boiler Flue Gas Waste Heat. Applied Sciences, 13(9), 5673. https://doi.org/10.3390/app13095673

