The Effect of Cable Aging on Surge Arresters Designed by Genetic Algorithm
Abstract
1. Introduction
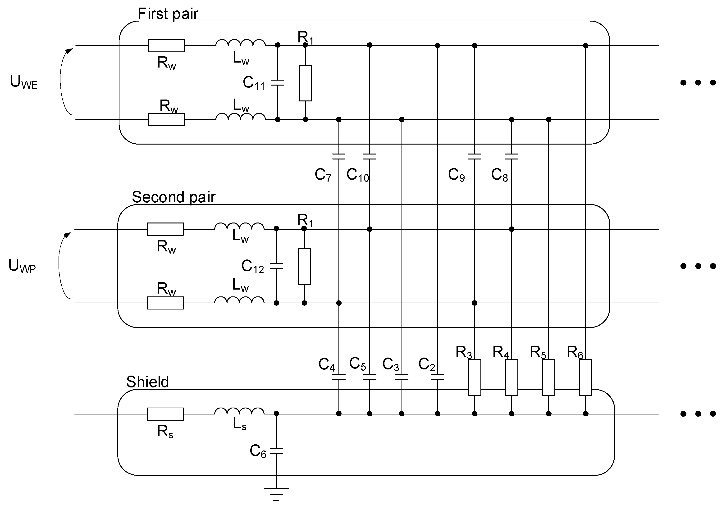
- RW—resistance of wire;
- LW—inductance of wire;
- RS—resistance of shield;
- LS—inductance of shield;
- C11—capacitance measured between the wires in the first pair at one end;
- C12—capacitance measured between the wires in the second pair on one end;
- C23=C2 + C3, (C2=C3)—capacitance measured between the first pair and shield;
- C45=C4 + C5, (C4=C5)—capacitance measured between the second pair and shield;
- C710=C7 + C8 + C9 + C10, (C7=C8=C9=C10)—capacitance measured between the first and the second pair (short wires in pairs).
- stands for the nominal parameters ( of the cable:
- stands for the parameter change value after degradation process;
- stands for the time after which the parameter has changed by 63.2%.
2. Train Detection System and Component Selection Method
- For the implementation of the method (method flow);
- For the determination of component parameters (voltages, powers, currents, etc.);
- With respect to the Global Optimization Toolbox module (Matlab environment), an appropriate function (namely GA() function) was used to configure and start the optimization process using the genetic algorithm.
- GDT is active in energy dissipation, and the surge amplitude value 6 kV was calculated based on EN-50121-4 [2] standard, which required 2 kV. However, based on the experience gained (i.e., harsh railway conditions [13,29,30,31]), the voltage must be doubled or tripled in order to meet high reliability requirements. In our test scenario, we multiplied it by three and it amounted to 6 kV;
- (spark gap ignition voltage for SG75 [32])—GDT is inactive, and the disturbance is dissipated to the remaining components).
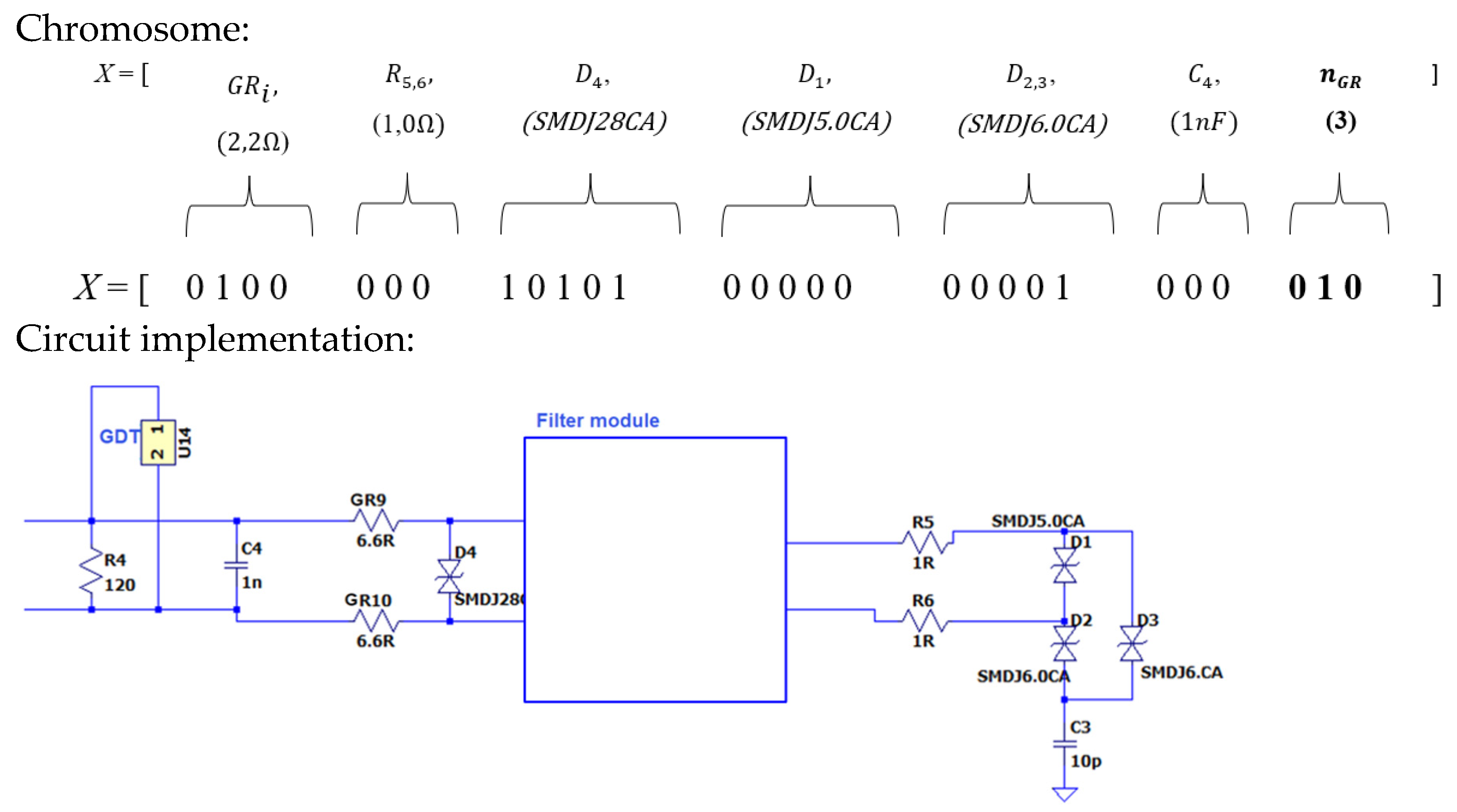
- —the calculated value (based on simulations) of the i-th parameter for the component k . The detailed assignment of parameters is shown in Table 1;
- —the maximum value of the i-th parameter for the component k np., e.g., voltage, power or current, as specified in the manufacturer’s documentation (Table 1) without design margins (;
- —a factor that defines the margins of critical parameters for individual components, and is used to manage the risk of damage to components in defined groups;
- —number of parameters analyzed per component , e.g., R9: = 3, i.e., average power, peak power and voltage. = 1, …, , i is the index of the parameter being verified;
- —number of components analyzed , based on Figure 6. The k index takes the values = 1, 2, …, 10;
- —number of test cases , (first test case: exposure above the ignition voltage of the GDT- and second test case: the surge voltage below the ignition voltage of the GDT );
- —penalty coefficient; it shall have the values: 1 or , if (no exceeding of the defined critical parameters for the components) then , otherwise (overrun of the margins) ;
- —represents the number of resistors in the groups: GR9 and GR10 ;
- —specifies the maximum suggested number of resistors in GR9 and GR10 so that the algorithm did not seek to significantly increase the number of these components . The assumption was ;
- —penalty factor degrading the value of the objective function for the cases when the resistance of the surge arrester exceeds the requirements (total resistance is higher than 18 Ω).
2.1. Components Limitations
| Component Number | Designator | Voltage [V] | Current [A] | Average Power [kW] | Peak Power [kW] |
|---|---|---|---|---|---|
| 1 | C4 | ||||
4500 [33] | Lack of data | Lack of data | Lack of data | ||
| 2 | GDT | ||||
| Lack of data | 2 000 [32] | Lack of data | Lack of data | ||
| 3 | R9 * | ||||
500 [34] | Lack of data | 1.0 [34] | 5.0 [34] | ||
| 4 | R10 * | ||||
500 [34] | Lack of data | 1.0 [34] | 5.0 [34] | ||
| 5 | D4 | ||||
| [35] | [35] | Lack of data | 5.0 [35] | ||
| 6 | R5 | ||||
500 [34] | Lack of data | 1.0 [34] | 5.0 [34] | ||
| 7 | R6 | ||||
500 [34] | Lack of data | 1.0 [34] | 5.0 [34] | ||
| 8 | D1 | ||||
18 [36] | [35] | Lack of data | 5.0 [35] | ||
| 9 | D2 | ||||
18 [36] | [35] | Lack of data | 5.0 [35] | ||
| 10 | D3 | ||||
18 [36] | [35] | Lack of data | 5.0 [35] |
2.2. Input Vector
3. Results
3.1. Test Case
3.2. Test Case
3.3. Comparison of the Performance of a Surge Arrester with a Degraded Cable and a Nominal One
4. Conclusions
Author Contributions
Funding
Institutional Review Board Statement
Informed Consent Statement
Data Availability Statement
Acknowledgments
Conflicts of Interest
References
- Grzechca, D.; Rybka, P.; Pawełczyk, R. Level Crossing Barrier Machine Faults and Anomaly Detection with the Use of Motor Current Waveform Analysis. Energies 2021, 14, 3206. [Google Scholar] [CrossRef]
- PN-EN 50121-4:2017-04. Available online: https://Sklep.Pkn.Pl/Pn-En-50121-4-2017-04p.Html (accessed on 30 May 2022).
- Imai, H.; Yamasaki, H. Progress and Promotion of the International Interchange of Information on Sensing Technologies. In Proceedings of the SICE Annual Conference 2007, Takamatsu, Japan, 17 September 2007; pp. 1171–1174. [Google Scholar]
- Halgas, S.; Tadeusiewicz, M. Multiple Soft Fault Diagnosis of Analogue Electronic Circuits. In Proceedings of the International Conference on Signals and Electronic Systems, Krakow, Poland, 14–17 September 2008; pp. 533–536. [Google Scholar]
- Bilski, P.; Wojciechowski, J. Current Research Trends in Diagnostics of Analog Systems. In Proceedings of the International Conference on Signals and Electronic Systems (ICSES), Wroclaw, Poland, 18–21 September 2012; pp. 1–11. [Google Scholar]
- Zupan, A.; Teklic, A.T.; Filipovic-Grcic, B. Modeling of 25 KV Electric Railway System for Power Quality Studies. In Proceedings of the Eurocon 2013, Zagreb, Croatia, 1–4 July 2013; pp. 844–849. [Google Scholar]
- Yan, X.; Chen, C.; Chen, S.; Huang, Z.; Dai, C.; Wang, Q.; Zhang, X. The Realization of Triggering Lightning on DBS Tower and Characteristic Analysis of Lightning Current Waveform. In Proceedings of the International Conference on Lightning Protection (ICLP), Shanghai, China, 11–18 October 2014; pp. 1014–1017. [Google Scholar]
- Morita, G.; Hirai, S.; Michishita, K. Lightning Protection of Control Board Equipped with Electronic Equipment. In Proceedings of the 34th International Conference on Lightning Protection (ICLP), Rzeszow, Poland, 2–7 September 2018; pp. 1–6. [Google Scholar]
- Subba Reddy, B.; Verma, A.R. Protection of Digital Telecom Exchanges Against Lightning Surges and Earth Faults. IEEE Trans. Ind. Appl. 2015, 51, 5305–5311. [Google Scholar] [CrossRef]
- Grychkin, S.E.; Stroganova, E.P. Immunity Testing of Telecommunication Equipment Established in Industrial Zones and in Energy Facilities. In Proceedings of the Systems of Signal Synchronization, Generating and Processing in Telecommunications (SYNCHROINFO), Yaroslavl, Russia, 1 July 2019; pp. 1–4. [Google Scholar]
- Hotchkiss, R.W. Surge Protection of Automatic Transfer Switches—Application Note. In Proceedings of the IEEE PES General Meeting | Conference & Exposition, National Harbor, MD, USA, 27–31 July 2014; pp. 1–4. [Google Scholar]
- Miller, D.; Kennel, R.; Reddig, M.; Schlenk, M. Surge Immunity Test Analysis for Modern Switching Mode Power Supplies. In Proceedings of the IEEE International Telecommunications Energy Conference (INTELEC), Austin, TX, USA, 23–27 October 2016; pp. 1–6. [Google Scholar]
- Fukaya, D.; Matsumoto, S.; Hayashiya, H. Lightning Surge Simulation of Pole Transformers Used for Electrical Railway. In Proceedings of the 23rd International Conference on Electrical Machines and Systems (ICEMS), Hamamatsu, Japan, 24 November 2020; pp. 795–799. [Google Scholar]
- He, J.-L.; Wu, W.-H. Adopting Line Surge Arresters to Increase Lightning-Withstand Levels of Transmission-Lines. In Proceedings of the TENCON’93. IEEE Region 10 International Conference on Computers, Communications and Automation, Beijing, China, 19–21 October 1993; pp. 450–453. [Google Scholar]
- Semenov, A.B. Design Requirements to Telecommunication Long Ethernet Twisted Pair Cable. In Proceedings of the XIV International Scientific-Technical Conference on Actual Problems of Electronics Instrument Engineering (APEIE), Novosibirsk, Russia, 2–6 October 2018; pp. 277–280. [Google Scholar]
- Satoh, H.; Shimoda, Y. Lightning Surge Protection Semiconductor Devices for Subscriber Telecommunication Equipment. In Proceedings of the International Symposium on Electromagnetic Compatibility, Atlanta, GA, USA, 14–18 August 1995; pp. 242–247. [Google Scholar]
- Protection of Digital Telecom Exchanges against Lightning Surges and Earth Faults. Available online: https://ieeexplore-1ieee-1org-12vdogrex08ec.han.polsl.pl/document/7103319/ (accessed on 15 August 2021).
- Hai, L.; Wang, C.; Lei, W. The Design of Overvoltage Testing System for Communication Equipment in Smart Grid. In Proceedings of the IEEE PES Asia-Pacific Power and Energy Engineering Conference (APPEEC), Xi’an, China, 25–28 October 2016; pp. 1812–1816. [Google Scholar]
- Takayama, S. Viewpoints of Education and Science in Measurement and Instrumentation. In Proceedings of the SICE Annual Conference 2007, Takamatsu, Japan, 17–20 September 2007; pp. 1175–1182. [Google Scholar]
- Badriyah, T.; Setyorini, F.; Yuliawan, N. The Implementation of Genetic Algorithm and Routing Lee for PCB Design Optimization. In Proceedings of the International Conference on Informatics and Computing (ICIC), Mataram, Indonesia, 28–29 October 2016; pp. 148–153. [Google Scholar]
- Ismail, F.S.; Yusof, R. Thermal Optimization Formulation Strategies for Multi-Constraints Electronic Devices Placement on PCB. In Proceedings of the TENCON 2009–IEEE Region 10 Conference, Singapore, 23–26 November 2009; pp. 1–6. [Google Scholar]
- Tadeusiewicz, M.; Sidyk, P.; Halgas, S. A Method for Multiple Fault Diagnosis in Dynamic Analogue Circuits. In Proceedings of the 18th European Conference on Circuit Theory and Design, Sevilla, Spain, 26–30 August 2007; pp. 834–837. [Google Scholar]
- Zieliński, D.; Grzechca, D. Selection of Surge Protection Module Components for Communication Lines Using a Genetic Algorithm. Sensors 2022, 22, 2075. [Google Scholar] [CrossRef] [PubMed]
- Haxthausen, A.E.; Peleska, J. Formal Development and Verification of a Distributed Railway Control System. IEEE Trans. Softw. Eng. 2000, 26, 687–701. [Google Scholar] [CrossRef][Green Version]
- Hamadache, M.; Dutta, S.; Olaby, O.; Ambur, R.; Stewart, E.; Dixon, R. On the Fault Detection and Diagnosis of Railway Switch and Crossing Systems: An Overview. Appl. Sci. 2019, 9, 5129. [Google Scholar] [CrossRef]
- Dowalla, K.; Bilski, P.; Łukaszewski, R.; Wójcik, A.; Kowalik, R. A Novel Method for Detection and Location of Series Arc Fault for Non-Intrusive Load Monitoring. Energies 2022, 16, 171. [Google Scholar] [CrossRef]
- Grzechca, D.; Zieliński, D.; Filipowski, W. What Is the Effect of Outer Jacket Degradation on the Communication Parameters? A Case Study of the Twisted Pair Cable Applied in the Railway Industry. Energies 2021, 14, 972. [Google Scholar] [CrossRef]
- Carobbi, C.F.M.; Bonci, A. Elementary and Ideal Equivalent Circuit Model of the 1, 2/50-8/20 Μs Combination Wave Generator. IEEE Electromagn. Compat. Mag. 2013, 2, 51–57. [Google Scholar] [CrossRef]
- Oowaku, T.; Inoue, Y.; Najajima, M.; Yamamoto, Y.; Hayashiya, H.; Yoshida, M.; Matsumoto, A.; Yasui, S.; Ikeda, T.; Mitome, H.; et al. Experimental Study on Surge Response of Grounding System of Traction Substation. In Proceedings of the 2018 34th International Conference on Lightning Protection (ICLP), Rzeszow, Poland, 2–7 September 2018; pp. 1–6. [Google Scholar]
- Grzechca, D.; Szczeponik, A. Comparison of Filtering Methods for Enhanced Reliability of a Train Axle Counter System. Sensors 2020, 20, 2754. [Google Scholar] [CrossRef] [PubMed]
- Wrobel, Z. Surge Threats Appear in Railway Devices Feeding Lines. In Proceedings of the 2018 34th International Conference on Lightning Protection (ICLP), Rzeszow, Poland, 2–7 September 2018; pp. 1–5. [Google Scholar]
- Littelfuse_GDT_SG_Datasheet_pdf-319337.Pdf. Available online: https://pl.mouser.com/datasheet/2/240/Littelfuse_GDT_SG_Datasheet_pdf-319337.pdf (accessed on 16 September 2021).
- HVCCZ5V4.7NF/3KV Ceramic Capacitor, Ceramic Capacitors—Jm.Pl | Elektronika, Automatyka, EMS Dla Biznesu. Available online: https://jm.pl/en/hvccz5v4-7nf-3kv-ceramic-capacitor-z5v-tol-80-20-r-10-0mm/9206591/produkt/ (accessed on 3 October 2023).
- Rcaife3.Pdf. Available online: https://www.vishay.com/docs/20059/rcaife3.pdf (accessed on 8 September 2021).
- Littelfuse TVS Diode 3000W SMDJ Series. Available online: https://pl.mouser.com/datasheet/2/240/Littelfuse_TVS_Diode_SMDJ_Datasheet_pdf-475081.pdf (accessed on 8 September 2021).
- PCA82C250 CAN Controller Interface. Available online: https://www.nxp.com/docs/en/data-sheet/PCA82C250.pdf (accessed on 10 October 2021).











| Component/Group | Bit Positions in the Input Vector |
|---|---|
| Group R9 (GR9) and Group R10 (GR10) | 1:4 |
| R5 and R6 | 5:7 |
| D4 | 8:12 |
| D1 | 13:17 |
| D2 and D3 | 18:22 |
| C4 | 23:25 |
| Number of resistors in the Group R9 and R10 | 26:28 |
| Designator | Specification | [V] | [A] | [W] | [W] |
|---|---|---|---|---|---|
| C4 | 1nF | 697.96 | 9.54 | 2.09 | 1409.5 |
| GDT | SG75 | 697.96 | 1334.5 | 1251 | 29,102 |
| GR9 | 2.2R (×3) | 329.44 | 49.92 | 198.52 | 16,444 |
| GR10 | 2.2R (×3) | 329.56 | 49.93 | 198.51 | 16,456 |
| D4 | SMDJ28CA | 38.96 | 49.83 | 49.91 | 1941.2 |
| R5 | 1R | 3.22 | 3.22 | 1.34 | 10.37 |
| R6 | 1R | 3.22 | 3.22 | 1.34 | 10.37 |
| D1 | SMDJ5.0CA | 7.12 | 3.22 | 4.24 | 22.90 |
| D2 | SMDJ6.0CA | 6.79 | 0.06 | 0.01 | 0.43 |
| D3 | SMDJ6.0CA | 6.80 | 0.08 | 0.01 | 0.51 |
| Number of resistors in Groups R9 and R10: | 3 | ||||
| Designator | Specification | [V] | [A] | [W] | [W] |
|---|---|---|---|---|---|
| C4 | 1nF | 469.71 | 0.49 | 0.43 | 26.17 |
| GDT | SG75 | 469.71 | 0.00 | 0.00 | 0.03 |
| GR9 | 2.2R (×3) | 216.62 | 32.82 | 360.50 | 7109.8 |
| GR10 | 2.2R (×3) | 216.60 | 32.82 | 360.50 | 7108.7 |
| D4 | SMDJ28CA | 36.50 | 31.89 | 74.98 | 1163.9 |
| R5 | 1R | 3.40 | 3.40 | 1.80 | 11.58 |
| R6 | 1R | 3.40 | 3.40 | 1.80 | 11.58 |
| D1 | SMDJ5.0CA | 7.12 | 3.40 | 5.00 | 24.23 |
| D2 | SMDJ6.0CA | 4.38 | 0.02 | 0.00 | 0.03 |
| D3 | SMDJ6.0CA | 5.70 | 0.02 | 0.00 | 0.08 |
| Number of resistors in Groups R9 and R10: | 3 | ||||
| Cable Status | RW [mΩ] (20 Hz) | Lw [µH] (10 kHz) | RS [mΩ] (20 Hz) | LS [µH] (20 Hz) | C11 [pF] (10 kHz) | C12 [pF] (10 kHz) | C23 [nF] (10 kHz) | C45 [nF] (10 kHz) | C710 [nF] (10 kHz) |
|---|---|---|---|---|---|---|---|---|---|
| Nominal | 364.25 | 14.50 | 280.00 | 10.20 | 490.00 | 475.00 | 1.50 | 1.49 | 0.80 |
| Degraded | 378.23 | 14.50 | 329.88 | 10.75 | 724.10 | 713.30 | 3.18 | 3.28 | 2.45 |
| (%) | 3.84% | 0.00% | 17.81% | 5.38% | 47.78% | 50.17% | 111.80% | 120.27% | 206.23% |
| Test Case | Group | Designator |
Component Specification | Parameter | |||
|---|---|---|---|---|---|---|---|
| [V] | [A] | [W] | [W] | ||||
| Nominal cable | A | C4 | 1nF | 697.96 | 9.54 | 2.09 | 1 409.5 |
| GDT | SG75 | 697.96 | 1 334.5 | 1 251 | 29 102 | ||
| GR9 | 2.2R (×3) | 329.44 | 49.92 | 198.52 | 16 444 | ||
| GR10 | 2.2R (×3) | 329.56 | 49.93 | 198.51 | 16 456 | ||
| D4 | SMDJ28CA | 38.96 | 49.83 | 49.91 | 1 941.2 | ||
| B | R5 | 1R | 3.22 | 3.22 | 1.34 | 10.37 | |
| R6 | 1R | 3.22 | 3.22 | 1.34 | 10.37 | ||
| D1 | SMDJ5.0CA | 7.12 | 3.22 | 4.24 | 22.90 | ||
| D2 | SMDJ6.0CA | 6.79 | 0.06 | 0.01 | 0.43 | ||
| D3 | SMDJ6.0CA | 6.80 | 0.08 | 0.01 | 0.51 | ||
| Aged cable | A | C4 | 1nF | 705.88 | 8.88 | 2.10 | 1426.64 |
| GDT | SG75 | 705.88 | 1326.87 | 1239.42 | 29081.59 | ||
| GR9 | 2.2R (×3) | 333.38 | 50.51 | 186.82 | 16840.03 | ||
| GR10 | 2.2R (×3) | 333.46 | 50.52 | 186.81 | 16847.91 | ||
| D4 | SMDJ28CA | 39.04 | 50.43 | 47.64 | 1968.67 | ||
| B | R5 | 1R | 3.20 | 3.20 | 1.31 | 10.25 | |
| R6 | 1R | 3.20 | 3.20 | 1.31 | 10.25 | ||
| D1 | SMDJ5.0CA | 7.12 | 3.20 | 4.18 | 22.77 | ||
| D2 | SMDJ6.0CA | 6.79 | 0.06 | 0.01 | 0.42 | ||
| D3 | SMDJ6.0CA | 6.79 | 0.07 | 0.01 | 0.46 | ||
| Parameters change | A | C4 | 1nF | +1.14% | −7.21% | +0.21% | +1.24% |
| GDT | SG75 | +1.14% | −0.57% | −0.97% | −0.10% | ||
| GR9 | 2.2R (×3) | +1.21% | +1.21% | −5.90% | 2.42% | ||
| GR10 | 2.2R (×3) | +1.19% | +1.19% | −5.90% | 2.40% | ||
| D4 | SMDJ28CA | +0.21% | +1.21% | −4.54% | 1.42% | ||
| B | R5 | 1R | −0.59% | −0.59% | −2.54% | −1.17% | |
| R6 | 1R | −0.59% | −0.59% | −2.54% | −1.18% | ||
| D1 | SMDJ5.0CA | −0.01% | −0.58% | −1.45% | −0.59% | ||
| D2 | SMDJ6.0CA | −0.01% | −0.86% | −9.18% | −0.87% | ||
| D3 | SMDJ6.0CA | −0.11% | −9.99% | −9.73% | −10.09% | ||
| Test Case | Group | Designator |
Component Specification | Parameter | |||
|---|---|---|---|---|---|---|---|
| [V] | [A] | [W] | [W] | ||||
| Nominal cable | A | C4 | 1nF | 469.71 | 0.49 | 0.43 | 26.17 |
| GDT | SG75 | 469.71 | 0.00 | 0.00 | 0.03 | ||
| GR9 | 2.2R (×3) | 216.62 | 32.82 | 360.50 | 7109.82 | ||
| GR10 | 2.2R (×3) | 216.60 | 32.82 | 360.50 | 7108.72 | ||
| D4 | SMDJ28CA | 36.50 | 31.89 | 74.98 | 1163.94 | ||
| B | R5 | 1R | 3.40 | 3.40 | 1.80 | 11.58 | |
| R6 | 1R | 3.40 | 3.40 | 1.80 | 11.58 | ||
| D1 | SMDJ5.0CA | 7.123 | 3.402 | 4.999 | 24.229 | ||
| D2 | SMDJ6.0CA | 4.384 | 0.017 | 0.002 | 0.027 | ||
| D3 | SMDJ6.0CA | 5.703 | 0.016 | 0.002 | 0.078 | ||
| Aged cable | A | C4 | 1nF | 469.17 | 0.51 | 0.43 | 26.02 |
| GDT | SG75 | 469.17 | 0.00 | 0.00 | 0.03 | ||
| GR9 | 2.2R (×3) | 216.35 | 32.78 | 359.46 | 7092.34 | ||
| GR10 | 2.2R (×3) | 216.32 | 32.78 | 359.46 | 7090.29 | ||
| D4 | SMDJ28CA | 36.50 | 31.84 | 74.86 | 1162.27 | ||
| B | R5 | 1R | 3.40 | 3.40 | 1.80 | 11.58 | |
| R6 | 1R | 3.40 | 3.40 | 1.80 | 11.58 | ||
| D1 | SMDJ5.0CA | 7.123 | 3.401 | 4.998 | 24.226 | ||
| D2 | SMDJ6.0CA | 4.281 | 0.018 | 0.001 | 0.034 | ||
| D3 | SMDJ6.0CA | 5.510 | 0.016 | 0.001 | 0.074 | ||
| Parameters change | A | C4 | 1nF | −0.11% | +5.01% | −0.22% | −0.58% |
| GDT | SG75 | −0.11% | +4.80% | −0.73% | −0.42% | ||
| GR9 | 2.2R (×3) | −0.12% | −0.12% | −0.29% | −0.25% | ||
| GR10 | 2.2R (×3) | −0.13% | −0.13% | −0.29% | −0.26% | ||
| D4 | SMDJ28CA | −0.02% | −0.13% | −0.16% | −0.14% | ||
| B | R5 | 1R | −0.01% | −0.01% | −0.04% | −0.02% | |
| R6 | 1R | −0.02% | −0.02% | −0.04% | −0.05% | ||
| D1 | SMDJ5.0CA | 0.00% | −0.01% | −0.01% | −0.01% | ||
| D2 | SMDJ6.0CA | −2.35% | +2.56% | −10.84% | +24.37% | ||
| D3 | SMDJ6.0CA | −3.39% | −1.88% | −11.28% | −4.79% | ||
Disclaimer/Publisher’s Note: The statements, opinions and data contained in all publications are solely those of the individual author(s) and contributor(s) and not of MDPI and/or the editor(s). MDPI and/or the editor(s) disclaim responsibility for any injury to people or property resulting from any ideas, methods, instructions or products referred to in the content. |
© 2023 by the authors. Licensee MDPI, Basel, Switzerland. This article is an open access article distributed under the terms and conditions of the Creative Commons Attribution (CC BY) license (https://creativecommons.org/licenses/by/4.0/).
Share and Cite
Zieliński, D.; Grzechca, D. The Effect of Cable Aging on Surge Arresters Designed by Genetic Algorithm. Appl. Sci. 2023, 13, 11364. https://doi.org/10.3390/app132011364
Zieliński D, Grzechca D. The Effect of Cable Aging on Surge Arresters Designed by Genetic Algorithm. Applied Sciences. 2023; 13(20):11364. https://doi.org/10.3390/app132011364
Chicago/Turabian StyleZieliński, Dariusz, and Damian Grzechca. 2023. "The Effect of Cable Aging on Surge Arresters Designed by Genetic Algorithm" Applied Sciences 13, no. 20: 11364. https://doi.org/10.3390/app132011364
APA StyleZieliński, D., & Grzechca, D. (2023). The Effect of Cable Aging on Surge Arresters Designed by Genetic Algorithm. Applied Sciences, 13(20), 11364. https://doi.org/10.3390/app132011364

