You are currently viewing a new version of our website. To view the old version click .
Applied Sciences
  • Review
  • Open Access

5 September 2023

Cancer Treatment: An Overview of Pulsed Electric Field Utilization and Generation

,
,
and
1
Electrical Power Engineering Department, School of Computing, Engineering and Built Environment, Glasgow Caledonian University, Glasgow G4 0BA, UK
2
Department of Biological and Biomedical Sciences, School of Health and Life Sciences, Glasgow Caledonian University, Glasgow G4 0BA, UK
*
Author to whom correspondence should be addressed.

Abstract

Patients diagnosed with cancer receive different types of treatments based on the type and the level of the tumour. An emerging treatment that differs from well-developed systematic therapies (i.e., Chemotherapy, Radiotherapy, and Immunotherapy) is Tumour Treating Field (TTF) treatment. Tumour behaviour under TTF treatment varies based on the electric field intensity; the process of exposing the tumour cells to an electric field is called electroporation. From the electrical perspective, the most efficient method for electroporation is to use a voltage pulse generator. Several pulse generator topologies have been introduced to overcome existing limitations, mitigate the drawbacks of classical generators, and provide more controllable, flexible, and portable solid-state voltage pulse generators. This paper provides a review of cancer treatment using TTF and highlights the key specifications required for efficient treatment. Additionally, potential voltage pulse generators are reviewed and compared in terms of their treatment efficacy and efficient use of electrical power.

1. Introduction

Electroporation was first noted in the 1950s [1], when research was initiated on cells and tissues to investigate and understand this poorly comprehended phenomenon. It was first described in the scientific literature during the 1970s [2]. It was noted that applying an electric field to biological cells or tissues results in structural changes in the membrane that form hydrophilic pores. This phenomenon is called electropermeabilization. Pores reseal after a time when the applied electric field is removed. This process increases the permeability of the cell membrane, allowing the insertion or extraction of ions and molecules (e.g., DNA, drugs). Many applications utilize this concept in different arenas by defining the requirements and type of the cell, then choosing the proper pulse parameters. Electroporation had been introduced into cancer therapy to facilitate drug delivery, as it can be used to increase cell permeability, which can in turn enhance and facilitate chemotherapeutic drug uptake [3]. This treatment process is known as electrochemotherapy, and has been used as a clinical treatment for many years [4,5]. Electroporation as a single therapy without the need for drugs or radiation was introduced for non-invasive cancer treatment in 2005 [6]. This method destroys cells by forming permanent pores and preventing the resealing of the membrane. To differentiate this first use of electroporation, it is referred to as irreversible electroporation (IRE). The application of IRE therapy has the potential to replace thermal radiotherapy and surgery due to [7]: (1) reduced treatment time; (2) reduced thermal effects on nearby tissues; and (3) non-use of drugs, meaning that there are no side effects on the body. Treatment via Tumour Treating Field (TTF) evokes physical forces on the charged molecules inside the cancer cell, which disrupts cancer cell progression and prevents proliferation [8,9]. TTF is delivered in a range of frequencies from 100 kHz to 500 kHz based on the cancer cell type, allowing for optimal treatment of different cancers [10,11]. TTF targets cancer cell features through many different mechanisms, including anti-mitotic action, enhanced autophagy, suppression of migration, and increased permeability; as cancer cells have features that are different from healthy cells, the treatment is able to be highly selective, leaving healthy neighbouring tissues unaffected [12,13].
Commercial products that are used clinically for electrochemotherapy-based cancer treatment and certified by the US Food and Drug Administraion (FDA) include Optune© (https://www.optune.com/ (accessed on 20 June 2023)) and Optune Lua© (https://www.optunelua.com/ (accessed on 20 June 2023)) from the NovoCureTM company. These two products are wearable and portable devices that can be used for treatment in adult patients (aged 22 years or older) who have been diagnosed with a brain cancer called glioblastoma multiforme (GBM) [14,15]. These devices can be used on patients in two contexts. If the patient has been newly diagnosed with GBM, Optune is used with chemotherapy if the cancer is confirmed by a doctor or physician and the patient has had surgery to remove much of the tumour. Alternatively, the device can be used to treat patients with GBM recurrence alone as an alternative to other standard medical treatments if surgery, radiation, and chemotherapy have failed to treat the patient and had no effect on cancer. This suggests that they are primarily used as a salvage treatment option for relapsed GBM when surgery, radiation, and chemotherapy have been unsuccessful. This is very important in GBM, as the majority of GBM patients exhibit relapse (75–80%), which is correlated with shorter survival [16]. The device comprises a power source, a field generator, and four transducer arrays. Transducers are attached to the patient’s scalp after it has been completely shaved. Each transducer is composed of ceramic discs with a hydrogel coating to enhance pulse delivery to the scalp. The field generator is the part responsible for generating an alternating electric field that is used to shape the waveform utilizing the energy stored in the power source [17,18]. Through trials and clinical treatment, the only side effect related to using this device is inflammation and irritation of the scalp skin, which can be treated with topical corticosteroids [19].
This paper presents the essential medical and electrical knowledge on tumour treatment using pulsed electric fields including the necessary terminology and definitions. The available pulse generator topologies are reviewed and categorized, including classical modalities and advanced topologies based on solid-state power electronics technology. The rest of this paper is structured as follows. First, simplified definitions of tumour and cancer are presented while highlighting the morphological and biochemical differences between normal and cancer cells. This is followed by presenting the concepts behind electroporation and the effects of different pulse duration ranges. Then, different models of biological cells are introduced, with a focus on electrical equivalent circuit models. In the last two sections, different pulse generator (PG) topologies are briefly investigated and compared both with each other and with classical techniques.

2. The Main Hallmarks of Cancer

Cancer is a genetic disease that makes cells divide and grow abnormally without being regulated by the human body and disrupts the control of cellular proliferation, differentiation, and death. This genetic disease can develop in any part of the body and travel to other parts (metastasis) through the bloodstream or lymph system [20]. Cancer results from mutations in DNA and genes. There are 14 hallmarks of cancer, shown in Figure 1, that have been defined; among the differences between normal and cancer cells are that cancer cells [21,22]:
  • Ignore signals that tell them to grow as normal cells, resulting in their undergoing abnormal growth and proliferation.
  • Ignore signals that tell them to stop dividing or to undergo programmed cell death (apoptosis).
  • Deceive the immune system and reprogram it to support the growth and proliferation of cancer cells and prevent immune cells from killing them.
  • Can induce the generation of new blood vessels (angiogenesis) near the tumour to supply the growing tumour with nutrients and oxygen and facilitate the removal of waste products.
Figure 1. The fourteen hallmarks of cancer, according to the last update in 2022 [22].
Normal and cancer cells have different electrical properties, and even these characteristics change with cancer cell development; thus they can be used as indicators of infection and cancer development level. In general, a normal cell has higher electrical capacitance than a cancer cell. Studies report that this is for many reasons, including: (1) the diameter of a cancer cell is typically larger than that of its counterpart normal cell (e.g., a lung cell), although the diameters of certain cancer cells, such as those in breast and liver cancer, are smaller than those of their counterpart normal cells, which shows that the diameter of the cell is not the only parameter that affects capacitance [12]; (2) the permittivity of cancer cells is lower than that of a normal cells, (3) cancer cells have a higher water concentration; and (4) cancer induces changes in cell permeability, which imply changes in the concentration of ions; in addition, it has been found that cancer cells have higher concentrations of chlorine and sodium and lower concentrations of magnesium, potassium, calcium, and zinc [12]. All normal cells of different tissue types show higher electric capacitance in comparison to their counterpart cancer cells [12], while both types of cells show negative relations with the electric field frequency (i.e., the cell capacitance decays as the frequency increases). Generally speaking, measuring the capacitance and voltage response of cells can help differentiate between normal and cancer cells; however, it cannot help differentiate between different cancer types, as they share a narrow capacity range [12].
Tumours can be benign, which is usually not harmful unless they are in parts of the body that can lead to blockages (e.g., the hepatic portal vein or coronary artery) [23]. Among malignant tumours, some can be controlled/treated; in general, however, they are difficult to cure/eradicate. Cancer usually starts with a malignant tumour. Malignant cancer can start from benign tumours as well, such as in the case of colon cancer starting from colon polyps. Table 1 compares and summarizes benign and malignant tumours. Treatment modalities vary widely, and include surgery, chemotherapy, radiotherapy, immunotherapy, and hormonotherapy [24,25]. Treatment via TTF is an emerging non-invasive technology that generates a pulsed electric field to target and disrupt tumour cell division in order to prevent cancer cell growth and proliferation.
Table 1. Benign tumours vs. malignant tumours [23,26].

3. Tumour Treating Field and Electroporation Process

Electroporation is an indication of electric pore formation, which involves increasing the permeability of the cell membrane by applying PEF to biological cells or tissues [7]. It is important to properly select the voltage pulse and electrode parameters, as listed in Table 2.
Table 2. System parameters for pulses and electrodes.
By exposing the cell to such a field, one of two scenarios results:
  • In reversible electroporation (RE), temporary pores are formed and the cell reseals after a period of time and survives. This method facilitates drug delivery by increasing cell permeability, and can be useful for modifying or inserting DNA and other molecules into cells.
  • In irreversible electroporation (IRE), the pulse parameters exceed a certain level based on the delivered pulses that prevents the cell from resealing. This can cause permanent damage in the form of pores, eventually leading to apoptosis.
The breakdown of cells depends on many parameters including the ambient temperature, pulse duration, and cell charging time constant. By varying the pulse properties, a potentially infinite number of applications can be targeted based on project requirements. Different applications of electroporation based on low-voltage long pulses, high-voltage short pulses, and synergetic pulses achieved by mixing both long and short pulses are shown in Figure 2 and summarized in Table 3. Cancer electrochemotherapy utilizes RE to initiate pores and allow drugs to enter the cells; the pores then reseal after a period of time [27]. Cancer treatment methods based on the utilization of IRE to cause permanent damage to tumour cells have been reviewed in [7,27]. In another context, PEF is used in food processing to kill bacteria in order to preserve food for long periods of time with reduced need for chemical food preservatives [28]. There are many pulse waveforms that solid-state-based PG can generate if the electroporator is based on multilevel techniques [29]. These pulse waveforms are rectangular, exponential, and multipulse. The most utilized technique for food processing is the application of multipulse waveforms, which reduces amount of heat generated in order to maintain the nutritional value of food [30]. Electroporation has additionally been used as an emerging technology to enhance the extraction of juice from various types of fruits, as well as other plants such as olives and sugar beets [28].
Figure 2. Electroporation process applications and effects on the cell membrane and organelles [31].
Table 3. Electroporation applications and related pulse parameters.
Cells have many charged and polarisable molecules inside them on which TTF can exert biophysical forces to obtain a spectrum of biological effects. It was initially thought that the mitotic apparatus was the only mechanism by which TTF interfered with cancer cells to inhibit proliferation; however, recent research has described other effective TTF mechanisms on cancer cells [19]. Although the evoked biological effects are not yet completely understood, it is currently thought that, in addition to the anti-mitotic effect of TTF, various biological processes such as DNA repair, enhanced autophagy, immunogenic cell death, anti-migration effects, and permeability are perturbed by TTF, all of which could represent potential routes by which to obtain anticancer effects [11,19,32]. Several of these mechanisms are briefly described in Table A1 in Appendix A.
TTF therapy can be used alongside other systematic anticancer treatments to enhance the effects of delivered treatment and increase patient survival rate while incurring minimal or no side effects, additive toxicity, or drug–drug interactions [19,32]. Based on the recently published literature, utilization of TTF therapy concomitant with taxanes is suggested to be beneficial in the treatment of certain cancer types [11]. TTF concomitant with different systemic therapies is briefly described in Table A2 in Appendix A.

4. Biological Cell Modelling

A eukaryotic cell is the basic building block of any living organism, and is a very complicated biological entity. The cell is composed of cytoplasm, which contains the nucleus, mitochondria, and many other organelles; a detailed view is shown in Figure 3. Organelles have different functionalities, and all are necessary for the proper functioning of the cell. The cytoplasm and cell organelles are surrounded by a plasma membrane composed of a phospholipid bilayer and transmembrane proteins (etc.); the membrane plays a vital role in protecting organelles while at the same time controlling the exchange between the extracellular microenvironment and the inside of the cell.
Figure 3. Basic structure of a mammalian cell.
There are several types of electrical models of biological cells, including:
  • Equivalent Circuit Models: these models represent the cell as an electrical circuit with resistors and capacitors in series/parallel combinations [33,34,35].
  • Finite Element Models: these models use numerical techniques to represent the electrical properties of biological cells and tissues in three-dimensional space [36].
The choice of model depends on the specific application and the level of detail and accuracy required, which can help with treatment planning. Choosing between these different models first requires a clear definition of the model outputs. For instance, an electrical equivalent circuit model should be used to test the generated output of PG, while FEM and numerical models are typically considered when studying the effects of the electrode shape and distribution of the electric field on cells or tissues. FEM-based models fall beyond the scope of this paper, as our prime focus is on electrical modelling; however, interested readers may consult [37,38,39] and references therein for FEM modelling details.

Equivalent Circuit Model

The equivalent electrical cell model was presented by Foster and Schwan in 1989 [33]. Considering a mammalian cell, the internal structure of the cell is depicted in Figure 3. The plasma membrane of the cell is a perfect dielectric material; it has high resistance and extremely low thickness, being only a few nanometres (5∼10 nm). The approximate values of resistivity and capacitance are 10 7 Ω / cm and 1 μ F / cm 2 , respectively [40]. On the other hand, the cytoplasm has higher conductivity than the plasma membrane, and is modelled as a resistor R c . The resistivity of the cytoplasm is around 100 Ω / cm [40]. The surrounding medium, like the cytoplasm, is of higher conductivity, and is modelled as a resistor R e . Overall, a cell can be modelled as a conductive sphere covered by a layer of insulating material, as shown in Figure 4.
Figure 4. Equivalent electrical model of cell [33,39].
Applying the Kirchhoff voltage law to the circuit, the cell voltage V c can be written as
V c = V m + R C C m d V m d t
where V m is the membrane voltage and C m is the membrane capacitance. If a constant electric field of magnitude E is applied to the cell with an angle θ between the electric field lines and the perpendicular to the tangent of the point on the sphere (with radius r), the equation can be written as follows:
3 2 E r cos θ = V m + R C C m d V m d t .
Assuming that the initial charge of the cell is zero and integrating the equation, the cell voltage can be written as
V m = f E r cos θ ( 1 e t / τ c m )
where f is a constant that equals 3 / 2 and τ c m is the membrane charging time constant:
τ c m = r ε m 2 d σ i σ e σ i + 2 σ e + r σ m
where σ i , σ m , and σ e are the conductivities of the cytoplasm, cell membrane, and cell’s surrounding medium, respectively, ε m is the dielectric permittivity of the membrane, and d is the membrane thickness. To create pores for a specific pulse duration τ , the electric field intensity must reach a certain critical value, which can be estimated as follows:
E c r = 2 V c r f r cos θ 1 e τ / τ c m .
These equations can help with calculating the initial values for the critical electric field and resulting voltage pulse characteristics [37]. All of the above equations are applicable to sinusoidal AC fields with a pulse longer than 1 μ s , that is, a frequency lower than 1 MHz .

5. Nano/Pico-Second Pulsed Electric Field Effect on Mammalian Cells

Cancer cells do not respond to normal cell death signals; however, it has been proven that nanoscale pulses can stimulate cell apoptosis, thereby suppressing cancer development and growth [41]. This discovery demonstrated that nanosecond pulse technology can lead to an entirely physical apoptosis-based cancer therapy [42]. Nanosecond PEF (nsPEF) not only prevents tumour growth, it stimulates the immune system to fight cancers and enables a vaccine-like effect that protects against future cancer relapse/recurrence [43].
Another application of nsPEF has arisen as a result of the finding that the release of calcium from membrane nanopores and intracellular stores leads to platelet aggregations in which rapid wound healing occurs [44]. Additionally, nsPEF can be used as a treatment for cardiac arrhythmia (abnormal heart rhythm); nsPEF is utilized in many ways for various treatments, among which several are listed below:
  • Electrochemotherapy [45].
  • Electrically triggered intra-cellular calcium release [46,47].
  • Shrinkage and complete elimination of tumours [42].
  • Activation of platelets for accelerated wound healing [48,49].
Electrodes of different shapes in direct contact with tissues are needed to deliver pulses for treatment, although utilizing ultrashort picosecond-scale pulses make it possible to use a wideband antenna for contactless pulse delivery [50].

6. Reversible and Irreversible Electroporation Parameters

The pulse peak and duration are dependent on each other, i.e., a lower peak of pulses in the micro/millisecond range is required for long duration pulses, while far higher peak pulses in the kV and MV range are required for short and ultrashort nano/picosecond durations. The reason for the increase of peak voltage with reduced pulse duration is the amount of energy needed to polarize and electroporate the tissues [7]. Long pulses with a duration longer than the time constant of the membrane charging time have a direct effect on the cell membrane, while short pulses affect the intracellular membrane of the organelles. A graph adapted from [51] depicting the relation between the peak and duration is shown in Figure 5.
Figure 5. Dependence between pulse peak and duration for RE and IRE [31,51].
To electroporate the cell and temporarily increase cell permeability, the value of the pulse peak should exceed the lower value required to achieve RE ( V R E t h ) at a specific pulse duration. If the voltage value decays beyond the RE lower limit during the pulse, the permeability of pores will be lower and they will reseal faster. The same applies for IRE; thus, in order to produce permanent pores, the lower limit ( V I R E t h ) should be exceeded for the minimum pulse duration. Pulses with parameters in the area between the thresholds of RE and IRE lead to large pores, which can be useful for the insertion/extraction of molecules into/from the cell [52].
The rise and fall time have a direct effect on the electroporation process, especially for short pulses; the induced transmembrane voltage is higher for short rise times, which is more suitable for IRE [53], while for long pulses the electroporation effect is not significant.
Many parameters influence the IRE process. As highlighted in [7] (and see Figure 5), the electric field can vary from tens to thousands of V / cm . Furthermore, the pulse duration can be as low as 100 ns and up to 300 ms , and the number of repetitive pulses can reach more than 3000 pulses per process, with different frequencies, many of which are overlooked by the literature. Consequently, the results vary considerably due to differences in parameter selection.

6.1. Induction of Transmembrane Voltage by PEF

Transmembrane voltage comprises two components, namely, the resting voltage and the induced transmembrane voltage (ITV). The resting membrane potential of a cell is defined as the electrical potential difference across the plasma membrane when the cell is in a non-excited state. Applying an electric field to a biological cell increases the concentration of ions inside and outside the cell membrane, which results in induced transmembrane voltage with a value that can be in the tens of millivolts [37]. After the removal of the imposed electric field, the ITV ceases and only the resting voltage remains on the cell membrane. The ITV is proportional to the intensity and duration of the electric field, and the effect is imposed on the resting transmembrane voltage for duration of the exposure period. The ITV affects the activation of voltage-gated channels, and if the effect is large enough it can lead to reversible or irreversible membrane electroporation [54,55,56]. Studying and understanding ITV is useful for the successful application of electroporation. Unlike the resting voltage, the ITV depends on the type, shape, and orientation of the cell with respect to the imposed electric field. In addition, the induced voltage varies with the position of the point on the membrane. Because the cell is modelled as a capacitive and resistive load, it has a time constant, making the induced voltage lag match the applied electric field, i.e., the appearance of the voltage is delayed by a finite period based on the cell time constant.
The amplitude of ITV is affected by the duration of the pulse and repetition frequency. As the frequency is increased or the pulse duration is decreased, the induced voltage decreases. For pulses in the nanosecond range with gigahertz frequency, the induced voltage on organelle membranes can reach the same amplitude as the membrane induced voltage ITV, and can even exceed the ITV under certain conditions [37]. If the membrane is electroporated, its membrane conductivity is increased, which reduces the ITV value from the higher value immediately prior to beginning electroporation.
Traditionally, the transmembrane voltage V m is the potential difference between the inner surface of the membrane V i n and the outer surface V e x [37].
Δ V m = V i n V e x

6.2. Membrane Threshold Voltage

The optimal pulse voltage threshold value differs based on the cell type and the percentage of viability targeted by the process; therefore, the literature reports different threshold values of suitable electric fields for RE and IRE. In vitro (It describes medical procedures, tests, and experiments that researchers perform outside of a living organism) and in vivo (referring to tests, experiments, and procedures in or on whole living organisms) pulse parameters range are concluded from the literature in Table 4. For RE, reported in vitro values vary between 400 and 600 V / cm , for a total of eight repetitive pulses each having 100 μ s exposure duration [57]. For IRE, in vitro values vary between 1000 and 2000 V / cm and depend on the number of pulses, pulse duration, repetition frequency, and total exposure time [7]. Reported in vivo threshold values for IRE vary between 500 and 1300 V / cm [7,58]; as with in vitro experiments, the specific values depend on the other pulse parameters.
Table 4. In vivo and in vitro membrane threshold voltages.
During different experiments in the literature, it has been found that the transition from non-electroporated to reversible electroporated and in turn to irreversible electroporated states is continuous. Therefore, mathematical models can be used to describe the resulting permeabilization, survival, and cell viability and display them in curves [7]. This is achieved by performing the same process a number of times, recording the results, then applying statistical analysis to filter the results and organize them in the form of a table, graph, or both.
The critical cell membrane voltage varies depending on a variety of parameters, including the ambient temperature, pulse rise time, duration, and repetition frequency. The critical voltage increases with increasing temperature rise as well as with lower pulse duration, especially in nano/picosecond-range treatment pulses. To introduce pores in the cell membrane, the induced voltage should exceed at least 0.2 0.3 V , [59]; usually, the value needed to create primary membrane pores with a minimum radius of ∼1 nm varies between 0.5 1 V [60]. This is usually assumed to be 1 V , as presented in [61]. For nanosecond and shorter pulses with extremely short rise times the membrane voltage can reach 1.6 V , at which point it becomes saturated and pore formation prevents any further increase, as shown experimentally in [62]. A high voltage field value is required, leading to increased thermal effects. The temperature increase Δ T depends on the electric field E, pulse duration τ , conductivity of the cell σ , density of the medium ρ , and specific heat c, and can be calculated as follows:
Δ T = σ E 2 τ ρ c .
In order to limit the damage to neighbouring tissues due to the thermal effect of the HV short pulses or LV long pulses, the temperature increase should be kept lower than Δ T = 1 °C through proper selection of the pulse duration and field intensity.
The charging time constant of the mammalian cell membrane is in the range of microseconds (the actual value varies based on parameters such as the type of cell and the concentration of other substances); in order to cause changes in the internal structure of the cell, a high-voltage nanosecond-range short electric pulse with a duration less than the membrane charging time constant should be applied. Many studies have shown that nanosecond-range pulses affect the cell membrane by creating nanoscale pores in the membrane.

7. Electrode Shapes

There are many shapes of electrodes, as shown in Figure 6, that can be used to deliver the generated electric field to infected tissues or organs; the four most widely used electrodes are the catheter, clamp, needle, and plate types [7].
Figure 6. Different electrode shapes: (a) plate, (b) needle with one positive and four negative electrodes, and (c) clamp.
  • Plate electrodes, shown in Figure 6a, utilize two parallel plates separated by a distance to deliver a homogenous electric field to tissues; unfortunately, they cannot be fitted easily to treat affected organs internally without the need for surgery. Therefore, they can be used only with accessible types of tumours.
  • Needle electrodes, shown in Figure 6b, can be built using a different number of electrodes (starting at two), and the needles can be placed in different relevant formations with respect to each other. The number and placing of electrodes affects the shape of the electric field, leading to different effects on the tumour for the same pulse parameters.
  • Clamp electrodes, shown in Figure 6c, have almost the same shape as plate electrodes. They are made up of two electrodes fixed onto the inner faces of the clamp, which is used to hold the organ or tissues in direct contact with the electrodes. As with plate electrodes, these can only be used for accessible tumours.
  • Catheter electrodes are inserted in catheter tubes to reach the affected organ, which requires skilled clinicians able to navigate to the target and fix the tubes without harming any surrounding areas.
To optimize the delivery of IRE to the tissue under study, the number of electrodes, their shape, and the gap between them all need extensive research.

8. Voltage Pulse Parameters and Selection

There are many voltage pulse shapes to choose from, of which three waveforms are the most popular for many electroporation applications. These shapes, shown in Figure 7, are rectangular, multipulse, and exponentially decayed waveforms [29]. There are many parameters that can describe the shape of the voltage pulse. A typical rectangular wave with a sharp rise and fall transition can be parametrized by the peak, pulse duration, and frequency. However, in real applications, parasitic elements (i.e., stray inductance and capacitance from transmission lines) mean that in any system the voltage pulse takes time to reach the plateau peak and additional time to decay to zero. The rise and fall time are two parameters used to describe the transition of the pulse; these are of high importance, as they define the quality of the pulse. During the rising time of the pulse, overshooting may occur; conversely, undershooting may occur during the falling time. Voltage pulse generation techniques depend on energy storage elements, capacitors, or inductors to boost the input voltage and allow fast delivery of the pulse to the load. For this reason, the peak of the pulse decays slightly from the plateau value. This can be noticed based on the capacitance or inductance values and the time constant of the elements. As described in Section 4, the cell is modelled as capacitive and resistive; thus, the current can be used as an indication of electroporation. During the rise time, the capacitive component is dominant, as the capacitor is charging, after which it decays to a fixed value. When the cell is electroporated, the permeability of the cell increases; this means that the resistor value decreases, leading to an increase in the current, which oscillates and then stabilizes at a new value [63].
Figure 7. Most popular voltage pulse shapes for PEF: (a) rectangular, (b) exponential, (c) ramp, and (d) multipulse [29].
The most standardized and widely used waveform is the rectangular wave pulse, which can be characterized by the parameters listed in Table 5 [31] and is graphically depicted in Figure 8.
Table 5. Pulse characterization parameters.
Figure 8. Pulse characterization parameters [64].
Electroporation voltage pulses can be unipolar or bipolar. For unipolar pulses, the polarity can only be positive or negative, while bipolar pulses can have both positive and negative polarities. The two pulses can be of the same parameters, with no delay inserted between them, or they can be of different parameters with or without delay time inserted in between. The peak of the pulse defines the efficacy of operation, number of pulses, and rise and fall time, as well as the shape of the pulse; delivering bipolar pulses has been shown in research to be more promising than unipolar [7,35,51]. Unipolar pulses can lead to electrode movement and muscle contraction, which leads to increased pain [65]. On the contrary, bipolar pulses mitigate muscle contraction and electrode movement and loss, and can expedite treatment time thanks to their inducing mechanical stresses on cells in addition to electrical ones. In addition, bipolar pulses have shown better tumour ablation ability than unipolar pulses [66,67].
It is rare that any application needs only one voltage pulse to be delivered to the load. Rather, voltage pulses are delivered in series through a train of pulses with different numbers and repetition frequencies, which can be combined into different shapes to obtain a better effect. Figure 9 shows voltage pulses divided into many trains of pulses with the same pulse parameters and with delay time inserted in the first part; the second part shows trains of pulses that share the same parameters in the same group and have different parameters in the second group.
Figure 9. Train of voltage pulses: (a) train of voltage pulses with the same parameters and (b) with different parameters [31].

9. Pulse Generators

Pulse Generators (PG) aim to generate high-voltage (HV) repetitive pulses in different shapes, widths, repetition frequencies, and plateau voltages for delivery to loads similar to biological cells and tissues, as well as for insulation material testing. As illustrated in Figure 10, energy is harvested and stored in passive elements such as inductors (for magnetic fields) or capacitors (for electric fields) over a relatively long period of time compared to the pulse duration [68]. The process then involves releasing the stored energy using switching devices in a very small fraction of a second in the form of HV or current, indicating high power and low energy, using fast switching devices. The delivered energy is in the form of pulses, which reduces the energy delivered to the cell medium and enhances energy efficiency [69].
Figure 10. Power conversion through a pulse generator [68].
There are various applications that utilize pulsed power technology, for instance, food sterilization [70,71], military and defence applications, energy, material processing, and medical treatment [52]. The development of PG has led to the growth of interdisciplinary sciences such as bio-electrics. Low-voltage long pulses are used to increase cell permeability of RE to facilitate drug uptake as a tumour treatment in electrochemotherapy [27], or can be used to suppress cancer growth and enhance immune system response to detect and attack tumour cells. First, electrical energy is harvested from a source (i.e., steam generators, wind, and photovoltaics). The collected energy is stored in fast-response passive elements, i.e., inductors and capacitors, as these can provide the energy in zero time compared to energy generation sources.
PG topologies can be categorized into two main categories based on their operation methodology, namely, classical PGs and power electronics-based PGs [29,64]. Figure 11 illustrates the main categories and inherited features.
Figure 11. Classification of HV pulse generators [29].

9.1. Classical PGs

A.
Marx PG
The classical Marx technique [72], shown in Figure 12, is based on charging capacitors in parallel through current limiting resistors and/or inductors, then releasing the energy by connecting capacitors in series through spark-gap switches. One advantage of this technique is that after the first gap is triggered intentionally, the remaining gaps are triggered automatically in a sequential way. This happens because the capacitors are connected in series through the triggered gaps, which impose voltages higher than the gap breakdown voltage. On the other hand, the converter suffers from many drawbacks; for instance, it has high loss due to the utilization of charging resistors, generates only unipolar voltage pulses, and the device is not modular and bulky due to the spark-gaps devices, meaning that it is not portable. Marx PGs lack flexibility and controllability, and the charging time constant is high, which reduces the pulse repetition rate. These limitations make the spark-gap Marx approach unsuitable for medical application [73].
Figure 12. Classical Marx generator.
B.
Pulse-Forming Network
The PGs utilized before the power electronics revolution could generate only exponentially decayed voltage pulses, while the required shape is a rectangular pulse. It is impossible to obtain a rectangular pulse without the use of a pulse-forming network (PFN) [74,75]. The simple circuit is shown in Figure 13. Changing the specifications of the pulse, such as the width and peak, is possible during the network formation process [76]. A PFN comprises several stages of the π -shape LC filter. The HV input is connected to the PFN through an HV switch and the rectangular pulse is delivered to the load from the PFN through another HV switch.
Figure 13. Classical pulse-forming network generator.
C.
Blumlein PG
A coaxial core transmission line (TL) is another way of generating HV pulses; it has the same structure as a PFN [77,78], i.e., a distributed LCL. In order to deliver the maximum power to the load at higher efficiency, a type of impedance matching between the load and the TL takes on higher importance. Blumlein proposed a way of delivering twice the pulse peak, i.e., an HV supply peak, as compared to the conventional TL generator. This is achieved by connecting the load in series between two identical TLs, with the condition of line impedance being half the value of the load impedance.

9.2. Power Electronics-Based PGs

Power electronics based PGs can be classified into capacitive-based PGs and inductive-based PGs according to the utilized energy storage of the converter. Capacitive-based PGs have three main categories: modular, non-modular, and hybrid pulse generators. The most developed topologies, as made evident through a review of the literature and their utilization in different applications, are the capacitive-based PGs; thus, the focus throughout the following subsections is on this category.

9.2.1. Capacitive Storage-Based PGs

The simplified main concept of capacitive-based PGs is shown in Figure 14. It is based on charging a capacitor through a switch, then releasing the stored energy to the load using another switch. The energy is stored in a capacitor with a voltage rating higher than the needed load pulse voltage. For higher voltage ratings, a bank of series and parallel capacitors can be utilized based on the voltage level and load needs. The delivered voltage pulse shape can be an exponential decayed pulse or a rectangular wave pulse. The system designer can generate both pulses via proper selection of the capacitance value. For exponential decayed pulses, the capacitor delivers the whole stored charge to the load until the voltage reaches zero. On the contrary, the capacitance of the circuit with a rectangular wave pulse should be sized to hold much more energy than is delivered to the load in order to avoid the voltage reaching zero and to keep the capacitor voltage within a specific limit Δ V .
Figure 14. Direct capacitor discharge circuit for capacitive and resistive loads.
In designing such a system, many aspects must be taken into consideration: the voltage rating of the power switches and capacitance, must be determined, as must the power capability of the switch and the maximum operating frequency of the switch; furthermore, if the main power source charging the capacitor cannot supply the voltage at the required rating, the system needs to utilize a boost converter in between. Finally, neither switch is referenced to the ground, resulting in an increased requirement for floating power supplies to drive switches and the need for isolated drivers between the microcontroller and the switches. For applications with a pulse voltage of several kV, a need arises for several lower-voltage cascading switches and capacitors in order to increase the system’s capabilities. The series connection of several switches in a conventional way can lead to system failure due to the mismatch between cascaded devices during the switching transients period. A snubber circuit, comprising a resistor and capacitor, is one way to maintain the balance among all series connected switches. While this is simple and effective, it can lead to increased size, weight, cost, and losses, reducing system efficiency [79].
Many solutions have been introduced in the literature to overcome the drawbacks of series-connected switches and utilize low-voltage (LV) power sources. In the following subsections, different topologies with modular, non-modular, and hybrid structures are presented. Non-modular techniques include Switch Mode Power Supply (SMPS), Capacitor–Diode Voltage Multiplier (CDVM), and Solid-State Marx generators
A.
Non-Modular PGs
I. SMPS-Based PGs
Generally speaking, SMPS is used as an isolated and non-isolated DC–DC converter to step voltage levels up/down. The normal output of SMPS is pulsed voltage and current, then filters are added to smooth the output based on the ripples accepted by the load. In the application of PG, filters are not required as the load requirements are pulsed waves.
In [80], the flyback topology shown in Figure 15a was utilized to generate HV pulses, with a modification in output stage by removing the capacitor filter and utilizing a resistor, capacitor, and diode (snubber circuit) in the primary side to reset the transformer core and reduce the overvoltage spike stress on the switching device. When the switching device Q is on, the energy is stored in the transformer magnetic circuit, and after turning off the switch the power is transferred to the secondary side and the diode directs the current flow. The secondary voltage is reflected onto the primary during the diode conduction period; thus, the switch should withstand the supply voltage added to the reflected secondary voltage.
Figure 15. SMPS-based PGs: (a) flyback, (b) buck–boost, (c) front-to-front boost, and (d) boost converter.
In [81], the buck–boost circuit supplies a low-voltage switch–diode–capacitor stack, as shown in Figure 15b. Capacitors are charged and pulses are shaped by controlling the switches. This topology requires complicated control to charge and shape the pulse, and can generate only unipolar pulses. In [82], two boost converters sharing the same ground were utilized, and the load was connected differentially between the positive ports. This configuration can generate bipolar pulses, while the operation depends mainly on the parameters of the passive components [29]. In [83], a single boost converter was utilized and the load was differentially connected between the output- and input-positive ports, as shown in Figure 15d. This topology can only generate unipolar pulses, and does not require HV switches.
II. CDVM-Based PGs
The CDVM, shown in Figure 16, is the simplest module utilized to build an HV output from an LV source by using two capacitors and two diodes. Usually, CDVM is supplied from an AC source, not a DC source, and the output of CDVM is smooth HV DC, not a pulsed shape. Therefore, it can be followed with a stack of series-connected switches to generate unipolar pulses. An H-Bridge circuit is another simple converter used to generate bipolar pulses. In [84], CDVM was utilized to build an HV PG by utilizing two semiconductor switches to switch from the charging state to the pulse generation state. This circuit is simple and utilizes a moderate number of semiconductor devices, and shares a similar concept with the Marx PG. In [85], the authors presented an HV PG based on a two-stage converter and fed from an AC source. The first stage was a rectifier followed by a buck–boost converter, the second consisted of two CDVM branches with a stack of HV switches, and the load was connected differentially in between. In [86,87], CDVM was utilized as a basic building block with the switches in a different configuration and cascaded modules used to reach HV.
Figure 16. Capacitor diode voltage multiplier module.
III. Solid-State Marx PGs
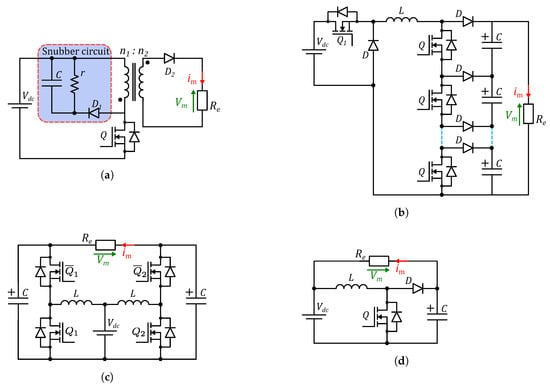
One configuration of the Marx generator topology is depicted in Figure 17; this variant is closer to being modular, consisting of repeated modules with the same structure. Each module is composed of two switches S c x and S p x , one diode D x , and one capacitor C x for energy storage [79,88]. This topology requires only one power supply to charge all the capacitors simultaneously in parallel, which reduces the charging time and increases the pulse repetition frequency. Switches denoted by S c x (where x { 1 , 2 , , n } ) are utilized to charge the capacitors in parallel, while others denoted by S p x (where x { 1 , 2 , , n } ) connect the capacitors in series to form and deliver HV pulses. The maximum value of the output voltage is calculated as V o = n V c . Many waveforms can be shaped by inserting and bypassing capacitors sequentially. There are many different PG configurations based on the Marx generator concept [89,90,91,92], each having pros and cons while sharing the same general operation principles. The drawback of these Marx generators is that the switches and diodes used for charging are of different ratings, which lacks modularity in the basic design [29,93]. For this reason, Marx-based generators are not categorized as modular generators.
Figure 17. Power electronics-based Marx generator.
B.
Modular PGs
I. Modular Multilevel Converter-Based PGs
Modular Multilevel Converters (MMCs) have been utilized for many different applications due to their modularity and scalability as well as the variety of available submodules which present the basic building blocks of the converter. A single leg of MMC, shown in Figure 18, is composed of two identical arms; each arm comprises an inductor and a series of submodules in cascading connection. Two different submodule configurations, namely, half-bridge (HB) and full-bridge, are shown in Figure 19. The most utilized submodule is HB, which is due to the lower number of switches and simple control compared to other submodules [94]. By defining the modulating reference, the output of the converter can be a pulsed shape instead of a staircase modified sine wave [29]. The output of the generator varies based on the load connection. For a load connected between the leg midpoint and the input capacitors midpoint, as in Figure 18a, the shape is bipolar; otherwise, for the connection between the leg midpoint and leg lower voltage point the output is unipolar, as in Figure 18b.
Figure 18. Single leg MMC-based PG showing two different load connection states: (a) for a bipolar pulse and (b) for a unipolar pulse.
Figure 19. Different submodule configurations: half-bridge and full-bridge.
Balancing the capacitor submodules is one of the major challenges facing MMC; in most cases, voltage sensors are needed to sort and charge the capacitors in order to maintain balance [95]. In contrast to Marx PGs, MMC PGs require an input source voltage equal to or greater than the pulse peak value. In [96,97], the capacitor charge balance is maintained by utilizing a diode between each two adjacent HB submodules without the need for voltage or current sensors. In addition, by controlling the submodule switching sequence, the pulse plateau peak can be reached in one step (rectangular shape) or several steps (ramp shape) to meet the load requirements and control rise/fall time. In [98], the authors presented a balancing algorithm and utilized the phase-disposition PWM technique to keep the balance and mitigate the need for additional diodes in order to reduce the system cost and complexity.
The peak delivered pulse voltage for the previous method is half the input voltage. In [99], a two-legged MMC-based PG comprising four arms each was presented with the arms in an H-bridge shape. This converter has the ability to generate both unipolar and bipolar pulses with full-input DC voltage. The charging state is achieved by inserting an arm and bypassing the second arm of the same leg while the other arms are in idle mode. For pulse delivery, an arm is inserted and the same arm of the second leg is bypassed while the others are in idle state. Adopting the same hardware, [100] presented a modified and enhanced control algorithm for the PG to generate various pulse shapes (i.e., the ramp wave mimics exponential decaying, multipulse, and rectangular shapes) based on the flexibility of the MMC-based converter to deliver a multilevel output waveform. Sensing hardware and a sorting algorithm are utilized to maintain the voltage of each capacitor at the targeted value. To attain a rectangular shape, the generator operates in sensorless mode. Another enhancement by the same group was published in [101], in which submodules of the lower arms were replaced with a series of connected switches while manipulating zero current and voltage transitions to mitigate induced electromagnetic interference (EMI) and reduce the stress on the switches. The inserted modifications reduced the number of switches by a quarter, and that of the capacitors and voltage sensors by half as compared to the original state. Even with these modifications, the converter retained the ability to generate various pulse shapes using the presented control algorithm. To overcome the need for an HV source, another enhancement was presented in [102,103]; the circuit is shown in Figure 20. This converter is supplied by an LV source, and the capacitors are charged sequentially through a current-limiting inductor to reduce power losses. The generator is configured as an H-bridge shape; one leg comprises two arms of cascaded HB submodules and the other leg comprises two arms, each built using a switch in series with series-connected reverse blocking diodes that prevent reverse voltage during the pulse generation state. The arms are composed of submodules, with certain arms responsible for generating the uni/bipolar pulses and other switch–diode arms providing the charging current path. The switches should be able to withstand the source voltage V d c , while the diodes need to block V d c ( n 1 ) , where n is the number of submodules per arm. As in the previous modification, this converter maintains zero current and voltage switching and does not utilize voltage sensors. Despite the introduced LV charging feature, the minimum pulse duration is increased, and depends on the number of modules and capacitor charging time constant.
Figure 20. Sequentially charged MMC submodule-based PG.
II. Cascaded H-Bridge PGs
H-Bridge modules present a complicated version of the HB submodule with twice the number of semiconductor devices, control signals, and gate drivers. However, the H-bridge can provide bipolar pulses and can block any fault current by generating opposite polarity. In [73], the H-bridge circuit was used as the basic building cell for a versatile multilevel converter intended for use in electroporation-based cancer treatment. Instead of supplying the whole converter using a single HV source, as in MMC, the cascaded H-bridge converter requires many isolated DC sources equal to the number of modules. This can increase the size and cost of the converter if isolation is achieved with a low-frequency transformer. To mitigate these cons, the authors utilized a high-frequency resonant inverter supplying high-frequency transformers, with the series connection of primary sides and each secondary side isolated to deliver the energy to a single H-bridge module capacitor.
III. Voltage Adder PGs
A voltage adder generator is presented in Figure 21. Such a generator is formed by cascaded connected modules, with each module utilizing an isolating transformer to supply power to the module to charge the capacitor [104,105]. The module consists of an AC–DC rectifier, a capacitor C x , a diode D x , and a switch S x . Capacitors are charged independently through the module transformer and diode and discharged through switches that provide the series connection of capacitors to form the pulse and deliver it to the load. This topology utilizes the same module power rating, which mitigates the drawbacks of Marx generators. In addition, different pulse waveforms can be generated by switching modules on and off to shape the pulse. The use of an isolating transformer makes it easier to provide a floating power supply to drive the switch by embedding auxiliary winding into the transformer.
Figure 21. Solid-state voltage adder topology-based PG.
Synergetic pulses (HV short pulses and LV long pulses) can enlarge the tissue ablation area and enhance the overall electroporation process; therefore, in [106], a voltage adder-based PG was presented (shown in Figure 22) with the ability to generate synergetic pulses without the need for any changes to the system hardware. This PG comprises a single-input LV source and a high-frequency resonant inverter to transmit the energy to the modules. Voltage adder modules comprise a pair of each of the following: magnetic rings, storage capacitor, diode rectifier, bypass diode, and switch. The number of secondary turns on the magnetic rings is different for HV and LV capacitor charging circuits. These systems can generate long and short pulses in the same cycle. In addition, they can generate the typical shapes of the pulse by selecting which and how many modules to insert. This topology can generate only unipolar pulses; for bipolar pulses, a hardware modification must be applied by replacing the switches and diodes with bi-directional switches or by utilizing an HV H-bridge at the load side.
Figure 22. Synergetic pulse generator based on resonant charged voltage adder: (a) converter composed of many modulesc and (b) circuit composed of a single module.
C.
Hybrid PGs
Despite MMC advantages, the need for an HV input source is vital in order for normal operation to reach the required voltage levels. Topologies presented in the literature utilize the basic submodules to build a hybrid converter and mitigate the need for HV input. The generator comprises a voltage-boosting converter in the input stage. Other topologies may incorporate boosting and pulse generation in the same submodule as a single-stage PG.
In [107], a three-stage pulse generator was presented that is fed from an LV DC source with two boosting stages. The first stage is a boost converter fed from an LV DC sources supplying a second stage comprised of two CDVM modules, which are utilized to boost the input voltage to a higher DC voltage level. The third stage is an HB-based MMC that is responsible for shaping the pulse waveform. As the CDVM modules are centrally fed, a virtual midpoint is available which allows the load to be connected between the midpoint of the leg and the midpoint of the two CDVM modules. This converter has the ability to generate both unipolar and bipolar pulses thanks to the way the load is connected. This configuration mitigates the need for a second MMC leg or two capacitor banks to establish a midpoint. In addition, utilizing two front-end boosting stages provides a higher gain ratio with the minimum number of controlled switches, and sensors. Furthermore, the components are of an LV rating and there is no need for series-connected switches or snubber circuits. All of these features lead to reduced weight, size, and cost. The drawbacks of this converter are that, as with any single-leg MMC-operated PG, it can only provide half the DC-link voltage for bipolar pulses, and that the charging energy is not equally distributed over the diodes and capacitors, i.e., the charging currents passing through the CDVM capacitors and diodes are not of the same value.
The configuration presented in [93] employs a series connected HB submodule to build a mimic of an MMC arm in which submodules are charged sequentially from an LV DC source. The converter has two additional unidirectional switch banks; one in series with a DC supply to charge the submodules and the reverse voltage blocking capability equals to the pulse peak voltage n V c ; the second bank is in parallel with the converter and DC source, this bank operates to deliver the pulse to the load. The author presented two charging schemes: one utilizing external current-limiting impedance in parallel with the load, and one utilizing the load impedance as a current limiter. The second scheme theoretically seems economical and reduces system size. However, it is not practically suitable for most applications, and may work only for water treatment, as an electroporation-based application must limit the thermal effect on the treated medium below a certain limit [7]. This configuration has two challenges: first, a long charging time, which means a lower pulse repetition rate, and second, that it generates only unipolar pulses, which can be mitigated by a second-stage HV H-bridge converter, though at increased cost and size. The authors mitigated the monopolar pulse limitation and introduced [108], in which they utilized a full-bridge instead of an HB submodule. An HV thyristor with pulse peak voltage blocking capability was used to bypass the load during the charging time. The authors claimed that the using a single thyristor is better, as it provides HV blocking capability; nonetheless, it is slow and reduces the repetition rate, much the same as the sequential charging method.
Another configuration presented in [29] (shown in Figure 23) mimics a Marx generator with regard to charging and pulse generation. This configuration utilizes an HB submodule to initiate two identical arms. The capacitors are charged simultaneously through directing/blocking diodes while at the same time keeping the capacitor charge balance without the need for a sorting algorithm or voltage sensors. An LV DC source voltage is increased through dual boost converters that feed submodules through diodes. Both arm capacitors are charged at the same time, which leads to a reduced charging time and higher repetition capability. However, while the directing/blocking diodes are of the same voltage, they have different currents. The boosting switches have rated voltages equal to the input source voltage. The upper arm generates the positive pulse and the lower arm generates the negative voltage. Only one arm operates at any instant in time, while the other arm is bypassed to provide a closed path for the pulse. For a unipolar pulse operation, the authors suggested replacing one of the arms with a single IGBT switch that can be used to provide a closed path during pulse generation and block reverse conduction during charging. This switch should be capable of blocking input voltage and withstanding the pulse current. To reduce the number of capacitors, the HB submodule is replaced by a full-bridge configuration and a switch is inserted in series with each directing/blocking diode. This modification may reduce the capacitor number; however, it leads to increased switch count and system control complexity.
Figure 23. LV half-bridge MMC mimic-based PG topology.
In [109], a two-stage isolated PG system fed from a single LV source was presented. The first stage is an isolated DC–DC converter comprising a full bridge that produces an AC rectangular wave to transmit energy through nanocrystalline-based transformers. The secondary side of the transformer feeds the full-bridge diode rectifier to provide a smooth DC voltage to the cascaded full-bridge modules, which form the second stage and the pulse generator. The load is connected between the terminal at the top full bridge and the terminal at the lowest full bridge. This configuration can provide both unipolar and bipolar pulses, and can generate any shape by inserting and bypassing the cascaded bridges.
Another PG topology based on an isolated front-end boosting DC–DC converter fed by a single-leg MMC was presented in [110]. This paper presented a two-stage PG, shown in Figure 24, with parallel-input series-output isolated DC–DC followed by a single-leg MMC converter to shape HV pulses. The isolating transformer utilizes a nanocrystalline core that exhibits low leakage and magnetizing inductances and is suitable for high-frequency operation. The isolated converter comprises an inductor, a switch, a nanocrystalline transformer, two capacitors, and a diode. While the upper arm submodules utilize a two-switch HB configuration, the lower arm uses a switch and diode for the upper and lower devices. The load is connected between the leg midpoint and the leg LV point; therefore, the PG is of a unipolar capability. This generator utilizes a higher number of components by using the diodes and capacitors at secondary sides in addition to the capacitors for the MMC. Based on the capacitance value and the rated voltage, this system would be large and occupy the same volume as the traditional two-stage system (i.e., a cascaded DC–DC boost followed by a cascaded H-Bridge PG). Utilization of MMC presents added value for the work, and a better solution than series-connected switches, although it requires double the number of devices and capacitors. In addition, the submodules of the two arms do not have the same ratings. The operating frequency of the boosting modules and the repetition frequency of the pulse seems to be the same, with the coupling presenting a massive drawback; especially for low repetition frequency, the boosting action would not work properly. However, the author claims that it can be decoupled by setting two different frequencies for the pulse repetition and boosting action. This can be achieved by skipping the boost carrier for many cycles before delivering one pulse.
Figure 24. Parallel-input series-output isolated boost-fed MMC-based unipolar PG: (a) converter circuit diagram, (b) isolated voltage boosting module, and (c) upper and lower arm submodules.

9.2.2. Inductive Storage-Based PGs

Unlike capacitive-based topologies, inductive-based PGs utilize the inductor to store energy in the form of magnetic fields. A simplified circuit is shown in Figure 25 [111]. The circuit comprises a main energy source, an inductor L, and three switches S 1 , S 2 , and S 3 . Switches S 1 and S 2 are utilized to boost the input voltage by charging the inductor, then switch S 2 is opened. Switches S 1 and S 3 are then used to deliver a pulse with a peak value equal to the sum of the input and inductor voltage. The circuit behaves the same as the boost converter except that it utilizes more switches to form the pulse after charging the inductor. Care is needed with this circuit, as opening the inductor circuit during current flow produces a higher voltage on the switches compared to a capacitive circuit due to current disruption.
Figure 25. Inductive storage-based PG.
To build higher voltages and increase the ability to produce various waveforms, this circuit can be modified by adding a transformer with a higher turns ratio between the secondary and primary [111]. In addition to cascading the circuit and utilizing many power sources to energize the inductor, another configuration can utilize a single power source and many transformers; the circuit is shown in Figure 26, with the input circuits connected in parallel and the secondary circuits connected in series to shape the wave and increase the pulse voltage [112].
Figure 26. Parallel-input series-output inductive storage pulse generator.

10. The Feasibility and Utilization of PGs in Tumour Treatment

Based on the presented PG classifications, classical PGs have a number of drawbacks: (1) long charging duration; (2) large volume and heavy weight; (3) limited controllability and lack of configuration or modification after design and construction. These limitations restrict repetition frequency and confine the resulting generators to unipolar pulses. These limitations make this category unsuitable and unsafe for clinical therapies. The resulting designs are non-portable and ill-suited for modern-day therapies, impacting patient well-being by limiting their daily activities.
In contrast, SMPS-based PGs emerge as the most suitable category for portable devices, particularly for post-chemotherapy or radiotherapy TTF-based therapy. Examples include the portable devices produced by Novocure. SMPS designs are characterized by simplicity, minimal number of components, and lightweight construction, making them wearable, portable, and preferred by clinicians and patients alike. They allow patients to receive treatment while maintaining a normal lifestyle. These generators can be employed for LV short pulses with a high repetition frequency for RE applications such as the introduction of small molecules (i.e., electrochemotherapy by increasing membrane permeability to facilitate drug uptake). Devices based on SMPS can achieve a great success in the portable device market, especially when leveraging wide-bandgap GaN technology, which permits exceptionally high switching frequencies, superior performance, and reduced weight and losses.
On the other hand, certain non-modular generators (CDVM and solid-state Marx) are complicated in terms of their design and control and utilize a high number of components with different ratings. However, these converters can charge their capacitors simultaneously, which reduces the charging time and increases the repetition frequency. Moreover, they can attain higher voltage levels and generate bipolar pulses with various shapes. Consequently, this category finds utility in generating HV short pulses for IRE applications such as induced cell death with short pulses, i.e., TTF as a monotherapy based on enhanced autophagy mechanism and initiating permanent pores in the cell membrane and internal organelles’ membranes to prevent resealing.
Capacitive voltage adder converters offer a host of advantages, including modularity, the capacity to reach higher plateau voltages, simultaneous charging of capacitors (resulting in increased repetition frequency), and ability to assemble modules of different voltage ratings in parallel branches to generate high/low voltage short/long pulses. This capability is invaluable, particularly for introducing large molecules into cells (e.g., DNA repair mechanisms), facilitating the generation of synergistic pulses.
However, it is worth noting that while other modular generators such as MMC and cascaded H-bridge can achieve higher voltages, as can hybrid generators, they suffer from complexity, large size, and substantial weight. These generators are better suited for static non-movable devices intended for treatment in hospitals and care centers. These converters offer ease of configuration, scalability, modification, and upgradability thanks to their modular nature, providing the flexibility to generate various pulse shapes with adjustable parameters.

11. Comparison of Pulse Generators

To sum up, in Table 6 the presented PGs are compared and summarized for many aspects: input source voltage level, generated pulse shape and polarity, control, generator size and footprint, and need for sensors. Overall, each category has their own associated benefits and limitations, and research enables further development to enhance the converter operation. Generally speaking, charging the generator capacitors can be done in one of two ways, sequentially or simultaneously. Sequential charging-based topologies suffer from lower repetition rates due to a long charging duration, although they can utilize devices with lower current rates. On the contrary, simultaneously charged capacitor-based topologies use high-current devices or several devices in parallel, while providing a higher repetition rate and the ability to generate pulses with a shorter duration. Currently, research is focused on enhancing solid-state-based topologies by presenting or improving one or many of the following characteristics:
  • Utilization of an LV input source,
  • Low charging time and high repetition rate,
  • Modularity and scalability,
  • Ability to generate LV/HV and long/short pulses (synergetic pulses),
  • Flexibility in generating unipolar and bipolar pulses without any hardware modification and in various shapes, ensuring versatility for different applications,
  • Reduced count of required sensors (voltage and current),
  • Simple control and operation,
  • A small footprint with higher power density and lower weight.
Table 6. Comparison between different pulse generator categories.
Table 6. Comparison between different pulse generator categories.
FeatureClassicalInductiveNon-ModularModularHybrid
Supply voltageLV/HVLVLVHVLV/HV
Pulse shapeexponentialflexiblesquare/flexibleflexibleflexible
Pulse polarityuni/bipolaruni/bipolaruni/bipolaruni/bipolaruni/bipolar
Modularitynon-modularmodularnon-modularmodularsemi-modular
ControlNAcomplicatedsimplecomplicatedcomplicated
Footprintmoderate/largelargemoderatehighhigh
SensorsNArequiredrequiredrequiredrequired

12. Conclusions

Although PEF is utilized in several industrial, military, and medical applications, the prime focus of this paper is to shed light on cancer treatment using PEF and the potential electroporators available for successful treatment. A biological cell can be modelled using FEM or electrical equivalent circuit models. Normally, FEM-based models are adopted for treatment planning and electric field distribution inside tissues, while electrical equivalent circuits are adopted for studying and investigating the performance of electroporators. The duration, amplitude, rise time, and polarity of the voltage pulse affect the behaviour and type of the formed pores. Ultrashort pulses affect the membrane of the organelle directly, while long pulses affect the cell membrane. Synergetic and bipolar pulses have proven more important in specific cases to enhance the treatment process and reduce side effects. Delivering the voltage pulses requires electrodes, which can come in a variety of shapes, namely, plate, needle, clamp, and catheter types. Each electrode can be utilized to deliver the voltage pulses to a specific biological cell; catheter-type electrodes may be preferred when delivering in-body voltage pulses. Generating PEF requires a voltage pulse generator. Pulse generators (or electroporators) are categorized into two main categories, namely, classical and solid-state-based. Marx-type, pulse forming network, and Blumlein are considered the classical electroporators; they feature limited capabilities and require hardware modification to change pulse parameters. On the other hand, capacitive storage-based and power electronics-based electroporators seem to have more potential in PEF applications over the inductive energy stage types. Amongs the features they can offer are flexibility and controllability in voltage pulse generation and hardware modularity and redundancy, along with smaller footprint and greater compactness. This paper aims to bridge the knowledge gap between two distinctive fields, namely, cancer therapy and electrical engineering. By introducing the necessary knowledge for non-specialized researchers in both fields, we hope that this review can provide a better understanding, thereby fostering innovative multidisciplinary cancer treatment solutions.

Author Contributions

Conceptualization, M.A.A. and M.A.E.; analysis, M.A.A.; investigation, M.A.E., A.A.A. and M.T.S.W.; methodology, M.A.A., M.A.E. and A.A.A.; supervision, M.A.E., A.A.A. and M.T.S.W.; writing—review and editing, M.A.A. and M.A.E. All authors have read and agreed to the published version of the manuscript.

Funding

This research received no external funding.

Institutional Review Board Statement

Not applicable.

Data Availability Statement

Not applicable.

Conflicts of Interest

The authors declare no conflict of interest.

Appendix A

Table A1. Tumour treating field effects and mechanisms on cancer cells [19].
Table A1. Tumour treating field effects and mechanisms on cancer cells [19].
MechanismDescription
Anti-mitotic actionDuring the metaphase, the uniform electric field causes the dipolar molecules such as tubulin 1 to align with the field. Thus, TTF interferes with tubulin polymerization and de-polymerization. Then, during the anaphase, TTF prevents the assembly of septin protein complexes by inhibiting the localisation of the septin proteins to the mitotic spindle 2. During the last phase, cytokinesis 3, the field converges at the cleavage furrow, which exhibits forces on the polarised objects, resulting in abnormal chromosome segregation and cell death.
Impairing/suppressing DNA repairTTF has been shown to suppress and downregulate BRCA and Fanconi anaemia pathway genes 4, which are associated with increased replication stress and the formation of double-strand breaks. Furthermore, repair of double-strand breaks is reduced because of the impairment of homologous recombination repair by TTF.
Enhanced autophagyA process by which a cell breaks down and destroys old, damaged, or abnormal proteins and other substances in its cytoplasm. It has been proposed that TTF therapy can mitigate the inhibitory effects of the PI3K/Akt/mTORC 5 signalling pathway on autophagy, resulting in greater activation of autophagy. Further investigations are needed to determine whether autophagy is triggered as a cell-survival or cell-death signal in response to TTF.
Promoting immunogenic cell deathTTF stimulates macrophages 6, leading them to release reactive oxygen species, nitric oxide, and proinflammatory cytokines such as interleukin (IL)- 1 β , tumour necrosis factor (TNF)- α , and IL-6. Furthermore, TTF promotes immunogenic cell death by recruiting and maturing dendritic cells 7, ultimately resulting in increased accumulation of CD4+ and CD8+ T cells at the tumour site. Combining TTF with anti-PD-1 therapy has the potential to boost PD-L1 expression in infiltrating dendritic cells and macrophages, thereby further enhancing the antitumour immune response.
Suppressing cancer cell migrationTTF diminishes the ability of cancer cells to migrate and invade via mechanisms dependent on the nuclear factor (NF)- κ B, mitogen-activated protein kinase (MAPK), and phosphatidylinositol 3-kinase (PI3K)/Akt pathways.
Increasing cell membrane permeabilityTTF initiates and increases the number, size, and capacity of pores in the cell membrane, which increases membrane permeability and enhances drug absorption by the cell, thereby promoting the electrochemotherapy modality.
1 One of a group of proteins found in high levels in the cell cytoplasm (fluid inside a cell but outside the cell’s nucleus), tubulins are the building blocks of microtubules (narrow hollow tubes inside a cell), which are involved in cell division and cell movement. Certain anticancer drugs bind to and block the formation or function of tubulins, which may block cell division. 2 The mitotic spindle is a structure that forms during cell division and separates duplicated chromosomes. In eukaryotic cells, the mitotic apparatus is composed of two centrosomes and spindle microtubules. 3 The cytoplasmic division of a cell at the end of mitosis or meiosis, bringing about its separation into two daughter cells. 4 The Fanconi anaemia pathway, also called the FA-BRCA pathway, is a fundamental DNA repair pathway that recognizes DNA damage and orchestrates DNA damage responses, especially for DNA interstrand crosslink repair. 5 PI3K/Akt/mTOR is a major intracellular signalling pathway which responds to the availability of nutrients, hormones, and growth factor stimulation, and has been well established to play a very significant role in tumour cell growth and proliferation. 6 Macrophages are specialised cells involved in the detection, phagocytosis, and destruction of bacteria and other harmful organisms. In addition, they can present antigens to T cells and initiate inflammation by releasing molecules (known as cytokines) that activate other cells. 7 Dendritic cells are professional antigen-presenting cells that inform the fight against invasive pathogens while enforcing tolerance to self-antigens as well as harmless environmental antigens. They capture pathogens and receive signals from pathogens that influence the outcome of immune responses.
Table A2. Tumour treating field concomitant with other systematic therapies [11].
Table A2. Tumour treating field concomitant with other systematic therapies [11].
TTF Concomitant withDescription
RadiotherapyTTF shares one of the described mechanisms affecting the cancer cell, namely, causing damage to DNA and suppressing DNA repair, resulting in cancer cell death (i.e., an apoptotic effect). This effect has been demonstrated to be more effective if TTF is applied before radiotherapy. The application of TTF concomitantly with radiotherapy has been found to present enhanced efficacy in pancreatic and GBM cancers [11,113,114].
ImmunotherapyTTF concomitant with immunotherapy in preclinical studies has shown enhanced antitumour immunity and additive effects both in vitro and in vivo without affecting T-cell-mediated cytotoxicity. TTF was used alongside anti-PD-1 and anti-CTLA-4 1, and resulted in reduced tumour volume [11,115].
Targeted therapyIn preclinical studies, utilization of TTF with PARPI 2 resulted in an enhancing anti-mitotic effect, reduced cell replication, and increased apoptosis, and a further enhancement was achieved with the utilization of radiotherapy in the treatment process. Moreover, studies have shown that using TTF with multikinase inhibitors 3 can resulted in reduced cancer cell invasion and migration along with enhanced autophagy [116,117].
Chemotherapy and taxanesTTF has been shown by several clinical studies to enhance the efficacy of treatment concomitantly with chemotherapy with a low rate of toxicity and increased survival rates of patients. TTF weakens tight endothelial junctions and induces reversible pores in the cell membrane, allowing for increasing drug concentration inside the cell and enhancing treatment efficacy [118,119]. Taxanes are cytotoxic treatment drugs that target microtubules. Taxanes are effectively used to treat solid tumours, and have been in use for more than forty years. Taxanes induce microtubule polymerization, which leads to the growth of polar protein chains. Utilizing TTF to exert forces on the dipolar tubulin leads to abnormal chromosome segregation and cell death. Thus, cancer treatment efficacy can be enhanced by utilizing both therapies together to target tubulin [11,120].
1 Anti-PD-1 and anti-CTLA-4 are immunotherapy drugs used to prevent checkpoint proteins from binding together, which in turn prevents the “off” signal from being sent and allows the immune system to find and degrade cancer cells. 2 Poly-ADP ribose polymerase (PARP) is a protein (enzyme) found in human cells that helps damaged cells to repair themselves. In cancer treatment, PARP inhibitors stop PARP from carrying out repair work on cancer cells, leading to cell death. 3 Multikinase inhibitors are a type of drugs used to inhibit intracellular and cell surface kinases, which are involved in cancer cell growth, thereby reducing tumour cell growth.

References

  1. Stampfli, R. Reversible electrical breakdown of the excitable membrane of a Ranvier node. An. Acad. Bras. Cienc. 1958, 30, 57–61. [Google Scholar]
  2. Neumann, E.; Rosenheck, K. Permeability changes induced by electric impulses in vesicular membranes. J. Membr. Biol. 1972, 10, 279–290. [Google Scholar] [CrossRef]
  3. Okino, M.; Mohri, H. Effects of a high-voltage electrical impulse and an anticancer drug on in vivo growing tumors. Jpn. J. Cancer Res. GANN 1987, 78, 1319–1321. [Google Scholar] [CrossRef]
  4. Miklavčič, D.; Mali, B.; Kos, B.; Heller, R.; Serša, G. Electrochemotherapy: From the drawing board into medical practice. Biomed. Eng. Online 2014, 13, 29. [Google Scholar] [CrossRef] [PubMed]
  5. Cadossi, R.; Ronchetti, M.; Cadossi, M. Locally enhanced chemotherapy by electroporation: Clinical experiences and perspective of use of electrochemotherapy. Future Oncol. 2014, 10, 877–890. [Google Scholar] [CrossRef]
  6. Davalos, R.V.; Mir, L.M.; Rubinsky, B. Tissue ablation with irreversible electroporation. Ann. Biomed. Eng. 2005, 33, 223–231. [Google Scholar] [CrossRef] [PubMed]
  7. Jiang, C.; Davalos, R.V.; Bischof, J.C. A Review of Basic to Clinical Studies of Irreversible Electroporation Therapy. IEEE Trans. Biomed. Eng. 2015, 62, 4–20. [Google Scholar] [CrossRef] [PubMed]
  8. Mun, E.J.; Babiker, H.M.; Weinberg, U.; Kirson, E.D.; Von Hoff, D.D. Tumor-treating fields: A fourth modality in cancer treatment. Clin. Cancer Res. 2018, 24, 266–275. [Google Scholar] [CrossRef]
  9. Voloshin, T.; Schneiderman, R.S.; Volodin, A.; Shamir, R.R.; Kaynan, N.; Zeevi, E.; Koren, L.; Klein-Goldberg, A.; Paz, R.; Giladi, M.; et al. Tumor Treating Fields (TTFields) hinder cancer cell motility through regulation of microtubule and actin dynamics. Cancers 2020, 12, 3016. [Google Scholar] [CrossRef]
  10. Karanam, N.K.; Story, M.D. An overview of potential novel mechanisms of action underlying Tumor Treating Fields-induced cancer cell death and their clinical implications. Int. J. Radiat. Biol. 2021, 97, 1044–1054. [Google Scholar] [CrossRef]
  11. Vergote, I.; Macarulla, T.; Hirsch, F.R.; Hagemann, C.; Miller, D.S. Tumor Treating Fields (TTFields) Therapy Concomitant with Taxanes for Cancer Treatment. Cancers 2023, 15, 636. [Google Scholar] [CrossRef] [PubMed]
  12. Al Ahmad, M.; Al Natour, Z.; Mustafa, F.; Rizvi, T.A. Electrical characterization of normal and cancer cells. IEEE Access 2018, 6, 25979–25986. [Google Scholar] [CrossRef]
  13. Trainito, C.I.; Sweeney, D.C.; Čemažar, J.; Schmelz, E.M.; Français, O.; Le Pioufle, B.; Davalos, R.V. Characterization of sequentially-staged cancer cells using electrorotation. PLoS ONE 2019, 14, e0222289. [Google Scholar] [CrossRef] [PubMed]
  14. Novocure. Optune®: What is Optune? Available online: https://www.optune.com/ (accessed on 20 June 2023).
  15. Novocure. Optune LUA®: What is Optune LUA? Available online: https://www.optunelua.com/ (accessed on 20 June 2023).
  16. Kawauchi, D.; Ohno, M.; Honda-Kitahara, M.; Miyakita, Y.; Takahashi, M.; Yanagisawa, S.; Tamura, Y.; Kikuchi, M.; Ichimura, K.; Narita, Y. Clinical characteristics and prognosis of Glioblastoma patients with infratentorial recurrence. BMC Neurol. 2023, 23, 9. [Google Scholar] [CrossRef]
  17. Novocure. Optune®: Instructions for Use. Available online: https://www.optune.com/pdfs/Optune_IFU_8.5x11.pdf (accessed on 20 June 2023).
  18. Novocure. Optune LUA®: Instructions for Use. Available online: https://www.optunelua.com/pdfs/Optune-Lua-MPM-IFU.pdf (accessed on 20 June 2023).
  19. Rominiyi, O.; Vanderlinden, A.; Clenton, S.J.; Bridgewater, C.; Al-Tamimi, Y.; Collis, S.J. Tumour treating fields therapy for glioblastoma: Current advances and future directions. Br. J. Cancer 2021, 125, 623. [Google Scholar] [CrossRef]
  20. Hejmadi, M. Introduction to Cancer Biology, 2nd ed.; Bookboon: London, UK, 2010. [Google Scholar]
  21. National Cancer Institute, A. What Is Cancer? Available online: https://www.cancer.gov/about-cancer/understanding/what-is-cancer (accessed on 15 May 2023).
  22. Licciulli, S. New Dimensions in Cancer Biology: Updated Hallmarks of Cancer Published. Available online: https://www.aacr.org/blog/2022/01/21/new-dimensions-in-cancer-biology-updated-hallmarks-of-cancer-published/ (accessed on 21 June 2023).
  23. Patel, A. Benign vs malignant tumors. JAMA Oncol. 2020, 6, 1488. [Google Scholar] [CrossRef] [PubMed]
  24. Lucia, O.; Sarnago, H.; Garcia-Sanchez, T.; Mir, L.M.; Burdio, J.M. Industrial electronics for biomedicine: A new cancer treatment using electroporation. IEEE Ind. Electron. Mag. 2019, 13, 6–18. [Google Scholar] [CrossRef]
  25. Society, A.C. Cancer Treatment Types. Available online: https://www.cancer.org/treatment/treatments-and-side-effects/treatment-types.html (accessed on 15 May 2023).
  26. Society, A.C. What Is Cancer? American Cancer Society. Available online: https://www.cancer.org/cancer/understandingcancer/what-is-cancer.html (accessed on 23 August 2023).
  27. Frandsen, S.K.; Gissel, H.; Hojman, P.; Tramm, T.; Eriksen, J.; Gehl, J. Direct Therapeutic Applications of Calcium Electroporation to Effectively Induce Tumor NecrosisCalcium Loading by Electroporation Causes Tumor Necrosis. Cancer Res. 2012, 72, 1336–1341. [Google Scholar] [CrossRef]
  28. Frey, W.; Gusbeth, C.; Sakugawa, T.; Sack, M.; Mueller, G.; Sigler, J.; Vorobiev, E.; Lebovka, N.; Álvarez, I.; Raso, J.; et al. Environmental applications, food and biomass processing by pulsed electric fields. In Bioelectrics; Springer: Tokyo, Japan, 2016; pp. 389–476. [Google Scholar] [CrossRef]
  29. Elgenedy, M.A.; Massoud, A.M.; Ahmed, S.; Williams, B.W.; McDonald, J.R. A Modular Multilevel Voltage-Boosting Marx Pulse-Waveform Generator for Electroporation Applications. IEEE Trans. Power Electron. 2019, 34, 10575–10589. [Google Scholar] [CrossRef]
  30. Sheikholeslami, A.; Adabi, J. High-voltage pulsed power supply to generate wide pulses combined with narrow pulses. IEEE Trans. Plasma Sci. 2014, 42, 1894–1901. [Google Scholar] [CrossRef]
  31. Reberšek, M.; Miklavčič, D. Beyond electroporation pulse parameters: From application to evaluation. In Handbook of Electroporation; Springer International: Cham, Switzerland, 2017; Volume 2. [Google Scholar] [CrossRef]
  32. Moser, J.C.; Salvador, E.; Deniz, K.; Swanson, K.; Tuszynski, J.; Carlson, K.W.; Karanam, N.K.; Patel, C.B.; Story, M.; Lou, E.; et al. The mechanisms of action of Tumor Treating Fields. Cancer Res. 2022, 82, 3650–3658. [Google Scholar] [CrossRef]
  33. Foster, K.R.; Schwan, H.P. Dielectric properties of tissues and biological materials: A critical review. Crit. Rev. Biomed. Eng. 1989, 17, 25–104. [Google Scholar] [PubMed]
  34. Schoenbach, K.H.; Peterkin, F.E.; Alden, R.W.; Beebe, S.J. The effect of pulsed electric fields on biological cells: Experiments and applications. IEEE Trans. Plasma Sci. 1997, 25, 284–292. [Google Scholar] [CrossRef]
  35. Neal II, R.E.; Garcia, P.A.; Robertson, J.L.; Davalos, R.V. Experimental characterization and numerical modeling of tissue electrical conductivity during pulsed electric fields for irreversible electroporation treatment planning. IEEE Trans. Biomed. Eng. 2012, 59, 1076–1085. [Google Scholar] [CrossRef] [PubMed]
  36. Shamoon, D.; Dermol-Cerne, J.; Rems, L.; Reberšek, M.; Kotnik, T.; Lasquellec, S.; Brosseau, C.; Miklavčič, D. Assessing the electro-deformation and electro-poration of biological cells using a three-dimensional finite element model. Appl. Phys. Lett. 2019, 114, 063701. [Google Scholar] [CrossRef]
  37. Kotnik, T.; Miklavčič, D. Transmembrane voltage induced by applied electric fields. In Handbook of Electroporation; Springer International: Cham, Switzerland, 2017; Volume 2. [Google Scholar] [CrossRef]
  38. Kranjc, M.; Miklavčič, D. Electric field distribution and electroporation threshold. In Handbook of Electroporation; Springer International: Cham, Switzerland, 2017; Volume 2, pp. 1043–1058. [Google Scholar] [CrossRef]
  39. Poignard, C.; Silve, A.; Wegner, L.H. Different approaches used in modeling of cell membrane electroporation. In Handbook of Electroporation; Springer International: Cham, Switzerland, 2017; Volume 2. [Google Scholar] [CrossRef]
  40. Schoenbach, K.; Joshi, R.; Beebe, S.; Baum, C. A scaling law for membrane permeabilization with nanopulses. IEEE Trans. Dielectr. Electr. Insul. 2009, 16, 1224–1235. [Google Scholar] [CrossRef]
  41. Beebe, S.J.; Fox, P.M.; Rec, L.J.; Willis, E.L.K.; Schoenbach, K.H. Nanosecond, high-intensity pulsed electric fields induce apoptosis in human cells. FASEB J. Off. Publ. Fed. Am. Soc. Exp. Biol. 2003, 17, 1–23. [Google Scholar] [CrossRef]
  42. Nuccitelli, R.; Pliquett, U.; Chen, X.; Ford, W.; James Swanson, R.; Beebe, S.J.; Kolb, J.F.; Schoenbach, K.H. Nanosecond pulsed electric fields cause melanomas to self-destruct. Biochem. Biophys. Res. Commun. 2006, 343, 351–360. [Google Scholar] [CrossRef]
  43. Nuccitelli, R.; Tran, K.; Lui, K.; Huynh, J.; Athos, B.; Kreis, M.; Nuccitelli, P.; De Fabo, E.C. Non-thermal Nanoelectroablation of UV-induced Murine Melanomas Stimulates an Immune Response. Pigment. Cell Melanoma Res. 2012, 25, 618–629. [Google Scholar] [CrossRef]
  44. Schoenbach, K.H. From the basic science of biological effects of ultrashort electrical pulses to medical therapies. Bioelectromagnetics 2018, 39, 257–276. [Google Scholar] [CrossRef]
  45. Schmidt, G.; Juhasz-Böss, I.; Solomayer, E.F.; Herr, D. Electrochemotherapy in breast cancer: A review of references. Geburtshilfe Frauenheilkunde 2014, 74, 557–562. [Google Scholar] [CrossRef]
  46. Buescher, E.S.; Smith, R.R.; Schoenbach, K.H. Submicrosecond intense pulsed electric field effects on intracellular free calcium: Mechanisms and effects. IEEE Trans. Plasma Sci. 2004, 32, 1563–1572. [Google Scholar] [CrossRef]
  47. Vernier, P.T.; Sun, Y.; Marcu, L.; Salemi, S.; Craft, C.M.; Gundersen, M.A. Calcium bursts induced by nanosecond electric pulses. Biochem. Biophys. Res. Commun. 2003, 310, 286–295. [Google Scholar] [CrossRef] [PubMed]
  48. Shaner, S.; Savelyeva, A.; Kvartuh, A.; Jedrusik, N.; Matter, L.; Leal, J.; Asplund, M. Bioelectronic microfluidic wound healing: A platform for investigating direct current stimulation of injured cell collectives. Lab Chip 2023, 23, 1531–1546. [Google Scholar] [CrossRef]
  49. Zhang, J.; Blackmore, P.F.; Hargrave, B.Y.; Xiao, S.; Beebe, S.J.; Schoenbach, K.H. The characteristics of nanosecond pulsed electrical field stimulation on platelet aggregation in vitro. Arch. Biochem. Biophys. 2008, 471, 240–248. [Google Scholar] [CrossRef]
  50. Schoenbach, K.H.; Xiao, S. Nanosecond pulses and beyond—Towards antenna applications. In Proceedings of the 1st World Congress on Electroporation and Pulsed Electric Fields in Biology, Medicine and Food & Environmental Technologies, Portorož, Slovenia, 6–10 September 2015; Springer: Singapore, 2016; Volume 53, pp. 24–27. [Google Scholar] [CrossRef]
  51. Pucihar, G.; Krmelj, J.; Reberšek, M.; Napotnik, T.B.; Miklavčič, D. Equivalent pulse parameters for electroporation. IEEE Trans. Biomed. Eng. 2011, 58, 3279–3288. [Google Scholar] [CrossRef] [PubMed]
  52. Haberl, S.; Miklavčič, D.; Serša, G.; Frey, W.; Rubinsky, B. Cell membrane electroporation-Part 2: The applications. IEEE Electr. Insul. Mag. 2013, 29, 29–37. [Google Scholar] [CrossRef]
  53. Kotnik, T.; Miklavčič, D. Theoretical evaluation of voltage inducement on internal membranes of biological cells exposed to electric fields. Biophys. J. 2006, 90, 480–491. [Google Scholar] [CrossRef]
  54. Neumann, E.; Kakorin, S.; Tœnsing, K. Fundamentals of electroporative delivery of drugs and genes. Bioelectrochem. Bioenerg. 1999, 48, 3–16. [Google Scholar] [CrossRef]
  55. Burnett, P.; Robertson, J.K.; Palmer, J.M.; Ryan, R.R.; Dubin, A.E.; Zivin, R.A. Fluorescence imaging of electrically stimulated cells. J. Biomol. Screen. 2003, 8, 660–667. [Google Scholar] [CrossRef]
  56. Cheng, D.K.L.; Tung, L.; Sobie, E.A. Nonuniform responses of transmembrane potential during electric field stimulation of single cardiac cells. Am. J. Physiol.-Heart Circ. Physiol. 1999, 277, H351–H362. [Google Scholar] [CrossRef] [PubMed]
  57. Čemažar, M.; Jarm, T.; Miklavčič, D.; Lebar, A.M.; Ihan, A.; Kopitar, N.A.; Serša, G. Effect of electric-field intensity on electropermeabilization and electrosensitivity of various tumor-cell lines in vitro. Electromagn. Biol. Med. 1998, 17, 263–272. [Google Scholar]
  58. Qin, Z.; Jiang, J.; Long, G.; Lindgren, B.; Bischof, J.C. Irreversible electroporation: An in vivo study with dorsal skin fold chamber. Ann. Biomed. Eng. 2013, 41, 619–629. [Google Scholar] [CrossRef] [PubMed]
  59. Melikov, K.C.; Frolov, V.A.; Shcherbakov, A.; Samsonov, A.V.; Chizmadzhev, Y.A.; Chernomordik, L.V. Voltage-induced nonconductive pre-pores and metastable single pores in unmodified planar lipid bilayer. Biophys. J. 2001, 80, 1829–1836. [Google Scholar] [CrossRef]
  60. Weaver, J.C. Electroporation of cells and tissues. IEEE Trans. Plasma Sci. 2000, 28, 24–33. [Google Scholar] [CrossRef]
  61. Neumann, E. The relaxation hysteresis of membrane electroporation. In Electroporation and Electrofusion in Cell Biology; Springer: Boston, MA, USA, 1989; pp. 61–82. [Google Scholar]
  62. Frey, W.; White, J.A.; Price, R.O.; Blackmore, P.F.; Joshi, R.P.; Nuccitelli, R.; Beebe, S.J.; Schoenbach, K.H.; Kolb, J.F. Plasma membrane voltage changes during nanosecond pulsed electric field exposure. Biophys. J. 2006, 90, 3608–3615. [Google Scholar] [CrossRef]
  63. Cukjati, D.; Batiuskaite, D.; André, F.; Miklavčič, D.; Mir, L.M. Real time electroporation control for accurate and safe in vivo non-viral gene therapy. Bioelectrochemistry 2007, 70, 501–507. [Google Scholar] [CrossRef] [PubMed]
  64. Redondo, L.M. Basic concepts of high-voltage pulse generation. In Handbook of Electroporation; Springer International: Cham, Switzerland, 2017; Volume 2. [Google Scholar] [CrossRef]
  65. Chen, W.; Peng, Y.; Liu, Z.; Lu, Y.; Ou, L.; Wang, S. Development of Bipolar Pulse Power Supply Based on Peak Closed-Loop Control Method. IEEE Trans. Plasma Sci. 2023, 51, 211–219. [Google Scholar] [CrossRef]
  66. Zhang, R.; Zhang, X.; Ma, W.; Xu, Y.; Wang, L.; Guan, Z. Formation of active species by bipolar pulsed discharge in water. IEEE Trans. Plasma Sci. 2012, 40, 2360–2365. [Google Scholar] [CrossRef]
  67. Dong, S.; Wang, Y.; Yu, L.; Ma, J.; Yao, C. A Bipolar Pulse Generator Based on Inductive Isolation. Diangong Jishu Xuebao Trans. China Electrotech. Soc. 2020, 35, 5050–5056. [Google Scholar] [CrossRef]
  68. Elgenedy, M.A.; Massoud, A.; Holliday, D.; Ahmed, S.; Williams, B.W. High-voltage pulse generator using sequentially charged full-bridge modular multilevel converter Sub-modules, for water treatment applications. J. Eng. 2019, 2019, 4537–4544. [Google Scholar] [CrossRef]
  69. Kotnik, T.; Kramar, P.; Pucihar, G.; Miklavčič, D.; Tarek, M. Cell membrane electroporation—Part 1: The phenomenon. IEEE Electr. Insul. Mag. 2012, 28, 14–23. [Google Scholar] [CrossRef]
  70. Saulis, G. Electroporation of cell membranes: The fundamental effects of pulsed electric fields in food processing. Food Eng. Rev. 2010, 2, 52–73. [Google Scholar] [CrossRef]
  71. Saito, K.; Hoki, K.; Minamitani, Y. Effect of brine and temperature in sterilization using nanosecond pulsed electric fields for packaged fresh foods. In Proceedings of the 2016 IEEE International Power Modulator and High Voltage Conference (IPMHVC), San Francisco, CA, USA, 6–9 July 2016; IEEE: Piscataway, NJ, USA, 2016. [Google Scholar] [CrossRef]
  72. Sack, M.; Schultheiss, C.; Bluhm, H. Triggered Marx generators for the industrial-scale electroporation of sugar beets. IEEE Trans. Ind. Appl. 2005, 41, 707–714. [Google Scholar] [CrossRef]
  73. Sarnago, H.; Lucia, O.; Naval, A.; Burdio, J.M.; Castellvi, Q.; Ivorra, A. A Versatile Multilevel Converter Platform for Cancer Treatment Using Irreversible Electroporation. IEEE J. Emerg. Sel. Top. Power Electron. 2016, 4, 236–242. [Google Scholar] [CrossRef]
  74. Clementson, J.; Rahbarnia, K.; Grulke, O.; Klinger, T. Design of A, B, and C pulse forming networks using the VINPFN application. IEEE Trans. Power Electron. 2014, 29, 5673–5679. [Google Scholar] [CrossRef]
  75. Ghawde, H.; Harchandani, R. Comparison of pulse forming networks for Marx generator. In Proceedings of the 2017 International Conference on Nascent Technologies in Engineering, ICNTE 2017, Vashi, India, 27–28 January 2017. [Google Scholar] [CrossRef]
  76. Hosseini, S.M.; Ghaforinam, H.R. Improving the pulse generator BOOST PFN to increase the amplitude and decrease the pulse duration of the voltage. IEEE Trans. Dielectr. Electr. Insul. 2016, 23, 1699–1704. [Google Scholar] [CrossRef]
  77. Kung, C.C.; Chauchard, E.A.; Lee, C.H.; Rhee, M.J. Kilovolt Square Pulse Generation by a Dual of the Blumlein Line with a Photoconductive Semiconductor Opening Switch. IEEE Photonics Technol. Lett. 1992, 4, 621–623. [Google Scholar] [CrossRef]
  78. Angelis, A.D.; Zeni, L.; Leone, G. Blumlein configuration for variable length high-voltage pulse generation by simultaneous switch control. Electron. Lett. 2006, 42, 205–207. [Google Scholar] [CrossRef]
  79. Gaudreau, M.P.; Hawkey, T.; Petry, J.; Kempkes, M.A. A solid state pulsed power system for food processing. In Proceedings of the PPPS 2001—Pulsed Power Plasma Science 2001, Las Vegas, NV, USA, 17–22 June 2001; Volume 2. [Google Scholar] [CrossRef]
  80. Redondo, L.; Silva, J.F. Flyback versus forward switching power supply topologies for unipolar pulsed-power applications. IEEE Trans. Plasma Sci. 2008, 37, 171–178. [Google Scholar] [CrossRef]
  81. Zabihi, S.; Zare, F.; Ledwich, G.; Ghosh, A.; Akiyama, H. A novel high-voltage pulsed-power supply based on low-voltage switch–capacitor units. IEEE Trans. Plasma Sci. 2010, 38, 2877–2887. [Google Scholar] [CrossRef]
  82. Elserougi, A.; Massoud, A.M.; Ahmed, S. A boost-inverter-based bipolar high-voltage pulse generator. IEEE Trans. Power Electron. 2016, 32, 2846–2855. [Google Scholar] [CrossRef]
  83. Elserougi, A.; Ahmed, S.; Massoud, A. A boost converter-based ringing circuit with high-voltage gain for unipolar pulse generation. IEEE Trans. Dielectr. Electr. Insul. 2016, 23, 2088–2094. [Google Scholar] [CrossRef]
  84. Redondo, L. A DC voltage-multiplier circuit working as a high-voltage pulse generator. IEEE Trans. Plasma Sci. 2010, 38, 2725–2729. [Google Scholar] [CrossRef]
  85. Elserougi, A.; Massoud, A.M.; Ibrahim, A.; Ahmed, S. A high voltage pulse-generator based on DC-to-DC converters and capacitor-diode voltage multipliers for water treatment applications. IEEE Trans. Dielectr. Electr. Insul. 2015, 22, 3290–3298. [Google Scholar] [CrossRef]
  86. Rezanejad, M.; Sheikholeslami, A.; Adabi, J. Modular switched capacitor voltage multiplier topology for pulsed power supply. IEEE Trans. Dielectr. Electr. Insul. 2014, 21, 635–643. [Google Scholar] [CrossRef]
  87. Delshad, M.R.; Rezanejad, M.; Sheikholeslami, A. A new modular bipolar high-voltage pulse generator. IEEE Trans. Ind. Electron. 2016, 64, 1195–1203. [Google Scholar] [CrossRef]
  88. Redondo, L.M.; Fernando Silva, J. Repetitive high-voltage solid-state marx modulator design for various load conditions. IEEE Trans. Plasma Sci. 2009, 37, 1632–1637. [Google Scholar] [CrossRef]
  89. Redondo, L. New four-switches bipolar solid-state Marx generator. In Proceedings of the 2013 19th IEEE Pulsed Power Conference (PPC), San Francisco, CA, USA, 16–21 June 2013; IEEE: Piscataway, NJ, USA, 2013; pp. 1–5. [Google Scholar] [CrossRef]
  90. Sakamoto, T.; Nami, A.; Akiyama, M.; Akiyama, H. A repetitive solid state Marx-type pulsed power generator using multistage switch-capacitor cells. IEEE Trans. Plasma Sci. 2012, 40, 2316–2321. [Google Scholar] [CrossRef]
  91. Canacsinh, H.; Redondo, L.; Silva, J.F. Marx-type solid-state bipolar modulator topologies: Performance comparison. IEEE Trans. Plasma Sci. 2012, 40, 2603–2610. [Google Scholar] [CrossRef]
  92. Redondo, L.; Silva, J.F.; Tavares, P.; Margato, E. High-voltage high-frequency Marx-bank type pulse generator using integrated power semiconductor half-bridges. In Proceedings of the 2005 European Conference on Power Electronics and Applications, Dresden, Germany, 11–14 September 2005; IEEE: Piscataway, NJ, USA, 2005; p. 8. [Google Scholar] [CrossRef]
  93. Elserougi, A.A.; Massoud, A.M.; Ahmed, S. A modular high-voltage pulse-generator with sequential charging for water treatment applications. IEEE Trans. Ind. Electron. 2016, 63, 7898–7907. [Google Scholar] [CrossRef]
  94. Debnath, S.; Qin, J.; Bahrani, B.; Saeedifard, M.; Barbosa, P. Operation, control, and applications of the modular multilevel converter: A review. IEEE Trans. Power Electron. 2014, 30, 37–53. [Google Scholar] [CrossRef]
  95. Dekka, A.; Wu, B.; Fuentes, R.L.; Perez, M.; Zargari, N.R. Evolution of topologies, modeling, control schemes, and applications of modular multilevel converters. IEEE J. Emerg. Sel. Top. Power Electron. 2017, 5, 1631–1656. [Google Scholar] [CrossRef]
  96. Rocha, L.L.; Silva, J.F.; Redondo, L.M. Multilevel high-voltage pulse generation based on a new modular solid-state switch. IEEE Trans. Plasma Sci. 2014, 42, 2956–2961. [Google Scholar] [CrossRef]
  97. Rocha, L.L.; Silva, J.F.; Redondo, L.M. Seven-level unipolar/bipolar pulsed power generator. IEEE Trans. Plasma Sci. 2016, 44, 2060–2064. [Google Scholar] [CrossRef]
  98. Elserougi, A.A.; Massoud, A.M.; Ahmed, S. Modular multilevel converter-based bipolar high-voltage pulse generator with sensorless capacitor voltage balancing technique. IEEE Trans. Plasma Sci. 2016, 44, 1187–1194. [Google Scholar] [CrossRef]
  99. Elgenedy, M.A.; Darwish, A.; Ahmed, S.; Williams, B.W. A modular multilevel-based high-voltage pulse generator for water disinfection applications. IEEE Trans. Plasma Sci. 2016, 44, 2893–2900. [Google Scholar] [CrossRef]
  100. Elgenedy, M.A.; Darwish, A.; Ahmed, S.; Williams, B.W. A modular multilevel generic pulse-waveform generator for pulsed electric field applications. IEEE Trans. Plasma Sci. 2017, 45, 2527–2535. [Google Scholar] [CrossRef]
  101. Elgenedy, M.A.; Darwish, A.; Ahmed, S.; Williams, B.W. A transition arm modular multilevel universal pulse-waveform generator for electroporation applications. IEEE Trans. Power Electron. 2017, 32, 8979–8991. [Google Scholar] [CrossRef]
  102. Elgenedy, M.A.; Massoud, A.M.; Ahmed, S.; Williams, B.W. A high-gain, high-voltage pulse generator using sequentially charged modular multilevel converter submodules, for water disinfection applications. IEEE J. Emerg. Sel. Top. Power Electron. 2017, 6, 1394–1406. [Google Scholar] [CrossRef]
  103. Elgenedy, M.A.; Darwish, A.; Ahmed, S.; Williams, B.W.; McDonald, J.R. High-voltage pulse generator based on sequentially charged MMC-SMs operating in a voltage-boost mode. IET Power Electron. 2019, 12, 749–758. [Google Scholar] [CrossRef]
  104. Redondo, L.M.; Fernando Silva, J.; Margato, E. Analysis of a modular generator for high-voltage, high-frequency pulsed applications, using low voltage semiconductors (< 1 kV) and series connected step-up (1:10) transformers. Rev. Sci. Instrum. 2007, 78, 34702. [Google Scholar] [CrossRef]
  105. Liu, K.; Luo, Y.; Qiu, J. A repetitive high voltage pulse adder based on solid state switches. IEEE Trans. Dielectr. Electr. Insul. 2009, 16, 1076–1080. [Google Scholar] [CrossRef]
  106. Jiang, S.; Zhang, W.; Wang, Y.; Li, Z.; Rao, J. A Solid-State Pulse Adder for High-Voltage Short Pulses and Low-Voltage Long Pulses. IEEE Trans. Plasma Sci. 2022, 50, 3107–3112. [Google Scholar] [CrossRef]
  107. Elserougi, A.A.; Faiter, M.; Massoud, A.M.; Ahmed, S. A transformerless bipolar/unipolar high-voltage pulse generator with low-voltage components for water treatment applications. IEEE Trans. Ind. Appl. 2017, 53, 2307–2319. [Google Scholar] [CrossRef]
  108. Elserougi, A.A.; Abdelsalam, I.; Massoud, A.M.; Ahmed, S. A full-bridge submodule-based modular unipolar/bipolar high-voltage pulse generator with sequential charging of capacitors. IEEE Trans. Plasma Sci. 2017, 45, 91–99. [Google Scholar] [CrossRef]
  109. Abdelsalam, I.; Elgenedy, M.A.; Ahmed, S.; Williams, B.W. Full-bridge modular multilevel submodule-based high-voltage bipolar pulse generator with low-voltage dc, input for pulsed electric field applications. IEEE Trans. Plasma Sci. 2017, 45, 2857–2864. [Google Scholar] [CrossRef]
  110. Darwish, A.; Elgenedy, M.A.; Finney, S.J.; Williams, B.W.; McDonald, J.R. A step-up modular high-voltage pulse generator based on isolated input-parallel/output-series voltage-boosting modules and modular multilevel submodules. IEEE Trans. Ind. Electron. 2019, 66, 2207–2216. [Google Scholar] [CrossRef]
  111. Lindblom, A. Inductive Pulse Generation. Ph.D. Thesis, Acta Universitatis Upsaliensis, Uppsala, Sweden, 2006. Volume 159. [Google Scholar]
  112. Holma, J.; Barnes, M.J. The prototype inductive adder with droop compensation for the CLIC kicker systems. IEEE Trans. Plasma Sci. 2014, 42, 2899–2908. [Google Scholar] [CrossRef]
  113. Jo, Y.; Oh, G.; Gi, Y.; Sung, H.; Joo, E.B.; Lee, S.; Yoon, M. Tumor treating fields (TTF) treatment enhances radiation-induced apoptosis in pancreatic cancer cells. Int. J. Radiat. Biol. 2020, 96, 1528–1533. [Google Scholar] [CrossRef]
  114. Karanam, N.K.; Shang, Z.; Story, M.D.; Saha, D. Tumor Treating Fields in combination with radiation cause significant delay in tumor growth in in-vivo mice modelsignificant delay in tumor growth in in-vivo mice model. Cancer Res. 2022, 82, 3316. [Google Scholar] [CrossRef]
  115. Voloshin, T.; Kaynan, N.; Davidi, S.; Porat, Y.; Shteingauz, A.; Schneiderman, R.S.; Zeevi, E.; Munster, M.; Blat, R.; Tempel Brami, C.; et al. Tumor-treating fields (TTFields) induce immunogenic cell death resulting in enhanced antitumor efficacy when combined with anti-PD-1 therapy. Cancer Immunol. Immunother. 2020, 69, 1191–1204. [Google Scholar] [CrossRef] [PubMed]
  116. Davidi, S.; Jacobovitch, S.; Shteingauz, A.; Martinez-Conde, A.; Braten, O.; Tempel-Brami, C.; Zeevi, E.; Frechtel-Gerzi, R.; Ene, H.; Dor-On, E.; et al. Tumor treating fields (TTFields) concomitant with sorafenib inhibit hepatocellular carcinoma in vitro and in vivo. Cancers 2022, 14, 2959. [Google Scholar] [CrossRef]
  117. Karanam, N.K.; Ding, L.; Aroumougame, A.; Story, M.D. Tumor treating fields cause replication stress and interfere with DNA replication fork maintenance: Implications for cancer therapy. Transl. Res. 2020, 217, 33–46. [Google Scholar] [CrossRef]
  118. Stupp, R.; Taillibert, S.; Kanner, A.; Read, W.; Steinberg, D.M.; Lhermitte, B.; Toms, S.; Idbaih, A.; Ahluwalia, M.S.; Fink, K.; et al. Effect of tumor-treating fields plus maintenance temozolomide vs maintenance temozolomide alone on survival in patients with glioblastoma: A randomized clinical trial. JAMA 2017, 318, 2306–2316. [Google Scholar] [CrossRef] [PubMed]
  119. Ceresoli, G.L.; Aerts, J.; Madrzak, J.; Dziadziuszko, R.; Ramlau, R.; Cedres, S.; Hiddinga, B.; VanMeerbeeck, J.; Mencoboni, M.; Planchard, D.; et al. Abstract CT201: Final results of Phase II STELLAR trial: TTFields with chemotherapy in unresectable malignant pleural mesothelioma. Cancer Res. 2019, 79, CT201. [Google Scholar] [CrossRef]
  120. Giladi, M.; Schneiderman, R.S.; Voloshin, T.; Porat, Y.; Munster, M.; Blat, R.; Sherbo, S.; Bomzon, Z.; Urman, N.; Itzhaki, A.; et al. Mitotic spindle disruption by alternating electric fields leads to improper chromosome segregation and mitotic catastrophe in cancer cells. Sci. Rep. 2015, 5, 18046. [Google Scholar] [CrossRef]
Disclaimer/Publisher’s Note: The statements, opinions and data contained in all publications are solely those of the individual author(s) and contributor(s) and not of MDPI and/or the editor(s). MDPI and/or the editor(s) disclaim responsibility for any injury to people or property resulting from any ideas, methods, instructions or products referred to in the content.

Article Metrics

Citations

Article Access Statistics

Multiple requests from the same IP address are counted as one view.