Investigation of Impulse Aging of Energy-Absorption Elements for Hybrid DC Circuit Breakers
Abstract
:1. Introduction
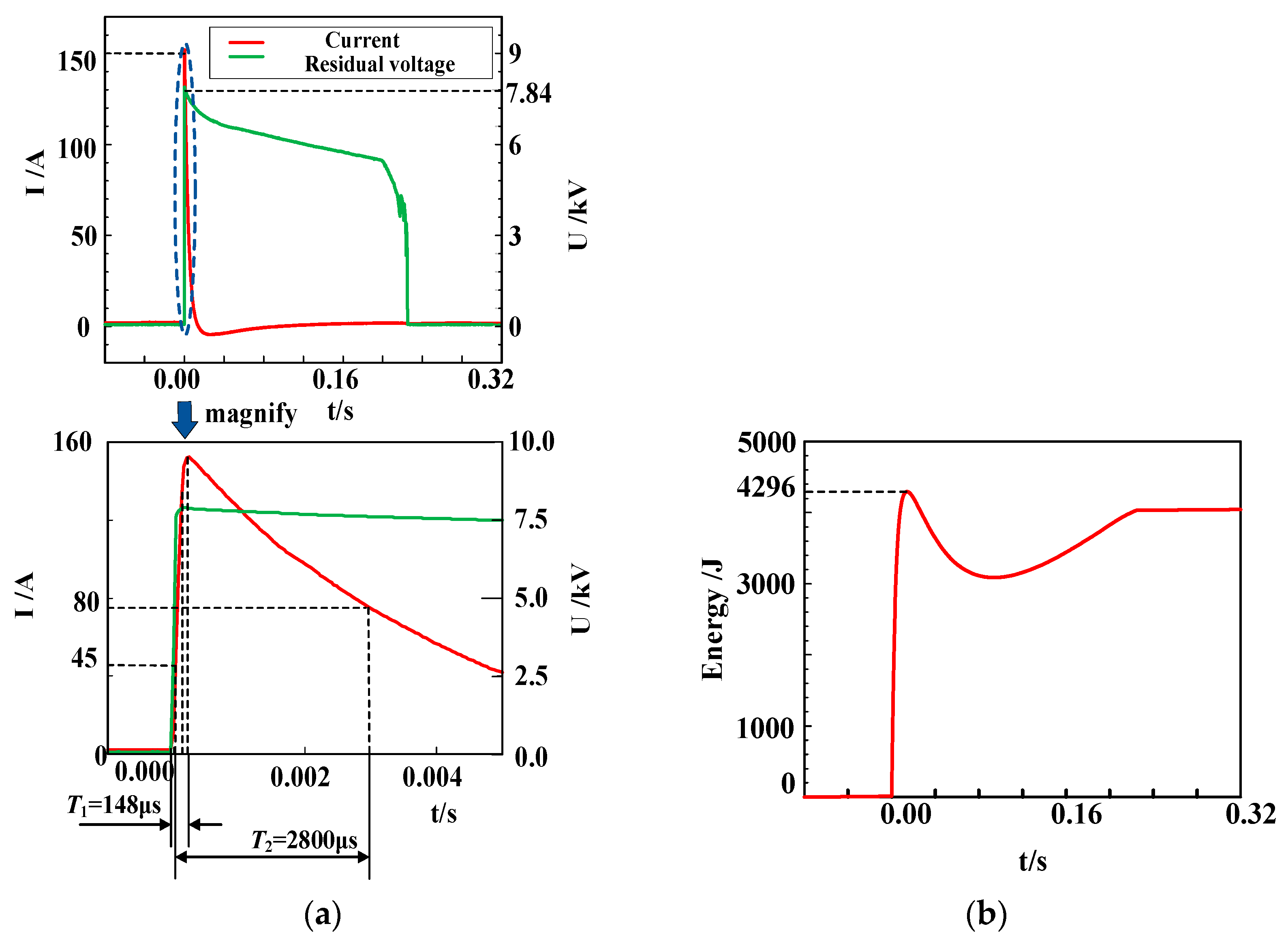
2. Simulation Analysis of the Working Characteristics of MOVs during Short Circuit
3. Research on Impulse Aging Characteristics of MOVs
3.1. Construction of MOV Impulse Aging Test Platform
3.2. Accelerated Impulse Aging Test of MOVs
- Conduct multiple rounds of impulse tests with the impulse current amplitude of 300 A and one impulse per round;
- Conduct multiple rounds of impulse tests with varying impulse current amplitudes (150 A, 175 A, 200 A) and ten impulses per round;
- Conduct multiple rounds of impulse tests with an impulse current amplitude of 200 A and varying numbers of impulses per round (10, 15, 20).
3.3. Result and Discussion
4. Microstructure Testing and Analysis of MOV
- Take a small piece of relatively flat cross-section from the MOV sample without impulse aging, and smash a small piece of the section from the damaged surface of an MOV sample that has undergone impulse aging tests;
- Smooth the other surfaces of the sample to facilitate smooth placement in the instrument for observation;
- Observe the microstructure morphology of the sample at appropriate magnification.
5. Conclusions
- The indicators commonly used in industry, such as the change rate of U1mA and the value of leakage current IL, have a delay in judging the aging of the MOV, but the nonlinear coefficient α is sensitive to the initial aging state of the MOV. Therefore, the nonlinear coefficient α could be emphasized as a basis for judging the “sleeping” component states and the aging degree of the hybrid DC circuit breaker.
- The main forms of MOV valve sheet impulse damage are insulation breakdown and body breakdown. Due to the inconsistent structure of the MOV valve sheet, the breakdown fault often occurs in the edge area.
- The impulse current applied in the MOV valve sheet mainly causes grain damage. The greater the amplitude of the impulse current, the more severe the grain damage. During the impulse aging, there is little change in the grain size and grain boundary layer of the MOV valve sheet, which also explains why the residual voltage of the MOV did not change much after the impulse. At the same time, pores are generated inside the MOV valve sheet under thermal stress, and perforation damage occurs due to the unevenness of the MOV structure itself.
Author Contributions
Funding
Institutional Review Board Statement
Informed Consent Statement
Data Availability Statement
Conflicts of Interest
Abbreviations
| DC | Direct current |
| DCCB | Hybrid DC circuit breaker |
| MOV | Metal oxide varistor |
| UHV DC | Ultra-high-voltage direct current |
| HVDC | High-voltage direct current |
| FMS | Fast mechanical switch |
| SM | Sub-module |
| ASM | Auxiliary sub-module |
| IGBT | Insulated-gate bipolar transistor |
| A | Nonlinear coefficients |
| K | Residual voltage ratio |
| IL | Leakage current |
| Ures | Residual voltage |
| ZnO | Zinc oxide |
| SEM | Scanning electron microscope |
References
- Perea-Mena, B.; Valencia-Velasquez, J.A.; López-Lezama, J.M.; Cano-Quintero, J.B.; Muñoz-Galeano, N. Circuit Breakers in Low- and Medium-Voltage DC Microgrids for Protection against Short-Circuit Electrical Faults: Evolution and Future Challenges. Appl. Sci. 2022, 12, 15. [Google Scholar] [CrossRef]
- Raza, A.; Mustafa, A.; Alqasemi, U.; Rouzbehi, K.; Muzzammel, R.; Guobing, S.; Abbas, G. HVdc Circuit Breakers: Prospects and Challenges. Appl. Sci. 2021, 11, 5047. [Google Scholar] [CrossRef]
- Raza, A.; Younis, M.; Liu, Y.; Altalbe, A.; Rouzbehi, K.; Abbas, G.A. Multi-Terminal HVdc Grid Topology Proposal for Offshore Wind Farms. Appl. Sci. 2020, 10, 1833. [Google Scholar] [CrossRef]
- Fortuna, L.; Buscarino, A. Nonlinear Technologies in Advanced Power Systems: Analysis and Control. Energies 2022, 15, 5167. [Google Scholar] [CrossRef]
- Wandi, Z.; Zhiyuan, H.; Pengzhi, L. Modular cascaded multi-port DC circuit breaker for DC grid application. Proc. CSEE 2023, 43, 4355–4367. [Google Scholar]
- Feng, G.; Jie, G.; Xin, X.; Qiang, Y. Relation Between Resistive Current and MOA Affected with Damp. High Volt. 2009, 35, 2629–2633. [Google Scholar]
- Xuni, R.; Jie, G.; Yue, Z.; Qi, W. Research on leakage current characteristic of metal oxide varistor. In Proceedings of the 2017 1st International Conference on Electrical Materials and Power Equipment (ICEMPE), Xi’an, China, 14–17 May 2017; pp. 680–685. [Google Scholar]
- Xianglian, Y.; Yuanfang, W.; Xiaoyu, Y. Study on the resistive leakage current characteristic of MOV surge arresters. In Proceedings of the IEEE/PES Transmission and Distribution Conference and Exhibition, Yokohama, Japan, 6–10 October 2002; pp. 683–687. [Google Scholar]
- Zhiyuan, L.; Yongliang, L.; Mo, C.; He, L. Development and Application of Leakage Current Monitoring Device of MOV in UHV/EHV Series Capacitors. In Proceedings of the 4th Conference on Energy Internet and Energy System Integration (EI2), Wuhan, China, 30 October–1 November 2020; pp. 3287–3291. [Google Scholar]
- Zhao, Z.X.; Guo, J.; Zhou, Y.; Rao, X.N.; Wu, X.K.; Li, M.Z.; Gao, Z.H. Study on state judgment method of metal oxide arrester without gaps in AC power system. In Proceedings of the 2018 12th International Conference on the Properties and Applications of Dielectric Materials (ICPADM), Xi’an, China, 20–24 May 2018; pp. 578–584. [Google Scholar]
- Maike, B.; Volker, H. Testing Metal–Oxide Varistors for HVDC Breaker Application. IEEE Trans. Power Deliv. 2018, 34, 346–352. [Google Scholar]
- Naoyuki, T. Study of degradation by impulse having 4/10µs and 8/20µs waveform for MOVs (metal oxide varistors). In Proceedings of the 2014 International Conference on Lightning Protection (ICLP), Shanghai, China, 11–18 October 2014; pp. 620–623. [Google Scholar]
- Adam, G.P.; Davidson, I.E. Robust and generic control of full-bridge modular multilevel converter high-voltage DC transmission systems. IEEE Trans. Power Deliv. 2015, 30, 2468–2476. [Google Scholar] [CrossRef]
- Huang, L.; Lijun, Z.; Wei, C. Analysis of Thermal Effects for Polymer-Housed Metal-Oxide Surge Arrester Under Multiple Strokes. IEEE Trans. Power Deliv. 2022, 37, 3917–3927. [Google Scholar] [CrossRef]
- Koga, Y.; Yoneda, Y.; Sato, T. Degradation characteristics on MOV of surge arrester used for 6.6kV power distribution line. In Proceedings of the 2016 33rd International Conference on Lightning Protection (ICLP), Estoril, Portugal, 25–30 September 2016; pp. 1–5. [Google Scholar]
- Jie, Z.; Yongxia, H.; Licheng, L. Study on the Unipolar Impulse Aging of ZnO Varistors and Their Condition Monitoring Methods Based on the Basic and Even-Order Harmonics of the Leakage Current Resistive Component. IEEE Trans. Power Deliv. 2022, 37, 4888–4898. [Google Scholar]
- Xiaoming, R.; Biyun, W. Experimental study on power frequency short-circuit failure of MOV. In Proceedings of the 2014 International Conference on Lightning Protection (ICLP), Shanghai, China, 11–18 October 2014; pp. 1671–1674. [Google Scholar]
- Lijun, Z.; Renwei, W.; Cong, L.; Wei, C.; Lin, H.; Yutang, M. Impact Aging Characteristics of Zinc Oxide Arrester Under Multiple Lighting Strikes. High Volt. 2022, 48, 3507–3516. [Google Scholar]
- Sun, L.; Zhang, H.; Cao, Y.; Li, C.; Guo, Q.; Zhu, Y. Design of Micro Dynamic Simulation System for Power System with Wind Power and VSC-HVDC. In Proceedings of the 4th Conference on Energy Internet and Energy System Integration (EI2), Wuhan, China, 30 October–1 November 2020; p. 1355. [Google Scholar]
- Xiaoguang, W.; Bingjian, Y.; Zhiyuan, H. Control Strategy and Physical Dynamic Simulation of Cascaded Full-bridge DC Circuit Breaker. Autom. Electr. Power Syst. 2016, 40, 129–135. [Google Scholar]
- Wang, H.; Xu, Y. Degradation of ZnO varistor and its dielectric relaxation. In Proceedings of the IEEE Conference on Electrical Insulation and Dielectric Phenomena—(CEIDP ‘93), Pocono Manor, PA, USA, 17–20 October 1993; pp. 544–549. [Google Scholar]
- Zhongjiang, Y.; Cheng, Z.; Jian, C.; Xiangchao, L.; Hongbo, R. Research on the varying of nonlinear coefficient during the degradation of ZnO varistor. Electron. Compon. Mater. 2011, 30, 27–30. [Google Scholar]
- Chaofan, W.; Junjia, H.; Xiaoxuan, Z.; Zhiyao, F.; Li, S. Modification Mechanism of ZnO Varistor by Core-shell Structure Formed by Coating. High Volt. 2023, 49, 215–225. [Google Scholar]
- Dongji, L.; Yuanyuan, M.; Jinbo, H. Zinc Oxide Varistors with Low Leakage Current and High Stability Arrester with Gallium Doping. Acta Phys. Sin. 2023, 72, 1–9. [Google Scholar]





















| Parameter | Value | Parameter | Value |
|---|---|---|---|
| Load Resistance (RL) | 250 Ω | Buffer capacitor of SM/ASM (Cs) | 15 μF |
| DC system inductor (L) | 100 mH | Buffer resistor of SM/ASM (Rs) | 200 Ω |
| Start time of short curcuit fault (t0) | 0.02 s | Forward voltage of IGBT (Vf) | 2.7 V |
| Uref (V) | Iref (A) | (k1 and α1) | (k2 and α2) | (k3 and α3) |
|---|---|---|---|---|
| 8000 | 500 | (0.995, 50) | (1.0, 25) | (0.9915, 16.5) |
| DC Voltage (kV) | DC Current (kA) | Peak of Fault Current (kA) | Rising Rate of Fault Current (A/ms) | |
|---|---|---|---|---|
| Real system | 500 | 2 | 15 | 5000 |
| Simulation model | 5 | 0.02 | 0.15 | 50 |
| Ratio | 0.01 | 0.01 | 0.01 | 0.01 |
| Parameter | Value |
|---|---|
| C (µF) | 52 |
| L (µH) | 4225.5 |
| R (Ω) | 73.9 |
| U0 (V) | 11,268 |
| Test Groups | Sample 1 | Sample 2 | Sample 3 |
|---|---|---|---|
| 300 A-1 | Insulation breakdown | Body breakdown | Insulation breakdown |
| 150 A-10 | Body breakdown | Insulation breakdown | Insulation breakdown |
| 175 A-10 | no damage | Insulation breakdown | Body breakdown |
| 200 A-10 | Body breakdown | Insulation breakdown | Insulation breakdown |
| 200 A-15 | Body breakdown | Insulation breakdown | Body breakdown |
| 200 A-20 | Insulation breakdown | no damage | Insulation breakdown |
Disclaimer/Publisher’s Note: The statements, opinions and data contained in all publications are solely those of the individual author(s) and contributor(s) and not of MDPI and/or the editor(s). MDPI and/or the editor(s) disclaim responsibility for any injury to people or property resulting from any ideas, methods, instructions or products referred to in the content. |
© 2023 by the authors. Licensee MDPI, Basel, Switzerland. This article is an open access article distributed under the terms and conditions of the Creative Commons Attribution (CC BY) license (https://creativecommons.org/licenses/by/4.0/).
Share and Cite
Wang, X.; Liu, Y.; Lv, Y.; Sun, J.; Yao, X.; Wang, X.; Li, Z. Investigation of Impulse Aging of Energy-Absorption Elements for Hybrid DC Circuit Breakers. Appl. Sci. 2023, 13, 9784. https://doi.org/10.3390/app13179784
Wang X, Liu Y, Lv Y, Sun J, Yao X, Wang X, Li Z. Investigation of Impulse Aging of Energy-Absorption Elements for Hybrid DC Circuit Breakers. Applied Sciences. 2023; 13(17):9784. https://doi.org/10.3390/app13179784
Chicago/Turabian StyleWang, Xinyi, Yiying Liu, Yilei Lv, Jinru Sun, Xueling Yao, Xinyu Wang, and Zhihan Li. 2023. "Investigation of Impulse Aging of Energy-Absorption Elements for Hybrid DC Circuit Breakers" Applied Sciences 13, no. 17: 9784. https://doi.org/10.3390/app13179784
APA StyleWang, X., Liu, Y., Lv, Y., Sun, J., Yao, X., Wang, X., & Li, Z. (2023). Investigation of Impulse Aging of Energy-Absorption Elements for Hybrid DC Circuit Breakers. Applied Sciences, 13(17), 9784. https://doi.org/10.3390/app13179784

