Method for Simulation Modeling of Integrated Multi-Energy Systems Based on the Concept of an Energy Hub
Abstract
1. Introduction
2. Materials and Methods
- Collecting and processing the information that accurately reflects the state of an object in real time;
- Predicting the behavior of an object both in regular and emergency situations;
- Generating adequate control actions on the object.
- The main components of the mathematical models of a technical object are listed below:
- Ontological models;
- Digital diagrams and maps;
- Electronic documentation;
- Information models;
- Real-time information;
- Mathematical and simulation models.
- Models of physical processes that involve solving the systems of differential equations numerically;
- Models based on multilayer neural networks.
3. Results
- Input and output;
- Converters of various types of energy into each other;
- Energy storage systems.
- The study of multi-energy systems was conducted under the following assumptions:
- The system is in a steady state;
- The energy flow has the direction from input to output;
- Energy flows are characterized only by energy indices.
- Power plants with cogeneration and trigeneration [27];
- Large industrial entities employing various types of energy carriers in their technological process;
- Large office and administrative buildings;
- Limited geographic areas;
- Islanded energy systems.
- All transient processes are damped, the system is in a steady state, and all values remain practically constant;
- Losses are taken into account only for the energy hub elements;
- Energy flows are directed from input to output;
- Power flows through converting devices are characterized only by energy and efficiency.
- Power plants with cogeneration and trigeneration;
- Large industrial enterprises that employ various types of energy carriers in their technological process;
- Large office and administrative buildings;
- Limited geographic areas;
- Isolated (islanded) energy systems.
- This classification can be roughly divided into two large groups:
- Local objects that use various types of energy carriers in their technological process of energy supply and that are part of a larger energy supply system;
- Local energy systems (islanded energy systems), including sources, transmission systems, and receivers of various types of energy carriers [38].
- Features of signal transmission in the simulation system;
- Restrictions imposed on the use of standard modules;
- Various units of measurement for different energy supply channels;
- Feasibility of technical implementation of the systems for storage and conversion of one type of energy into another;
- Algorithms for describing nonlinear elements of transmission and conversion systems;
- Simplicity, clarity, and ability to change simulation parameters under direct control;
- The possibility of using the obtained algorithms for creating a model to study the functioning of the energy hub, depending on the objective functions;
- The possibility of using the resulting model as a control object to explore the applicability of various control algorithms.
- Specific features of signal propagation in simulation systems.
4. Discussion
- Systems that change the characteristics of an energy channel without converting one type of energy into another (transformers, heat exchangers);
- Systems that convert one type of energy into another, i.e., energy conversion systems: electric heating devices, gas turbines, and others.
- Energy storage systems are as follows:
- Electric energy storage devices (electrochemical, pneumatic, pumped, and kinetic);
- Thermal energy storage devices (tanks and others);
- Gas storage facilities.
- Energy transmission systems include the following points:
- Power transmission lines;
- Heat networks;
- Gas supply structure.
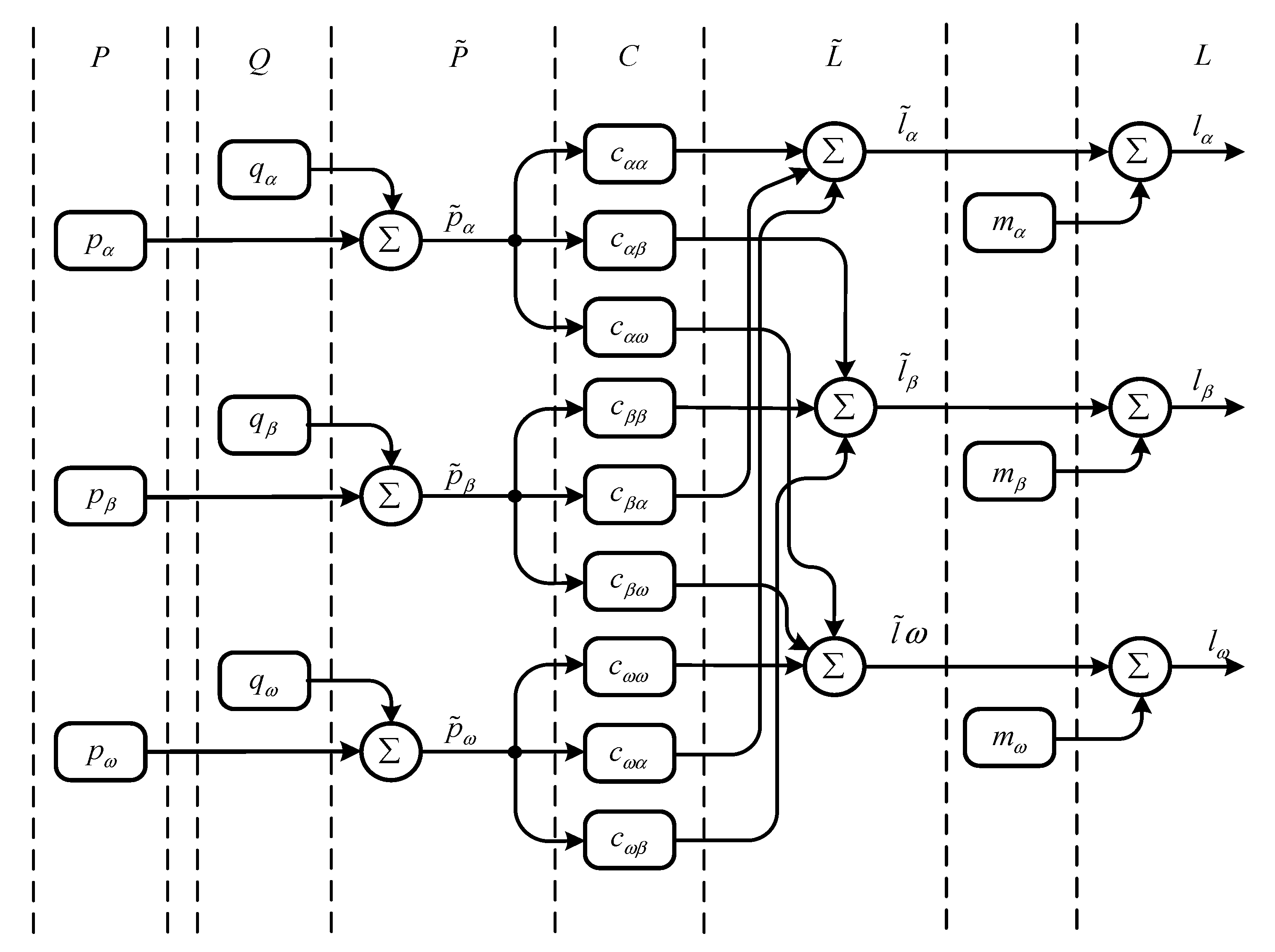
- A simulation model of a multi-energy system for two energy (electrical and thermal) supply channels;
- A model of converters of electrical energy into thermal energy;
- A model of the electrical and thermal energy storage systems.
5. Conclusions
Author Contributions
Funding
Institutional Review Board Statement
Informed Consent Statement
Data Availability Statement
Conflicts of Interest
References
- Bakken, B.H.; Haugstad, A.; Hornnes, K.S.; Vist, S.; Gustavsen, B.; Røynstrand, J. Simulation and optimization of systems with multiple energy carriers. In Proceedings of the 1999 Conference of the Scandinavian Simulation Society (SIMS), Linkoöping, Sweden, 18–19 October 1999. [Google Scholar]
- Ma, T.; Wu, J.; Hao, L. Energy flow modeling and optimal operation analysis of the micro energy grid based on energy hub. Energy Convers. Manag. 2017, 133, 292–306. [Google Scholar] [CrossRef]
- Mancarella, P. MES (multi-energy systems): An overview of concepts and evaluation models. Energy 2014, 65, 1–17. [Google Scholar] [CrossRef]
- Nazari-heris, M.; Jabari, F.; Mohammadi-ivatloo, B.; Asadi, S.; Habibnezhad, M. An updated review on multi-carrier energy systems with electricity, gas, and water energy sources. J. Clean. Prod. 2020, 275, 123136. [Google Scholar] [CrossRef]
- Koval, N.A. Neural network modeling of the technological process. Proceedings of the VII International conference “safety problems of civil engineering critical infrastructures” (SPCECI2021). AIP Conf. Proc. 2023, 2700, 040059. [Google Scholar] [CrossRef]
- Gorbiychuk, M.; Dmytro, R.; Kropyvnytska, V. Improving empirical models of complex technological objects under conditions of uncertainty. East. -Eur. J. Enterp. Technol. 2023, 2, 53–63. [Google Scholar] [CrossRef]
- Beccuti, G.; Demiray, T.; Batic, M.; Tomasevic, N.; Vranes, S. Energy hub modelling and optimization: An analytical case-study. In Proceedings of the 2015 IEEE Eindhoven PowerTech, Eindhoven, The Netherlands, 29 June–2 July 2015. [Google Scholar]
- Pettey, C. Prepare for the Impact of Digital Twins; Gartner: Stamford, CT, USA, 2017. [Google Scholar]
- Korobiichuk, I.; Mel’nick, V.; Kosova, V.; Ostapenko, Z.; Gnateiko, N.; Rzeplińska-Rykała, K. Mathematical Model of the Approximate Function as the Result of Identification of the Object of Automatic Control. Autom. 2023 Key Chall. Autom. Robot. Meas. Tech. 2023, 630, 173–182. [Google Scholar] [CrossRef]
- Madni, A.M.; Madni, C.C.; Lucero, S.D. Leveraging digital twin technology in model-based systems engineering. Systems 2019, 7, 7. [Google Scholar] [CrossRef]
- Mohammadi, M.; Noorollahi, Y.; Mohammadi-Ivatloo, B.; Yousefi, H. Energy hub: From a model to a concept—A review. Renew. Sustain. Energy Rev. 2017, 80, 1512–1527. [Google Scholar] [CrossRef]
- Page, J.; Basciotti, D.; Pol, O.; Fidalgo, J.N.; Couto, M.; Aron, R.; Fournie, L. A multi-energy modeling, simulation and optimization environment for urban energy infrastructure planning. In Proceedings of the 13th Conference of International Building Performance Simulation Association, Chambery, France, 25–28 August 2013; pp. 26–28. [Google Scholar]
- Ilyushin, P.; Filippov, S.; Kulikov, A.; Suslov, K.; Karamov, D. Specific Features of Operation of Distributed Generation Facilities Based on Gas Reciprocating Units in Internal Power Systems of Industrial Entities. Machines 2022, 10, 693. [Google Scholar] [CrossRef]
- Ilyushin, P.V.; Pazderin, A.V.; Seit, R.I. Photovoltaic power plants participation in frequency and voltage regulation. In Proceedings of the 17th International Ural Conference on AC Electric Drives (ACED), Yekaterinburg, Russia, 26–30 March 2018. [Google Scholar] [CrossRef]
- Ilyushin, P.; Filippov, S.; Kulikov, A.; Suslov, K.; Karamov, D. Intelligent Control of the Energy Storage System for Reliable Operation of Gas-Fired Reciprocating Engine Plants in Systems of Power Supply to Industrial Facilities. Energies 2022, 15, 6333. [Google Scholar] [CrossRef]
- Li, G.; Kou, Y.; Jiang, J.; Lin, Y.; Bie, Z. Researches on the reliability evaluation of integrated energy system based on Energy Hub. In Proceedings of the 2016 China International Conference on Electricity Distribution (CICED), Xi’an, China, 10–13 August 2016; pp. 1–9. [Google Scholar]
- Eroshenko, S.A.; Ilyushin, P.V. Features of implementing multi-parameter islanding protection in power districts with distributed generation units. In Proceedings of the 2018 IEEE 59th International Scientific Conference on Power and Electrical Engineering of Riga Technical University (RTUCON 2018), Riga, Latvia, 12–14 November 2018. [Google Scholar] [CrossRef]
- Jayasuriya, L.; Chaudry, M.; Qadrdan, M.; Wu, J.; Jenkins, N. Energy hub modelling for multi-scale and multi-energy supply systems. In Proceedings of the 2019 IEEE Milan PowerTech, Milan, Italy, 23–27 June 2019. [Google Scholar]
- Arnold, M.; Andersson, G. Investigating renewable infeed in residential areas applying model predictive control. In Proceedings of the Power and Energy Society General Meeting, Minneapolis, MN, USA, 25–29 July 2010. [Google Scholar]
- Favre-Perrod, P.; Geidl, M.; Klöckl, B.; Koeppel, G. A Vision of Future Energy Networks. In Proceedings of the IEEE PES Inaugural Conference and Exposition in Africa, Durban, South Africa, 11–15 July 2005. [Google Scholar]
- Arnold, M.; Andersson, G. Decomposed electricity and natural gas optimal power flow. In Proceedings of the 16th Power Systems Computation Conference (PSCC 08), Glasgow, UK, 14–18 July 2008. [Google Scholar]
- Geidl, M.; Andersson, G. Optimal power dispatch and conversion in systems with multiple energy carriers. In Proceedings of the 15th Power Systems Computation Conference (PSCC), Liège, Belgium, 22–26 August 2005. [Google Scholar]
- Geidl, M.; Andersson, G. A modeling and optimization approach for multiple energy carrier power flow. In Proceedings of the Power Tech, St. Petersburg, Russia, 27–30 June 2005. [Google Scholar]
- Kienzle, F.; Favre-Perrod, P.; Arnold, M.; Andersson, G. Multi-energy delivery infrastructures for the future. In Proceedings of the 2008 First International Conference on the Infrastructure Systems and Services: Building Networks for a Brighter Future (INFRA), Rotterdam, The Netherlands, 10–12 November 2008. [Google Scholar] [CrossRef]
- Ilyushin, P.V.; Filippov, S.P. Under-frequency load shedding strategies for power districts with distributed generation. In Proceedings of the 2019 International Conference on Industrial Engineering, Applications and Manufacturing (ICIEAM), Sochi, Russia, 25–29 March 2019. [Google Scholar] [CrossRef]
- Geidl, M.; Andersson, G. Optimal power flow of multiple energy carriers. Trans. Power Syst. IEEE 2007, 22, 145–155. [Google Scholar] [CrossRef]
- Filippov, S.P.; Dilman, M.D.; Ilyushin, P.V. Distributed Generation of Electricity and Sustainable Regional Growth. Therm. Eng. 2019, 66, 869–880. [Google Scholar] [CrossRef]
- Koeppel, G.A. Reliability Considerations of Future Energy Systems: Multi-Carrier Systems and the Effect of Energy Storage; Swiss Federal Institute of Technology: Zurich, Switzerland, 2007. [Google Scholar]
- Geidl, M. Integrated Modeling and Optimization of Multi-Carrier Energy Systems; Eidgenssische Technische Hochschule Zurich: Zurich, Switzerland, 2007. [Google Scholar]
- Ma, T.; Wu, J.; Hao, L.; Lee, W.J.; Yan, H.; Li, D. The optimal structure planning and energy management strategies of smart multi-energy systems. Energy 2018, 160, 122–141. [Google Scholar] [CrossRef]
- Voropai, N.; Ukolova, E.; Gerasimov, D.; Suslov, K.; Lombardi, P.; Komarnicki, P. A Study on Cost-Effectiveness of Energy Supply Based on the Energy Hub Concept. In Proceedings of the 2019 IEEE PES Innovative Smart Grid Technologies Europe, ISGT-Europe, Bucharest, Romania, 29 September–2 October 2019. [Google Scholar] [CrossRef]
- Ilyushin, P.V. Emergency and post-emergency control in the formation of micro-grids. In Proceedings of the Methodological Problems in Reliability Study of Large Energy Systems (RSES), Bishkek, Kyrgyzstan, 11–15 September 2017; E3S Web of Conferences 25. p. 02002. [Google Scholar]
- Voropai, N.; Ukolova, E.; Gerasimov, D.; Suslov, K.; Lombardi, P.; Komarnicki, P. Simulation approach to integrated energy systems study based on energy hub concept In Proceedings of the 2019 IEEE Milan PowerTech, Milan, Italy, 23–27 June 2019. [CrossRef]
- Shushpanov, I.; Suslov, K.; Ilyushin, P.; Sidorov, D. Towards the flexible distribution networks design using the reliability performance metric. Energies 2021, 14, 6193. [Google Scholar] [CrossRef]
- Efimov, D.N.; Bykov, D.M. Steady-State Modes of Multi-Energy Systems: Review of Mathematical Models. In Proceedings Methodological Issues of Research on Reliability of Large Energy Systems, 92nd Meeting of the International Scientific Seminar, Kazan, Russia, 21–26 September 2020; 3 books; Rudenko, Y.N., Ed.; ESI SB RAS: Irkutsk, Russia, 2020. [Google Scholar]
- Yan, C.; Bie, Z. Evaluating National Multi-energy System Based on General Modeling Method. Energy Procedia 2019, 159, 321–326. [Google Scholar] [CrossRef]
- Bozchalui, M.C. Optimal Operation of Energy Hubs in the Context of Smart Grids. Ph.D. Dissertation, University of Waterloo Department of Electrical and Computer Engineering, Waterloo, ON, Canada, 2011; p. 224. [Google Scholar]
- Ilyushin, P.V.; Shepovalova, O.V.; Filippov, S.P.; Nekrasov, A.A. Calculating the sequence of stationary modes in power distribution networks of Russia for wide-scale integration of renewable energy based installations. Energy Rep. 2021, 7, 308–327. [Google Scholar] [CrossRef]
- Voropai, N.; Gerasimov, D.; Serdyukova, E.; Suslov, K. Development of a simulation model of an integrated multi-energy system based on the energy hub concept. E3S Web Conf. 2020, 216, 01028. [Google Scholar] [CrossRef]
- Mokaramian, E.; Shayeghi, H.; Sedaghati, F.; Safari, A. Fourobjective optimal scheduling of energy hub using a novel energy storage, considering reliability and risk indices. J. Energy Storage 2021, 40, 102731. [Google Scholar] [CrossRef]









Disclaimer/Publisher’s Note: The statements, opinions and data contained in all publications are solely those of the individual author(s) and contributor(s) and not of MDPI and/or the editor(s). MDPI and/or the editor(s) disclaim responsibility for any injury to people or property resulting from any ideas, methods, instructions or products referred to in the content. |
© 2023 by the authors. Licensee MDPI, Basel, Switzerland. This article is an open access article distributed under the terms and conditions of the Creative Commons Attribution (CC BY) license (https://creativecommons.org/licenses/by/4.0/).
Share and Cite
Ilyushin, P.; Gerasimov, D.; Suslov, K. Method for Simulation Modeling of Integrated Multi-Energy Systems Based on the Concept of an Energy Hub. Appl. Sci. 2023, 13, 7656. https://doi.org/10.3390/app13137656
Ilyushin P, Gerasimov D, Suslov K. Method for Simulation Modeling of Integrated Multi-Energy Systems Based on the Concept of an Energy Hub. Applied Sciences. 2023; 13(13):7656. https://doi.org/10.3390/app13137656
Chicago/Turabian StyleIlyushin, Pavel, Dmitry Gerasimov, and Konstantin Suslov. 2023. "Method for Simulation Modeling of Integrated Multi-Energy Systems Based on the Concept of an Energy Hub" Applied Sciences 13, no. 13: 7656. https://doi.org/10.3390/app13137656
APA StyleIlyushin, P., Gerasimov, D., & Suslov, K. (2023). Method for Simulation Modeling of Integrated Multi-Energy Systems Based on the Concept of an Energy Hub. Applied Sciences, 13(13), 7656. https://doi.org/10.3390/app13137656

