Determination of the Depth of Cut via Surface Integrity
Abstract
1. Introduction and Literature Review
2. Method Development
2.1. Mathematical Models
2.1.1. Calculation of the Depth of Cut for Rough Turning
2.1.2. Calculation of the Depth of Cut for Semi-Finishing Turning
2.1.3. Calculation of the Depth of Cut for Finishing Turning
2.2. CDFTCI Software Tool
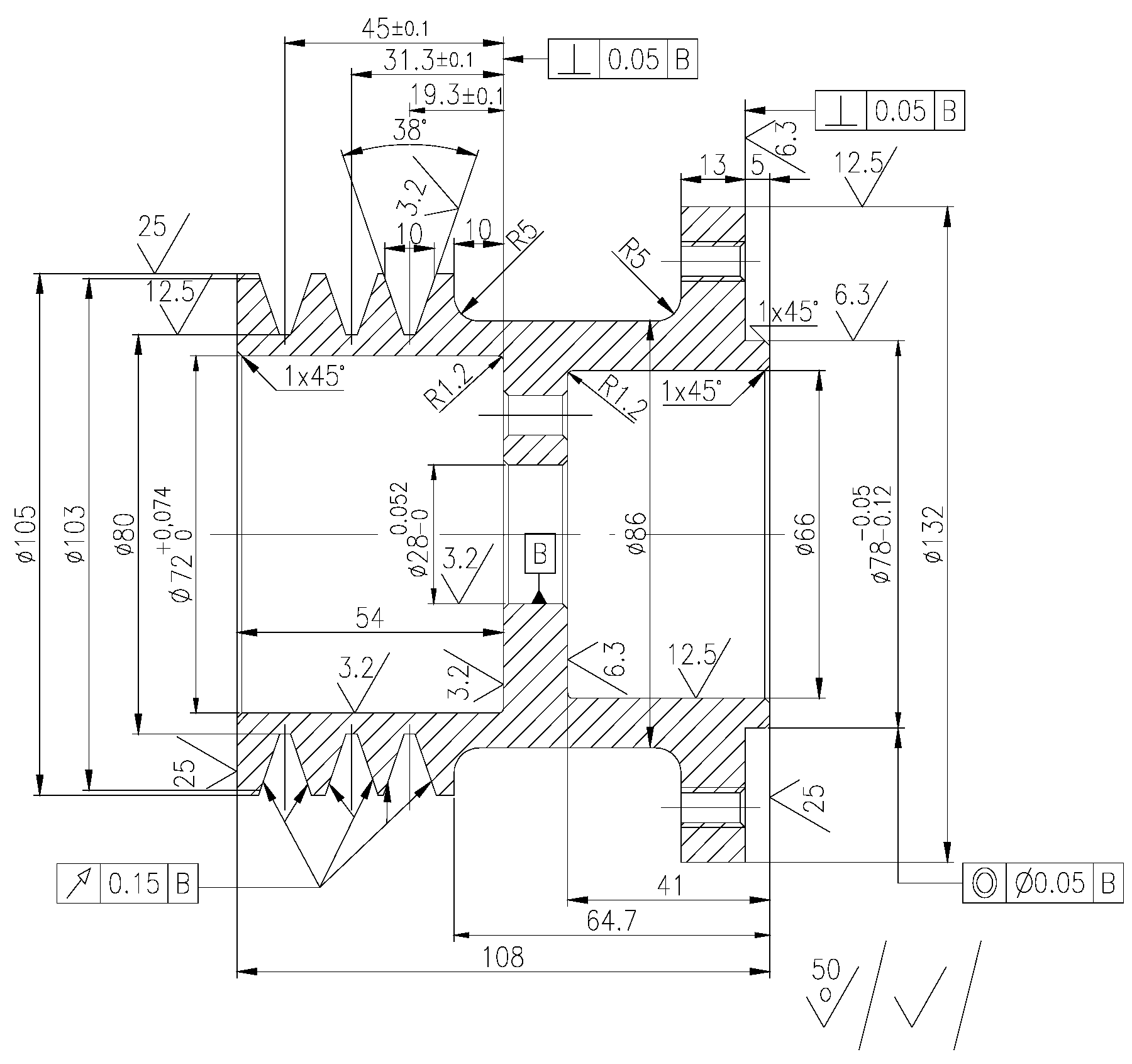
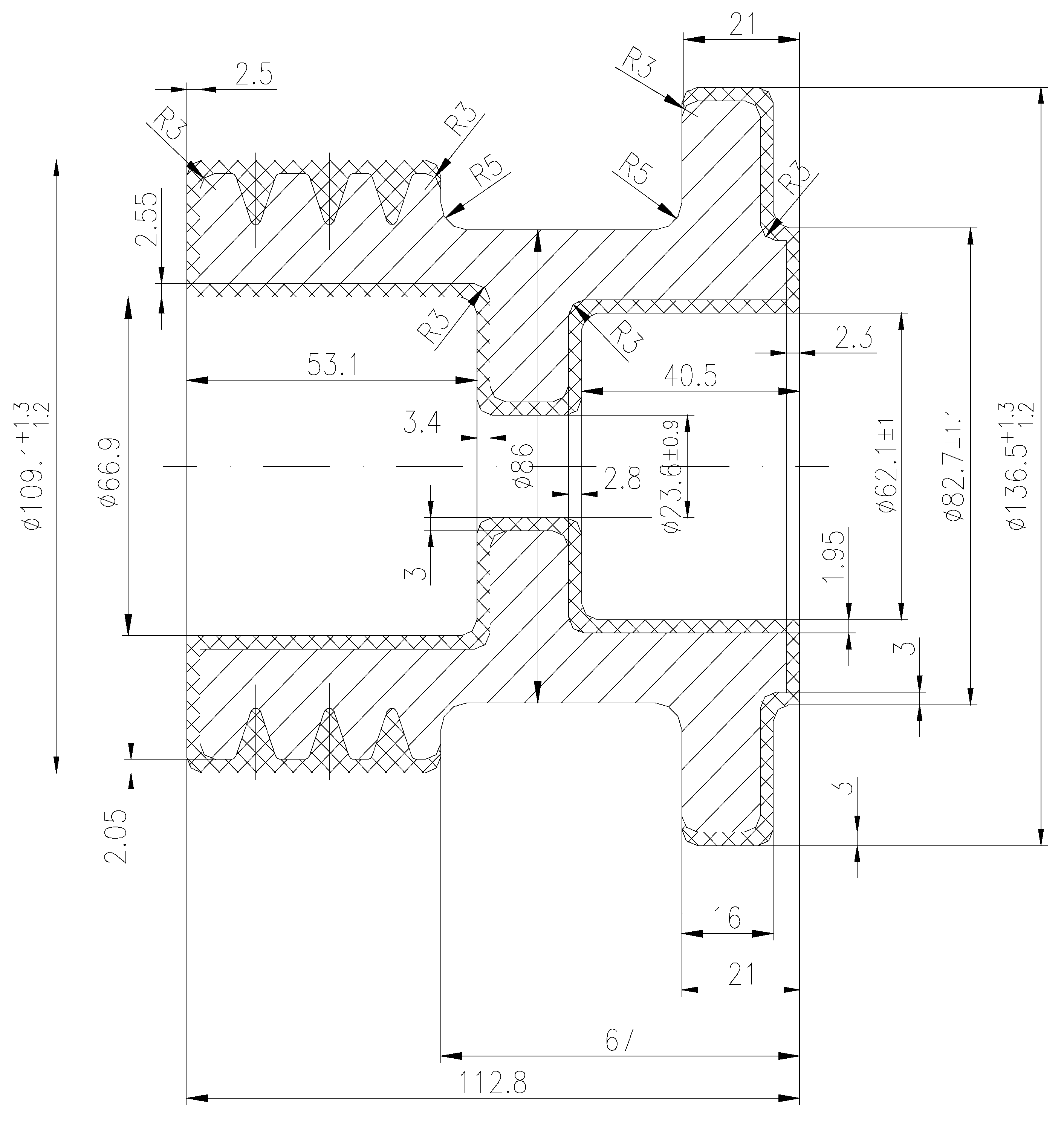
3. Results of the Case Study
4. Discussion
5. Conclusions
- (a)
- The quality of the machined surface must not be reduced only to the surface roughness;
- (b)
- Surface integrity is a very important indicator for the assessment of the machined-surface quality, and it is directly related to the performance of a product;
- (c)
- The surface integrity influences the depth of cut. This means that the material layer having the thickness of the depth of cut must contain all the errors obtained in the surface and subsurface layers in the case of the previous machining operation. This fact is ensured by relations (2)–(16) conceived by the authors;
- (d)
- Determining the depth of cut requires knowledge of the routing sheet. For the routing sheet, the decisional element is the roughness of the surface to be machined;
- (e)
- After the routing sheet is known, the CDFTCI software tool calculates the depth of cut for every technological sequence. In this case, the decisional element is surface integrity;
- (f)
- The present paper leads to a novel approach to machining parameters optimization. First of all, the depths of cut must be calculated in accordance with ensuring the surfaces integrity. Then, the results obtained in this manner must be integrated into mathematical models for machining parameters optimization (into the objective function or/and as constraints);
- (g)
- The novelty of the present paper refers to the use of the surface integrity concept for establishing the routing sheet and the related depths of cut for turning the front faces of cast iron work pieces. In this way, the authors have developed a new/original software tool named CDFTCI (conceived in Delphi environment). This software is based on a small database associated with the original mathematical relations (2)–(16), whose role is to model the components of surface integrity and other errors;
- (h)
- The CDFTCI software also contributes to the calculation of the billets’ dimensions regarding the front faces; with respect to the calculation of the billets’ dimensions regarding the cylindrical surfaces, TESEQ and CDCIM software tools must be used [8];
- (i)
- The CDFTCI software tool could be used as a standalone application, and it might be easily integrated into any CAP system and translated, if necessary, into other programming languages.
Author Contributions
Funding
Institutional Review Board Statement
Informed Consent Statement
Data Availability Statement
Conflicts of Interest
Nomenclature
| dcf, dcfreal | Calculated and real values of the depth of cut for facing turning (mm) |
| Tolerances for: the billet, rough-facing turning, and semi-finish-facing turning, respectively (mm) | |
| Dm | Maximum part dimension (mm) |
| D(Dn),L(Ln) | Work surface diameter and lengths (mm) |
| Rzcib, Rzrft, Rzsft | Surface roughness for billet, rough-facing turning, and semi-finish-facing turning, respectively (mm) |
| Scib, Srft, Ssft | Subsurface layers spoiled for billet, rough-facing turning, and semi-finish-facing turning, respectively (mm) |
| εFcib, εFrft, εFsft | Flatness deviation for billet, rough-facing turning, and semi-finish-facing turning, respectively (mm) |
| fsd | Specific flatness deviation (µm/mm) |
| εCaxrft, εCaxsft, εCaxfft | Axial clamping error regarding rough-facing turning, semi-finish-facing turning, and finish-facing turning, respectively (mm) |
| a(3,13), name1(3) | Matrices of the database |
| ff | Code variable: ff = 1 for external frontal surfaces and ff = −1 for internal frontal surfaces |
| tft, i1 | Code variables regarding the number and types of technological sequences, respectively |
| ra | Required roughness (μm) |
| udL(udLn), ldL(ldLn) | Upper and lower deviations of L specified on the part drawing (mm) |
| cab | Casting process accuracy grade of the billet |
| Df | Diameter of clamping surface (mm) |
| drft, dsft, dfft | Depths of cut for rough-facing turning, semi-finish-facing turning, and finish-facing turning, respectively (mm) |
| p, m | Counting parameters that control the running cycles of the CDFTCI module |
| Lpre, Lpren | Calculated and standardized values for the previous dimension regarding L (mm) |
| Lcib, Lrft, Lsft | The length of the part related to the front face for billet, rough-facing turning, and semi-finishing-facing turning, respectively (mm) |
| δLcib | Final casting tolerance related Lcib (mm) |
| dtof, dcfi | Total depth of cut and depth of cut for a single pass related to facing turning, respectively (mm) |
| UNAZECIM | Subroutine that determines standardized value Lpren regarding Lpre |
| TOL | Subroutine for determining the tolerance δcib (mm). |
References
- Ulutan, D.; Ozel, T. Machining induced surface integrity in titanium and nickel alloys: A review. Int. J. Mach. Tools Manuf. 2011, 51, 250–280. [Google Scholar] [CrossRef]
- Fang, F.; Gu, C.; Hao, R.; You, K.; Huang, S. Recent Progress in Surface Integrity Research and Development. Engineering 2018, 4, 754–758. [Google Scholar] [CrossRef]
- Da Silva, R.B.; Sales, W.F.; Costa, E.S.; Ezugwu, E.O.; Bonney, J.; Da Silva, M.B.; Machado, A.R. Surface integrity and tool life when turning of Ti-6AI-4V with coolant applied by different methods. Int. J. Adv. Manuf. Technol. 2017, 93, 1893–1902. [Google Scholar] [CrossRef]
- Xie, W.; Zhao, B.; Liu, E.; Chai, Y.; Wang, X.; Yang, L.; Li, G.; Wang, J. Surface integrity investigation into longitudinal-torsional ultrasonic vibration side milling for a TC18 titanium alloy-part I: The effects of cutting speed on cutting force and surface integrity. Int. J. Adv. Manuf. Technol. 2022, 120, 2701–2713. [Google Scholar] [CrossRef]
- Pathade, H.P.; Gupta, M.K.; Kumar, N.; Pathade, M.P.; Wakchaure, P.B.; Gadhave, S.N.; Varpe, N.J.; Markad, A.V. A Review on Surface Integrity of Ball Burnnishing Process. Int. J. Res. Publ. Rev. 2022, 3, 137–151. [Google Scholar] [CrossRef]
- Malakizadi, A.; Bertolini, R.; Ducobu, F.; Kilic, Z.M.; Magnanini, M.C. Recent advances in modelling and simulation of surface integrity in machining–a review. Procedia CIRP 2021, 15, 232–240. [Google Scholar] [CrossRef]
- Dumas, M.; Valiorgue, F.; Robaeys, A.V.; Rech, J. Interaction between a roughing and finishing operation on the final surface integrity in turning. Procedia CIRP 2018, 71, 396–400. [Google Scholar] [CrossRef]
- Ivan, N.V.; Gavrus, C.; Oancea, G. A new method for establishing the depths of cut for cast iron parts turning. J. Braz. Soc. Mech. Sci. Eng. 2018, 40, 496. [Google Scholar] [CrossRef]
- Kovan, B.M. Calculul Adaosurilor de Prelucrare în Construcţia de Maşini (Calculation of Tooling Allowances in Machine Building Industry); Maşghiz Publishing House: Moskow, Russia, 1953. [Google Scholar]
- Kovan, B.M. Technologie de la Construction Mécanique (Machine Building Technology); Mir Publishing House: Moscow, Russia, 1970. [Google Scholar]
- Picos, C.; Pruteanu, O.; Bohosievici, C.; Coman, G.; Braha, V.; Paraschiv, D.; Slătineanu, L.; Grămescu, T.; Marin, A.; Ionesii, V.; et al. Proiectarea Tehnologiilor de Prelucrare Mecanică Prin Aşchiere (Cutting Processes Technologies Planning); Editura Universitas Publishing House: Chişinău, Russia, 1992; Volumes 1 and 2. [Google Scholar]
- Pratihar, D.K. Expert systems in manufacturing processes using soft computing. Int. J. Adv. Manuf. Technol. 2015, 81, 887–896. [Google Scholar] [CrossRef]
- Zhu, L.; Jiang, Z.; Shi, J.; Jin, C. An overview of turn-milling technology. Int. J. Adv. Manuf. Technol. 2015, 81, 493–505. [Google Scholar] [CrossRef]
- Baburaj, E.; Mohana Sundaram, K.M.; Senthil, P. Effect of high speed turning operation on surface roughness of hybrid metal matrix (Al-SiCp-fly ash) composite. J. Mech. Sci. Technol. 2016, 30, 89–95. [Google Scholar] [CrossRef]
- Prasad, B.S.; Babu, M.P. Correlation between vibration amplitude and tool wear in turning: Numerica and experimental analysis. Eng. Sci. Technol. Int. J. 2017, 20, 197–211. [Google Scholar] [CrossRef]
- Shin, Y.C.; Joo, Y.S. Optimization of machining conditions with practical constraints. Int. J. Prod. Res. 1992, 30, 2907–2919. [Google Scholar] [CrossRef]
- Wang, J. Multiple-objective optimization of machining operations based on neural networks. Int. J. Adv. Manuf. Technol. 1993, 8, 235–243. [Google Scholar] [CrossRef]
- Gupta, R.; Batra, J.L.; Lal, G.K. Determination of optimal subdivision of depth of cut in multipass turning with constraints. Int. J. Prod. Res. 1995, 33, 2555–2565. [Google Scholar] [CrossRef]
- Chen, M.C.; Tsai, D.M. A simulated annealing approach for optimization of multi-pass turning operations. Int. J. Prod. Res. 1996, 34, 2803–2825. [Google Scholar] [CrossRef]
- Onwubolu, G.C.; Kumalo, T. Optimization of multipass turning operations with genetic algorithms. Int. J. Prod. Res. 2001, 39, 3727–3745. [Google Scholar] [CrossRef]
- Chen, M.C. Optimizing machining economics models of turning operations using the scatter search approach. Int. J. Prod. Res. 2004, 42, 2611–2625. [Google Scholar] [CrossRef]
- Kumar, A.S.; Khan, M.A.; Thiraviam, R. Machining parameters optimization for alumina based ceramic cutting tools using genetic algorithm. Mach. Sci. Technol. 2006, 10, 471–489. [Google Scholar] [CrossRef]
- Sardinas, R.Q.; Santana, M.R.; Brindis, E.A. Genetic algorithm-based multi-objective optimization of cutting parameters in turning processes. Eng. Appl. Art. Intell. 2006, 19, 127–133. [Google Scholar] [CrossRef]
- Satishkumar, S.; Asokan, P.; Kumanan, S. Optimization of depth of cut in multi-pass turning using nontraditional optimization techniques. Int. J. Adv. Manuf. Technol. 2006, 29, 230–238. [Google Scholar] [CrossRef]
- Wang, Y.C.; Chen, T. Modelling and optimization of machining conditions for the multi-pass dry turning process. Proc. ImechE Part. B J. Eng. Manuf. 2008, 222, 1387–1394. [Google Scholar] [CrossRef]
- Srinivas, J.; Giri, R.; Yang, S.H. Optimization of multi-pass turning using particle swarm intelligence. Int. J. Adv. Manuf. Technol. 2009, 40, 56–66. [Google Scholar] [CrossRef]
- Bharathi Raja, S.; Baskar, N. Optimization techniques for machining operations: A retrospective research based on various mathematical models. Int. J. Adv. Manuf. Technol. 2010, 48, 1075–1090. [Google Scholar] [CrossRef]
- Costa, A.; Celano, G.; Fichera, S. Optimization of multi-pass turning economies through a hybrid particle swarm optimization technique. Int. J. Adv. Manuf. Technol. 2011, 53, 421–433. [Google Scholar] [CrossRef]
- Xie, S.; Guo, Y. Optimisation of machining parameters in multi-pass turnings using ant colony optimisations. Int. J. Mach. Mach. Mater. 2012, 11, 204–220. [Google Scholar] [CrossRef]
- Belloufi, A.; Assas, M.; Rezgui, I. Optimization of Turning Operations by Using a Hybrid Genetic Algorithm with Sequential Quadratic Programming. J. Appl. Res. Technol. 2013, 11, 88–94. [Google Scholar] [CrossRef]
- Lu, K.; Jing, M.; Zhang, X.; Liu, H. Optimization of sequential subdivision of depth of cut in turning operations using dynamic programming. Int. J. Adv. Manuf. Technol. 2013, 68, 1733–1744. [Google Scholar] [CrossRef]
- Lu, K.; Jing, M.; Zhang, X.; Dong, G.; Liu, H. An effective optimization algorithm for multipass turning of flexible workpieces. J. Intell. Manuf. 2015, 26, 831–840. [Google Scholar] [CrossRef]
- Yildiz, A.R. Hybrid Taguchi-differential evolution algorithm for optimization of multipass turning operations. Appl. Soft Comput. 2013, 13, 1433–1439. [Google Scholar] [CrossRef]
- Mokhtari Homami, R.; Fadaei Tehrani, A.; Mirzadeh, H.; Movahedi, B.; Azimifar, F. Optimization of turning process using artificial intelligence technology. Int. J. Adv. Manuf. Technol. 2014, 70, 1205–1217. [Google Scholar] [CrossRef]
- Gayatri, R.; Baskar, N. Performance analysis of non-traditional algorithmic parameters in machining operation. Int J Adv Manuf Technol 2015, 77, 443–460. [Google Scholar] [CrossRef]
- Mellal, M.A.; Williams, E.J. Cuckoo optimization algorithm for unit production cost in multi-pass turning operations. Int. J. Adv. Manuf. Technol. 2015, 76, 647–656. [Google Scholar] [CrossRef]
- Jabri, A.; Barcany, A.E.; Khalfi, A.E.I. Multipass Turning Operation Process Optimization Using Hybrid Genetic Simulated Annealing Algorithm. Model. Simul. Eng. 2017, 2017, 1940635. [Google Scholar] [CrossRef]
- Xu, S.; Wang, Y.; Huang, F. Optimization of multi-pass turning parameters through an improved flower pollination algorithm. Int. J. Adv. Manuf. Technol. 2017, 89, 503–514. [Google Scholar] [CrossRef]
- Abbas, A.T.; Pimenov, D.Y.; Erdakov, I.N.; Taha, M.A.; Soliman, M.S.; Rayes, M.M.E. ANN Surface Roughness Optimization of AZ61 Magnesium Alloy Finish Turning: Minimum Machining Times at Prime Machining Costs. Materials 2018, 11, 808. [Google Scholar] [CrossRef] [PubMed]
- Abbas, A.T.; Benyahia, F.; Rayes, M.M.E.; Pruncu, C.; Taha, M.A.; Hegab, H. Towards Optimization of Machining Performance and Sustainability Aspects when Turning AISI 1045 Steel under Different Cooling and Lubrication Strategies. Materials 2019, 12, 3023. [Google Scholar] [CrossRef]
- Radovanovic, M. Multi-objective optimization of multi-pass turning AISI 1064 steel. Int. J. Adv. Manuf. Technol. 2019, 100, 87–100. [Google Scholar] [CrossRef]
- Mia, M.; Krolczyk, G.; Maruda, R.; Wojciechowski, S. Intelligent Optimization of Hard-Turning Parameters Using Evolutionary Algorithms for Smart Manufacturing. Materials 2019, 12, 879. [Google Scholar] [CrossRef]
- Sofuoğlu, M.A.; Çakır, F.H.; Gürgen, S. An efficient approach by adjusting bounds for heuristic optimization algorithms. Soft Comput. 2019, 23, 5199–5212. [Google Scholar] [CrossRef]
- Danish, M.; Rubaice, S.; Ijaz, H. Predictive Modelling and Multi-Objective Optimization of Surface Integrity Parameters in Sustainable Machining Processes of Magnesium Alloy. Materials 2021, 14, 3547. [Google Scholar] [CrossRef] [PubMed]
- Huang, X.; He, Z.; Chen, Y.; Xie, S. A Divide-and-Conquer Bat Algorithm with Direction of Mean Best Position for Optimization of Cutting Parameters in CNC Turnigs. Comput. Intell. Neurosci. 2022, 2022, 4719266. [Google Scholar] [CrossRef] [PubMed]
- Gavrus, C.; Ivan, N.V.; Oancea, G. Machining Parameters Optimization Based on Objective Function Linearization. Mathematics 2022, 10, 803. [Google Scholar] [CrossRef]
- ISO 8062; International Standard ISO 8062. ISO: Geneva, Switzerland, 1994.







| Paper | Optimization Mathematical Methods | |
|---|---|---|
| Traditional | Non-Traditional | |
| [16] | Dynamic programming | |
| [17] | Neural network | |
| [18] | Integer programming | |
| [19] | Simulated annealing, Hooke–Jeeves pattern search | |
| [20] | Genetic algorithm | |
| [21] | Scatter search | |
| [22] | Genetic algorithm | |
| [23] | Genetic algorithm | |
| [24] | genetic algorithm, simulated annealing, ant colony optimization | |
| [25] | Evolutionary strategy | |
| [26] | Particle swarm optimization | |
| [27] | Simulated annealing, genetic algorithm, particle swarm optimization | |
| [28] | Hybrid particle swarm optimization | |
| [29] | Ant colony optimization, pass enumerating | |
| [30] | Quadratic programming | |
| [31] | Quadratic programming | Genetic algorithm |
| [32] | Dynamic programming | |
| [33] | Hybrid robust differential evolution | |
| [34] | Genetic algorithm, artificial neural network | |
| [35] | Genetic algorithm, simulated annealing, particle swarm optimization | |
| [36] | Cuckoo optimization | |
| [37] | Genetic algorithm, simulated annealing | |
| [38] | Improved flower pollination | |
| [39] | Pareto optimization, artificial neural network | |
| [40] | Genetic programming | |
| [41] | Iterative search, multi-objective genetic algorithm, genetic algorithm | |
| [42] | Intelligent evolutionary algorithm | |
| [43] | Genetic algorithm, cuckoo search, accelerated particle swarm | |
| [44] | Analysis of variance | |
| [45] | Bat algorithm, divide and conquer strategy | |
| [46] | Special linearization method, linear mathematical programming | |
| c1 | b1 | b2 | c2 | c3 | c4 | c5 | c6 | c20 | b10 | c21 | b11 | c22 |
|---|---|---|---|---|---|---|---|---|---|---|---|---|
| 0.031 | 0.153 | 0.359 | 1.34 | 0.0000163 | 0.000131 | 0.044 | 0.357 | 0.0004 | 1.3723 | 0.0274 | 0.205 | 0.00432 |
| c11 | b6 | c12 | b7 | c23 | b10 | c24 | b12 | |||||
| 0.055 | 0.350 | 0.0174 | 1.79 | 0.000023 | 1.3723 | 0.0307 | 0.254 | |||||
| c16 | b9 | c17 | c25 | b10 | c24 | b12 | ||||||
| 0.023 | 0.342 | 0.05 | 0.000012 | 1.3723 | 0.0307 | 0.254 |
Disclaimer/Publisher’s Note: The statements, opinions and data contained in all publications are solely those of the individual author(s) and contributor(s) and not of MDPI and/or the editor(s). MDPI and/or the editor(s) disclaim responsibility for any injury to people or property resulting from any ideas, methods, instructions or products referred to in the content. |
© 2023 by the authors. Licensee MDPI, Basel, Switzerland. This article is an open access article distributed under the terms and conditions of the Creative Commons Attribution (CC BY) license (https://creativecommons.org/licenses/by/4.0/).
Share and Cite
Gavrus, C.; Ivan, N.-V.; Oancea, G. Determination of the Depth of Cut via Surface Integrity. Appl. Sci. 2023, 13, 6881. https://doi.org/10.3390/app13126881
Gavrus C, Ivan N-V, Oancea G. Determination of the Depth of Cut via Surface Integrity. Applied Sciences. 2023; 13(12):6881. https://doi.org/10.3390/app13126881
Chicago/Turabian StyleGavrus, Cristina, Nicolae-Valentin Ivan, and Gheorghe Oancea. 2023. "Determination of the Depth of Cut via Surface Integrity" Applied Sciences 13, no. 12: 6881. https://doi.org/10.3390/app13126881
APA StyleGavrus, C., Ivan, N.-V., & Oancea, G. (2023). Determination of the Depth of Cut via Surface Integrity. Applied Sciences, 13(12), 6881. https://doi.org/10.3390/app13126881

