Design of N-Way Wilkinson Power Dividers with New Input/Output Arrangements for Power-Halving Operations
Abstract
1. Introduction
2. Materials and Methods
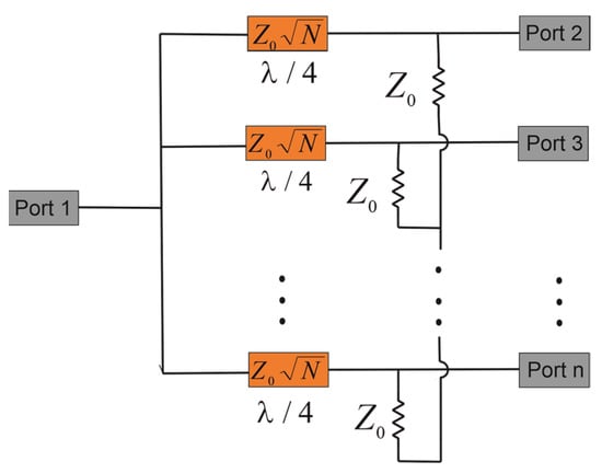
2.1. Analysis of WPDs
2.2. N-Way Wilkinson Power Dividers Based on Slow-Wave Structures
2.2.1. WPDs with Narrow-Slit-Loaded Transmission Lines
2.2.2. WPDs with Meandered Transmission Lines
2.2.3. Alternative Input/Output Port Arrangements for Various Power-Division Processes
3. Results
4. Conclusions
Author Contributions
Funding
Institutional Review Board Statement
Informed Consent Statement
Data Availability Statement
Conflicts of Interest
Abbreviation
| Smm | Reflection coefficient at port m. |
| Smn | Transmission coefficient from port n to port m. |
| WPD | Wilkinson power divider. |
| Meas | Measured. |
| Sim. | Simulated. |
| f0 | Center frequency. |
| FBW | Fractional bandwidth. |
| λg | Guided wavelength. |
References
- Razzaz, F.; Saeed, S.M.; Alkanhal, M.A.S. Compact Ultra-Wideband Wilkinson Power Dividers Using Linearly Tapered Transmission Lines. Electronics 2022, 11, 3080. [Google Scholar] [CrossRef]
- Omi, A.I.; Zafar, Z.N.; Al-Shakhori, H.; Savage, A.N.; Islam, R.; Maktoomi, M.A.; Zakzewski, C.; Sekhar, P. A new analytical design methodology for a three-section wideband wilkinson power divider. Electronics 2021, 10, 2332. [Google Scholar] [CrossRef]
- Gao, N.; Wu, G.; Tang, Q. Design of a novel compact dual-band wilkinson power divider with wide frequency ratio. IEEE Microw. Wirel. Compon. Lett. 2014, 24, 81–83. [Google Scholar] [CrossRef]
- Khajeh-Khalili, F.; Honarvar, M.A.; Virdee, B.S. Miniature In-Phase Wilkinson Power Divider with Pair of Parallel Transmission-Lines for Application in Wireless Microwave Systems. IETE J. Res. 2018, 67, 227–234. [Google Scholar] [CrossRef]
- Khajeh-Khalili, F.; Honarvar, M.A. A design of triple lines Wilkinson power divider for application in wireless communication systems. J. Electromagn. Waves Appl. 2016, 30, 2110–2124. [Google Scholar] [CrossRef]
- Saxena, A.; Hashmi, M.; Banerjee, D.; Chaudhary, M.A. Theory and design of a flexible two-stage wideband wilkinson power divider. Electronics 2021, 10, 2168. [Google Scholar] [CrossRef]
- Liang, W.-F.; Hong, W.; Chen, J.-X. A Q-band compact Wilkinson power divider using asymmetrical shunt-stub in 90nm CMOS technology. In Proceedings of the 2012 Asia Pacific Microwave Conference Proceedings, Kaohsiung, Taiwan, 4–7 December 2012; pp. 974–976. [Google Scholar] [CrossRef]
- Khajeh-Khalili, F.; Honarvar, M.A.; Limiti, E. A Novel High-Isolation Resistor-Less Millimeter-Wave Power Divider Based on Metamaterial Structures for 5G Applications. IEEE Trans. Compon. Packag. Manuf. Technol. 2020, 11, 294–301. [Google Scholar] [CrossRef]
- Kawai, T.; Nagano, K.; Enokihara, A. Dual-Band Semi-Lumped-Element Power Dividers at UHF/SHF Bands. In Proceedings of the 50th European Microwave Conference, EuMC, Utrecht, The Netherlands, 12–14 January 2021; pp. 844–847. [Google Scholar]
- Gupta, R.; Assaad, M.; Chaudhary, M.A.; Hashmi, M. An Effective Design Scheme of Single- and Dual-Band Power Dividers for Frequency-Dependent Port Terminations. Electronics 2023, 12, 1991. [Google Scholar] [CrossRef]
- Wu, Y.; Liu, Y.; Zhang, Y.; Gao, J.; Zhou, H. A dual band unequal wilkinson power divider without reactive components. IEEE Trans. Microw. Theory Tech. 2009, 57, 216–222. [Google Scholar] [CrossRef]
- Al Shamaileh, K.; Dib, N.; Abushamleh, S. A Dual-Band 1:10 Wilkinson Power Divider Based on Multi-T-Section Characterization of High-Impedance Transmission Lines. IEEE Microw. Wirel. Compon. Lett. 2017, 27, 897–899. [Google Scholar] [CrossRef]
- Lee, S.; Park, J.; Hong, S. Millimeter-Wave Multi-Band Reconfigurable Differential Power Divider for 5G Communication. IEEE Trans. Microw. Theory Tech. 2022, 70, 886–894. [Google Scholar] [CrossRef]
- Okada, Y.; Kawai, T.; Enokihara, A. Design Method for Multiband WPDs Using Multisection LC-Ladder Circuits. IEEE Microw. Wirel. Compon. Lett. 2017, 27, 894–896. [Google Scholar] [CrossRef]
- Gomez-Garcia, R.; Loeches-Sanchez, R.; Psychogiou, D.; Peroulis, D. Single/multi-band Wilkinson-type power dividers with embedded transversal filtering sections and application to channelized filters. IEEE Trans. Circuits Syst. I Regul. Pap. 2015, 62, 1518–1527. [Google Scholar] [CrossRef]
- Scardelletti, M.C.; Ponchak, G.E.; Weller, T.M. Miniaturized Wilkinson power dividers utilizing capacitive loading. IEEE Microw. Wirel. Compon. Lett. 2002, 12, 6–8. [Google Scholar] [CrossRef]
- Wu, J.; Li, E.; Guo, G.F. Microstrip power divider with capacitive stubs loading for miniaturization and harmonic suppression. In Proceedings of the ICMTCE2011-Proceedings 2011 IEEE International Conference on Microwave Technology and Computational Electromagnetics, Beijing, China, 22–25 May 2011; pp. 237–239. [Google Scholar]
- Karpuz, C.; Gorur, A.K. Effects of narrow slits on frequency response of a microstrip square loop resonator and dual-mode filter applications. Microw. Opt. Technol. Lett. 2012, 55, 143–146. [Google Scholar] [CrossRef]
- Santiko, A.B.; Munir, A. Development of dual band power divider using meander line technique for local oscillator system. In Proceedings of the IEEE 13th International Conference on Telecommunication Systems, Services, and Applications (TSSA), Bali, Indonesia, 3–4 October 2019; pp. 286–289. [Google Scholar]
- Rawat, K.; Ghannouchi, F.M. A design methodology for miniaturized power dividers using periodically loaded slow wave structure with dual-band applications. IEEE Trans. Microw. Theory Tech. 2009, 57, 3380–3388. [Google Scholar] [CrossRef]
- Park, M.J.; Lee, B. A dual-band Wilkinson power divider. IEEE Microw. Wirel. Compon. Lett. 2008, 18, 85–87. [Google Scholar] [CrossRef]
- Kim, K.; Nguyen, C. An ultra-wideband low-loss millimeter-wave slow-wave wilkinson power divider on 0.18 μm SiGe BICMOS process. IEEE Microw. Wirel. Compon. Lett. 2015, 25, 331–333. [Google Scholar] [CrossRef]
- Roshani, S.; Yahya, S.I.; Alameri, B.M.; Mezaal, Y.S.; Liu, L.W.Y.; Roshani, S. Filtering Power Divider Design Using Resonant LC Branches for 5G Low-Band Applications. Sustainability 2022, 14, 12291. [Google Scholar] [CrossRef]
- Wang, Y.; Zhang, X.-Y.; Liu, F.-X.; Lee, J.-C. A Compact Bandpass Wilkinson Power Divider With Ultra-Wide Band Harmonic Suppression. IEEE Microw. Wirel. Compon. Lett. 2017, 27, 888–890. [Google Scholar] [CrossRef]
- Sallam, T.; Attiya, A.M. Neural network inverse model for multi-band unequal Wilkinson power divider. COMPEL-Int. J. Comput. Math. Electr. Electron. Eng. 2022, 41, 1604–1617. [Google Scholar] [CrossRef]
- Cheng, J.-D.; Xia, B.; Xiong, C.; Wu, L.-S.; Mao, J.-F. An Unequal Wilkinson Power Divider Based on Integrated Passive Device Technology and Parametric Model. IEEE Microw. Wirel. Compon. Lett. 2022, 32, 281–284. [Google Scholar] [CrossRef]
- Peng, C.; Ye, Z.; Wu, J.; Chen, C.; Wang, Z. Design of a wide-dynamic rf-dc rectifier circuit based on an unequal wilkinson power divider. Electronics 2021, 10, 2815. [Google Scholar] [CrossRef]
- Karpuz, C.; Gorur, A.K.; Cakir, M.; Cengiz, A.; Gorur, A. Compact Wilkinson Power Dividers Based on Narrow Slits Loaded Transmission Lines. In Proceedings of the 2023 IEEE Radio and Wireless Symposium (RWS), Las Vegas, NV, USA, 22–25 January 2023; pp. 174–177. [Google Scholar] [CrossRef]
- Sato, R. A Design Method for Meander-Line Networks Using Equivalent Circuit Transformations. IEEE Trans. Microw. Theory Tech. 1971, 19, 431–442. [Google Scholar] [CrossRef]































| Odd line | ![]() | ![]() |
| Even line | ![]() | ![]() |
| Ref | fo (GHz) | FBW (%) | Structure Topology | |
|---|---|---|---|---|
| [2] | 1.32 | - | 103.60 | Three-section TL lines & three resistors |
| [6] | 2.1 | 0.6386 | 80 | Two-stage with coupled lines |
| [10] | 2.6 | 0.096 | 18.2 | ITPD |
| [28] | 2 | 0.0156 | 36.26 | Slit-loaded transmission lines |
| Meandered line (this work) | 2.03 | 0.0156 | 56.79 | Meandered transmission lines |
| 3-way WPDs (this work) | 1.95 | 0.12 | 52.5 | Microstrip transmission lines |
| 3-way WPDs with common ground plane (this work) | 1.74 | 0.079 | 52.29 | Microstrip transmission lines |
| 5-way WPDs with common ground plane (this work) | 1.97 | 0.073 | 51.26 | Microstrip transmission lines |
Disclaimer/Publisher’s Note: The statements, opinions and data contained in all publications are solely those of the individual author(s) and contributor(s) and not of MDPI and/or the editor(s). MDPI and/or the editor(s) disclaim responsibility for any injury to people or property resulting from any ideas, methods, instructions or products referred to in the content. |
© 2023 by the authors. Licensee MDPI, Basel, Switzerland. This article is an open access article distributed under the terms and conditions of the Creative Commons Attribution (CC BY) license (https://creativecommons.org/licenses/by/4.0/).
Share and Cite
Karpuz, C.; Cakir, M.; Gorur, A.K.; Gorur, A. Design of N-Way Wilkinson Power Dividers with New Input/Output Arrangements for Power-Halving Operations. Appl. Sci. 2023, 13, 6852. https://doi.org/10.3390/app13116852
Karpuz C, Cakir M, Gorur AK, Gorur A. Design of N-Way Wilkinson Power Dividers with New Input/Output Arrangements for Power-Halving Operations. Applied Sciences. 2023; 13(11):6852. https://doi.org/10.3390/app13116852
Chicago/Turabian StyleKarpuz, Ceyhun, Mehmet Cakir, Ali Kursad Gorur, and Adnan Gorur. 2023. "Design of N-Way Wilkinson Power Dividers with New Input/Output Arrangements for Power-Halving Operations" Applied Sciences 13, no. 11: 6852. https://doi.org/10.3390/app13116852
APA StyleKarpuz, C., Cakir, M., Gorur, A. K., & Gorur, A. (2023). Design of N-Way Wilkinson Power Dividers with New Input/Output Arrangements for Power-Halving Operations. Applied Sciences, 13(11), 6852. https://doi.org/10.3390/app13116852





