Next Article in Journal
Aesthetic Quality Properties of Carbonate Breccias Associated with Textural and Compositional Factors: Marrón Emperador Ornamental Stone (Upper Cretaceous, Southeast Spain)
Next Article in Special Issue
Linear Programming Coordination for Overcurrent Relay in Electrical Distribution Systems with Distributed Generation
Previous Article in Journal
Polycyclic Aromatic Hydrocarbons and Polychlorinated Biphenyls in Seawater, Sediment and Biota of Neritic Ecosystems: Occurrence and Partition Study in Southern Ligurian Sea
Previous Article in Special Issue
Generation of Data-Driven Expected Energy Models for Photovoltaic Systems
 
 
Font Type:
Arial Georgia Verdana
Font Size:
Aa Aa Aa
Line Spacing:
Column Width:
Background:
Article

Detection Criterion for Progressive Faults in Photovoltaic Modules Based on Differential Voltage Measurements

by
Luis Diego Murillo-Soto
1,*,† and
Carlos Meza
1,2,†
1
Costa Rica Institute of Technology, Electromechanical Engineering School, Cartago 159-7050, Costa Rica
2
Department of Electrical, Mechanical and Industrial Engineering, Anhalt University of Applied Sciences, 06366 Köthen, Germany
*
Author to whom correspondence should be addressed.
These authors contributed equally to this work.
Appl. Sci. 2022, 12(5), 2565; https://doi.org/10.3390/app12052565
Submission received: 1 February 2022 / Revised: 18 February 2022 / Accepted: 18 February 2022 / Published: 1 March 2022

Abstract

:
PV modules may experience degradation conditions that affect their power efficiency and affect the rest of the PV array. Based on the literature review, this paper links the parameter variation on a PV module with the six most common degradation faults, namely, series resistance degradation, optical homogeneous degradation, optical heterogeneous degradation, potential induced degradation, micro-cracks, and light-induced degradation. A Monte Carlo-based numerical simulation was used to study the effect of the faults mentioned above in the voltage of the modules in a PV array with one faulty module. A simple expression to identify faults was derived based on the obtained results. The simplicity of this expression allows integrating the fault detection technique in low-cost electronic circuits embedded in a PV module, optimizer, or microinverter.

1. Introduction

According to [1], a fault can be defined as “an abnormal condition that may cause a reduction in, or loss of, the capability of a functional unit to perform a required function”. Faults in photovoltaic (PV) installations can significantly affect their energy yield, which is why the development of fault detection and diagnosis techniques has become an essential topic of research in recent years, Refs. [2,3,4]. Research works that analyze failure mode in solar modules, e.g., Refs. [5,6,7,8,9,10,11], have identified that the power reduction in PV modules under fault causes a deformation of the current-voltage curve, e.g., curves in [12].
Recently, Ref. [13] presented a performance analysis with 30 faulty modules of different brands. The study shows that, on average, the power loss after two years, with several faults, drops around 1.08 % ; also, the voltage variation at maximum power was, on average 1.17 % . Similar research in India concluded that, on average, power degradation in PV modules is found to increase 1.4% per year over 25 years [14]. But this degradation rate is not a static value; it depends on the life stage of the PV installations as is shown in [15], the first 18 years around 0.1% per year; then the next period of 10 years, the rate raises around 1%/year, and the final life stage, the rate increases more than 1.2%/year.
It is important to highlight that failure modes at the module level affect the whole PV installation performance because the PV array is a symmetrical composition of PV modules as is demonstrated by Gokmen in [16]. Eighteenth types of faults in solar modules have been described in [17], their detectable effects sometimes overlap, so it is not easy to distinguish among them. Furthermore, the diagnoses of faults require combining knowledge of different domains (visual inspection, thermography, electrical, chemical, material analyses, so on), Refs. [18,19]. This means that the specific failure modes could have, for example, the same behavior in the electric domain.
The detection criterion used in this paper is based on the widely accepted five parameters model, which, according to [20], can represent a single solar cell or several cells connected in series (PV module). This model is mathematically represented as follows,
I = I p h I s e V + I R s N s η V t 1 ( V + I R s ) R p
where I and V represent the current and voltage of the module, I p h is the photo-current generated, I s is the saturation current of the diode, R s and R p are the parasitic series and parallel resistances, N s is the number of cells in series, η represent the ideality factor, and V t is the thermal voltage.
An increase in the PV module series resistance can model several fault mechanisms, as it has been indicated in [21,22]. However, using other parameters to explain other failure modes is scarce in the literature. In this regard, one of the contributions of this work is to propose parameter ranges in the PV model that represent others failure modes not included in the typical models, e.g., only series resistance variation. This work will focus on the most common types of degrading faults listed next.
  • Series resistance degradation (SRD) faults. The increase of the parasitic resistance R s could be expected by thermal cycling, solder corrosion, broken ribbons, and homogeneous soldering disconnection, so on. For example, Ref. [23] indicates that normally the increment is 10 % / year. However, the variation of R s could be up to ten times its original value, according to [24].
  • Optical homogeneous degradation (OD) faults. The photocurrent I p h is affected by homogeneous glass corrosion, homogeneous contamination, loss of transparency, homogeneous corrosion of the anti-reflection coating. For instance, the yellowing and the browning are faults that cause power losses up to 50 % [25]. According to [23] this parameter decreases its value between [ 0 , 2 ] % / year, for simulation purpose a window of 20 years were simulated.
  • Optical heterogeneous degradation (OHD) faults. This fault family is similar to the one presented before, but in this case, the level of affectation is not homogeneous in two ways, location and degree of degradation. According to [17] the parasitic parallel resistance R p decreases, as well as I p h . The variation of I p h was taken as equivalent to OD faults, and the variation of R p was taken as the worse case reported in PID faults.
  • Potential induced degradation (PID) faults. This fault occurs when high potential voltages of the system cause a leakage current between the frame and the solar cells. According to [26], the shunt resistance R p decreases as well as the short-circuit current I s c , but for this work, we assume that the changes in I s c are caused by I p h because these variables are proportional I s c I p h . In [27] has proposed that both parameter decrease proportionally, R p I s c . Hence, the range of variation for these parameters are R p = [ 1 , 100 ] % and I p h = [ 80 , 100 ] % . We call this variant as P I D 1 .
    Also, another PID fault variation, we call P I D 2 , is found in [28], and they show that the parameters R p moves between [ 0.1 , 100 ] % , I s varies between [ 100 , 300 ] % and η moves between [ 100 , 112 ] % . These percentages were calculated by analyzing the maximum and minimum values reported in the graphical results.
  • Micro cracks (MC) faults. Micro crack can reduce energy production up to 50 % of a module with only 40 % of the affected area in one cell [29]. For these faults, according to [30], I s and I p h decrease proportionally because both parameters are inversely proportional to the affected area; hence the range of variation is [ 1 , 100 ] % .
  • Light induced degradation (LID) faults. According to [31] LID is defined as the increment of the recombination current in the base in P-type silicon wafers. The effect is also observed in the open-circuit voltage [17]. For a particular module, the saturation current I s could be moved in a range of [ 1 , 50 ] times; this variation can produce changes of open-circuit voltage V o c in the range of [ 0 , 18 ] % [20]. These percentages were calculated by analyzing graphical results.
A second contribution is the proposal of new detection criteria based on the measurements of the module voltages. Due to its simplicity, this criterion is suitable for implementation in monitoring strategies such as the one presented in [32]. In fact, several approaches use voltage measurements to detect and diagnose faults in the array, for example [33,34,35,36,37,38], but they require other variables like the string current, time, or even the ambient variables, to generate alarms adequately. Also, in those papers, the nature of faults analyzed is different because they focus mainly on faults such as diode short-circuit, open-circuits, partial shadows, and degradation faults represented only as an increase of the serial resistance. Furthermore, a similar indicator based on voltage is presented in [39], which is called Δ V , but this indicator requires knowing precisely the output voltage of the array and the theoretical voltage at its maximum power. This indicator is quite different from our approach since our criterion is calculated from the voltages of the modules in the PV string.
This work presents and analyzes new detection criteria to demonstrate that is capable to detect all the progressive faults only with the module voltage variable in multi-crystal PV modules. This numerical simulation study is divided into the following main sections: Section 2 describes the theoretical framework used to derive the detection criterion. Section 3 links specific fault conditions with changes in the variation of some parameters of the PV array. This section also explains the simulated experiment, circuits and software used, and the calibration process. Section 4 and Section 5 show the main results and the discussion. Finally, the main conclusions are highlighted in Section 6.

2. Theoretical Framework: Detection Criterion Fundamentals

The explicit expression of (1) for the module voltage is obtained using Lambert- W transformation, if we have an equation with the form y = x e x , the term x could be obtained as x = W ( y ) for any x > 1 / e . Therefore, the voltage is expressed as follows,
V = ( I p h + I s ) R p I ( R p + R s ) N s η V t W R p I s N s η V t e ( I p h + I s I ) R p N s η V t .
It is clear that if a failure affects the PV module performance, the parameters in (1) and (2) change their values and hence the voltage V in (2) also varies [28]. If the initial values of all the parameters are known it is possible to identify the degradation condition of one PV module using (2). Nevertheless, the aforementioned is seldom the case. Not only the initial values are unknown but also a PV installation is comprised of several PV modules connected in series and parallel and the relationships between the parameter variation in one PV module will affect the others.
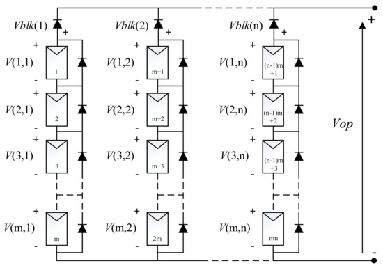
In a typical photovoltaic plant, PV modules are connected using a configuration known as series-parallel (SP). In an SP configuration, the PV modules are first connected in series forming strings which are then connected in parallel as depicted in Figure 1, forming a PV array of m × n modules. The voltages in the j-string, formed by m modules, are governed by Kirchhoff’s voltage law [20], as follows:
i = 1 m V ( i , j ) V b l k ( j ) V o p = 0 ,
where V ( i , j ) is the differential voltage of the module i in the string j as in Equation (2), V b l k ( j ) is the voltage of the blocking diode, and V o p is the operational voltage point of the array.
When all the modules are identical (3) can be simplified as follows,
m V ( j ) V b l k ( j ) V o p = 0 .
Now consider the case in which at least one module is degraded or faulty. Due to the SP configuration the sum of all the voltages in the string with the faulty PV module does not change, see Equation (3). Therefore, the PV modules that are part of the string in which a faulty module is located will change their electrical operating point. We call the aforementioned elements affected PV modules, as it can be seen in Figure 2.
If we denote m f as the number of modules with the same fault, (3) can be rewritten as,
( m m f ) · V a ( j ) + m f · V f ( j ) = V o p + V b l k ( j )
where V f ( j ) is the voltage of the faulty module (degradeted) and V a ( j ) is the voltage of the affected modules.
Notice that the sum of the voltages at the faulty and at the affected modules in a given string should be equal to the sum of the voltages of non-faulty modules in a string parallel to it. Hence, the variation in the voltages of the affected modules and the faulty modules must behave oppositely, i.e., when the voltage at the faulty decreases the voltage at the affected modules increases. Moreover, the difference between the voltages at the affected and the faulty modules can be expressed as follows,
Δ V = V a V f V a 100 , I > 0 .
Given that the current trough the string, I, is shared by the modules, (6) can be rewritten as
Δ V = I V a I V f I V a 100 = P a P f P a 100 , I > 0 .
where P a and P f are the power produced by the affected and faulty modules, and I is the current of the j-string (j). Therefore (6) represents a measure proportional to the power reduction in a PV module.

3. Materials and Methods

3.1. Parameter Variation in Failure Modes

The way in which photovoltaic modules degrade their power production is called failure mode, in other words, the process of how a PV module is going to fail is also known as a fault. The numerical simulation study considers variations in the parameters for 20 years according to the measured values of parameters reported in [17,20,23,24,25,26,27,28,29,30] for the faults mentioned in the Introduction. In this regard, Table 1 presents the range of variation of these parameters.

3.2. Test Bench for Simulation

The PV array was simulated using LtSpice [40] and was composed of 4 × 2 solar modules; each module uses the parameters of the Kyocera KC200GT PV module, as shown in Table 2. The simulated circuit is presented in Figure 2. The parameters used for the module are shown in Table 3 and were derived using the methodology proposed in [41]. Theoretical operative points are calculated and compared with the computing simulation to validate the general model of the 4 × 2 PV modules. The results are shown in Table 4 and this comparison is made with the relative error ( R . E r r o r ) calculated as shown in (8).
R . E r r o r = Theoretical value Experimental value Theoretical value × 100 .
The simulations consist of selecting a PV module in the array and simulating each fault type 500 times. The selected PV module is called a faulty one, as shown in Figure 2. Furthermore, the numerical simulation changes the parameter values randomly according to Table 1 using a flat distribution over their predefined ranges. A sweep of voltage is made by the controlled voltage source for every new parameter setup, generating new curves. Also, it is important to mention that the voltage sweep varies from 0 to 4   Voc V in steps of 0.5 V. In summary, every fault simulation has 500 parameter variations generating the following curves:
(a)
the current of the string where is located the faulty module versus the operational voltage,
(b)
the differential voltages of the modules in the faulty string versus the operational voltage,
(c)
the relative percentage difference versus the operational voltage,
(d)
the output power of the array versus the operational voltage.
To simplify the experiments and for readability issues, the results for the seven simulated fault types are shown in Figure 3, and in the Appendix A from Figure A1, Figure A2, Figure A3, Figure A4, Figure A5 and Figure A6. These charts correspond only to faults located in the position ( 2 , 2 ) in the array as indicated by the magenta rectangle in Figure 2. These curves can be extrapolated and are valid for faults in any position inside the array. All the simulations of the circuit were performed at standard test conditions, i.e., at an irradiance of 1000 W / m 2 and a cell temperature of 25 C, which are the main input references to get the electrical measurements reported in data-sheets [42]. Also, the datasheets give data to contrast with the simulation. The translation equations were implemented according to [20], but no variations for these experiments were made on the temperature or the irradiance variables.

4. Results

The results of the SRD fault are presented in Figure 3. The SRD fault was simulated by varying the resistance R4 up to ten times its original value. Figure 3a shows how the current of the faulty string changes as the degradation process caused by resistor R4 continues. This means that the differential voltages V a and V f are separating as the resistor R4 is increasing; see Figure 3b. The relative percentage difference calculated with Equation (6) is presented in Figure 3c. In this case, it is shown that there is a power loss by the faulty module concerning the non-faulty modules in the same string; the arrow shows the degradation process. The array’s output power is shown in Figure 3d, and it goes down according to the increment of the serial resistance R4; also, the degradation process is indicated with the arrow.
Table 5 shows how the resistor value affects the voltage at the maximum power-point ( V m p p ), the maximum power point ( P m a x ), and the total power loss (TPL). The TPL indicates how much power is lost in the whole PV array with respect to an expected non-faulty value of 1600 W, as indicated in Equation (8). Additionally, the table shows the value of voltage for the affected ( V a ) and faulty ( V f ) PV modules as well as the relative percentage difference ( Δ V ) between them. The last column in the table shows the module power loss (MPL) by the faulty module with respect to its maximum power as reported in the datasheet (200 W).
The graphical results for the following six fault types are presented in the Appendix A, each figure belongs to one fault type, and it contains the same four charts explained before for the SRD fault. In the Appendix A, the Figure A1 presents OD fault, and the results were obtained moving I4 values randomly. Figure A2 presents OHD fault; this simulation changes the values for R8 and I4 randomly and separately. Figure A3 presents PID 1 fault; here, the elements R8 and I4 move randomly but proportionally. Next, Figure A4 presents PID 2 fault; for this simulation, R8, I4, and the parameter η in diode D4 move freely and randomly. Further, the results for MC fault are presented in Figure A5, here I4, and the parameter I s in the diode D4 move randomly but in a proportional way. Finally, Figure A6 shows the results for LID fault when the parameter I s moves in the diode D4. It is interesting to see that all fault types present similar patterns and behaviors in all the charts.

5. Discussion

Only the PV module under examination has one type of progressive fault in the previous circuit simulations. The rest of the elements, such as PV modules, wires, bypass diodes, were assumed to work in a non-faulty condition. The aforementioned does not mean that the results are specific to the selected module location; if the faulty module is located at any other place in the array, the obtained charts would be equivalent to the graphs presented in this work.
Based on the simulation results it is confirmed that when a progressive fault affects a photovoltaic module, its differential voltage changes according to the severity of the failure mode. Figure 3b confirms that the progressive fault unbalances the voltage in the string; this means that as the progressive fault progress, the faulty module’s differential voltage decrease, and the differential voltage of the affected modules increase. Hence, the relative percentage difference ( Δ V ) increases, and the output power of the array decreases; these facts are easily checked in Figure 3c,d. For all the fault types analyzed, the same performance was observed in sub-charts in Figure A1, Figure A2, Figure A3, Figure A4, Figure A5 and Figure A6.
The degree of fault affectation in the module is calculated with the relative percentage difference (6), and this indicator is equivalent to the percentage of power loss if the modules work at the same string current. Table 5 presents the numerical results for the SRD fault. These results correspond to the evolution of the maximum power-point. In these maximum power points, it seems that the power loss indicator ( Δ V ) is highly correlated with the power loss of the module calculated at standard test conditions, MPL. Actually, for this fault condition, the estimated power Δ V and the MPL are highly correlated, the Pearson Coefficient [43] is, in this case, r = 0.9999 ; therefore, it is possible to calculate a linear regression as,
M P L = 1.0311 Δ V 0.1082 , Δ V a t P m a x .
Moreover, the obtained linear regression has a very low variability, given a determination coefficient R 2 of 99.99 % . This result is not unique for this failure mode, the correlation between Δ V and MPL appears for all the fault types analyzed. Graphically, it can be appreciated in Figure 4 and the parameters for the best fit line equation presented in Table 6.
In this PV array model of 1.6 kWp, as the progressive fault increase, the V m p p moves affecting all the modules’ power production; this means generating small losses in all the modules in the array. These small changes in power production caused by the progressive fault could be hidden because they are too small to be detected by the monitoring system. For the 1.6 kWp example, if R s double its value in whatever PV module, the total power loss of the array drops about 0.86%, which could be negligible. However, this percentage represents one faulty module losing around 6.26% of its energy (See the third row in Table 5). This hidden effect is even more drastic in large PV installations; let’s suppose that a faulty module has a constant power loss, and if the number of PV modules in the array is high enough, the total power loss tends to zero. However, the faulty module is still losing the same percentage of energy and may evolve into a more severe fault condition.
The correlation M P L Δ V can be used to detect abnormal behavior. Moreover, it is possible to develop a simple criterion for fault detection and location in SP arrays. The Equation (10) is based on (6), and it checks if the relative percentage difference between two voltages is more than a threshold value called δ . Here V m a x represents the maximum differential voltage of all the modules in the string j, and V ( i ) is the differential voltage of the analyzed module. It should be noticed that V m a x is the higher voltage in the string, and it belongs to the module with less degradation. This criterion is simple to incorporate into other fault detection proposals that use differential voltages as input signals such as [44,45].
D e t e c t ( V m a x , V ( i ) , δ ) = T r u e if V m a x V ( i ) V m a x > δ , i = { 1 , 2 , , m } . F a l s e if V m a x V ( i ) V m a x δ
To define the fault threshold, it is crucial to know the environment in which the solar array is placed. For instance, soiling may not be a problem in tropical regions benefiting from rainfall cleaning. On the contrary deserts or dry places, the PV array could be affected by dust storms or air pollution that could reduce the general performance [46,47]. In [48] it has been reported that power losses in outdoor conditions could be reduced between [ 5 , 6 ] % and for laboratory conditions, it is possible to reduce it up to 40 % . For instance, in tropical weather like Phitsanulok Tayland, it has been reported in [49] a decrease in solar radiation of [ 3.71 , 11.15 ] % when the dust deposition rate (DDR) is 425 mg/m 2 d in 60 days. On the contrary dry cities like Mexico City for also 60 days, the DDR reported is 102 g / m 2 d to reduce the performance ratio up to 15 % .
Detecting permanent faults such as PID, hotspots, or micro-cracks with online real-time methods is always a challenge. For instance, if a hotspot is considered mild, its temperature is just 10 C higher than the other parts of the cells; however, if the hot spot is considered severe, it presents a temperature higher by approximately 18 C. These facts mean that power production could be reduced between 4 % and 10 % [50]. A similar analysis can be done with micro-crack; for instance, in a PV module formed with 60 cells, if just one cell has an inactive area of 25 % , the power loss in the whole module is about 10 % [30]. Therefore, a rule to avoid false faults due to normal soiling or other temporal issues should use a δ value between 5 and 10% as a threshold.

6. Conclusions

This work has analyzed several progressive faults presented in Table 1 and has been able to conclude the following:
  • The differential voltage in the affected modules will always be higher than the differential voltage in the faulty module.
  • The relative percentage difference ( Δ V ) always increases in proportion to the severity (power loss) of the fault wherever operational points of the array.
  • The power loss per module is proportional to the Δ V if the PV system works at maximum power-point.
The criteria proposed to detect permanent and progressive faults are based on estimating the power degradation in the faulty PV module. This is done with the differential voltages of the modules. This new detection criterion is suitable for real-time online analysis in PV arrays, which is part of the additional work, to experimentally demonstrate the simplicity of this fault detection criterion, running on a real-time system with several faulty modules.

Author Contributions

Conceptualization, L.D.M.-S.; methodology, L.D.M.-S.; software, L.D.M.-S.; validation, L.D.M.-S. and C.M.; formal analysis, L.D.M.-S.; investigation, L.D.M.-S. and C.M.; resources C.M.; data curation, L.D.M.-S.; writing—original draft preparation, L.D.M.-S.; writing review and editing, C.M.; visualization, L.D.M.-S.; supervision, C.M.; project administration, C.M.; funding acquisition, C.M. All authors have read and agreed to the published version of the manuscript.

Funding

This work was supported by the scholarship program of the Costa Rica Institute of Technology and the VIE project 5402-1360-4201.

Data Availability Statement

Not applicable.

Acknowledgments

Special thanks to Giovanni Spagnuolo from the University of Salerno, Italy, for his comments on this work.

Conflicts of Interest

The authors declare no conflict of interest.

Abbreviations

The following abbreviations are used in this manuscript:
PVPhotoVoltaic
SRDSeries Resistor Degradation
ODOptical Homogeneous Degradation
OHDOptical Heterogeneous Degradation
PID 1 Potential Induced Degradation variant one
PID 2 Potential Induced Degradation variant two
MCMicro-cracks
LIDLight Induced Degradation
TPLTotal Power loss
MPLModule Power loss

Appendix A. Curves for the Simulated Failure Modes

Figure A1. Optical homogeneous degradation faults. This figure shows four charts as following: (a) the current of the affected string versus the operation voltage of the array, (b) the differential voltage for all the modules in the affected string, (c) the relative percentage difference versus the operating voltage of the array, (d) peak behavior of output power in the array.
Figure A1. Optical homogeneous degradation faults. This figure shows four charts as following: (a) the current of the affected string versus the operation voltage of the array, (b) the differential voltage for all the modules in the affected string, (c) the relative percentage difference versus the operating voltage of the array, (d) peak behavior of output power in the array.
Applsci 12 02565 g0a1
Figure A2. Optical heterogeneous degradation faults. This figure shows four charts as following: (a) the current of the affected string versus the operation voltage of the array, (b) the differential voltage for all the modules in the affected string, (c) the relative percentage difference versus the operating voltage of the array, (d) peak behavior of output power in the array.
Figure A2. Optical heterogeneous degradation faults. This figure shows four charts as following: (a) the current of the affected string versus the operation voltage of the array, (b) the differential voltage for all the modules in the affected string, (c) the relative percentage difference versus the operating voltage of the array, (d) peak behavior of output power in the array.
Applsci 12 02565 g0a2
Figure A3. Potential induced degradation faults type 1. This figure shows four charts as following: (a) the current of the affected string versus the operation voltage of the array, (b) the differential voltage for all the modules in the affected string, (c) the relative percentage difference versus the operating voltage of the array, (d) peak behavior of output power in the array.
Figure A3. Potential induced degradation faults type 1. This figure shows four charts as following: (a) the current of the affected string versus the operation voltage of the array, (b) the differential voltage for all the modules in the affected string, (c) the relative percentage difference versus the operating voltage of the array, (d) peak behavior of output power in the array.
Applsci 12 02565 g0a3
Figure A4. Potential induced degradation faults type 2. This figure shows four charts as following: (a) the current of the affected string versus the operation voltage of the array, (b) the differential voltage for all the modules in the affected string, (c) the relative percentage difference versus the operating voltage of the array, (d) peak behavior of output power in the array.
Figure A4. Potential induced degradation faults type 2. This figure shows four charts as following: (a) the current of the affected string versus the operation voltage of the array, (b) the differential voltage for all the modules in the affected string, (c) the relative percentage difference versus the operating voltage of the array, (d) peak behavior of output power in the array.
Applsci 12 02565 g0a4
Figure A5. Micro cracks faults. This figure shows four charts as following: (a) the current of the affected string versus the operation voltage of the array, (b) the differential voltage for all the modules in the affected string, (c) the relative percentage difference versus the operating voltage of the array, (d) peak behavior of output power in the array.
Figure A5. Micro cracks faults. This figure shows four charts as following: (a) the current of the affected string versus the operation voltage of the array, (b) the differential voltage for all the modules in the affected string, (c) the relative percentage difference versus the operating voltage of the array, (d) peak behavior of output power in the array.
Applsci 12 02565 g0a5
Figure A6. Light induced degradation faults. This figure shows four charts as follows: (a) the current of the affected string versus the operation voltage of the array, (b) the differential voltage for all the modules in the affected string, (c) the relative percentage difference versus the operating voltage of the array, (d) peak behavior of output power in the array.
Figure A6. Light induced degradation faults. This figure shows four charts as follows: (a) the current of the affected string versus the operation voltage of the array, (b) the differential voltage for all the modules in the affected string, (c) the relative percentage difference versus the operating voltage of the array, (d) peak behavior of output power in the array.
Applsci 12 02565 g0a6

References

  1. ISO/IEC 2382-14. Reliability, Maintainability and Availability: Part 14—Vocabulary. 1997. Available online: https://www.iso.org/obp/ui/#iso:std:iso-iec:2382:-14:ed-2:v1:en (accessed on 31 January 2022).
  2. Bastidas-Rodriguez, J.; Petrone, G.; Ramos-Paja, C.; Spagnuolo, G. Photovoltaic modules diagnostic: An overview. In Proceedings of the IECON 2013—39th Annual Conference of the IEEE Industrial Electronics Society, Vienna, Austria, 10–13 November 2013; pp. 96–101. [Google Scholar] [CrossRef]
  3. Madeti, S.R.; Singh, S. A comprehensive study on different types of faults and detection techniques for solar photovoltaic system. Sol. Energy 2017, 158, 161–185. [Google Scholar] [CrossRef]
  4. Mellit, A.; Tina, G.; Kalogirou, S. Fault detection and diagnosis methods for photovoltaic systems: A review. Renew. Sustain. Energy Rev. 2018, 91, 1–17. [Google Scholar] [CrossRef]
  5. Manganiello, P.; Balato, M.; Vitelli, M. A Survey on Mismatching and Aging of PV Modules: The Closed Loop. IEEE Trans. Ind. Electron. 2015, 62, 7276–7286. [Google Scholar] [CrossRef]
  6. Alam, M.K.; Khan, F.; Johnson, J.; Flicker, J. A Comprehensive Review of Catastrophic Faults in PV Arrays: Types, Detection, and Mitigation Techniques. IEEE J. Photovolt. 2015, 5, 982–997. [Google Scholar] [CrossRef]
  7. Jordan, D.C.; Silverman, T.J.; Sekulic, B.; Kurtz, S.R. PV degradation curves: Non-linearities and failure modes. Prog. Photovolt. Res. Appl. 2017, 25, 583–591. [Google Scholar] [CrossRef] [Green Version]
  8. Köntges, M.; Oreski, G.; Jahn, U. Assessment of PV Module Failures in the Field; Technical Report; International Energy Agency Photovoltaic Power Systems Programme: IEA PVPS Task 13. ISBN 978-3-906042-54-1. 2017. Available online: https://iea-pvps.org/key-topics/report-assessment-of-photovoltaic-module-failures-in-the-field-2017/ (accessed on 31 January 2022).
  9. Abdulmawjood, K.; Refaat, S.S.; Morsi, W.G. Detection and prediction of faults in photovoltaic arrays: A review. In Proceedings of the 2018 IEEE 12th International Conference on Compatibility, Power Electronics and Power Engineering (CPE-POWERENG 2018), Doha, Qatar, 10–12 April 2018; pp. 1–8. [Google Scholar] [CrossRef]
  10. Gallardo-Saavedra, S.; Hernández-Callejo, L.; Duque-Pérez, O. Analysis and characterization of PV module defects by thermographic inspection. Rev. Fac. Ing. Univ. Antioq. 2019, 93, 92–104. [Google Scholar] [CrossRef] [Green Version]
  11. Gallardo-Saavedra, S.; Hernández-Callejo, L.; Duque-Pérez, O. Quantitative failure rates and modes analysis in photovoltaic plants. Energy 2019, 183, 825–836. [Google Scholar] [CrossRef]
  12. Li, B.; Delpha, C.; Migan-Dubois, A.; Diallo, D. Fault diagnosis of photovoltaic panels using full I–V characteristics and machine learning techniques. Energy Convers. Manag. 2021, 248, 114785. [Google Scholar] [CrossRef]
  13. Ustun, T.S.; Nakamura, Y.; Hashimoto, J.; Otani, K. Performance analysis of PV panels based on different technologies after two years of outdoor exposure in Fukushima, Japan. Renew. Energy 2019, 136, 159–178. [Google Scholar] [CrossRef]
  14. Chandel, S.; Naik, M.N.; Sharma, V.; Chandel, R. Degradation analysis of 28 year field exposed mono-c-Si photovoltaic modules of a direct coupled solar water pumping system in western Himalayan region of India. Renew. Energy 2015, 78, 193–202. [Google Scholar] [CrossRef]
  15. Virtuani, A.; Caccivio, M.; Annigoni, E.; Friesen, G.; Chianese, D.; Ballif, C.; Sample, T. 35 years of photovoltaics: Analysis of the TISO-10-kW solar plant, lessons learnt in safety and performance—Part 1. Prog. Photovolt. Res. Appl. 2019, 27, 328–339. [Google Scholar] [CrossRef]
  16. Gokmen, N.; Karatepe, E.; Celik, B.; Silvestre, S. Simple diagnostic approach for determining of faulted PV modules in string based PV arrays. Sol. Energy 2012, 86, 3364–3377. [Google Scholar] [CrossRef]
  17. Köntges, M.; Kurtz, S.; Packard, C.; Jahn, U.; Berger, K.; Kato, K.; Friesen, T.; Liu, H.; Van Iseghem, M. Review of Failures of Photovoltaic Modules; Technical Report; International Energy Agency Photovoltaic Power Systems Programme: IEA PVPS Task 13. ISBN 978-3-906042-16-9. 2014. Available online: https://iea-pvps.org/wp-content/uploads/2020/01/IEA-PVPS_T13-01_2014_Review_of_Failures_of_Photovoltaic_Modules_Final.pdf (accessed on 31 January 2022).
  18. Škarvada, P.; Tománek, P.; Koktavý, P.; Macků, R.; Šicner, J.; Vondra, M.; Dallaeva, D.; Smith, S.; Grmela, L. A variety of microstructural defects in crystalline silicon solar cells. Appl. Surf. Sci. 2014, 312, 50–56. [Google Scholar] [CrossRef]
  19. Papež, N.; Sobola, D.; Škvarenina, L.; Škarvada, P.; Hemzal, D.; Tofel, P.; Grmela, L. Degradation analysis of GaAs solar cells at thermal stress. Appl. Surf. Sci. 2018, 461, 212–220. [Google Scholar] [CrossRef]
  20. Petrone, G.; Ramos-Paja, C.A.; Spagnuolo, G.; Xiao, W. Photovoltaic Sources Modeling; Wiley Online Library: Hoboken, NJ, USA, 2017. [Google Scholar]
  21. Bastidas-Rodriguez, J.D.; Franco, E.; Petrone, G.; Ramos-Paja, C.A.; Spagnuolo, G. Model-Based Degradation Analysis of Photovoltaic Modules Through Series Resistance Estimation. IEEE Trans. Ind. Electron. 2015, 62, 7256–7265. [Google Scholar] [CrossRef]
  22. Pei, T.; Hao, X. A Fault Detection Method for Photovoltaic Systems Based on Voltage and Current Observation and Evaluation. Energies 2019, 12, 1712. [Google Scholar] [CrossRef] [Green Version]
  23. Friesen, T. WP5 Deliverable 5.2 Lifetime Degradation Mechanisms Lifetime Degradation Mechanisms; Technical Report 308991, Performance Plus Project: European Union’s Seventh Programme No 308991. 2015. Available online: http://businessdocbox.com/Green_Solutions/106497963-Deliverable-5-2-lifetime-degradation-mechanisms-thomas-friesen-supsi-16-03-2015-version-final-checked-by-johannes-stockl-ait.html (accessed on 31 January 2022).
  24. van Dyk, E.E.; Meyer, E.L. Analysis of the effect of parasitic resistances on the performance of photovoltaic modules. Renew. Energy 2004, 29, 333–344. [Google Scholar] [CrossRef]
  25. Pern, F.; Czanderna, A.; Emery, K.; Dhere, R. Weathering degradation of EVA encapsulant and the effect of its yellowing on solar cell efficiency. In Proceedings of the Conference Record of the Twenty-Second IEEE Photovoltaic Specialists Conference—1991, Las Vegas, NV, USA, 7–11 October 1991; pp. 557–561. [Google Scholar] [CrossRef]
  26. Pingel, S.; Frank, O.; Winkler, M.; Daryan, S.; Geipel, T.; Hoehne, H.; Berghold, J. Potential Induced Degradation of solar cells and panels. In Proceedings of the 2010 35th IEEE Photovoltaic Specialists Conference, Honolulu, HI, USA, 20–25 June 2010; pp. 002817–002822. [Google Scholar] [CrossRef]
  27. Schutze, M.; Junghanel, M.; Koentopp, M.B.; Cwikla, S.; Friedrich, S.; Muller, J.W.; Wawer, P. Laboratory study of potential induced degradation of silicon photovoltaic modules. In Proceedings of the 2011 37th IEEE Photovoltaic Specialists Conference, Seattle, WA, USA, 19–24 June 2011; pp. 000821–000826. [Google Scholar] [CrossRef]
  28. Slamberger, J.; Schwark, M.; Van Aken, B.B.; Virtič, P. Comparison of potential-induced degradation (PID) of n-type and p-type silicon solar cells. Energy 2018, 161, 266–276. [Google Scholar] [CrossRef]
  29. Kontges, M.; Kunze, I.; Kajari-Schröder, S.; Breitenmoser, X.; Bjørneklett, B. Quantifying the risk of power loss in PV modules due to micro cracks. In Proceedings of the 25th European Photovoltaic Solar Energy Conference and Exhibition, Valencia, Spain, 6–10 September 2010. [Google Scholar] [CrossRef]
  30. Kontges, M.; Kunze, I.; Kajari-Schrder, S.; Breitenmoser, X.; Bjørneklett, B. The risk of power loss in crystalline silicon based photovoltaic modules due to micro-cracks. Sol. Energy Mater. Sol. Cells 2011, 95, 1131–1137. [Google Scholar] [CrossRef]
  31. Nehme, B.F.; Akiki, T.K.; Naamane, A.; M’Sirdi, N.K. Real-Time Thermoelectrical Model of PV Panels for Degradation Assessment. IEEE J. Photovolt. 2017, 7, 1362–1375. [Google Scholar] [CrossRef]
  32. Spertino, F.; Ahmad, J.; Di Leo, P.; Ciocia, A. A method for obtaining the I-V curve of photovoltaic arrays from module voltages and its applications for MPP tracking. Sol. Energy 2016, 139, 489–505. [Google Scholar] [CrossRef]
  33. Silvestre, S.; Chouder, A.; Karatepe, E. Automatic fault detection in grid connected PV systems. Sol. Energy 2013, 94, 119–127. [Google Scholar] [CrossRef]
  34. Silvestre, S.; da Silva, M.A.; Chouder, A.; Guasch, D.; Karatepe, E. New procedure for fault detection in grid connected PV systems based on the evaluation of current and voltage indicators. Energy Convers. Manag. 2014, 86, 241–249. [Google Scholar] [CrossRef]
  35. Nehme, B.; Msirdi, N.K.; Namaane, A.; Akiki, T. Analysis and Characterization of Faults in PV Panels. Energy Procedia 2017, 111, 1020–1029. [Google Scholar] [CrossRef]
  36. Murillo-Soto, L.D.; Meza, C. Fault detection in solar arrays based on an efficiency threshold. In Proceedings of the 2020 IEEE 11th Latin American Symposium on Circuits & Systems (LASCAS), San Jose, Costa Rica, 25–28 February 2020; pp. 1–4. [Google Scholar]
  37. Abd el Ghany, H.A.; ELGebaly, A.E.; Taha, I.B. A new monitoring technique for fault detection and classification in PV systems based on rate of change of voltage-current trajectory. Int. J. Electr. Power Energy Syst. 2021, 133, 107248. [Google Scholar] [CrossRef]
  38. Pei, T.; Zhang, J.; Li, L.; Hao, X. A fault locating method for PV arrays based on improved voltage sensor placement. Sol. Energy 2020, 201, 279–297. [Google Scholar] [CrossRef]
  39. Silvestre, S.; Kichou, S.; Chouder, A.; Nofuentes, G.; Karatepe, E. Analysis of current and voltage indicators in grid connected PV (photovoltaic) systems working in faulty and partial shading conditions. Energy 2015, 86, 42–50. [Google Scholar] [CrossRef]
  40. Analog Devices. LTspice Sofware XVII. Available online: https://www.analog.com/en/design-center/design-tools-and-calculators/ltspice-simulator.html (accessed on 31 January 2022).
  41. Villalva, M.G.; Gazoli, J.R.; Filho, E.R. Modeling and circuit-based simulation of photovoltaic arrays. In Proceedings of the 2009 Brazilian Power Electronics Conference, Bonito-Mato Grosso do Sul, Brazil, 27 September–1 October 2009; pp. 1244–1254. [Google Scholar] [CrossRef]
  42. International Electrotechnical Commission. IEC 61215-1: 2021 Terrestrial Photovoltaic (PV) Modules—Design Qualification and Type Approval—Part 1: Test Requirements; International Electrotechnical Commission: Geneva, Switzerland, 2021. [Google Scholar]
  43. Walpole, R.E.; Myers, R.H.; Myers, S.L.; Ye, K. Probability and Statistics for Engineers and Scientists; Macmillan: New York, NY, USA, 1993; Volume 5. [Google Scholar]
  44. Murillo-Soto, L.D.; Meza, C. Diagnose Algorithm and Fault Characterization for Photovoltaic Arrays: A Simulation Study. In ELECTRIMACS 2019; Zamboni, W., Petrone, G., Eds.; Springer International Publishing: Cham, Switzerland, 2020; pp. 567–582. [Google Scholar]
  45. Murillo-Soto, L.D.; Meza, C. Automated Fault Management System in a Photovoltaic Array: A Reconfiguration-Based Approach. Energies 2021, 14, 2397. [Google Scholar] [CrossRef]
  46. Mejia, F.; Kleissl, J.; Bosch, J. The Effect of Dust on Solar Photovoltaic Systems. Energy Procedia 2014, 49, 2370–2376. [Google Scholar] [CrossRef] [Green Version]
  47. Guo, B.; Javed, W.; Figgis, B.W.; Mirza, T. Effect of dust and weather conditions on photovoltaic performance in Doha, Qatar. In Proceedings of the 2015 First Workshop on Smart Grid and Renewable Energy (SGRE), Doha, Qatar, 22–23 March 2015; pp. 1–6. [Google Scholar] [CrossRef]
  48. Rao, A.; Pillai, R.; Mani, M.; Ramamurthy, P. Influence of Dust Deposition on Photovoltaic Panel Performance. Energy Procedia 2014, 54, 690–700. [Google Scholar] [CrossRef] [Green Version]
  49. Ketjoy, N.; Konyu, M. Study of Dust Effect on Photovoltaic Module for Photovoltaic Power Plant. Energy Procedia 2014, 52, 431–437. [Google Scholar] [CrossRef] [Green Version]
  50. Acciani, G.; Falcone, O.; Vergura, S. Typical Defects of PV-cells. In Proceedings of the 2010 IEEE International Symposium on Industrial Electronics, Bari, Italy, 4–7 July 2010; pp. 2745–2749. [Google Scholar]
Figure 1. Nomeclature for the SP PV array.
Figure 1. Nomeclature for the SP PV array.
Applsci 12 02565 g001
Figure 2. Circuit simulated in LtSpice software with seven types of faults.
Figure 2. Circuit simulated in LtSpice software with seven types of faults.
Applsci 12 02565 g002
Figure 3. Series resistance degradation faults. This figure shows four charts as follows: (a) the current of the affected string versus the operating voltage of the array, (b) the differential voltage for all the modules in the affected string, (c) the relative percentage difference versus the operating voltage of the array, (d) peak behavior of output power in the array versus the operating voltage of the array.
Figure 3. Series resistance degradation faults. This figure shows four charts as follows: (a) the current of the affected string versus the operating voltage of the array, (b) the differential voltage for all the modules in the affected string, (c) the relative percentage difference versus the operating voltage of the array, (d) peak behavior of output power in the array versus the operating voltage of the array.
Applsci 12 02565 g003
Figure 4. Power loss of the modules versus Δ V at mpp for the studied faults.
Figure 4. Power loss of the modules versus Δ V at mpp for the studied faults.
Applsci 12 02565 g004
Table 1. Parameter variations for different fault families.
Table 1. Parameter variations for different fault families.
Fault Type: R s ( % ) R p ( % ) I s ( % ) I ph ( % ) η ( % )
SRD [ 100 , 1000 ]
OD [ 60 , 100 ]
OHD [ 0.1 , 100 ] [ 60 , 100 ]
PID 1 [ 1 , 100 ] [ 80 , 100 ]
PID 2 [ 0.1 , 100 ] [ 100 , 300 ] [ 100 , 112 ]
MC [ 1 , 100 ] [ 1 , 100 ]
LID [ 100 , 5000 ]
Table 2. Electrical Performance at Standard Test Conditions (STC).
Table 2. Electrical Performance at Standard Test Conditions (STC).
Specification for KC200GTValue
Maximum Power P m a x 200.0  W
Maximum Power Voltage ( V m p p ) 26.3  V
Maximum Power Current ( I m p p ) 7.61  A
Open Circuit Voltage ( V o c ) 32.9  V
Short Circuit Current ( I s c ) 8.21  A
Temperature Coefficient of Voc ( K V ) 1.23 × 10 1  V/ C
Temperature Coefficient of Isc ( K I ) 3.18 × 10 3  A/ C
Number of series cell ( N s ) 54
Table 3. Values of the five-parameter model of the KC200GT [41].
Table 3. Values of the five-parameter model of the KC200GT [41].
ParameterValue
Saturation current ( I s ) 9.825 × 10 8  A
Photo current ( I p h ) 8.214  A
Series resistance ( R s ) 0.221 Ω
Parallel resistance ( R p ) 415.405 Ω
Ideally factor ( η ) 1.3
Table 4. Electrical performance of the 4 × 2 array.
Table 4. Electrical performance of the 4 × 2 array.
SpecificationTheoretical ValuesSimulation ValuesR. Error
P m a x 1600 W 1599.4  W0.04%
V m p p 105.20  V 105.40  V−1.19%
I m p p 15.22  A 15.18  A0.26%
V o c 131.6  V132 V−1.30%
I s c 16.42  A 16.42  A0.00%
Table 5. Numeric results for the increment of R4 in the 4 × 2 array.
Table 5. Numeric results for the increment of R4 in the 4 × 2 array.
R 4 Vmpp (V) Pmax (W)TPL (%) V a (V) V f (V) Δ V (%)MPL (%)
1.0 R s 105.51599.40.0426.5926.5900
1.5 R s 105.01592.90.4426.6725.843.133.14
2.0 R s 104.51586.10.8626.7525.096.216.26
2.5 R s 104.01579.11.3026.8324.359.279.35
3.0 R s 104.01571.91.7527.0323.7512.1512.40
3.5 R s 103.51564.52.2127.1123.0215.0915.40
4.0 R s 103.01556.92.6927.1922.2917.9918.39
4.5 R s 102.51549.13.4227.4421.0223.4224.17
Table 6. Parameters of the best fit line equation for all fault types.
Table 6. Parameters of the best fit line equation for all fault types.
Fault TypeSlope mIntersection br R 2 ( % )
SRD1.0311−1.10820.999999.99
OD1.3257−1.55090.994698.94
OHD1.3539−1.97370.994298.85
PID 1 1.2502−1.70630.998799.75
PID 2 1.1499−1.23650.999799.94
MC1.3309−1.90120.995999.18
LID1.0191−1.04610.999999.99
Publisher’s Note: MDPI stays neutral with regard to jurisdictional claims in published maps and institutional affiliations.

Share and Cite

MDPI and ACS Style

Murillo-Soto, L.D.; Meza, C. Detection Criterion for Progressive Faults in Photovoltaic Modules Based on Differential Voltage Measurements. Appl. Sci. 2022, 12, 2565. https://doi.org/10.3390/app12052565

AMA Style

Murillo-Soto LD, Meza C. Detection Criterion for Progressive Faults in Photovoltaic Modules Based on Differential Voltage Measurements. Applied Sciences. 2022; 12(5):2565. https://doi.org/10.3390/app12052565

Chicago/Turabian Style

Murillo-Soto, Luis Diego, and Carlos Meza. 2022. "Detection Criterion for Progressive Faults in Photovoltaic Modules Based on Differential Voltage Measurements" Applied Sciences 12, no. 5: 2565. https://doi.org/10.3390/app12052565

APA Style

Murillo-Soto, L. D., & Meza, C. (2022). Detection Criterion for Progressive Faults in Photovoltaic Modules Based on Differential Voltage Measurements. Applied Sciences, 12(5), 2565. https://doi.org/10.3390/app12052565

Note that from the first issue of 2016, this journal uses article numbers instead of page numbers. See further details here.

Article Metrics

Back to TopTop