Abstract
At present, there are few research results on the seismic response of the track system on railway suspension bridges, and relevant research has not yet formed a certain standard. In order to provide a certain reference for the development of industry standards and the design of seamless lines on railway suspension bridges, based on the large-mass method based on multi-point excitation, taking China’s longest high-speed railway suspension bridge-Wufengshan Yangtze River Bridge as the engineering background, a beam–rail integrated dynamic calculation space model was established with ANSYS, and the influence of traveling wave effect on the beam-rail interaction of large span suspension bridges was studied. The study shows that: the traveling wave effect will increase the relative displacement of the beam and rail, and then increase the stress of the rail; the traveling wave effect will cause the stress of the rail far from the source measurement to lag behind the stress of the rail near the source side, and the lag phenomenon gradually disappears with the increase of the apparent wave speed; the traveling wave effect has a greater effect on the displacement of the main bridge end than that of the approach bridge end; the longitudinal displacement of the main bridge end on the north and south side keeps changing synchronously under high apparent wave speed and consistent excitation, and no longer keeps changing synchronously under low apparent wave speed. The longitudinal displacement of the north-south side of the main bridge end keeps changing synchronously at high apparent wave speed and consistent excitation, but no longer at low apparent wave speed.
1. Introduction
As the span of railroad bridge increases, the bridge structure gradually becomes more flexible, and a small disturbance of the girder body will also produce larger displacement and turning angle of the girder end, which will have a greater adverse effect on the rail and ballast layer laid on it [1,2]. At present, the force performance of the rail system on simply supported girder bridge, large-span arch bridge and cable-stayed bridge has been studied more, however, there are fewer research results on seamless lines on kilometer-class suspension bridges. Some scholars have studied the force performance and deformation conditions of seamless lines on bridges under earthquake effects.
Huang [3] took multi-span standard simply supported girder bridges as the research object to study the influence of track constraints on the aseismic performance of bridges, and the results show that track constraints should be considered in the seismic design of railway bridges. Yan [4] studied the seismic response law of the simply supported beam bridge–track system under the traveling wave effect, and found that when the apparent wave velocity is small, the influence of the traveling wave effect should be considered even for the simply supported beam bridge, and the traveling wave effect will greatly increase the beam body and the seismic response of the substructure; the response of the track is incredibly sensitive to traveling wave effects. Yan [5] studied the longitudinal seismic response of seamless lines on long-span continuous rigid-frame bridges under consistent excitation from the perspective of track stress and deformation, and suggested that the seismic force of the rail be added to the seamless lines on bridges in earthquake-stricken areas. Yu [6] explored the effect of ground vibration on its track system by taking a 156 m large-span simply supported steel truss bridge as an example, and the traveling wave effect of ground vibration was considered. Yang [7] used a large-span tied-arch continuous girder bridge with a main span of 112 m as a background for a detailed analysis of the response of its track system under seismic action. Qin [8] used the Wufengshan Yangtze River Bridge as the engineering background and established its beam–track integrated spatial analysis model with ANSYS to analyze the seismic response of the beam–track system, but the model did not consider the expansion device of the bridge and ignored the traveling wave effect of ground vibration. Nassiraei and Rezadoost [9] discusses the properties of related materials. Lei [10] used a public-rail suspension bridge with a main span of 1120 m as a background to investigate the safety of trains traveling on suspension bridge bridges under earthquake effects, and the results showed that not considering the traveling wave effect would seriously underestimate the safety index of trains traveling.
At present, the research on the force performance and deformation of seamless lines on bridges under earthquake has not yet formed a certain standard, and there are few research results on the seismic response of rail system on railroad suspension bridges, so it is necessary to investigate the seismic response of the rail system of suspension bridges. Although Qin [8] established a spatial analysis model of the integrated beam and rail system of the Wufengshan Yangtze River Bridge with ANSYS and carried out a detailed analysis of the seismic response of the beam and rail system, the model did not consider the beam end expansion device and only considered the consistent excitation of ground vibration, ignoring the traveling wave effect. Therefore, this paper takes the Wufengshan Yangtze River Bridge, the longest high-speed railway suspension bridge in China, as the engineering background, and establishes the integrated spatial finite element dynamic analysis model of the rail-bridge through ANSYS. Based on the large mass method of multi-point excitation [11,12], the influence of traveling wave effect on the beam–rail interaction of a large-span suspension bridge is analyzed to provide some reference for the development of industry specification and the design of seamless lines on railroad suspension bridge.
2. Solving the Equations of Inconsistent Excitation by Large Mass Method
With the continuous development of theory and the maturity of computer technology, there are more earthquake response analysis methods mainly including the following: static analysis method, response spectrum method, random vibration method, and dynamic time history analysis method. The static analysis method uses the ground motion as an inertial force to statically load the structure, takes less consideration of the factors affecting the ground motion, and ignores the dynamic characteristics of the structure itself, so its application is limited. The response spectrum method and the random vibration method can only obtain the peak response of the structure under seismic excitation, and both have limitations in solving nonlinear problems. The time-history analysis method divides the entire stress process of the structure into many sub-steps for calculation, so the seismic response of the structure under each sub-step can be obtained. The time-history analysis method can overcome the limitations of the response spectrum method in dealing with long-period structures and correct the errors caused by ignoring some high-order mode shapes. In addition, the time-history analysis method calculates the dynamic response of the structure through the determined earthquake records that have occurred, and has a huge advantage in calculation accuracy.
Set a large-mass point M at the foundation support (generally twice the mass of the structure), release the constraints on the movement direction of the large-mass, and apply an external load to make the large-mass point consistent with the earthquake motion [13]:
where is the coercive force; M is the mass of large mass points; and is the acceleration of large mass point.
The dynamic balance equation of the structure can be written as:
where is the mass matrix; C is the damping matrix; K is the stiffness matrix; a indicates non-supporting place; b indicates the support place; is the acceleration; is the speed; and u is the displacement.
Let:
where s is the quasi-static item, d is the dynamic response item, is the displacement of the degree of freedom at the non-structural support, and is the displacement of the degree of freedom at the support. Expand the second item in (2) to obtain:
Considering that the system is a concentrated mass, , then the damping force can be regarded as an infinitesimal amount of forcing force, and (4) can be simplified as:
Expand the first term of (2):
Let all the dynamic items in (2) be zero, and the balance of the static force items in the equation still holds, so we can obtain:
where, and when considering that the system is a concentrated mass, write (6) as:
Equations (1) to (8) are the process of solving structural non-consistent excitation by the large mass method.
3. Finite Element Model
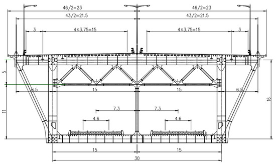
Wufengshan Yangtze River Bridge is a steel truss girder suspension bridge. The upper layer is a two-way eight-lane expressway with a design speed of 100 km/h, and the lower layer is a four-line passenger railway line with a design speed of 200 km/h and 250 km/h. The span of the main bridge is 84 + 84 + 1092 + 84 + 84 m. The bridge adopts a longitudinal semi-floating system with a symmetrical structure in the longitudinal direction. The overall facade layout is shown in Figure 1. The stiffened beam adopts steel truss girder, the total length of the stiffened beam is 1428 m, and the cross section of the stiffened beam is shown in Figure 2. The rise-span ratio of the main cable is 1/10, the whole bridge uses two main cables, and the transverse center distance between the two main cables is 43 m. The two main towers are of equal height. Four longitudinal viscous dampers are arranged at the junction of the two main towers and girders, and there are eight longitudinal viscous dampers in the whole bridge.
Figure 1.
Elevation layout.
Figure 2.
Cross section of stiffener beam.
A beam end telescopic structure is arranged at the end of the main bridge, and the beam end telescopic structure is composed of a track beam end telescopic device and a rail telescopic regulator. The telescopic design of the beam end is 940~−820 mm, and the telescopic device adopts a box structure suitable for the maximum telescopic displacement, and the telescopic device is arranged under the rail. The rail telescopic adjuster adopts the structural form of a one-way adjuster, which are arranged at the beam ends on both sides, respectively, and the designed expansion and contraction amount is .
The bridge is laid with ballast tracks, and adopts reinforced concrete type III sleepers with retaining shoulders, and the rail type is CHN60 rail [14].
3.1. Beam–Rail System Model
In this paper, the ANSYS is used to establish the dynamic calculation space model of the suspension bridge rail integration. The main cables and slings are flexible structures, and the main cables and slings are simulated by the LINK10 unit which is only in tension. The stiffened beam adopts the space bar system model, and the stressed members on the stiffened beam, such as the upper chord, the lower chord, the vertical bar, the oblique bar, the auxiliary truss bracing, the transverse connection system, the longitudinal beams and beams of the railway deck system, and the highway The longitudinal girders and beams of the bridge deck system are simulated by BEAM4 beam elements. The main tower, transition piers, auxiliary piers and approach bridge piers are simulated by BEAM4 beam elements. The concrete beam body of the bridge approach is simulated by BEAM4 beam element with rigid arm. The expansion joint between the main girder of the main bridge and the box girder of the approach bridge is not considered, so there is a 2 m-wide gap between them. The steel rail is equivalent to an elastic continuous long beam supported on the longitudinal beam of the railway bridge deck system, which is also simulated by the BEAM4 beam element. A 210 m-long subgrade and steel rails are built on both sides of the bridge to reduce the influence of boundary conditions. The longitudinal viscous damper is simulated by the COMBIN37 unit, and the two dampers are equivalent to one. A single-layer resistance model is used to simulate the line resistance, in which the longitudinal resistance is simulated by the nonlinear spring unit COMBIN39, while the lateral resistance, vertical resistance and the rotational resistance of the three coordinate axes are simulated by the linear spring unit COMBIN14. In order to simulate the restraining effect of the expansion device on the expansion and contraction of the beam and the supporting effect on the track in the gap area of the beam, the displacement box, support beam, fixed steel sleeper, movable steel sleeper, side guide rail and other components of the beam end expansion device are simulated by the BEAM4 beam unit, the design expansion amount is 940~−820 mm, the expansion device is arranged at the beam joint of the main approach bridge junction, and the displacement box is rigidly connected with the steel truss girder and the box girder of the main approach bridge respectively, that is, the degrees of freedom of the displacement box nodes are coupled with the degrees of freedom of the beam end nodes. The rail telescopic adjuster is composed of the end of the basic rail and the end of the tip rail. The basic rail extends from the approach bridge across the girder gap to the steel truss girder of the main bridge. They are also simulated by the BEAM4 beam unit, and the allowed expansion and contraction is . Figure 3 is the analysis model of the beam–rail system, and Figure 4 is the finite element model of the whole bridge.
Figure 3.
Analytical model of beam–rail system.
Figure 4.
Full bridge finite element model.
3.2. Resistance Parameters
In order to ensure the calculation accuracy and take into account the amount of calculation, the finite element model of this bridge uses a single-layer resistance model to simulate the resistance between beams and rails, and the longitudinal resistance of the line between rails and longitudinal girders adopts the rationality of type III sleepers recommended by the current code [15]. The elastic–plastic resistance model is shown in Figure 5. This paper only involves calculation and analysis under no-load conditions.
Figure 5.
Type III sleeper resistance curve.
In addition to the longitudinal resistance of the ballast bed (), it is also necessary to consider the vertical resistance (), lateral resistance and rotational resistance around the three coordinate axes of the ballast bed. The resistances are all assumed to be linear elastic, and the values are taken according to the specification [15]. The resistance values are shown in Table 1. The lateral resistance needs to be processed accordingly before it can be substituted into the calculation. After conversion, the lateral resistance stiffness per meter = 5750 .
Table 1.
The values of the resistance parameters of the ballast bed.
3.3. Model Validation
Firstly, the finite element model of Wufengshan Yangtze River Bridge was verified by comparing the self-weight calculation results with the design values. The results show that: the displacement of the main cable and the stiffening beam is very close to the design value, the difference being less than 0.05 mm; and the difference between the calculated internal force of the main cable and suspender is less than 2% from the design value. Secondly, the initial stress of the rail in the bridge state is analyzed, as shown in Figure 6, it is close to zero.
Figure 6.
Rail initial stress.
This paper and the literature [16] study the same suspension bridge; the literature [16] used Midas Civil software to establish the beam–track integration model for static analysis, while this paper uses ANSYS for dynamic analysis under earthquake action. To further verify the correctness of the modeling method in this paper, the internal forces of the main cable sling of the two models in the bridge-forming state were compared, and the results are shown in Table 2. The results show that the difference between the maximum and minimum values of the main cable and sling forces is small, which proves the correctness of the modeling method in this paper. Therefore, the results of beam–rail interaction analysis using this model are accurate.
Table 2.
Comparison of main cable Internal force and sling Internal force results.
4. Natural Vibration Characteristics Analysis and Seismic Wave Simulation
4.1. Analysis of Natural Vibration Characteristics
Suspension bridges are highly geometrically nonlinear structures. When performing modal analysis in ANSYS, the effects of large deformation and stress stiffening effects (prestress effects) need to be considered. ANSYS provides many modal analysis methods: power dynamics, reduced, Block Lanczos, subspace, etc. Considering the calculation accuracy and calculation speed comprehensively, this paper adopts the Block Lanczos method for the modal analysis of the suspension bridge. The natural vibration frequency and natural vibration period of the bridge structure of the first 20 orders and the corresponding mode shape description are given, as shown in Table 3.
Table 3.
Natural frequency of the structure.
According to the above modal analysis results, it can be known that:
- (1)
- The first-order natural frequency of this bridge is 0.073 Hz, and the first-order natural vibration period is 13.629 s, which are basically consistent with the design documents and analysis reports of this bridge, and the natural vibration period is much larger than that of general bridge structures, which meets the design expectations.
- (2)
- The first 20 vibration modes include the individual vibration and coupled vibration of the main truss, the main cable and the bridge tower. The main truss vibration includes vertical bending, side bending, transverse bending, torsion and longitudinal drift, and the main cable vibration is mainly reflected in the side bending and swaying of the main cable, and the vibrations of the main tower are mainly manifested as side movements. The first five vibration modes are dominated by the vibration of the main truss. From the 6th mode, the coupled vibration of the main cable and the main truss appears for the first time, and from the 16th mode, the coupled vibration of the main truss, the main cable and the bridge tower begins to appear for the first time.
- (3)
- The main truss mode characteristics of the first 4th order are bending in all directions, torsion appears for the first time at the 5th order, and longitudinal drift appears for the first time at the 15th order. This is because the influence of track constraints on the dynamic response of the bridge makes the longitudinal drift appeared later. The bending vibration of the main truss in the last 10 vibration modes is mainly side bending, with little vertical bending, indicating that the transverse stiffness of the main truss is small, which is in line with the mechanical characteristics of long-span suspension bridges.
- (4)
- The rigidity of the main tower is large, and vibration is not easy to occur, and the rigidity of the main cable is small, and vibration is easy to affect the bridge tower. The vibration of the main cable appeared for the first time from the 6th order, and the lateral movement of the bridge tower began to appear for the first time from the 16th order, indicating that the bridge tower has a relatively high stiffness and good stability, which meets the design expectations.
4.2. Selection and Correction of Target Response Spectrum
There are two most commonly used synthetic methods of artificial seismic waves: one is artificial waves that simulate the canonical response spectrum, and the other is artificial waves that simulate the source, epicentral distance and site parameters. In order to reflect the statistical characteristics of the structural response, this paper uses the Chinese Code Response Spectrum as the target to fit the seismic acceleration time history. Since there is no clearly defined seismic acceleration response spectrum for long-span road–rail dual-purpose suspension bridges, this paper analyzes and selects the target response spectrum from the two seismic codes of railway bridges and highway bridges. For railway bridge structures, the “Code for Seismic Design of Railway Engineering” (GB 50111—2006) [17] gives the corresponding dynamic amplification factor curve for structures with a natural vibration period less than 2 s and a damping ratio , as shown in Figure 7, where reaction spectrum acceleration . For structures with a natural vibration period greater than , the dynamic amplification factor is taken as a constant of 0.45. For long-period structures, this suggestion is obviously unrealistic and will make the seismic design too conservative. The reaction spectrum is mostly applicable to small span reinforced concrete simply supported beams.
Figure 7.
Curve of power amplification factor β.
In order to take into account the influence of the long-period part, this paper uses the method of literature [18] to modify the railway code response spectrum according to the revision scheme of highway engineering seismic design code proposed by Wang and Fan [19]. The second section of the curve descends Decline at the rate of to slow down the rate of decline to reduce design risk. In general, the damping ratio of the suspension bridge should not be greater than 0.02 [20]. The structural damping ratio of the bridge is taken as 0.02. The design earthquake grouping takes the second group as an example. 5. The characteristic period of the basic ground motion acceleration response spectrum of Class II sites is 0.15 g, the characteristic period of the basic ground motion acceleration response spectrum of Class II site is 0.40 s, and the corrected response spectrum of Class II railway site is obtained, as shown in Figure 8.
Figure 8.
Corrected response spectrum for railway Class II Sites.
4.3. Time History of Artificial Earthquake Acceleration
In this paper, the nonlinear dynamic time-history analysis method is used to calculate the seismic response of the structure. The artificial seismic acceleration time history is simulated by the trigonometric series method, and considering that the bridge is a long-period structure (the natural period is 13.629 s), the ground motion continues the time needs to be long enough to ensure the maximum response of the structure can be aroused, and the duration of the seismic wave is taken as 40 s. In order to consider the more adverse effects of seismic waves, the peak value of seismic acceleration is taken as 0.24 g, that is, , and the seismic acceleration time history of this model is obtained by performing amplitude modulation on the seismic acceleration time history simulated by the revised response spectrum of the second-class railway site, as shown in Figure 9. It is assumed that the seismic wave propagates from Yangzhou side to Zhenjiang side along the longitudinal bridge direction, that is, from the north side of the bridge body to the south side. The seismic wave speed is 200 m/s, 500 m/s, 1000 m/s, 2000 m/s, 4000 m/s, 8000 m/s, and the longitudinal restraint at the base of the road, the bottom of each pier, and the anchor of the main cable is released at the same time when the large mass method is calculated.
Figure 9.
Earthquake acceleration time history.
5. Response of Beam–Rail System under Traveling Wave Effect
5.1. Track Seismic Response
Figure 10 is the longitudinal force envelope diagram of the rail under the apparent wave velocity of 200 m/s~8000 m/s and consistent excitation (the apparent wave velocity is). Table 4 gives the stresses of the rails at different positions. The junction points of the north subgrade approach bridge, the north main approach bridge junction, the south main approach bridge junction, and the south subgrade approach bridge junction are named as points A, B, C, and D, respectively. In the subsequent calculation and analysis, if there is no special instruction, they still use this naming method.
Figure 10.
Rail stress at different apparent wave velocities.
Table 4.
Rail stress at different apparent wave velocities.
It can be seen from the analysis that no matter whether the traveling wave effect is considered or not, the absolute maximum rail stress of the whole bridge appears at points A and D, this is because at points B and C, the longitudinal movement of the steel truss is not restricted, but the longitudinal movement of the rails in the side span of the main bridge is restricted by the boundary conditions of the approach bridge and the roadbed, resulting in a great accumulation of the seismic stress of the rails at points A and D and reaching the maximum value; the rails at points B and C, due to the existence of the rail expansion regulator, keep their stress at a small value all the time; due to the existence of the beam end expansion device and the fact that the main bridge is a semi-floating system, the longitudinal displacement of the main bridge is not restricted. Due to the existence of the beam end expansion device, and the main bridge for the semi-floating system, the main bridge in the longitudinal displacement is not limited, the rails on the main bridge can be moved together with the main beam, the beam-rail relative displacement is always kept small, so the stress on the rails of the main bridge are small.
The absolute value of the rail stress at point A decreases with the increase in the apparent wave velocity, and the maximum value of the tensile stress and the minimum value of the compressive stress of the rail gradually approach 115.6 MPa and −127.9 MPa under consistent excitation. s is basically the same, and compared with the consistent excitation, the absolute value of the maximum tensile and compressive stress increases by about 78.6% and 54.1% when the apparent wave velocity is 200 m/s; the absolute maximum value of rail stress at point D decreases with the increase of apparent wave speed at low apparent wave speed, and oscillates around the value under consistent excitation at high apparent wave speed, and the absolute maximum value of tensile stress at apparent wave speed of 200 m/s increases about 57.8% and 64.6% respectively compared with consistent excitation; the absolute maximum value of rail stress at the middle of the main bridge span basically decreases with the increase of apparent wave speed, and the maximum and minimum value of tensile stress at apparent wave speed of 500 m/s changes to 51.8 MPa and −50.6 MPa respectively compared with consistent excitation. Compared with the consistent excitation, the maximum and minimum values of tensile and compressive stresses at the apparent wave speed of 500 m/s change to 51.8 MPa and −50.6 MPa respectively, which are much larger than the rail stresses under the consistent excitation.
Generally speaking, the influence of traveling wave effect on orbit cannot be ignored. The absolute maximum value of rail stress appears at point A (near the source side). Especially for the rails on the main bridge, the impact of the traveling wave effect is more obvious, and it is obviously inappropriate to only consider the consistent excitation.
Figure 11 and Figure 12 show the time history of rail stress and the relative displacement of beam and rail, respectively, at point A under different apparent wave velocities. Table 5 gives the Pearson product moment correlation coefficients (PPMCC) for seven groups of rail stress time course curves and beam-rail relative displacement curves at different apparent wave speeds. Analysis shows that: the time course curves of rail stress and the time course curves of beam-rail relative displacement have high similarity, and the peaks and valleys correspond to each other, that is, rail additional force is essentially caused by the relative displacement of the beam-rail, in line with the mechanism of rail additional force generation. The time course curves of the rail stress and the relative displacement of the beam-rail at high apparent wave velocity are very similar to the curves under consistent excitation; the relative displacement of the beam-rail at the smaller apparent wave speed is much larger than the relative displacement of the beam-rail under consistent excitation, so the absolute maximum value of the tensile stress of the rail at the smaller apparent wave speed is much larger than the absolute maximum value of the tensile stress under consistent excitation.
Figure 11.
Time-history curve of rail stress at point A under different apparent wave velocities.
Figure 12.
Time-history curve of beam–rail relative displacement at point A under different apparent wave velocities.
Table 5.
Numerical value of PPMCC.
Figure 13, Figure 14, Figure 15, Figure 16 and Figure 17 show the stress–time-history curves of the rail at points A and D under different apparent wave velocities and consistent excitation. The analysis shows that when the apparent wave velocity is small, the stress–time-history of point D (measured far away from the seismic source) lags behind that of point A (near the source side); as the apparent wave velocity increases, this hysteresis phenomenon gradually disappears, and with the disappearance of this hysteresis phenomenon, the stresses at points A and D eventually change synchronously with opposite values; that is, when the rail at point A is pulled, the rail at point D is under compression, and as shown in Table 6, the maximum tensile stress time at point A is gradually approaching the maximum compressive stress time at point D, and the stress values are the same, which is consistent with the stress characteristics of suspension bridges under consistent excitation.
Figure 13.
The stress–time-history curve of the rail at point A and point D when the apparent wave velocity is 200 m/s.
Figure 14.
The stress–time-history curve of the rail at point A and point D when the apparent wave velocity is 500 m/s.
Figure 15.
The stress–time-history curve of the rail at point A and point D when the apparent wave velocity is 4000 m/s.
Figure 16.
The stress–time-history curve of the rail at point A and point D when the apparent wave velocity is 8000 m/s.
Figure 17.
Stress–time-history curves of rails at points A and D under consistent excitation.
Table 6.
The moment when the maximum stress occurs at points A and D.
Figure 18 shows the comparison of the rail stress time course curve at point D with the original curve when the apparent wave speed is 200 m/s shifted forward by 9.42 s. It can be seen that the curve is almost identical and there is a hysteresis.
Figure 18.
Comparison of curves before and after adjustment.
5.2. Earthquake Response of Bridges
Figure 19 shows the maximum and minimum displacements of the beam end at various positions under different apparent wave velocities and consistent excitation. Since the main bridge of this bridge is a semi-floating system, the longitudinal displacement of the main bridge end is not limited, so the traveling wave effect has little influence on the longitudinal displacement of the approach bridge end. Longitudinal displacement has a greater influence.
Figure 19.
Longitudinal displacement of beam end at different apparent wave velocities.
The maximum and minimum values of the longitudinal displacement at the end of the main approach bridge are shown in Table 7. The analysis shows that the maximum absolute value of the longitudinal displacement of the approach bridge end on the north side and the main bridge end on the north side decreases with the increase in the apparent wave velocity and gradually approaches the value under the consistent excitation; compared with the consistent excitation, the absolute maximum values of longitudinal displacement at the north approach bridge end increase about 73 mm and 56 mm respectively at the apparent wave speed of 200 m/s, and the absolute maximum values of longitudinal displacement at the north main bridge end increase about 295 mm and 382 mm respectively; the absolute maximum values of longitudinal displacement at the south main bridge end and the south approach bridge end decrease with the increase of apparent wave speed when the apparent wave speed is small, and oscillate around the values under the consistent excitation when the apparent wave speed is large. Compared with the consistent excitation, the absolute values of the longitudinal displacement at the south side of the main bridge end and the south side of the approach bridge end increase by about 479 mm and 349 mm respectively when the apparent wave speed is 200 m/s, and the absolute values of the longitudinal displacement at the south side of the approach bridge end increase by about 57 mm and 62 mm respectively.
Table 7.
Longitudinal displacement of beam end at different apparent wave velocities.
Figure 20 shows the displacement time-history curves of the main bridge end under the apparent wave velocity of 200 m/s, 8000 m/s and consistent excitation. The analysis shows that the displacement time history of the north and south main bridge ends is very close under the large apparent wave velocity and consistent excitation; that is, the displacement of the main bridge ends on the north and south sides approximately keeps changing synchronously, but the displacement value is different due to the longitudinal deformation of the main girder itself, but the limited deformation of the main girder of the approach bridge will not affect the approach bridge due to the existence of the telescopic device at the beam end. Therefore, in Table 6, the maximum and minimum displacements of the main bridge end on different sides of the same excitation are somewhat different, while the maximum and minimum displacements of the approach bridge end on different sides of the approach bridge are almost the same, which conforms to the force characteristics of the suspension bridge; at low apparent wave velocities, the displacements of the north and south main bridge ends no longer keep changing synchronously and are much larger than the displacements of the main bridge ends under consistent excitation.
Figure 20.
Time course of main bridge end displacement at different visual wave speeds.
Table 8 shows the time for each point to reach the maximum positive longitudinal displacement under different apparent wave velocities and consistent excitation. It can be seen that at low apparent wave velocities, the timing of reaching the maximum positive longitudinal displacement at the north and south main approach bridge ends is different. The big moment is gradually approaching, which once again verified the conclusions obtained from the previous analysis. Additionally, comparing Table 6, it can be seen that the time when point A reaches the maximum positive longitudinal displacement is basically the same as the time when the rail stress at point A reaches the maximum tensile stress, and the time when point D reaches the maximum positive longitudinal displacement is basically the same as the time when the rail stress at point D reaches the minimum compressive stress.
Table 8.
Time for each position to reach the maximum positive longitudinal displacement at different apparent wave velocities.
Table 9 gives the Pearson product moment correlation coefficients of the displacement time course curve of point A beam end and the stress time course curve of point A rail at different apparent wave speeds, and gives the comparison graph of the stress time course curve of point A and the displacement time course curve of the north approaching bridge end (under rail beam at point A) when the apparent wave speed is 200 m/s, as shown in Figure 21. The analysis shows that the displacement time course curve at point A and the stress time course curve at point A are very similar, and the peaks and valleys correspond to each other, so it can be considered that the stress at point A is closely related to the longitudinal displacement of the under-rail beam, that is, the change of stress at point A can be judged by the change of displacement at point A.
Table 9.
Numerical value of PPMCC of displacement and stress at point A.
Figure 21.
Comparison of stress–time-history curve at point A and displacement time history curve at point A.
Generally speaking, the influence of traveling wave effect on the displacement of the beam end cannot be ignored, and the influence of traveling wave effect on the displacement of the main bridge end is much greater than that of the approach bridge end. When the apparent wave velocity is 200 m/s, the absolute maximum displacement of the main bridge end reaches 564 mm, which is 479 mm larger than the absolute maximum displacement of the main bridge end under consistent excitation, but still less than the allowable expansion and contraction of the beam end expansion device, which is 940~−820 mm. Under high apparent wave velocity and consistent excitation, the displacements of the north and south main bridge ends will approximately keep changing synchronously, but under a low apparent wave velocity, the displacements of the north and south main bridge ends will no longer keep changing synchronously. The change in rail stress at point A can be judged by the change in displacement at point A.
Figure 22 and Figure 23 show the absolute maximum values of shear force and bending moment at the bottom of pier and main tower under different apparent wave velocities and consistent excitation. Among them, N2 and S2 are the approach piers with fixed bearings, and 3# and 4# are the main towers. Analysis can be seen: the traveling wave effect only on the N2, S2 pier bottom and the main tower bottom force, the rest of the pier bottom force does not change with the change in apparent wave speed, this is because these piers are set up longitudinal movable bearing, no restriction on the longitudinal movement of the superstructure, so N2, S2 pier and the main tower will become the concentration of force parts, apparent wave speed on N2, S2 and the main tower bottom force effect is obvious Therefore, depending on the size of the wave velocity, the internal force of N2, S2 and the bottom of the main tower will be significantly affected.
Figure 22.
The absolute maximum value of shear force at different apparent wave speeds.
Figure 23.
The absolute maximum value of the bending moment at different apparent wave velocities.
Table 10 shows the moment and magnitude when the bottom of the 3# main tower reaches the absolute maximum value of shear force and bending moment at different apparent wave velocities. The analysis shows that the internal force response of the main tower bottom has a certain oscillation at a low apparent wave velocity, and tends to be stable as the apparent wave velocity increases; as the apparent wave velocity decreases, the moment when the main tower bottom reaches the maximum internal force response gradually increases.
Table 10.
Absolute maximum of internal force at the bottom of 3# main tower at different visual wave speeds.
Table 11 gives the Pearson product moment correlation coefficients of the bending moment time course curves and shear time course curves at the base of the 3# main tower for seven different sets of apparent wave velocities. Figure 24, Figure 25 and Figure 26 shows the comparison of the bending moment time course curves and shear time course curves of 3# main tower base at 200 m/s, 8000 m/s and unanimous excitation, and the shear force value is increased by 50 times for a clearer comparison. The analysis shows that the bending moment time course curve and shear time course curve of 3# main tower base under high apparent wave speed and consistent excitation are very similar, and the peaks and valleys almost correspond to each other, that is, when the bending moment reaches the peak, the shear force also reaches the peak and is approximately synchronous change, and will not keep synchronous change under low apparent wave speed.
Table 11.
Numerical value of PPMCC of bending moment and shear force.
Figure 24.
Comparison of time-history curves of internal force at the bottom of 3# main tower when apparent wave velocity is 200 m/s.
Figure 25.
Comparison of time-history curves of internal force at the bottom of 3# main tower when apparent wave velocity is 8000 m/s.
Figure 26.
Comparison of time-history curves of internal force at the bottom of 3# main tower under consistent incentives.
6. Conclusions
In this paper, the large-scale general-purpose finite element software ANSYS is used to study the influence of traveling wave effect on the long-span suspension bridge–rail interaction with the Wufengshan Yangtze River Bridge as the engineering background, and compare the seismic response of the beam–rail system under different apparent wave velocities. The main conclusions are as follows:
- (1)
- The traveling wave effect has a great influence on the dynamic response of the rail system. The traveling wave effect of a low apparent wave speed will increase the relative displacement of the beam and rail, and then increase the rail stress; the main bridge part of the rail stress increase is especially obvious, and with the increase in apparent wave speed, the dynamic response of the rail system tends to be consistent with the dynamic response of the excitation.
- (2)
- The effect of traveling wave effect on the longitudinal displacement of the beam end is not negligible. In addition, the effect on the longitudinal displacement of the main bridge end is much larger than that of the approach bridge end.
- (3)
- Under high apparent wave speed and consistent excitation, the longitudinal displacement of the main bridge end on the north and south side keeps changing synchronously, under a low apparent wave speed, the longitudinal displacement of the main bridge end on the north and south side will no longer keep changing synchronously.
- (4)
- The traveling wave effect only has a large effect on the force of the pier bottom and main tower bottom of N2 and S2 piers with fixed bearings; the force response of the main tower bottom at a low apparent wave speed has a certain oscillation, which tends to stabilize with the increase in apparent wave speed; the bending moment and shear force of 3# main tower bottom at high apparent wave speed and consistent excitation are approximately synchronous changes, and will no longer keep synchronous changes at a low apparent wave speed.
Author Contributions
Conceptualization, X.Y. and C.W.; methodology, X.Y.; software, X.Y.; validation, X.Y., C.W. and H.J.; formal analysis, C.W.; investigation, H.J.; resources, H.J.; data curation, C.W.; writing—original draft preparation, C.W.; writing—review and editing, C.W.; visualization, X.Y.; supervision, H.J.; project administration, X.Y.; funding acquisition, H.J. All authors have read and agreed to the published version of the manuscript.
Funding
This research received no external funding.
Institutional Review Board Statement
Not applicable.
Informed Consent Statement
Not applicable.
Data Availability Statement
Not applicable.
Conflicts of Interest
The authors declare no conflict of interest.
Glossary
The following symbols are used in this paper:
| Coercive force | |
| Mass of large mass points | |
| Acceleration of a large mass point | |
| ; ; ; | Mass matrices at the supported and unsupported locations of the structure |
| ; ; ; | Damping matrices at the supported and unsupported locations of the structure |
| ; ; ; | Stiffness matrices at the supported and unsupported locations of the structure |
| ; | Accelerations at the supported and unsupported locations of the structure |
| ; | Velocity at the supported and unsupported positions of the structure |
| ; | Displacement between supported and unsupported parts of the structure |
| ; | Pseudo-static displacements at the supported and unsupported locations of the structure |
| Dynamic Response Displacement at Unsupported Places of Structure | |
| The inverse of the quasi-static stiffness matrix at the unsupported locations of the structure | |
| ; ; | Dynamic response acceleration, velocity, displacement at the unsupported part of the structure |
| ; | Pseudo-static acceleration and velocity at the structural support |
| ; ; | Vertical resistance, vertical resistance, lateral resistance of the roadbed |
| ; ; | Resistance to rotation of the bed in the direction of the three axes |
| Power amplification factor | |
| Damping ratio | |
| Reaction spectrum acceleration | |
| A | Peak acceleration of ground shaking |
| Characteristic period of the site | |
| T | The natural vibration period of the structure |
| g | Acceleration of gravity |
References
- China Academy of Railway Sciences. Study on large displacement girder end expansion devices and rail expansion regulators. In Deepening Research on Bridge and Tunnel Construction Technology for Railway Lines—Key Technology Study for 1,000m Span Public-Rail Suspension Bridges Sub-Report 7; China Academy of Railway Sciences: Beijing, China, 2017. [Google Scholar]
- Fei, W. Approach to structural features of telescopic devices at beam ends of railway bridge. Railw. Stand. Des. 2015, 59, 61–65. [Google Scholar]
- Huang, Y.; Yan, G.; Liu, L. Effects of rail restraints on longitudinal seismic response of railway bridges. J. China Railw. Soc. 2001, 24, 124–128. [Google Scholar]
- Yan, B.; Dai, G.; Xu, Q. Seismic response of beam and rail systems of railway simple girder bridges under traveling wave effect. J. Vib. Eng. 2013, 26, 357–362. [Google Scholar]
- Yan, M.; Wei, X.; Wang, P. Research on longitudinal seismic responses of continuous welded rails on large-span bridges. J. China Railw. Soc. 2014, 36, 96–102. [Google Scholar]
- Yu, X.; Yin, X.; Yan, B. Seismic response characteristics of beam-track system of large-span simply-supported steel truss girder bridge with continuously welded rail. J. China Railw. Soc. 2017, 39, 111–116. [Google Scholar]
- Yang, T. Study on the Seismic Effect of Tied Arch Continuous Girder Bridge-Track System Based on Beam Lattice Model. Master’s Thesis, Central South University, Changsha, China, 2017. [Google Scholar]
- Qin, D. Research on Seismic Response Characteristics of 1000m Suspension Bridge-Track System. Master’s Thesis, Central South University, Changsha, China, 2021. [Google Scholar]
- Nassiraei, H.; Rezadoost, P. Static capacity of tubular X-joints reinforced with fiber reinforced polymer subjected to compressive load. Eng. Struct. 2021, 236, 112041. [Google Scholar] [CrossRef]
- Lei, H.; Liu, W.; Lei, B. Running safety of high-speed railway kilometer-level suspension bridge under earthquake. J. Vib. Shock 2020, 39, 249–255. [Google Scholar]
- Bonganoff, J.L.; Goldberg, J.E.; Schiff, A. The effect of ground transmission time on the response of long structures. Bull. Seismol. Soc. Am. 1965, 55, 627–640. [Google Scholar]
- Leger, P.; Ide, I.M.; Paultre, P. Multiple support seismic analysis of large structures. Comput. Struct. 1990, 36, 1153–1158. [Google Scholar] [CrossRef]
- Yang, B. Analysis of the Effect of Pile-Soil Interaction on the Incoherent Motion of Large-Span Structures. Master’s Thesis, Hunan University, Changsha, China, 2019. [Google Scholar]
- Ministry of Railways of the People’s Republic of China. Rails for High Speed Railway: TB/T 3276-2011; Ministry of Railways of the People’s Republic of China: Beijing, China, 2011; pp. 18–19.
- National Railway Administration of People’s Republic of China. Code for Design of Railway Track: TB 10082-2017; China Railway Publishing House: Beijing, China, 2017; pp. 19–24.
- Ren, Y. Study on Beam-Rail Interaction of Public-Rail Suspension Bridges Based on Girder-End Expansion Devices. Master’s Thesis, Central South University, Changsha, China, 2019. [Google Scholar]
- Ministry of Housing and Urban-Rural Development of the People’s Republic of China. Code for Seismic Design of Railway Engineering: GB 50111-2006; China Plan Publishing House: Beijing, China, 2006; pp. 25–26.
- Ma, P. Study on the Seismic Response of a Large Span Public-Railway Cable-Stayed Bridge. Master’s Thesis, Beijing Jiaotong University, Beijing, China, 2017. [Google Scholar]
- Wang, J.; Fan, L. Exploration of methods for correction of long-period portions of normative response spectra. China Civ. Eng. J. 1998, 25, 49–55. [Google Scholar]
- Ministry of Transport of the People’s Republic of China. Guidelines for Seismic Design of Highway Bridges: JTG/T B02-1-2008; China Communications Press: Beijing, China, 2008; pp. 32–33.
Publisher’s Note: MDPI stays neutral with regard to jurisdictional claims in published maps and institutional affiliations. |
© 2022 by the authors. Licensee MDPI, Basel, Switzerland. This article is an open access article distributed under the terms and conditions of the Creative Commons Attribution (CC BY) license (https://creativecommons.org/licenses/by/4.0/).
