An Improved Hybrid Control Scheme of a Switched Reluctance Motor for Torque Ripple Reduction
Abstract
:1. Introduction
2. The Modeling of SRM and TSF Control
2.1. Mathemetical Modeling
2.2. Torque Sharing Function
3. Model Predictive Torque Control
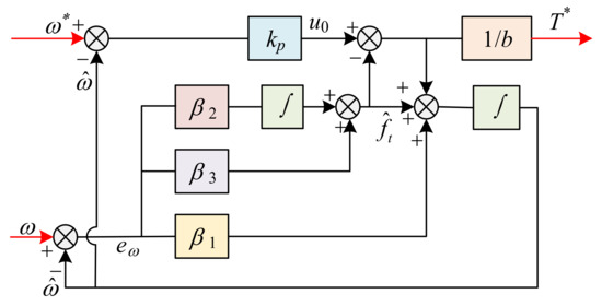
4. Speed Controller Based on Modified LADRC
5. Experimental Result
6. Conclusions
Author Contributions
Funding
Institutional Review Board Statement
Informed Consent Statement
Data Availability Statement
Conflicts of Interest
References
- Diao, K.; Sun, X.; Bramerdorfer, G.; Cai, Y.; Lei, G.; Chen, L. Design optimization of switched reluctance machines for performance and reliability enhancements: A review. Renew. Sustain. Energy Rev. 2022, 168, 112785. [Google Scholar] [CrossRef]
- Scalcon, F.P.; Fang, G.; Vieira, R.P.; Gründling, H.A.; Emadi, A. Discrete-Time Super-Twisting Sliding Mode Current Controller With Fixed Switching Frequency for Switched Reluctance Motors. IEEE Trans. Power Electron. 2022, 37, 3321–3333. [Google Scholar] [CrossRef]
- Wiguna, C.A.; Furqani, J.; Chiba, A. Improved Current Profile Selection for Noise Reduction of Switched Reluctance Motor at Middle Speed Considering Back EMF. IEEE Trans. Ind. Appl. 2021, 57, 4707–4719. [Google Scholar] [CrossRef]
- Diao, K.; Sun, X.; Yao, M. Robust-Oriented Optimization of Switched Reluctance Motors Considering Manufacturing Fluctuation. IEEE Trans. Transport. Electrific. 2022, 8, 2853–2861. [Google Scholar] [CrossRef]
- Fang, G.; Ye, J.; Xiao, D.; Xia, Z.; Emadi, A. Low-Ripple Continuous Control Set Model Predictive Torque Control for Switched Reluctance Machines Based on Equivalent Linear SRM Model. IEEE Trans. Ind. Electron. 2022, 69, 12480–12495. [Google Scholar] [CrossRef]
- Farahani, E.F.; Kondelaji, M.A.J.; Mirsalim, M. An Innovative Hybrid-Excited Multi-Tooth Switched Reluctance Motor for Torque Enhancement. IEEE Trans. Ind. Electron. 2021, 68, 982–992. [Google Scholar] [CrossRef]
- Sun, X.; Feng, L.; Diao, K.; Yang, Z. An Improved Direct Instantaneous Torque Control Based on Adaptive Terminal Sliding Mode for a Segmented-Rotor SRM. IEEE Trans. Ind. Electron. 2021, 68, 10569–10579. [Google Scholar] [CrossRef]
- Yan, N.; Cao, X.; Deng, Z. Direct Torque Control for Switched Reluctance Motor to Obtain High Torque–Ampere Ratio. IEEE Trans. Ind. Electron. 2019, 66, 5144–5152. [Google Scholar] [CrossRef]
- Sun, Q.; Wu, J.; Gan, C. Optimized Direct Instantaneous Torque Control for SRMs With Efficiency Improvement. IEEE Trans. Ind. Electron. 2021, 68, 2072–2082. [Google Scholar] [CrossRef]
- Huang, L.; Zhu, Z.Q.; Feng, J.; Guo, S.; Li, Y.; Shi, J.X. Novel Current Profile of Switched Reluctance Machines for Torque Density Enhancement in Low-Speed Applications. IEEE Trans. Ind. Electron. 2020, 67, 9623–9634. [Google Scholar] [CrossRef]
- Sun, X.; Wu, J.; Lei, G.; Guo, Y.; Zhu, J. Torque Ripple Reduction of SRM Drive Using Improved Direct Torque Control With Sliding Mode Controller and Observer. IEEE Trans. Ind. Electron. 2021, 68, 9334–9345. [Google Scholar] [CrossRef]
- Gonzalez, O.; Ayala, M.; Romero, C.; Delorme, L.; Rodas, J.; Gregor, R.; Gonzalez-Prieto, I.; Durán, M.J. Model Predictive Current Control of Six-Phase Induction Motor Drives Using Virtual Vectors and Space Vector Modulation. IEEE Trans. Power Electron. 2022, 37, 7617–7628. [Google Scholar] [CrossRef]
- Lee, D.-H.; Liang, J.; Lee, Z.-G.; Ahn, J.-W. A Simple Nonlinear Logical Torque Sharing Function for Low-Torque Ripple SR Drive. IEEE Trans. Ind. Electron. 2009, 56, 3021–3028. [Google Scholar] [CrossRef]
- Sun, X.; Xiong, Y.; Yang, J.; Tian, X. Torque Ripple Reduction for a 12/8 Switched Reluctance Motor Based on a Novel Sliding Mode Control Strategy. IEEE Trans. Transport. Electrific. 2022. [Google Scholar] [CrossRef]
- Li, H.; Bilgin, B.; Emadi, A. An Improved Torque Sharing Function for Torque Ripple Reduction in Switched Reluctance Machines. IEEE Trans. Power Electron. 2019, 34, 1635–1644. [Google Scholar] [CrossRef]
- Rana, A.K.; Teja, A.V.R. A Mathematical Torque Ripple Minimization Technique Based on a Nonlinear Modulating Factor for Switched Reluctance Motor Drives. IEEE Trans. Ind. Electron. 2022, 69, 1356–1366. [Google Scholar] [CrossRef]
- Xia, Z.; Bilgin, B.; Nalakath, S.; Emadi, A. A New Torque Sharing Function Method for Switched Reluctance Machines With Lower Current Tracking Error. IEEE Trans. Ind. Electron. 2021, 68, 10612–10622. [Google Scholar] [CrossRef]
- Ye, J.; Bilgin, B.; Emadi, A. An Extended-Speed Low-Ripple Torque Control of Switched Reluctance Motor Drives. IEEE Trans. Power Electron. 2015, 30, 1457–1470. [Google Scholar] [CrossRef]
- Sun, Q.; Wu, J.; Gan, C.; Hu, Y.; Si, J. OCTSF for torque ripple minimisation in SRMs. IET Power Electron. 2016, 9, 2741–2750. [Google Scholar] [CrossRef]
- Vujicic, V.P. Minimization of Torque Ripple and Copper Losses in Switched Reluctance Drive. IEEE Trans. Power Electron. 2012, 27, 388–399. [Google Scholar] [CrossRef]
- Ye, J.; Bilgin, B.; Emadi, A. An Offline Torque Sharing Function for Torque Ripple Reduction in Switched Reluctance Motor Drives. IEEE Trans. Energy Convers. 2015, 30, 726–735. [Google Scholar] [CrossRef]
- Bober, P.; Ferkova, Z. Comparison of an Off-Line Optimized Firing Angle Modulation and Torque Sharing Functions for Switched Reluctance Motor Control. Energies 2020, 13, 2435. [Google Scholar] [CrossRef]
- Valencia, D.F.; Tarvirdilu-Asl, R.; Garcia, C.; Rodriguez, J.; Emadi, A. A Review of Predictive Control Techniques for Switched Reluctance Machine Drives. Part I: Fundamentals and Current Control. IEEE Trans. Energy Convers. 2021, 36, 1313–1322. [Google Scholar] [CrossRef]
- Li, C.; Wang, G.; Li, Y.; Xu, A. An improved finite-state predictive torque control for switched reluctance motor drive. IET Electr. Power Appl. 2018, 12, 144–151. [Google Scholar] [CrossRef]
- Shang, C.; Xu, A.; Huang, L.; Chen, J. Flux linkage optimization for direct torque control of switched reluctance motor based on model predictive control. IEEJ Trans. Electr. Electron. Eng. 2019, 14, 1105–1113. [Google Scholar] [CrossRef]
- Ren, P.; Zhu, J.; Jing, Z.; Guo, Z.; Xu, A. Minimization of torque ripple in switched reluctan motor based on MPC and TSF. IEEJ Trans. Electr. Electron. Eng. 2021, 16, 1535–1543. [Google Scholar] [CrossRef]
- Song, S.; Hei, R.; Ma, R.; Liu, W. Model Predictive Control of Switched Reluctance Starter/Generator With Torque Sharing and Compensation. IEEE Trans. Transport. Electrific. 2020, 6, 1519–1527. [Google Scholar] [CrossRef]
- Li, W.; Cui, Z.; Ding, S.; Chen, F.; Guo, Y. Model Predictive Direct Torque Control of Switched Reluctance Motors for Low-Speed Operation. IEEE Trans. Energy Convers. 2021, 37, 1406–1415. [Google Scholar] [CrossRef]
- Song, S.; Liu, J.; Zhao, Y.; Ge, L.; Ma, R.; Liu, W. High-Dynamic Four-Quadrant Speed Adjustment of Switched Reluctance Machine With Torque Predictive Control. IEEE Trans. Ind. Electron. 2022, 69, 7733–7743. [Google Scholar] [CrossRef]
- Mikail, R.; Husain, I.; Sozer, Y.; Islam, M.S.; Sebastian, T. A Fixed Switching Frequency Predictive Current Control Method for Switched Reluctance Machines. IEEE Trans. Ind. Appl. 2014, 50, 3717–3726. [Google Scholar] [CrossRef]
- Sun, X.; Feng, L.; Zhu, Z.; Lei, G.; Diao, K.; Guo, Y.; Zhu, J. Optimal Design of Terminal Sliding Mode Controller for Direct Torque Control of SRMs. IEEE Trans. Transport. Electrific. 2022, 8, 1445–1453. [Google Scholar] [CrossRef]
- Ma, M.; Ling, F.; Li, F.; Liu, F. Torque ripple suppression of switched reluctance motor by segmented harmonic currents injection based on adaptive fuzzy logic control. IET Electr. Power Appl. 2020, 14, 325–335. [Google Scholar] [CrossRef]
- Wang, J. Speed-assigned position tracking control of SRM with adaptive backstepping control. IEEE/CAA J. Autom. Sin. 2018, 5, 1128–1135. [Google Scholar] [CrossRef]
- Feng, L.; Sun, X.; Tian, X.; Diao, K. Direct Torque Control With Variable Flux for an SRM Based on Hybrid Optimization Algorithm. IEEE Trans. Power Electron. 2022, 37, 6688–6697. [Google Scholar] [CrossRef]
- Hao, Z.; Yang, Y.; Gong, Y.; Hao, Z.; Zhang, C.; Song, H.; Zhang, J. Linear/Nonlinear Active Disturbance Rejection Switching Control for Permanent Magnet Synchronous Motors. IEEE Trans. Power Electron. 2021, 36, 9334–9347. [Google Scholar] [CrossRef]
- Bai, Y.; Zhang, G.; Wang, Q.; Ding, D.; Li, B.; Wang, G.; Xu, D. High-Gain Nonlinear Active Disturbance Rejection Control Strategy for Traction Permanent Magnet Motor Drives. IEEE Trans. Power Electron. 2022, 37, 13135–13146. [Google Scholar] [CrossRef]
- Lin, P.; Wu, Z.; Liu, K.Z.; Sun, X.M. A Class of Linear–Nonlinear Switching Active Disturbance Rejection Speed and Current Controllers for PMSM. IEEE Trans. Power Electron. 2021, 36, 14366–14382. [Google Scholar] [CrossRef]
- Qu, L.; Qiao, W.; Qu, L. An Enhanced Linear Active Disturbance Rejection Rotor Position Sensorless Control for Permanent Magnet Synchronous Motors. IEEE Trans. Power Electron. 2020, 35, 6175–6184. [Google Scholar] [CrossRef]
- Qu, L.; Qiao, W.; Qu, L. Active-Disturbance-Rejection-Based Sliding-Mode Current Control for Permanent-Magnet Synchronous Motors. IEEE Trans. Power Electron. 2021, 36, 751–760. [Google Scholar] [CrossRef]
- Ai, W.; Hu, L.; Li, X.; Li, X. Active disturbance rejection based iterative learning control for torque ripple suppression in switched reluctance motor. Control Theory Appl. 2020, 37, 2098–2106. [Google Scholar]
- Ge, L.; Zhong, J.; Huang, J.; Jiao, N.; Song, S.; Doncker, R.W.D. A Novel Model Predictive Torque Control of SRMs with Low Measurement Effort. IEEE Trans. Ind. Electron. 2022. [Google Scholar] [CrossRef]
- Yi, L.; Feng, J.; Du, X.; Chang, F.; Destech Publicat, I. A Direct Instantaneous Torque Control of Switched Reluctance Motor for Electric Vehicles based on FWA-LSSVM Improved ADRC. In Proceedings of the 10th Asia-Pacific Power And Energy Engineering Conference (APPEEC 2018), Sabah, Malaysia, 7–10 October 2018; pp. 937–947. [Google Scholar]
- Zhiqiang, G. Scaling and bandwidth-parameterization based controller tuning. In Proceedings of the 2003 American Control Conference, Denver, CO, USA, 4–6 June 2003; pp. 4989–4996. [Google Scholar]
- Zhang, T.; Wang, Z.; Ye, X. New Design of the Bearingless Switched Reluctance Motor. In Proceedings of the 2021 13th International Symposium on Linear Drives for Industry Applications (LDIA), Wuhan, China, 1–3 July 2021; pp. 1–6. [Google Scholar]













| Condition | Parameters | PI | SMC | TSMC |
|---|---|---|---|---|
| Constant load torque | Startup time | 0.2 s | 0.18 s | 0.11 s |
| Torque ripple range | 0.47 Nm | 0.38 Nm | 0.31 Nm | |
| Speed change | Startup time | 0.19 s | 0.18 s | 0.14 s |
| Response time | 0.2 s | 0.17 s | 0.13 s | |
| Load torque disturbance | Response time | 0.17 s | 0.16 s | 0.13 s |
| Speed overshoot | 98 r/min | 80 r/min | 45 r/min | |
| Torque ripple range | 0.5 Nm | 0.42 Nm | 0.36 Nm |
Publisher’s Note: MDPI stays neutral with regard to jurisdictional claims in published maps and institutional affiliations. |
© 2022 by the authors. Licensee MDPI, Basel, Switzerland. This article is an open access article distributed under the terms and conditions of the Creative Commons Attribution (CC BY) license (https://creativecommons.org/licenses/by/4.0/).
Share and Cite
He, X.; Yao, Y. An Improved Hybrid Control Scheme of a Switched Reluctance Motor for Torque Ripple Reduction. Appl. Sci. 2022, 12, 12283. https://doi.org/10.3390/app122312283
He X, Yao Y. An Improved Hybrid Control Scheme of a Switched Reluctance Motor for Torque Ripple Reduction. Applied Sciences. 2022; 12(23):12283. https://doi.org/10.3390/app122312283
Chicago/Turabian StyleHe, Xiaofeng, and Yao Yao. 2022. "An Improved Hybrid Control Scheme of a Switched Reluctance Motor for Torque Ripple Reduction" Applied Sciences 12, no. 23: 12283. https://doi.org/10.3390/app122312283
APA StyleHe, X., & Yao, Y. (2022). An Improved Hybrid Control Scheme of a Switched Reluctance Motor for Torque Ripple Reduction. Applied Sciences, 12(23), 12283. https://doi.org/10.3390/app122312283
