Development and Application of Intelligent Temperature Control System for Large Aqueduct
Abstract
1. Introduction
2. Intelligent Temperature Control System for Large Aqueduct
2.1. Architecture of Intelligent Temperature Control System
2.2. Key Technologies and Functions of Intelligent Temperature Control System
2.3. Features of Intelligent Temperature Control System
3. Engineering Application of Intelligent Temperature Control System for Large Aqueduct
3.1. Project Overview
3.2. Simulation Calculation Module
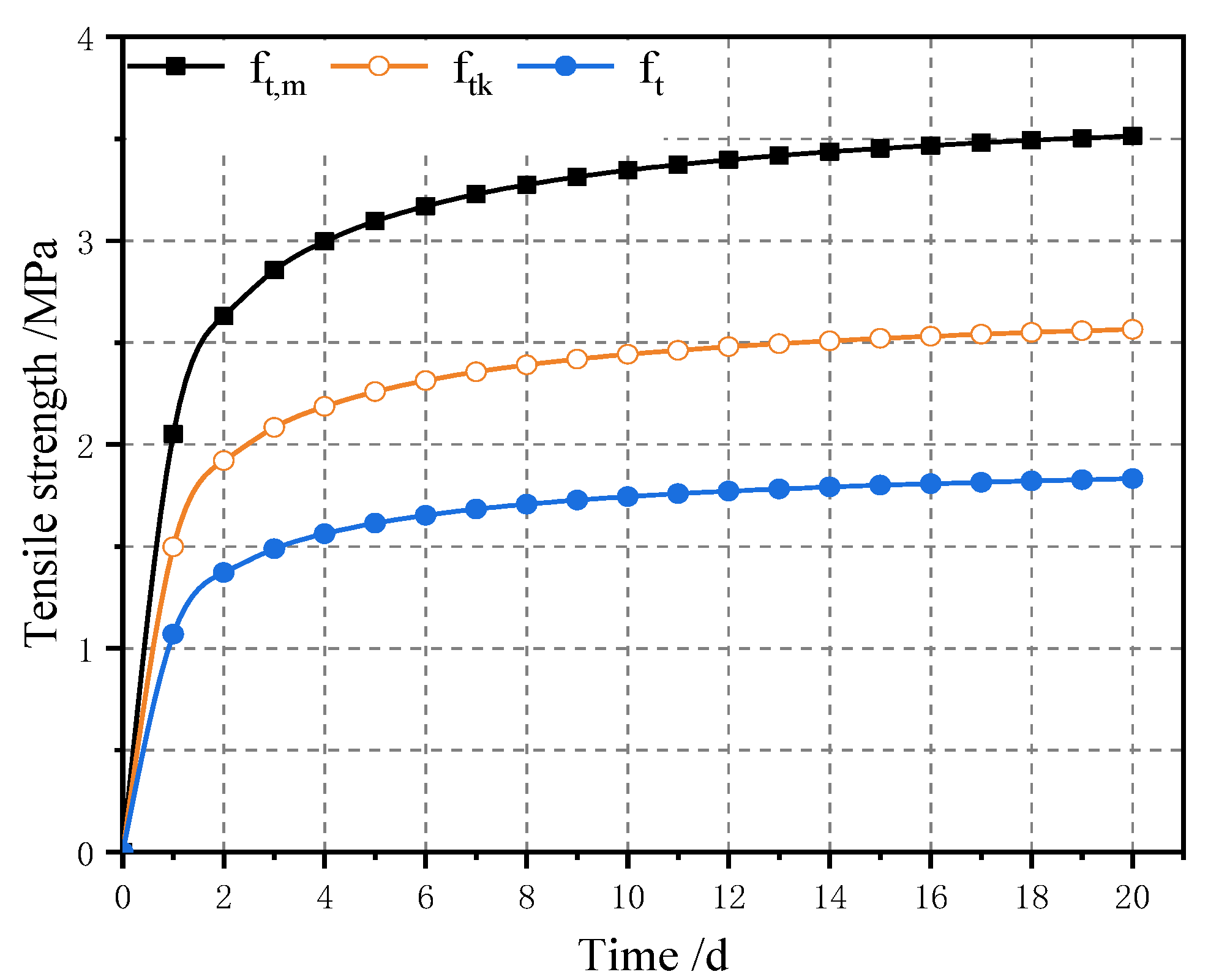
3.2.1. Tensile Strength of C50 Concrete
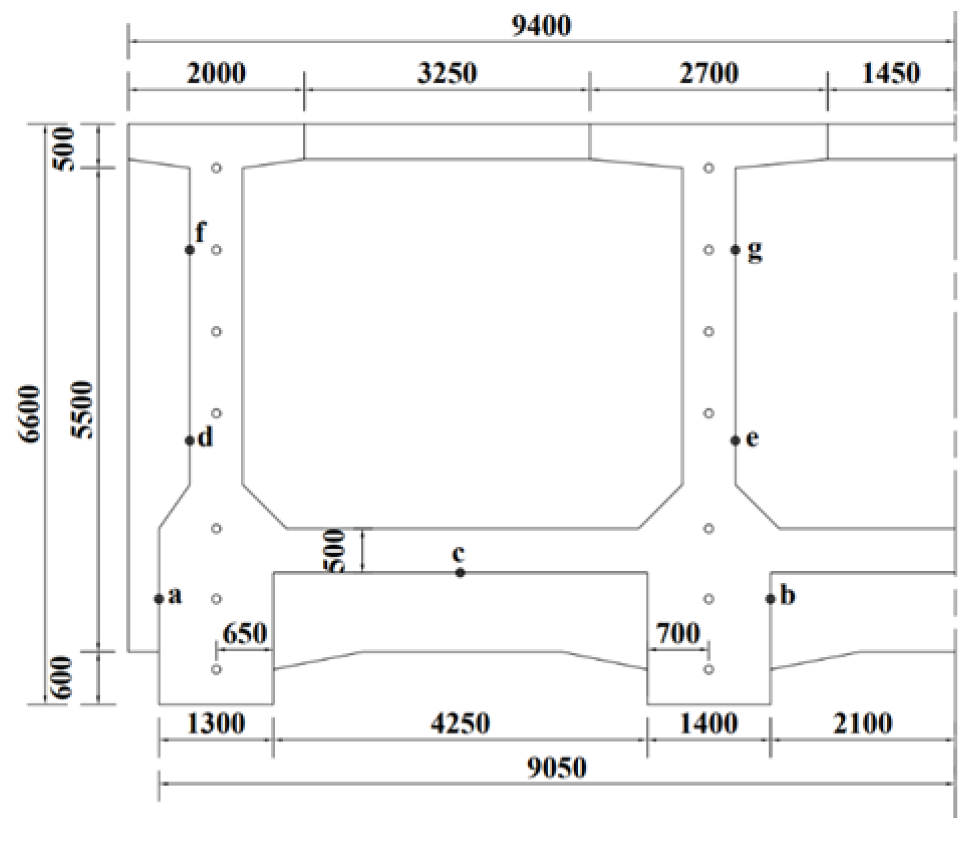
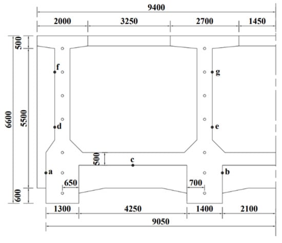
3.2.2. Establishment of the Characteristic Point
3.2.3. Initial Temperature Variation Control Curve
3.2.4. Information Interaction between the Simulation Calculation Module and the Information Processing and Decision-Making Module
3.2.5. Tracking of Parameter Change by Temperature Change Control Curve
3.3. Model Experiments
3.3.1. Establishment of Experimental Scenario
3.3.2. Measuring and Control Unit
3.3.3. Experimental Situation
4. Conclusions
Author Contributions
Funding
Institutional Review Board Statement
Informed Consent Statement
Data Availability Statement
Conflicts of Interest
References
- Chu, I.; Lee, Y.; Amin, M.N.; Jang, B.-S.; Kim, J.-K. Application of a thermal stress device for the prediction of stresses due to hydration heat in mass concrete structure. Constr. Build. Mater. 2013, 45, 192–198. [Google Scholar] [CrossRef]
- Briffaut, M.; Benboudjema, F.; Torrenti, J.-M.; Nahas, G. Effects of early-age thermal behaviour on damage risks in massive concrete structures. Eur. J. Environ. Civ. Eng. 2012, 16, 589–605. [Google Scholar] [CrossRef]
- Zuo, Z.; Hu, Y.; Li, Q.; Zhang, L. Data Mining of the Thermal Performance of Cool-Pipes in Massive Concrete via In Situ Monitoring. Math. Probl. Eng. 2014, 2014, e985659. [Google Scholar] [CrossRef]
- Tang, H.; Cai, D.S.; Yang, L. New Planning of Pipe Cooling in Temperature Control for Mass Concrete. Appl. Mech. Mater. 2013, 300–301, 1584–1588. [Google Scholar] [CrossRef]
- Azenha, M.; Sfikas, I.P.; Wyrzykowski, M.; Kuperman, S.; Knoppik, A. Temperature Control. In Thermal Cracking of Massive Concrete Structures: State of the Art Report of the RILEM Technical Committee 254-CMS; Fairbairn, E.M.R., Azenha, M., Eds.; RILEM State-of-the-Art Reports; Springer International Publishing: Cham, Switzerland, 2019; pp. 153–179. ISBN 978-3-319-76617-1. [Google Scholar]
- Su, Z.; Zhou, Y.; Zhao, C.; Zhou, H.; Peng, Y. Analysis of temperature monitoring data of Xiluodu Dam during construction based on data mining. Water Resour. Power 2016, 34, 70–73. [Google Scholar]
- Peng, H.; Lin, P.; Yang, N.; Li, M.; Qiao, Y. Real time thermal field analysis on Wudongde super high arch dam during construction. Glob. Energy Interconnect. 2019, 2, 264–269. [Google Scholar] [CrossRef]
- Liao, Z.; Wei, W.; Zhao, L.; Zhang, Y. Application of intelligent temperature control system of mass concrete based on BIM. J. Civ. Archit. Environ. Eng. 2016, 38, 132–138. [Google Scholar]
- Ning, Z.; Lin, P.; Ouyang, J.; Yang, Z.; He, M.; Ma, F. Intelligent cooling control for mass concrete relating to spiral case structure. Adv. Concr. Constr. 2022, 14, 57–70. [Google Scholar] [CrossRef]
- Sun, X.; Li, S. Intelligent temperature control system for concrete crack prevention of Datengxia Hydraulic. China Water 2020, 4, 45–47. [Google Scholar]
- Zhang, L.; Zhang, G.; Liu, Y.; Zheng, A.; Chi, F.; Pang, B. Development and application of digitalized intelligent concrete temperature control system for Huangdeng Dam. Water Resour. Hydropower Eng. 2019, 50, 108–114. [Google Scholar] [CrossRef]
- Zhu, B. Thermal Stresses and Temperature Control of Mass Concrete; China Water & Power Press: Beijing, China, 2012. [Google Scholar]
- Zhao, S.; Gao, Y.; Chen, J.; Liu, S.; Sun, Y. Application and study on time-dependent compressive strength and elastic modulus of C50 pumping concrete. Concrete 2015, 1, 98–101. [Google Scholar]
- Zhao, S. Concrete Structural Fundamentals; Tongji University Press: Shanghai, China, 2004. [Google Scholar]
- Oluokun, F. Prediction of Concrete Tensile Strength from its Compressive Strength: An Evaluation of Existing Relations for Normal Weight Concrete. Mater. J. 1991, 88, 302–309. [Google Scholar] [CrossRef]
- Fib. Fib Model Code for Concrete Structures 2010: FIB MODEL CODE 2010 O-BK; Wiley-VCH Verlag GmbH & Co. KGaA: Weinheim, Germany, 2013. [Google Scholar] [CrossRef]
- Zhang, Y.; Li, Q. Technology of temperature control and crack prevention for Diao river aqueduct project. Concrete 2014, 11, 143–147. [Google Scholar]
- Xie, L.; Huang, G.; Li, D.; Zhang, B. Analysis on the causes of cracks on the inner surface of the side wall of Shahe aqueduct and research on temperature control and crack prevention measures. China Rural Water Resour. Hydropower 2022, 1, 134–140. [Google Scholar]
- Maruyama, I.; Lura, P. Properties of early-age concrete relevant to cracking in massive concrete. Cem. Concr. Res. 2019, 123, 105770. [Google Scholar] [CrossRef]
- Yang, L. Study the Drop of Temperature during Construction by Cooling Pipes Built-in Concrete Dams and Optimize of Temperature Control Measures. Ph.D. Thesis, Wuhan University, Wuhan, China, 2005. [Google Scholar]
- Finnemore, E.J.; Franzini, J.B. Fluid Mechanics with Engineering Applications; McGraw-Hill Science/Engineering/Math: New York, NY, USA, 2001; ISBN 9780072432022. [Google Scholar]
- Kheradmand, M.; Azenha, M.; Vicente, R.; de Aguiar, J.L.B. An innovative approach for temperature control of massive concrete structures at early ages based on post-cooling: Proof of concept. J. Build. Eng. 2020, 32, 101832. [Google Scholar] [CrossRef]















| Development Environment | Runtime Environment | ||
|---|---|---|---|
| Database Server Deployment Node | Application Server Deployment Node | ||
| Operating system | Window10 | Microsoft windows server 2016 | |
| Platform | Eclipse development platform | Microsoft SQL server database platform | Java platform |
| Web Server | — | — | Apache 2.0 + Tomcat 7.0 |
| Month | January | February | March | April | May | June |
|---|---|---|---|---|---|---|
| Average temperature/°C | 9.5 | 12.0 | 15.2 | 17.4 | 20.0 | 21.8 |
| Month | July | August | September | October | November | December |
| Average temperature/°C | 20.1 | 20.0 | 19.5 | 16.6 | 13.4 | 10.0 |
| Material | Density | Specific Heat Capacity | Thermal Conductivity |
|---|---|---|---|
| (kg/m3) | (kJ/kg °C) | (kJ/mh °C) | |
| Concrete | 2462 | 0.958 | 9.32 |
| Cooling water pipe | 1350 | 1.4 | 1.66 |
| Water Plastic foam | 1000 — | 4.2 — | 2.12 0.1256 |
Publisher’s Note: MDPI stays neutral with regard to jurisdictional claims in published maps and institutional affiliations. |
© 2022 by the authors. Licensee MDPI, Basel, Switzerland. This article is an open access article distributed under the terms and conditions of the Creative Commons Attribution (CC BY) license (https://creativecommons.org/licenses/by/4.0/).
Share and Cite
Shi, Y.; Wang, Z.; Zhang, S.; Zhang, D.; Sun, K. Development and Application of Intelligent Temperature Control System for Large Aqueduct. Appl. Sci. 2022, 12, 12138. https://doi.org/10.3390/app122312138
Shi Y, Wang Z, Zhang S, Zhang D, Sun K. Development and Application of Intelligent Temperature Control System for Large Aqueduct. Applied Sciences. 2022; 12(23):12138. https://doi.org/10.3390/app122312138
Chicago/Turabian StyleShi, Yanke, Zhangyao Wang, Shuo Zhang, Duoxin Zhang, and Kai Sun. 2022. "Development and Application of Intelligent Temperature Control System for Large Aqueduct" Applied Sciences 12, no. 23: 12138. https://doi.org/10.3390/app122312138
APA StyleShi, Y., Wang, Z., Zhang, S., Zhang, D., & Sun, K. (2022). Development and Application of Intelligent Temperature Control System for Large Aqueduct. Applied Sciences, 12(23), 12138. https://doi.org/10.3390/app122312138

