Numerical Modeling of Quasi-Brittle Materials Using a Phase-Field Regularized Cohesive Zone Model with Optimal Softening Law
Abstract
1. Introduction
2. Phase-Field-Regularized Cohesive Zone Model
2.1. Phase Field Representation of Crack Surface
- AT1 model [45]
2.2. Principle of Virtual Work and Governing Equations
2.3. Damage Irreversibility
2.4. Phase-Field-Regularized Cohesive Zone Model
- Linear softening curve:
- Exponential softening curve:
- Petersson [49] softening curve:
2.5. Computer Implementation
3. Optimal Softening Law
4. Numerical Examples and Discussion
4.1. Analysis of the Fracture Mode and Mechanical Response of Concrete Beams under Three-Point Bending with Different Notch Offsets
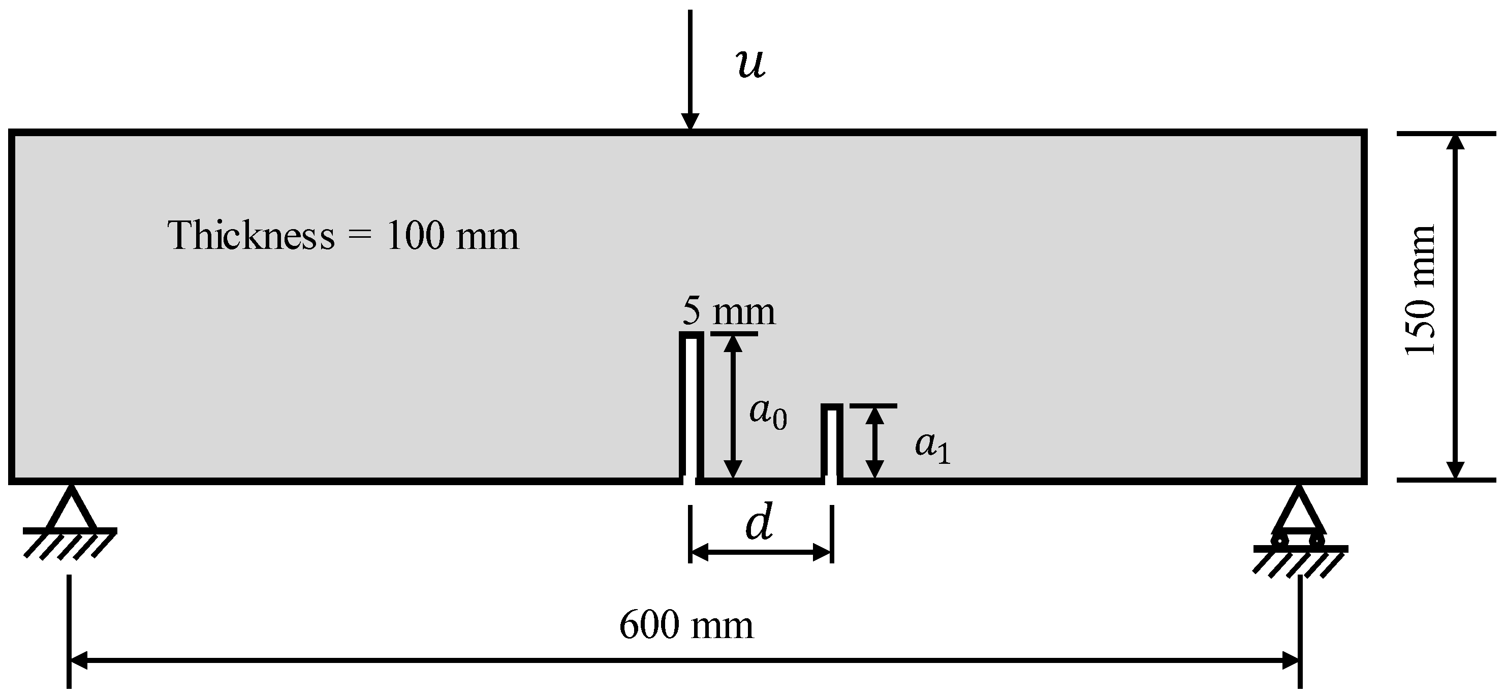
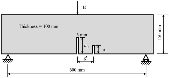
4.2. Analysis of the Mechanical Behaviors of Double-Notched Concrete Beams under Three-Point Bending
5. Conclusions
- (1)
- A PF-CZM with Petersson’s softening law has been realized and adopted to simulate the damage and fracture properties of quasi-brittle materials.
- (2)
- The method has been validated by two tests of notched concrete beams under three-point bending. The results indicate that the mechanical properties of concrete beams with the optimal softening law are better than the data reported using different methods. Further validation indicates that once the optimal softening law is determined, it is suitable for the same group of materials.
- (3)
- The modeling of concrete beams with different notch offsets indicates that the PF-CZM can naturally predict and reproduce the critical notch offset and the fracture transition process with the rising notch offset without considering mesoscale inhomogeneity.
- (4)
- The modeling of typical double-notched concrete beams indicates that the PF-CZM can predict the interaction between two notches objectively and the changes in the limit load capacity.
Author Contributions
Funding
Institutional Review Board Statement
Informed Consent Statement
Data Availability Statement
Conflicts of Interest
References
- Wu, J.Y. A unified phase-field theory for the mechanics of damage and quasi-brittle failure. J. Mech. Phys. Solids 2017, 103, 72–99. [Google Scholar] [CrossRef]
- Li, J.; Wu, J.; Chen, J. Stochastic Damage Mechanics of Concrete Structures; Science Press: Beijing, China, 2014. [Google Scholar]
- Li, X.; Xu, Y. Phase field modeling scheme with mesostructure for crack propagation in concrete composite. Int. J. Solids Struct. 2022, 234–235, 111259. [Google Scholar] [CrossRef]
- Ren, X.; Chen, J.S.; Li, J.; Slawson, T.R.; Roth, M.J. Micro-cracks informed damage models for brittle solids. Int. J. Solids Struct. 2011, 48, 1560–1571. [Google Scholar] [CrossRef]
- Gorgogianni, A.; Eliáš, J.; Le, J.L. Mesh objective stochastic simulations of quasibrittle fracture. J. Mech. Phys. Solids 2022, 159, 104745. [Google Scholar] [CrossRef]
- Peerlings, R.H.J.; de Borst, R.D.; Brekelmans, W.A.M.; De Vree, J.H.P. Gradient enhanced damage for quasi-brittle materials. Int. J. Numer. Methods Eng. 1996, 39, 3391–3403. [Google Scholar] [CrossRef]
- Lorentz, E. A nonlocal damage model for plain concrete consistent with cohesive fracture. Int. J. Fract. 2017, 207, 123–159. [Google Scholar] [CrossRef]
- Molnár, G.; Doitrand, A.; Jaccon, A.; Prabel, B.; Gravouil, A. Thermodynamically consistent linear-gradient damage model in Abaqus. Eng. Fract. Mech. 2022, 266, 108390. [Google Scholar] [CrossRef]
- Yang, Z.J.; Su, X.T.; Chen, J.F.; Liu, G.H. Monte Carlo simulation of complex cohesive fracture in random heterogeneous quasi-brittle materials. Int. J. Solids Struct. 2009, 46, 3222–3234. [Google Scholar] [CrossRef]
- Su, X.T.; Yang, Z.J.; Liu, G.H. Monte Carlo simulation of complex cohesive fracture in random heterogeneous quasi-brittle materials: A 3D study. Int. J. Solids Struct. 2010, 47, 2336–2345. [Google Scholar] [CrossRef]
- Trawiński, W.; Bobiński, J.; Tejchman, J. Two-dimensional simulations of concrete fracture at aggregate level with cohesive elements based on X-ray μCT images. Eng. Fract. Mech. 2016, 168, 204–226. [Google Scholar] [CrossRef]
- Wu, J.Y.; Li, F.B. An improved stable XFEM (Is-XFEM) with a novel enrichment function for the computational modeling of cohesive cracks. Comput. Methods Appl. Mech. Eng. 2015, 295, 77–107. [Google Scholar] [CrossRef]
- Ferté, G.; Massin, P.; Moës, N. 3D crack propagation with cohesive elements in the extended finite element method. Comput. Methods Appl. Mech. Eng. 2016, 300, 347–374. [Google Scholar] [CrossRef]
- Zhang, P.; Hu, X.; Wang, X.; Yao, W. An iteration scheme for phase field model for cohesive fracture and its implementation in Abaqus. Eng. Fract. Mech. 2018, 204, 268–287. [Google Scholar] [CrossRef]
- Francfort, G.A.; Marigo, J.J. Revisiting brittle fracture as an energy minimization problem. J. Mech. Phys. Solids 1998, 46, 1319–1342. [Google Scholar] [CrossRef]
- Bourdin, B.; Francfort, G.; Marigo, J.J. The Variational Approach to Fracture; Springer: Berlin/Heidelberg, Germany, 2008. [Google Scholar]
- Amor, H.; Marigo, J.J.; Maurini, C. Regularized formulation of the variational brittle fracture with unilateral contact: Numerical experiments. J. Mech. Phys. Solids 2009, 57, 1209–1229. [Google Scholar] [CrossRef]
- Miehe, C.; Welschinger, F.; Hofacker, M. Thermodynamically consistent phase-field models of fracture: Variational principles and multifield FE implementations. Int. J. Numer. Methods Eng. 2010, 83, 1273–1311. [Google Scholar] [CrossRef]
- Zhou, S.; Zhuang, X.; Rabczuk, T. Phase field modeling of brittle compressive-shear fractures in rock-like materials: A new driving force and a hybrid formulation. Comput. Methods Appl. Mech. Eng. 2019, 355, 729–752. [Google Scholar] [CrossRef]
- Cezary, S.; Łukasz, S.; Marcin, S.; Jarosław, G. The use of a two-phase Monte Carlo material model to reflect the dispersion of asphalt concrete fracture parameters. Theor. Appl. Fract. Mech. 2022, 119, 103326. [Google Scholar]
- Dean, A.; Reinoso, J.; Jha, N.K.; Mahdi, E.; Rolfes, R. A phase field approach for ductile fracture of short fibre reinforced composites. Theor. Appl. Fract. Mech. 2020, 106, 102495. [Google Scholar] [CrossRef]
- Pillai, U.; Triantafyllou, S.P.; Essa, Y.; Escalera, F.M. An anisotropic cohesive phase field model for quasi-brittle fractures in thin fibre-reinforced composites. Compos. Struct. 2020, 252, 112635. [Google Scholar] [CrossRef]
- Saikat, D.; Preetam, T.; Somnath, G. Adaptive wavelet-enhanced cohesive zone phase-field FE model for crack evolution in piezoelectric composites. Comput. Methods Appl. Mech. Eng. 2022, 392, 114636. [Google Scholar]
- Wang, F.; Huang, H.; Zhang, D.; Zhou, M. Cracking feature and mechanical behavior of shield tunnel lining simulated by a phase-field modeling method based on spectral decomposition. Tunn. Undergr. Space Technol. 2022, 119, 104246. [Google Scholar] [CrossRef]
- Wu, J.Y. A geometrically regularized gradient-damage model with energetic equivalence. Comput. Methods Appl. Mech. Eng. 2018, 328, 612–637. [Google Scholar] [CrossRef]
- Feng, D.C.; Wu, J.Y. Phase-field regularized cohesive zone model (CZM) and size effect of concrete. Eng. Fract. Mech. 2018, 197, 66–79. [Google Scholar] [CrossRef]
- Wu, J.Y.; Yao, J.R. A model scaling approach for fracture and size effect simulations in solids: Cohesive zone, smeared crack band and phase-field models. Comput. Methods Appl. Mech. Eng. 2022, 400, 115519. [Google Scholar] [CrossRef]
- Nguyen, K.D.; Thanh, C.L.; Vogel, F.; Nguyen, X.H.; Abdel, W.M. Crack propagation in quasi-brittle materials by fourth-order phase-field cohesive zone model. Theor. Appl. Fract. Mech. 2022, 118, 103236. [Google Scholar] [CrossRef]
- Cervera, M.; Barbat, G.B.; Chiumenti, M.; Wu, J.Y. A Comparative Review of XFEM, Mixed FEM and Phase-Field Models for Quasi-brittle Cracking. Arch. Comput. Methods Eng. 2021, 29, 1009–1083. [Google Scholar] [CrossRef]
- Rad, M.M.; Ibrahim, S.K.; Lógó, J. Limit design of reinforced concrete haunched beams by the control of the residual plastic deformation. Structures 2022, 39, 987–996. [Google Scholar]
- Wu, J.Y.; Qiu, J.F.; Nguyen, V.P.; Mandal, T.K.; Zhuang, L.J. Computational modeling of localized failure in solids: XFEM vs PF-CZM. Comput. Methods Appl. Mech. Eng. 2018, 345, 618–643. [Google Scholar] [CrossRef]
- Ritukesh, B.; Fredrik, L.; Ralf, J. Computational homogenisation of phase-field fracture. Eur. J. Mech. A Solids 2021, 88, 104247. [Google Scholar]
- Li, H.; Yang, Z.; Li, B.; Wu, J. A phase-field regularized cohesive zone model for quasi-brittle materials with spatially varying fracture properties. Eng. Fract. Mech. 2021, 256, 107977. [Google Scholar] [CrossRef]
- Zhang, H.; Huang, Y.; Guo, F.; Yang, Z. A meso-scale size effect study of concrete tensile strength considering parameters of random fields. Eng. Fract. Mech. 2022, 269, 108519. [Google Scholar] [CrossRef]
- Huang, Y.; Zhang, H.; Li, B.; Yang, Z.; Wu, J.; Withers, P.J. Generation of high-fidelity random fields from micro CT images and phase field-based mesoscale fracture modelling of concrete. Eng. Fract. Mech. 2021, 249, 107762. [Google Scholar] [CrossRef]
- Hai, L.; Li, J. Modeling tensile damage and fracture of quasi-brittle materials using stochastic phase-field model. Theor. Appl. Fract. Mech. 2022, 118, 103283. [Google Scholar] [CrossRef]
- Xia, Y.; Wu, W.; Yang, Y.; Fu, X. Mesoscopic study of concrete with random aggregate model using phase field method. Constr. Build. Mater. 2021, 310, 125199. [Google Scholar] [CrossRef]
- Li, H.; Huang, Y.; Yang, Z.; Yu, K.; Li, Q.M. 3D meso-scale fracture modelling of concrete with random aggregates using a phase-field regularized cohesive zone model. Int. J. Solids Struct. 2022, 256, 111960. [Google Scholar] [CrossRef]
- Huang, Y.; Yang, Z.; Zhang, H.; Natarajan, S. A phase-field cohesive zone model integrated with cell-based smoothed finite element method for quasi-brittle fracture simulations of concrete at mesoscale. Comput. Methods Appl. Mech. Eng. 2022, 396, 115074. [Google Scholar] [CrossRef]
- Li, W.; Guo, L. Meso-fracture simulation of cracking process in concrete incorporating three-phase characteristics by peridynamic method. Constr. Build. Mater. 2018, 161, 665–675. [Google Scholar] [CrossRef]
- Yang, D.; He, X.; Liu, X.; Deng, Y.; Huang, X. A peridynamics-based cohesive zone model (PD-CZM) for predicting cohesive crack propagation. Int. J. Mech. Sci. 2020, 184, 105830. [Google Scholar] [CrossRef]
- Diehl, P.; Lipton, R.; Wick, T.; Tyagi, M. A comparative review of peridynamics and phase-field models for engineering fracture mechanics. Comput. Mech. 2022, 69, 1259–1293. [Google Scholar] [CrossRef]
- Wang, C.; Dong, W.; Wang, Q. A comparative study on propagation criterion of concrete mode I crack. Eng. Mech. 2016, 33, 89–96. [Google Scholar]
- Wu, P.; Zhou, Z.; Chen, Z. Fracture Mode Transition in Three-Point Bending of Concrete Beams: A Peridynamic Investigation. Chin. J. Solid Mech. 2022, 43, 614–624. [Google Scholar] [CrossRef]
- Pham, K.; Amor, H.; Marigo, J.J.; Maurini, C. Gradient Damage Models and Their Use to Approximate Brittle Fracture. Int. J. Damage Mech. 2011, 20, 618–652. [Google Scholar] [CrossRef]
- Wu, J.Y.; Nguyen, V.P. A length scale insensitive phase-field damage model for brittle fracture. J. Mech. Phys. Solids 2018, 119, 20–42. [Google Scholar] [CrossRef]
- Wu, J.Y.; Huang, Y. Comprehensive implementations of phase-field damage models in Abaqus. Theor. Appl. Fract. Mech. 2020, 106, 102400. [Google Scholar] [CrossRef]
- Navidtehrani, Y.; Betegón, C.; Martínez, P.E. A Unified Abaqus Implementation of the Phase Field Fracture Method Using Only a User Material Subroutine. Materials 2021, 14, 1913. [Google Scholar] [CrossRef]
- Petersson, P.E. Crack Growth and Development of Fracture Zones in Plain Concrete and Similar Materials; TVBM-1006; Division of Building Materials, Lund Institute of Technology: Lund, Sweden, 1981. [Google Scholar]
- Feng, Y.; Li, J. Phase-field cohesive fracture theory: A unified framework for dissipative systems based on variational inequality of virtual works. J. Mech. Phys. Solids 2021, 159, 104737. [Google Scholar] [CrossRef]
- Kang, S.T.; Lee, Y.; Park, Y.D.; Kim, J.K. Tensile fracture properties of an Ultra High Performance Fiber Reinforced Concrete (UHPFRC) with steel fiber. Compos. Struct. 2009, 92, 61–71. [Google Scholar] [CrossRef]
- Gao, D.; Ding, C.; Pang, Y.; Chen, G. An inverse analysis method for multi-linear tensile stress-crack opening relationship of 3D/4D/5D steel fiber reinforced concrete. Constr. Build. Mater. 2021, 309, 125074. [Google Scholar] [CrossRef]
- John, R.; Shah, S.P. Mixed-mode fracture of concrete subjected to impact loading. J. Struct. Eng. 1990, 116, 585–602. [Google Scholar] [CrossRef]
- Zhang, C.; Yang, X.; Gao, H.; Zhu, H. Heterogeneous Fracture Simulation of Three-point Bending Plain-concrete Beam with Double Notches. Acta Mech. Solida Sin. 2016, 29, 232–244. [Google Scholar] [CrossRef]














| Strength Level | Young’s Modulus (GPa) | Poisson’s Ratio | Failure Strength (MPa) | Fracture Energy (N/m) |
|---|---|---|---|---|
| C60 | 35.7 | 0.17 | 4.43 | 128.7 |
| C100 | 41.4 | 0.17 | 5.71 | 147.5 |
| Strength Level | Experimental Mean Peak Load (kN) | Max Predicted Peak Load (kN) | Min Predicted Peak Load (kN) | Optimal Predicted Peak Load (kN) | Optimal Softening Law |
|---|---|---|---|---|---|
| C60 | 3.501 | 4.055 | 3.618 | 3.618 | Exponential |
| C100 | 4.761 | 4.967 | 4.418 | 4.553 | Petersson |
| Notch Depth , = 30 (mm) | Peak Load (kN) | Notch Depth , = 60 (mm) | Peak Load (kN) |
|---|---|---|---|
| 30 | 4.062 | 30 | 4.061 |
| 45 | 4.069 | 45 | 4.065 |
| 60 | 4.205 | 60 | 4.133 |
Publisher’s Note: MDPI stays neutral with regard to jurisdictional claims in published maps and institutional affiliations. |
© 2022 by the authors. Licensee MDPI, Basel, Switzerland. This article is an open access article distributed under the terms and conditions of the Creative Commons Attribution (CC BY) license (https://creativecommons.org/licenses/by/4.0/).
Share and Cite
Xu, X.; Wu, T.; Qian, G.; Kang, F.; Patrick, G.E.; Shi, W. Numerical Modeling of Quasi-Brittle Materials Using a Phase-Field Regularized Cohesive Zone Model with Optimal Softening Law. Appl. Sci. 2022, 12, 12077. https://doi.org/10.3390/app122312077
Xu X, Wu T, Qian G, Kang F, Patrick GE, Shi W. Numerical Modeling of Quasi-Brittle Materials Using a Phase-Field Regularized Cohesive Zone Model with Optimal Softening Law. Applied Sciences. 2022; 12(23):12077. https://doi.org/10.3390/app122312077
Chicago/Turabian StyleXu, Xunqian, Tongxin Wu, Guangyao Qian, Fengyi Kang, Ganhouegnon Eric Patrick, and Wenkang Shi. 2022. "Numerical Modeling of Quasi-Brittle Materials Using a Phase-Field Regularized Cohesive Zone Model with Optimal Softening Law" Applied Sciences 12, no. 23: 12077. https://doi.org/10.3390/app122312077
APA StyleXu, X., Wu, T., Qian, G., Kang, F., Patrick, G. E., & Shi, W. (2022). Numerical Modeling of Quasi-Brittle Materials Using a Phase-Field Regularized Cohesive Zone Model with Optimal Softening Law. Applied Sciences, 12(23), 12077. https://doi.org/10.3390/app122312077
