Sloshing of Liquid in a Cylindrical Tank with Multiple Baffles and Considering Soil-Structure Interaction
Abstract
1. Introduction
2. Subdomain Partition Method for Fluid
3. Equivalent Model for Sloshing
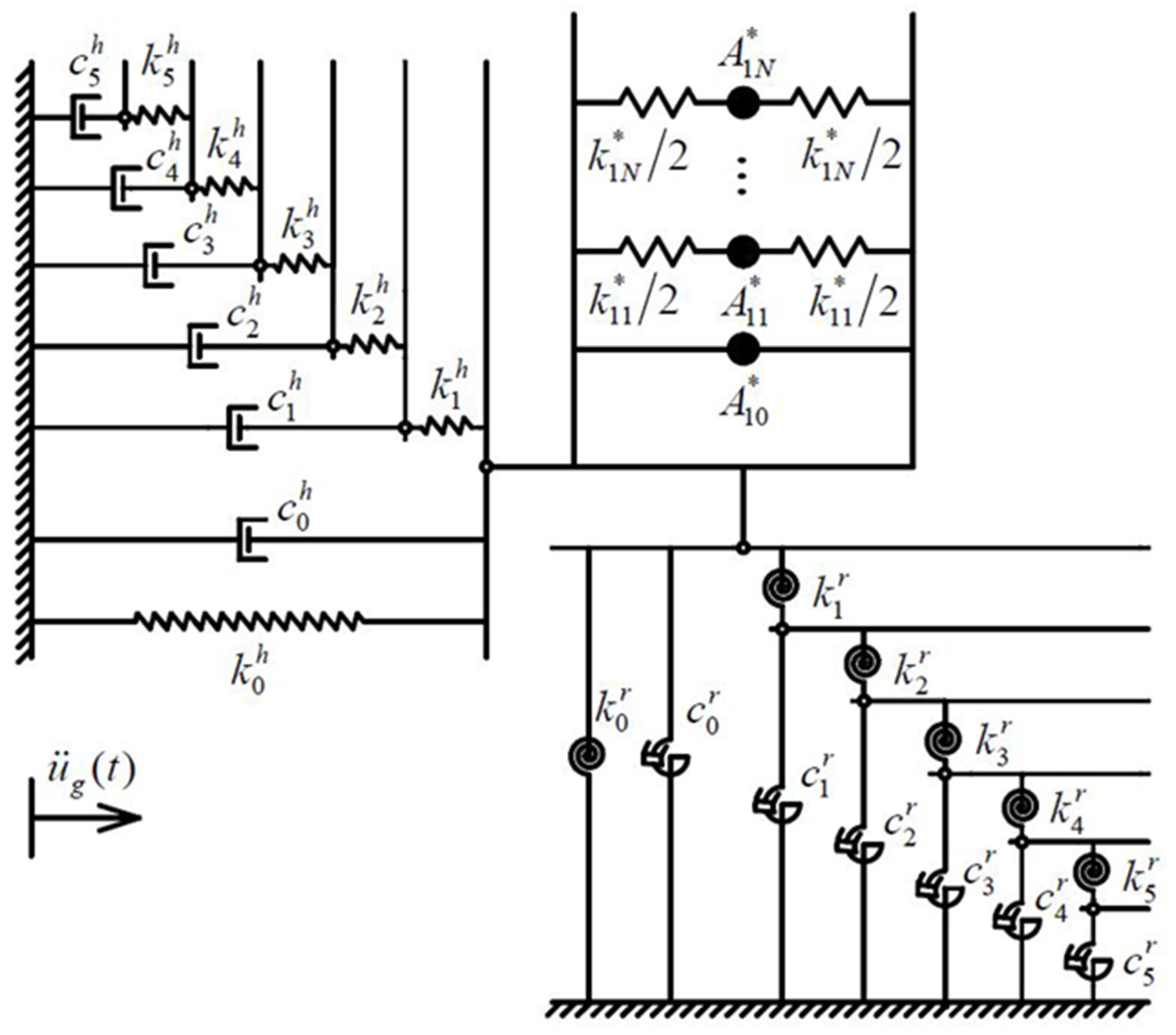
4. Soil–Tank Coupling Model
5. Comparison Studies
6. Parameter Analysis
6.1. The Effect of Baffle
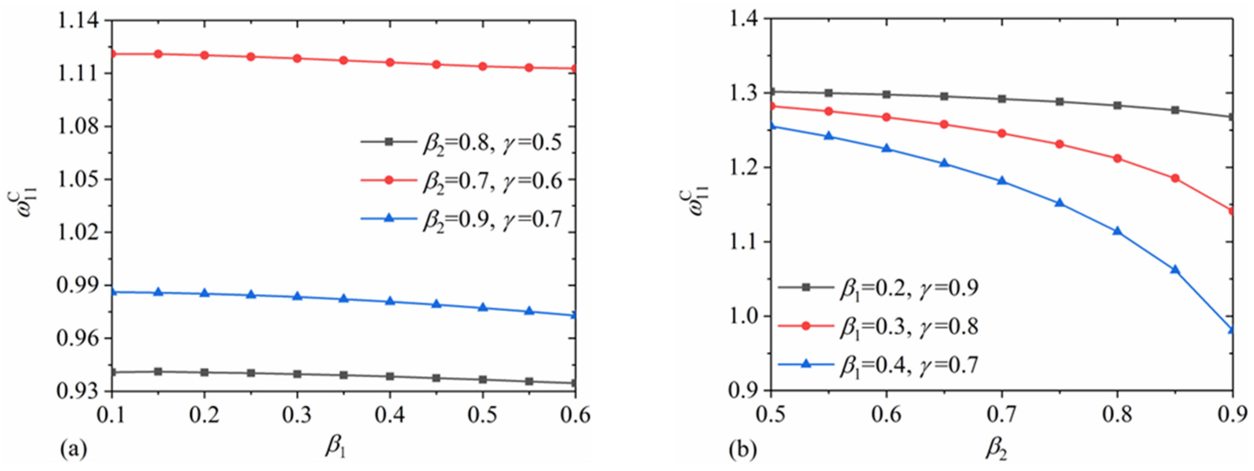
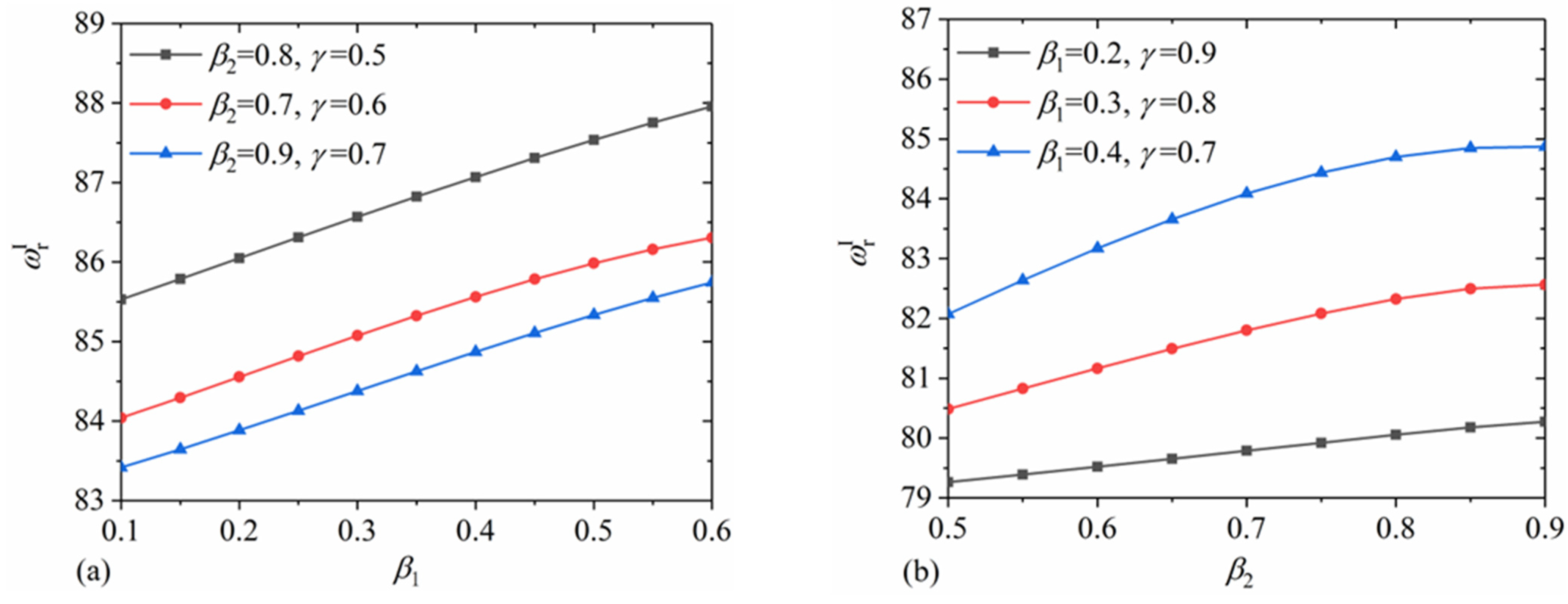
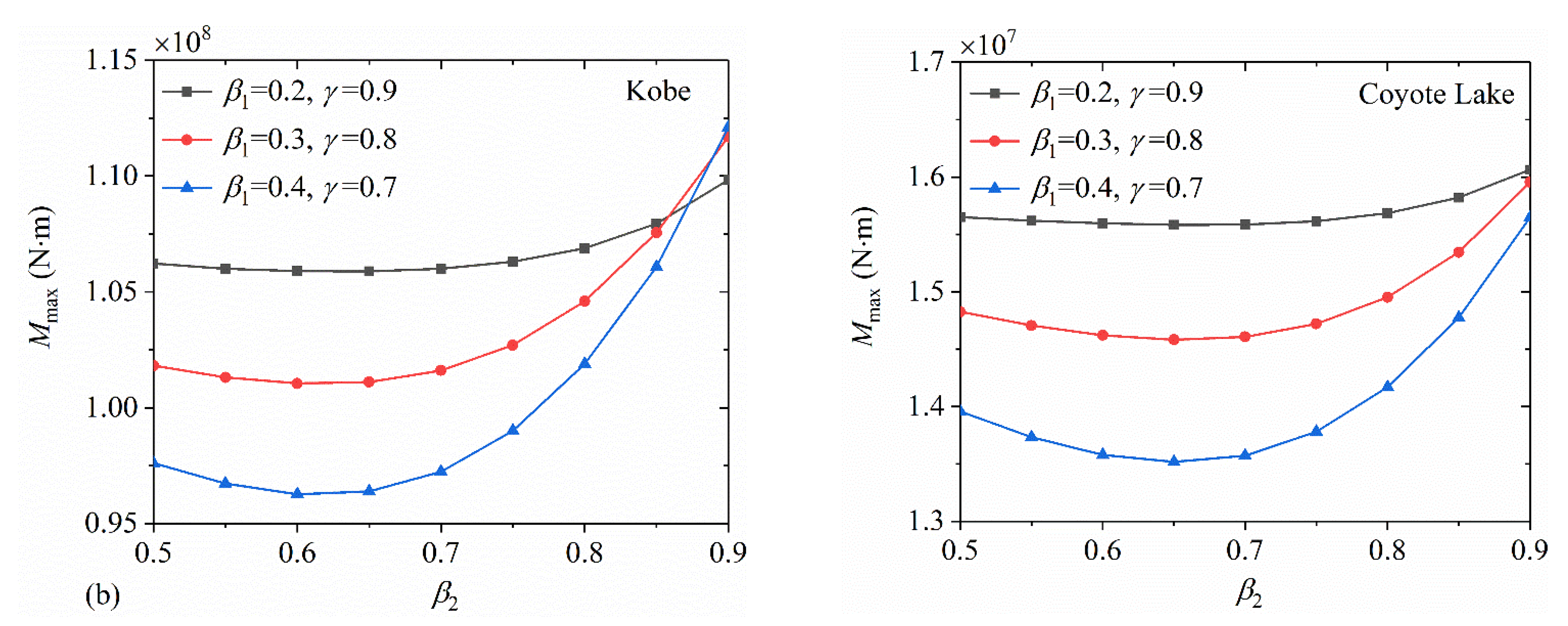
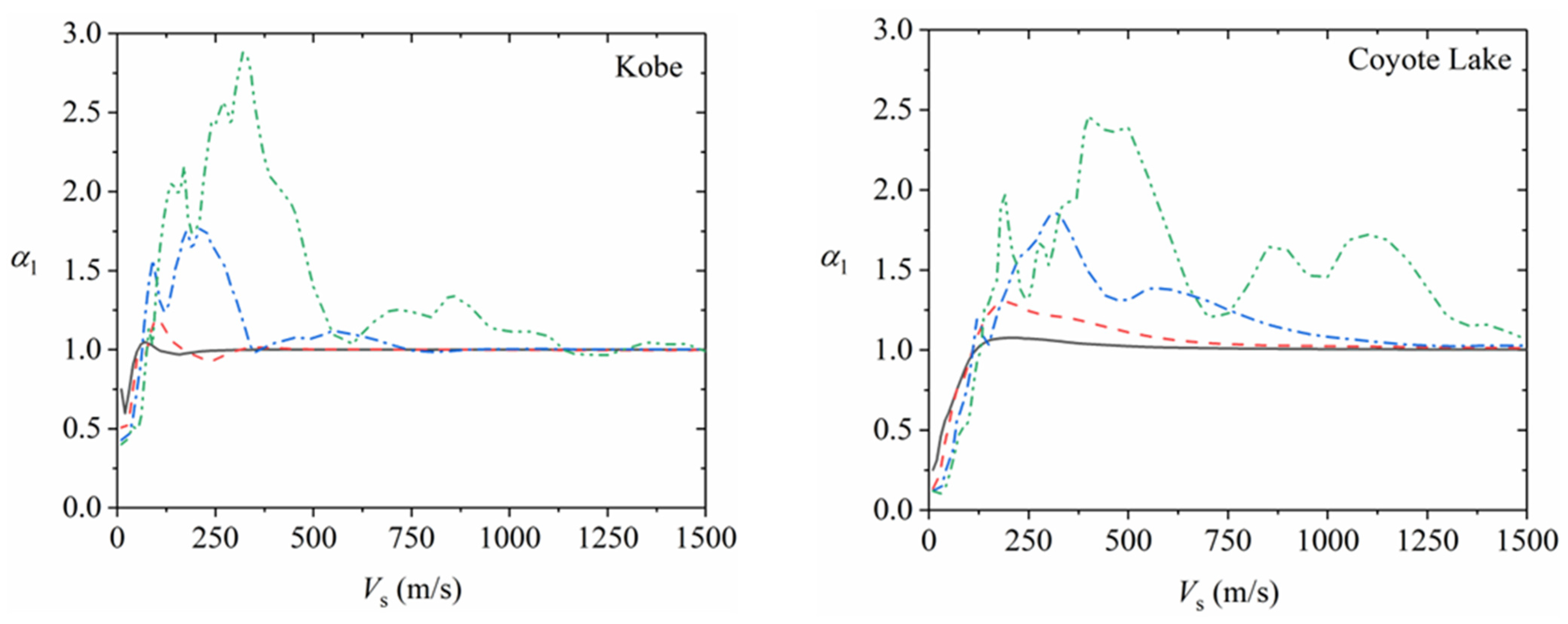
6.2. The Effect of Soil
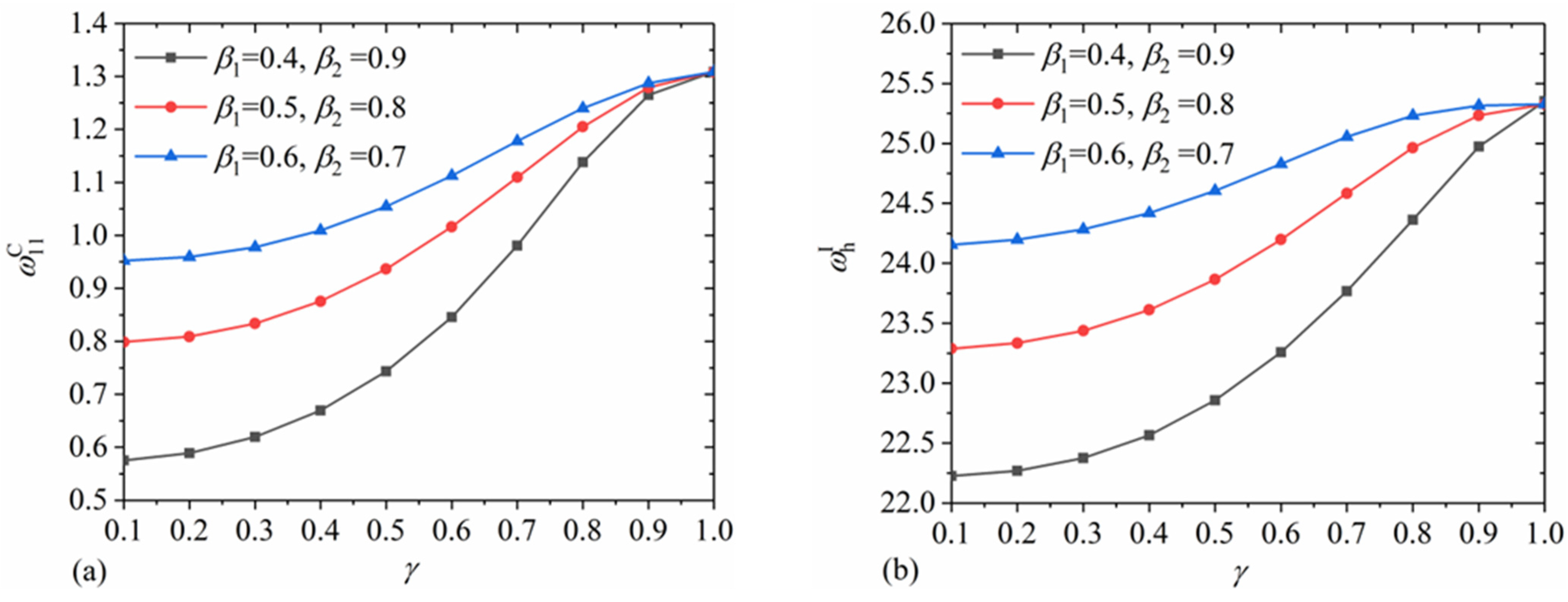
6.3. The Effect of Liquid Height
7. Conclusions
Author Contributions
Funding
Conflicts of Interest
Nomenclature
| Notation | Physical Meaning | Unit |
| ϕ | Liquid velocity potential | m2/s |
| Liquid impulsive and convective velocity potential | m2/s | |
| Liquid density | kg/m3 | |
| Gravity acceleration | m/s2 | |
| Surface wave height | m | |
| The Mth baffle height | m | |
| Liquid height | m | |
| Inner radius of baffles | m | |
| Inner radius of the tank | m | |
| Dimensional baffle height | - | |
| Dimensional liquid height | - | |
| Dimensional inner radius of baffles | - | |
| The ith subdomain of liquid | - | |
| The nth sloshing mode for the ith subdomain of liquid | m | |
| The artificial surface for the ith subdomain of liquid | - | |
| The nth order convective sloshing frequency | rad/s | |
| Horizontal and rotational impulsive frequencies | Rad/s, rad/s | |
| The maximum of the hydrodynamic shear force and overturning moment | ||
| Horizontal displacement and rotation angle at the circular base relative to those at bedrock | m, rad | |
| N | The convective mass order in the equivalent model for liquid sloshing | - |
| The sloshing displacement relative to the wall for the nth convective mass | m | |
| The nth order convective mass for the equivalent model for liquid sloshing | kg | |
| The spring stiffness for the nth convective mass | N/m | |
| The impulsive mass in the equivalent model for liquid sloshing | kg | |
| The equivalent height for the nth order convective mass | m | |
| The equivalent height for the nth order impulsive mass | m | |
| The radius of the circular surface foundation | m | |
| The shear wave velocity of soil | m/s | |
| The soil Poisson ratio | - | |
| The normalized frequency | - | |
| Dynamic impedance | N/m | |
| Dynamic flexibility | m/N | |
| Static flexibility | m/N | |
| The orders for horizontal and rocking nested LPMs | - | |
| Static stiffnesses of horizontal and rocking nested LPMs | N/m, N/m | |
| Stiffness and damping coefficients for degree of freedom for the horizontal nested LPM | - | |
| Stiffness and damping coefficients for degree of freedom for the rocking nested LPM | - | |
| M, C, K | the mass, the damping and the stiffness matrices of the coupling system | |
| Horizontal acceleration at bedrock | m/s2 | |
| Ratio of maximum shear under flexible foundation to that under rigid foundation | - | |
| Ratio of maximum moment under flexible foundation to that under rigid foundation | - | |
| Ratio of the maximum of the horizontal absolute acceleration for the base to the maximum of the horizontal acceleration at the bedrock | - |
Appendix A
References
- Gu, Z.Y.; Wang, S.G.; Du, D.S.; Liu, W.Q. Random seismic responses and reliability of isolated structures based on probability density evolution method. J. Vib. Shock. 2018, 37, 97–103. [Google Scholar]
- Jing, W.; Feng, H.; Cheng, X. Dynamic Responses of Liquid Storage Tanks Caused by Wind and Earthquake in Special Environment. Appl. Sci. 2019, 9, 2376. [Google Scholar] [CrossRef]
- Amabili, M. Eigenvalue problems for vibrating structures coupled with quiescent fluids with free surface. J. Sound Vib. 2000, 231, 79–97. [Google Scholar] [CrossRef]
- Wang, W.; Peng, Y.; Wei, Z.; Guo, Z.; Jiang, Y. High performance analysis of liquid sloshing in horizontal circular tanks with internal body by using IGA-SBFEM. Eng. Anal. Bound. Elements 2019, 101, 1–16. [Google Scholar] [CrossRef]
- Lee, C.-B.; Lee, J.-H. Nonlinear Dynamic Response of a Concrete Rectangular Liquid Storage Tank on Rigid Soil Subjected to Three-Directional Ground Motion. Appl. Sci. 2021, 11, 4688. [Google Scholar] [CrossRef]
- Housner, G.W. The dynamic behavior of water tanks. Bull. Seismol. Soc. Am. 1963, 53, 381–387. [Google Scholar] [CrossRef]
- Xue, M.-A.; Chen, Y.; Zheng, J.; Qian, L.; Yuan, X. Fluid dynamics analysis of sloshing pressure distribution in storage vessels of different shapes. Ocean Eng. 2019, 192, 106582. [Google Scholar] [CrossRef]
- Baghban, M.H.; Tosee, S.V.R.; Valerievich, K.A.; Najafi, L.; Faridmehr, I. Seismic Analysis of Baffle-Reinforced Elevated Storage Tank Using Finite Element Method. Buildings 2022, 12, 549. [Google Scholar] [CrossRef]
- Tang, Y.-Y.; Liu, Y.-D.; Chen, C.; Chen, Z.; He, Y.-P.; Zheng, M.-M. Numerical study of liquid sloshing in 3D LNG tanks with unequal baffle height allocation schemes. Ocean Eng. 2021, 234, 109181. [Google Scholar] [CrossRef]
- Zhang, Z.; Khalid, M.; Long, T.; Chang, J.; Liu, M. Investigations on sloshing mitigation using elastic baffles by coupling smoothed finite element method and decoupled finite particle method. J. Fluids Struct. 2020, 94, 102942. [Google Scholar] [CrossRef]
- Biswal, K.C.; Bhattacharyya, S.K.; Sinha, P.K. Dynamic response analysis of a liquid-filled cylindrical tank with annular baffle. J. Sound Vib. 2004, 274, 13–37. [Google Scholar] [CrossRef]
- Ünal, U.O.; Bilici, G.; Akyıldız, H. Liquid sloshing in a two-dimensional rectangular tank: A numerical investigation with a T-shaped baffle. Ocean Eng. 2019, 187, 106183. [Google Scholar] [CrossRef]
- Fang, Q.; Sun, J.; Qiu, H.; Qi, Y.; Chun, Q. Experimental Investigation of Liquid Sloshing in Cylindrical Tank with Ring Baffles Under Seismic Excitation. Arab. J. Sci. Eng. 2022. [Google Scholar] [CrossRef]
- Yu, L.; Xue, M.-A.; Zheng, J. Experimental study of vertical slat screens effects on reducing shallow water sloshing in a tank under horizontal excitation with a wide frequency range. Ocean Eng. 2019, 173, 131–141. [Google Scholar] [CrossRef]
- Xue, M.A.; Zheng, J.H.; Lin, P.Z.; Yuan, X.L. Experimental study on vertical baffles of different configurations in suppressing sloshing pressure. Ocean. Eng. 2017, 136, 178–189. [Google Scholar] [CrossRef]
- Sakai, H.; Uemichi, A.; Takai, A.; Yamasaki, Y.; Kaneko, S. Sloshing in a Horizontal Cylindrical Tank Subjected to Pitching Excitation and Damping Effects by Perforated Plates. J. Press. Vessel Technol. 2017, 139, 041302. [Google Scholar] [CrossRef]
- Wang, J.; Lo, S.; Zhou, D. Liquid sloshing in rigid cylindrical container with multiple rigid annular baffles: Free vibration. J. Fluids Struct. 2012, 34, 138–156. [Google Scholar] [CrossRef]
- Wang, J.; Lo, S.; Zhou, D. Sloshing of liquid in rigid cylindrical container with multiple rigid annular baffles: Lateral excitations. J. Fluids Struct. 2013, 42, 421–436. [Google Scholar] [CrossRef]
- Meng, X.; Zhou, D.; Wang, J. Effect of Vertical Elastic Baffle on Liquid Sloshing in Rectangular Rigid Container. Int. J. Struct. Stab. Dyn. 2021, 21, 2150167. [Google Scholar] [CrossRef]
- Cao, Z.; Wang, J. A Semi-Analytical Solution of Liquid Response in a Two-Dimensional Rectangular Tank with a Vertical Rigid Baffle Under Pitching Excitation. Int. J. Struct. Stab. Dyn. 2022, 22. [Google Scholar] [CrossRef]
- Sun, Y.; Zhou, D.; Wang, J. An equivalent mechanical model for fluid sloshing in a rigid cylindrical tank equipped with a rigid annular baffle. Appl. Math. Model. 2019, 72, 569–587. [Google Scholar] [CrossRef]
- Sun, Y.; Zhou, D.; Wang, J.; Han, H. Lumped Parameter Model for Liquid Sloshing in a Cylindrical Tank Equipped with Multiple Annular Baffles. J. Struct. Eng. 2021, 147, 04021042. [Google Scholar] [CrossRef]
- Sahraeian, S.M.S.; Takemura, J.; Seki, S. An investigation about seismic behavior of piled raft foundation for oil storage tanks using centrifuge modelling. Soil Dyn. Earthq. Eng. 2018, 104, 210–227. [Google Scholar] [CrossRef]
- Kumar, H.; Saha, S.K. Effects of Soil-Structure Interaction on Seismic Response of Fixed Base and Base Isolated Liquid Storage Tanks. J. Earthq. Eng. 2022, 26, 6148–6171. [Google Scholar] [CrossRef]
- Park, H.-J.; Ha, J.-G.; Kwon, S.-Y.; Lee, M.-G.; Kim, D.-S. Investigation of the dynamic behaviour of a storage tank with different foundation types focusing on the soil-foundation-structure interactions using centrifuge model tests. Earthq. Eng. Struct. Dyn. 2017, 46, 2301–2316. [Google Scholar] [CrossRef]
- Hernandez-Hernandez, D.; Larkin, T.; Chouw, N. Lid induced sloshing suppression and evaluation of wall stresses in a liquid storage tank including seismic soil-structure interaction. Earthq. Eng. Struct. Dyn. 2022, 51, 2708–2729. [Google Scholar] [CrossRef]
- Ormeño, M.; Larkin, T.; Chouw, N. Experimental study of the effect of a flexible base on the seismic response of a liquid storage tank. Thin-Walled Struct. 2019, 139, 334–346. [Google Scholar] [CrossRef]
- Veletsos, A.S.; Wei, Y.T. Lateral and rocking vibration of footings. J. Soil Mech. Found. Div. 1971, 97, 1227–1248. [Google Scholar] [CrossRef]
- Wu, W.H.; Lee, W.H. Systematic lumped-parameter models for foundations based on polynomial-fraction approximation. Earthq. Eng. Struct. Dyn. 2002, 31, 1383–1412. [Google Scholar] [CrossRef]
- Haroun, M.A.; Abou-Izzeddine, W. Parametric study of seismic soil-tank interaction. I: Horizontal excitation. J. Struct. Eng. 1992, 118, 783–797. [Google Scholar] [CrossRef]
- Wu, W.-H.; Lee, W.-H. Nested lumped-parameter models for foundation vibrations. Earthq. Eng. Struct. Dyn. 2004, 33, 1051–1058. [Google Scholar] [CrossRef]
- Wang, J.; Zhou, D.; Liu, W.Q.; Wang, S.G. Nested lumped-parameter model for foundation with strongly frequency-dependent impedance. J. Earthq. Eng. 2016, 20, 975–991. [Google Scholar] [CrossRef]
- Lyu, Y.; Sun, J.; Sun, Z.; Cui, L.; Wang, Z. Simplified mechanical model for seismic design of horizontal storage tank considering soil-tank-liquid interaction. Ocean Eng. 2020, 198, 106953. [Google Scholar] [CrossRef]
- Ying, L.; Meng, X.; Zhou, D.; Xu, X.; Zhang, J.; Li, X. Sloshing of fluid in a baffled rectangular aqueduct considering soil-structure interaction. Soil Dyn. Earthq. Eng. 2019, 122, 132–147. [Google Scholar] [CrossRef]
- Meng, X.; Li, X.; Xu, X.; Zhang, J.; Zhou, W.; Zhou, D. Earthquake Response of Cylindrical Storage Tanks on an Elastic Soil. J. Vib. Eng. Technol. 2019, 7, 433–444. [Google Scholar] [CrossRef]















.
.
.
.
.

| Coefficient | Stiffness | Coefficient | Damping | ||
|---|---|---|---|---|---|
| Horizontal | Rocking | Horizontal | Rocking | ||
| −0.1400 | −0.4977 | 0.6545 | 0.3927 | ||
| 0.6235 | −2.7993 | −0.1187 | −0.4663 | ||
| −0.1846 | 167.2036 | 0.0726 | 2.5569 | ||
| 0.1653 | −0.0038 | −0.0392 | −2.4834 | ||
| −0.4609 | 0.0038 | 0.0655 | −0.0001 | ||
| - | - | - | −0.0694 | 0.0188 | |
| Present | Literature [30] | Errors | Present | Literature [30] | Errors | Present | Literature [30] | Errors | |
|---|---|---|---|---|---|---|---|---|---|
| 150 | 1.9442 | 1.8412 | 5.59% | 2.0398 | 1.9148 | 6.53% | 1.1008 | 1.0525 | 4.59% |
| 200 | 1.8109 | 1.6652 | 8.75% | 1.8394 | 1.7410 | 5.65% | 1.2835 | 1.2030 | 6.69% |
| 250 | 1.5388 | 1.4484 | 6.24% | 1.5690 | 1.5172 | 3.41% | 1.2270 | 1.1619 | 5.60% |
| 600 | 1.2051 | 1.3190 | −8.63% | 1.2416 | 1.3602 | −8.72% | 0.9780 | 1.0012 | −2.32% |
| 800 | 1.0508 | 1.1324 | −7.21% | 1.0933 | 1.1587 | −5.64% | 1.0202 | 1.0024 | 1.78% |
| 1200 | 1.0204 | 1.0430 | −2.17% | 1.0210 | 1.0882 | −6.18% | 1.0085 | 1.0012 | 0.73% |
| Earthquake | RSN | Event | Year | Station | Tp (s) | Record | PGA (g) |
|---|---|---|---|---|---|---|---|
| NF | 1106 | Kobe | 1995 | KJMA | 1.092 | KJM-000 | 0.834 |
| FF | 154 | Coyote Lake | 1979 | San Juan Bautista | - | SJB-303 | 0.106 |
| 150 | 200 | 250 | 600 | 800 | 1200 | Rigid | |
|---|---|---|---|---|---|---|---|
| 1.2673 | 1.2678 | 1.2681 | 1.2684 | 1.2685 | 1.2685 | 1.2685 | |
| 2.2772 | 2.2773 | 2.2773 | 2.2774 | 2.2774 | 2.2774 | 2.2774 | |
| 2.8903 | 2.8904 | 2.8904 | 2.8904 | 2.8904 | 2.8904 | 2.8904 | |
| 3.3859 | 3.3859 | 3.3859 | 3.3860 | 3.3860 | 3.3860 | 3.3860 | |
| 3.8164 | 3.8165 | 3.8165 | 3.8165 | 3.8165 | 3.8165 | 3.8165 | |
| 25.4219 | 33.8798 | 42.3405 | 101.5847 | 135.4423 | 203.1592 | - | |
| 81.1651 | 108.2175 | 135.2704 | 324.6435 | 432.8573 | 649.2853 | - |
Publisher’s Note: MDPI stays neutral with regard to jurisdictional claims in published maps and institutional affiliations. |
© 2022 by the authors. Licensee MDPI, Basel, Switzerland. This article is an open access article distributed under the terms and conditions of the Creative Commons Attribution (CC BY) license (https://creativecommons.org/licenses/by/4.0/).
Share and Cite
Sun, Y.; Zhou, D.; Wang, J.; Gu, Z.; Qian, W. Sloshing of Liquid in a Cylindrical Tank with Multiple Baffles and Considering Soil-Structure Interaction. Appl. Sci. 2022, 12, 11841. https://doi.org/10.3390/app122211841
Sun Y, Zhou D, Wang J, Gu Z, Qian W. Sloshing of Liquid in a Cylindrical Tank with Multiple Baffles and Considering Soil-Structure Interaction. Applied Sciences. 2022; 12(22):11841. https://doi.org/10.3390/app122211841
Chicago/Turabian StyleSun, Ying, Ding Zhou, Jiadong Wang, Zhenyuan Gu, and Wangping Qian. 2022. "Sloshing of Liquid in a Cylindrical Tank with Multiple Baffles and Considering Soil-Structure Interaction" Applied Sciences 12, no. 22: 11841. https://doi.org/10.3390/app122211841
APA StyleSun, Y., Zhou, D., Wang, J., Gu, Z., & Qian, W. (2022). Sloshing of Liquid in a Cylindrical Tank with Multiple Baffles and Considering Soil-Structure Interaction. Applied Sciences, 12(22), 11841. https://doi.org/10.3390/app122211841

