Abstract
Previously conducted studies have established that all-light ceramsite concrete has the characteristics of light weight and high strength. It is a good material for strengthening and has a good application prospect when strengthening existing RC columns by the enlarged cross-section method. Additionally, a good combination of new-to-old concrete is crucial to the best performance of RC columns strengthened by the enlarged section method. Therefore, to investigate more comprehensively the axial compression reinforcement effect of RC short columns strengthened with all-light ceramsite concrete, one unreinforced short column, one RC short column strengthened by ordinary concrete, and four RC short columns strengthened by all-light ceramsite concrete with different interface treatments were produced. Moreover, axial pressure tests were conducted on them. The findings showed the following: (i) Short-column specimens strengthened by all-light ceramsite concrete had obvious ductile damage characteristics. (ii) The type of bonding surface greatly affected the strengthening effect. The order of ultimate load-bearing capacity improvement was post-installed rebar + epoxy resin interface agent, epoxy resin interface agent, post-installed rebar, and chiseling. (iii) When post-installed rebar + interface agent was used, the epoxy resin interface agent played the primary role during the pre- and mid-loading period. The post-installed rebar started to function only in the mid- and late-loading period. (iv) Strain growth of the existing longitudinal bar and strengthening longitudinal bar was not synchronized in the late-loading period. The strain in the existing longitudinal bar grew rapidly and nonlinearly, while the strengthening longitudinal bar still grew linearly. (v) The calculation formula in specification GB50367-2013 is also applicable to ceramsite concrete, and the correction factor can still be 0.8. When the interface treatment method is post-installed rebar + epoxy resin interface agent, the correction factor can be 0.9.
1. Introduction
The strengthening and retrofitting of existing aged buildings has been a research interest for decades and has received extensive attention from researchers all over the world [1,2]. The enlarging cross-section method has the characteristics of a simple process, reliable force, and low cost of reinforcement. It is widely used to repair and strengthen structures such as beams [3] and columns [4,5]. However, the enlarging cross-section method reinforcement was mostly made of denser ordinary concrete in existing column reinforcement projects. This results in a significant increase in the reinforced structure’s self-weight, which would have a certain impact on the mechanical properties of the strengthened structure. All-light ceramsite concrete has lightweight and high-strength characteristics, making it 25–30% lower in weight compared to ordinary concrete of the same strength [6,7]. The use of all-light ceramsite concrete as a material for strengthening engineered structures allows for a lower increase in the self-weight of the reinforced structure. In addition, all-light ceramsite concrete has better thermal insulation, heat insulation, sound insulation, fire resistance, seismic resistance, and no alkali-aggregate reaction, along with other advantages because of the special structure of shale ceramsite particles [8,9,10]. Zhang and Liu [11,12] carried out experimental studies of encased ceramsite concrete outsourced H-beam and covered ceramsite concrete outsourced T-beam columns. The results showed that the encased ceramsite concrete has good bonding performance with the steel cross-sections. Beam and column bearing capacity, stiffness, and ductility are greatly improved. Thus, if the load-bearing performance of the all-light ceramsite-concrete-strengthened engineered structure could be guaranteed, the application of the enlarging cross-section method for strengthening engineered structures could be broadened. This would be of great significance in promoting the development of engineered structural reinforcement.
The enlarged cross-section method of column strengthening is a combination of new-to-old concrete cross-section of columns. Therefore, better shear transfer between the new-to-old concrete is essential for the reinforced column to exert its own load-bearing capacity. Established studies have demonstrated that the synergy between new-to-old concrete depends mainly on the treatment and construction of the bonding surface [13]. When adding interfacial agents and increasing roughness are used at the interface of new-to-old concrete, they all significantly affect the bond between them [14,15,16].
For the former, the most common epoxy resin interfacial agent was used as an example, which could enhance interfacial adhesion by any fiber [17]. Existing findings pointed out that when epoxy-type interface agents are used for concrete of different ages and compositions, their tensile properties [18] and shear properties [19] show greater improvement than other interface agents on the bond surface of new-to-old concrete. In addition, epoxy-based interfacial agents can exert a sizeable cohesive force under different humidity and other environmental factors [20,21]. For the latter, He [22] found through an experiment that the bond strength between new-to-old concrete increased approximately linearly as the roughness of the interface grew. Furthermore, the ways to increase roughness (grooving [23,24], hand-brushing [25], sand-blasting [26,27], wrapping [28], drilling [29], and hand-chiseling [30]) also proved to affect the bond strength of the new-to-old concrete.
With intensive research and extensive reinforcement works, post-installed rebar had become a new and effective method to improve the ultimate bearing capacity of new-to-old concrete specimens [31]. A reasonable and scientific setting of the location of the post-installed rebar would change the failure of the specimen interface from brittle failure without reinforcement to ductile failure. This can significantly improve the ultimate shear-bearing capacity of the new-to-old concrete interfaces [32,33]. Furthermore, Jiang [34] found that both cracking strength and ultimate strength can increase with the growth in reinforcement ratios. However, when the reinforcement ratios reach 1.8%, it plateau and stops growing. Mohammad [35] pointed out that lightweight concrete has better bonding properties with reinforcing steel than ordinary concrete. In summary, although some progress has been made in the study of interface treatment methods (increasing roughness, adding epoxy-based interface agents, and post-installed rebar) for reinforced members with enlarged sections, there are still aspects that need to be supplemented. On the one hand, a comparative study of different bonding interface treatments was missing. On the other hand, they all carried out the research with ordinary concrete as the reinforcement material. Therefore, the research results might not provide a scientific reference for the works related to ceramsite-concrete-reinforced columns. Fortunately, the above studies provide us with good research ideas.
Analyzing the above, it can be seen that strengthening concrete short columns with ceramsite concrete has good engineering prospects. However, most of the existing studies were conducted with ordinary concrete as the reinforcement material, and the comparative study of different bonding interfaces for the enlarged section method was insufficient. This has hindered the development of the field of engineered structural reinforcement. Therefore, the purpose of this study is to comprehensively investigate the axial compressive load-bearing performance of RC short columns strengthened with all-light ceramsite concrete with different bonding interface treatments. In order to achieve this goal, the following work was carried out: Four ceramsite-concrete-strengthened short columns with different bonding surface treatments (chiseling, interface agent, post-installed rebar, and post-installed rebar + chiseling.), one unstrengthened short column, and one ordinary concrete-strengthened short column were tested in axial compression. The research includes the axial compression damage morphology of strengthened short columns, interface force mechanism, and bearing capacity calculation method. The research results are expected to provide a basis for the research application of the axial compression performance of ceramsite-concrete-strengthened RC short columns in the engineering field.
2. Test Survey
2.1. Test Materials
Longitudinal main reinforcement was HRB400 hot-rolled ribbed steel bar. The stirrups were HPB235 hot-rolled smooth round steel bar. Moreover, the post-installed rebar was HRB335 hot-rolled ribbed steel bar. The diameter of the existing longitudinal bars was 12 mm (yield strength was 403 MPa, tensile strength was 543 MPa). The strengthening longitudinal bar diameter was 14 mm (yield strength was 411 MPa, tensile strength was 596 MPa). The existing stirrups diameter was 6 mm, the strengthening stirrups diameter was 8 mm, and the post-installed rebar diameter was 6 mm.
Crushed-stone-type shale (900-grade) ceramsite granules, produced in Yichang City, Hubei province, China, were selected as the coarse aggregate for the LC50 ceramsite concrete. Ordinary gravel was used as the coarse aggregate for the C30 and C50 ordinary concrete. Fine aggregate used for the LC50 ceramsite concrete was ceramsite sand produced in Yichang City, Hubei province, China. The fine aggregate for C30 and C50 ordinary concrete was river sand, which met the grading requirements.
Huaxin-brand P.O.42.5 ordinary Portland cement was adopted in test. It was produced in Yichang City, Hubei province, China. The water-reducing agents were high-performance polycarboxylate superplasticizers produced in Qingdao City, Shandong province, China. Qingdao ZhuoNengda manufactured the epoxy resin adhesion agent used in this test. It was produced in Qingdao City, Shandong province, China. (Its shear bond strength was 1.5 MPa and the tensile adhesive strength was 0.6 MPa)
The test water was produced in Wuhan City, Hubei province, China.
2.2. Concrete Mix Proportion
Existing columns were poured with C30 concrete (mix proportions are shown in Table 1). Because of the low elastic modulus of all-light ceramsite concrete, the elastic modulus of ceramsite concrete for reinforcement was as close as possible to that of existing column concrete by growing the strength of its mix. After trial formulation, the concrete for reinforcement was LC50 all-light ceramsite concrete (mix proportions are shown in Table 2). The ordinary concrete used in the comparison study was C50 concrete (mix proportions are shown in Table 3).
Table 1.
Existing column C30 ordinary concrete mix proportion (kg/m3).
Table 2.
LC50 all-light ceramsite concrete mix proportion (kg/m3).
Table 3.
C50 ordinary concrete mix proportion for reinforcement (kg/m3).
Column C1 and all columns to be strengthened were poured with C30 concrete. The concrete used for strengthening column specimen C2 was C50 ordinary concrete. The concrete for the reinforced portion of the column specimens C3 to C6 was LC50 all-light ceramsite concrete. When various types of test columns were poured, the same batch of concrete would be used to make cubic test blocks to determine the compressive strength of various types of concrete cubic specimens (see Table 4). Additionally, test columns and test cubes were maintained naturally by using an indoor water sprinkling for 28 days, i.e., until the axial compression test of the test column.
Table 4.
Measured concrete cubic compressive strength during the compression test of column specimens.
2.3. Column Specimens
There were six specimens in this test. The parameters of the column specimens are shown in Table 5. The concrete strength grade of existing columns was C30. Section size was 150 mm × 150 mm. The reinforcement ratio of existing columns was designed according to code for the design of concrete structures (GB50010-2010) [36]. Longitudinal bars were 4 C 12. The distribution of the stirrups at the top and bottom of the column were 4 A 6 @ 40 and 3 A 6 @ 100 in the middle of the column, as shown in Figure 1a.
Table 5.
Main parameters of the column specimens.
Figure 1.
Column specimen construction and strain gauge arrangement (unit: mm). (a) Column specimen C1; (b) Column specimens C2–C6.
The dimensions of the strengthened column were 250 mm × 250 mm. The reinforcement part was designed according to the Code for Design of Strengthening Concrete Structures (GB50367-2013) [37]. The distribution of the stirrups at the top and bottom of the column were 4 A 8 @ 40 and 3 A 8 @ 100 in the middle of the column, as shown in Figure 1b. The concrete protection-cover depth was 25 mm in all cases.
Column specimen C1 was an existing column without strengthening. Column specimen C2 was strengthened with ordinary C50 concrete. Column specimens C3-C6 were strengthened with LC50 all-light ceramsite concrete. Column specimens C2-C6 reinforcement size and distributed steel were consistent. The specimen schematic and photos are shown in Figure 1, Figure 2 and Figure 3.
Figure 2.
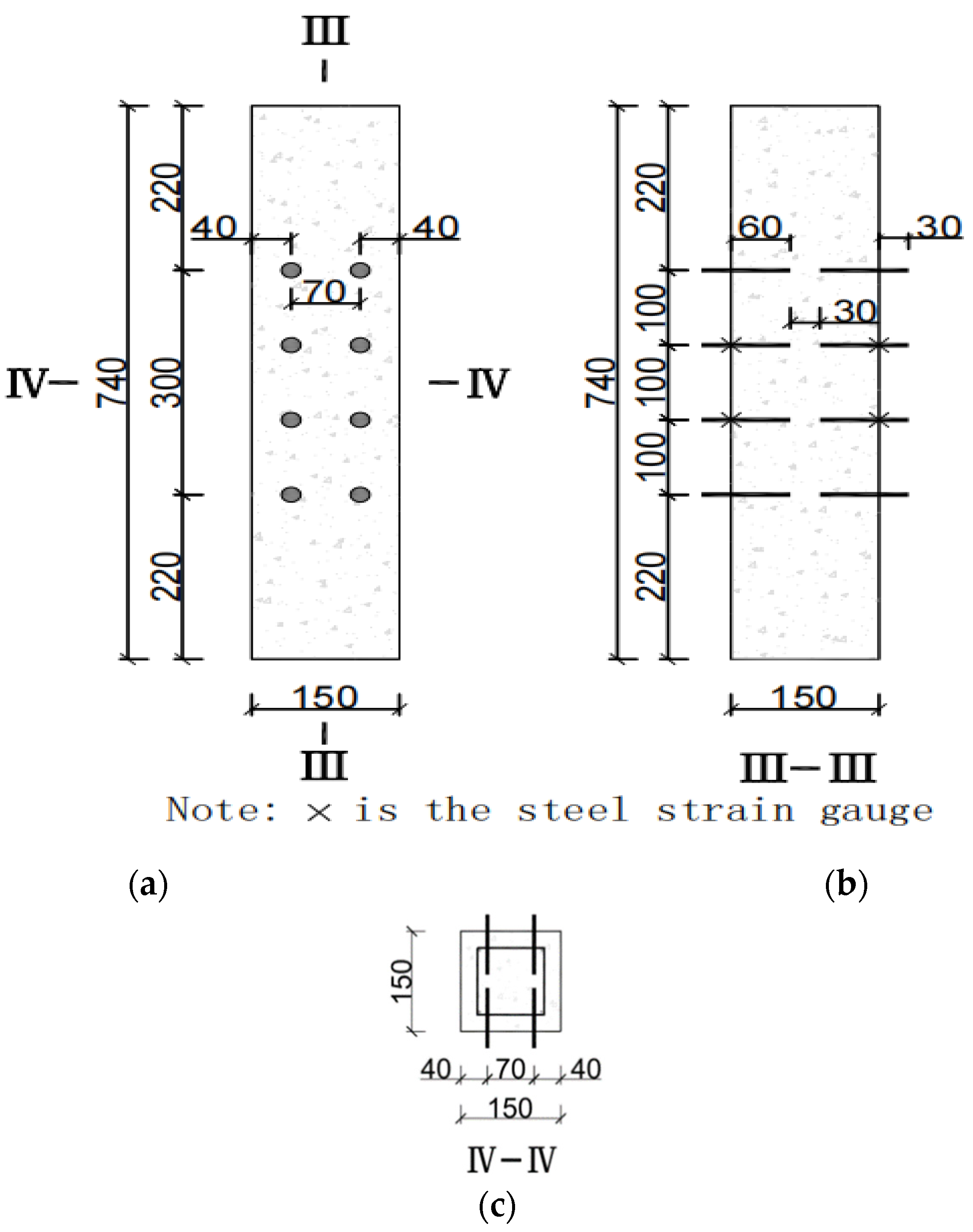
Post-installed rebar arrangement and strain gauge arrangement for specimen columns C5 and C6 (unit: mm). (a) Existing column façade; (b) III–III section contour; (c) IV–IV section contour.

Figure 3.
Photo of ceramsite aggregate and specimen column fabrication. (a) Ceramsite aggregate; (b) Added solid reinforcement cage and strain gauge; (c) Specimen columns C5 and C6 post-installed rebar; (d) Pouring of column specimens with solid concrete.
Unstrengthened column longitudinal bars and solid longitudinal strain gauges were arranged at one-half of its longitudinal bar. The strain gauges of the stirrups were arranged in the middle part of the stirrup at one-half of the column height, as shown in Figure 1. The arrangement of reinforcement strain gauges on specimens C5 and C6 post-installed rebar were closed to the interface, as shown in Figure 2. The strain gauge was used to measure the strain value.
The bonding surface treatments of specimens C2-C6 were chiseling, interface agent, post-installed rebar and post-installed rebar + interface agent. According to the literature [17,18,19,20,21], the interface agent was selected as the epoxy resin interface agent. Moreover, columns C5 and C6 were reinforced with 16 bars installed on both the front and rear sides. Sixteen bars per column were installed. The reinforcement was 90 mm extended B HRB335 hot-rolled ribbed reinforcement. According to the literature [38], the existing column post-installed rebar depth was 10d (6 cm). The arrangement of the post-installed rebar is shown in Figure 2. The actual object is shown in Figure 3c.
2.4. Test Loading System
The loading machine was a short column tester with a maximum pressure of 2000 kN. It was loaded by controlling the load. The loading device was loaded from the top down and the bottom was stable. First, the initial loading was 50 kN. After that, 100 kN was the first level. The loading rate was 1 kN/s. Then, when loading to 50%, the ultimate strength was adjusted to 50 kN for the first level. The loading rate was adjusted to 0.5 kN/s during this period. Finally, the loading was adjusted to 10 kN for one level after reaching 80% of the ultimate strength, and the loading rate was adjusted to 0.1 kN/s during this period. After reaching the ultimate bearing capacity, the load was reduced to 80% of the bearing capacity to stop loading. The loading is shown in Figure 4.
Figure 4.
Loading photos and system features. (a) Loading photos; (b) Loading system features.
3. Test Phenomenon
The failure process and form of each specimen were as follows:
First, small cracks appeared at the lower column corners when the specimen column C1 (unstrengthened column) was loaded to 550 kN. Then, the cracks started to grow and widen when loaded to 650 kN. Finally, when loaded to 760 kN, the bottom concrete began to fall off in a large area until the longitudinal bar was exposed. At that time, the C1 column was completely destroyed, showing more obvious brittle damage characteristics, as shown in Figure 5a.
Figure 5.
Typical damage pattern of specimens. (a) Specimen C1; (b) Specimen C2; (c) Specimen C3; (d) Specimen C4; (e) Bending deformation of external longitudinal bars of specimen C5; (f) Specimen C5; (g) Post-installed rebar of the specimen were pulled out; (h) Specimen C6.
For C2 column, when it was loaded to 1040 kN, fine cracks began appearing. With the increase in the load, two small, nearly parallel cracks appeared at the joint interface of the new-to-old concrete when the load reached 1360 kN. While it was loaded to 1560 kN, two parallel cracks became larger in width and ran through the whole column (see Figure 5b). Moreover, the separation of the new-to-old concrete joints could be observed at close range.
For C3 column, there were small cracks when it was loaded to 1080 kN. When it was loaded to 1512 kN, the crack penetrated the whole column. Afterward and up to the peak load (1641.3 kN), no significant phenomena was observed. In the process of unloading, while the load was unloaded to 1604 kN, a large piece of concrete came off at the lower surface of the column and exposed the reinforcement part of the stirrups (see Figure 5c). The damage pattern was lantern-shaped. No large penetration cracks were seen on the combined surface of the new-to-old concrete. Compared with specimen C2, the cracks and the penetration cracks in specimen C3 appeared later. The damage process was more abrupt.
For C4 column, first, fine cracks were observed when it was loaded to 1160 kN. Then, when the loading reached 1680 kN, small pieces of concrete broke off at the corner of the upper part of the column (see Figure 5d). Meanwhile, two cracks appeared and joined together at the upper part of the concrete column at the end. Finally, the concrete in the column’s upper part fell into large pieces when the load was unloaded to 1660 kN, and the surface cracks penetrated the interior. The bending and deformation of the reinforcement longitudinal bars were visible in the chiseled interior, as shown in Figure 5e.
For C5 column, first, its cracks appeared at 1050 kN. Secondly, two parallel cracks were formed at the position of the joint surface at both ends of the column corner when it was loaded to 1450 kN. The peak load was 1641.8 kN. Lastly, when unloaded to 1610 kN, two cracks penetrated through the subsequent large bulge of concrete in the middle of the column, as shown in Figure 5f. The new-to-old concrete’s separation and the post-installed rebar’s extraction could be observed at close range, as shown in Figure 5g.
For C6 column, first, fine cracks appeared at 1270 kN. Then, the cracks widened and formed arc-shaped cracks when it was loaded to 1730 kN. Small concrete fragments were dislodged from the top of the column. The peak load was 1811.8 kN. Finally, when it was unloaded to 1780 kN, the arc crack penetrated the whole column, and the concrete bulged in the middle of the column, as shown in Figure 5h.
The test process of each specimen could be divided into three stages: (i) The stage in which no cracks appeared in the specimen belonged to the linear elastic stage. (ii) Specimens with large cracks and part of the concrete falling off belonged to the elastic–plastic stage. (iii) Specimens with penetration cracks, large pieces of concrete falling off and crushing, and exposed reinforcement belonged to the failure stage.
After being strengthened, the C2~C6 specimens demonstrated a slow process from the appearance of penetration cracks to complete damage. All of the columns showed obvious ductile damage characteristics. Among them, the smallest load corresponding to the peak load at cracking was the C2 specimen. Furthermore, the maximum was the C6 specimen. The maximum load corresponding to the dislodgement of concrete masses (damage of specimens) was for C6 specimens. However, the minimum was for C4 specimens. The most severe damage pattern when unloaded to 85% was observed in the C5 specimens and the lightest observed in the C4 specimens. It could be seen that when the epoxy resin interface agent was used, the damage process of the specimen was the slowest. Additionally, the damage degree was the lightest and its ductile failure characteristics were the most obvious. In contrast, the damage process of the specimen was relatively fast and serious when the reinforcement was simply used and its ductile failure characteristics were relatively weak.
4. Analysis of Test Results
4.1. Load–Displacement Curves
The results of the axial compression tests on all specimens were analyzed. The variation curves between the load and the longitudinal displacement of the specimens under the axial longitudinal load are presented. The main test results are shown in Table 6. Figure 6 displays the load–displacement curves for all specimens.
Table 6.
Displacement and load test results.
Figure 6.
Specimen load–displacement curve.
In Table 6, the ductility coefficients of the specimen were calculated by the equivalent energy area method. The nominal yield displacement is calculated from the area of the load–displacement curve. Additionally, it was obtained by using the limit displacement unloaded to 85% .
According to Figure 6, the compressive loading of the specimen could be divided into three stages:
(i) The load–displacement relationship appeared linear at the beginning of loading and belonged to the linear elastic stage. (ii) When the loading exceeded a certain value, the load–displacement relationship began to change in a curve until it reached the peak load, which was a relatively short phase and belonged to the elastic–plastic stage. (iii) After reaching the peak load, the curve began to decrease until the specimen displayed obvious damage characteristics, and this stage was the damage stage.
Figure 6 shows that specimens C3 to C6 had a more obvious yield plateau when the load–displacement curve entered the falling section from the rising section. In contrast, specimens C1 and C2 had almost no transition platform. Therefore, strengthening concrete columns with all-light ceramsite concrete could enhance the plastic deformation capacity of the strengthened columns and improve the strengthened columns’ safety performance.
4.2. Ultimate Compressive Bearing Capacity
Compared with the unstrengthened specimen column C1, the load-bearing performance of specimen columns C2 to C6 with the enlarged cross-section method were all significantly improved. On the whole, the ultimate bearing capacity was increased by 107.0%, 110.8%, 119.9%, 110.8%, and 132.7%, respectively.
When considering a chiseled joint surface, the ultimate bearing capacity of C3 (strengthened with LC50 ceramsite concrete) was improved compared with that of C2 (strengthened with C50 ordinary concrete) by 1.7%. This indicates that compared with ordinary concrete, all-light ceramsite concrete was more suitable as reinforcement material.
When all-solid concrete was made of ceramsite concrete, the type of bonding interface had a greater impact on the reinforcement effect: (i) The least increase in the compressive ultimate bearing capacity of the specimen occurred when the bonding interface treatment was chiseled (specimen C3). (ii) The compressive ultimate bearing capacity was comparable to that of the chiseled specimen when taking the post-installed rebar (specimen C5). (iii) The ultimate compressive load-carrying capacity improvement was very obvious when the interface agent was used. (iv) When the bond interface was post-installed rebar+ interfacial agent (specimen C6), the ultimate bearing capacity was most obviously improved. It improved by 5.8% over the bonding surface with interface agent only and by 19.7% over that with post-installed rebar only (specimen C5).
4.3. Ductility Factor Analysis
Figure 7 displays the ultimate load of the specimens compared with the ductility factor.
Figure 7.
Comparison of ultimate load and ductility factor.
- (i)
- The ductility coefficient of specimen C4 was the largest. Using epoxy resin interface-agent treatment best improved the ductility coefficient. Compared to specimen C1, it increased by 53.7%.
- (ii)
- When the C5 and C6 specimens with post-installed rebar were used, the ductility coefficients were enhanced by 44.7% and 28.3%, respectively. It can be seen that the ductility of the strengthened column significantly improved by using epoxy interface-agent reinforcement.
- (iii)
- Specimen C3 (strengthened with LC50 ceramsite concrete) improved the ductility coefficient by 8.3% compared to specimen C2 (strengthened with C50 ordinary concrete). Therefore, ceramsite concrete as a reinforced solid could achieve greater ductility than ordinary concrete.
4.4. Interface Force Mechanism Analysis
Figure 8 shows the strain–load relationship for the post-installed rebar in specimen C5 and specimen C6.
Figure 8.
Strain–load variation in post-installed rebar in specimen C5 and specimen C6.
Analysis showed that:
In the early stage of loading, the strains of the C5 specimen and the C6 specimen post-installed rebar were small. However, the strain increase rate was very low. It indicated that the shear stresses on the joint surface at the early stage of loading were mainly carried by the bonding force of the new-to-old concrete itself.
The post-installed rebar in specimen C5 started to grow suddenly and rapidly when it was loaded to 900 kN. In contrast, the post-installed rebar in the C6 specimen with the addition of the interface agent did not start to grow more significantly until it was loaded to 1200 kN. This indicated that the epoxy resin interface agent started to work by enhancing the new-to-old concrete bond when loaded from 900 to 1200 kN. When loaded near the ultimate load, the post-installed rebar tensile strain growth rates all started to rise considerably. In summary, it was clear from the above analysis that in new-to-old concrete with post-installed rebar + interface agent, the epoxy resin interface agent played the main role in the pre- and mid-loading period by increasing the bond between the new-to-old concrete. The post-installed rebar started to function only in the mid-and late-loading period.
4.5. Strain Analysis of Longitudinal Bar
Figure 9 shows the load–strain relationship between the strengthening longitudinal bar and the existing longitudinal bar in C1~C6 specimens.

Figure 9.
Load–strain curves of strengthening longitudinal bars and existing longitudinal bars in specimens C1~C6. (a) Specimen C1; (b) Specimen C2; (c) Specimen C3; (d) Specimen C4; (e) Specimen C5; (f) Specimen C6.
As can be seen from Figure 9:
In the linear elastic stage, the compressive strains of the existing longitudinal bar and strengthening longitudinal bar were basically the same and the growth rate was basically the same. This indicated that the existing and strengthening longitudinal bars were jointly and synergistically stressed during the loading period. When the specimen was loaded to the elastic–plastic stage, the strain curve of the strengthening longitudinal bars increased slower than the existing longitudinal bars. In the stage of failure, the strain in the existing longitudinal bar would increase rapidly. In contrast, the strengthening longitudinal bar strain would increase at a lower rate until the specimen was damaged, which was still basically in the elastic deformation stage.
The longitudinal bar load–strain curves correlated well with the damage characteristics of the specimens. Using the C3 specimen as an example, the strain curve separation between strengthening longitudinal bars and existing longitudinal bars occurred at 1050 kN. At that time, fine cracks appeared on the joint surface of the specimen. The strengthening longitudinal bar and the existing longitudinal bar curve were separated at 1400 kN when large cracks appeared at the joint interface of the specimen. At the same time, the C4 curve separation of the specimen with epoxy resin interface agent on the concrete interface was slower than that for the C3 specimen, and the load for which cracks appeared was higher than that for the C3 specimen. Specimen C6 showed the maximum compressive strain in the strengthening longitudinal bars near the ultimate load. This indicated that it exerted the maximum effect. Its ultimate load capacity was also the maximum. The strain in the existing longitudinal bar was larger than that in the strengthened longitudinal bar when it was closed to the damage. The strain growth rate increased gradually, while the strain growth rate of the strengthening longitudinal bar was basically constant. When the specimen reached the ultimate load capacity, the strain in the existing longitudinal bar would be much larger than the strengthening longitudinal bar. Then, the strength of the strengthening longitudinal bar was not fully developed.
In summary, it was clear that the unsynchronized compressive strain between the strengthening longitudinal bar and the existing longitudinal bar of the specimen was caused by the separation of the new-to-old concrete interfaces. The higher the compressive load at the time strain asynchrony occurs, the higher the ultimate bearing capacity of the short column. The variation in the integrated longitudinal bar strain values with load growth could be inferred. The damage to the strengthened column specimens began in the existing concrete column section. Then, the existing column deformed substantially in the interior, and bulging and cracking occurred in the outer reinforcement immediately afterward. Finally, the whole specimen lost its bearing capacity.
4.6. Strain Analysis of Stirrup
The strain was measured in the middle of the strengthening stirrup and the existing stirrup at one-half height of the column. The load–strain relationship for each stirrup is shown in Figure 10.
Figure 10.
Load–strain curves of the hoop bars from C1 to C6 of the specimen column.
As shown in Figure 10: (i) Except for specimen C1, the growth rate of stirrup strain in the linear elastic stage was the same for all specimens. However, when the specimen entered the failure stage, the tensile strain in the strengthening stirrup appeared to grow rapidly before the existing stirrup. The tensile strain in the strengthening stirrup in C5 and C2 specimens grew the most, up to 1500 με. (ii) Comparing the load–strain curves of the existing stirrups after strengthening and C1 stirrups, the strengthening by the enlarged section method reduced the growth rate of the strain in the existing stirrups. However, all the strengthened stirrup’s tensile strains were greater than the existing ones, indicating that the tensile stress caused by the compressive expansion of the column near the damage time was mainly borne by the strengthening stirrups. (iii) The tensile strains of the strengthening stirrup in C5 and C6 specimens with post-installed rebar were larger, reaching more than 900 με. In comparison, the tensile strain in the strengthening stirrup in C4 specimens with an interface agent was smaller, about 500 με, indicating that the strengthening stirrup still had not fully played its role when C4 specimens were close to destruction.
5. Strengthened Column Bearing Capacity Calculation
The Design Code for Strengthening Concrete Structures (GB50367-2013) [37] proposed a formula for the axial compression of RC columns strengthened by the concrete enlarged section method, as shown in Equation (1):
where is the design value of the axial pressure of the member after it was strengthened (kN); is the stability coefficient of the member and is obtained according to the Code for Design of Concrete Structures (GB50010-2010) [36] (see Table 7). and are the concrete cross-sectional area before strengthening and the new concrete cross-sectional area after strengthening of the member (mm2), respectively; and are the compressive strengths of concrete before strengthening and concrete for strengthening of the members, respectively (MPa). The cross-sectional area of the existing longitudinal bar in the original column is and the cross-sectional area of the strengthened longitudinal bar in the new part (mm2) is ; is a comprehensive consideration of the new concrete and reinforcement strength using the degree of the correction factor. The specification recommends that ordinary concrete take = 0.8.
Table 7.
Stability coefficient of reinforced-concrete axially compressed members.
With continuous research, materials for strengthening have become abundant. This led to the fact that Equation (1) became inapplicable because of the inapplicability of . Chen [39] derived the value of for bamboo-reinforced recycled concrete by experimenting with 0.5. Yang [40] used improved post-installed rebar to treat the interface and concluded that the utilization factor was higher for the added portion of reinforcement and concrete with higher load capacity. This suggested that the existing studies also might not be applicable to this paper. Therefore, the again needed to be determined when using all-light ceramsite concrete for reinforcement. This was the basis for establishing a formula for the axial compression of RC columns strengthened by the all-light ceramsite-concrete enlarged section method.
To achieve this, the test values of C3–C6 were substituted into Equation (1). After calculation, the for these four specimens were 0.807, 0.849, 0.810, and 0.916, respectively. This showed that was significantly influenced by the interface treatment. Thus, considering the safety factor, is recommended to take the value of 0.8 when using ceramsite concrete for reinforcement in the relevant practical works. In addition, if the interface treatment of implanting reinforcement and adding interface agent was planned to be used at the same time, could be set as 0.9 for calculation.
Additionally, the ratio of the ultimate bearing capacity after strengthening and the ultimate bearing capacity before strengthening (PUCn/PUC1) was used to measure the strengthening effect. The relationship between the reinforcement effect and was established as shown in Table 8 and Figure 11. The linear relationship between the two is excellent and R2 is 0.99. This pointed out that the utilization of reinforced concrete and reinforcing steel greatly affected the reinforcement effect.
Table 8.
Relationship between interface handling method and .
Figure 11.
The relation between load–raising effect and stress curve.
6. Conclusions
Based on the results and discussion presented above, the following conclusions can be obtained:
- (1)
- All-light ceramsite-concrete-strengthened concrete short-column specimens had obvious ductile failure characteristics. All-light ceramsite concrete could enhance the plastic deformation capacity of the strengthened short column, which could enhance the safety performance of the strengthened short column. When the epoxy resin interface agent was used, the damage process of the specimen was the slowest, and the damage degree was the lightest. Its ductile damage characteristics were most obvious. The ductile failure characteristics were relatively weak when the post-installed rebar alone was used. Ceramsite concrete, used as a layer for strengthening, could achieve more excellent ductility than ordinary concrete.
- (2)
- The combined interface treatment method had the largest impact on the reinforcement effect, and the load-bearing capacity improvement ordered as follows: post-installed rebar + epoxy resin interface agent, epoxy resin interface agent, post-installed rebar, and chiseling. The ultimate load-bearing capacity was improved most significantly when the bonding surface was post-installed rebar + epoxy resin interface agent. It was 5.8% higher than when an epoxy resin interface agent was used and 19.7% higher than when only post-installed rebar was used.
- (3)
- The shear stress on the interfaces at the beginning of loading was mainly carried by the bonding force of the new-to-old concrete itself. In the case of using post-installed rebar + interface agent, the epoxy resin interface agent played a major role in the pre- and mid-loading period by increasing the bond between new-to-old concrete. The post-installed rebar started to function only in the mid- and late-loading period.
- (4)
- The strain in the strengthening longitudinal bar at the beginning of loading was the same as that in the existing longitudinal bar and increased linearly with the load. The strain growth of the two was not synchronized in the late-loading period, and the strain in the existing longitudinal bar grew rapidly and nonlinearly, while that in the strengthening longitudinal bar continued to grow linearly. The failure of the strengthened column specimen started from the existing concrete column. After the existing concrete column was deformed significantly, the outer solids bulged and cracked immediately afterward. Finally, the whole specimen lost its bearing capacity.
- (5)
- The formula in the specification GB50367-2013 is also applicable to ceramsite concrete. However, needs to be adjusted appropriately because it is strongly influenced by the interface treatment. Considering the safety factor, 0.8 is recommended when a single interface treatment (chiseling, interface agent, implantation of reinforcement) is used. When the interface treatment of implanting reinforcement and adding interface agent is used at the same time, it can be set as 0.9 for calculation.
Author Contributions
Conceptualization, H.Z. and H.C.; Methodology, H.Z. and H.C.; Software, P.L. and Z.F.; Validation, H.C. and Z.G.; Formal Analysis, H.Z.; Investigation, H.C.; Resources, H.Z.; Data Curation, H.C. and Z.F.; Writing—Original Draft Preparation, H.C. and Y.C.; Writing—Review and Editing, H.Z. and Z.F.; Visualization, Z.F.; Supervision, H.Z.; Project Administration, H.Z.; Funding Acquisition, H.Z. and Y.C. All authors have read and agreed to the published version of the manuscript.
Funding
This study was funded by the National Natural Science Foundation of China (grant numbers 52178182 and U1934217), Hubei Provincial Excellent Young and Middle Aged Science and Technology Innovation Team Project of Colleges and Universities (grant number T2022002), Natural Science Foundation of Hunan Province of China (grant number 2020JJ5982), and National Science Foundation for Distinguished Young Scholars of Hunan Province (grant number 2022JJ10075).
Institutional Review Board Statement
Not applicable.
Informed Consent Statement
Not applicable.
Data Availability Statement
The data presented in this study are available on request from the corresponding author.
Conflicts of Interest
The authors declare no conflict of interest.
References
- Cao, X.Y.; Feng, D.C.; Wang, Z.; Wu, G. Parametric investigation of the assembled bolt-connected buckling-restrained brace and performance evaluation of its application into structural retrofit. J. Build. Eng. 2022, 48, 103988. [Google Scholar] [CrossRef]
- Feng, D.C.; Wang, Z.; Cao, X.Y.; Wu, G. Damage mechanics-based modeling approaches for cyclic analysis of precast concrete structures: A comparative study. Int. J. Damage Mech. 2020, 29, 965–987. [Google Scholar] [CrossRef]
- Cheong, H.K.; Macalevey, N. Experimental Behavior of Jacketed Reinforced Concrete Beams. J. Struct. Eng. 2000, 126, 692–699. [Google Scholar] [CrossRef]
- Roberto, T.A.; Hanai, J.B.; Mirmiran, A. Preloaded RC columns strengthened with high-strength concrete jackets under uniaxial compression. Mater. Struct. 2008, 41, 1251–1262. [Google Scholar] [CrossRef]
- Vavrus, M.; Kotes, P. Numerical comparison of concrete columns strengthened with layer of fiber concrete and reinforced concrete. 13th international scientific conference on sustainable, modern and safe transport (Transcom 2019). Transp. Res. Procedia 2019, 40, 920–926. [Google Scholar] [CrossRef]
- Gadri, K.; Guettala, A. Evaluation of bond strength between sand concrete as new repair material and ordinary concrete substrate (The surface roughness effect). Constr. Build. Mater. 2017, 157, 1133–1144. [Google Scholar] [CrossRef]
- Wu, X.G.; Wang, S.R.; Yang, J.H.; Zhu, S. Experimental study on mechanical performances of different fiber reinforced lightweight concretes. Rev. Rom. Mater. 2019, 49, 434–442. [Google Scholar]
- Wang, X.F.; Fang, C.; Kuang, W.Q.; Li, D.W.; Han, N.X.; Xing, F. Experimental study on early cracking sensitivity of lightweight aggregate concrete. Constr. Build. Mater. 2017, 136, 173–183. [Google Scholar] [CrossRef]
- Yang, Z.H.; Song, W.J.; Yang, J.H.; Lei, D.; Cao, Z.; Shi, M.L. High-Strength Ceramsite Made with Sludge and Low-Quality Fly Ash. J. Mater. Civil. Eng. 2013, 25, 851–856. [Google Scholar] [CrossRef]
- Yun, S.W.; Jing, P.Q.; Chao, Z. Shrinkage and Strength Properties of Coal Gangue Ceramsite Lightweight Aggregate Concrete. Adv. Mater. Sci. Eng. 2020, 2020, 3575709. [Google Scholar] [CrossRef]
- Zhang, A.L.; Zhu, T.; Liu, X.C. Study On Flexural Performance of H-shaped Steel Beam Wrapped with Ceramsite Concrete. Chin. J. Build. Struct. 2021, 42, 80–91. (In Chinese) [Google Scholar]
- Liu, X.C.; Duan, J.Q. Experimental Research on Short T-Shaped Steel Column Wrapped with Ceramsite Concrete under Axial Compression. Chin. J. Ind. Constr. 2021, 51, 116–123. (In Chinese) [Google Scholar]
- Chen, W.; Xie, W.Y.; Li, X.; Zou, W.J.; Fu, H.L. Determination of fracture energy and fracture toughness of two types of concrete and their interface. Eur. J. Environ. Civ. Eng. 2021, 25, 104–116. [Google Scholar] [CrossRef]
- Santos, D.S.; Pedro, M.D.; Daniel, D.C. Effect of surface preparation and bonding agent on the concrete-to-concrete interface strength. Constr. Build. Mater. 2012, 37, 102–110. [Google Scholar] [CrossRef]
- Julio, E.N.; Branco, F.A.; Silva, V.D. Concrete-to-concrete Bond Strength. Influence of the Roughness of the Substrate Surface. Constr. Build. Mater. 2004, 18, 675–681. [Google Scholar] [CrossRef]
- Shrestha, P.D.; Zhang, D.W.; Ueda, T. Durability performances of carbon fiber reinforced polymer and concrete-bonded systems under moisture conditions. J. Compos. Constr. 2016, 20, 04016023. [Google Scholar] [CrossRef]
- Frigione, M.; Aiello, M.A.; Naddeo, C. Water effects on the bond strength of concrete/concrete adhesive joints. Constr. Build. Mater. 2006, 20, 957–970. [Google Scholar] [CrossRef]
- Rashid, K.; Ahmad, M.; Ueda, T.; Deng, J.; Aslam, K.; Nazair, I.; Sarwar, M.A. Experimental investigation of the bond strength between new to old concrete using different adhesive layers. Constr. Build. Mater. 2020, 249, 118798. [Google Scholar] [CrossRef]
- Qin, R.Y.; Hao, H.L.; Rousakis, T.; Lau, D. Effect of shrinkage reducing admixture on new-to-old concrete interface. Compos. Part B Eng. 2019, 167, 346–355. [Google Scholar] [CrossRef]
- Zhou, A.; BüyüköZtürk, O.; Lau, D. Debonding of concrete-epoxy interface under the coupled effect of moisture and sustained load. Cement. Concrete. Compos. 2017, 80, 287–297. [Google Scholar] [CrossRef]
- Çolak, A.; Çosgun, T.; Bakırcı, A.E. Effects of environmental factors on the adhesion and durability characteristics of epoxy-bonded concrete prisms. Constr. Build. Mater. 2009, 23, 758–767. [Google Scholar] [CrossRef]
- He, Y.; Zhang, X.; Hooton, R.D.; Zhang, X.W. Effects of Interface Roughness and Interface Adhesion on New-to-old Concrete Bonding. Constr. Build. Mater. 2017, 151, 582–590. [Google Scholar] [CrossRef]
- Tayeh, B.A.; Abu, B.H.; Johari, M.A. Characterization of the interfacial bond between old concrete substrate and ultra high performance fiber concrete repair composite. Mater. Struct. 2013, 46, 743–753. [Google Scholar] [CrossRef]
- Costa, H.; Carmo, R.N.; Julio, E. Influence of lightweight aggregates concrete on the bond strength of concrete-to-concrete interface. Constr. Build. Mater. 2018, 180, 519–530. [Google Scholar] [CrossRef]
- Santos, P.; Júlio, E.N.; Silva, V.D. Correlation between concrete-to-concrete bond strength and the roughness of the substrate surface. Constr. Build. Mater. 2007, 21, 1688–1695. [Google Scholar] [CrossRef]
- Sabah, S.H.; Hassan, M.H.; Bunnori, N.M.; Johari, M.A. Bond strength of the interface between normal concrete substrate and GUSMRC repair material overlay. Constr. Build. Mater. 2019, 216, 261–271. [Google Scholar] [CrossRef]
- Hu, B.; Meng, T.F.; Li, Y.; Li, D.Z. Dynamic splitting tensile bond behavior of new-to-old concrete interfaces. Constr. Build. Mater. 2021, 281, 122570. [Google Scholar] [CrossRef]
- Kotes, P.; Vavrus, M. Strengthening of Concrete Column by Using the Wrapper Layer of Fiber Reinforced Concrete. Materials 2020, 13, 5432. [Google Scholar] [CrossRef]
- Tayeh, B.A.; Abu, B.H.; Johari, M.A.M.; Voo, Y.L. Mechanical and permeability properties of the interface between normal concrete substrate and ultra high performance fiber concrete overlay. Constr. Build. Mater. 2012, 36, 538–548. [Google Scholar] [CrossRef]
- Xiong, G.J.; Liu, J.W.; Li, G.Y.; Xie, H.C. A way for improving interfacial transition zone between concrete substrate and repair materials. Cem. Concr. Res. 2002, 32, 1877–1881. [Google Scholar] [CrossRef]
- Ahmed, K.S.; Shahjalal, M.D.; Siddique, T.A.; Keng, A.K. Bond strength of post-installed high strength deformed rebar in concrete. Case Stud. Constr. Mater. 2021, 15, e00581. [Google Scholar] [CrossRef]
- Júlio, E.N.; Dias, D.; Branco, F.A.; Alfaiate, J.M. Accuracy of Design Code Expressions for Estimating Longitudinal Shear Strength of Strengthening Concrete Overlays. Eng. Struct. 2010, 32, 2387–2393. [Google Scholar] [CrossRef]
- Harries, K.A.; Zeno, G.; Shahrooz, B. Toward an Improved Understanding of Shear-Friction Behavior. Aci. Struct. J. 2012, 109, 835–844. [Google Scholar]
- Jiang, H.B.; Fang, Z.C.; Liu, A.; Li, Y.H.; Feng, J.H. Interface Shear Behavior between High-strength Precast Girders and Lightweight Cast-in-place Slabs. Constr. Build. Mater. 2016, 128, 449–460. [Google Scholar] [CrossRef]
- Mohammad, J.A.; Abdelhamid, C. Bond behavior of steel bars embedded in concretes made with natural lightweight aggregates. J. King. Saud. Univ. Sci. 2017, 9, 365–372. [Google Scholar] [CrossRef]
- GB50010-2010; Code for Design of Concrete Structures. Ministry of Housing and Urban-Rural Development of the People’s Republic of China: Beijing, China, 2010; pp. 36–84. (In Chinese)
- GB50367-2013; Code for Design of Strengthening Concrete Structure. Ministry of Housing and Urban-Rural Development of the People’s Republic of China: Beijing, China, 2013; pp. 21–28. (In Chinese)
- Tian, W.; Song, Z.; Xiao, C.; Zhu, R.J. Shear Test and Finite Element Simulation Analysis of Bonding Interface of New and Old Concrete with Planting Bars. Chin. J. Build. Struct. 2019, 49, 127–133. (In Chinese) [Google Scholar]
- Chen, X.; Xu, Q.F.; Chen, L.Z. Axial Compressive Experimental Research on R.C. Columns Strengthened by Recycled Concrete Jacketing with Bamboo. Chin. J. Struct. Eng. 2018, 34, 113–121. (In Chinese) [Google Scholar] [CrossRef]
- Yang, Y.; Zhao, L.S.; Zhao, M. Experimental Investigation of Axial Compression Column be Strengthened with the Method of Enlarging Sectional Areas. Chin. J. Build. Struct. 2010, 40, 412–414. (In Chinese) [Google Scholar]
Publisher’s Note: MDPI stays neutral with regard to jurisdictional claims in published maps and institutional affiliations. |
© 2022 by the authors. Licensee MDPI, Basel, Switzerland. This article is an open access article distributed under the terms and conditions of the Creative Commons Attribution (CC BY) license (https://creativecommons.org/licenses/by/4.0/).












