Investigation of the Energy Characteristics of a Circuit under the Charge of a Supercapacitor and an Equivalent Linear Capacitor
Abstract
:1. Introduction
2. Methods
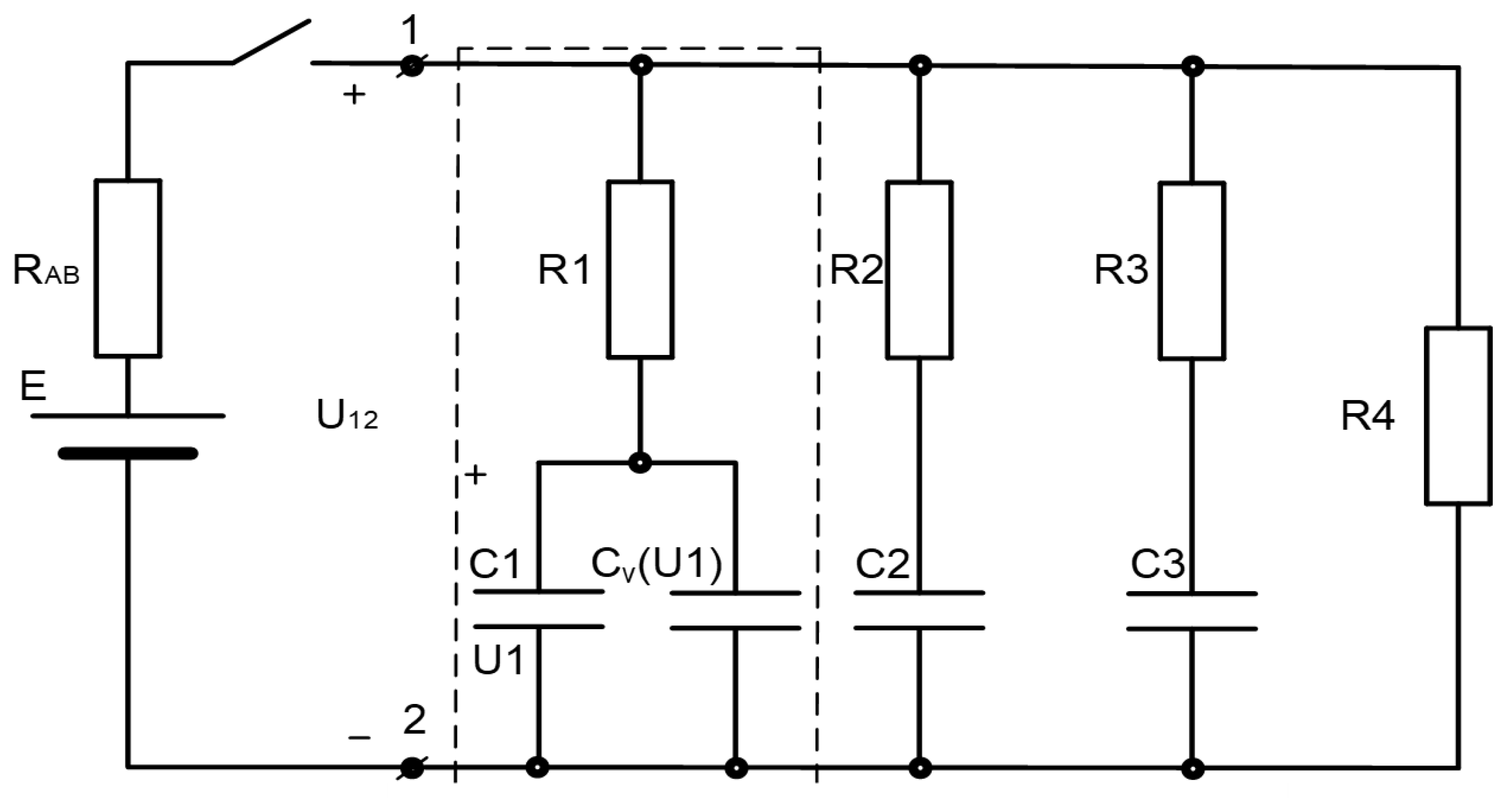
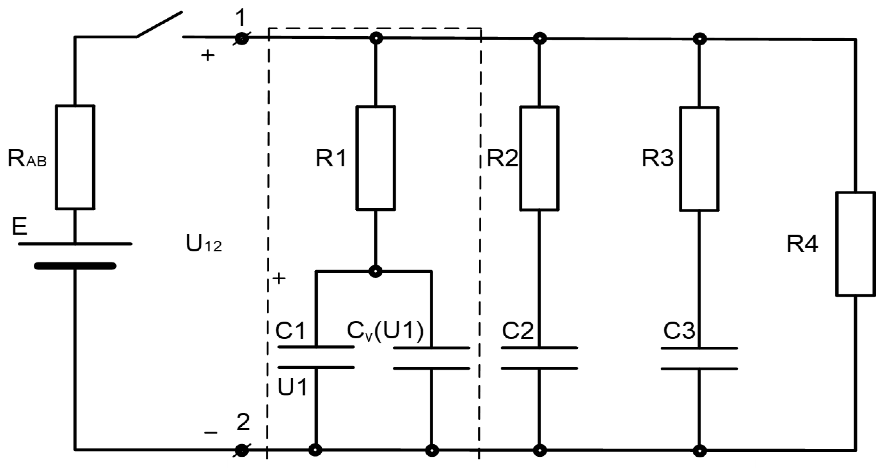
2.1. Energy Processes in the Aperiodic Charge Circuit of a Supercapacitor and an Equivalent Linear Capacitor
2.2. Energy Characteristics of Charge of Equivalent Linear and Nonlinear Capacitors from the Storage Battery
3. Results and Discussion
4. Conclusions
- Analysis was made of the energy characteristics of the linear capacitor and supercapacitor when charged from a lithium-ion battery, taking into account the condition that the capacitance of the linear capacitor CW = 846.84 F is equivalent to the capacitance of the supercapacitor, provided they have accumulated energy (J) at ). The study was performed in the Matlab application package.
- It was established that at charge of completely discharged SC and LC (provided that their internal resistances RLC = R1 = 0.0025 Ohm) the energy transfer coefficient increases nonlinearly. In order to reduce energy losses, the charge of SC and LC to voltages higher than with the energy transfer coefficient ηSC ≥ 53.9 and ηLC ≥ 45%, is optimal.
- When charging a fully discharged supercapacitor to a voltage of , its energy transfer coefficient is ηSC = 59.7, which is 1.2 times higher than the energy transfer coefficient of a linear capacitor. When the LC and SC are charged to a voltage of 0.99Un, the doses of accumulated energies in them is the same (according to the selected initial conditions) (J), and the energy of losses in the LC charge circuit are 51% higher than the SC charge circuit losses. In such modes of operation, the supercapacitor is more energy efficient.
- Comparison of research results for different ranges of voltage change during LC and SC charge was performed. It was established that in all studied ranges of voltage change, the energy transfer coefficient at the SC charge exceeds the energy transfer coefficient at the LC charge by 0.5 to 0.8%. Their values, depending on the range of voltage changes are 37.5 to 95% (with increasing voltage, the energy efficiency of the charge increases). When the SC and LC charge in the range , the energy transfer coefficients in the SC and LC increase to 95%. The advantage of an SC is that it accumulates 30% more energy than an LC.
- With the advent of new serial supercapacitors, it will be necessary to improve substitution schemes, taking into account the material properties of the electrodes of the SC. When using an equivalent substitution scheme for the analysis of longer energy processes in the SC (lasting more than 30 min), additional parallel branches in the scheme with large time constants will need to be entered.
Author Contributions
Funding
Institutional Review Board Statement
Informed Consent Statement
Conflicts of Interest
References
- Thomas, S.; Amadou; Gueye, B.; Ram; Gupta, K. Nanostructured Materials for Supercapacitors; Springer Nature Switzerland AG.: Cham, Switzerland, 2022; 642p. [Google Scholar]
- Izotov, V.Y.; Gromadsky, D.G.; Maletin, Y.A. Simulation and calculation of the operating parameters of the supercapacitor. Naukovi Visti NTUU “KPI” 2008, 6, 114–118. [Google Scholar]
- Shcherba, A.A.; Suprunovskaya, N.I.; Beletsky, O.A. Power characteristics of supercapacitors during their charge from a source of voltage and discharge on resistive load. In Pratsi Instytutu Elektrodynamiky Natsionalnoi Akademii Nauk Ukrainy; Academy of Sciences of Ukraine: Kyiv, Ukraine, 2014; pp. 65–74. [Google Scholar]
- Biletskyi, O.O.; Kotovsyi, V.Y. Energy processes in combined power supplies with linear capacitors and supercapacitors. Semicond. Phys. Quantum Electron. Optoelectron. 2019, 22, 326–332. [Google Scholar] [CrossRef]
- Hassan, H.; El-Tawil, M.A. A new technique of using homotopy analysis method for second order nonlinear differential equations. Appl. Math. Comput. 2012, 219, 708–728. [Google Scholar] [CrossRef]
- Zhao, J.; Burke, A.F. Electrochemical capacitors: Materials, technologies and performance. Energy Storage Mater. 2020, 36, 31–55. [Google Scholar] [CrossRef]
- Jiya, I.N.; Gurusinghe, N.; Gouws, R. Electrical Circuit Modelling of Double Layer Capacitors for Power Electronics and Energy Storage Applications: A Review. Electronics 2018, 7, 268. [Google Scholar] [CrossRef]
- Burke, A.F. Batteries and Ultracapacitors for Electric, Hybrid, and Fuel Cell Vehicles. Proc. IEEE 2007, 95, 806–820. [Google Scholar] [CrossRef]
- Zhang, L.; Hu, X.; Wang, Z.; Sun, F.; Dorrell, D.G. A review of supercapacitor modeling, estimation, and applications: A control/management perspective. Renew. Sustain. Energy Rev. 2018, 81, 1868–1878. [Google Scholar] [CrossRef]
- Kim, T.; Song, W.; Son, D.-Y.; Ono, L.K.; Qi, Y. Lithium-ion batteries: Outlook on present, future, and hybridized technologies. J. Mater. Chem. A 2019, 7, 2942–2964. [Google Scholar] [CrossRef]
- Burke, A.; Miller, M. The power capability of ultracapacitors and lithium batteries for electric and hybrid vehicle applications. J. Power Sources 2011, 196, 514–522. [Google Scholar] [CrossRef]
- Burke, A.; Miller, M.; Zhao, H. Ultracapacitors in Hybrid Vehicle Applications: Testing of New High Power Devices and Prospects for Increased Energy Density; Research Report—UCD-ITS-RR-12-06; Institute of Transportation Studies: Berkeley, CA, USA; University of California: Oakland, CA, USA, 2012. [Google Scholar]
- Kurzwell, P.; Frenzel, B. Capacitance characterization methods and ageing behavior of supercapacitors. In Proceedings of the International Seminar on Double Layer Capacitors, Deerfield Beach, FL, USA, 5–7 December 2005. [Google Scholar]
- Eleri, O.E.; Lou, F.; Yu, Z. Characterization Methods for Supercapacitors. In Nanostructured Materials for Supercapacitors, Advances in Material Research and Technology; Springer: Cham, Switzerland, 2022; pp. 101–128. [Google Scholar] [CrossRef]
- Maletin, Y.; Novak, P.; Shembel, E.; Izotov, V.; Strizhakova, N.; Mironova, A.; Danilin, V.; Podmogilny, S. Matching the Nanoporous Carbon Electrodes and Organic Electrolytes in Double Layer Capacitors. Appl. Phys. A Mater. Sci. Process. 2006, 82, 653–657. [Google Scholar] [CrossRef]
- Mihailescu, B.; Svasta, P.; Varzaru, G. Hybrid Supercapacitor-Battery electric system with low electromagnetic emissions for automotive applications. UPB Sci. Bull. Ser. C 2013, 75, 277–290. [Google Scholar]
- Zuo, W.; Li, R.; Zhou, C.; Li, Y.; Xia, J.; Liu, J. Battery-Supercapacitor Hybrid Devices: Recent Progress and Future Prospects. Adv. Sci. 2017, 4, 1600539. [Google Scholar] [CrossRef] [PubMed]
- Rafik, F.; Gualous, H.; Gallay, R.; Crausaz, A.; Berthon, A. Frequency, thermal and voltage supercapacitor characterization and modeling. J. Power Sources 2007, 165, 928–934. [Google Scholar] [CrossRef]
- Kotovskyi, V.Y.; Biletskyi, O.O. Investigation of energy processes in circuits of oscillatory charge of supercapacitors. Visnyk NTUU KPI Radiotekhnika Radioapar. 2019, 76, 5–14. [Google Scholar]
- Zubieta, L.; Bonert, R. Characterization of double-layer capacitors for power electronics applications. IEEE Trans. Ind. Appl. 2000, 36, 199–205. [Google Scholar] [CrossRef]
- Tshiani, C.T.; Umenne, P. The Characterization of the Electric Double-Layer Capacitor (EDLC) Using Python/MATLAB/Simulink (PMS)-Hybrid Model. Energies 2022, 15, 5193. [Google Scholar] [CrossRef]
- Shcherba, A.A.; Suprunovskaya, N.I.; Maslak, L.P.; Beletsky, O.A. Synthesis of charge-discharge circuits of thyristor discharge pulse generators with positive voltage feedback. Energy Sav. Energy Energy Audit. 2013, 2, 90–95. [Google Scholar]
- Suprunovskaya, N.I.; Shcherba, A.A.; Beletsky, O.A. Processes of energy exchange between non-linear and linear links of the electric circuit of supercapacitor replacement. Tech. Electrodyn. 2015, 201, 3–11. [Google Scholar]
- Biletskyi, O.O.; Suprunovsʹka, N.I.; Shcherba, A.A. Zalezhnistʹ enerhetychnykh kharakterystyk kil zaryadu superkondensatoriv vid yikh pochatkovykh i kintsevykh napruh [Dependences of power characteristics of circuit at charge of supercapacitors on their initial and final voltages]. Tekhnichna Elektrodynamika 2016, 1, 3–10. [Google Scholar]


| Device Characteristics | Supercapacitor | Capacitor | Lithium-Ion Battery |
|---|---|---|---|
| Charge time | 1–30 s | 10–3 < t < 10–6, s | 1 < t < 5, h. |
| Discharge time | 1–30 s | 10–3 < t < 10–6, s | t > 0.3, h. |
| Number of cycles | 1,000,000 | 1,000,000 | >500 |
| Specific energy, W h/kg | <30 | <0.1 | <200 |
| Specific power, W/kg | <91,000 | >1,000,000 | <3900 |
| Parameters of the SC Substitution Scheme | Parameters of the Lithium-Ion AB | ||||||||
|---|---|---|---|---|---|---|---|---|---|
| R1, Ohm | C1, F | k, F/V | R2, Ohm | C2, F | R3, Ohm | C3, F | R4, Ohm | E, V | RAB, Ohm |
| 0.0025 | 270 | 190 | 0.9 | 100 | 5.2 | 220 | 9000 | 2.3 | 0.012 |
| Points | 1 | 2 | 3 | 4 | 5 |
|---|---|---|---|---|---|
| J | 68.77 | 371.70 | 1052.00 | 1703.00 | 2196.00 |
| J | 140.10 | 560.10 | 1260.00 | 1816.00 | 2195.00 |
| J/SC | 501.50 | 1293.00 | 2372.00 | 3159.00 | 3680.00 |
| J/LC | 1120.00 | 2240.00 | 3360.00 | 4034.00 | 4435.00 |
| J/SC | 432.73 | 921.30 | 1320.00 | 1456.00 | 1484.00 |
| J/LC | 979.90 | 1679.90 | 2100.00 | 2218.00 | 2240.00 |
| ηSC, % | 13.7 | 28.7 | 44.3 | 53.9 | 59.7 |
| ηLC, % | 12.5 | 25.0 | 37.5 | 45.0 | 49.5 |
| tSC, s | 1.604 | 5.166 | 13.490 | 26.810 | 63.910 |
| tLC, s | 3.533 | 8.511 | 17.020 | 28.330 | 56.560 |
| The Range of Change Voltage, (Ui − Un)/Un, V | 0.25…0.5 | 0.5…0.75 | 0.75…0.9 | 0.9…0.99 |
|---|---|---|---|---|
| J | 302.93 | 680.30 | 651.00 | 493.00 |
| J | 420.00 | 699.90 | 556.00 | 379.00 |
| J/SC | 791.50 | 1079.00 | 787.00 | 521.00 |
| J/LC | 1120.00 | 1120.00 | 674.00 | 401.00 |
| J/SC | 488.57 | 398.70 | 136.00 | 28.00 |
| J/LC | 700.00 | 420.10 | 118.00 | 22.00 |
| ηSCin, % | 38.3 | 63.0 | 82.7 | 95.0 |
| ηLCin, % | 37.5 | 62.5 | 82.5 | 95.0 |
| tSCin, s | 35.62 | 83.24 | 13.320 | 37.100 |
| tLCin, s | 49.78 | 85.09 | 11.310 | 28.230 |
Publisher’s Note: MDPI stays neutral with regard to jurisdictional claims in published maps and institutional affiliations. |
© 2022 by the authors. Licensee MDPI, Basel, Switzerland. This article is an open access article distributed under the terms and conditions of the Creative Commons Attribution (CC BY) license (https://creativecommons.org/licenses/by/4.0/).
Share and Cite
Biletsky, O.; Kotovskyi, V.; Višniakov, N.; Šešok, A. Investigation of the Energy Characteristics of a Circuit under the Charge of a Supercapacitor and an Equivalent Linear Capacitor. Appl. Sci. 2022, 12, 9182. https://doi.org/10.3390/app12189182
Biletsky O, Kotovskyi V, Višniakov N, Šešok A. Investigation of the Energy Characteristics of a Circuit under the Charge of a Supercapacitor and an Equivalent Linear Capacitor. Applied Sciences. 2022; 12(18):9182. https://doi.org/10.3390/app12189182
Chicago/Turabian StyleBiletsky, Oleh, Vitalii Kotovskyi, Nikolaj Višniakov, and Andžela Šešok. 2022. "Investigation of the Energy Characteristics of a Circuit under the Charge of a Supercapacitor and an Equivalent Linear Capacitor" Applied Sciences 12, no. 18: 9182. https://doi.org/10.3390/app12189182
APA StyleBiletsky, O., Kotovskyi, V., Višniakov, N., & Šešok, A. (2022). Investigation of the Energy Characteristics of a Circuit under the Charge of a Supercapacitor and an Equivalent Linear Capacitor. Applied Sciences, 12(18), 9182. https://doi.org/10.3390/app12189182

