Cyclic Behavior of L-Shaped RC Short-Limb Shear Walls with High-Strength Rebar and High-Strength Concrete
Abstract
:1. Introduction
2. Experimental Program
2.1. Details of HPLW and LW Walls
2.2. Test Setup and Loading Sequence
3. Test Results and Discussion
3.1. Damaged Process and Mechanism
3.1.1. Flexure-Dominant Failure
3.1.2. Bending-Shear Failure
3.2. Hysteresis Curves
3.3. Load-Bearing Capacity and Ductility
3.4. Energy Dissipation Capacity
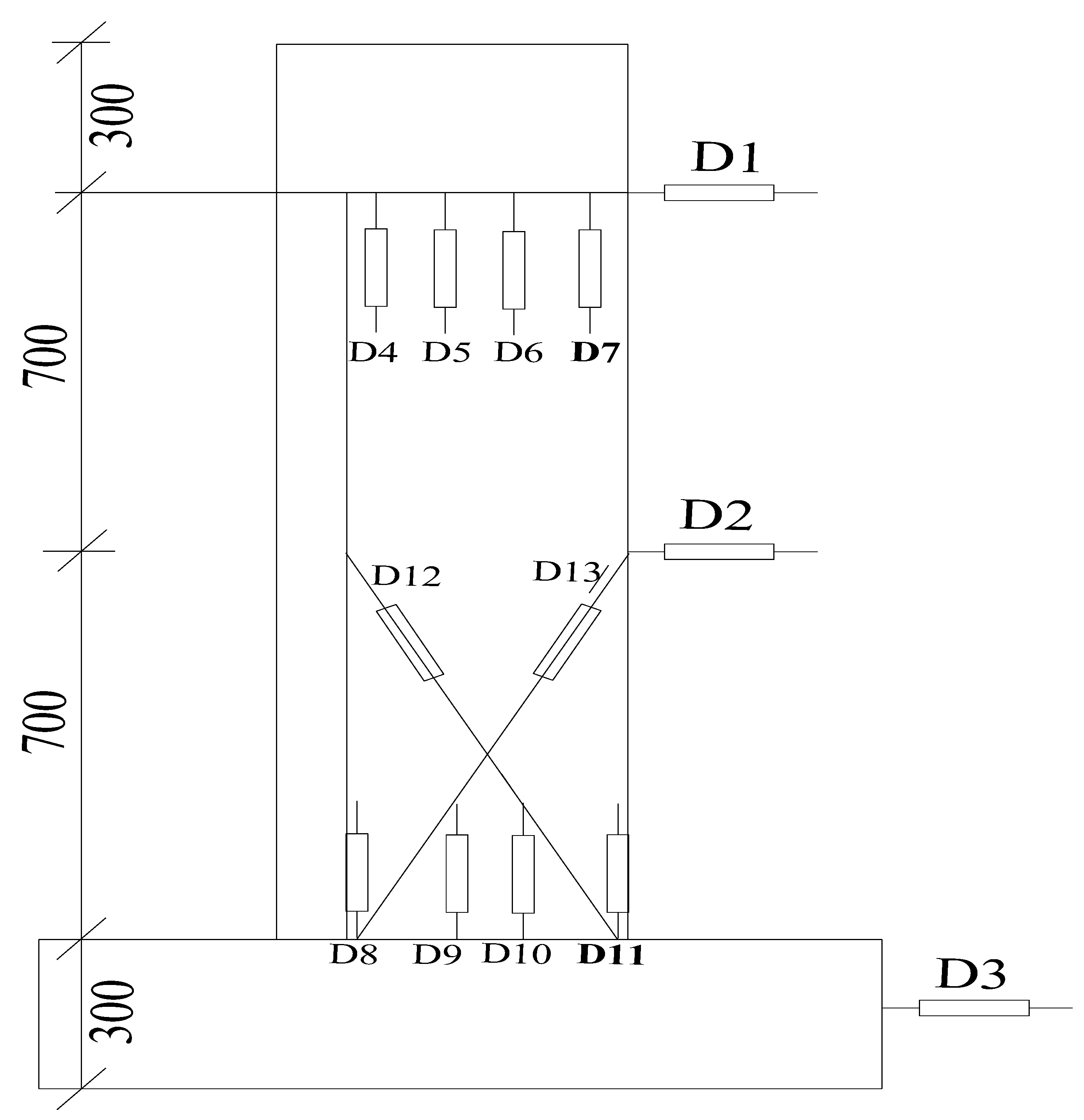
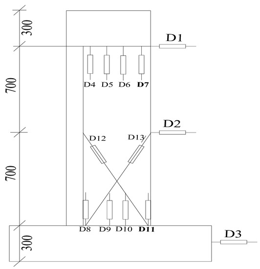
3.5. Strain Distribution of Vertical and Horizontal Rebars
4. Conclusions and Recommendations
- Short-limb shear walls usually are dominated by the flexural effect. In this test, specimens with a larger aspect ratio exhibited the expected flexural-dominant behavior with concrete crushing as well as buckling or tensile failure of the longitudinal rebars at the free web boundary elements, such as specimens with an aspect ratio of 2.15 and 2.80. Specimens with a smaller aspect ratio tended to damage in bending-shear failure, such as specimens with an aspect ratio of 1.75.
- The free web boundary was still the weakest part of HPLW walls. Therefore, closer-spaced transverse rebars and longer confined boundary elements should be used at the free web boundary to prevent premature failure of the web in compression.
- With a decrease in the aspect ratio, the ductility decreased, and with an increase in the axial compression ratio, the load-bearing capacity increased but ductility decreased accordingly. An obvious pinching effect was found in specimens with a smaller aspect ratio and a higher axial compression ratio.
- The most effective method to increase the load-bearing capacity of the L-shaped short-limb shear wall is using high-strength longitudinal rebars or increasing the ratio of longitudinal rebars at the free web boundary. The most effective method to improve the deformation capacity of the short-limb shear wall with L-shaped section is using high-strength transverse rebars or increasing the volumetric transverse reinforcement ratio at the free web boundary.
- All HPLW and LW walls showed excellent deformation capacity. The average ultimate drift ratios of the HPLW and LW walls were respectively 1/37.6 and 1/68.0, which greatly exceeded the allowable interstory drift ratio value (1/120) of RC shear walls according to the design provisions of the Chinese GB50011-2010 code.
- Compared with LW, HPLW walls had a higher peak point, a larger ultimate displacement, and overall fatter hysteresis curves, indicating that the load-carrying capacity, deformation capacity, and energy dissipation capacity of the latter were improved.
Author Contributions
Funding
Data Availability Statement
Conflicts of Interest
References
- Sriram, A. Behavior of Rectangular Concrete Walls Subjected to Simulated Seismic Loading. Ph.D. Thesis, Iowa State University, Ames, IA, USA, 2009. [Google Scholar]
- CMC (China Ministry of Construction). Technical Specification for Concrete Structures of Tall Building (JGJ3-2010); China Architecture & Building Press: Beijing, China, 2010. (In Chinese)
- Chen, Z.P.; Xu, J.J.; Chen, Y.L.; Su, Y.S. Seismic behavior of T-shaped steel reinforced high strength concrete short-limb shear walls under low cyclic reversed loading. Struct. Eng. Mech. 2016, 57, 681–701. [Google Scholar] [CrossRef]
- Dai, K. Breakthrough of traditional shear wall structure system short-leg wall structure system. Struct. Des. Tall Spec. Build. 2012, 22, 1270–1278. [Google Scholar]
- Terzioglu, T.; Orakcal, K.; Massone, L.M. Cyclic lateral load behavior of squat reinforced concrete walls. Eng. Struct. 2018, 160, 147–160. [Google Scholar] [CrossRef]
- Dashti, F.; Dhakal, R.P.; Pampanin, S. Numerical modeling of Rectangular Reinforced Concrete Structural Walls. J. Struct. Eng. 2017, 143, 04017031. [Google Scholar] [CrossRef]
- Cao, W.L.; Xue, S.D.; Zhang, J.W. Seismic Performance of RC Shear Walls with Concealed Bracing. Adv. Struct. Eng. 2003, 6, 1–13. [Google Scholar] [CrossRef]
- Kuang, J.S.; Ho, Y.B. Seismic Behavior and Ductility of Squat Reinforced Concrete Shear Walls with Non-seismic Detailing. Aci Struct. J. 2008, 105, 225–231. [Google Scholar]
- Pilakoutas, K.; Elnashai, A.S. Cyclic behavior of reinforced concrete cantilever walls, Part II: Discussions and theoretical comparisons. ACI Struct. J. 1995, 92, 425–434. [Google Scholar]
- Wang, X.Y.; Su, Y.S.; Yan, L.B. Experimental and numerical study on steel reinforced high-strength concrete short-leg shear walls. J. Constr. Steel Res. 2014, 101, 242–255. [Google Scholar] [CrossRef]
- Zhang, X.; Qin, Y.; Chen, Z.; Jie, L. Experimental behavior of innovative T-shaped composite shear walls under in-plane cyclic loading. J. Constr. Steel Res. 2016, 120, 143–159. [Google Scholar] [CrossRef]
- Zhang, Z.; Li, B. Seismic performance assessment of slender T-shaped reinforced concrete walls. J. Earthq. Eng. 2016, 20, 1342–1369. [Google Scholar] [CrossRef]
- Choi, C.S.; Ha, S.S.; Lee, L.H.; Oh, Y.H.; Yun, H.D. Evaluation of deformation capacity for RC T-shaped cantilever walls. J. Earthq. Eng. 2004, 8, 397–414. [Google Scholar] [CrossRef]
- Lu, X.L.; Yang, J.H. Seismic behavior of T-shaped steel reinforced concrete shear walls in tall buildings under cyclic loading. Struct. Des. Tall Spec. Build. 2015, 24, 141–157. [Google Scholar] [CrossRef]
- Karamlou, A.; Kabir, M.Z. Experimental study of L-shaped slender R-ICF shear walls under cyclic lateral loading. Eng. Struct. 2012, 36, 134–146. [Google Scholar] [CrossRef]
- Li, J.; Wang, L.; Lu, Z.; Xie, S.; Lu, H. Experimental study of L-shaped precast RC shear walls with middle cast-in-situ joint. Struct. Des. Tall Spec. Build. 2018, 27, e1457. [Google Scholar] [CrossRef]
- Han, X.; Chen, B.; Ji, J.; Xie, S.; Lu, H. Deformation limits of L-shaped reinforced concrete shear walls: Experiment and evaluation. Struct. Des. Tall Spec. Build. 2019, 28, e1627. [Google Scholar] [CrossRef]
- Sun, J.; Qiu, H.; Jiang, H. Lateral load behaviour of a rectangular precast shear wall involving vertical bolted connections. Adv. Struct. Eng. 2019, 22, 1211–1224. [Google Scholar] [CrossRef]
- Panagiotou, M.; Restrepo José, I.; Conte, J.P. Shake-Table Test of a Full-Scale 7-Story Building Slice. Phase I: Rectangular Wall. J. Struct. Eng. 2011, 137, 691–704. [Google Scholar] [CrossRef]
- Zhang, P.-L.; Li, Q.-N. Cyclic Loading Test of T-Shaped Mid-Rise Shear Wall. Struct. Des. Tall Spec. Build. 2013, 22, 759–769. [Google Scholar]
- CMC (China Ministry of Construction). Code for Seismic Design of Buildings (GB 50011-2010); China Architecture & Building Press: Beijing, China, 2010. (In Chinese)

















| Specimens | Cross-Section Height-to-Width Ratio | Design Axial Load Ratio | Experimental Axial Load Ratio | Aspect Ratio | ||
|---|---|---|---|---|---|---|
| HPLW500-1 | 5.0 | 0.17 | 0.10 | 1.51% | 2.51% | 2.80 |
| HPLW500-2 | 5.0 | 0.50 | 0.30 | 3.02% | 2.51% | 2.80 |
| HPLW650-1 | 6.5 | 0.50 | 0.30 | 1.51% | 2.26% | 2.15 |
| HPLW650-2 | 6.5 | 0.50 | 0.30 | 3.02% | 2.26% | 2.15 |
| HPLW800-1 | 8.0 | 0.17 | 0.10 | 1.51% | 2.41% | 1.75 |
| HSLW800-2 | 8.0 | 0.34 | 0.20 | 3.02% | 2.41% | 1.75 |
| LW500-1 | 5.0 | 0.34 | 0.20 | 0.62% | 1.95% | 2.80 |
| LW500-2 | 5.0 | 0.50 | 0.30 | 1.25% | 1.95% | 2.80 |
| LW650-1 | 6.5 | 0.34 | 0.20 | 1.25% | 1.71% | 2.15 |
| LW650-2 | 6.5 | 0.17 | 0.10 | 1.25% | 1.71% | 2.15 |
| LW800-1 | 8.0 | 0.34 | 0.20 | 0.58% | 1.74% | 1.75 |
| LW800-2 | 8.0 | 0.17 | 0.10 | 1.16% | 1.74% | 1.75 |
| Steel Type | Yield Stress (n/mm2) | Ultimate Stress (n/mm2) | Elongation (%) | Elastic Modulus (n/mm2) |
|---|---|---|---|---|
| D6 Rebar | 538 | 682 | 15 | 206,000 |
| D12 Rebar | 550 | 697 | 16 | 208,000 |
| #4 Rebar | 730 | 985 | 8 | 205,000 |
| #8 Rebar | 295 | 510 | 28 | 210,000 |
| #12 Rebar | 345 | 600 | 31 | 216,000 |
| Specimen | Loading Direction | (mm) | (KN) | (mm) | (KN) | (mm) | (KN) | ||
|---|---|---|---|---|---|---|---|---|---|
| HPLW500-1 | + | 12.1 | 107.1 | 43.5 | 181.2 | 46.2 | 154.5 | 3.8 | 1/30.3 |
| − | 14.2 | 148.1 | 34.0 | 229.1 | 42.0 | 170.8 | 3.0 | 1/33.3 | |
| HPLW500-2 | + | 9.9 | 168.8 | 33.8 | 300.1 | 38.1 | 241.1 | 3.9 | 1/36.8 |
| − | 12.0 | 188.6 | 32.1 | 279.0 | 34.3 | 265.1 | 2.9 | 1/40.8 | |
| HPLW650-1 | + | 10.0 | 245.3 | 27.6 | 414.8 | 30.0 | 351.0 | 3.0 | 1/46.7 |
| − | 11.9 | 287.3 | 24.0 | 416.8 | 28.1 | 353.6 | 2.4 | 1/49.8 | |
| HPLW650-2 | + | 12.0 | 264.4 | 35.9 | 522.6 | 38.0 | 396.9 | 3.2 | 1/36.8 |
| − | 14.0 | 267.1 | 31.3 | 440.5 | 35.8 | 394.5 | 2.6 | 1/39.1 | |
| HPLW800-1 | + | 12.0 | 228.9 | 37.9 | 385.2 | 41.7 | 327.0 | 3.5 | 1/33.6 |
| − | 16.0 | 373.1 | 37.6 | 561.7 | 42.6 | 453.3 | 2.7 | 1/32.9 | |
| HPLW800-2 | + | 12.0 | 256.2 | 33.8 | 427.9 | 36.0 | 394.1 | 3.0 | 1/38.9 |
| − | 12.0 | 268.2 | 31.8 | 626.2 | 33.5 | 449.6 | 2.8 | 1/41.8 | |
| LW500-1 | + | 7.3 | 113.6 | 19.8 | 148.5 | 42.5 | 131.8 | 5.8 | 1/32.9 |
| − | 6.6 | 105.7 | 21.7 | 138.7 | 30.1 | 122.7 | 4.6 | 1/46.5 | |
| LW500-2 | + | 4.9 | 101.8 | 20.5 | 152.2 | 25.0 | 144.6 | 5.1 | 1/56.0 |
| − | 3.8 | 121.4 | 10.3 | 178.3 | 14.1 | 158.7 | 3.7 | 1/99.3 | |
| LW650-1 | + | 7.1 | 160.5 | 22.3 | 194.5 | 28.1 | 184.2 | 4.0 | 1/49.8 |
| − | 7.2 | 180.5 | 20.3 | 231.1 | 20.1 | 231.1 | 2.8 | 1/69.7 | |
| LW650-2 | + | 5.1 | 100.0 | 22.0 | 153.2 | 29.9 | 150.2 | 5.9 | 1/46.8 |
| − | 5.7 | 123.1 | 17.3 | 169.8 | 23.8 | 148.2 | 4.2 | 1/58.8 | |
| LW800-1 | + | 7.6 | 220.9 | 12.9 | 258.1 | 14.5 | 228.8 | 1.9 | 1/96.6 |
| − | 6.8 | 227.6 | 8.9 | 251.3 | 12.6 | 215.5 | 1.9 | 1/111.1 | |
| LW800-2 | + | 5.8 | 160.0 | 12.7 | 192.2 | 16.2 | 172.1 | 2.8 | 1/86.4 |
| − | 5.5 | 153.2 | 17.1 | 233.8 | 22.4 | 206.0 | 4.1 | 1/62.5 |
Publisher’s Note: MDPI stays neutral with regard to jurisdictional claims in published maps and institutional affiliations. |
© 2022 by the authors. Licensee MDPI, Basel, Switzerland. This article is an open access article distributed under the terms and conditions of the Creative Commons Attribution (CC BY) license (https://creativecommons.org/licenses/by/4.0/).
Share and Cite
Zhang, P.; Wang, J.; Gao, J. Cyclic Behavior of L-Shaped RC Short-Limb Shear Walls with High-Strength Rebar and High-Strength Concrete. Appl. Sci. 2022, 12, 8376. https://doi.org/10.3390/app12168376
Zhang P, Wang J, Gao J. Cyclic Behavior of L-Shaped RC Short-Limb Shear Walls with High-Strength Rebar and High-Strength Concrete. Applied Sciences. 2022; 12(16):8376. https://doi.org/10.3390/app12168376
Chicago/Turabian StyleZhang, Pinle, Jinyulin Wang, and Junfang Gao. 2022. "Cyclic Behavior of L-Shaped RC Short-Limb Shear Walls with High-Strength Rebar and High-Strength Concrete" Applied Sciences 12, no. 16: 8376. https://doi.org/10.3390/app12168376
APA StyleZhang, P., Wang, J., & Gao, J. (2022). Cyclic Behavior of L-Shaped RC Short-Limb Shear Walls with High-Strength Rebar and High-Strength Concrete. Applied Sciences, 12(16), 8376. https://doi.org/10.3390/app12168376
