Next Article in Journal
Differential Sensitivity of Two Leukemia Cell Lines towards Two Major Gas Plasma Products Hydrogen Peroxide and Hypochlorous Acid
Previous Article in Journal
Evaluation of General Health Status of Persons Living in Socio-Economically Disadvantaged Neighborhoods in a Large European Metropolitan City
 
 
Font Type:
Arial Georgia Verdana
Font Size:
Aa Aa Aa
Line Spacing:
Column Width:
Background:
Article

Calculation Model for Estimation of Residual Bearing Capacity of Damaged Reinforced Concrete Slender Columns

1
Department of Civil Engineering, University North, 42000 Varazdin, Croatia
2
Department of Reinforced Concrete Structures and Transport Structures, Odessa State Academy of Civil Engineering and Architecture, Didrichson Street 4, 65029 Odessa, Ukraine
3
Department of Architecture Structures, Odessa State Academy of Civil Engineering and Architecture, 65029 Odessa, Ukraine
*
Author to whom correspondence should be addressed.
Appl. Sci. 2022, 12(15), 7430; https://doi.org/10.3390/app12157430
Submission received: 1 July 2022 / Revised: 16 July 2022 / Accepted: 18 July 2022 / Published: 24 July 2022

Abstract

:
This work is devoted to the study of the influences of various parameters on the bearing capacities of compressed reinforced concrete columns of varying flexibilities damaged during operation. Experimental tests of pilot samples were carried out, and results were analyzed on the basis of which it was established that significant longitudinal bending was observed in the direction of the x-axis. By analyzing the influences of the angle and depth of damage on the behavior and nature of the destruction in the experimental samples, three main destruction patterns were identified. An analysis of the experimental and statistical models showed that the greatest influences on the bearing capacity of the samples were the depth of the damage and the angle of the cut, and the effect of the height of the samples was virtually negligible. A model of calculation for the residual bearing capacities of compressed damaged reinforced concrete elements of different flexibilities was developed. The results of the comparison testify to the good coincidence of the theoretical values with the values obtained from the actual experiment (the difference of an average of no more than 29.8%), indicating that the proposed method can be applied in building practice.

1. Introduction

Reinforced concrete occupies a leading position as the most common material in the construction industry. Due to its high compressive strength, it is widely used in the construction of columns of multistory buildings.
However, improper operation and various types of damage caused by a combination of certain factors, e.g., aging of structures and exceeding the standard service life, increased operating loads, mechanical, chemical, and other influences, can reduce the load-bearing capacity of the structure much earlier. The main reasons for reducing the service life include increased loads on the structure as a result of reconstruction or the technical re-equipment of enterprises, operation in aggressive environments, initial errors in the design of load-bearing elements, mechanical damage (which is often local), and natural wear and tear.
The main problem of determining the technical conditions of damaged structural elements of buildings is the reliable determination of their residual bearing capacities.
It is known that the existing method for the calculation of reinforced concrete structures for the first group of boundary conditions has a fairly high reliability and is based on experimental and theoretical studies conducted for centrally and eccentrically compressed elements (in the case of a vertical eccentric compressive load). Research on reinforced concrete structures of different flexibilities in which out-of-center compression is realized as a result of damage (asymmetric with respect to the main axes of the cross-section) currently remains unexplored.
The current regulations [1,2] do not contain specific guidance on the calculation of damaged items. In this regard, there are several problems to be solved. One of them is the improvement and creation of new methods for calculating and assessing the bearing capacities of damaged reinforced concrete elements, that is, calculating their residual strength on the basis of which gain scheme is adopted. This approach is rational, as enhancing the cost is not always justified. However, the reconstruction of load-bearing elements in some cases is economically advantageous and less labor-intensive because it can be carried out without involving special equipment and stopping production processes.

2. Analysis of Previous Research

The systematization, classification, and study of individual types of damage gives accurate quantitative estimates of the bearing capacities of damaged structural elements of buildings and structures. The study of the influences of various factors on bearing capacity saves a significant amount of material and technical resources when designing the necessary reinforcements and performing work on their reconstruction.
One of the important points in the diagnosis of buildings and structures is the ability to identify concrete corrosion from mechanical damage and chemical attack. This is due to the fact that the outward signs are the same in both cases—concrete spalling, reinforcement rust, and cracks in the corners of the structure. [3,4] Mechanical failure mainly includes two types of defects [5]. The first type includes internal or surface structural failures due to shrinkage or expansion, and the second, overvoltage caused by compressive, tensile, shear, and torsional forces. Chemical impacts are primarily present due to the operation of structures in aggressive environments that are not planned for by the design solution: the effects of various acids, alkalis, salts, gas vapors, and biological effects.
The authors of [6] considered the classification of damage to concrete, as well as the prerequisites for assessing residual bearing capacity in building elements of concrete in the absence or presence of reinforcement with simple mechanical loading.
The influence of the cross-section size [7] on the bearing capacity of a normal section of reinforced concrete column obtained using a theoretical analysis and generalization of experimental data was also considered. However, based on the studies highlighted in the article, the bearing capacity was greatly influenced by the combined effects of cross-sectional shape and flexibility of the columns with a noncentral load application [8,9], as well as lower slenderness limits depending on the strength, stiffness, boundary conditions, and forces acting on the column. In their paper, the authors of [10] presented simplified analytical expressions for the lower slenderness limits of symmetrically reinforced rectangular columns.
One of the important factors affecting the bearing capacity of reinforced concrete structures is the depth of damage and its combination with the shape of the columns; in works [11,12], their combined effect on the bearing capacity was considered. In [13], the relationship of three factors affecting bearing capacity was considered, namely taking into account the influence of the loading option, the reinforcement method, and the level of preliminary damage.
To study the bearing capacity, plasticity, and failure mode of reinforced concrete structures, it is necessary to analytically investigate the nonlinear behavior [14] of reinforced concrete structures. Therefore, in reinforced concrete structures, due to the importance of flexibility and bearing capacity under lateral loads, it is necessary to look for ways to increase plasticity and bearing capacity.
Most damaged reinforced concrete (RC) frame structures still can be used after earthquakes. It is important to assess the residual performance of damaged structures, however, quantitatively evaluating the residual performances of damaged structures and taking into account the nonlinear behavior of the material [15,16].
A significant part of reinforced concrete structures during operation is exposure to intense environmental influences [17]. This can cause the local destruction and failure of buildings if mandatory measures are not taken to protect them from corrosion [18]. Exposure to high temperatures can significantly affect the design characteristics and bearing capacities of reinforced concrete elements and, therefore, lead to partial or complete destruction [19,20].
A lot of work has been conducted in studying the influences of various factors on bearing capacity—both mechanical damage and the influence of aggressive environments have been studied—but there is no single methodology for calculating such damaged columns. General recommendations are reduced to taking into account the nonlinearity of the work of reinforced concrete [21,22,23], modeling the work of reinforced concrete structures using the finite element method. The authors of [24] considered the seismic behavior of a structure and, after verification, evaluated it with a nonlinear analysis over time using OpenSees software and the finite element method. Based on the cohesive finite element method, in the [25], an interelement fracture model was proposed to study the behavior of cracking, as well as its effect on the bearing capacities of elements of reinforced concrete structures under static load conditions.

3. Materials and Methods

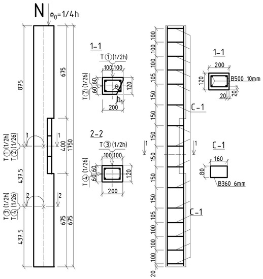
The planning of the experiment was carried out according to the Box–Behnken plan, in order to obtain sufficient information about the process response surface in the center of the experiment, which was chosen as the supposed optimum [26,27]. Such an experimental design is economical and, therefore, especially useful in cases where it is expensive to conduct the necessary experiments and convenient for constructing a cube diagram showing the combined influences of factors. As part of the planned research, a series of columns for 24 models of rectangular cross-sections (b × h = 120 × 200 mm) was made with different types of damage in the form of different depths and angles of the plane of damage in combination with different height models (1000 mm, 1750 mm, and 2500 mm).
The test regime of the experiment was the same for all the columns. It was planned to study different combinations of damage parameters, with three different damage angles in combination with three types of damage depth: depth of damage h1 = 20, 60, and 100 mm; angle of damage θ = 0°, 30°, and 60° (Table 1).
For the planned series of models, the damages were made in formwork boxes in three ways.
Coniferous wood bars were used to create damage models of samples with minor damage. Extruded polystyrene foam was used for the models of large damage to the cross-sections of the columns.
The design for the prototypes of medium flexibility (h = 1750 mm) is shown in Figure 1. Samples of low (h = 1000 mm) and high flexibility (h = 2500 mm) had the appropriate heights with the same reinforcement and length of the damage zone (400 mm was the zone for each tested reinforced concrete element).
The concrete was ready-made industrial concrete (class C 25/30) from DD “Zagorje-Tehnobeton” (Varaždin, Croatia). The reinforcing frame consisted of longitudinal ribbed reinforcement Ø 10 mm (class A 500) and transverse reinforcement smooth rods Ø 6 mm (class A 360).
The testing of reinforced concrete elements was performed in a specially designed test facility. The load was created with a hydraulic press located on the lower metal plate of a cage (Figure 2). The force on the column was transmitted through metal plates placed at both ends of the test model in half of the cross-sectional area (h/2 × b). Thus, the application of the eccentric load was achieved by inserting 120 × 100 × 10 mm metal plates on the bottom of metal caps on half of the cross-section, where the indentation of the experimental models occurred.
Measurements were performed simultaneously at four points, two points on two sides of the test form with the sides at a right angle to each other, so that the buckling measurement was in all four directions perpendicular to each side of the test pattern. Per model height, two points were at a quarter of the height, and two points at were at the half-height of model.

4. Analysis of Research Results

By analyzing the influences of the angle and depth of the damage on the behavior and nature of the destruction, the models could be divided into three main patterns of destruction (see Figure 3).
The behavior of the columns under the load of eccentrically applied compressive force and the nature of their destruction were significantly influenced by two of the three selected factors of variation: the angle and the depth of the damage. The height of the test model, as a third factor, in the range from 1000 to 2500 mm, affected the results much less. Our study showed that the breakdown deviations of different heights of models (1000, 1750, and 2500 mm) varied from 0 to 40 kN, i.e., 0–12%. This was small compared to the largest difference in the bearing capacity of the test models—340 kN—that, expressed as a percentage, was 179%, which was the result of comparing an undamaged test model and the model with the maximum damage (angle: 0 °; depth: 100 mm (h/2)).
Longitudinal bending was observed in all the test models in the direction of the force plane (x-axis), which in all the models had a greater moment of inertia of the damaged cross-section. From this, we can conclude that the off-center position of the load on the x-axis was the main reason for the bending of the models.
By analyzing the influences of the angle and the depth of damage on the behavior and nature of the destruction of the models could be divided into three main patterns of destruction.
The first group according to the pattern of destruction included models of maximum damage, with an angle of 0° in combination with all the depths (20, 60, and 100 mm). Damage at an angle of 0° under loading further contributed to the longitudinal bending of the test models in the expected direction along the x-axis (of course, in the direction opposite to the side of the load). The longitudinal bending in the y-axis direction was insignificant and significantly smaller than that in the x-axis direction. The signs were both positive and negative. For models with a depth of damage of 100 mm (h/2), the bearing capacity was the lowest, and the local longitudinal bending of the rods began quite early. Even at levels of 0.55 ... 0.6 Nu (where Nu is the maximum destroy load), cracks began to appear in the concrete. The deformations of concrete and reinforcement reached the limit values in the central sections of the columns.
The second group of models according to the pattern of destruction classified test models with different combinations of average (30°) and minimum (60°) angles with average (60 mm) and maximum (100 mm) depths of damage. The measurement results showed that the intact face (h) of the test models was curved outwards, that is, the test models were bent in the direction of the y-axis, in the opposite direction of the damaged part of the cross-sections of the test models. Significant longitudinal bending of the test models with variation factors (30°; 60 mm) in the specified direction along the y-axis was observed when the load reached 0.85–0.9 Nu and increased rapidly until the moment of destruction; at the same time, cracks in the concrete, first on the undamaged sides of the prototypes, began to appear at load levels of 0.8 to 0.9 Nu. This behavior of the models was associated with damage to the cross-section at an angle, i.e., the position of the damage itself, which led to a loss in the load-bearing capacity of the reinforcing rod. Destruction was observed in the damaged parts of the sections. Cracks in the concrete were fixed at loads of 0.85–0.95 Nu in places of future destruction or the chipping of concrete. In all the models, there were almost no cracks through which, at the time of destruction, there was no splitting or chipping of the concrete. In the first and second groups of test models, no cracks were observed in the concrete near the metal heads, bottom, and top, and only the expected dents from the application of eccentric loading appeared at the edges of the models.
In the third group according to the pattern of destruction, models with a combination of the minimum depth of damage and the average damage angle were analyzed. It is possible to make a conclusion that damage in combination with a change in the angle of damage ≥30° and a depth of damage ≤20 mm did not affect the direction of bending for the test models. Destruction in almost all the models did not occur in the damaged part of the cross-section, but on the lower third of the height of the models. For the intact models, the destruction occurred similarly in the lower third of the model height, from which it can be concluded that there was no special effect of cross-sectional damage on the nature of the experimental models in the third group according to fracture pattern (30–60°; 20 mm), which led to minor damage to the section. There was no significant effect on the nature of the destruction in relation to the intact models. Therefore, in the models of the third group, the damage itself did not have much effect on the deformation of the bend or on the nature of the destruction of the models. Cracks in the area of future destruction or chipping of the concrete of the models appeared at loads of 0.8–0.85 Nu.
Below are graphs of the characteristic deformations of columns in the first (Figure 4), second (Figure 5), and third (Figure 6) groups of experimental samples.
The statistical processing of the obtained results was carried out with the help of PC COMPEX, developed by prof. Voznesensky V.A. of the Department of Processes and Apparatus in Technology of Building Materials at the Odessa State Academy of Civil Engineering and Architecture. This software package allowed us to evaluate the degree of influence of each factor on the samples. The estimation was based on the calculation of a three-factor experimental statistical model of the least-squares variance factors studied.
According to the experimental statistical model, a cube diagram was constructed, as shown in Figure 7. Its analysis showed that the greatest impacts on the bearing capacities of the models were the depth of damage and the angle of damage, and the effect of the height of the samples was actually insignificant.

5. Calculation Model for Calculating the Remaining Load-Bearing Capacity

The theoretical bases and preconditions for the development of a calculation model for the calculation of the remaining load-bearing capacity of compressed damaged reinforced concrete elements of different flexibilities were as follows.
Basic prerequisites for the calculation:
  • For calculating, the average cross-section of the element was considered as the one in which there were the greatest stresses;
  • The hypothesis of flat sections was accepted;
  • Models with heights of 1.0 m were considered short, and flexibility was not taken into account. In samples with lengths of 1.75 m and 2.5 m, the effect of deflection was proposed to be taken into account by multiplying the moment by the coefficient η , which was found using a method that took into account the change in stiffness in the damaged area;
  • The work of naked reinforcing bars was taken into account by introducing coefficients that took into account its flexibility;
  • The stresses in the compressed zones of concrete were evenly distributed and taken as equal to f c d ;
  • The forces in the stretched zone were completely perceived by the reinforcement, and the work of the stretched concrete was not taken into account in the perception of external forces;
  • The tensile stress in the reinforcement was not more than the calculated tensile strength f t , and the compressive strength was no more than f y d . Stresses in the reinforcement were determined based on the position of the neutral line and the height of the compressed zone of concrete;
  • The force planes of the outer and inner pairs of forces coincided or were parallel.
The approach of taking into account the deflection separately in each of the planes was chosen because, in the columns of real building structures, the calculated lengths of the columns in the plane and from the plane, as a rule, have different values.
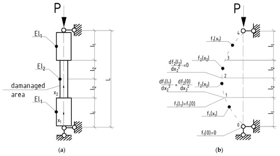
Figure 8 shows the calculated scheme of a reinforced concrete column with damage in the middle that does not lead to the rotation of the neutral line, supposing that the stiffness of the column of the undamaged part D 1 damaged D 2 , while D 1 > D 2 . This problem was solved using the well-known theory for the stability of the classical resistance of materials.
The differential equations of the curved axis for each of the parts of the column are presented in Formula (1):
{ 2 f 1 ( x 1 ) x 1 2 + k 1 2 f 1 ( x 1 ) = 0 ; 2 f 2 ( x 2 ) x 2 2 + k 2 2 f 2 ( x 2 ) = 0
In Formula (1), k 1 2 = P D 1 ; k 2 2 = P D 2 ; D 1 , D 2 is the stiffness of the undamaged and damaged parts of the columns; P is the compressive force; f 1 ( x 1 ) , f 2 ( x 2 ) is the deflection function for the corresponding section; and x 1 , x 2 are the corresponding coordinates of the points.
The solution to Formula (1) is usually sought as follows in Equation (2):
{ f 1 ( x 1 ) = A sin ( k 1 x 1 ) + B cos ( k 1 x 1 ) ; f 2 ( x 2 ) = C sin ( k 2 x 2 ) + D cos ( k 2 x 2 )
The boundary conditions for the rod (Figure 8) are given in Equation (3):
f 1 ( 0 ) = 0 ; f 1 ( l 1 ) = f 2 ( 0 ) ; f 1 ( l 1 ) x 1 = f 2 ( 0 ) x 2 ; f 2 ( l 2 ) x 2 = 0
After simple transformations, a homogeneous linear formula, Equation (4), is obtained:
{ B = 0 A k 1 cos ( k 1 l 1 ) = C k 2 ; A sin ( k 1 l 1 ) = D ; C cos ( k 2 l 2 ) D sin ( k 2 l 2 ) = 0
The solution is a transcendental equation, as follows (5):
k 1 t g ( k 1 l 1 ) = k 2 t g ( k 2 l 2 ) = 0
The following notation is introduced (6):
k D = D 2 D 1 , k 1 = 2 l 2 l
Then, Formula (5) can be reduced to the following Equation (7):
k D = t g ( β ( 1 k 1 2 ) ) t g ( β k 1 2 k D )
In this case, the value of the critical force can be found using formula [8]:
P c r = β D 1 l 2
In Formula (8), the value of coefficient β , which takes into account the effect of damage, is determined by dependence (9):
β = f ( D 2 / D 1 , 2 l 2 / l )
A table record is possible for some values of the corresponding parameters. Table 2 shows the values of coefficient β for certain parameters. These values were obtained by solving Equation (9).
The order of calculation is as follows:
  • Damage parameters are determined as k 1 = 2 l 2 l , k D = D 2 D 1 in each of the planes;
  • The coefficient of the calculation scheme of the element is determined from damage β according to Table 2 or Formula (9), also in each of the planes;
  • The value of the critical force in each of the planes is determined as P c r = β D 1 l 2 ;
  • The effect of additional deflection is established by multiplying the corresponding moments by coefficients η x , η y .
There are two general cases of damage. For the first, when the angle of the damage is zero (γ = 0°), the damage in this case is called right (Figure 9a), and for the second, when the angle of damage is not zero (γ = 30°; 60°), such damage is called inclined (Figure 9b).

5.1. Damage at Right Angles

The unknown value of bearing capacity is found from the equation for the equilibrium limit state of forces (10):
N f c d A c i = 1 n σ s 1 s 4 A s 1 s 4 = 0
where A c is the area of the compressed zone of concrete, and A s 1 s 4 is the cross-sectional area of reinforcing bars 1–4.
The stress in the reinforcing bars is found with Formula (11):
σ s i = σ s c u 1 ( ω / 1.1 ) ( ω ξ i 1 )
Depending on the eccentricity of the application of force, in general, two cases are possible: relatively small and relatively large eccentricities. When the eccentricity of the force is close to the reinforcing bars, it is logical to assume that there is a case of relatively small eccentricities, i.e., the stresses in rods 1 and 2 are limited and equal to σ s 1 s 2 = f y d . It is also necessary to pay attention to whether these rods are exposed. If the armature is exposed, the stress σ s 1 s 2 is limited by stresses σ k p .
The second equation of equilibrium is as follows (12):
N e η f c d A c x c σ s 1 s 2 A s 1 s 2 h 01 02 + σ s 3 s 4 A s 3 s 4 ( a + d 2 ) = 0

5.2. Damage at an Angle

To determine the value of the bearing capacity of a sample, it is necessary to find the height of compressed zone 𝑥 perpendicular to the neutral line, which passes at angle φ.
The equilibrium equation of limiting forces is as follows (13):
N f c d A c i = 1 n σ s 1 s 4 A s 1 s 4 = 0
where A c is the area of the compressed zone of concrete. The stresses in the reinforcing bars are found using empirical Formula (11).
Under oblique, out-of-center compression, the additional condition of parallelism of the planes of action for the moments of external and internal forces dictates that point A (application of external force) (Figure 10), point B (equal of compressive forces in concrete and reinforcement), and point C (equal forces in stretched armature) should lie on one line.
At inclined damage, there were more unknown quantities than at a direct one.
We included the following as unknowns:
  • N—the bearing capacity of the sample according to the calculation;
  • x—the height of the compressed cross-sectional area;
  • φ—the angle of inclination of the neutral line;
  • β i β —values that must be found to describe the position of the coordinates for the center of mass of the compressed zone of concrete.
We had five unknown quantities, that is, it was necessary to compile five equations that included these quantities.
The first equation, in the case of direct damage, was the equation of equilibrium relative to the x-axis; the second and third equations were sums of the moments relative to the x- and y-axes. The fourth and fifth equations were the equations of the static moments of the compressed zone of concrete. Their compositions were possible due to the assumption that the stresses were uniform over the area.
N e f c d A c x c σ s 1 s 2 A s 1 s 2 h 01 02 + σ s 3 s 4 A s 3 s 4 a = 0
N b 2 σ 1 A 1 ( a + d 2 ) σ 2 A 2 ( b a d 2 ) + σ 3 A 3 a + σ 4 A 4 ( b a d 2 ) f c d y c A c = 0
S x 1 = A 1 y 1 A 2 y 2
S y 1 = A 3 x 3 A 4 x 4
The average value of the ratio between the experimental bearing capacity and the one determined by the proposed method is as follows:
( N ¯ N e k s p ) = 1 n i = 1 n ( N N e k s p ) = 1.26
The root mean square deviation according to the calculation results is as follows:
σ = 1 n 1 i = 1 n [ ( N N e k s p ) ( N ¯ N e k s p ) ] 2 = 0.375
The coefficient of variation is as follows:
ν = σ ( N N e k s p ) = 0.297
Thus, the method of determining the bearing capacities of damaged columns that is described in this section was sufficiently accurate and could be based on verification calculations in cases of detection for similar situations.
Algorithms for the calculation of damaged, compressed, and obliquely compressed elements were developed that, thanks to which, it was possible to find unknown quantities.

6. Conclusions

Twenty-three damaged and one undamaged reinforced concrete compressed elements of various flexibilities were tested. With accepted (real for the operation process) damage, the deformation of the elements occurred in the plane of the bending moment. In more damaged samples, due to the eccentricity of the external force, the bearing capacity was significantly reduced, and the cross-section was divided into compressed and stretched zones. Bare rods were deformed in the early stages of force application (0.55 … 0.6 NU), which affected the overall load-bearing capacities of the specimens. The amount of damage affected the change in the inclination of the neutral axis. To analyze the impacts of selected variation factors, both experimental and statistical modeling methods were performed and models were calculated using PC COMPEX. It was established that the depth of damage and the angle of chipping had the greatest influences on the load-bearing capacities of the samples, while the influence of the height of the samples was actually insignificant. An analytical model for calculating damaged compressed reinforced concrete elements of different flexibilities was created, which was based on the basic prerequisites of the current standards and extended their effect to the case of oblique, off-center compression caused by damage to a part of the cross-section. An algorithm for calculating damaged, compressed, and oblique elements of various flexibilities was created. The calculations according to the proposed model showed satisfactory convergence with the experimental values. Disagreements amounted to 29.7%. Thus, the analytical method can be used to determine the bearing capacities of damaged columns of different flexibilities.

Author Contributions

Conceptualization, Y.K. and Z.K.; methodology, Z.K., Y.K. and A.C.; validation, Z.K., Y.K. and I.G.; formal analysis, Y.K. and I.G.; resources, I.G. and Z.K.; data curation, Z.K. and Y.K.; writing—original draft preparation, Z.K., I.G. and A.C.; writing—review and editing, Z.K. and I.G.; visualization, A.C. and Y.K.; supervision, Z.K. and I.G.; project administration, Y.K. and A.C.; funding acquisition, Z.K. All authors have read and agreed to the published version of the manuscript.

Funding

This research received no external funding.

Institutional Review Board Statement

Not applicable.

Informed Consent Statement

Not applicable.

Conflicts of Interest

The authors declare no conflict of interest.

References

  1. EN 1992-1-2; Eurocode 2: Design of Concrete Structures—Part 1–2: General Rules—Structural Fire Design. European Committee for Standardization: Brussels, Belgium, 2004.
  2. EN 1992-2; Eurocode 2: Design of Concrete Structures—Part 2: Concrete Bridges—Design and Detailing Rules. European Committee for Standardization: Brussels, Belgium, 2005.
  3. Vořechovská, D.; Podroužek, J.; Šomodíková, M.; Lehký, D.; Teplý, B. Concrete structures under combined mechanical and environmental actions: Modelling of durability and reliability. Comput. Concr. 2017, 20, 99–110. [Google Scholar] [CrossRef]
  4. Zhao, T.; Jiang, J.; Wan, X.-m.; Wittmann, F.H. Durability and service life of reinforced concrete structures under combined mechanical and environmental actions. In Proceedings of the International Conference on Concrete Repair, Rehabilitation and Retrofitting, Cape Town, South Africa, 3–5 September 2012; CRC Press: Boca Raton, FL, USA, 2012; pp. 422–427. [Google Scholar]
  5. Li, Q.; Huang, L.; Ye, H.; Fu, C.; Jin, X. Mechanical degradation of reinforced concrete columns corroded under sustained loads. Int. J. Civ. Eng. 2020, 18, 883–901. [Google Scholar] [CrossRef]
  6. Akhmetzyanov, F.K. Classification of concrete damage, prerequisites for assessing its residual bearing capacity in concrete building elements in the absence and presence of reinforcement with simple mechanical loading. Izv. KazGASU 2009, 2, 99–102. [Google Scholar]
  7. Xie, Y.P.; Jia, L.; Sun, G. Analysis and prospect of size effect on normal section bearing capacity of reinforced concrete column. Appl. Mech. Mater. 2013, 351–352, 422–426. [Google Scholar] [CrossRef]
  8. Ji, J.; Yu, C.; Jiang, L.; Zhan, J.; Ren, H.; Hao, S.; Fan, S.; Jiang, L.; Lin, Y.; He, L. Bearing behavior of h-shaped honeycombed steel web composite columns with rectangular concrete-filled steel tube flanges under eccentrical compression load. Adv. Civ. Eng. 2022, 2022, 2965131. [Google Scholar] [CrossRef]
  9. Guo, Q.; Li, Q.; Zhang, P.; Hu, J. Calculation for bearing capacity of steel tube-reinforced concrete columns under eccentric compression. China Civ. Eng. J. 2014, 47, 56–63. [Google Scholar]
  10. Marí, A.R.; Hellesland, J. Lower slenderness limits for rectangular reinforced concrete columns. J. Struct. Eng. 2005, 131, 85–95. [Google Scholar] [CrossRef]
  11. Klymenko, Y.V.; Antoniuk, N.R.; Maksiuta, E.V. Carrying capacity of damaged reinforced concrete two-tube columns. Bull. Odessa State Acad. Civ. Eng. Archit. 2021, 85, 18–27. [Google Scholar] [CrossRef]
  12. Lobodanov, M.M.; Vehera, P.I.; Blikharskyy, Z.Y. Investigation of the influence of damage of the compressed concrete zone in bending rectangular reinforced concrete elements with insufficient reinforcement. Bull. Odessa State Acad. Civ. Eng. Archit. 2021, 47–55. [Google Scholar] [CrossRef]
  13. Huang, H.; Guo, M.; Zhang, W.; Huang, M. Seismic Behavior of Strengthened RC Columns under Combined Loadings. J. Bridge Eng. 2022, 27, 05022005. [Google Scholar] [CrossRef]
  14. Foroughi, S.; Yuksel, B. Investigation of nonlinear behavior of the reinforced concrete columns for different confined concrete models. J. Polytech. 2021, 25, 1. [Google Scholar] [CrossRef]
  15. Ma, J.; Wang, G.; Lu, P. Residual bending bearing capacity assessment of reinforced concrete column under cyclic loading based on fiber-beam element. Bull. Earthq. Eng. 2021, 19, 4339–4367. [Google Scholar] [CrossRef]
  16. Said, A.; Elmorsi, M.; Nehdi, M. Non-linear model for reinforced concrete under cyclic loading. Mag. Concr. Res. 2005, 57, 211–224. [Google Scholar] [CrossRef]
  17. Blikharskyy, Y.; Selejdak, J.; Kopiika, N.; Vashkevych, R. Study of concrete under combined action of aggressive environment and long-term loading. Materials 2021, 14, 6612. [Google Scholar] [CrossRef] [PubMed]
  18. Jung, J.-S.; Jeong, J.-W.; Lee, K.-S. Structural performance degradation of corrosion-damaged reinforced concrete beams based on finite element analysis. Appl. Sci. 2022, 12, 2090. [Google Scholar] [CrossRef]
  19. Eskandani, A.H.; Şentürk, M.; Pul, S.; Hajirasouliha, I. The axial loading capacity of reinforced concrete columns exposed to high temperature. In Proceedings of the 5th International Conference Smart Monitoring, Assessment and Rehabilitation of Civil Structures—SMAR, Potsdam, Germany, 27–29 August 2019; pp. 1–9. [Google Scholar]
  20. Wang, Y.; Song, J.; Wang, C.; Fu, C. The bearing capacity calculation method of cracked reinforced concrete column at high temperature. Open Civ. Eng. J. 2017, 11, 887–895. [Google Scholar] [CrossRef]
  21. Minho, K.; Chun, C. Nonlinear finite element analysis of reinforced concrete columns. J. Korea Concr. Inst. 2004, 16, 397–406. [Google Scholar] [CrossRef]
  22. Zignago, D.; Barbato, M.; Hu, D. Constitutive model of concrete simultaneously confined by FRP and steel for finite-element analysis of FRP-confined RC Columns. J. Compos. Constr. 2018, 22, 04018064. [Google Scholar] [CrossRef]
  23. Majewski, T.; Bobinski, J.; Tejchman, J. FE analysis of failure behaviour of reinforced concrete columns under eccentric compression. Eng. Struct. 2008, 30, 300–317. [Google Scholar] [CrossRef]
  24. Bagheri, M.; Chahkandi, A.; Jahangir, H. Seismic reliability analysis of RC frames rehabilitated by glass fiber-reinforced polymers. Int. J. Civ. Eng. 2019, 17, 1785–1797. [Google Scholar] [CrossRef]
  25. De Maio, U.; Greco, F.; Leonetti, L.; Blasi, P.N.; Pranno, A. A cohesive fracture model for predicting crack spacing and crack width in reinforced concrete structures. Eng. Fail. Anal. 2022, 139, 106452. [Google Scholar] [CrossRef]
  26. Adler, Y.P.; Markova, E.V.; Granovsky, Y.V. Planning an Experiment in the Search for Optimal Conditions; Nauka: Moscow, Russia, 1976. [Google Scholar]
  27. Box, G.; Behnken, D. Some new three level designs for the study of quantitative variables. Technometrics 1960, 2, 455–475. [Google Scholar] [CrossRef]
Figure 1. Construction, reinforcement, and placement of samples with medium flexibility.
Figure 1. Construction, reinforcement, and placement of samples with medium flexibility.
Applsci 12 07430 g001
Figure 2. Construction for testing devices on model.
Figure 2. Construction for testing devices on model.
Applsci 12 07430 g002
Figure 3. Characteristic types of sample destruction: (a) Description of what is contained in the first panel; (b) Description of what is contained in the second panel; (c) Description of what is contained in the third panel.
Figure 3. Characteristic types of sample destruction: (a) Description of what is contained in the first panel; (b) Description of what is contained in the second panel; (c) Description of what is contained in the third panel.
Applsci 12 07430 g003
Figure 4. Deformation of longitudinal bending for model 3 (the first group).
Figure 4. Deformation of longitudinal bending for model 3 (the first group).
Applsci 12 07430 g004
Figure 5. Deformation of longitudinal bending for model 11 (the second group).
Figure 5. Deformation of longitudinal bending for model 11 (the second group).
Applsci 12 07430 g005
Figure 6. Deformation of longitudinal bending for model 7 (the third group).
Figure 6. Deformation of longitudinal bending for model 7 (the third group).
Applsci 12 07430 g006
Figure 7. Three-dimensional graph of the dependence of bearing capacity on the studied factors for the destructive forces of the columns.
Figure 7. Three-dimensional graph of the dependence of bearing capacity on the studied factors for the destructive forces of the columns.
Applsci 12 07430 g007
Figure 8. Determination of critical force: (a) calculation scheme and (b) boundary conditions.
Figure 8. Determination of critical force: (a) calculation scheme and (b) boundary conditions.
Applsci 12 07430 g008
Figure 9. Calculation scheme: (a) damage at right angle and (b) damage at an angle.
Figure 9. Calculation scheme: (a) damage at right angle and (b) damage at an angle.
Applsci 12 07430 g009
Figure 10. Condition of parallelism of force planes.
Figure 10. Condition of parallelism of force planes.
Applsci 12 07430 g010
Table 1. Three-factor variation of the experimental model.
Table 1. Three-factor variation of the experimental model.
Factors of the Series that Were StudiedLevels of VariationVariation Interval
LabelFactors of Variation«−1»«0»«+1»
X1The height of the model
l [m]
1.001.752.50.75 [m]
X2The angle of damage ⊖ [°]0306030°
X3The height of damage ⊖ [°]206010040 [mm]
Table 2. The values of coefficient β (intermediate values are determined by interpolation).
Table 2. The values of coefficient β (intermediate values are determined by interpolation).
k D = D 2 D 1 k 1 = 2 × l 2 l
0.10.20.30.40.50.6
19.8719.8719.8719.8719.8719.871
0.99.6569.4649.2939.1539.0468.969
0.89.3998.9918.6538.3908.1908.051
0.79.0848.4497.9467.5697.3017.114
0.68.6967.8077.1596.6946.3706.158
0.58.1957.0526.2825.7585.4075.178
Publisher’s Note: MDPI stays neutral with regard to jurisdictional claims in published maps and institutional affiliations.

Share and Cite

MDPI and ACS Style

Kos, Z.; Klymenko, Y.; Crnoja, A.; Grynyova, I. Calculation Model for Estimation of Residual Bearing Capacity of Damaged Reinforced Concrete Slender Columns. Appl. Sci. 2022, 12, 7430. https://doi.org/10.3390/app12157430

AMA Style

Kos Z, Klymenko Y, Crnoja A, Grynyova I. Calculation Model for Estimation of Residual Bearing Capacity of Damaged Reinforced Concrete Slender Columns. Applied Sciences. 2022; 12(15):7430. https://doi.org/10.3390/app12157430

Chicago/Turabian Style

Kos, Zeljko, Yevhenii Klymenko, Anđelko Crnoja, and Iryna Grynyova. 2022. "Calculation Model for Estimation of Residual Bearing Capacity of Damaged Reinforced Concrete Slender Columns" Applied Sciences 12, no. 15: 7430. https://doi.org/10.3390/app12157430

APA Style

Kos, Z., Klymenko, Y., Crnoja, A., & Grynyova, I. (2022). Calculation Model for Estimation of Residual Bearing Capacity of Damaged Reinforced Concrete Slender Columns. Applied Sciences, 12(15), 7430. https://doi.org/10.3390/app12157430

Note that from the first issue of 2016, this journal uses article numbers instead of page numbers. See further details here.

Article Metrics

Back to TopTop