Abstract
The proposed smooth bend structure was implemented with a 150-degree bend to reduce the asymmetrical part of the differential bend and thus prevent mode conversion loss and common-mode noise. The smooth bend structure maintained the differential signal integrity. In addition, we proposed several hybrid compensation methods to enhance common-mode noise suppression and concluded that a smooth bend using the “L-C-L” compensation method offered the best performance. The frequency-domain analysis, from direct current (DC) to 6 GHz, was suppressed below 17.3 dB for the differential to common-mode conversion loss (Scd21) and maintained a differential insertion loss (Sdd21) above 2.18 dB. Furthermore, the 150-degree bend, using the “L-C-L” compensation method, reduced common-mode noise by 48.9% compared with a 150-degree bend structure in the time-domain analysis. The significant advantage of the proposed structure is that it can be easily fabricated using the printed circuit board (PCB) manufacturing process, reducing costs. The measurement results of the proposed design showed good consistency with the simulations. The proposed hybrid compensation structure successfully reduced the undesirable effects caused by asymmetry; as a result, mode conversion suppression was improved, and common-mode noise was reduced.
1. Introduction
High operating frequency has become a research trend, alongside technological advancements in portable and handheld devices. In addition to high-speed transmission, small size and being lightweight are also crucial for convenience. Technology and consumer demands require products that are smaller in size and faster, and the amount of crosstalk in digital systems is increasing dramatically. Differential transmission lines have been used widely on PCBs to fix the problems arising from related signal integrity issues [1,2,3] because of their high noise immunity [4]. Differential transmission lines have the same amplitude but are 180degrees out of phase. They couple with each other, meaning that no additional field, or only a narrow field, will correlate to an adjacent path. However, in real life, there are always bends in transmission lines because of a limited layout area or due to the location of circuit elements. These bends are referred to as unbalanced sections. An unbalanced section in the transmission line will cause common-mode noise and lead to electromagnetic interference (EMI). Many papers have been published over the past few years addressing the issue of an unbalanced section in differential transmission lines. There are many compensation methods, such as compensating capacitance [5], tightly coupled microstrips [6], compensating inductance [7], asymmetric coupled lines with a surface mount device (SMD) capacitor [8], and stepped-impedance lines [9].
First, the significant contribution of one previous study [5] was that it proposed a lumped equivalent circuit model of the unbalanced bent section, on differential transmission lines. The capacitance and inductance on the equivalent model represent the difference in voltage and current between ports. We can obtain the value of the compensation capacitor from this previous work [5]. A patch is added to the inner trace of the differential transmission lines to implement the compensation capacitor on the PCB. The patch on the inner trace increases the capacitive characteristics. This is called compensation capacitance. The capacitance value can be calculated using the parallel-plate capacitance formula shown in Equation (1):
The second method is compensating inductance [7]. This adds a short-coupled line to the inner trace of differential transmission lines to increase the inductive characteristics of the PCB. It uses this duality to derive the formula for compensating inductance. The compensation capacitance and inductance both achieve high common-mode noise immunity. The authors of [6] described a tightly coupled microstrip structure. The design concept that they presented in [6] demonstrated the impact on different values of even-mode impedance. A well-known formula shows that the coupling coefficient relates to the impedance under odd and even modes. The coupling coefficient, C, can be shown as:
This involves the coupling between differential transmission lines, based on odd- and even-mode impedance. The method of setting both of these impedances was also discussed in [6]. The odd-mode impedance should be set at 50 Ohms to maintain differential signal transmission integrity. In other words, it is crucial to maintain the differential insertion loss, to improve performance by reducing mode conversion. Higher impedance increases the coupling between the inner and outer traces on differential transmission lines for even-mode impedance. As mentioned earlier, differential transmission lines lead to better signal transmission performance, which means decreased-field coupling if the traces have higher impedance. However, concerning the PCB itself, two points need to be discussed; one is insertion loss and the other concerns fabrication. Transmission loss will increase under higher even-mode impedance when the structure of the tightly coupled microstrip is applied. The loss per unit length on the signal can be analyzed and presented as a table. Our proposed solution is to use the structure of the tightly coupled microstrip on the low-loss PCB substrate. Higher even-mode impedance improves the differential signal transmission performance concerning the fabrication issue. However, higher even-mode impedance is challenging because the line width is thinner and the space needs to be closer. Therefore, the width and spacing of the lines must be carefully controlled to avoid the situation mentioned above. The equivalent circuit model simulation differs slightly from that used in previous studies [5,7]; it includes the loss of coupled lines on symmetrical sections. The signal transmission includes the differential mode, common mode, reflection, and transmission terms. Figure 1 shows the mixed-mode S-parameters.
Figure 1.
Mixed-mode S-parameters.
The authors of [8] described another method involving an SMD capacitor and asymmetric coupled line to reduce the occupied compensation circuit area on the PCB. The design concept in [8] is similar to those presented in previous papers [5,7]. The asymmetric coupling line increases the inductance characteristics through narrower lines. In addition, SMD capacitors acquire more capacitance characteristics, which can achieve capacitance and inductance compensation. However, the SMD components are more expensive and additional vias are required on the PCB, further increasing the cost.
In another study [9], a stepped impedance line structure, also known as a slow-wave structure, was proposed. The design concept in this thesis was to change the velocity difference between the inner and outer traces on differential transmission lines by placing different values of capacitance and inductance on an inner trace. This is called a slow-wave structure because it changes the velocity to compensate for the timing shift in the time domain. The stepped-impedance line structure includes wide and narrow lines on the inner traces of differential transmission lines, representing capacitance and inductance. Only the width of the inner trace is adjusted to meet the value of velocity and improve the performance in the time domain. However, this must be considered and designed carefully because combinations of capacitance and inductance will lead to different continuous impedance effects. Finally, the authors of [10] proposed coupled lines with a right-angle bend, together with axis-aligned and non-axis-aligned stepped impedance lines.
This paper uses the concepts described in [10,11] to propose a hybrid compensation design for common-mode noise suppression. Our paper includes several sections. In Section 2, we compare 90-degree, 135-degree, and 150-degree bend structures, analyze and discuss the 90-degree bend as well as two smooth bend structures, describe the equivalent circuit model verification, and set out the simulation results and extracted values in tables. In Section 3, based on our analysis of the three bend structures, we introduce and discuss four kinds of hybrid compensation design, including a simulation result in the time and frequency domain. Section 4 sets out the measurement validation to ensure that the proposed design works well in practice. Finally, our conclusions and the lessons learned from the results are presented in Section 5.
2. Analyzing and Comparing Bend Structures with 90-, 135-, and 150-Degree Bends
The proposed designs were simulated and fabricated on a standard FR4 (εr = 4.4) substrate; the substrate height (h) was equal to 1.6 mm, the width of the differential line (W) was 1.6 mm, and the spacing (S) between the differential lines was 0.7 mm. The odd-mode impedance was set to 50 Ohms to maintain the signal integrity of the differential transmission. Figure 2 shows the top view of the 90-degree bend and smooth bend structures of 135- and 150-degrees; the side view is shown in Figure 3.
Figure 2.
Top views of 90-degree bend and smooth bend structures with 135- and 150-degree bends.
Figure 3.
Side view of a transmission line on a PCB.
Figure 4 shows the unbalanced section in the red-hatched area. The red-hatched area in the 150-degree bend structure is smaller than in the 90- and 135-degree bend structures.
Figure 4.
Unbalanced sections in bend structures with 90-, 135-, and 150-degree bends.
As mentioned previously, the primary purpose of this paper is to eliminate mode conversion loss and keep the differential signal integrity. Therefore, we will observe differential insertion loss (Sdd21) and common mode conversion loss (Scd21). The unbalancing section causes mode conversion loss. Using a smooth curved structure should reduce this. In other words, when the curvature of differential transmission lines becomes smoother, theoretically, the unbalanced effect will be more negligible.
We first analyzed and compared the mode conversion loss (Scd21) and differential insertion loss (Sdd21) of bend structures with 90-, 135-, and 150-degree bends. Figure 5 shows the simulated results. The 150-degree bend structure (the black line) demonstrates better performance in terms of mode-conversion suppression than the 90- and 135-degreestructures. It also maintains good transmission performance on differential signals.
Figure 5.
Simulated results of Sdd21 and Scd21 in structures with 90-, 135-, and 150-degree bends.
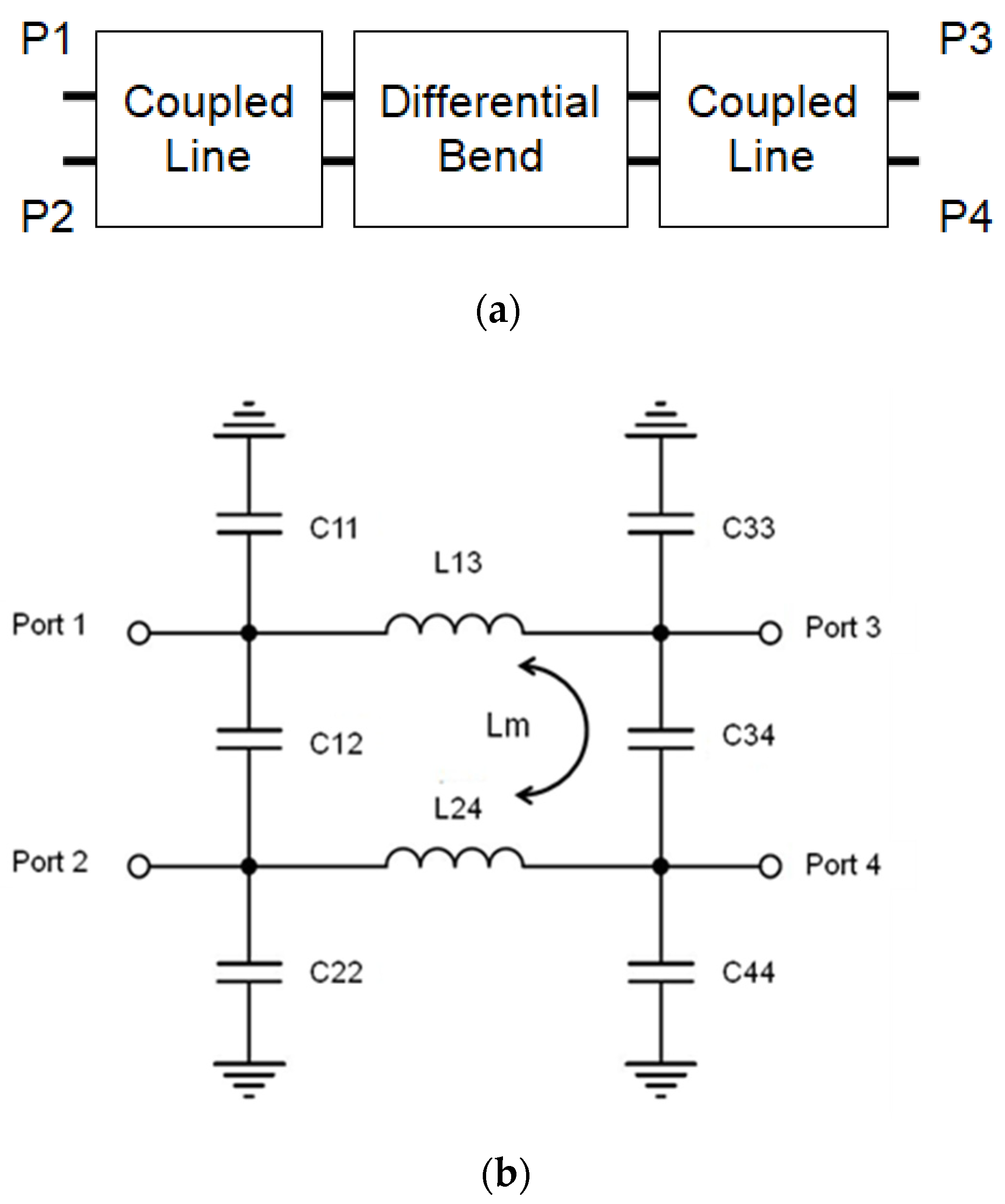
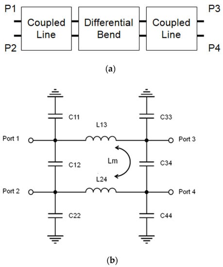
Following this, we verified the lumped equivalent circuit model of bend structures with 90, 135, and 150-degree bends. The differential transmission lines can be regarded as two sections, which are either asymmetric [5] or symmetric [6]. The symmetric section is considered to be similar to a coupled line model. In addition, the asymmetric term is an extension of the π model equivalent circuit model, usually composed of inductors and capacitors. There are three asymmetric and four symmetric sections in the 150-degree bend structure. Figure 6a shows the lumped circuit block diagram. Figure 6b shows the lumped equivalent circuit model of the bend structure.
Figure 6.
(a) Block diagram of a lumped circuit, (b) lumped equivalent circuit model of the differential bend.
The capacitance values of each structure were extracted and organized in Table 1 using electromagnetic simulation software, and the inductance values are shown in Table 2. Observing Table 1 and Table 2, when the smooth bend structures of the135- and 150-degree bends are applied, the difference between the inner and outer traces becomes smaller than in the 90-degree bend, whether in terms of capacitance or inductance values. In other words, the smooth bend structures reduce the unbalanced effect on the bend section.
Table 1.
Equivalent capacitance values.
Table 2.
Equivalent inductance values.
The full-wave and equivalent circuit models’ simulated results are shown in Figure 7 and Figure 8, including Scd21 and Sdd21. Figure 7 indicates that the best result of the Scd21 simulation is the 150-degree bend structure, as seen in the blue dashed line. Furthermore, Figure 8 also shows that the best result of the Sdd21 simulation is the 150-degree bend structure, as shown by the blue dashed line.
Figure 7.
Scd21 simulated results for the full-wave and equivalent circuit models.
Figure 8.
Sdd21 simulated results for the full-wave and equivalent circuit models.
The 150-degree smooth bend structure shows the best performance in the previous analysis. Therefore, the following section will introduce hybrid compensation, based on the 150-degree bend structure, including the design concept and simulated results.
3. Proposed Hybrid Compensation
As has already been established, whether in the case of compensation capacitance [5] or inductance [6], the compensation circuits are placed on the unbalanced bend section. Our proposed hybrid compensation design applies a 150-degree smooth bend structure and uses compensation capacitance and inductance.
There are four types of applied hybrid compensation for 150-degree bend structures, including different combinations of capacitance and inductance. These are named the C-C-C type, L-L-L type, C-L-C type, and L-C-L type, and are shown in Figure 9. All performances were compared with a 150-degree smooth bend structure without compensation in frequency and time domains. The physical size of the compensated capacitance was W1 × W1, where W1 = 1.5 mm, and the compensated inductance dimensions were W2 = 0.25 mm, S2 = 0.16 mm, and L2 = 0.94 mm.
Figure 9.
Hybrid compensation types, C-C-C, L-L-L, C-L-C, and L-C-L.
We first observe Scd21in the frequency domain analysis from DC to 6 GHz. Figure 10 shows the simulated results for C-C-C, L-L-L, C-L-C, and L-C-L types, all with a 150-degree smooth bend. Compared with other compensation types, we found that the 150-degree smooth-bend structure with the L-C-L type of compensation in the black line had the best performance on Scd21, which was below −17.3 dB.
Figure 10.
The simulated results of differential-to common-mode conversion loss (Scd21).
Maintaining the differential signal integrity is equally important. We observe Sdd21 in the frequency domain analysis from DC to 6 GHz. Figure 11 shows the 150-degree smooth bend structure with L-C-L compensation in the black line, which maintained the best signal integrity of the differential transmission. The differential insertion loss (Sdd21) exceeded −2.18 dB.
Figure 11.
Simulated results of Sdd21.
Figure 12 shows the simulated result of the common-mode noise in the time domain, including C-C-C, L-L-L, L-C-L, and C-L-C types, and a 150-degree smooth bend. The port definition is provided in Figure 6. The even-mode impedance was set to 85 Ohms. The input was set by the pseudo-random binary sequence (PRBS) with an amplitude of ±0.5 in voltage, a data throughput of 5 Gbps, and a rise time of 40 ps.
Figure 12.
The simulated results of common-mode noise.
For ease of comparison, all the values of common-mode noise are set out in Table 3, showing an improved rate compared to the 150-degree smooth bend structure without compensation. Figure 12 and Table 3 show that when the L-C-L compensation type was applied on a 150-degree bend structure, it had the smallest value, reducing common-mode noise by 48.9%.
Table 3.
Values of simulated common-mode noise.
4. Validation
In this section, the measurement results are displayed and discussed. All analyses include data regarding the frequency and time domains. Because the line width and spacing of differential transmission lines are so small, it is difficult to solder the subminiature version A (SMA) connectors smoothly and stably when in actual implementation. Therefore, we made some modifications to the SMA connection. We added a tapper to increase the impedance continuity and to connect a single-ended 50 ohms feeding line. In this way, we could expand the distance between the ports. Figure 13 shows the geometry of the PCB layout and photographs of all the compensation types.
Figure 13.
PCB layout geometry and photographs.
Figure 14 shows the Scd21 measurements for all compensation types in a frequency domain analysis. Figure 15 presents the measured results of Sdd21 for all compensation types. Figure 14 and Figure 15 show that the L-C-L compensation type, applied on a 150-degree bend structure and represented by the black line, had the best performance. Furthermore, Figure 16 compares measured and simulated results for Scd21; Figure 17 compares measured and simulated results for Sdd21. All measured results were highly consistent with the simulated results.
Figure 14.
Measured results of Scd21.
Figure 15.
The measured results for Sdd21.
Figure 16.
Comparison of the measured and simulated results for Scd21.
Figure 17.
Comparison of measured and simulated results for Sdd21.
Figure 18 shows the measured results for common-mode noise in the time domain. Table 4 sets out all the common-mode noise values and the improved rate, compared with the 150-degree smooth bend structure without compensation. Table 5 contains the eye-opening and eye-width measurements. Finally, Table 6 is a comparative analysis at 6 GHz with results taken from [10,11] for Scd21 and Sdd21.
Figure 18.
Measured results of common-mode noise.
Table 4.
The values of measured results for common-mode noise.
Table 5.
The values of the measured eye diagram.
Table 6.
Comparative analysis with results from other literature solutions for Scd21 and Sdd21.
5. Conclusions
Differential transmission lines are widely used in high-speed PCBs, due to their excellent noise immunity. However, unbalanced bends are always present due to their limited element placement or layout area. Therefore, we analyzed the smooth bend structure and examined whether or not it successfully reduced the unbalancing effect.
As a result of this, the L-C-L compensation type is recommended. In our analysis, the suppression of Scd21 in the simulation from DC to 6 GHz was below −17.3 dB, and the measurement from DC to 6 GHz was below −17.9 dB. It also maintained differential signals. The Sdd21 of the L-C-L compensation type remained above −2.18 dB, and the measurement result from DC to 6 GHz exceeded −2.15 dB. In the time-domain analysis, the L-C-L compensation type reduced common-mode noise by 48.9% in simulation and by 60.5% in measurement. Furthermore, in the eye diagram measurement, the eye height and eye width improved compared with the 150-degree bend structure.
For validation, the proposed design was fabricated on PCBs, and the measured results were highly consistent with the simulated results.
It is worth mentioning that PCB fabrication shows us that inductive compensation design is more challenging to implement than capacitive compensation design, due to the trace dimension W2 and spacing S2. However, tolerances are always present in PCB fabrication. In other words, the inductive compensation design is more sensitive. That is why the inductive compensation design needs more time for implementation in PCB fabrication. The compensation method could be implemented at a more high-speed transmission for future development, such as serial advanced technology attachments (SATA) III/6 Gbit/s, the universal serial bus (USB) 3.2/10 Gbit/s, and the peripheral component interconnect express (PCIe or PCI-e) 4.0/16 GT/s.
Author Contributions
Conceptualization, D.-B.L.; methodology, M.-H.W.; software, Y.-L.H.; validation, Huang, Y.-L, and M.-H.W.; formal analysis, M.-H.W.; investigation, M.-H.W.; resources, D.-B.L.; data curation, Y.-L.H.; writing—original draft preparation, M.-H.W.; writing—review and editing, M.-H.W.; visualization, M.-H.W.; supervision, D.-B.L.; project administration, D.-B.L.; funding acquisition, D.-B.L. All authors have read and agreed to the published version of the manuscript.
Funding
This research was funded by [Ministry of Science and Technology (Taiwan)] grant number [MOST 110-2221-E-011-052].
Conflicts of Interest
The authors declare no conflict of interest.
References
- Huang, W.T.; Lu, C.H.; Lin, D.B. The optimal number and location of grounded vias to reduce crosstalk. Prog. Electromagn. Res. 2009, 95, 241–266. [Google Scholar] [CrossRef][Green Version]
- Lee, K.; Lee, H.; Jung, H.; Sim, J.; Park, H. A Serpentine Guard Trace to Reduce the Far-End Crosstalk Voltage and the Crosstalk Induced Timing Jitter of Parallel Microstrip Lines. IEEE Trans. Adv. Packag. 2008, 31, 809–817. [Google Scholar] [CrossRef]
- Kam, D.G.; Lee, H.; Kim, J.; Kim, J. A new twisted differential line structure on high-speed printed circuit boards to enhance immunity to crosstalk and external noise. IEEE Microw. Wirel. Compon. Lett. 2003, 13, 411–413. [Google Scholar] [CrossRef]
- Chen, Z.; Katopis, G. A comparison of performance potentials of single ended vs. differential signaling. In Proceedings of the Electrical Performance of Electronic Packaging—2004, Portland, OR, USA, 25–27 October 2004; pp. 185–188. [Google Scholar] [CrossRef]
- Shiue, G.-H.; Guo, W.-D.; Lin, C.-M.; Wu, R.-B. Noise reduction using compensation capacitance for bend discontinuities of differential transmission lines. IEEE Trans. Adv. Packag. 2006, 29, 560–569. [Google Scholar] [CrossRef]
- Gazda, C.; Van de Ginste, D.; Rogier, H.; Wu, R.; De Zutter, D. A Wideband Common-Mode Suppression Filter for Bend Discontinuities in Differential Signaling Using Tightly Coupled Microstrips. IEEE Trans. Adv. Packag. 2010, 33, 969–978. [Google Scholar] [CrossRef]
- Chang, C.; Fang, R.; Wang, C. Bended Differential Transmission Line Using Compensation Inductance for Common-Mode Noise Suppression. IEEE Trans. Compon. Packag. Manuf. Technol. 2012, 2, 1518–1525. [Google Scholar] [CrossRef]
- Huang, B.; Chang, C.; Fang, R.; Wang, C. Common-Mode Noise Reduction Using Asymmetric Coupled Line with SMD Capacitor. IEEE Trans. Compon. Packag. Manuf. Technol. 2014, 4, 1082–1089. [Google Scholar] [CrossRef]
- Lin, D.; Huang, C.; Ke, H. Using Stepped-Impedance Lines for Common-Mode Noise Reduction on Bended Coupled Transmission Lines. IEEE Trans. Compon. Packag. Manuf. Technol. 2016, 6, 757–766. [Google Scholar] [CrossRef]
- Lin, D.; Huang, C.; Lin, C.; Ke, H.; Liu, W. Common-mode noise reduction of bended coupled lines by using time compensation technology. In Proceedings of the 2016 IEEE International Symposium on Electromagnetic Compatibility (EMC), Ottawa, ON, Canada, 25–29 July 2016; pp. 797–800. [Google Scholar] [CrossRef]
- Lin, D.; Huang, Y.; Lin, C. Simple Estimated Patch Size for Suppressing Common-mode Noise on Bent Differential Transmission Line. In Proceedings of the 2019 IEEE International Conference on RFID Technology and Applications (RFID-TA), Pisa, Italy, 25–27 September 2019; pp. 29–32. [Google Scholar] [CrossRef]
Publisher’s Note: MDPI stays neutral with regard to jurisdictional claims in published maps and institutional affiliations. |
© 2022 by the authors. Licensee MDPI, Basel, Switzerland. This article is an open access article distributed under the terms and conditions of the Creative Commons Attribution (CC BY) license (https://creativecommons.org/licenses/by/4.0/).

















