Fractional-Order PIλDμ Controller Using Adaptive Neural Fuzzy Model for Course Control of Underactuated Ships
Abstract
1. Introduction
- (i)
- A novel identification method based on adaptive neural fuzzy model (ANFM) was proposed to approximate the inverse dynamic characteristics of an underactuated ship. The model had good generalization ability and could automatically divide the input space, determine the number of membership functions and the number of fuzzy rules.
- (ii)
- Sine wave curve and sawtooth wave curve were used as input learning samples of ANFM, respectively, and inverse dynamics simulation experiments of ship were carried out to obtain two different sets of ANFM structures.
- (iii)
- The trained ANFM was used as an inverse controller in parallel with a fractional-order PIλDμ controllers. The ANFM-FOPID controller for course control was constructed and the effectiveness was evaluated by simulation.
- (iv)
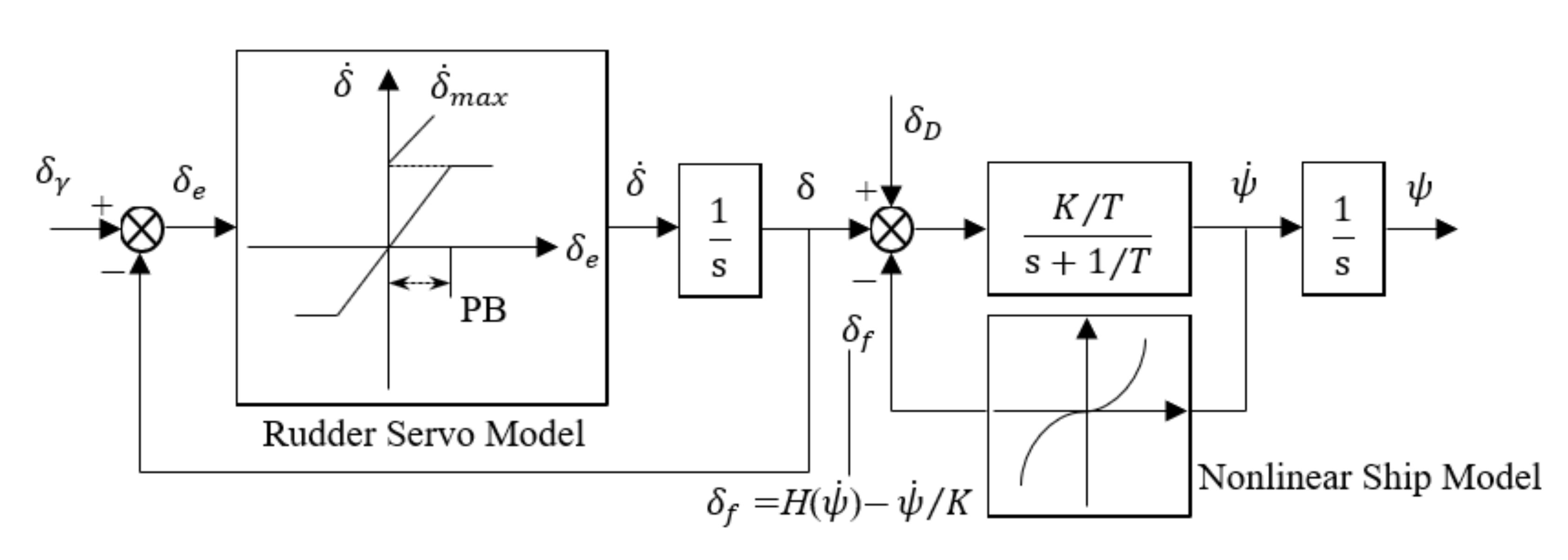
2. Motion Model for Underactuated Ships
3. Adaptive Neural Fuzzy Model
3.1. ANFM Structure
3.2. ANFM Learning Algorithm
3.2.1. Generation of Fuzzy Rules
- (i)
- and , ANFM can fully accommodate the observation data, no need to do anything;
- (ii)
- and , this situation indicates that the establishment of ANFM has a good generalization ability, and only the parameters of the post-rules need to be adjusted;
- (iii)
- and , this situation indicates that the generalization ability of the RBF neural unit covering is not very good. Therefore, the RBF neural unit and results parameters will be updated at the same time. For the RBF neural unit closest to , adjust by the following equation.
3.2.2. Determination of Weights
3.2.3. Pruning of Fuzzy Rules
4. Inverse Model Identification of Ship Motion
5. Course Control Based on ANF-FOPID Controller
5.1. FO PIλDμ Controller
5.2. Course Control Based on ANF-FOPID Controller
6. Simulations
7. Conclusions
Author Contributions
Funding
Institutional Review Board Statement
Informed Consent Statement
Data Availability Statement
Conflicts of Interest
References
- Dai, S.L.; He, S.; Wang, M.; Yuan, C. Adaptive neural control of underactuated surface vessels with prescribed performance guarantees. IEEE transactions on neural networks and learning systems. IEEE Trans. Neural Netw. Learn. Syst. 2018, 30, 3686–3698. [Google Scholar] [CrossRef] [PubMed]
- Chen, L.; Cui, R.; Yang, C.; Yan, W. Adaptive Neural Network Control of Underactuated Surface Vessels with Guaranteed Transient Performance: Theory and Experimental Results. IEEE Trans. Ind. Electron. 2019, 67, 4024–4035. [Google Scholar] [CrossRef]
- Jia, Z.; Hu, Z.; Zhang, W. Adaptive output-feedback control with prescribed performance for trajectory tracking of underactuated surface vessels. ISA Trans. 2019, 95, 18–26. [Google Scholar] [CrossRef] [PubMed]
- Lin, X.; Nie, J.; Jiao, Y.; Liang, K.; Li, H. Adaptive fuzzy output feedback stabilization control for the underactuated surface vessel. Appl. Ocean Res. 2018, 74, 40–48. [Google Scholar] [CrossRef]
- Ghommam, J.; Saad, M.; Mnif, F. Prescribed performances based fuzzy-adaptive output feedback containment control for multiple underactuated surface vessels. Ocean Eng. 2022, 249, 110898. [Google Scholar] [CrossRef]
- Li, G.; Li, Y.; Chen, H.; Deng, W. Fractional-Order Controller for Course-Keeping of Underactuated Surface Vessels Based on Frequency Domain Specification and Improved Particle Swarm Optimization Algorithm. Appl. Sci. 2022, 12, 3139. [Google Scholar] [CrossRef]
- Pettersen, K.Y.; Egeland, O. Exponential stabilization of an underactuated surface vessel. In Proceedings of the 35th IEEE Conference on Decision and Control, Kobe, Japan, 13 December 1996; Volume 1, pp. 967–972. [Google Scholar]
- Zhang, Y.; Li, S.; Liu, X. Adaptive Near-Optimal Control of Uncertain Systems with Application to Underactuated Surface Vessels. IEEE Trans. Control Syst. Technol. 2017, 26, 1204–1218. [Google Scholar] [CrossRef]
- Jin, T.; Xia, H.; Gao, S. Reliability analysis of the uncertain fractional-order dynamic system with state constraint. Math. Methods Appl. Sci. 2021, 45, 2615–2637. [Google Scholar] [CrossRef]
- Deng, W.; Xu, J.; Gao, X.-Z.; Zhao, H. An enhanced MSIQDE algorithm with novel multiple strategies for global optimization problems. IEEE Trans. Syst. Man Cybern. Syst. 2022, 52, 1578–1587. [Google Scholar] [CrossRef]
- Zhang, Z.-H.; Min, F.; Chen, G.-S.; Shen, S.-P.; Wen, Z.-C.; Zhou, X.-B. Tri-Partition State Alphabet-Based Sequential Pattern for Multivariate Time Series. Cogn. Comput. 2021, 1–19. [Google Scholar] [CrossRef]
- Wu, X.; Wang, Z.C.; Wu, T.H.; Bao, X.G. Solving the Family Traveling Salesperson Problem in the Adleman–Lipton Model Based on DNA Computing. IEEE Trans. NanoBioscience 2021, 21, 75–85. [Google Scholar] [CrossRef] [PubMed]
- Chen, H.; Zhang, Q.; Luo, J.; Xu, Y.; Zhang, X. An enhanced Bacterial Foraging Optimization and its application for training kernel extreme learning machine. Appl. Soft Comput. 2019, 86, 105884. [Google Scholar] [CrossRef]
- Cui, H.; Guan, Y.; Chen, H. Rolling Element Fault Diagnosis Based on VMD and Sensitivity MCKD. IEEE Access 2021, 9, 120297–120308. [Google Scholar] [CrossRef]
- Li, T.; Shi, J.; Deng, W.; Hu, Z. Pyramid particle swarm optimization with novel strategies of competition and cooperation. Appl. Soft Comput. 2022, 121, 108731. [Google Scholar] [CrossRef]
- Park, B.S.; Yoo, S.J. Adaptive-observer-based formation tracking of networked uncertain underactuated surface vessels with connectivity preservation and collision avoidance. J. Frankl. Inst. 2019, 356, 7947–7966. [Google Scholar] [CrossRef]
- Guan, W.; Zhou, H.; Su, Z.; Zhang, X.; Zhao, C. Ship Steering Control Based on Quantum Neural Network. Complexity 2019, 2019, 3821048. [Google Scholar] [CrossRef]
- Pathan, D.M.; Hussain, T.; Daudpoto, J.; Memon, I.A. Neural network controller for a ship. Sindh. Univ. Res. J. 2012, 44, 399–404. [Google Scholar]
- Khizer, A.N.; Yaping, D.; Unar, M.A. Design of Heading Controller for Cargo Ship using Feed Forward Artificial Neural Network. Int. J. Adv. Comput. Technol. 2013, 5, 556–566. [Google Scholar] [CrossRef]
- Pathan, D.M.; Abbassi, A.F.; Memon, Z.A. Neural network course changing and track keeping controller for a submarine. Mehran. Univ. Res. J. Eng. Technol. 2012, 31, 711–722. [Google Scholar]
- Duan, H.Q.; Sun, H.F. Adaptive backstepping neural network algorithm of ship line-course control. J. Nanjing Univ. Sci. Technol. 2012, 36, 427–431. [Google Scholar]
- Xia, G.; Wu, H.; Shao, X. Adaptive Filtering Backstepping for Ships Steering Control without Velocity Measurements and with Input Constraints. Math. Probl. Eng. 2014, 2014, 218585. [Google Scholar] [CrossRef]
- Shenreng, J.; Liu, L. Adaptive neural network control for ship steering system using filtered backstepping design. J. Appl. Sci. 2013, 13, 1691–1697. [Google Scholar]
- Wang, R.; Li, D.; Miao, K. Optimized Radial Basis Function Neural Network Based Intelligent Control Algorithm of Unmanned Surface Vehicles. J. Mar. Sci. Eng. 2020, 8, 210. [Google Scholar] [CrossRef]
- Wanga, R.; Deng, H.; Miao, K.; Zhao, Y.; Du, J. Backstepping based integral sliding mode control with neural network for ship steering control. MATEC Web Conf. 2017, 139, 141. [Google Scholar] [CrossRef][Green Version]
- Velagic, J. Design of Ship Controller and Ship Model Based on Neural Network Identification Structures. In Proceedings of the 2006 World Automation Congress, Budapest, Hungary, 24–26 July 2006. [Google Scholar] [CrossRef]
- Al-Hussein, A.B. Combined neural network and PD adaptive tracking controller for ship steering system. Iraq J. Electr. Electron. Eng. 2017, 13, 59–66. [Google Scholar] [CrossRef]
- Wang, W.; Liu, C. An efficient ship autopilot design using observer-based model predictive control. Proc. Inst. Mech. Eng. Part M J. Eng. Marit. Environ. 2020, 235, 203–212. [Google Scholar] [CrossRef]
- Shao, H.; Lin, J.; Zhang, L.; Galar, D.; Kumar, U. A novel approach of multisensory fusion to collaborative fault diagnosis in maintenance. Inf. Fusion 2021, 74, 65–76. [Google Scholar] [CrossRef]
- Zhang, X.; Wang, H.; Du, C.; Fan, X.; Cui, L.; Chen, H.; Deng, F.; Tong, Q.; He, M.; Yang, M.; et al. Custom-Molded Offloading Footwear Effectively Prevents Recurrence and Amputation, and Lowers Mortality Rates in High-Risk Diabetic Foot Patients: A Multicenter, Prospective Observational Study. Diabetes Metab. Syndr. Obes. Targets Ther. 2022, 15, 103–109. [Google Scholar] [CrossRef]
- He, Z.; Shao, H.; Zhong, X.; Zhao, X. Ensemble transfer CNNs driven by multi-channel signals for fault diagnosis of rotating machinery cross working conditions. Knowl.-Based Syst. 2020, 207, 106396. [Google Scholar] [CrossRef]
- Wei, Y.; Zhou, Y.; Luo, Q.; Deng, W. Optimal reactive power dispatch using an improved slime mould algorithm. Energy Rep. 2021, 7, 8742–8759. [Google Scholar] [CrossRef]
- Deng, W.; Zhang, X.; Zhou, Y.; Liu, Y.; Zhou, X.; Chen, H.; Zhao, H. An enhanced fast non-dominated solution sorting genetic algorithm for multi-objective problems. Inf. Sci. 2021, 585, 441–453. [Google Scholar] [CrossRef]
- Wu, J.; Wang, Z. A Hybrid Model for Water Quality Prediction Based on an Artificial Neural Network, Wavelet Transform, and Long Short-Term Memory. Water 2022, 14, 610. [Google Scholar] [CrossRef]
- Jin, T.; Xia, H.; Deng, W.; Li, Y.; Chen, H. Uncertain Fractional-Order Multi-Objective Optimization Based on Reliability Analysis and Application to Fractional-Order Circuit with Caputo Type. Circuits Syst. Signal Process. 2021, 40, 5955–5982. [Google Scholar] [CrossRef]
- Lin, C.T.; Lee, C.S.G. Neural Fuzzy Systems—A Neuro-Fuzzy Synergism to Intelligent Systems; Prentice-Hall: Hoboken, NJ, USA, 1996. [Google Scholar]
- Wang, L.X.; Mendel, J.M. Fuzzy Basis Functions, Universal Approximation and Orthogonal Least-Squares Learning. IEEE Trans. Neural Netw. 1992, 3, 807–814. [Google Scholar] [CrossRef]
- Jang, J.S.R. ANFIS: Adaptive-Network-based Fuzzy Inference Systems. IEEE Trans. Syst. Man Cybern. 1993, 23, 665–685. [Google Scholar] [CrossRef]
- Tung, L.T. Design a ship autopilot using neural network. J. Ship Prod. Design 2017, 33, 192–196. [Google Scholar] [CrossRef]
- Shuai, Y.; Li, G.; Cheng, X.; Skulstad, R.; Xu, J.; Liu, H.; Zhang, H. An efficient neural-network based approach to automatic ship docking. Ocean Eng. 2019, 191, 106514. [Google Scholar] [CrossRef]
- Zhong, C.; Jiang, Z.; Chu, X.; Liu, L. Inland Ship Trajectory Restoration by Recurrent Neural Network. J. Navig. 2019, 72, 1359–1377. [Google Scholar] [CrossRef]
- Volkova, T.A.; Balykina, Y.E.; Bespalov, A. Predicting ship trajectory based on neural networks using AIS data. J. Marine Sci. Eng. 2021, 9, 254. [Google Scholar] [CrossRef]
- Jiang, Y.; Hou, X.R.; Wang, X.G.; Wang, Z.H.; Yang, Z.L.; Zou, Z.J. Identification modeling and prediction of ship maneuvering motion based on LSTM deep neural network. J. Mar. Sci. Technol. 2022, 27, 125–137. [Google Scholar] [CrossRef]
- Le, T.T. Ship heading control system using neural network. J. Mar. Sci. Technol. 2021, 26, 963–972. [Google Scholar] [CrossRef]
- Deng, W.; Li, Z.; Li, X.; Chen, H.; Zhao, H. Compound Fault Diagnosis Using Optimized MCKD and Sparse Representation for Rolling Bearings. IEEE Trans. Instrum. Meas. 2022, 71, 3508509. [Google Scholar] [CrossRef]
- Jin, T.; Xia, H. Lookback option pricing models based on the uncertain fractional-order differential equation with Caputo type. J. Ambient Intell. Humaniz. Comput. 2021, 1–14. [Google Scholar] [CrossRef]
- Zhang, C.; Wan, L.; Liu, Y. Ship heading control based on fuzzy PID control. In Proceedings of the IEEE 2019 34rd Youth Academic Annual Conference of Chinese Association of Automation (YAC), Jinzhou, China, 6–8 June 2019; pp. 607–612. [Google Scholar]
- Nguyen, V.S.; Im, N.K. Automatic ship berthing based on fuzzy logic. Int. J. Fuzzy Log. Intell. Syst. 2019, 19, 163–171. [Google Scholar] [CrossRef]
- Zhu, L.; Li, T. Observer-based adaptive fuzzy prescribed performance control for intelligent ship autopilot. Syst. Sci. Control Eng. 2021, 9, 489–496. [Google Scholar] [CrossRef]
- Min, B.; Zhang, X. Concise robust fuzzy nonlinear feedback track keeping control for ships using multi-technique improved LOS guidance. Ocean Eng. 2021, 224, 108734. [Google Scholar] [CrossRef]
- Oldham, K.B.; Spanier, J. The Fractional Calculus; Academic Press: New York, NY, USA, 1974. [Google Scholar]
- Podlubny, I. Fractional-order System and Fractional-order Control. IEEE Trans. Autom. Control 1999, 44, 208–214. [Google Scholar] [CrossRef]
- Shah, P.; Agashe, S. Review of fractional PID controller. Mechatronics 2016, 38, 29–41. [Google Scholar] [CrossRef]
- Dabiri, A.; Moghaddam, B.P.; Machado, J.A.T. Optimal variable-order fractional PID controllers for dynamical systems. J. Comput. Appl. Math. 2018, 339, 40–48. [Google Scholar] [CrossRef]
- Izci, D.; Ekinci, S.; Eker, E.; Kayri, M. A Novel Modified Opposition-based Hunger Games Search Algorithm to Design FOPID Controller for Magnetic Ball Suspension System. Adv. Control. Appl. Eng. Ind. Syst. 2022, 4, e96. [Google Scholar]
- Izci, D.; Ekinci, S.; Hekimoğlu, B. Fractional-Order PID Controller Design for Buck Converter System via Hybrid Lévy Flight Distribution and Simulated Annealing Algorithm. Arab. J. Sci. Eng. 2022, 1–19. [Google Scholar] [CrossRef]
- Fossen, T.I. Guidance and Control of Ocean Vehicle; John Wiley &Sons Ltd.: London, UK, 1994. [Google Scholar]
- Dlabač, T.; Ćalasan, M.; Krčum, M.; Marvučić, N. PSO-based PID controller design for ship course-keeping autopilot. Brodogradnja 2019, 70, 1–15. [Google Scholar] [CrossRef]
- Bingül, Z.A.F.E.R.; Karahan, O.Ğ.U.Z.H.A.N. Fractional PID controllers tuned by evolutionary algorithms for robot trajectory control. Turk J. Elec. Eng. Comp. Sci. 2012, 20, 1123–1136. [Google Scholar]
- Lee, S.; Kil, R.M. A Gaussian potential function network with hierarchically self-organizing learning. Neural Netw. 1991, 4, 207–224. [Google Scholar] [CrossRef]
- Ho, S.J.; Shu, L.S.; Ho, S.Y. Optimizing fuzzy neural networks for tuning PID controllers using an orthogonal simulated annealing algorithm OSA. IEEE Trans. Fuzzy Syst. 2006, 14, 421–434. [Google Scholar] [CrossRef]
- Lune, B.J. Three-Parameter Tunable Tilt-Integral Derivative (TID) Controller. US Patent US5371670, 6 December 1994. [Google Scholar]
- Oustaloup, A.; Mathieu, B.; Lanusse, P. The CRONE Control of Resonant Plants: Application to a Flexible Transmission. Eur. J. Control 1995, 1, 113–121. [Google Scholar] [CrossRef]
- Raynaud, H.F.; Zergaınoh, A. State-space representation for fractional order controllers. Automatica 2000, 36, 1017–1021. [Google Scholar] [CrossRef]
- Oustaloup, A.; Levron, F.; Mathieu, B.; Nanot, F.M. Frequency-band complex non-integer differentiator: Characterization and synthesis. IEEE Trans. Circuits Syst.-I Fundam. Theory Appl. 2000, 47, 25–39. [Google Scholar] [CrossRef]
- Leontaritis, I.J.; Billings, S.A. Input-output parametric models for non-linear systems part I: Deterministic non-linear systems. Int. J. Control. 1985, 41, 303–328. [Google Scholar] [CrossRef]
- Shen, Z. Study on General Fuzzified CMAC Based Ship Motion Intelligent Control and its Distributed Simulation; Dalian Maritime University: Dalian, China, 2005. [Google Scholar]























| V (Konts) | K | T | α | β |
|---|---|---|---|---|
| 27.1 | 0.2676 | 186.9556 | 10.4915 | 7.5343 |
| 26.5 | 0.2617 | 191.1885 | 10.7291 | 8.0578 |
| 24.5 | 0.2419 | 206.7958 | 11.6049 | 10.1966 |
| 22.5 | 0.2222 | 225.1776 | 12.6366 | 13.1644 |
| 19.8 | 0.1955 | 255.8837 | 14.3601 | 19.3172 |
| 17.8 | 0.1758 | 284.6346 | 15.9748 | 26.5858 |
| 16.3 | 0.1609 | 310.8280 | 17.4475 | 34.6171 |
| Sine Wave | ||||
|---|---|---|---|---|
| 30° | 32 | 18 | 4.27% | 0.09 |
| 45° | 52 | 16 | 3.31% | 0.02 |
| 60° | 43 | 18 | 2.93% | 0.08 |
| Sawtooth Wave | ||||
|---|---|---|---|---|
| 30° | 57 | 17 | 2.64% | 0.31 |
| 45° | 55 | 16 | 2.49% | 0.018 |
| 60° | 51 | 23 | 2.02% | 0.051 |
| Controller Type | ||||
|---|---|---|---|---|
| ANFM -FOPID (proposed) | 32 | 18 | 4.27% | 0.009 |
| PSO-PID | 416 | 67 | 31.16% | 0.024 |
| PID | 519 | 71 | 14.25% | 0.007 |
| GA-FOPID | 163 | 65 | 9.53% | 0.086 |
Publisher’s Note: MDPI stays neutral with regard to jurisdictional claims in published maps and institutional affiliations. |
© 2022 by the authors. Licensee MDPI, Basel, Switzerland. This article is an open access article distributed under the terms and conditions of the Creative Commons Attribution (CC BY) license (https://creativecommons.org/licenses/by/4.0/).
Share and Cite
Li, G.; Chen, B.; Chen, H.; Deng, W. Fractional-Order PIλDμ Controller Using Adaptive Neural Fuzzy Model for Course Control of Underactuated Ships. Appl. Sci. 2022, 12, 5604. https://doi.org/10.3390/app12115604
Li G, Chen B, Chen H, Deng W. Fractional-Order PIλDμ Controller Using Adaptive Neural Fuzzy Model for Course Control of Underactuated Ships. Applied Sciences. 2022; 12(11):5604. https://doi.org/10.3390/app12115604
Chicago/Turabian StyleLi, Guangyu, Baojie Chen, Huayue Chen, and Wu Deng. 2022. "Fractional-Order PIλDμ Controller Using Adaptive Neural Fuzzy Model for Course Control of Underactuated Ships" Applied Sciences 12, no. 11: 5604. https://doi.org/10.3390/app12115604
APA StyleLi, G., Chen, B., Chen, H., & Deng, W. (2022). Fractional-Order PIλDμ Controller Using Adaptive Neural Fuzzy Model for Course Control of Underactuated Ships. Applied Sciences, 12(11), 5604. https://doi.org/10.3390/app12115604

