Enhanced Discrimination of Seismic Geological Channels Based on Multi-Trace Variational Mode Decomposition
Abstract
:1. Introduction
2. Methods
2.1. Variational Mode Decomposition
2.2. Multivariate Variational Mode Decomposition
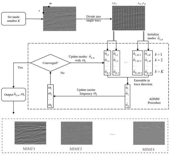
2.3. Multi-Trace VMD Based Seismic Channel Detection Method
- (1)
- Decompose the 3D seismic dataset into a series of band-limited components using the MTVMD method;
- (2)
- The instantaneous frequency and amplitude of each component are utilized to obtain the seismic attributes, such as Root Mean Square amplitude, amplitude variance, and coherence;
- (3)
- The attributes are involved in the analysis of seismic geological feature interpretation, such as seismic channels.
3. Field Data Application
4. Conclusions
- (1)
- The variational mode decomposition method has the advantages of high resolution, complete decomposition, and avoidance of the mode stacking effect, which is suitable for enhancing the extraction of the target signal in seismic interpretation;
- (2)
- Multi-trace variational mode decomposition provides an improved lateral consistency and resolution for recognizing the subtle geological features of channels, which enhances the quality and reliability of seismic interpretation;
- (3)
- Tested by a 3D seismic dataset, the results have proved that, on data-driven decomposition approaches, a higher spectral-spatial resolution and clearer stratigraphy and lithology boundaries were obtained, compared to the traditional short-time Fourier transform method.
Author Contributions
Funding
Institutional Review Board Statement
Informed Consent Statement
Data Availability Statement
Acknowledgments
Conflicts of Interest
References
- Li, W.; Yue, D.; Wang, W.; Wang, W.; Wu, S.; Li, J.; Chen, D. Fusing multiple frequency-decomposed seismic attributes with machine learning for thickness prediction and sedimentary facies interpretation in fluvial reservoirs. J. Pet. Sci. Eng. 2019, 177, 1087–1102. [Google Scholar] [CrossRef]
- Zeng, H.L. Thickness imaging for high-resolution stratigraphic interpretation by linear combination and color blending of multiple-frequency panels. Interpretation 2017, 5, T411–T422. [Google Scholar] [CrossRef]
- Zhang, J.H.; Liu, Z.; Zhu, B.H.; Feng, D.Y.; Zhang, M.Z.; Zhang, X.F. Fluvial reservoir characterization and identification: A case study from Laohekou Oilfield. Appl. Geophys. 2011, 8, 181–188. [Google Scholar] [CrossRef]
- Anees, A.; Shi, W.; Ashraf, U.; Xu, Q. Channel identification using 3D seismic attributes and well logging in lower Shihezi Formation of Hangjinqi area, northern Ordos Basin, China. J. Appl. Geophys. 2019, 163, 139–150. [Google Scholar] [CrossRef]
- Zeng, H.L. Frequency-dependent seismic-stratigraphic and facies interpretation. AAPG Bull. 2013, 97, 201–221. [Google Scholar] [CrossRef]
- Li, F.; Qi, J.; Lyu, B.; Marfurt, K.J. Multispectral coherence. Interpretation 2018, 6, T61–T69. [Google Scholar] [CrossRef] [Green Version]
- Lyu, B.; Qi, J.; Li, F.; Hu, Y.; Zhao, T.; Verma, S.; Marfurt, K.J. Multispectral coherence: Which decomposition should we use? Interpretation 2020, 8, T115–T129. [Google Scholar] [CrossRef]
- Li, F.; Zhang, B.; Zhai, R.; Zhou, H.; Marfurt, K.J. Depositional sequence characterization based on seismic variational mode decomposition. Interpretation 2017, 5, SE97–SE106. [Google Scholar] [CrossRef] [Green Version]
- Wang, Z.; Gao, J.; Wang, D.; Wei, Q. 3D seismic attributes for a tight gas sand reservoir characterization of eastern Sulige gas field, Ordos Vasin, China. Geophysics 2015, 80, B35–B43. [Google Scholar] [CrossRef]
- Zhou, J.; Ba, J.; Castagna, P.; Guo, Q.; Yu, C.; Jiang, R. Application of an STFT-Based Seismic Even and Odd Decomposition Method for Thin-Layer Property Estimation. IEEE Geosci. Remote Sens. Lett. 2019, 16, 1348–1352. [Google Scholar] [CrossRef]
- Liu, W.; Cao, S.; Wang, Z.; Kong, X.; Chen, Y. Spectral decomposition for hydrocarbon detection base VMD and Teager-Kasier energy. IEEE Geosci. Remote Sens. Lett. 2017, 14, 539–543. [Google Scholar] [CrossRef]
- Lu, W.; Li, F. Seismic spectral decomposition using deconvolutive short-time Fourier transform spectrogram. Geophysics 2013, 78, V43–V51. [Google Scholar] [CrossRef]
- Sinha, S.; Routh, P.S.; Anno, P.D.; Castagna, J.P. Spectral decomposition of seismic data with continuous-wavelet transform. Geophysics 2005, 70, P19–P25. [Google Scholar] [CrossRef]
- Liu, N.; Gao, J.; Zhang, B.; Li, F.; Wang, Q. Time-frequency analysis of seismic data using a three parameters S transform. IEEE Geosci. Remote Sens. Lett. 2018, 15, 142–146. [Google Scholar] [CrossRef]
- Tary, J.B.; Herrera, R.H.; Han, J.; van der Baan, M. Spectral Estimation-What is new? What is next? Rev. Geophys. 2014, 52, 723–749. [Google Scholar] [CrossRef]
- Huang, N.E.; Shen, Z.; Long, S.R.; Wu, M.L.C.; Shih, H.H.; Zheng, Q.N.; Yen, N.C.; Tung, C.C.; Liu, H.H. The empirical mode decomposition and the Hilbert spectrum for nonlinear and non-stationary time series analysis. Proc. R. Soc. A Math. Phys. 1998, 454, 903–995. [Google Scholar] [CrossRef]
- Dragomiretskiy, K.; Zosso, D. Variational mode decomposition. IEEE Trans. Signal Process 2013, 62, 531–534. [Google Scholar] [CrossRef]
- Liu, W.; Cao, S.; Chen, Y. Application of variational mode decomposition in random noise attenuation and time-frequency analysis seismic data. In Proceedings of the EAGE 78th Annual International Conference & Print Exhibition, Vienna, Austria, 30 May–2 June 2016. [Google Scholar] [CrossRef]
- Wu, G.N.; Liu, G.C.; Wang, J.X.; Fan, P.P. Seismic Random Noise Denoising Using Mini-Batch Multivariate Variational Mode Decomposition. Comput. Intell. Neurosci. 2022, 2022, 2132732. [Google Scholar] [CrossRef]
- Xu, Z.; Zhang, B.; Li, F.; Cao, G.; Liu, Y. Well-log decomposition using variational mode decomposition in assisting the sequence stratigraphy analysis of a conglomerate reservoir. Geophysics 2018, 83, B221–B228. [Google Scholar] [CrossRef]
- Xue, Y.J.; Cao, J.X.; Wang, D.X.; Du, H.K.; Yao, Y. Application of the variational-mode decomposition for seismic time-frequency analysis. IEEE J. Sel. Top. Appl. Earth Obs. Remote Sens. 2016, 9, 3821–3831. [Google Scholar] [CrossRef]
- Zhao, T.; Li, F.; Marfurt, K.J. Constraining self-organizing map facies analysis with stratigraphy: An approach to increase the credibility in automatic seismic facies classification. Interpretation 2017, 5, T163–T171. [Google Scholar] [CrossRef]
- Lyu, B.; Li, F.Y.; Qi, J.; Zhao, T.; Marfurt, K.J. Highlighting discontinuities with variational mode decomposition based coherence. In Proceedings of the 2018 SEG International Exposition and Annual Meeting, Anaheim, CA, USA, 13–18 October 2018. [Google Scholar] [CrossRef]
- ur Rehman, N.; Aftab, H. Multivariate variational mode decomposition. IEEE Trans. Signal Process. 2019, 67, 6039–6052. [Google Scholar] [CrossRef] [Green Version]
- Tian, Y.J.; Gao, J.H. Seismic depositional sequence characterization by using enhanced multichannel variational-mode decomposition. Interpretation 2021, 10, T103–T115. [Google Scholar] [CrossRef]
- Wang, W.; Pan, C.; Wang, J. Quasi-bivariate variational mode decomposition as a tool of scale analysis in wall-bounded turbulence. Exp. Fluids 2018, 59, 1. [Google Scholar] [CrossRef]
- Fan, X.Y.; Xue, G.Q.N.; Liu, B.; Huang, Y.T.; Qi, X.; Li, W.C. Recognition of Single Channel Sandbody of Meandering River With Logging-Seismic Combination. Xinjiang Pet. Geol. 2019, 40, 228. [Google Scholar] [CrossRef]
- Lei, Q.I.N.; Li, X.G.; Qiu., Z.Y.; Li, Z.J.; Xu, S.H.; Li, Y.W.; Chen, C.; Wang, J.B.; Wen, S.Q. Characteristics and Formation Mechanism of Incised Valley on the Eastern Margin of Chepaizi Uplift, Junggar Basin. Geoscience 2021, 35, 832. [Google Scholar] [CrossRef]











Publisher’s Note: MDPI stays neutral with regard to jurisdictional claims in published maps and institutional affiliations. |
© 2022 by the authors. Licensee MDPI, Basel, Switzerland. This article is an open access article distributed under the terms and conditions of the Creative Commons Attribution (CC BY) license (https://creativecommons.org/licenses/by/4.0/).
Share and Cite
Leng, J.; Yu, Z.; Wu, C. Enhanced Discrimination of Seismic Geological Channels Based on Multi-Trace Variational Mode Decomposition. Appl. Sci. 2022, 12, 5416. https://doi.org/10.3390/app12115416
Leng J, Yu Z, Wu C. Enhanced Discrimination of Seismic Geological Channels Based on Multi-Trace Variational Mode Decomposition. Applied Sciences. 2022; 12(11):5416. https://doi.org/10.3390/app12115416
Chicago/Turabian StyleLeng, Jiaxuan, Zhichao Yu, and Chaodong Wu. 2022. "Enhanced Discrimination of Seismic Geological Channels Based on Multi-Trace Variational Mode Decomposition" Applied Sciences 12, no. 11: 5416. https://doi.org/10.3390/app12115416
APA StyleLeng, J., Yu, Z., & Wu, C. (2022). Enhanced Discrimination of Seismic Geological Channels Based on Multi-Trace Variational Mode Decomposition. Applied Sciences, 12(11), 5416. https://doi.org/10.3390/app12115416

