Next Article in Journal
CNN Training Using 3D Virtual Models for Assisted Assembly with Mixed Reality and Collaborative Robots
Next Article in Special Issue
Retrofitting Masonry Walls against Out-Of-Plane Loading with Timber Based Panels
Previous Article in Journal
Short-Term Prediction of COVID-19 Cases Using Machine Learning Models
Previous Article in Special Issue
From Stress to Shape: Equilibrium of Cloister and Cross Vaults
 
 
Font Type:
Arial Georgia Verdana
Font Size:
Aa Aa Aa
Line Spacing:
Column Width:
Background:
Article

Brunelleschi’s Dome: A New Estimate of the Thrust and Stresses in the Underlying Piers

Department of Civil Engineering and Computer Science, University of Rome “Tor Vergata”, 00133 Rome, Italy
Appl. Sci. 2021, 11(9), 4268; https://doi.org/10.3390/app11094268
Submission received: 21 March 2021 / Revised: 24 April 2021 / Accepted: 28 April 2021 / Published: 8 May 2021
(This article belongs to the Special Issue Theory and Modelling of Historic Masonry Architecture)

Abstract

The paper deals with the insurgence of the thrust, together with its valuation, in masonry domes, giving special attention to the Brunelleschi’s Dome in Florence. After a recalling of the kinematical approach in the context of the Heyman masonry model, the thrust of Brunelleschi’s Dome is estimated as the maximum of the set of all the kinematical ones. Comparisons are made with other valuations made by the usual, but less accurate, statical approach. The knowledge of the thrust allows an evaluation of the stresses acting in the supporting piers: their base sections are all compressed, with level stresses sufficiently low. This result shows the extraordinary conception of Filippo Brunelleschi’s Dome and the favorable design of the pillar sections and of the drum positioning, due, perhaps, to Arnolfo di Cambio or to the succeeding Masters.

1. Introduction

This article aims to study the statical behavior of Brunelleschi’s Dome in Florence which, for its significance, since 1982 has been one of the UNESCO World Heritage sites. The research is developed by means of the limit analysis approach according to the simple no tension Heyman model [1] of the masonry material and in the context of the consequent mathematical formulation given in [2,3]. The first aim of this article is the thrust estimate of the Dome, required to assess the actual state of safety of the monument. This subject is strongly debated. Many studies have been performed by using numerical approaches [4,5,6,7,8,9,10,11,12] that require the use of models involving complex convergence analysis and heavy computational problems [5].
An alternative to these complex numerical approaches is the assessment of statics of the masonry dome according to the limit analysis, founded on the masonry Heyman no tension model [13]. In spite of the simplicity of this last approach, all the main aspects of the masonry dome’s behavior are taken into account: the dome is divided into slices, in fact, with the development of meridian cracks due to the masonry weakness to sustain hoop stresses; the dome thrust takes place and radial settlement displacements occur in the drum; the dome adapts itself to the settlement and deforms with a mechanism activating the minimum thrust.
This complex picture of statical events occurring in masonry domes, with their passage from the initial membrane state of stress to that of the cracked behavior, is fully interpreted by the limit analysis, particularly in the context of the kinematical approach that directly employs the deformation modes and the mechanisms, in order to define, by means of the virtual work equation, the equilibrium of no tension structures.
The novelty of the paper lies in the application of the kinematical approach that directly pursues the insurgence of the thrust following the occurrence of the meridian cracking and the accompanying settlement mechanism of the Dome. In this context, the thrust is assessed by checking the maximum of all the kinematical thrusts, according to previous results obtained by the author [14,15]. This approach is not well known and rarely applied, whereas less accurate graphical procedures, with the construction of funicular polygons of minimum thrust, are commonly used. For this reason, the article first recalls the mechanical basis of this approach, by reporting the proof of the theorem of the maximum kinematical thrust [14,15]. Then, after a brief description of the actual damage state, the evaluation of the thrust of Brunelleschi’s Dome is achieved. This analysis improves a previous valuation of the thrust obtained by means of the statical approach [16] (pp. 242–271), that obtained a value of the thrust about 15% lower than the value given here.
The knowledge of the actual thrust of the Dome is of fundamental importance to obtain a sound stress analysis of the various structural components of the monument and it reveals the presence of a safe state of stress in the supporting piers. The new study of the thrust transfer, together with the conveyance of the various vertical loads, from the Dome to the underlying drum and to the pointed arches, as far as to the supporting piers, proves to be particularly simple, compared to the much more complex valuations developed by means of the application of finite elements techniques.
The results obtained point out not only the extraordinary genius of Brunelleschi but also the smart design of the drum and of its supporting pillars, due perhaps to Arnolfo di Cambio or to the succeeding Masters such as Talenti, Lapo di Ghini and Neri di Fioravanti.

2. The Dome

Unlike most cupolas which, like the Pantheon, are hemispherical in profile, the vault of Santa Maria del Fiore is a pointed dome.
The Dome intrados, sectioned by vertical planes passing through opposite corners, is a circular arch. Each of these eight arches is called a “pointed fifth” and inscribes an angle of about 60° with the center of the circle. The radius of a pointed fifth is equal to 4/5 of the distance spanning the internal corners of the octagonal annulus, i.e., equals 4/5’ 77 arms = 4/5’ 44.97 m = 35,976 m (1 arm = 0.584 m). These eight arches, converging upwards in the center, form the groin ribs of the Dome’s intrados [17,18,19,20].
The Dome is an octagonal cloister vault made up of four interpenetrating barrel vaults. There are eight webs and their surface is produced by horizontal straight lines extending from the octagon sides. Each of the eight webs spans two adjacent corners, or groin ribs, the “speroni d’angolo”. Each web is composed of two shells stiffened by two median ribs, called “speroni mediani”, connected to the groin ribs by nine horizontal arches [17,20]. This stiffening system connects the external and the internal shells tightly together so that the composite vault behaves like a single solid dome. The internal masonry pattern differs from the external shape of the dome and, surprisingly, presents a rotational structure.

3. Crack Patterns in the Dome

Documentation of the first cracks detected on the Dome dates back to the year 1639, when meridian cracks on the intrados of the internal shell were first noticed. At the end of the seventeenth century, according to Nelli and Viviani, these cracks cut across the whole drum [21]. A history of the gradual damage detected has been reported in [22].
The largest cracks on the Dome intrados were surveyed by Blasi and Ceccotti in 1984 [23]. Cracks have developed on the intrados along the meridians in the middle of the webs placed over the four cathedral pillars. No cracking has been detected along the groin ribs. The largest cracks, averaging 5–6 cm in width, run along the inner shell on the north-eastern and south-eastern webs.
From the crown down to a co-latitude angle of about 25°, the Dome webs over the pillars are intact, but are separated thereafter into slices by meridian cracks. Monitoring systems actually control the crack evolution over time [22,24,25].
The detected crack pattern is that of a revolution dome, due to Brunelleschi’s circular arrangement of the brick courses, so all the eight webs transmit their thrusts equally to the underlying drum.

4. Reasons of the Typical Cracking in Masonry Domes

Cracking is generally delayed in masonry domes. Cracks occur in a masonry arches as soon as stresses exceed the weak adhesion strength between the stones and the mortar. Compressive forces and shears continue to spread across the hinges that can form in the sections; the friction cannot oppose the development of cracks. On the contrary, in masonry domes, the friction increases their tensile strength, as Figure 1 shows.
At the cracking occurrence, the dome starts to widen and the circular courses have to slip one over the other. The friction strength produced by meridian compression Nφ opposes this slipping. Thus, the masonry’s tensile strength is actually increased by the meridian compression. Humidity, which generally penetrates slowly into masonry, weakens the mortar and reduces this friction strength over time. These considerations explain why cracks generally occur only many years after the end of a dome’s construction. The history of cracking of many famous vaults and domes bears this out. For example, both the domes of St Peter’s in Rome and Santa Maria del Fiore in Florence began to crack at least fifty years, or more, after their completion [16] (p. 209).
The dome cracks when the tension stress in the hoop rings near the springing reach the limit value of the masonry’s weak tensile strength. The initial membrane equilibrium is thereby lost and meridian cracks spread up the dome along a band much higher than that subjected to the hoop stresses in the initial membrane equilibrium. The cracked dome tends to open wide and breaks up into slices that behave as independent pairs of semi-arches leaning on each other (Figure 2).
Cracking brings about a profound change in the dome’s statics. The hoop stresses in the cracked zone vanish and stresses Nφ, before acting along the slices’ center lines, are no longer able to ensure equilibrium. The pressure surface thus tilts towards the horizontal and deviates away from the central surface of the dome. Only a small compressed cap at the top of each slice will be subjected to the thrusting action transmitted, by the other slices, all the way to the springers.
The emergence of thrust in the dome represents the most consequential outcome of meridian cracking in typical round masonry domes [13] (pp. 35–39], [16] (pp. 200–224).
When cracks are barely perceptible, only elastic unloading of the dome rings has occurred. In the presence of numerous broader cracks, on the other hand, the widening of the drum will be the main factor responsible for the dome’s deformation. Loaded by the dome’s thrust, the drum deforms and slightly splays. Meridian cracks in the dome thus continue in the drum. A small widening in the dome span occurs. The dome slices adapt themselves to this deformation, freely following the spreading of the dome. They develop a settlement mechanism. This picture describes the occurrence of cracking as it happened in Brunelleschi’s Dome.

5. Some Brief Examinations of the Statics of Masonry Structures

Many studies use advanced outlines of the geometry of the Dome but use questionable models of the material. The linear elastic model sometimes is assumed and the actual crack patterns are introduced in the initial geometry of the Dome without following the gradual crack propagation. Other studies use a constitutive model taken from the study of other materials, particularly of concrete.
In contrast to the large variety of approaches that, with different assumptions, try to analyze the statics of the Dome [4,5,6,7,8,9,10,11,12], there are the thrust assessments that move in the context of the limit analysis, founded on the masonry Heyman no tension model. We now recall the basic simple principles of the statics of masonry constructions, limited to the simpler case of unidimensional structures, to which the sliced cracked domes revert. The following constitutive assumptions were formulated by Heyman [1]:
i. 
masonry is incapable of withstanding tensions
ii. 
masonry has infinite compressive strength
iii. 
elastic strains are negligible
iv. 
sliding cannot occur because masonry has infinite shear strength
In this framework, the single resistant cell of a masonry structural element, as, for example, the slices of a dome, is composed of two ideal rigid bricks, of height h, loaded by eccentric axial load and shear, as shown in Figure 3.
Only compressive stresses are consistent. Thus, the eccentricity of the axial load
e = M / N
will respect the inequality
h / 2     e     h / 2
Assumption iv prohibits sliding. Consequently, the shear force T is involved only in the equilibrium between the two ideal bricks. Any strain of the unit resistant cell will be either zero or the detachment strain
E = [ ϕ Δ 0 ]
where the third strain component is zero because, according to assumption iv, no sliding can occur. Admissible stress and strain vectors are shown in Figure 4.
The set of all allowable stresses and strains Σ and E are, respectively, denoted by V and Y. The direct consequence of the pressing and expanding features of Σ and E is the following fundamental inequality [2,3]
Σ E 0 ,     Σ Y ,     E V  
A hinge in the ideal cell takes place when the strains sketched in Figure 4 occur.
When, in a masonry structure, a sufficient number of hinges occurs, the arch, or any other structure, can become deformed according to a displacement field u, called the mechanism. The set of all the mechanisms is denoted by M.
The admissible equilibrium of masonry structures is governed by the principle of virtual work that takes, for unidimensional masonry elements, the typical form expressing the equality between internal and external virtual work [16] (pp. 79–82)
< p , δ u >   =   < Σ , δ E >               δ u   M
coupled to the admissibility condition on the stresses Σ and the virtual strains δE(δu)
< Σ , δ E >   0 .

6. Settlement State. Allowable Equilibrium

Let us consider a masonry structure, for instance, an arch or a dome, under the loads g, representative of the weight. The structure is in equilibrium at the configuration Ci under the loads g and the corresponding internal stresses Σi. A slight settlement of the external constraints of the structure now takes place, as shown, in the case of the arch, in Figure 5.
The arch changes its pressure line and adapts itself to the settlement deformation with a mechanism and follows the displacements of its springers. Let Cs be the configuration of the arch after the settlement. The displacement field that moves the arch from Ci to Cs is the settlement mechanism vs.
Changes of internal stresses occur in the change from Ci to Cs. The initial stresses Σi, allowable and in equilibrium with the loads g, change into
Σ s
For instance, in the case of the settled arch, the pressure line changes from πi to πs. Consequently, the horizontal component of the reaction of the settled constraint changes from μir to μsr.
We can release the structure, removing the settled constraint, by applying the corresponding reaction of the canceled constraint (Figure 6). Making reference to the released structure, let M* be the set of all the mechanisms of the structure with the removed constraint.
The structure follows the settlement displacement without any opposition. In the case of the above settled arch, the pressure curve πs will pass through the hinges of the settlement mechanism vs. No work of the internal stresses ΣS will be made for the settlement strains. Thus, at the settlement state
< Σ s , E ( v s ) >   = 0  
showing that, in the settled structure, the pressure line passes through the hinges of the settlement mechanism. In the released structure, the external loads are the loads g and the reactions μsr, if r is the reaction corresponding to a unitary value of the multiplier μ. The released structure is in an allowable equilibrium state. Consequently, the following equation of the principle of virtual works holds:
< g , δ u > + μ s < r , δ u >   =   < Σ s , δ E >               δ u M *
for any mechanism δu of the released structure. Consequently, from (9), taking δu = vS, because of (8), we get
< g , v s > + μ s < r , v s >   =   0
The weight g pushes against the settled constraint. These loads g thus make positive work along the settlement mechanism vs.
< g , v s >   >   0
On the contrary, the thrust μsr is resisting and, according to (10) and (11), we get
μ s < r , v s >   <   0
Conditions (8)–(12) define the settlement state.

7. Minimum Thrust

Let us consider the released structure, loaded also by the reaction of the settled constraint. Let us choose any stress Σ, statically admissible, i.e., compressive and in equilibrium with the loads. The statically allowable thrust
μ r ( Σ )
will correspond to the chosen statically allowable stress Σ. It is well known that the actual thrust in the settled state is the minimum among all the statically admissible thrusts (13):
μ S = M I N μ ( Σ )         Σ Y
This statement, universally accepted, extends the well-known property of the masonry settled arch to any structure. In the state of minimum thrust, the pressure line of the arch, that takes the maximum slope at the springers, corresponds to an arch having minimum span and maximum sag, as shown by Coulomb [26] and Heyman [27]. The extension of this statement to any structure with a settling constraint was proven in [14,15], transferring these concepts into a mathematical framework.
In this context, the minimum thrust of a dome is generally obtained using the statical approach, by constructing sequences of funicular polygons of the loads and searching among them for the allowable pressure line with the maximum slope at the springers. Alternatively, the minimum thrust, or more generally, the minimum reaction of the settled constraint, can be obtained as follows.

8. The Kinematical Approach

This approach is founded on the following:
Theorem 1.
The settlement factor μs is the maximum of the kinematical multipliers λ(v) for any displacement v varying in the set M* of all the mechanisms [14,15].
Proof. 
Let us consider in the released structure of any displacement mechanism
v M *
that can represent the occurred settlement. Consequently, according to (11), along the chosen displacement
< g , v >   >   0
Let us consider the kinematical multiplier λ of the reaction r(v) of the settled constraint, satisfying the equilibrium along v
< g , v > + λ < r , v > = 0
that is
λ ( v ) = < g , v > < r , v > ,   v M *
The quantity λr(v) is defined as the kinematical reaction of the settled constraint. Consequently, according to (16) and (17),
< r , v >   <   0
The so defined thrust
λ r ( v )
is thus associated with the chosen settlement mechanism v. Let us assume δu = v in the virtual Equation (9) expressing the allowable equilibrium in the settlement state between the external loads g and μsr and the internal stresses Σs. We get
< g , v > + μ s < r , v >   =   < Σ s , E ( v ) >
Subtracting (17) from (21) we get
  ( μ s λ ( v ) ) < r , v >   =   < Σ s , E ( v ) >
and, taking into account (6),
< Σ s , E ( v ) >   0
Consequently
  ( μ s λ ( v ) ) < r , v >   0  
and, taking into account (19),
λ ( v ) μ s     v M *
The kinematical multiplier λ(v) is never larger than the actual settlement multiplier settlement μs, the minimum among all the statically allowable stress states Σ. This μs is the maximum of the kinematical multipliers λ(v) for any displacement v varying in the set of all the mechanisms M* [14,15]. Thus,
μ s = M I N μ ( ) = M A X λ ( v ) = M A X ( < g , v > < r , v > ) , Y , v M *
 □

9. The Minimum Thrust in the Dome Estimated with the Kinematical Approach

The occurrence of thrust slices the masonry dome, due to the development of meridian cracks. The thrust deforms the underlying support structures, firstly, the drum, yielding a slight increase in the dome span. Slices follow this deformation and, as described earlier, mobilize a thrust that is the minimum among all the statically allowable ones. Figure 7 sketches the outline of a generic mechanism v of a dome slice whose base undergoes a slight broadening Δ.
The point O indicates the position at the intrados of the internal hinge. Figure 7 shows all the quantities involved. The settlement mechanism is represented by the outwards horizontal settling Δ(v) associated with the chosen mechanism v. The minimum thrust of the dome is evaluated by applying the kinematic procedure. The unknown thrust, that is, the minimum of all statically allowable thrusts, is obtained [16] (p. 286) as the maximum of all the kinematical thrusts
S M i n = M a x   S k i n ( v ) = M a x < g , v > Δ ( v )
where v is any settlement mechanism. The work done by loads g along the displacement v is given by
< g , v > = θ i G i ( D * x i )
if D* and xi indicate, respectively, the horizontal distances of the hinge O and of the force Gi from the vertical alignment T, as shown in Figure 7. Finally, we have
Δ ( v ) = θ H *
where H* is the vertical distance between the internal hinge O and the extrados of the top section, at the joining of the slice with the lantern. The vertical displacements vi of the application points of loads Gi, representing the weights of the various wedges, are then given by
v i = ( D * x i ) θ
Thus, we have
S k i n ( v ) = i G i ( D * x i ) H *
This approach has been applied by the author to evaluate the thrust of St Peter’s in Rome [28,29].

10. Thrust Estimate of Brunelleschi’s Dome

The thrust of Brunelleschi’s Dome has been evaluated with regard to a Dome slice equal to 1/8 of the entire Dome, referring to the single web supported directly by the underlying pier. The outer and the inner shells forming the Dome are strictly connected by ribs and the horizontal arches, so that the vault, despite its complexity, can be accurately described as behaving like a single solid structure.
Making reference to Figure 8 that shows the octagonal horizontal section of the dome, we notice that the meridian sections of the Dome change with the position of the vertical sectioning planes so that the thrust, corresponding to the various slices, will change along the drum. The thrust, on the unit length of the average circle at Dome springing, will thus exhibit the undulating pattern sketched out in Figure 8, in which the middle sections of the webs correspond to the dotted lines.
The computation of the thrust of the dome is made by firstly dividing the slice into 31 voussoirs and determining their weights and the positions of their centers with respect to a definite coordinate system, as shown in Table 1. The unit weight of the masonry voussoirs has been assumed to be equal to 1.85 t/mc. The first voussoir defined by the number 1 corresponds to the voussoir at the crown. The corresponding share of the weight of the lantern is reported in the last row of Table 1.
According to the foregoing calculations, the total weight Gs of the slice, evaluated up to the height of the extrados of the drum and taken as 1/8 of the whole dome, including the share of the lantern, equals 3575 t.
The maximum kinematic thrust Skin(v) is found by trials, varying the position of the internal hinge O along the intrados curve of the slice. Four positions, denoted by 1, 2, 3 and 4 (Figure 9), have been chosen to place the internal hinge at the intratrados of the dome. In Figure 9, the pressure curve, corresponding to the calculation of the minimum thrust performed in [16] (pp. 260–261) by means of the statical approach, is also sketched. We can recognize the approximation of this evaluation due to graphical imperfection in the construction of the sequence of funicular polygons.
The maximum kinematic thrust Skin(v) is found by varying the position of the internal hinge O along the intrados curve of the slice.
In the following section, four different mechanisms, numbered from (1) to (4), are considered and the corresponding kinematic thrust Skin(v) is evaluated.
Quantities D*i and H*i (i = 1, 2, 3, 4) are, respectively, the distances of the internal hinges (1, 2, 3, 4) of the assumed mechanisms from the vertical and the horizontal alignments passing through the top A of the slice (Figure 9).
Table 2 develops the calculation of the kinematical thrusts according to the various settlement mechanisms corresponding to the chosen four positions of the internal hinge O.
The four kinematical thrusts corresponding to the assumed positions of the internal hinge, respectively, are
G i ( D * 1 x i ) / H * 1 = 425.48 t G i ( D * 2 x i ) / H * 2 = 460.64 t G i ( D * 3 x i ) / H * 3 = 470.81 t G i ( D * 4 x i ) / H * 4 = 452.70 t
Other choices of the positions of the internal hinges give lower values. The maximum of the kinematical thrust in the slice reaches a value of 470.8 t, corresponding to position 3 of the hinge O. With a previous calculation of the thrust performed by means of the statical approach, i.e., with the construction of a sequence of funicular polygons, a value of 400 t was obtained in [16] (pp. 260–261). This last value, because of the approximations inherent the funicular polygon layout, can be considered less accurate than the value of 470.8 t obtained by the kinematical approach.
In conclusion, the value of 470.8 t can be considered the actual value of the minimum thrust conveyed by a single slice equal to 1/8 of the Dome.
Averaging the lengths of the crown boundaries in which the drum is inscribed, assuming a circumferential length at the Dome springing equal to π·0.5 × (27.08 × 2 + 20.77 × 2) = 150.32 m, the length of the base slice is 150.32/8 = 18.79 m and the unit minimum thrust for single meter of the circumferential length of the Dome springing circle is 470.8/18.79 = 25 t/mL. This value is remarkably less than the thrusts of St Peter’s dome in Rome that reaches a value of about 30 t/mL [29] (pp. 981–990).

11. Loads Conveyed to the Pillar

The four pillars sustain all the weight of the dome. The pillars are directly charged at a height of 59 m by the weight of the webs directly overlying them. The weight of the webs overlying the arches are conveyed to the pillars following the stress flow shown in Figure 10 and reaches them at a height of 39 m.

11.1. Vertical Forces

1. At a height of 52.00 m (dome basement elevation)
The vertical load V52 stands for the weight of the web directly above the pillar, including the weight of the lantern slice. Thus, summing the weights Gi of the ashlars composing the slice, according to the values given in Table 1,
V52 = 3575 t.
2. At a height of 39.00 m (drum basement elevation)
The following loads have to be added to V52:
The weight Ghaw of the two halves of the adjacent webs overlying the arches.
Gthw = 3575 t
This weight is conveyed to the pillar at this height because it is deviated by the presence of “eyes” in the drum (Figure 10). The diameter of the “eye” is equal to 5.8 m.
The weight Gusd of the upper segment of the drum directly overlying the pillar.
Length of the external side of the drum: Le = 20.67 m.
Length of the internal side of the drum: Le = 17.21 m.
Thickness of the sides of the drum: Th = 4.18 m.
Height of the upper part of the drum: h = 13.0 m.
Gusd = 0.5 × (20.67 + 17.21) × 13.0 × 4.18 × 2.2 − π × 5.82 × 4.18 × 2.2/4 = 2264 − 243 = 2021 t
Summing up all the various contributions, we get
V 39 = V 52   +   G t h w   +   G u s d = 3575 + 3575 + 2021 = 9171   t
3. At a height of 28.00 m (elevation of the springers of the pointed arches)
The following loads have to be added to V39:
The weight Gthd of the two halves of the adjacent segments of the upper drum, conveyed by the adjacent pointed arches
Gthd = 2021 t
The weight Vaa of the two halves of the two adjacent arches.
This weight Vaa can be evaluated by making reference to a simplified scheme of the geometry of the arch. With reference to Figure 11, the two components V1 and V2 of the arch give
V 1 = 10.00 7.5 0.5 4.18 2.2 = 345   t       d 1 = 3.33   m
V 2 = 10.0 3.50 4.18 2.2 = 322   t       d 2 = 5.00   m
The weight of the two halves of the adjacent pointed arches is
Vaa = 2(V1 + V2) = 2(345 + 322) = 1334 t
Summing up all the various contributions, we get
V28 = V39 + Gthd + Vaa = 9297 + 2021 + 1334 = 12,652 t

11.2. Horizontal Forces

  • At a height of 52.00 m, the resultant radial thrust delivered by webs is (Figure 12)
    SRw52 = 470.8 + 666 = 1136 t.
  • At a height of 28.00 m
    The vector sum S’va28 of the thrusts Sa28 of the two adjacent pointed arches.
    The thrust Sa28.
The pointed arches are loaded, in addition to their weight, by the weight of the segment of the drum directly overlying them. The presence of these loads activates the thrust in these pointed arches. They are inserted between the four large pillars supporting the dome. No cracks have been detected at the intrados of these arches, as described in [5] (Figure 7, p. 413).
The assessment of the thrust in these pointed arches is difficult to evaluate. The presence of the minimum thrust state in the arches has to be excluded; their thrust will be included between their minimum and maximum values. In the case of the minimum thrust, the arm h* of the thrust couple has a length of 11.5 m. We assume a lower length of h* equal to h* 9.25 m, as shown in Figure 11.
With reference to Figure 11, the two components V1 and V2 of the arch weight are
V1 = 10.0 × 7.5 × 0.5 × 4.18 × 2.2 = 345 t   d1 = 3.33 m
V2 = 10.0 × 3.5 × 4.18 × 2.2 = 322 t   d2 = 5.00 m
V3 = 10.0 × 13.0 × 4.18 × 2.2 − π × 5.82/4 = 1074 t   d3 = 5.30 m
The equilibrium condition of half of the arch gives
S a 28 9.25 = V 1 d 1 + V 2 d 2 + V 3 d 3 = 1195 4.60 + 322 5.00 + 345 3.33
and the thrust of the pointed arch is
S a 28 = 1 9.25 ( 4940 + 1610 + 1148 ) = 832 t
and acts at a height of 28 m from ground level.
The vector sum S’va28 is thus S v a 28 = 832 x 2 = 1176   t
In conclusion, while at a height of 52.00 m, the resultant radial thrust delivered by webs is SRw52 = 470.8 + 2 470.8 = 1136 t, at a height of 28 m, the resultant thrust S’vRa28 of the pointed arches spanning between the arches is S’vRa28 = 1176 t.

12. Stresses at the Pillar Base

The analysis concerns the two absidal piers even if analogous results can be obtained for the other two piers flanking the nave. At the pillar head (h = 28.0 m),
N28 = 12,652 t
The load N28 is directed along the vertical axis passing through the center of the trapeze section of the single side segment of the octagonal crown. This section, part of the whole cross section of the pillar and sustaining a side of the drum, directly carries the load N28. The area of this section equals about ½ (20.67 + 17.21)0.5 = 79.2 m2 and the corresponding compression stress is 12,652/79.2 = 16 kg/cm2.
1. Section of the pillar
The pillar cross section is hollow in the center, up to a height of 20.0 m, while it is solid from a height of 20.00 m up to 28.00 m.
The masonry structure of the pillar is made up of about 2.0 m thick stone facings, tightly bound to a rubble and mortar core.
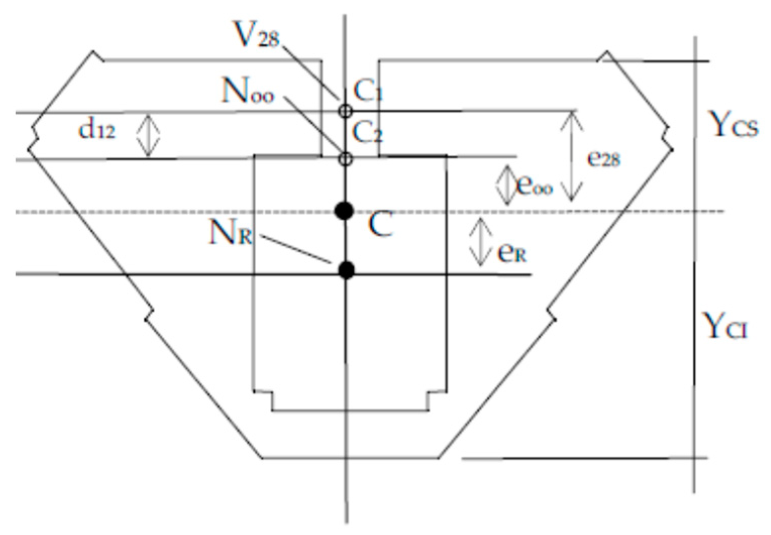
All the various dimensions of the section have been taken from documents and drawings and processed via a computer. The hollow section is shown in Figure 13.
The area A of the base section (hollow) and the distances of the center from its external sides (Figure 13) are
A = 2,264,890 cm2; Ygs = 609.5 cm; Ygi = 957.3 cm
The moment of inertia Jx of the section with respect to the central axis x, orthogonal to the symmetry axis y, is:
J x = 3.98 10 11   cm 4 .
The distances of the core points from the section center C are
d sup = W i A = J x A Y g i = 188.6   cm .   d inf = W s A = J x A Y g s = 290.5   cm
2. Pillar weight
The weight WP 0-20 of the segment of the pillar from the height 0.00 m up to 20.00 m:
Area of the hollow section: A = 226.5 m2.
WP0-20 = 226.5 × 20.00 × 2.2 = 9966 t, by assuming the unit weight of the masonry of the pier equal to 2.2 t/mc.
The weight WP 20-28 of the segment of the pillar from the height 20.00 m up to 28.00 m:
The cross section A’ of this segment of the pier is solid. A’ = 226.5 m2 + 90 m2 = 316 m2.
WP20-28 =: 316 × 8.00 × 2.2 = 5562 t
Total pillar weight: Wpill = 9966 t + 5562 t = 15,528 t.
3. Stresses at the pillar base section
Axial load:
The axial load Noo at the pillar base is obtained by summing the various vertical forces transmitted with the weight of the pillar:
Noo = V28 + Wpill = 12,652 + 15,528 = 28,180 t
Eccentricities of the various vertical loads conveyed to the pillar with respect to the center C of its base section:
A force of V28 = 12,652 t is conveyed through the side segment of the octagonal drum section, at a distance of d28 = ½ 4.18 m = 2.09 m from the internal boundary of the crown.
With reference to Figure 13, the corresponding eccentricity e28 of the force V28 = 12,652 t is:
e28 = YCS − 2.09 = 6.09 − 2.09 = 4.00 m.
The weight of the pillar Wpill = 15,528 t passes through the center of the hollow section. Thus, the following equation gives the eccentricity eoo of the resultant force Noo:
12,652·4.00 = 28,180·eoo and eoo = 1.8 m. The eccentric load Noo = 28,306 t acts outwards at the distance eoo = 1.8 m from the center C of the section (Figure 13).
Bending moments:
Vertical cracks cross all of the body of the drum, as shown in Figure 7 on page 413 of [5]. The drum has lost its hooping function. Brunelleschi concentrically inserted in the dome, at the level of first, second and third galleries, three girdling belts of “pietra di macigno”, a strong sandstone, cramped by iron brackets.
A wood chain, made of wood lintels, connected by iron clamps, was also inserted over the first stone chain. All these chains are very deformable and can sustain only negligible shares of the dome thrust. Consequently, both the resultant radial thrust SRw52 conveyed by webs at a height of 52 m and the resultant radial thrust SRa28 conveyed by the arches at a height of 28 m push against the underlying pillar. The moment at the pillar base due to the thrusts is:
Moo = 1136.8 × 52 + 1176 × 28 = 92,146 tm and is directed outside.
4. Stresses in the pillar base section
The composition of the bending moment Moo with the eccentric load Noo = 28,180 t yields a resultant eccentric load NR having a total eccentricity eR = 1.82 − 92,146/28,180 = 1.82 − 3.27 = −1.45 m outside (Figure 13). The pier section is wholly compressed. The maximum and minimum compression stresses are:
σ e x t = N A + M J x Y g s = 28 , 180 , 000 2 , 264 , 890 + 28 , 180 , 000     145 3.98 10 11 957.3 = 12.44 + 9.83 = 22.3   kg / c m 2 σ int = N A M J x Y g i = 28 , 180 , 000 2 , 264 , 890 28 , 180 , 000     143 3.98 10 11 609.5 = 12.50 6.2 = 6.3 kg / c m 2
The stress analysis reported in [5] (p. 421) gives a lower value of 15.4 kg/cmq for the maximum compression stress in the pillar section at ground level. This difference can be explained considering that, in the model [5], the supporting structure of the dome also takes into account the structure of the side apses. The compressive stresses are sufficiently moderate to be sustained safely by the masonry, built with blocks of sandstone (pietra forte) and good mortar.
The expansion of the base of the dome, due to the occurrence of the two major cracks (type A in [5]) of a width of about 6 cm, involves a radial displacement of the dome base of about 6.0 cm/π = 1.9 cm. This displacement can be in full agreement with the visco-elastic flexure of the piers and of their foundations.
It is worth further remarking that the slow creep deformations occurring in the piers and in their foundations could explain the detected slow increase over time of the width of the major cracks in the webs, estimated, on average, to be about 5.5 mm/century [22] (p. 50).

13. Conclusions and Results

The estimate of the thrust of Brunelleschi’s Dome in Florence and of the consequent stresses in the sustaining piers is the subject of the paper. After a brief description of the Dome and its damage state, the paper first explained the reasons for the insurgence of thrust in rotational masonry domes. The same occurred in Brunelleschi’s Dome. The detected crack patterns reveal a rotational behavior of the dome, in spite of its external appearance of a segmental cloister vault, due to the clever constructional devices of Brunelleschi.
Useful in this context is the application of the kinematical approach, first studied by the author [14,15] in the framework of the Heyman model of masonry behavior. The basic principles of this approach are first recalled and then applied to the assessment of the thrust of Brunelleschi’s Dome. The thrust has been evaluated by making reference to a Dome slice equal to 1/8 of the entire dome, a single web that is directly supported by the underlying pier. The minimum thrust of the slice has thus been obtained as the maximum of all the kinematical ones. This maximum reaches a value of 470.8 t, corresponding to 25 t/mL for a meter of the dome springing circle. This value is larger than the value of 21.3 t/mL obtained by applying the statical approach to the Dome, a less accurate procedure using the construction of sequences of funicular polygons.
The base section of the underlying pillars is eccentrically compressed, and the level of stresses is sufficiently low. Small rotations of the basement of the piers, due to the development of limited creep deformation of the underlying soil, the gravel of the River Arno, can account for the detected very slow increase over time of the width of the major cracks in the dome webs.
Over the centuries, the dome has largely maintained a stable configuration and stands as one of the most extraordinary examples of the soundness and beauty of Renaissance architecture. This result is due to the extraordinary dome design of Filippo Brunelleschi and to the smart plan of the pillar section, with the favorable positioning of the drum, perhaps due to Arnolfo di Cambio or to the succeeding Masters, such as Talenti, Lapo di Ghini and Neri di Fioravanti.

Funding

This research received no external funding.

Institutional Review Board Statement

Not applicable.

Informed Consent Statement

Not applicable.

Data Availability Statement

Not applicable.

Conflicts of Interest

The authors declare no conflict of interest.

References

  1. Heyman, J. The Stone Skeleton. Int. J. Solids Struct. 1966, 2, 249–279. [Google Scholar] [CrossRef]
  2. Como, M. Equilibrium and Collapse of Masonry Bodies. In Masonry Constructions; Calladine, C.R., Ed.; Kluwer Academic Press: Dordrecht, The Netherlands, 1992; Volume 27, pp. 185–194. [Google Scholar]
  3. Como, M. Virtual Displacement Principle, Existence and Uniqueness for Elastic no Tension Bodies. Meccanica 2017, 52, 1397–1405. [Google Scholar] [CrossRef]
  4. Bartoli, G. Edifici Monumentali: Monitoraggio e Modellazioni numeriche. In Proceedings of the Il Monitoraggio Delle Grandi Fabbriche Storiche, Firenze, Italy, 19–20 January 2012; Mandragora: Firenze, Italy, 2012; pp. 108–111. [Google Scholar]
  5. Bartoli, G.; Betti, M.; Borri, C. Numerical Modelling of the Structural behavior of Brunelleschi’s Dome of Santa Maria del Fiore. Intern. J. Archit. Herit. 2015, 9, 408–428. [Google Scholar] [CrossRef]
  6. Betti, M.; Drosopoulos, G.A.; Stavroulakis, G.E. Two nonlinear finite element models developed for the assessment of failure of masonry arches. Comptes Rendus Mec. 2008, 336, 42–53. [Google Scholar] [CrossRef]
  7. Chiarugi, A.; Bartoli, G.; Bavetta, F. La meccanica della Cupola. In La Cupola di Santa Maria del Fiore—Il Cantiere di Restauro 1980–1995; Istituto Poligrafico e Zecca della Stato: Rome, Italy, 1995; pp. 47–62. [Google Scholar]
  8. Betti, G.; Bartoli, G.; Borri, C. Filippo Brunelleschi and the Dome of Santa Maria del Fiore. In Developments and Applications in Computational Structures Technology; Topping, B.H.V., Ed.; Saxe-Coburg Publ.: Stirling, UK, 2010; pp. 309–327. [Google Scholar]
  9. Bartoli, G.; Betti, M.; Blasi, C.; Ottoni, F.; Coli, M.; Marchetti, E.; Ripepe, M. Synergetic interdisciplinary Approaches for the Conservation of Monumental Heritage: Cupola of Santa Maria del Fiore in Florence. J. Perform. Constr. Facil. 2012, 30, 04015091. [Google Scholar] [CrossRef]
  10. Lourenco, P.B. Structural Analysis of Historical Constructions: Possibilities Numerical and Experimental Techniques; Macmillan: New Delhi, India, 2006. [Google Scholar]
  11. Milani, G.; Lourenco, P.B. Modelling Masonry with Limit Analysis Finite Elements: Review, applications and new directions. In Civil Engineering Computations: Tools and Techniques; Topping, B.H.V., Ed.; Saxe-Coburg Publ.: Stirling, UK, 2007; pp. 217–242. [Google Scholar]
  12. Lourenco, P.B. Recent Advances in Modelling Masonry Shells: Validation and Applications. In Structural Engineering and Mechanics; Choi, C.K., Ed.; Techno-Press: Taejon, Korea, 1999; pp. 1247–1252. [Google Scholar]
  13. Heyman, J. Domes. In The Stone Skeleton, Structural Engineering of Masonry Architecture; Cambridge University Press: Cambridge, UK, 1995; pp. 27–47. [Google Scholar]
  14. Como, M. On the role played by Settlements in the Statics of masonry Structures. In Proceedings of the International Symposium of Geotechnical Engineering for the Preservation of Monuments and Historic Sites, Naples, Italy, 3–4 October 1996; A.A. Balkema: Rotterdam, The Netherlands, 1997; pp. 8–87. [Google Scholar]
  15. Como, M. Minimum and Maximum Thrust States in Statics of Ancient Masonry Buildings. In Proceedings of the Second International Arch Bridge Conference, Venice, Italy, 6–9 October 1998; Sinopoli, A., Ed.; A.A. Balkema: Rotterdam, The Netherlands, 1998; pp. 133–137. [Google Scholar]
  16. Como, M. Domes. Statics of Historic Masonry Constructions; Fremond, M., Maceri, F., Eds.; Springer Series in Solid and Structural Mechanics; Springer: Cham, Switzerland, 2017. [Google Scholar]
  17. Mainstone, R.J. Brunelleschi’s Dome of S. Maria del Fiore and some Related Structures. Trans. Newcom. Soc. 1969, 42, 124–150. [Google Scholar] [CrossRef]
  18. Di Pasquale, S. La soluzione Brunelleschiana. In Brunelleschi: La Costruzione Della Cupola di Santa Maria del Fiore; Marsilio: Venezia, Italy, 2002; pp. 71–160. [Google Scholar]
  19. Ippolito, L.; Peroni, C. La Cupola di Santa Maria del Fiore; La Nuova Italia Scientifica: Firenze, Italy, 1997. [Google Scholar]
  20. Como, M.T. Structural Devices concerning the Progressive Outer Shell Construction in Brunelleschi Dome. In Nuts and Bolts of Construction History Culture, Technology and Society; Caravais, R., Guillerme, A., Nègre, V., Sakarowitch, J., Eds.; Picard: Paris, France, 2012; Volume 1, pp. 331–339. [Google Scholar]
  21. Ottoni, F. Delle Cupole e del Loro Tranello, la Lunga Vicenda Delle Fabbriche Cupolate tra Dibattito e Sperimentazione; Aracne: Rome, Italy, 2012. [Google Scholar]
  22. Blasi, C. Sessant’anni di monitoraggio della cupola di Santa Maria del Fiore. In Proceedings of the Il Monitoraggio Delle Grandi Fabbriche Storiche, Firenze, Italy, 10–20 January 2012; Mandragora: Firenze, Italy, 2012; pp. 41–53. [Google Scholar]
  23. Blasi, C.; Ceccotti, A. La Cupola del Brunelleschi: Indagine sullo stato di fessurazione. In Proceedings of the INARCOS Ingegneri Architetti Costruttori, Bologna, Italy, 5–7 June 1984; pp. 228–236. [Google Scholar]
  24. Blasi, C.; Coisson, E.; Ottoni, F. The crack pattern in Brunelleschi’s dome in Florence. Damage evolution from historical to modern monitoring system analysis. Adv. Mater. Res. 2010, 133, 53–64. [Google Scholar]
  25. Guerrieri, F. La cupola di Santa Maria del Fiore e il suo sistema di monitoraggio. In Proceedings of the Il Monitoraggio Delle Grandi Fabbriche Storiche, Firenze, Italy, 10–20 January 2012; Mandragora: Firenze, Italy, 2012; pp. 31–39. [Google Scholar]
  26. Coulomb, C.A. Essai sur une application des règles de maximis & minimis à quelques problèmes de statique, relatifs à l’architecture. In Mémoires de Mathématique et de Physique, Présentés à l’Académie Royale des Sciences par Divers Savans; 1773; Reprinted in Théorie des Machines Simples; Bachelier: Paris, France, 1821; Volume 7. [Google Scholar]
  27. Heyman, J. Coulomb Memoir on Statics, An Essay in the History of Civil Engineering; Cambridge University Press: Cambridge, UK, 1972; pp. 41–74. [Google Scholar]
  28. Como, M. Un antico restauro statico della cupola di S. Pietro in Roma. In Lo Specchio del Cielo; Conforti, C., Ed.; Electa: Milano, Italy, 1997; pp. 245–260. [Google Scholar]
  29. Como, M. Sulla storia del restauro statico della cupola di S. Pietro in Roma eseguito da Poleni e Vanvitelli. In Proceedings of the 2nd Convegno di Storia dell’Ingegneria, Napoli, Italy, 7–9 April 2008; Cuzzolin: Napoli, Italy, 2008; pp. 981–990. [Google Scholar]
Figure 1. Friction increasing due to meridian compressions.
Figure 1. Friction increasing due to meridian compressions.
Applsci 11 04268 g001
Figure 2. (a) Typical meridian cracks; (b) dome slice with increased span due to springer setting.
Figure 2. (a) Typical meridian cracks; (b) dome slice with increased span due to springer setting.
Applsci 11 04268 g002
Figure 3. The single resistant masonry cell.
Figure 3. The single resistant masonry cell.
Applsci 11 04268 g003
Figure 4. Stresses not producing or producing detachment strains in the cell.
Figure 4. Stresses not producing or producing detachment strains in the cell.
Applsci 11 04268 g004
Figure 5. Settlement of the arch.
Figure 5. Settlement of the arch.
Applsci 11 04268 g005
Figure 6. The released arch.
Figure 6. The released arch.
Applsci 11 04268 g006
Figure 7. The minimum thrust evaluated via the kinematic approach.
Figure 7. The minimum thrust evaluated via the kinematic approach.
Applsci 11 04268 g007
Figure 8. Variation of the thrust along the sections: dotted lines indicate the web centers.
Figure 8. Variation of the thrust along the sections: dotted lines indicate the web centers.
Applsci 11 04268 g008
Figure 9. The section of Brunelleschi’s Dome with the positions 1, 2, 3, 4 of the considered internal hinge O of the various chosen settlement mechanisms.
Figure 9. The section of Brunelleschi’s Dome with the positions 1, 2, 3, 4 of the considered internal hinge O of the various chosen settlement mechanisms.
Applsci 11 04268 g009
Figure 10. The web overlying the pillar and two half-webs above the adjacent arches.
Figure 10. The web overlying the pillar and two half-webs above the adjacent arches.
Applsci 11 04268 g010
Figure 11. Scheme of the pointed arch.
Figure 11. Scheme of the pointed arch.
Applsci 11 04268 g011
Figure 12. Composition of thrusts acting on the single pillar.
Figure 12. Composition of thrusts acting on the single pillar.
Applsci 11 04268 g012
Figure 13. Position of the pillar hollow section center.
Figure 13. Position of the pillar hollow section center.
Applsci 11 04268 g013
Table 1. Weight of voussoirs and coordinates of their centers.
Table 1. Weight of voussoirs and coordinates of their centers.
VoussoirVol. m3Weight (t)XG (m)YG (m)
116.6430.79357.4135.51
221.5739.84356.3035.47
324.7245.74355.2134.59
428.6753.03354.0833.68
537.1368.68352.9432.86
637.2268.86351.9131.81
744.4682.26350.8130.85
847.2187.34349.8729.85
948.7990.26348.9228.76
1058.48108.19347.9227.76
1155.60102.85347.1126.57
1261.66114.07346.2125.45
1365.66121.47345.4224.34
1464.48119.28344.6923.10
1574.32137.49343.8721.93
1669.88129.09343.2820.67
1772.52134.15342.6319.42
1881.11150.05341.9718.22
1975.78140.20341.4916.88
2082.51152.64340.9015.58
2182.51152.64340.4614.31
2280.52148.95340.0712.95
2390.51166.66339.5811.63
2482.92153.41339.3410.27
2583.90155.21339.048.92
2684.74156.77338.787.56
2785.45158.08338.576.19
2886.02159.14338.394.82
2986.46159.94338.273.45
3086.76160.51338.182.07
3186.93160.82338.140.69
Lant. 93.75358.4135.75
Table 2. Calculation of the kinematical thrusts.
Table 2. Calculation of the kinematical thrusts.
V.GiGi(D*1xi)/H*1 Gi(D*2xi)/H*2 Gi(D*3xi)/H*3 Gi(D*4xi)/H*4
093.7547.6854.0659.2165.60
130.7814.8916.8618.4320.33
239.8418.0420.8822.8424.37
345.7419.3221.7723.7025.77
453.0320.8223.4025.4027.39
560.9421.9424.5826.5828.34
668.8522.8825.5427.5129.00
782.2625.0327.8329.8431.01
887.3424.1626.7328.5029.10
990.2622.4424.6726.1326.08
10108.1923.8926.0727.3726.52
11111.1322.5424.4525.4824.08
12114.0721.6723.3824.2322.40
13121.4721.7323.3224.0221.72
14119.2818.5719.6819.9516.96
15137.4918.2318.9718.8314.52
16129.5914.2716.8014.579.89
17134.1511.8512.7011.806.30
18150.0511.9611.4510.103.32
19140.208.817.946.32/
20152.646.765.34//
21152.644.582.80//
22159.663.421.33//
23166.66////
Publisher’s Note: MDPI stays neutral with regard to jurisdictional claims in published maps and institutional affiliations.

Share and Cite

MDPI and ACS Style

Como, M. Brunelleschi’s Dome: A New Estimate of the Thrust and Stresses in the Underlying Piers. Appl. Sci. 2021, 11, 4268. https://doi.org/10.3390/app11094268

AMA Style

Como M. Brunelleschi’s Dome: A New Estimate of the Thrust and Stresses in the Underlying Piers. Applied Sciences. 2021; 11(9):4268. https://doi.org/10.3390/app11094268

Chicago/Turabian Style

Como, Mario. 2021. "Brunelleschi’s Dome: A New Estimate of the Thrust and Stresses in the Underlying Piers" Applied Sciences 11, no. 9: 4268. https://doi.org/10.3390/app11094268

APA Style

Como, M. (2021). Brunelleschi’s Dome: A New Estimate of the Thrust and Stresses in the Underlying Piers. Applied Sciences, 11(9), 4268. https://doi.org/10.3390/app11094268

Note that from the first issue of 2016, this journal uses article numbers instead of page numbers. See further details here.

Article Metrics

Back to TopTop